Реферат: Алгоритми розрахунку періодичного режиму в нелінійній схемі
|
Название: Алгоритми розрахунку періодичного режиму в нелінійній схемі Раздел: Рефераты по коммуникации и связи Тип: реферат |
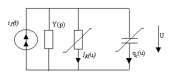
АЛГОРИТМИ РОЗРАХУНКУ ПЕРІОДИЧНОГО РЕЖИМУ ВНЕЛІНІЙНІЙ СХЕМІ 1. Коротка характеристика методів розрахунку Вузли, проектування яких нас цікавить, в більшості випадків використовуються в режимах, де нелінійність виявляється досить сильно. Тому не розглядають методи, які знаходять практичне застосування лише для аналізу слабких нелінійних схем. До їх числа відноситься, наприклад, метод рядів Вольтера. Методи, які дозволяють розраховувати довільні нелінійні кола, поділяють на дві великі групи – часові та спектральні. Характерна властивість методів першої групи – це інтегрування нелінійних диференційних рівнянь до отримання усталеного періодичного режиму. Головний недолік їх в тому, що цікавлячись усталеним режимом, ми повинні розрахувати ще і перехідні процеси. Із цим недоліком можна миритись, якщо зусилля і затрати на незаплановані розрахунки невеликі, тобто якщо, наприклад, перехідний режим продовжується недовго. Звісно, що перехідний процес в схемі тим коротший, чим менше її вибірність. Необхідність визначення періодичного режиму у вибірних пристроях створила ряд прийомів, скоротивши розрахункову процедуру. Пояснимо їх на прикладі. Нехай у нелінійній схемі період усталеного режиму відомий, задана величина і, крім цього, можна говорити, що перехідний процес практично завершується за Lперіодів. Таким чином, щоб знайти періодичний режим, треба інтегрувати диференційне рівняння схеми протягом L періодів. Перший прийом складається в зменшені часу інтегрування на кожному періоді. Це змушує використовувати такі чисельні методи, які, зберігаючи потрібну точність, дозволяють вести інтегрування з максимальним кроком. Ідея другого прийому – виконувати інтегрування не на кожному періоді, а із пропусками. Для її реалізації формується функція незв’язності, котра характеризує ступінь досягнення усталеного режиму. За допомогою цієї функції, із початковими умовами на якомусь періоді, визначаються початкові умови для інтегрування на наступному періоді. Очевидно, якщо перехідний процес закінчиться, то початкові умови, використані на попередньому періоді, співпадуть з початковими умовами, обчисленими для наступного. Виявилось, що за початковими умовами для k –го періоду можна приблизно знайти початкові умови для (k+m) -го періоду, де m - ціле число, більше одиниці. В результаті, число періодів, протягом яких треба інтегрувати рівняння, скоротиться в m разів. У спектральних методах розрахунку визначається періодичне рішення нелінійних диференційних рівнянь, записаних у формі ряду Фур’є. Відносно спектральних компонент цього ряду утворюється система нелінійних (трансцендентних) рівнянь, котра вирішується за допомогою ітерацій. Різновиди методів цієї групи визначається тим, як побудовано ітераційний процес. Для схемотехнічного проектування розрахунок періодичного режиму потрібен як у випадку, коли період процесу відомий, так і коли період повинен бути знайдений. Перша ситуація характерна для підсилювачів потужності, помножувачів та дільників частоти, тобто для схем, в яких є зовнішня дія. В таких схемах в якості робочого використовують періодичний режим із періодом, рівним періоду зовнішнього сигналу або в ціле число разів більшим за цей період. Подібні схеми звуть неавтономними. Другий клас схем – автономні, наприклад, автогенератори. В них період коливань визначається внутрішніми параметрами і знаходиться разом із амплітудою коливань. У зв’язку з тим, що розрахунок процесу з відомим періодом простіше, спочатку розглядається цей випадок, а потім вказується, які зміни потрібно ввести в розрахунок в іншій ситуації. 2. Про чисельні методи інтегрування звичайних диференційних рівнянь Маючи на увазі задачу розрахунку періодичного режиму часовим методом, звернемось до чисельного інтегрування диференційних рівнянь, які описують процеси в електронних схемах. Це цікавить нас з точки зору скорочення часу розрахунків. Відповідними методами інтегрування можна вважати такі, котрі потребують малих витрат на обчислення при дотриманні заданої точності. Під витратами розумітимемо загальний об’єм розрахунків (число арифметичних операцій), необхідний об’єм пам’яті ЕОМ, машинний час і т.ін. Цілком зрозуміло суперечність потреб високої точності і малих витрат. Дійсно, якщо не вдаватися в подробиці, то здається, що точність чисельного інтегрування тим вище, чим менший крок. З іншого боку, із зменшенням кроку зростає час розрахунку. Справа ускладнюється ще й тим, що в деяких ситуаціях зменшення кроку не вирішує проблему точності. Це зустрічається при інтегруванні “жорстких” диференційних рівнянь, в яких коефіцієнти значно різняться через великий розкид постійних часу кола. В результаті, в перехідному процесі є швидкі та повільні складові, із правильним розрахунком яких впорається далеко не всякий метод інтегрування. Таким чином, в обчислювальній математиці з’явилась необхідність вияву властивостей чисельних методів інтегрування, які впливають на витрати та точність розрахунків. В даний час прийнято характеризувати ці методи точністю і стійкістю. Точність визначається помилками, які виникають під час розрахунків. Для порівняння методів вводиться поняття “локальна помилка”, яка стосується одного кроку інтегрування. При цьому якщо метод спирається на результати попередніх кроків, припускається, що перші дані точні. Локальна помилка складається з методичної та помилки округлення. Перша залежить від методу, друга від арифметичної точності ЕОМ. В практично використаних методах локальна методична помилка повинна допускати оцінку. Крім того, має місце локальна перехідна помилка, яка зобов’язана своїм існуванням похибкам на попередньому кроці. Для користувача важлива загальна, глобальна помилка, відповідальна за весь інтервал інтегрування. Зв’язок локальної помилки із загальною складний. Тому при аналізі методу глобальна помилка не розглядається, а уяву про неї одержують за допомогою тестових прикладів. Друга характеристика методів чисельного інтегрування – їх стійкість. Практичний прояв її виглядає так. Припустимо, інтегруємо тестове диференційне рівняння, для якого відомо точне рішення. Обчислення проводимо кілька разів з постійним кроком, збільшуючи крок від одного розрахунку до іншого. До деякої величини кроку, яку звуть критичною, похибка інтегрування постійно зростає. Але як тільки крок перейде критичне значення, похибка різко зростає (виникає чисельна нестійкість) і отримані результати значно відрізняються від справжніх. Із сказаного випливає, що нестійкий метод не придатний для задач, де виникає потреба інтегрування диференційних рівнянь протягом тривалого часу: щоб уникнути чисельної нестійкості, необхідно змінювати крок, а це збільшує кількість кроків і призводить до зростання загальної похибки через накопичення усіх видів помилок – перехідної, округленої, методичної. Методи чисельного інтегрування розрізняються в точності, стійкості і ряді інших властивостей. Наведемо прийняту в літературі класифікацію і вкажемо властивості методів, належних до окремих класів. Методи поділяються на дві великі групи. Відмінна особливість обох груп – спосіб апроксимації заданої функції. В першій групі використовується розклад в ряд Тейлора, в другій – апроксимація функції поліномом з тейлорівським розкладанням. Широке розповсюдження отримали методи другої групи, котрі у вітчизняній літературі звуться кінцево-різницевими. спектральний інтегрування нелінійний періодичний Формула довільного кінцево-різницевого методу, відносно до рішення диференційного рівняння
де
Число p задає кількість попередніх кроків, які визначають значення Відомі формули Ейлера – явна
та неявна
відносяться до однокрокового методу першого порядку. Його локальна методи- чна похибка оцінюється величиною На перший погляд уявляється, що явні методи мають перевагу над неявними тому, що в останніх значення В даний час в алгоритмах чисельного інтегрування проблемно-орієнтованих програм використовується кінцево-різницеві методи, які мають бажану стійкість та дозволяють оцінювати локальну методичну похибку на кожному кроці. За допомогою цієї оцінки підтримується максимальний розмір кроку і вибирається мінімальний порядок методу. Для зменшення об’єму розрахунків в неявних методах Відносно методів інтегрування, спираючись на розклад невідомої функції в ряд Тейлора, наприклад методом Рунге-Кутта різних порядків, можна зазначити, що вони знаходять обмежене використання. Пов’язано це з двома обставинами: по-перше, ускладнюється оцінка локальної методичної похибки на кожному кроці інтегрування; по-друге, для визначення 3. Спектральні методи 1 Математичний зміст спектральних методів. Розглянемо розрахунок періодичного режиму в нелінійному пристрої на прикладі конкретної схеми (рис. 1), складеної з паралельно з’єднаних провідностей y(p), нелінійного опору з вольт-амперною характеристикою
Рисунок 1 – Схема, за допомогою якої ведеться розрахунок періодичного режиму На вході схеми діє періодичне джерело струму із періодом
При заданих y(p),
Подамо шукану напругу в формі ряду Фур’є:
Задача зводиться до визначення спектральних компонентів в (3). Очевидно, при періодичному режимі струм нелінійного опору та заряд нелінійної ємності будуть також періодичними функціями часу
Важливо мати на увазі, що кожна амплітуда струму та заряду в (4) і (5) буде, в силу (3), функцією всіх комплексних амплітуд шуканої напруги. Щоб отримати рівняння для
Тут усі комплексні амплітуди постійні. Значить, оператор диференціювання діє тільки на експоненційні функції
Отже, можна записати
де Отримане співвідношення являє собою лінійну комбінацію функцій
Вище зазначалось, що кожна амплітуда струму та заряду є функцією комплексних амплітуд напруги
Тому (6) являє собою нескінчену систему трансцендентних (нелінійних) рівнянь відносно комплексних амплітуд напруг. При практичних розрахунках досить врахувати постійну складову і кілька гармонік напруги. Так можна зробити тому, що розглянуті схеми вибірні. Звичайно, кількість гармонік, які беруться до уваги, повинен визначити розробник. Зазначимо, що в інженерній методиці розрахунку подібних схем, враховується лише одна гармоніка. Допустимо, встановлено, що досить полічити N гармонік. Тобто, система (6) складається з (2 N + 1) рівнянь. Таким чином, розрахунок періодичного режиму спектральним методом зводиться до рішення системи нелінійних рівнянь. Різновиди методу визначаються способом рішення цієї системи. Потрібно взяти до уваги особливість рівнянь (6): в них нелінійні функції (7) в деяких випадках можна описати аналітично. У зв’язку з цим, далі не розглядатимемо способи рішення (6), які спираються на аналітичне уявлення функції (7). Тому нижче зупинимося на двох способах: перший – ітераційний метод Ньютона; другий – різновид пропонованого у методу, що спирається на інтегрування диференційних рівнянь. 2 Алгоритм рішення системи нелінійних рівнянь методом Ньютона. Запишемо рівняння (17) у векторно-матричній формі
де
Ліва частина формули (7), виявляється трансцендентною векторною функцією, аргумент якої – вектор напруги
За допомогою формули (7) отримаємо співвідношення для методу Ньютона стосовно (9)
Верхній індекс вектора напруги вказує на номер ітерації. Якщо в (9) підставити Продиференцюємо (10) по вектору
Нагадаємо, що похідна від вектор-функції незв’язності за векторним аргументом виявляється матрицею Якобі. Як видно, вона складається з трьох складових. Позначимо
В даному випадку використання методу Ньютона особливо ефективне, оскільки вдається отримати аналітичний вираз для За визначенням
Величину
В свою чергу ,
Похідна від струму дою
де
де Опишемо алгоритм розрахунку періодичного режиму в наведеній схемі. Припускаємо, що відомі: період коливань Крок 1: ввести початкове значення вектора Крок 2: розрахувати за формулою (14) та за компонентами вектора Крок 3: розрахувати з вольт-амперної Крок 4: визначити вектор незв’язності Крок 5: перевірити виконання нерівності Крок 6: розрахувати миттєві значення Крок 7: сформувати матрицю Якобі, користуючись (10), (11), (12). Крок 8: вирішити систему лінійних рівнянь (12) відносно компонент вектора Обміркуємо особливості розрахунку періодичного режиму автогенератора. Припустимо, в схемі (рис. 1) джерело струму
Якщо в це рівняння підставити (11), (12), (13) і зробити, як раніше, ряд перетворень, то можна отримати рівняння (8), в яких
З цього виразу випливає, що перша гармоніка напруги не має квадратурної (синусної) складової. Такий запис справедливий тому, що в автогенераторі фаза коливань випадкова. В результаті кількість спектральних складових напруги зменшилась на одиницю. Щоб виразніше уявити специфіку розрахунку, підставимо в (8) N=1 і запишемо систему рівнянь автогенератора в дійсній формі
Тут позначено
Якщо маємо аналітичну залежністю Якщо програма не орієнтована на отримання аналітичного виразу для
а останнє перепишемо як
де
Вирішуватимемо (15) методом Ньютона при |

. (10)
. (11)
,
,
.
.
.
, (12)
, (13)
, (16)