Курсовая работа: Розрахунок схеми підсилювача з двополярним джерелом електроживлення
|
Название: Розрахунок схеми підсилювача з двополярним джерелом електроживлення Раздел: Рефераты по коммуникации и связи Тип: курсовая работа | |||||||||||||||||||||||||||||||||||||||||||||||||||||||||||||||||||||||||||||||||||||||||||||||||||||||||||||||||||||||||||||||||||||||||||||||||||||||||||||||||||||||||||||||||||||||||||||||||||
ЗМІСТ Вступ 1. Загальні відомості 2. Розробка структурної та принципової схем 3.Електричний розрахунок 3.1 Розрахунок напруги джерела електроживлення 3.2 Вибір транзисторів кінцевого каскаду 3.3 Розрахунок колекторного кола кінцевого каскаду 3.4 Розрахунок базового кола кінцевого каскаду 3.5 Вибір складених транзисторів УТ4, УТ5 кінцевого каскаду 3.6 Вибір транзистора і розрахунок кіл передкінцевого каскаду 3.7 Розрахунок коефіцієнта загальних гармонійних спотворень 3.8 Розрахунок кола загального зворотного негативного зв'язку зазмінному струму 3.9 Розрахунок диференційного вхідного каскаду 3.10 Розрахунок елементів кіл зміщення і стабілізації режиму транзисторів кінцевого каскаду 3.11 Розрахунок результуючих характеристик підсилювача потужності 3.12 Розрахунок ємності конденсаторів підсилювача потужності Висновки Список використаної літератури Список нормативної літератури ВСТУПЕлектричні сигнали використовують у всіх галузях науки та техніки. Так, у пристроях електрозв'язку вони передають інформацію на відстань. Різні процеси як у техніці так і у живій природі супроводжуються появою електричних потенціалів та струмів. У більшості випадків значення електричних сигналів, відображаючи інформацію о процесах та явищах у природі та техніці, дуже малі. Тому, щоб скористатися цими сигналами їх необхідно підсилити за допомогою підсилюючих пристроїв. Підсилюючі пристрої почали застосовувати з 1910 р. коли В.І.Коваленко запропонував для підсилення електричних сигналів використовувати електронну лампу. Початок робот по теорії підсилювачів було покладено М. А. Бонч-Бруєвичем у 20-х роках. Групою спеціалістів під керівництвом А.І.Берга були розроблені теорія та методика розрахунку підсилюючих пристроїв. З кінця 50-х років в електронній апаратурі почали застосовуватися транзистори. Завдяки позитивним якостям транзисторів у наш час електронна апаратура будується в основному на напівпровідникових приборах. На основі інтегральних мікросхем виготовляють складні та високо надійні електронні підсилювачі малих розмірів. Підсилюючі пристрої у складі вимірювальних пристроїв застосовуються у всіх галузях народного господарства. За їх допомогою слабкі електричні сигнали підсилюються, в результаті чого значення цих сигналів стають достатніми для приводу у дію виконуючих пристроїв. 1. ЗАГАЛЬНІ ВІДОМОСТІ 1.1 Основні показники якості підсилювачів Коефіцієнт посилення напруги КU — відношення напруги сигналу на виході підсилювача до напруги сигналу, підведеного до його входу. Коефіцієнт посилення потужності КP — відношення потужності сигналу на виході підсилювача до потужності сигналу, підведеної до його входу. Часто коефіцієнт посилення виражають в децибелах КдБ = 20 lg, КU = 10 lg KP . Амплітудно-частотна характеристика — залежність коефіцієнта посилення напруги від частоти. Елементами АХЧ є номінальний діапазон відтворних частот і її нерівномірність в цьому діапазоні. Нерівномірність АЧХ — відношення найбільшого і якнайменшого коефіцієнтів посилення напруги в заданому діапазоні частот. Діапазон відтворних частот — діапазон частот, в межах якого нерівномірність АЧХ не перевищує заданою. Вхідний опір — опір входу підсилювача для змінного струму. Звичайно нормують активну складову вхідного опору і вхідну місткість. Вихідний опір — опір виходу підсилювача для змінного струму. Чим менше вихідний опір підсилювача, тим краще АЧХ по звуковому тиску. Амплітудна характеристика підсилювача — залежність амплітуди вихідної напруги сигналу від амплітуди напруги сигналу на вході. Нелінійні спотворення обумовлені нелінійністю ВАХ транзисторів і характеристик намагнічення магнітопроводів трансформаторів. Ці спотворення виявляються у вигляді нових компонентів спектру частот, відсутніх у вхідному сигналі. Спотворення, пов'язані з появою на виході ПП комбінаційних компонентів, називають інтермодуляціонними спотвореннями. Рівень нелінійних спотворень оцінюють коефіцієнтами гармонік і інтермодуляціонних спотворень (інтермодуляції). Коефіцієнт гармонік — відношення середньої квадратичної суми вищих гармонік до середньої квадратичної суми всіх гармонік сигналу (ГОСТ 9783-79). Коефіцієнт інтермодуляціонних спотворень — відношення середньої квадратичної суми комбінаційних компонентів до компоненту вихідного сигналу, частота якого рівна частоті більш високочастотної вхідного сигналу. Коефіцієнти інтермодуляцїї і інтермодуляціонних спотворень визначають при заданому співвідношенні амплітуд вхідних гармонійних сигналів. Коефіцієнти гармонік і інтермодуляціонних спотворень взаємозв'язані. При нелінійності малого порядку (другого або третього) вони мають близькі значення. При вищих порядках нелінійності коефіцієнт інтермодуляціонних спотворень перевищує коефіцієнт гармонік. Тому нормувати і визначати їх при оцінці якості ПП слід окремо. Суб'єктивне сприйняття нелінійних спотворень при звуковідтворенні залежить в основному від відносних амплітуд комбінаційних компонентів. Динамічні спотворення — особливий вид спотворень, які виявляються в транзисторних ПП, охоплених глибокою НЗЗ, Ці спотворення обумовлені перевантаженням каскадів підсилювача унаслідок запізнювання напруги НЗЗ по відношенню до напруги вхідного сигналу. Динамічні спотворення залежать, зокрема, від швидкості наростання вихідного сигналу, яку можна визначити по перехідній характеристиці підсилювача. Перехідна характеристика підсилювача — залежність вихідної напруги від часу, що пройшов після подачі на вхід підсилювача стрибка вхідної напруги. Динамічні спотворення можна розділити на гармонійні і інтермодуляційні. При гармонійних динамічних спотвореннях змінюється форма синусоїдального сигналу, якщо його амплітуда і частота перевищують критичні значення, визначувані максимальною швидкістю наростання вихідної напруги. Інтермодуляційні динамічні спотворення виникають за тих же умов, якщо посилюється складний сигнал. Завади в підсилювачах обумовлені власними шумами, фоном (пульсації живлячих напруг) і наведеннями. Рівень власних шумів підсилювача — відношення середньої квадратичної напруги шумів (у заданій смузі частот) на виході підсилювача до напруги, відповідної номінальній потужності. Рівень шумів прийнято виражати в децибелах. Рівень фону — відношення середньої квадратичної напруги суми складових фону (гармонік частоти живлячої мережі) до вихідної напруги при номінальній потужності. Аналогічно оцінюють і рівень наведень. Вихідна потужність підсилювача. Максимальна вихідна потужність — вихідна електрична потужність, при якій обмеження по максимуму вихідного сигналу збільшує коефіцієнт гармонік по напрузі до 10%. Номінальна вихідна потужність — вихідна потужність, що вказана в нормативно-технічній документації і є необхідною умовою при вимірюванні інших параметрів, наприклад, коефіцієнта гармонік, рівня перешкод і ін. Чутливість підсилювача — напруга сигналу на вході, при якому вихідна потужність рівна номінальною. Динамічний діапазон амплітуд — відношення (звично в децибелах) амплітуд найсильнішого і найслабкішого сигналів, які можуть бути посилені даним підсилювачем при допустимих спотвореннях і рівні перешкод. Рівень найслабкішого підсилюваного сигналу обмежується рівнем перешкод, найсильнішого — нелінійними спотвореннями. Для хорошої якості відтворного сигналу динамічний діапазон амплітуд повинен складати 60 дБ. 1.2 Зворотні зв'язки в підсилювачах Зворотним зв'язком називається зв'язку між вихідними і вхідними ланцюгами якого-небудь пристрою. Залежно від співвідношення фаз коливань, що поступають на вхід підсилювача від джерела сигналу і з виходу підсилювача через ланцюг зворотного зв'язку, зворотний зв'язок може бути позитивним або негативним. При ПЗЗ фази цих коливань співпадають і коефіцієнт посилення зростає. При НЗЗ коефіцієнт посилення менше, ніж без зворотного зв'язку. Зворотні зв'язки діляться на корисні, спеціально вводяться і шкідливі, або паразитні (зокрема внутрішні). За способом здійснення розрізняють зворотний зв'язок по напрузі, струму і змішану (комбіновану), а за способом введення напруги зворотного зв'язку у вхідний ланцюг підсилювача — паралельну і послідовну. Щоб визначити, яким є зворотний зв'язок — по струму або по напрузі, необхідно враховувати, що зворотний зв'язок по струму зникає при обриві навантаження, а зворотний зв'язок по напрузі — при короткому замиканні. Щоб визначити, є зворотний зв'язок паралельним або послідовним, необхідно враховувати, що послідовний зворотний зв'язок зникає при обриві джерела сигналу, а паралельна — при короткому замиканні джерела сигналу. При дуже малому вихідному опорі джерела сигналу паралельний зворотний зв'язок неможливий, оскільки джерело сигналу закорочуєтся ланцюг зворотного зв'язку. При дуже великому вихідному опорі джерела сигналу неможливий послідовний зворотний зв'язок ланцюг зворотного зв'язку розірваний. Вплив НЗЗ на параметри підсилювача залежить від виду зв'язку. Характер зміни коефіцієнтів посилення напруги і струму, а також вхідного опору повністю визначається способом підключення ланцюга НЗЗ до входу підсилювача. При послідовній НЗЗ коефіцієнт посилення струму не змінюється. При паралельній НЗЗ коефіцієнт посилення напруги не змінюється, коефіцієнт посилення струму зменшується в п раз, вхідний опір зменшується в п раз. Вплив НЗЗ на вихідний опір підсилювача залежить тільки від способу зняття сигналу зворотного зв'язку з виходу підсилювача, тобто від виду зв'язку (по струму або по напрузі). При введенні НЗЗ по струму вихідний опір збільшується, при введенні НЗЗ по напрузі — зменшується. Параметри підсилювача стабілізуються при введенні НЗЗ, що часто є визначальним чинником при рішенні питання про доцільність застосування зворотного зв'язку. При частотно - незалежної НЗЗ по напрузі стабілізується вихідна напруга, отже, зменшується нерівномірність АХЧ. За допомогою частотно-залежної НЗЗ можна додати АЧХ підсилювача різну форму. При введенні послідовної НЗЗ по напрузі зменшується коефіцієнт гармонік за умови, що зворотний зв'язок є негативним як для першої, так і для вищих гармонік сигналу. Якщо для якої-небудь вищої гармоніки зворотний зв'язок виявиться позитивним (унаслідок фазових зрушень на вищих частотах), коефіцієнт гармонік може зрости. Якщо ФЧХ підсилювача і ланцюга зворотного зв'язку лінійні, а коефіцієнт посилення постійний в діапазоні частот до даної гармоніки, коефіцієнт гармонік при послідовній НЗЗ по напрузі зменшується в раз. Проте введенням НЗЗ не можна зробити спотворення меншими, ніж вони були на вході підсилювача. Рівень власних шумів підсилювача при введенні послідовної НЗЗ по напрузі також зменшується. Стійкість підсилювача з НЗЗ залежить від коефіцієнта посилення і коефіцієнта передачі ланцюга зворотного зв'язку, тобто від глибини НЗЗ. При глибокій НЗЗ фазові зрушення на вищих і нижчих робочих частотах обумовлюють появу ПЗЗ, яка викликає нестійкість роботи підсилювача, а іноді і самозбудження. У зв'язку з цим 6 підсилювачах з глибокою НЗЗ необхідно розширювати діапазон частот з лінійною ФЧХ. Для поліпшення ФЧХ підсилювача з НЗЗ в ньому не слідвикористовувати частотно-залежні регулювання і трансформатори. Якщо застосування трансформатора неминуче, то його конструюють так, щоб індуктивність розсіяння і власна місткість були мінімальними. Для додаткового поліпшення ФЧХ підсилювача можна застосовувати спеціальні коректуючі ланцюги. Використовування ПЗЗ дозволяє підвищити коефіцієнт посилення або одержати негативний вихідний опір підсилювача, що необхідне для поліпшення роботи АС. Одночасно з ПЗЗ необхідно обов'язково застосовувати НЗЗ. Інакше робота підсилювача буде нестійкою. Вплив паразитних зворотних зв'язків. При слабких паразитних зв'язках з'являються додаткові частотні і фазові, а іноді і нелінійні спотворення. При сильному паразитному зворотному зв'язку підсилювач може самозбудиться. У ПП паразитні зворотні зв'язки обумовлені наступними причинами: 1) електричними зв'язками між ланцюгами; 2) магнітними зв'язками між окремими каскадами (унаслідок розсіяння магнітного потоку трансформаторів); 3) живленням від загального джерела. Для ослаблення електричних і магнітних зв'язків застосовують відповідне екранування. Ослаблення зв'язку через джерело живлення досягається зменшенням його вихідного опору і включенням розв'язуючих фільтрів. Крім того, не повинно бути зайвого запасу посилення. 1.3 Багатокаскадні підсилювачі Принципи побудови багатокаскадних підсилювачів. У двохкаскадних підсилювачах на БТ використовуються різні комбінації включення транзисторів. Якщо вихідний опір джерела сигналу і опір навантаження підсилювача приблизно рівні і складають одиниці або десятки килоом, слід застосовувати каскади з ОЕ; при малих опорах (менше 100 Ом) — перший каскад з ОЕ або Про і другий каскад з ОК, а при великих опорах (більше 100 кОм) — перший каскад з ОК і другий з ОЕ. Якщо опір навантаження підсилювача значно перевищує опір джерела сигналу, слід використовувати обидва каскади з ОЕ. При опорі навантаження підсилювача меншому, ніж вихідний опір джерела сигналу, рекомендується використовувати обидва каскади з ОЕ або перший каскад з ОЕ, а другий — з ОК. Для багатокаскадних підсилювачів приведені вище рекомендації відносяться до першого і останньому каскадам. Проміжні каскади виконуються з ОЕ. Гібридні підсилювачі, що містять ПТ і БТ, мають істотні переваги в порівнянні з підсилювачами, в яких використовуються транзистори якого-небудь одного вигляду. Наприклад, в підсилювачах, в яких чергуються каскади на ПТ і БТ, досягається значно більший коефіцієнт посилення потужності, оскільки ПТ, включені з ОІ або ОС, дозволяють одержати дуже великий коефіцієнт посилення струму, а БТ — велике посилення напруги (при навантаженні високим вхідним опором ПТ). Вхідний опір таких, підсилювачів легко зробити високим, а вихідний — низьким. Гібридні підсилювачі можуть бути однонаправленими, тобто володіти наступною властивістю: при подачі напруги сигналу на вихід напруга на вході відсутня. Однонаправленість підсилювача дозволяє досягти великого посилення напруги при стійкій роботі. Підсилювачі з вхідними каскадами на ПТ характеризуються дуже великим вхідним опором. Двокаскадний підсилювач, в якому перший каскад з ОІ, другий - з ОБ (ОІ - ОБ), характеризується високими коефіцієнтом посилення напруги і вхідним опором, а також хорошій АЧХ. Такий підсилювач є практично однонаправленим, якщо опір навантаження каскаду з Про не дуже велике. Для отримання великого коефіцієнта посилення напруги опір навантаження повинен бути великим, проте при цьому погіршується АЧХ підсилювача у області вищих частот Підсилювач, в якому перший каскад з ОС, другою з ОБ (ОС - ОБ), відрізняється меншою вхідною місткістю і великим вхідним опором в порівнянні з підсилювачем по схемі ОІ — ОБ, проте його коефіцієнт посилення напруги менше. Підсилювач по схемі ОІ — ОЕ має порівняно малий вихідний опір (більш ніж на порядок менше в порівнянні з підсилювачами ОІ — ОБ і ОС — ОБ) і значно більший коефіцієнт посилення струму; АЧХ у області вищих частот дещо гірший. Дуже близький по властивостях до цього підсилювача підсилювач, виконаний по схемі ОС — ОЕ. Підсилювач, в якому перший каскад з ОІ, другий з ОК (ОІ — ОК); має середній коефіцієнт посилення напруги, високий вхідний і дуже низький вихідний опір, тому використовується як перетворювач опорів. Недоліком цього підсилювача є порівняно велика вхідна місткість. Підсилювач, в якому перший каскад з ОС, другою з ОК (ОС — ОК), не підсилює напругу, може мати найменшу вхідну місткість і найбільший вхідний опір. Використовується як перетворювач опорів. Підсилювачі з безпосереднім зв'язком між каскадами характеризуються простотою (містять мало деталей), високими показниками якості (порівняно з широким діапазоном робочих частот і малими нелінійними спотвореннями), стабільністю параметрів при заміні транзисторів, змінах напруги живлення і температури навколишнього середовища. Стабільність параметрів досягається введенням сильної НЗЗ по постійному струму, що подається з виходу підсилювача на перший каскад або охоплює два-три каскади. З великого числа можливих варіантів подібних схем стабілізації режиму роботи транзисторів доцільно застосовувати тільки такі, які дозволяють досягти високої стабільності режиму і містять меншу кількість елементів. Одним з критеріїв високої ефективності стабілізації є малий опір резисторів, включених в ланцюзі баз транзисторів. При збільшенні опору в ланцюзі бази різко зростає дія зворотного струму колектора, що дестабілізує. Підсилювачі з RC - зв'язком між каскадами також, як і підсилювачі з безпосереднім зв'язком, характеризуються простотою, малими габаритними розмірами і масою. Проте унаслідок впливу реактивних елементів зв'язку вони мають дещо гіршу АЧХ і менш економічні при однакових вимогах, що пред'являються до стабільності параметрів. 1.4 Підсилювачі потужності Могутнім каскадом прийнято рахувати каскад, в якому транзистори віддають в навантаження потужність, близьку до максимально можливої. Основними вимогами, що пред'являються до могутніх вихідних каскадів, є отримання необхідної потужності в навантаженні і максимальний КПД при допустимих спотвореннях сигналу. Вимога максимального КПД має найбільше значення для підсилювачів з живленням від автономних джерел. Максимальне посилення потужності — другорядна вимога, оскільки необхідне посилення може бути одержане в інших каскадах. Чим вищий КПД каскаду, тим менш могутній транзистор потрібен для отримання необхідної потужності. Максимальний КПД досягається при оптимальному навантаженні. Проте опір навантаження, як правило буває задано. Якщо воно значне відрізняється від оптимального, то для отримання високого КПД навантаження включають через трансформатор, що погоджує. Використовування трансформатора, що погоджує, на вході могутнього вихідного каскаду дозволяє одержати максимальний коефіцієнт посилення потужності передвихідним каскадом і мінімальний рівень спотворень при заданій потужності в навантаженні підсилювача. Застосування трансформаторів, що погоджують, в малогабаритних підсилювачах приводить до зниження КПД, оскільки малогабаритні недорогі трансформатори мають порівняно малий КПД. Режими роботи транзисторів у вихідних каскадах. Транзистори можуть працювати в режимах класів А, В або АВ. Режимом класу А називають такий режим, при якому вихідний струм протікає протягом всього періоду підсилюваного сигналу. Режим з таким відсіченням, при якій вихідний струм протікає практично тільки протягом напівперіоду сигналу, називають режимом класу В. Промежуточний режим, при якому вихідний струм протікає протягом більше одного напівперіоду сигналу, називають режимом класу АВ. Вибір режиму здійснюється подачею відповідної напруги між базою і емітером. У режимах класів АВ і В можуть працювати тільки двотактні каскади. Однотактні вихідні каскади застосовуються іноді в підсилювачах з малою вихідною потужністю, оскільки їх КПД не перевищує 40 %. Включення транзистора з Про і ОК. не застосовується, оскільки приводить до зниження посилення потужності. 1.5 Схеми безтрансформаторних вихідних каскадів Безтрансформаторні вихідні каскади виконуються по різних схемах і відрізняються видом провідності транзисторів, способом їх включення, режимом роботи (класи АВ і В), а також видом зв'язку з попереднім каскадом і навантаженням. Кращі показники якості мають каскади, 6 які використовуються транзистори різного виду провідності е достатньо близькими значеннями параметрів (комплементарніпари). Каскади, в яких використовуються транзистори одного виду провідності (квазікомплементарні пари), є принципово несиметричними, оскільки транзистори повинні бути включені по різних схемах (звично з ОЕ і ОК). Щоб зменшити нелінійні спотворення, доводиться вводити глибоку НЗЗ, що створює умови для появи динамічних спотворень. Тому квазікомплементарні пари транзисторів використовуються за відсутності комплементарних в підсилювачах, до яких не пред'являються вимоги високої якості відтворення сигналів, або в підсилювачах, в яких спотворення зменшуються спеціальними методами. Для отримання Малого вихідного опору підсилювача транзистори вихідного каскаду включають по схемі з ОК. Режим транзисторів установлюють, змінюючи опір між базам транзисторів. Для стабілізації режиму способом термокомпенсації між базами включається елемент з від’ємним ТКС (термістор або напівпровідниковий діод в прямому включенні). При безпосередньому зв'язку з попереднім каскадом для стабілізації режиму вводять глибоку НЗЗ по постійному струму. При включенні транзисторів вихідного каскаду по схемі з ОК коефіцієнт посилення напруги завжди менше одиниці, тому амплітуда вхідного сигналу перевищує амплітуду напруги на навантаженні. Максимальна амплітуда напруги на навантаженні повинна бути близька до половини напруги живлення(для отримання високого КПД каскаду). При живленні підсилювача від однополярного джерела навантаження доводиться включати через розділовий конденсатор. В цьому випадку корисна потужність в навантаженні і КПД каскаду на нижчих частотах зменшуються унаслідок падіння напруги на конденсаторі. 2 . РОЗРОБКА СТРУКТУРНОЇ І ПРИНЦИПОВОЇ СХЕМИ ПІДСИЛЮВАЧА 2.1 Розробка та обґрунтування структурної схеми підсилювачів Впідсилювачах використовуються різноманітні схеми. Для наочного зображення пристрою підсилювача користуються схемою електричною структурною(рисунок 1), на якій прямокутниками з написами зображують основні частини пристрою, виконуючі певні функції, та основні взаємозв'язки між ними. Звичайно підсилення сигналу, створюване одним каскадом, є недостатнім, тому застосовують багатокаскадні схеми підсилювачів. Сигнал, підсилений першим каскадом, подається на вхід другого, з виходу другого - на вхід третього і т.д. Тобто, здійснюється послідовне підсилювання сигналу колом каскадів.
Рисунок 2.1 - Структурна електрична схема підсилювача Вхідний каскад є входом підсилювача. Призначення вхідного каскаду - забезпечення узгодження вихідного опору джерела сигналу з вхідним опором першого каскаду попереднього підсилювання. Якщо вихідний опір джерела сигналу рівний вхідному опору попереднього каскаду або набагато більший, то в цьому випадку вхідний каскад не треба застосовувати, а якщо менше то слід застосувати. Як вхідний каскад використовують каскад з загальним колектором, загальний витоком - такі каскади називають повторювачами. Вимоги до каскадів попереднього підсилення виходять з їх призначення - підсилювати напругу або струм, створені джерелом сигналу на вході, до величини, необхідної для збудження каскадів підсилення потужності. Тому найбільш важливими показниками для попереднього каскаду є коефіцієнти підсилення напруги та струму, частотна характеристика і частотні спотворення. Передкінцевий каскад (драйвер)є джерелом сигналу для кінцевого каскаду. Він повинен забезпечити такі умови роботи вхідного кола кінцевого каскаду, при яких останній зможе віддати в навантаження максимальну неспотворену потужність. Основні вимоги, які ставлять до передкінцевого каскаду, - велика амплітуда неспотвореного сигналу на виході та малий вихідний опір. Вибір схеми передкінцевого каскаду в конкретному підсилювачі залежить від виду та режиму кінцевого каскаду. Кінцеві каскадивідрізняються від каскадів попереднього підсилювання, в першу чергу, великим рівнем потужності сигналу. В підсилювачах низької частоти, працюючих на низькоомне навантаження, кінцевий каскад повинен віддавати визначену потужність на заданому опорі навантаження при коефіцієнті нелінійних спотворень, який не перевищує допустимої величини. Умови роботи каскадів потужного підсилення залежить також від характеру зовнішнього навантаження. Наприклад, для підсилювачів низької частоти за навантаження можуть правити електродинамічні гучномовці, опір яких носить комплексний характер - містить індуктивну складову і отже, зростає зі збільшенням частоти. Однак на середніх звукових частотах (порядку сотень Герц), на яких ведуть розрахунок корисної потужності, віддаваємої підсилюючими елементами, опір корисного навантаження здебільшого можна вважати активним, що сильно спрощує побудову ліній навантаження і динамічних характеристик. Розрахунок каскадів ^потужного підсилення звичайно ведуть на активне навантаження. Обґрунтуванням вибору структурної схеми підсилювача є його якісні і кількісні характеристики та параметри і їх сукупність. 2.2 Розробка та обґрунтування принципової схеми підсилювача За способами підключення кінцевого каскаду до навантаження можна розподілити: на каскади з безпосереднім включенням навантаження, резисторні, дросельні та трансформаторні. Найбільш високий ККД мають дросельні та трансформаторні каскади потужного підсилення. Максимальний ККД в них вдвічі більше,ніж при безпосередньому підключенні навантаження, та майже в 6 разів більше, ніж у резисторного. Однак у резисторного каскаду смуга підсилених частот ширше, ніж у дросельного, і значно ширше трансформаторного. Вартість, маса, габаритні розміри як дросельного, так і трансформаторного, набагато більше від резисторного. Найпростішим способом підключення навантаження до каскаду потужного підсилювача є безпосереднє введення навантаження у вихідне коло підсилювального елемента без вихідного пристрою. До переваг такої схеми відноситься її простота, відсутність додаткових деталей, втрат потужності у вихідному каскаді, додаткових нелінійних, частотних та перехідних спотворень і можливість посилення сигналів у широкій смузі частот. До недоліків - протікання через навантаження постійної складової струму живлення. В резисторному каскаді потужного підсилення навантаження підключається в вихідне коло через резисторно-ємнісний пристрій RС. Струм живлення тут через навантаження не проходить; крім того, навантаження поєднано з загальним проводом схеми, що часто буває необхідно. Резисторний каскад простий, але має недоліки в порівнянні з каскадом з безпосереднім включенням - наявність конденсатора, який звужує смугу пропуску підсилювача; розмір конденсатора збільшуються в ділянці низьких частот. Навантаження, яке підключене безпосередньо та через конденсатор - застосовується в безтрансформаторних кінцевих каскадах, а навантаження, підключене через дросель та трансформатор у трансформаторних кінцевих каскадах. Можливість використання безтрансформаторних схем саме в транзисторних кінцевих каскадах обумовлена, по-перше тим, що транзистори працюють при порівняно низькій напрузі живлення (тому безпосереднє підключення гучномовця не шкідливе для обслуговуючого персоналу), по-друге, вони можуть працювати на меншому опорі навантаження. В безтрансформаторних схемах звичайно застосовується послідовне живлення транзисторів від одного чи двох джерел постійної напруги. При розрахунку кінцевого каскаду з великою потужністю застосовують схеми на складених транзисторах. Складені транзистори мають великі коефіцієнти струму, великий вхідний і малий вихідний опори. До недоліків слід віднести звуження частотного діапазону складеного транзистора в порівнянні з одинарним. Залежно від способу включення і типу застосовуваних транзисторів розрізняють дві схеми - схему Дарлінгтона та схему Шиклої. Комбінація складених транзисторів в вихідних каскадах дозволяє створити декілька різновидів схем кінцевого каскаду. Характеризуючи ці схеми, можливо відмітити: - коефіцієнти передачі за струмом верхнього та нижнього плеч у всіх схемах практично рівні коефіцієнту передачі за струмом складених транзисторів; - в квазікомплектарних схемах спостерігається несиметричність вихідного сигналу з-за нерівності коефіцієнта підсилення плеч каскаду за напругою, а також із-за нерівності вхідного та вихідного опорів. Однак введення глибокого зворотного негативного зв'язку приводить до незначних відмін цих параметрів. - коефіцієнти передачі за струмом верхнього та нижнього плеч у всіх схемах практично рівні коефіцієнту передачі за струмом складених транзисторів; - в квазікомплектарних схемах спостерігається несиметричність вихідного сигналу з-за нерівності коефіцієнта підсилення плеч каскаду за напругою, а також із-за нерівності вхідного та вихідного опорів. Однак введення глибокого зворотного негативного зв'язку приводить до незначних відмін цих параметрів. Основні вимоги, які ставлять до передкінцевого каскаду — одержання максимального підсилення за напругою для компенсації малих коефіцієнтів підсилення за напругою вихідного та вхідного каскадів. При однотактному кінцевому каскаді, а також двотактному безтрансформаторному з послідовним збудженням плеч або з паралельним збудженням транзисторів різного типу (р-п-р і п-р-п)від передкінцевого каскаду потрібна однофазна вихідна напруга. У цьому випадку за передкінцевий може правити звичайний резисторний каскад, в якому транзистор частіше всього ввімкнутий за схемою з загальним емітером, з безпосереднім або ємнісним зв'язком з кінцевим каскадом. Функцію передкінцевого каскаду на схемі, наведеної на рисунку 2 виконує транзистор УТ1. Амплітуда сигналу у попередніх каскадахзвичайно мала, тому нелінійні спотворення переважно невеликі. Найбільше поширення в попередніх каскадах одержала схема включення транзистора з загальним емітером, яка дозволяє отримати найбільше підсилення і має достатньо великий вхідний опір. Цим вимогам відповідає резистивний каскад, який може забезпечити рівномірне підсилення в широкій смузі частот при малих спотвореннях і не схильний наводкам від зовнішніх магнітних полів. З можливих способів стабілізації режиму в попередніх каскадах найбільше поширення одержала емітерна стабілізація як найбільш ефективна і проста за схемою. При використанні безпосередніх зв'язків поряд з емітерною стабілізацією вводиться негативний загальний зворотний зв'язок за постійним струмом. Для підвищення лінійності підсилювача, одержання великого вхідного опору, розв'язання за постійним струмом входу підсилювача та кола зворотного зв'язку, більш високої температурної стабільності, поліпшення динамічних характеристик у ролі вхідного каскаду застосовують диференційний каскад (рисунок 3).
Рисунок 2.2 – Схема кінцевого каскаду, зібраного на складених комплементарних транзисторах.
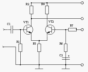
Рисунок 2.3 – Принципова схема диференційного каскаду Одним із основних напрямів створення високоякісних підсилювачів є застосування зворотного зв'язку. В підсилювачах застосовується зворотний негативний зв'язок за змінним та постійним струмом. Застосування НЗЗ за струмом дозволяє зменшити лінійні і нелінійні спотворення, які вносяться підсилювачем, знизити вихідний опір підсилювача потужності. Негативний зворотний зв'язок за постійним струмом стабілізує напругу спокою транзисторів кінцевого каскаду. Застосування грубого НЗЗ (більш 40-50 дБ) не рекомендується, тому що це приводить до виникнення динамічних спотворень. Якщо потрібно одержати коефіцієнт загальних гармонійних спотворень менше 0,1-0,5 %, в підсилювач вводиться НЗЗ більше 50 дБ. Для підвищення амплітуди вихідної напруги належить застосовувати вихідні транзистори з можливо меншим значенням опору насичення, а попередній каскад будувати за схемою, яка забезпечує найбільшу амплітуду сигналу на базах транзисторів фазоінвертерного каскаду. Для цього в схемі попереднього каскаду підсилювача повинна обов'язково бути "Вольтдобавка",а опір в емітерному колі транзистора повинен бути мінімальним чи зовсім відсутнім. В той же час повинні бути вжити заходи щодо жорсткої стабілізації постійної напруги в точці з'єднання вихідних транзисторів при зміні температури. Для забезпечення добрих демпфувальних властивостей підсилювача, вихідний опір транзисторів кінцевого каскаду повинен бути принаймні в 3-5 разів менше опору навантаження. Подальше зменшення вихідного опору не має смислу, тому що в коло демпфувального струму, що виникло за рахунок е.р.с. котушки гучномовця, крім вихідного опору входить опір навантаження. "Вольтдобавка" звичайно вводиться за допомогою позитивного зворотного зв'язку (ПЗЗ), напруга якого з виходу підсилювача подається на відвід опору навантаження передкінцевого каскаду. ПЗЗ приводить до збільшення опору підсилювача. Збільшення напруги на передкінцевому каскаді приводить до зменшення нелінійних спотворень. В безтрансформаторних вихідних каскадах найбільш часто застосовують режими В або АВ. При використовуванні режиму класу В в підсилювачах на ділянці малих струмів виникають перехідні спотворення, які виявляються у вигляді відсічки струму. Кількісно перехідні спотворення оцінюються часом переключення підсилюючих елементів. Зменшення перехідних спотворень досягається застосуванням режиму класу АВ, при якому на вхід підсилюючого елемента подається відповідна напруга зміщення. Напруга зміщеная створюється за допомогою діодного кола чи за допомогою транзисторної схеми. Режим роботи транзисторів кінцевого каскаду визначає струм спокою, який протікає через транзистор при відсутності керуючого сигналу. Зміна температурних умов приводить до зміни струму спокою і, відповідно, режиму роботи транзисторів кінцевого каскаду, що приводить до збільшення нелінійних перехідних спотворень. Найбільш часто в підсилювачах використовується діодна стабілізація струму, заснована на температурній залежності вольтамперних характеристик діоду. Напруга зміщення забезпечується характеристиками діоду. Рекомендується застосовувати кількість діодів, яка дорівнює кількості транзисторів в кінцевому каскаді. Але при такому способі складно забезпечити з достатньою точністю потрібне зміщення. Для більшої точності підстроювання напруги зміщення послідовно з діодами включається опір. Так як вхідний опір достатньо великий в якості вхідного каскаду була обрана схема диференційного каскаду, а в якості кінцевого каскаду з урахуванням заданої потужності була обрана схема кінцевого каскаду, зібраного на комплементарних транзисторах. 3 . ЕЛЕКТРИЧНИЙ РОЗРАХУНОК Таблиця 3.1 Вхідні дані.
3.1 Розрахунок напруги джерела електроживлення У безтрансформаторних двотактних каскадів при роботі в режимі В опір навантаження плеча К, для якого будують навантажувальну пряму на сімействі вихідних характеристик транзистора, дорівнює опору навантаження RH ,тому що плечі тут працюють по черзі. Необхідну для найменшої витрати енергії напругу електроживлення, при заданому опорі навантаження каскаду RH ,визначаємо за формулою:
де R н – опір навантаження , Ом; P н - вихідна потужність на навантаженні, Вт; U зал – залишкова напруга на транзисторі; приймаємо U зал = 1,5 – 3,5 В .
Вибираємо стандартне значення напруги електроживлення за ГОСТ 18275-72 „Апаратура радіоелектронна. Номінальні значення напруги та сили струмів живлення" :
3 .2 Вибір транзисторів кінцевого каскаду Визначаємо граничні параметри транзисторів , які вибираємо за такими формулами: - максимальна напруга колектор-емітер, В
- максимальний струм колектора, А
- максимальна розсіювана потужність, Вт підсилювач каскад напруга стабілізація транзистор
- гранична частота коефіцієнта передачі струму, кГц
За граничними розрахунковими параметрами вибираємо необхідний тип транзисторів VT6,VT7.Дані заносимо до таблиці 3.2 . Таблиця 3.2 Параметри транзисторів кінцевого каскаду
3.3 Розрахунок колекторного кола кінцевого каскаду З метою зменшення розрахункової частини проекту і в зв'язку з незначними відхиленнями верхнього та нижнього плеч підсилювача потужності розрахунок проводять для одного, плеча. В якому вихідний транзистор має менше значення h21 Emax . Визначаємо опірнегативного зворотного зв'язкуза формулою:
де Rзз - опір зворотного зв'язку; ηзз - ККД вихідного кола, що показує втрати корисної потужності на опорах емітерного кола; приймаємо ηзз =0,9. Вибираємо стандартне значення резисторів за стандартом. Для визначення амплітудних значень струму та напруги необхідно побудувати вихідну навантажувальну характеристику. Для побудови навантажувальної характеристики слід визначити координати двох точок (а, в), використовуючи рівняння динаміки
Через точки "а" і "в" проводять пряму - динамічну навантажувальну характеристику для опору (RH + Rзз )(рисунок 1). Якщо активний опір для постійного і змінного струму однаковий, то динамічна характеристика є водночас і лінією навантаження як для постійного, так і для змінного струмів. Найчастіше вихідні каскади підсилювача потужності працюють в режимі В чи АВ, що визначається напругою зміщення на базах вихідних транзисторів і струмом спокою колектора.
Рисунок 3.1 Вихідна навантажувальна характеристика транзистора вихідного каскаду VT7. На практиці струм спокою ІКп визначають із такого співвідношення:
де ІК - колекторнийструм в точці "а"; ІКп - струм спокою, відповідає режиму АВ. Визначаємо амплітудне значення напруги на навантаженні за формулою:
Визначаємо амплітудне значення напруги на колекторі-емітері транзистора:
Перевіряємо розраховане значення напруги джерела живлення. Для цього треба щоб виконувалась нерівність.
Якщо сума більше UK 0 то належить збільшити значення напруги джерела електроживлення і побудувати нову навантажувальну характеристику. Визначаємо постійну складову струму колектора вихідного транзистора за формулою:
де ІК m – амплітудне значення колекторного струму, яке визначається за навантажувальною характеристикою. Визначаємо потужність, від джерела споживану електроживлення за формулою:
Визначаємо максимальну потужність розсіювання на колекторі транзистора за формулою:
Максимальна потужність розсіювання на транзисторі повинна бути значно менше потужності вибраного транзистора PKmax . Визначаємо потужність розсіювання на резисторах R14, R15:
Обираємо резистори R14, R15 типу: МЛТ – 0,25 – 1,8 Ом ± 5%. 3.4 Розрахунок базового кола кінцевого каскаду Використовуючи навантажувальну характеристику вихідного каскаду і статичні вхідні характеристики транзистора, будуємо на них емітерну динамічну вхідну характеристику. Вхідні динамічні характеристики при малих опорах навантаження практично зливаються зі статичними. Тому для технічних розрахунків можна користуватися не динамічними, а статичними вхідними характеристиками. За вхідною динамічною характеристикою ( рисунок 2) визначаємо значення вхідного сигналу: -напругу на базі в робочій точці спокою - UБеп = 0,65 В; -струм бази в робочій точці спокою – ІБп = 0,15 мА ; -амплітудне значення змінної складової бази - ІБ m = 60 мА ; - амплітудне значення змінної напруги на базі - UБЕ m = 4,6 В.
Рисунок 3. 2 Вхідні динамічні характеристики транзисторів VT7 iVT5. Визначаємо амплітудне значення вхідної напруги кінцевих транзисторів за формулою:
Визначаємо вхідний опір транзистора без урахування негативного зворотного зв'язку:
Визначаємо усереднену крутизну характеристики транзистора в кінцевому каскаді:
Визначаємо коефіцієнт підсилення за напругою:
Визначаємо вхідну потужність транзистора:
Визначаємо коефіцієнт підсилення за потужністю:
3.5 Вибір складених транзисторів VT 4, VT 5 кінцевого каскаду Визначаємо максимальні граничні параметри обраних складених транзисторів кінцевого каскаду за такими формулами: - максимальний струм колектора транзистора VT5.
- максимальну напругу колектор-емітер транзистора VT5
- максимальну потужність розсіювання на транзисторі VT5
- граничну частоту коефіцієнта передачі струму, МГц
За гранично розрахованими параметрами вибираємо типи транзисторів VT4, VT5 і заносимо їх до таблиці 3.3 Таблиця 3.3 Параметри вибраних транзисторів кінцевого каскаду.
Визначаємо величину опору резисторів R11 і R12 з співвідношення:
Вибираємо резистори R11, R12 опором 510 Ом. Визначаємо потужність розсіювання на резисторах:
де Іко — постійна складова струму, Обираємо резистори R11, R12 типу: МЛТ – 0,25 – 510 Ом ± 5%. Визначаємо амплітудне значення змінного струму бази транзистора VT5:
Визначаємо постійну складову струму бази транзистора:
За вхідною динамічною характеристикою визначаємо основні параметри UБЕт , UБЕт ax , UБЕ 0 (рисунок 3 графічної частини). Визначаємо амплітуду вхідної напруги на складених транзисторах:
Визначаємо вхідний опір каскаду без урахуванням зворотного зв'язку:
Визначаємо вхідний опір каскаду з урахуванням зворотного зв'язку:
де F – глибина місцевого зворотного зв'язку в плечі:
де q21 m - усереднена крутизна характеристики транзистора УТ5;
де q21 m - усереднена крутизна характеристики транзистора УТ7; RБ - вхідний опір транзистора УТЗ:
Вхідна потужність кінцевого каскаду:
3 .6 Вибір транзистора і розрахунок кіл передкінцевого каскаду Визначаємо корисну потужність, що віддає транзистор VT3, і яка більше потужності, споживаної колом наступного каскаду, на величину потужності, розсіюванню в колі зміщення:
Визначаємо амплітудне значення змінної складової струму колектора транзистора VT3:
Для зменшення впливу нелінійності вхідної характеристики транзистора доцільно прийняти:
Тоді максимальний колекторний струм буде дорівнювати:
Максимальна напруга між колектором і емітером дорівнює:
Визначаємо потужність, споживану транзистором VT3 від джерела електроживлення:
Визначаємо максимальну потужність розсіювання на колекторі транзистора:
Визначаємо граничний коефіцієнт передачі частоти за струмом:
За розрахованими параметрами вибираємо тип транзистора VT3. Розраховані параметри та параметри вибраного транзистора занести в таблицю 3.4. Таблиця 3.4 Параметри вибраного транзистора VT3 передкінцевого каскаду.
Визначаємо величину резистора R9 позитивного зворотного зв'язку за формулою:
Вибираємо стандартне значення резистора зворотного зв'язку R9 = 7,5 кОм. Визначаємо потужність розсіювання на резисторі за формулою:
Обираємо резистори R9 типу: МЛТ – 0,125 – 7,5 кОм ± 5%. Визначаємо амплітудне значення струму бази транзистора за формулою:
Визначаємо значення постійної складової струму бази:
Визначаємо вхідний опір каскаду, зібраного на транзисторі VT3 за формулою:
де h11 E - вхідний опір транзистора, включеного за схемою ОЕ. Визначаємо величину резистора R5:
Вибираємо стандартне значення резистора R5 = 750 кОм. Визначаємо потужність розсіювання на резисторі за формулою:
Приймаємо стандартне значення потужності за ГОСТ 9663 і записуємо стандартне значення резистора за стандартом. Обираємо резистор R5 типу: МЛТ – 0,125 – 750 кОм ± 5%. Визначаємо амплітудне значення змінної напруги на базі транзистора:
Визначаємо потужність сигналу, споживану базовим колом транзистора за формулою:
3.7 Розрахунок коефіцієнта загальних гармонійних спотворень Коефіцієнт гармонійних спотворень складених транзисторів визначається за спільною наскрізною характеристикою, яку будують таким чином.Спочатку визначаємо вхідний опір транзистора VT7 з урахуванням зворотного зв'язку за формулою:
де Rвх - вхідний опір без урахування зворотного зв'язку. q21 -усереднене значення крутизни характеристики, На вихідній статичній характеристиці транзистора УТ7 будуємо навантажувальну пряму за такими координатами точок:
Визначаємо значення колекторних струмів для точок 1 — 6 для транзистора VT7 за формулою:
де IБі , UБЕі - значення струму та напруги в точках 1-6, які визначаємо за вихідною та вхідною характеристиками VT5;
На вихідній статичній характеристиці транзистора VT5 за значеннями ІКп визначаємо ІБі
Рисунок 3.3 Вихідна статична характеристика з динамічною навантажувальною прямою За одержаними значення ІБі , UБЕі визначаємо миттєве значення е.р.с. джерела сигналу:
Результати розрахунків та побудов заносимо до таблиці 3.5. Таблиця 3.5 Результати розрахунків
За значенням, вибраним ізтаблиці 3.5, будуємо наскрізну характеристику За наскрізною характеристикою визначаємо струми І1 = 42 мА, І2 = 21 мА, І3 = 1,4 мА.
Рисунок 3.4 Наскрізна динамічна характеристика транзисторів VT6, VT7 кінцевого каскаду. Визначаємо коефіцієнт гармонічних спотворень, що вноситься третьою гармонікою, за формулою:
Визначаємо коефіцієнт гармонічних спотворень з урахуванням зворотного зв’язку за формулою:
де F – глибина негативного зворотного зв’язку, яка визначається за формулою:
Визначаємо коефіцієнт гармонічних спотворень КГ2 , які вносить друга гармоніка, визначаємо за емпіричною формулою, задаючись коефіцієнтом асиметрії в = 0,1:
Визначаємо коефіцієнт гармонічних спотворень КГ2 з урахуванням зворотного зв’язку за формулою:
Визначаємо загальний коефіцієнт гармонічних спотворень:
3.8 Розрахунок кола загального зворотного негативного зв'язку за змінному струму Глибина загального зворотного негативного зв'язку:
де КГ - коефіцієнт гармонійних спотворень підсилювача; КГзад -максимально допустимий коефіцієнт загальних гармонійних спотворень за завданням, КГзад = 0,7 %. Застосування зворотного зв'язку з глибиною більше 30 - 40 дБ не рекомендується, тому що це приводить до появи динамічних спотворень. Визначаємо величину резисторів R6 та R7 кола негативного зворотного зв'язку:
Вибираємо стандартне значення резистора R7 = 180 кОм. Вхідний опір підсилювача і коефіцієнт підсилювача залежать від співвідношення Задаються значенням При цьому повинна виконуватися умова:
Звідси величина резистора R дорівнює:
Вибираємо стандартні значення резисторів R6 та R7. Визначаємо потужність розсіювання на резисторах R6 і R7:
Приймаємо стандартне значення потужності відповідно до ГОСТ 9663. Обираємо резистори типу: R7 - МЛТ – 2 – 180 кОм ± 5%. R6 - МЛТ – 0,125 – 9,1 кОм ± 5%. 3 .9 Розрахунок диференційного вхідного каскаду Визначаємо спочатку значення постійної складової колекторного струму для транзисторів диференційного каскаду:
де IБ03 - значення постійної складової струму бази попереднього (передкінцевого) каскаду. Визначаємо граничні параметри транзисторів VT1, VT2. Максимальне значення напруги колектор-емітер транзисторів:
Максимальний колекторний струм транзисторів:
Максимальна розсіювана потужність:
Гранична частота коефіцієнту передачі струму:
За розрахованими граничними параметрами вибираємо необхідний тип транзисторів. Дані розрахунків та параметри вибраного транзистора заносимо в таблицю 3.6. Таблиця 3.6 - Параметри транзистора диференційного вхідного каскаду.
Визначаємо падіння напруги на колекторних навантаженнях:
Визначаємо опір резисторів колекторного навантаження за формулою:
Вибираємо стандартне значення резисторів R3 = R2 = 1800 кОм. Визначаємо потужність розсіювання на даних резисторах за формулою:
Обираємо резистори R2, R3 типу: - МЛТ – 0,125 – 1,8 кОм ± 5%. Визначаємо величину опору резистора в колі емітера транзистора за формулою:
де UE - падіння напруги на резисторі в колі емітера, яке дорівнює:
Визначаємо потужність розсіювання на резисторі R5 в колі емітера транзистора за формулою:
Обираємо резистори R4 типу: - МЛТ – 0,125 – 860 Ом ± 5%. Приймаємо величину струму дільника: Ід = 1 мА. Визначаємо величину резистора RД :
Визначаємо величину резистора R1 за формулою:
Обираємо резистори R1 = 15 кОм. Визначаємо потужність розсіювання на даних резисторах за формулою:
Відповідно до ГОСТ 9663 приймаємо стандартну найближчу найбільшу за величиною потужність розсіювання. Обираємо резистори типу: R1 = МЛТ – 0,125 – 15 кОм ± 5%. 3.10 Розрахунок елементів кіл зміщення і стабілізації режиму транзисторів кінцевого каскаду Розраховуємо потрібну напругу зміщення для завдання вибраного положення точки спокою:
Обираємо 4 діода типу КД103А. Потрібна напруга зміщення створюється на діоді, включеному в прямому напрямі. Практично рекомендується приймати число діодів кінцевого каскаду рівним числу транзисторів. У цьому випадку повинна дотримуватися умова:
Вибираємо стандартне значення резистора R9.
Визначаємо потужність розсіювання на резисторі R8 за формулою:
Вибираємо стандартне значення потужності відповідно до ГОСТ 9663 і записуємо значення резистора за стандартом. Обираємо резистор типу: R8 = МЛТ - 0,125 – 150 Ом ± 5 % Визначаємо струм, який протікає після обмежувальних резисторів, який дорівнює:
Знаходимо опір обмежувальних резисторів:
Приймаємо R13 рівним 2,2 кОм. Знаходимо потужність, яка розсіюється на резисторі R13:
Обираємо резистори типу: R13 = R14 = МЛТ – 2 – 2,2 кОм ± 5 % 3.11 Розрахунок результуючих характеристик підсилювача потужності Знаходимо коефіцієнт підсилення за струмом за формулою:
Коефіцієнт підсилення за напругою рівний:
Вхідний опір диференційного каскаду з резистором у колі емітера:
3.12 Розрахунок ємності конденсаторів підсилювача потужності Спад частотної характеристики на нижніх частотах визначається конденсаторами зв'язку та емітерними конденсаторами. Визначаємо допустимі частотні спотворення для всіх конденсаторів за формулою:
де п — кількість конденсаторів. Визначаємо ємність розподільного конденсатора за формулою:
Визначаємо ємність блокувального конденсатора за формулою:
Ємність конденсатора фільтра визначаємо за формулою:
R - опір фільтра. Обираємо ємності конденсаторів рівними: С1 = КМ1 – 560 нФ С2 = К50-6 – 16 мкФ х 25 В С3 = С4 = К50-5 – 30 мкФ х 25 В При розрахунках ємностей конденсаторів отримані значення слід округлювати до найближчого стандартного значення відповідно до стандарту. ВИСНОВКИ При виконанні даного курсового проекту я розрахував підсилювач низької частоти з диференційним вхідним каскадом. Спочатку я склав структурну схему підсилювача низької частоти. Потім на основі цієї структурної схеми була розроблена принципова електрична схема підсилювача низької частоти згідно початкових даних. Наступним етапом був розрахунок основних параметрів та інших елементів даного підсилювача потужності. Всі розрахункові дані транзистора підсилювача занесено до таблиці. Після чого за допомогою довідника було підібрано транзистори з параметрами, які задовольняють розрахункові параметри приведені в таблиці. Також за допомогою довідників було обрано нормовані значення опорів резисторів та ємностей конденсаторів. В результаті виконання курсового проекту я закріпив та поглибила власні теоретичні знання і їх використання при виконанні практичних задач. Також ознайомилась із сучасними схем підсилювачів низької частоти, які забезпечують високі показники підсилення та набула навиків роботи з довідниковою літературою. СПИСОК ВИКОРИСТОВУВАНОЇ ЛІТЕРАТУРИ 1 Андреев Ф.Ф. Електронные устройства автоматики. -М.: Машиностроение, 1978. 2 Гольцев В.Р., Богун В.Д., Хиленко В.И. Електронные усилители:Учебное пособие. -М.: Изд-во стандартов, 1990. 3 Войшвило Г.В. Современная техника усиления сигналов. -М.:Сов. радио, 1978. 4 Варакин Л.Е. Бестрансформаторньїе усилители мощности.Справочник. -М.: Радио и связь, 1984. 5 Лавриненко В.Ю. Справочник по полупроводниковымприборам. -К.: Техннка, 1980. 6 Степаненко И.П. Основы теории транзисторов й транзисторнихсхем. -М.: Енергія, 1977. 7 Транзистори для аппаратуры широкого применения. Справочник. Под ред. БЛ.Перельмана. -М.: Радио и связь, 1981. 8 Федосеева Е.О. Усилительные устройства киноустановок. -М.:Искусство, 1979. 9 Цыкина А.В. Проектирование транзисторних усилителей. -М.:Связь, 1976. 10 Гольцев В.Р. Електронные усилители. Задания й методические указания к выполнению курсового проекта для учащихся - заочников —М.: Изд-во стандартов, 1987. СПИСОК НОРМАТИВНОЇ ЛІТЕРАТУРИ
|
|||||||||||||||||||||||||||||||||||||||||||||||||||||||||||||||||||||||||||||||||||||||||||||||||||||||||||||||||||||||||||||||||||||||||||||||||||||||||||||||||||||||||||||||||||||||||||||||||||















