Курсовая работа: Проектирование автомобильного передатчика
|
Название: Проектирование автомобильного передатчика Раздел: Рефераты по транспорту Тип: курсовая работа |
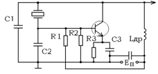
Министерство общего и профессиональнго образования российской федерации РГРТА Кафедра РТУ КУРСОВОЙ ПРОЕКТ "Проектирование автомобильного передатчика" Выполнил студент группы 816 Шлома Н. В. Проверила Прибылова Н. М. Рязань, 2001 Содержание 1. Выписка из ГОСТа 2. Введение 3. Составление и расчет структурной схемы передатчика 4. Генератор с внешним возбуждением 4.1 Энергетический расчет ГВВ 4.2 Расчет колебательной системы 4.3 Расчет вспомогательных элементов 5. Расчёт кварцевого автогенератора 6. Расчет общих характеристик передатчика Заключение Список использованной литературы 1. Выписка из ГОСТаОсновные требования и исходные данные приведены в ГОСТе 12252-86. При проектировании передатчика использованы следующие данные: - Максимальная девиация частоты: 1500 КГц , 300 КГц , 60 КГц при модулирующей частоте соответственно 5 КГц , 10 КГц , 20 КГц. - Передатчик нагружается кабелем с волновым сопротивлением 50, 75 Ом (расчет проводился на кабель 75 Ом ). - Используется фазовая модуляция. - Уровень побочного излучения -70 дБ. - Звуковые частоты: 300 – 3400 Гц. 2. ВведениеВ данной работе необходимо спроектировать и рассчитать автомобильный передатчик, работающий на частоте 108 МГц и имеющий выходную мощность 37 Вт. Радиопередающее устройство – это источник радиочастотных колебаний в системах радиосвязи, телевидения, радиолокации и др. Назначение передатчика – сформировать радиосигнал в соответствии с требованиями, установленными при разработке системы , и подвести его к антенне или к линии связи. Радиосигналом называют колебание радиочастоты, один или несколько параметров которого изменяются (модулируются) в соответствии с передаваемым сообщением (информацией). В радиосвязи используется частотная модуляция. Основное требование к радиосигналу, связанное с выбором способа модуляции сигнала, - получение заданной точности воспроизведения закона модуляции на приемной стороне канала связи. Классифицируем разрабатываемый передатчик: - По назначению: для радиосвязи . - По мощности: малой мощности (3...100 Вт). - По виду модуляции: с частотной модуляцией . 3. Составление и расчет структурной схемы передатчикаРадиопередатчик любого назначения обеспечивает: -Генерирование высокочастотных колебаний с заданной частотой и стабильностью частоты. -Усиление высокочастотных колебаний до требуемого уровня мощности. -Управление одним или несколькими параметрами высокочастотных колебаний по закону изменения передаваемого сигнала. Требования, предъявляемые к передатчику, можно обеспечить при разных вариантах построения его схемы. Не проводя полного электрического расчёта, можно, пользуясь оценочными сведениями и формулами, сопоставить структурные схемы этих вариантов и выбрать лучший из них. В подавляющем большинстве случаев к передатчикам предъявляется требование высокой стабильности частоты. Как правило, это требование выполняется за счёт использования кварцевой стабилизации. Так как транзисторный автогенератор, стабилизированный по частоте кварцевым резонатором, имеет очень небольшую мощность, современные передатчики строятся по структурной многокаскадной схеме. Для определения числа усилительных каскадов необходимо рассчитать колебательную мощность, отдаваемую АЭ выходного усилителя в максимальном режиме. Выбрав способ формирования заданного вида модуляции; определив принцип построения выходного каскада и тип применяемых в нём транзисторов; выяснив, что передатчик должен быть многокаскадным; решили вопрос о возможности применения типового возбудителя и необходимости разработки автогенератора: определили число умножения частоты. На основании этих данных есть возможность составить функциональную схему и определить общее число усилителей и других каскадов, типы транзисторов в них, необходимые питающие напряжения. Расчёт эскизного варианта структурной схемы проводится без детального расчёта режима каждого каскада на основе справочных данных о транзисторах. Эти данные позволяют подобрать несколько типов транзисторов, мощности и рабочие частоты, которые близки к требуемым для рассматриваемого каскада. Для реализации указанных технических данных передатчик можно построить по схеме с кварцевым автогенератором и умножителями частоты. Кварцевый автогенератор является составной частью возбудителей, синтезаторов частот радиопередающих и радиоприёмных устройств, а также аппаратуры для частотных и временных измерений. Существует большое количество схем АГ, стабилизированных кварцевым резонатором. Их классифицируют на однокаскадные и многокаскадные. Однокаскадные АГ чаще всего строят по трехточечным схемам. Основное применение нашла схема ёмкостной трёхточки как наиболее надёжная и стабильная. Многокаскадные АГ содержат два или более активных элементов, а КР обычно включают в цепь обратной связи, что позволяет реализовать режим с малыми значениями мощности Ркв и долговременной нестабильности частоты. В осцилляторных схемах КР является элементом контура КАГ и играет в нём роль индуктивности. В таких схемах КР работает на частотах выше частоты последовательного резонанса, где его эквивалентная индуктивность достигает больших значений. Основным достоинством таких схем являются простота схемной реализации и малые значения относительной нестабильности частоты колебаний. Частоту задающего генератора с целью обеспечения её высокой стабильности выбираем порядка (1 - 10)МГц. В осцилляторных схемах контур КАГ выполняется с таким расчётом, чтобы при выходе из строя КР нарушалось условие самовозбуждения трёхточечной схемы автогенератора. Схема АГ:
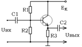
Для уменьшения дестабилизирующего влияния непостоянной нагрузки АГ надо связывать с последующей схемой – умножителем частоты через буферный каскад – эмиттерный повторитель. Эмиттерным повторителем является каскад с ОК. У такого каскада высокое входное и малое выходное сопротивления. В силу того, что напряжение на выходе каскада с ОК, " снимаемое с эмиттера", по значению и полярности близко к действующему на входе и как бы повторяет его, поэтому такой какскад называют эмиттерный повторитель. Коэффициент передачи такого каскада близок к единице.
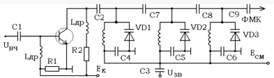
Для передатчика допустимо использовать только стандартные напряжения при питании его от электросети через выпрямители, а также типовые гальванические батареи и аккумуляторы в зависимости от условий эксплуатации. Особенно важно подобрать напряжение питания для выходного каскада, определяющего КПД всего передатчика. Если Ек выбрать равным наибольшему предельно допустимому для данного типа транзистора, то следует ожидать существенного снижения его надёжности из – за опасности пробоя. Если же значительно недоиспользовать транзистор по Ек, то снизится КПД коллекторной цепи, потребуется более интенсивное охлаждение. Промежуточные каскады проектируются либо с расчётом на такое же напряжения питания, как и в выходном каскаде, либо на меньшее, которое придётся получать от другого источника. Автогенераторы и их буферные каскады нуждаются в стабилизированном напряжении питания. Поскольку мощность этих каскадов мала, то могут быть использованы стабилизаторы в микросхемном исполнении. Цепи питания передатчика упрощаются, при использовании транзисторов одного типа проводимости. Процесс управления колебаниями называется модуляцией. Основные виды модуляции: амплитудная, частотная и фазовая. Место модуляции в радиопередатчике определяется в зависимости от вида модуляции. Амплитудная модуляция осуществляется в выходном или в одном из промежуточных усилителей передатчика. Модуляция в выходном усилителе требует большей мощности модулятора, но обеспечивает меньшие искажения передаваемого сообщения. Частотная модуляция (прямой метод) осуществляется в задающем генераторе, что ухудшает стабильность частоты колебаний. Поэтому в структурную схему передатчика необходимо вводить систему автоподстройки частоты. Фазовая модуляция осуществляется в одном из промежуточных каскадов передатчика, позволяет обеспечить высокую стабильность частоты, но из – за малого значения девиации фазы требует применения большого числа умножителей частоты. Фазовая модуляция может использоваться не только для получения ФМ – колебаний, но и для получения ЧМ – колебаний (косвенный метод) путём преобразования ФМ в ЧМ. При проектировании передатчиков с ФМ необходимо, прежде всего, решить вопрос о месте модулятора в структурной схеме передатчика. Известны четыре наиболее распространённые структурные схемы передатчиков: - c ФМ на выходе передатчика; - c ФМ в предоконечных каскадах с последующим усилением мощности сигнала ФМК; - с ФМ в начальных каскадах с последующим умножением частоты и усилением мощности сигнала ФМК; - с ФМ на поднесущей частоте с последующим транспонированием и усилением ФМ сигнала. Достоинство первой схемы – отсутствие линейных и нелинейных искажений в тракте за модулятором. Однако мощность на выходе модулятора равна мощности передатчика, так что проектирование мощных полупроводниковых фазовых модуляторов затруднено и не всегда выполнимо. Кроме того потери в модуляторе существенно влияют на КПД передатчика. Указанные недостатки первой схемы устранены во второй. Достоинство третьей схемы состоит в том, что в фазовом модуляторе требуется в N раз меньший индекс модуляции; N коэффициент умножения частоты в тракте за модулятором. Однако при заданной относительной нестабильности индекса модуляции на выходе передатчика требования к его абсолютной стабильности оказываются более жёсткими (в N раз); для стабилизации параметров фазового модулятора приходится развязывать его от смежных узлов с помощью резистивных аттенюаторов или ферритовых вентилей. Четвёртый вариант схемы передатчика с ФМ используют в диапазонных передатчиках или в передатчиках промежуточных радиорелейных станций. Общий недостаток последних трёх схем – увеличение линейных и нелинейных искажений в тракте за модулятором, обусловленное ограниченной полосой пропускания и нелинейностью ФЧХ каскадов усиления, преобразования или умножения частоты. Прохождение ФМ сигнала через эти каскады сопровождается его искажением, в частности амплитудно-фазовой конверсией. Наиболее широко применяют два способа получения ФМ. Один из них состоит в расстройке контура усилительного каскада и примечателен своей универсальностью: в модуляторе одновременно с ФМ происходит усиление мощности. Второй способ – использование фазовращающих цепей. Следующим каскадом в нашем передатчике является фазовый модулятор, в котором ФМ осуществляется в контурах усилительного каскада путём управления его расстройкой с помощью модулирующего сигнала. В качестве управляемого реактивного элемента здесь используется варикап. Для увеличения индекса модуляции варикапы подключены ко всем контурам усилителя. Изменение резонансной частоты контура усилителя изменяет фазу высокочастотных колебаний в контуре в соответствии с его фазовой характеристикой. Схема имеет вид:
После фазового модулятора ставим умножители частоты. В основе работы маломощных транзисторных умножителей частоты обычно лежит принцип выделения гармоники нужной частоты из импульсов коллекторного тока. На высоких частотах на режим и параметры влияет реакция нагрузки, и её необходимо учитывать. При достаточно высокой добротности контуров умножителя его входное и выходное напряжения имеет форму, близкую к гармонической. Но в общем случае ток и напряжение на входе транзистора в режиме с отсечкой имеют негармоническую форму, и это усложняет расчёт. Трудность создания резонансных умножителей частоты заключается в низких значениях коэффициентов Берга при большой кратности умножения. Поэтому следует выбирать углы отсечки максимизирующие соответствующие коэффициенты Берга. Также известно, что коэффициент усиления уменьшается при увеличении кратности умножения. Схемы умножителей бывают с параллельным питанием или с последовательным. Схема умножителя:
Мы взяли схему с последовательным питанием. Для уменьшения влияния нагрузки на параметры контура и согласования контура с VT мы нагрузку подключаем частично. Можно добавить фильтр " пробка" в коллекторную цепь, для уменьшения влияния первой гармоники на параметры контура. После умножителя ставим выходной каскад – ГВВ с резонансной схемой согласования в коллекторной цепи. Генератор с внешним возбуждением относится к классу усилителей высокой частоты. В отличие от малосигнальных усилителей ВЧ ГВВ имеет дело с большими уровнями сигналов, действующими на его входе и выходе, и работает как в линейном, так нелинейном режимах. В этой связи ГВВ принято характеризовать рядом энергетических показателей. К ним относятся выходная колебательная мощность, мощность, потребляемая от источника питания, мощность рассеяния по выходному электроду, коэффициент полезного действия по выходному электроду, коэффициент усиления по мощности и ряд других. Качество генератора во многом зависит от уровня достигнутого КПД и Кр при заданном уровне выходной мощности. Поэтому ГВВ можно рассматривать как устройство, осуществляющее преобразование энергии источника питания в ВЧ энергию с достаточно высоким КПД и управляемое внешним ВЧ сигналом. В ГВВ с избирательными цепями согласования можно реализовать три возможных режима работы: недонапряжённый, критический, перенапряжённый. Если напряжение источников питания, смещения и амплитуды возбуждения неизменно, то требуемый режим работы ГВВ достигается подбором нагрузки, по выходному электроду. При энергетическом расчёте ГВВ в критическом режиме на заданную мощность одним из параметров, которым приходится задаваться, является угол отсечки. Его значение можно выбирать из интервала от 0 до 180 градусов. Однако при разных значениях углов отсечки получаются различными такие важные характеристики ГВВ как электронный КПД, Кр, насыщенность выходного тока высшими гармониками и ряд других. Известно, что усилительные свойства АЭ наиболее высоки в классе А. При выборе угла отсечки из интервала 120 – 180 усилительные свойства АЭ уменьшаются, но незначительно. Однако электронный КПД ГВВ получается при этом невысоким и лишь немного превышает 50%. При выборе угла отсечки < 120 начинает расти требуемая амплитуда напряжения возбуждения и заметно снижается коэффициент усиления по мощности. Одновременно увеличивается вес высших гармоник в импульсной последовательности выходного тока. Максимум амплитуды второй гармоники наблюдается при угле отсечки 60 градусов, а третьей – при 40 градусов. Изменение веса третьей гармоники имеет колебательный характер, и при угле отсечки 90 градусов её вес равен нулю. Одновременно с уменьшением угла отсечки наблюдается рост электронного КПД. Максимум его получается при угле отсечки (50 - 60) градусов, а затем идёт резкое снижение. При угле отсечки < 90 градусов начинает быстро убывать Кр и увеличивается требуемая мощность возбуждения.
Приходится искать компромиссное решение, при котором можно получить приемлемые усилительные свойства АЭ и достаточно высокий КПД. Это компромиссное решение получается при выборе угла отсечки в окрестности 90 градусов. При этом электронный КПД становится близким к максимальному, Кр уменьшается всего лишь в два раза в сравнении с максимально возможным. Кроме того, минимизируется третья гармоника тока выходного электрода. Мы использовали ГВВ с включением транзистора по схеме с общим эмиттером. Вычислим колебательную мощность выходного каскада, для этого зададим значения следующих величин: hпк – КПД промежуточного контура (0.7 – 0.9) – берём равным 0.8; hак – КПД антенного контура (0.8 – 0.95) – берём равным 0.9; hм – КПД моста сложения мощности (0.8 – 0.95) – берём равным 0.9; hпз – коэффициент производственного запаса (1.1 – 1.3) – берём равным 1.1; P~ = 37 Вт - выходная мощность. f = 108 МГц - рабочая частота. Определим колебательную мощность выходного каскада:
Выходной каскад передатчика будем выполнять по однокаскадной схеме усилителя мощности с общим эмиттером. Однокаскадная схема применяется из-за простоты исполнения, а также исходя из достаточно низкой величины выходной мощности. Определяем необходимое значение общего коэффициента умножения, который будет обеспечен несколькими умножителями: Nобщ = 32 Для получения такого коэффициента умножения будем использовать пять удвоителей частоты, так как это позволит нам получить заданную мощность в нагрузке без использования очень мощных транзисторов и дополнительных каскадов усиления.
Рабочая частота автогенератора: fАГ
= В качестве активных элементов во всех каскадах используются транзисторы.
Параметры транзисторов : КТ 802 : fт = 20 МГц ; Ркмах = 30 Вт. КТ 922 Б : fт = 175 МГц ; Р~ = 20 Вт ; Кр = 10 КТ 930 Д : fт = 450 МГц ; Р~ = 75 Вт ; Кр = 2.5 4. Генератор с внешним возбуждениемпередатчик генератор кварцевый колебательный энергетический Генератор с внешним возбуждением (ГВВ) относится к классу усилителей высокой частоты (ВЧ). В отличие от малосигнальных усилителей ВЧ ГВВ имеет дело с большими уровнями сигналов, действующими на его входе , и работает как в линейном , так и нелинейном режимах. ГВВ можно рассматривать как устройство , осуществляющее преобразование энергии источника питания в ВЧ энергию с достаточно высоким КПД и управляемое внешним высокочастотным сигналом. В диапазонах ДВ , СВ , КВ , УКВ , СВЧ широкое применение при создании ГВВ находят различные типы транзисторов и ламп. Верхняя частотная граница их применения достигает 50 ГГц ( и выше ) и имеет тенденцию к росту. ГВВ, выполненные на лампах и транзисторах , имеют много общих признаков , т.к. решают задачу получения требуемой мощности ВЧ колебаний в нагрузке. Вместе с тем ламповые и транзисторные ГВВ обладают рядом существенных отличий. Причина этого кроется в различии физических процессов протекающих в указанных типах активных элементов (АЭ). Такой АЭ , как лампа ( триод , тетрод , пентод ), имеет высокий уровень анодного питания , относительно малую величину крутизны проходных характеристик , большие уровни внутреннего и входного сопротивлений. Для получения от лампы её номинальной мощности требуется высокоомная анодная нагрузка. Проходные характеристики у ламп левые. Возбуждение лампового ГВВ проще реализовать от источника напряжения. Транзисторы в отличие от ламп являются токовыми приборами. Они имеют большую величину крутизны входной и проходной характеристик, низковольтное напряжение источника коллекторного питания и требуют низкоомную коллекторную нагрузку для отбора номинальной мощности. Проходная характеристика биполярных транзисторов правая. Принимая во внимание, что в области средних и высоких частот коэффициент усиления по току транзистора существенно ниже, чем в области низких частот, и базовый ток сравним по величине с коллекторным током, входное сопротивление транзистора в схеме с общим эмиттером получается низкоомным и его возбуждение удобнее реализовать от источника тока. В ГВВ с избирательными цепями согласования можно реализовать три возможных режима работы: 1. Недонапряженный ( НН ). 2. Критический. 3. Перенапряженный ( НП ). В области недонапряженного режима активный элемент (АЭ) ГВВ ведет себя как источник тока , а в области перенапряженного режима - как источник напряжения. Наиболее оптимальным является критический режим работы ГВВ. В этом режимеАЭ ГВВ отдаёт максимальную мощность, имея малую мощность рассеяния навыходном электроде и достаточно высокие ho и Кр. В области ННР увеличивается Ррасс и падает ho в области ПНР при сохранении высокого ho уменьшаются Р' и Кр. В связи с указанными недостатками недонапряженный и перенапряженный режимы менее предпочтительны в сравнении с критическим . При энергетическом расчете ГВВ в критическом режиме на заданную мощность одним из параметров, которым приходится задаваться, является угол отсечки Θ. Его значение можно выбирать из интервала от 0 до π. Однако при разных значениях Θ получаются различными такие важные характеристики ГВВ как электронный КПД, коэффициент усиления по мощности, насыщенность выходного тока высшими гармониками и ряд других. Усилительные свойства АЭ наиболее высоки в классе "А". При выборе Θ из интервала 120 – 1800 усилительные свойства АЭ уменьшаются, но незначительно. Однако электронный КПД ГВВ при этом получается невысоким и лишь немного превышает 50 %. При выборе Θ < 1200 начинает расти требуемая амплитуда напряжения возбуждения и заметно снижается коэффициент усиления по мощности. Одновременно увеличивается вес высших гармоник в импульсной последовательности выходного тока. При Θ < 900 начинает быстро убывать Кр и увеличиваться требуемая мощность возбуждения. Следовательно искать компромисное решение, при котором при котором можно получить приемлемые усилительные свойства АЭ и достаточно высокий КПД. Это компромисное решение получается при выборе Θ в окрестности 900 . 4.1 Энергетический расчет ГВВ
4.2 Расчет колебательной системы
4.3 Расчет вспомогательных элементов
5. Расчёт кварцевого автогенератора Кварц – это минерал, имеющий кристаллическую структуру и являющийся разновидностью кремнезема SiO2 .В природе он встречается в виде двух модификаций, различающихся своими свойствами (α и β - кварцы). Основным элементом кварцевого резонатора является пластина, вырезанная из кристалла кварца в определенной ориентации к его осям X , Y, Z. По виду этой ориентации различают типы срезов кварцевой пластины. Пластины, вырезанные перпендикулярно X или Y называют простыми срезами. Чаще используют "косые" срезы, так как у них температурный коэффициент влияния значительно ниже. Для подведения к кварцевой пластине переменного напряжения её противоположные стороны покрывают серебром. В результате образуется конденсатор с ёмкостью Со и кварцевым диэлектрическим заполнением, обладающим пьезоэффектом. Пластину, закрепляют в кварцедержателе, помещают в баллон с выводами. При подведении к кварцевой пластине переменное напряжение с частотой f, в ней возникают различные механические колебания. Кварцевый автогенератор является составной частью возбудителей, синтезаторов частот, радиопередающих и радиоприемных устройств, а также аппаратуры для частотных и временных измерений. По принципу использования кварцевого резонатора (КР) схемы КАГ можно классифицировать по трем основным группам: - Осцилляторные - Фильтровые - Схемы с затягиванием частоты. В осцилляторных схемах кварцевый резонатор является элементом контура КАГ и играет в нем роль индуктивности. В таких схемах КР работает на частотах выше частоты последовательного резонанса, где его индуктивность достигает больших значений ( до единиц генри ). Основным достоинством таких схем являются простота схемной реализации и малые значения относительной нестабильности частоты колебаний. Но уровень колебательной мощности, который они могут генерировать при сохранении параметров КР, невелик и составляет единицы и десятки милливатт. В осцилляторных схемах контур КАГ выполняется с таким расчетом, чтобы при выходе из строя кварцевого резонатора нарушалось условие самовозбуждения трехточечной схемы автогенератора.
6. Расчет общих характеристик передатчика
В результате проделанной работы разработан автомобильный передатчик. Он состоит из кварцевого автогенератора, выполненного по схеме ёмкостной трёхточки (эта схема обладает более высокой стабильностью), буферного каскада для согласования выходного сопротивления автогенератора со входным сопротивлением следующего каскада (эмиттерный повторитель), пяти удвоителей частоты и выходного каскада, предназначенного для усиления сигнала передаваемого к антенне. Расчет проведен исходя из строгих технических данных и основных требований по ГОСТу 12252-86. Характеристики сконструированного передатчика удовлетворяют техническому заданию. Список использованной литературы1. Радиопередающие устройства / под редакцией М.В. Благовещенского, Г.М. Уткина. – Москва : Радио и связь 1982г. 2. Войшвилло Г.В. Усилительные устройства. – Москва : Радио и связь 1983г. 3. Проектирование радиопередающих устройств СВЧ / под редакцией Г.М. Уткина. – Москва : Советское радио 1979г. 4. Шумилин М.С. , Козырев В.Б. , Власов В.А. Проектирование транзисторных каскадов передатчиков. – Москва : Радио и связь 1987г. 5. Методические указания №545 к упражнениям по дисциплине "Радиопередающие устройства" / под редакцией Ю.Л. Мишина. – Рязань : РРТИ 1980г. 6. Методические указания № 1520 "Разработка и расчет колебательной системы диапазонного выходного усилителя мощности" / под редакцией Ю.И. Судакова. – Рязань : РРТИ , 1988г. 7. Методические указания № 1777 "Расчет генератора с внешним возбуждением" / Сост. П.А. Крестов , Н.М. Прибылова . Рязань : РРТИ , 1990г. 8. Методические указания № 2744 "Расчет кварцевого автогенератора" / Сост. Н.М. Прибылова, В.Н. Сухоруков . Рязань : РГРТА , 1998г. |












































