Дипломная работа: Розрахунок енергозберігаючих заходів
|
Название: Розрахунок енергозберігаючих заходів Раздел: Рефераты по физике Тип: дипломная работа | |||||||||||||||||||||||||||||||||||||||||||||||||||||||||||||||||||||||||||||||||||||||||||||||||||||||||||||||||||||||||||||||||||||||||||||||||||||||||||||||||||||||||||||||||||||||||||||||||||||||||||||||||||||||||||||||||||||||||||||||||||||||||||||||||||||||||||||||||||||||||||||||||||||||||||||||||||||||||||||||||||||||||||||||||||||||||||||||||||||||||||||||||||||||||||||||||||||||||||||||||||||||||
Зміст Умовні позначення Вступ 1. Загальні проблеми в сфері енергозбереження в України 2. Енергоефективні технології на залізничному транспорті 3. Локомотивне депо. Його функції і задачі 3.1 Локомотивне господарство Південної залізниці 3.2 Локомотивне депо "Жовтень" 4. Котельня локомотивного депо 4.1 Загальний стан 4.1.1 Газопостачання 4.1.2 Архітектурно-будівельна частина 4.1.3 Електротехнічна частина 4.2 Опис парового котла МЕ- 4-1,4ГМ 4.3 Розрахунок споживання палива для цехів електровозного депо 4.3.1 Цех періодичного ремонту 4.3.2 Підйомний цех 4.3.3 Електромашинний відділ 4.3.4 Колісний цех 4.3.5 Цех ПТО локомотивів 4.4 Розрахунок споживання палива для будівлівідпочинку локомотивних бригад 4.5 Доцільність переводу парового котла в водогрійний режим 4.5.1 Підготовка котлів до проведення робіт по переобладнанню 4.5.2 Підготовка котла до очистки 4.5.3 Тепловий розрахунок котлоагрегату МЕ-4-1,4ГМ 4.6 Встановлення на котел сучасного пальника 5. Встановлення гідродинамічного нагрівача на мийну машину ММД – 12 5.1 Розрахунок необхідної кількості тепла для мийної машини ММД -12 6. Розрахунок променевого обігріву для цехів 6.1 Опис і робота опалювача ОІТГ-20 "Геліос" 6.2 Цех періодичного ремонту 6.3 Підйомний цех 6.4 Електромашинний відділ 6.5 Колісний цех 6.6 Цех ПТО локомотивів 7. Техніко-економічні розрахунки за рахунок енергозберігаючих заходів 7.1 Розрахунок економічної доцільності переводу парового котла на водогрійний режим 7.2 Розрахунок економічної доцільності встановлення німецького пальника типу Weishaupt на котел МЕ-4,0/1,4ГМ, встановленого в локомотивному депо "Жовтень" 7.3 Розрахунок економічної доцільності встановлення гідродинамічного нагрівача на мийну машину ММД – 1293 7.4 Розрахунок економічної доцільності за рахунок підключення будівлі відпочинку локомотивних бригад до котельні локомотивного депо 7.5 Розрахунок економічної доцільності встановленняінфрачервоного опалення 8 Охорона праці 9. Цивільна оборона Висновок Перелік посилань енергозбереження газопостачання локомотивний паливо УМОВНІ ПОЗНАЧЕННЯ кг. у. п. – кілограм умовного палива ПММ – паливно-мастильні матеріали ПЕР – паливо-енергетичні ресурси Т – служба локомотивного господарства ККД – коефіціент корисної дії Е.б. – енергетичний баланс П.-е.б – паливо-енергетичний баланс УЗ – Укрзалізниця ГМп – газо-мазутний пальник ГА – газова автоматика ВСТУП Для молодої Української держави, яка почала здійснювати ринкові перетворення в своїй економіці, проблеми енергетики поряд з економічними є найбільш складними, що погіршують соціальну ситуацію. В зв'язку з цим Україна вперше зіткнулася з вирішенням надзвичайно важливого завдання – пошуку шляхів перетворення енергетичної галузі при переході від централізованої планової до децентралізованої ринкової економіки. Це означає формування такої енергетичної політики, методи і засоби якої, пов'язані з економікою, будуть сприяти реалізації цих перетворень. Залізнична галузь зараз теж переживає глибоку реструктуризацію, одним з принципів якої є зменшення енергоспоживання. Без рішення цієї задачі неможливо створити ефективну енергетику в країні, яка взагалі є споживником енергоресурсів.Оскільки Україна є країною з обмеженим власними енергоресурсами, їй необхідно зменшувати споживання палива і енергії в усіх галузях промисловості. Експерти всіх країн – учасників міжнародного проекту по розробці основ – концепцій енергетичної політики України прийшли до єдиного висновку про необхідність для України приділяти особливу увагу енергозбереженню при її великій промисловій базі і великій залежності від імпорту нафти і газу. Потенціал енергозбереження в Україні великий, для його реалізації політика енергозбереження повинна стати державною політикою України.Таким чином у даному дипломному проекті розглядаються питання пов’язані з пошуком економії енергоресурсів в локомотивному депо "Жовтень", яке розташоване у місті Харкові. На території депо розташована газова котельня яка виробляє необхідну кількість тепла для нормальної роботи депо. Депо поділене на декілька цехів: цех періодичного ремонту, механічний цех, колісний та інші. В дипломному проекті зроблено розрахунок декількох енергозберігаючих заходів. 1. ЗАГАЛЬНІ ПРОБЛЕМИ В СФЕРІ ЕНЕРГОЗБЕРЕЖЕННЯ В УКРАЇНІ За абсолютним обсягом споживання паливно-енергетичних ресурсів (ПЕР) Україна стоїть поруч з Францією та Великобританією. Навіть в умовах економічної кризи в нашій країні щорічно споживалось близько 210 млн.т.у.п. первинних ПЕР та 172 млрд.кВт·год електроенергії. У 1990р. ці показники становили: 353 млн.т.у.п. та 270,7млрд.кВт·год при виробленні 296 млрд.кВт·год, 25 млрд.кВт·год йшло на експорт. Орієнтовна потреба України в первинних енергетичних ресурсах становитиме в 2010р. 259-294 млн.т.у.п., обсяги споживання котельно-пічного палива - 190-192,9 млн.т.у.п. Більше половини потреб України в енергоресурсах покривається за рахунок імпорту, частка власних ресурсів нафти і газу становить лише 8,1% та 28,6%. Але ефективність використання ПЕР дуже низька. На сьогодні питомі витрати палива та енергії в устаткуванні, обладнанні і технологічних процесах у середньому у двічі перевищують аналогічні показники для промислово розвинених країн Західної Європи та США. Існуючий стан використання енергоресурсів не відповідає сучасним вимогам. Негативний вплив на процес енергозбереження має в першу чергу наявність в експлуатації застарілих технологій та обладнання, а також відсутність достатнього контролю за витратою енергоресурсів. Якщо налагодження дієвого контролю за витратою енергоресурсів не потребує фінансових затрат, то впровадження нових енергоефективних технологій, технічних засобів та обладнання вимагає значних капіталовкладень, а доцільність кожного вкладання коштів повинна ґрунтуватись на техніко – економічних розрахунках. Валовий внутрішній продукт (ВВП) – показник, що характеризує результати економічної діяльності в сфері матеріального і нематеріального виробництва, ринкова вартість усіх кінцевих товарів і послуг, вироблених (наданих) протягом року. Показник дозволяє зробити інтегрований вимір підсумків діяльності держави. Енергоємність в Україні, тобто виробництво ВВП, на одиницю умовного палива складає 0,44 грн/кг.у.п. Вона більш ніж у 2 рази перевищує аналогічний показник країн Європейського Союзу, у 2,5 рази – Німеччини, у 2,7 рази – США та в 6,5 рази – Японії. Паливно-енергетична складова в загальній собівартості продукції зросла в різних галузях від 5,0% до 50,0% та на кожні 1000 грн. виробленої продукції в цілому по Україні складає 1,626 т.у.п., понад 1,5 тис.кВт·год. електричної енергії та 8 ГДж теплової енергії. Передбачається зменшення паливо ємності з 1,559 кг.у.п./грн у 1998 р. до 0,93-0,95 кг.у.п./грн у 2010 р. На 2010 рік очікується зниження електроємності ВВП до 1,19-1,20 кВт год/грн. У таких умовах надзвичайної ваги і державного значення набула проблема підвищення енергетичної ефективності в усіх галузях економіки і соціальної сфери економіки. В продовж 2004—2006 років центральними органами виконавчої влади не було забезпечено ефективного управління коштами державного бюджету України, передбаченими на підвищення ефективності використання енергетичних ресурсів та впровадження енергозберігаючих технологій. До такого висновку прийшла Колегія Рахункової палати, розглянувши результати аудиту використання коштів на виконання організаційно-технічних заходів щодо економії енергоресурсів та впровадження енергозберігаючих технологій. В наслідок непослідовних та неузгоджених рішень щодо реорганізації центрального органу виконавчої влади з питань забезпечення ефективного використання енергетичних ресурсів та зволікання із виконанням цих рішень керівництво заходами з реалізації державної політики у сфері енергозбереження більше року не здійснювалося взагалі. Виконання завдань Комплексної державної програми з енергозбереження у 2005— 2006 роках здійснювалося за умов, коли вони не були визначені та затверджені урядом за відповідними галузями народного господарства і не доведені виконавцям — галузевим міністерствам та іншим центральним органам виконавчої влади. Існуюча нормативно-правова база в галузі енергозбереження, як відзначають аудитори, не забезпечувала ефективного використання енергетичних ресурсів та стимулювання підприємств щодо впровадження енергозберігаючих технологій. Законодавчо та нормативно не визначені поняття і критерії оцінки енергетичної ефективності, відсутні закони щодо порядку проведення енергетичного аудиту, а також щодо стимулювання діяльності з енергозбереження. Підвищені норми амортизації енергозберігаючих основних фондів не встановлені та не застосовуються. Чинна на сьогодні Комплексна державна програма з енергозбереження, яку ухвалено 10 років тому, як вважають аудитори, не конкретизована за заходами, термінами виконання та відповідальними виконавцями. Через невиконання у попередні роки ряду завдань ця програма фактично втратила відповідність економічним реаліям сьогодення і потребує перегляду та коригування. Державним комітетом України з енергозбереження контроль за діяльністю міністерств, інших центральних органів виконавчої влади щодо прийняття відповідних документів та визначення конкретних виконавчих заходів, передбачених Комплексною програмою, практично не здійснювався. Як наслідок, загальний обсяг економії паливно-енергетичних ресурсів у 2005 — 2006 роках склав лише 8,3 відсотка від прогнозованого загального обсягу економії, передбаченого програмою. У той же час рекомендації, надані Державному комітетові з енергозбереження за результатами попередньої перевірки Рахункової палати у 2003 році, були виконані лише частково. Моніторинг виконання Комплексної програми здійснювався незадовільно, за даними лише окремих центральних та місцевих органів виконавчої влади. Ця інформація не була розмежованою за галузевим та міжгалузевим рівнями і не забезпечувала оперативності та повноти матеріалів для аналізу стану енергозбереження і прийняття на його основі обґрунтованих управлінських рішень у галузі енергозбереження. Жодна з галузевих та місцевих програм у сфері альтернативних джерел енергії до уповноваженого органу виконавчої влади з енергозбереження не подавалася та ним не погоджувалася. Не розроблено економічного механізму залучення інвестицій у сферу енергозбереження та проекти відповідних актів законодавства з даного питання. Державним комітетом з енергозбереження, а в подальшому Міністерством палива та енергетики і Національним агентством з питань забезпечення ефективного використання енергетичних ресурсів не створено нормативну базу щодо координації діяльності з енергозбереження органів виконавчої влади, створення та погодження відповідних галузевих і регіональних програм, не впроваджено єдину методику розробки і порядку реалізації галузевих (міжгалузевих) та регіональних програм у цій сфері. Значна кількість порушень у сфері енергозбереження, що не припиняються після застосування адміністративних санкцій і здійснюються повторно, свідчить про неадекватність цих засобів впливу допущеним порушенням. Розміри штрафів, що застосовуються до посадових осіб за порушення у цій сфері, є суто символічними, внаслідок чого третина з них допускається повторно. 2. ЕНЕРГОЕФЕКТИВНІ ТЕХНОЛОГІЇ НА ЗАЛІЗНИЧНОМУ ТРАНСПОРТІ Енергозбереження та енергоефективність відіграють провідну роль у загальному підвищенні економічної ефективності транспорту, зменшення його негативного впливу на навколишнє природне середовище, забезпечення високої якості транспортних послуг. Прийнята Галузева програма енергозбереження та впровадження альтернативних видів палива на транспорті спрямована на реалізацію зазначених стратегічних завдань. Залізничному транспорту, що є важливим інтегральним компонентом не лише транспортного комплексу, а й національної економіки України в цілому відводиться одна із провідних ролей. Мета енергетичної стратегії Укрзалізниці – максимально скоротити затрати на придбання і використання паливо – енергетичних ресурсів при безумовному забезпеченні прогнозованих обсягів перевезень, обумовлених розвитком економіки держави і задоволення попиту замовників на більш якісні транспортні послуги. Із найбільш важливих пріоритетних завдань енергетичної стратегії Укрзалізниці доцільно виділити наступні: - повне і надійне забезпечення процесу перевезень, зниження ризиків і недопущення розвитку кризових явищ в забезпеченні енергоносіями залізничного транспорту; - зниження питомих витрат ПЕР у всіх сферах діяльності залізничного транспорту; - оптимізація енергетичних затрат в стаціонарній енергетиці; - докорінне покращення структури управління енергетичним комплексом Укрзалізниці на основі сучасних інформаційних технологій; - гармонійне і ефективне входження Укрзалізниці в енергетичний ринок держави при недискримінаційних економічних взаєминах між його суб’єктами; - мінімізація техногенного впливу залізничної енергетики на оточуюче середовище. Виконання планових завдань щодо впровадження енергозберігаючих технічних засобів та технологій сприяє підвищенню економічних показників діяльності виробництва. Норми питомих витрат енергоресурсів при цьому повинні переглядатись, що максимально мобілізує внутрішні резерви економії ПЕР і технічне переозброєння виробництва. Необхідно відмітити, що за останні роки значно знизилась енергоємність залізничного транспорту. Так ще у 2000 році енергоємність становила 15,03 туп/ приведені млн. ткм., а вже у 2007 році 10,04 туп/ приведені млн. ткм. тобто за сім років відбулось зниження на 33,2%. Безумовне таке значне зниження не могло відбутися тільки за рахунок організаційних заходів. На залізничному транспорті ще з 1997 року почала діяти "Програма з енергозбереження", а у 1999 року були вперше додатково розроблені "Організаційно-технічні заходи". Тобто відбулось чітке розподілення між заходами які практично не потребують фінансування і тими заходами на реалізацію котрих необхідні значні капіталовкладення. На при кінці 2000 року в Укрзалізниці і на кожній з шести залізниць була створена відомча Інспекція з енергозбереження. Основними функціями котрих стали проведення енергетичних обстежень (енергоаудитів) структурних підрозділів залізниць та контроль за впровадженням енергозберігаючих заходів. Крім того, Інспекція виконує і притаманні взагалі любій інспекції функції з перевірки раціонального використання енергоносіїв. За ініціативи Інспекцій з енергозбереження за останні роки було розроблено і втілено у життя три Програми направлені на раціональне використання всіх видів ПЕР. Так, з 2002 року на залізницях діє "Програма з реконструкції застарілого котельного обладнання". У відповідності до цієї Програми за п’ять років було реконструйовано сотні котелень вкладено десятки мільйонів гривень. У 2004 – 2006 роках діяла "Програма поетапної заміни застарілого електроосвітлювального обладнання", згідно якої проводилась заміна застарілих прожекторів та ламп розжарювання на більш енерго заощадливі. Щорічно кожна із залізниць витрачала на виконання цієї Програми 200 - 300 тис. грн. У 2006 році була розроблена і втілена у життя окрема "Програма впровадження найбільш ефективних енергозберігаючих заходів з короткими термінами окупності" до якої були включені заходи з терміном окупності до трьох років. Виконання всіх цих Програм та проведення енергетичних аудитів направлено лише на те, щоб за рахунок впровадження сучасних, передових технологій досягнути зниження енергоємності і, як наслідок, знизити витрати на придбання енергетичних ресурсів. Укрзалізниця на енергозберігаючі технології витрачає щорічно сотні мільйонів гривень. Наприклад, тільки у 2007 році лише на "Програму з енергозбереження" було витрачено трохи більше 230,0 млн. грн. Безумовно, для залізниць на перший план стає проблема з економії дизельного палива, так як щорічно на роботу тепловозів, які виконують пасажирську та вантажну роботу витрачається від 450 до 500 тис. тон дизельного пального і економія лише 1,0 % на теперішній час дасть заощадити 25 - 27 млн. грн., а це новий тепловоз або п’ять пасажирських вагонів. Тому і до 70,0% коштів спрямовується на впровадження енергозберігаючих заходів безпосередньо в тязі поїздів. Це і системи контролю "БІС-Р" і більш досконалий, який вперше масово почав впроваджуватися у минулому році "Дельта-СУ", це і електронні системи числа обертів дизеля СУДМ-01, це і системи конденсаторного запуску, це і чисто щоденні без яких не можливо уявити роботу залізничного транспорту такі як проведення важких поїздів масою більш ніж 6,0 тис. тон., роботи по відміні енергоємних поїздом попереджень, проведення заміни застарілих двигунів на колійних машинах на менш витратні. Однак, на теперішній час, найбільш масштабним заходом, який дозволить значно скоротити витрати дизельного палива остається електрифікація на різних напрямках. За умов Євроатлантичної інтеграції України, входу до СОТ та наближенням Євро-2012 питання транспортного комплексу його переоснащення та відхід від тепловозної тяги виходять на новий рівень. Що стосується робот пов’язаних з економією електричної енергії то в цьому напрямку проводиться теж велика робота. Це і впровадження системи охолодження мотор-вентиляторів електровозів ВЛ-82, це і роботи пов’язані з заміною застарівши тягових агрегатів на нові с 12-імпульсною схемою випрямлення, це і компенсації реактивної енергії, це і використання рекуперативного гальмування на електровозах, це і конструювання постів секціонування, це і встановлення нових електронних лічильників електроенергії "Альфа" і "Євро-Альфа". Великі обсяги робіт на десятки мільйонів гривень виконуються по створенню автоматичної системи комерційного обліку електроенергії, яка дозволяє вийти на оптовий ринок електроенергії та мати достовірну і читку інформацію по всім витратам електроенергії на експлуатаційну роботу залізниці. Стаціонарна енергетика також не стоїть осторонь. Багато новітніх технологій впроваджено за останні роки. Це і впровадження інфрачервоного опалення, заміна подових пальників на струменево-нішові, встановлення системи ЕКО-3, яка дозволяє контролювати ефективність згоряння газу, це і магнітна обробка води, і ультразвукове очищення поверхонь котлів від накипу, це і впровадження пластинчастих теплообмінників, це і система частотного регулювання електричними двигунами (насоси, вентилятори, димососи), це і використання нових тепло ізолюючих матеріалів, це і впровадження для нагріву води гідродинамічних нагрівачів типу "ТЕРМЕР" та "ТЕКМАШ", які дозволяють не використовувати котельню у літній період при невеликих теплових навантаженнях, це і впровадження 2-х контактно-поверхневих водонагрівачів (тепло генераторів)з німецькими пальниками, це і використання сонячних колекторів для отримання гарячої води. Але найбільш, з точки зору енергозаощаджувальних технологій, яку почали впроваджувати на залізницях України в останні два роки - це теплові насоси які дозволяють отримувати до 3,5 кВт теплової енергії при витратах 1 кВт електричної енергії. Так, на Південній залізниці (м. Харків) встановлена тепло насосна установка для обігріву пасажирського вокзалу. Подібна система опалення , для якої НПДЕ виступає земля, вперше застосована на залізницях України. Теплова потужність даної системи 40квт. Максимальна витрата електроенергії 10,2 кВт за годину. Розрахунковий строк окупності 6 років. У літню пору якщо температура в середині приміщення буде вище комфортної +23° С, система почне працювати в "зворотному напрямку", тобто як кондиціонер, забезпечуючи "холодом" пасажирський вокзал станції Залютине Південної залізниці. За підсумками опалювального сезону 2006-2007 років економія коштів склала 60,0 тис грн. Зараз дана система доопрацьовується, з метою підключення до теплового насосу ще одного виробничого будинку. Така реконструкція дозволить виключити з використання вугільну котельню. У 2007 році було встановлено новий тепловий насос у СМП-Основа, для якого вже низько потенціальним джерелом енергії служить повітря. Він дозволяє, отримувати гарячу воду в повному обсязі для роботи кухні, при цьому витрати електроенергії менше ніж 1 кВт на годину. На 2009-2011 роки будівельно-монтажною та експлуатаційною службою Південної залізниці (м. Харків) заплановано цілий ряд робіт пов’язаних з впровадженням сучасних енергозберігаючих технологій. Як видно з наданого вище матеріалу, можна зробити висновок, що на залізницях ведеться цілеспрямована робота з питань раціонального використання енергоносіїв. Вже реалізовані технічні заходи прямо або побічно сприяли підвищенню енерго ефективності й енергобезпеки структурних підрозділів залізничного транспорту внаслідок: - приведення норм витрат енергоресурсів до реальних об’єктивних величин; - впровадження приладів обліку; - удосконалювання споживання енергоносіїв; - зниження втрат електричної й теплової енергії; - впровадження системи матеріального стимулювання за економію ПЕР; - поліпшення умов праці персоналу; - зниження рівня екологічної напруженості; До основних енергозаощадливих заходів які втілюються на залізницях України та значно впливають на зниження енергоємності можна віднести наступні: 1. В локомотивному господарстві проводяться роботи по впровадженню апаратно-програмних комплексів для оперативного розрахунку енерго оптимальних режимних карт ведення поїздів в залежності від наявності енергоємних поїздопопереджень. Втілюється у життя комплекс АСУ ЛОКБРІГ, яка дозволяє оперативно оброблювати маршрути машиністів. Проводиться аналіз необхідності модернізації електровозів системою оперативного регулювання потужності, котра дозволяє відключати та включати групи тягових двигунів в залежності від маси поїзду та профілю колії. З метою економії дизельного пального вже на протязі 10 років використовується присадка "Адізоль-Т6", а в поточному році планується використати присадку до дизельних олив типу "Озерол-МП10". 2. Продовжується робота по оновленню парку тягового рухомого складу. Вже находяться в експлуатації декілька рейкових автобусів типу 620-М, які дозволили визволити з експлуатації тепловози ТЕП-70. Тільки по Південній залізниці за минулий рік досягнута економія із-за впровадження рейкових автобусів в розмірі 316,0 т.у.п. на суму 950,0 тис. грн. 3. Головним управлінням електропостачання продовжуються роботи по впровадженню системи комерційного обліку електроенергії. Ця робота вже дозволила Південно-Західній залізниці (м. Київ) вийти на оптовий ринок електроенергії. Проводяться роботи по зниженню "умовних втрат" у контактній мережі. Так по Південній залізниці ще у 2002-2003 роках "умовні втрати" сягали 19,0%-21,0% то вже у 2007 році "умовні втрати" склали лише 12,5%. Небаланс електроенергії на тягових підстанціях за останні 5 років знизився у 3,5 рази. 4. По Головному управлінню колійного господарству проводиться масштабна робота по модернізації колійної техніки. Так, замість використання тепловозів з 2006 року впроваджена тягова енергетична установка (ТЕУ-630), яка дозволила з економити у 2007 році майже 80 т.у.п. Проводиться значна робота по заміні застарілих дизелів Д6 та Д12 на менш енергоємні ЯМЗ. 5. Всіма залізницями проводяться роботи у структурних підрозділах по встановленню сучасного котельного обладнання. Встановлюються струменевонішеві пальники, впроваджуються модульні (блочні) котельні. В останні 3 роки на залізницях почали встановлювати сучасні котли типу "Будерос", з коефіцієнтом корисної дії до 94,7%. Зараз розглядається питання по впровадженню конденсаційних котлів з ККД до 97,0%. Проводяться роботи по встановленню інфрачервоного опалення, теплових насосів, сонячних колекторів тощо. 6. На залізницях приділяється увага використанню вторинних ПЕР. Так Львівська залізниця, почала впроваджувати котли для опалювання приміщень, в яких спалюються тирса, спресоване насіння тощо. На Південній залізниці зараз проводяться випробування котлів вагонного типу, в яких планується спалювати торф’яні брикети. На Донецькій залізниці в котельних агрегатах спалюються забруднені нафтопродукти, які остаються після очищення вагонів. На Одеській залізниці використовуються геліоустановки, для підігріву води. На залізницях працюють як пересувні, так і стаціонарні сміттєспалювальні комплекси. В той же час, Укрзалізниця не може і не повинна зупинятися на досягнутому. Потрібно проводити подальшу роботу в цьому напрямку, а для цього необхідно: · створити ефективний енергетичний менеджмент (тобто керування енергозабезпеченням і енерго ефективністю); · організація прогресивної системи нормування енергетичних характеристик підприємства в цілому, окремих його виробництв і об'єктів (контроль рівня ефективності використання ПЕР); · здійснити системний енергетичний моніторинг (для забезпечення надійності систем підприємства й ефективності використання ПЕР); 3. ЛОКОМОТИВНЕ ДЕПО. ЙОГО ФУНКЦІЇ І ЗАДАЧИ 3.1 Локомотивне господарство Південної залізниці Локомотивні депо підрозділяються на основні депо, що служать місцем приписки локомотивів, і оборотні, у яких виконується підготовка локомотивів до проходження з потягами у напрямку основного депо. В основних депо виконується ремонт і технічне обслуговування локомотивів, в оборотних депо є пункти екіпірування й проведення локомотивам технічного огляду другого обсягу (ТЕ2) і будинку відпочинку локомотивних бригад. Також в окрему категорію почали виділяти ремонтні депо - не мають приписного парку локомотивів, але виконуючі великі види ремонту (ТР-2, ТР-3, СР, КР-1) для потреб цілої залізниці або декількох доріг. Для виконання завдань, які повинно виконати локомотивне депо, передбачаються наступні облаштованості на його території: · склад палива (для зберігання запасів дизельного палива, мастил і змащень) · поворотне коло або поворотний трикутник (для проведення періодичного або технологічного розвороту локомотива) · пункт технічного обслуговування локомотивів (ПТОЛ - для проведення операцій по технічному обслуговуванню й екіпіруванню локомотивів) · пункт екіпірування локомотивів (як правило, сполучається із ПТОЛ) · цеху ремонту локомотивів (для виконання ТЕ-3 і більших видів ремонту) · пункт реостатних випробувань (для проведення реостатних випробувань тепловозів і дизель-поїздів) · допоміжні цехи (для виконання ремонту окремих вузлів і агрегатів локомотива) · адміністративно-побутовий корпус (для розміщення приміщень душових, роздягалень, робочих кабінетів апарата керування й інженерно-технічного складу депо · будинок відпочинку локомотивних бригад (для міжрейсового відпочинку членів локомотивних бригад) Крім перерахованих вище будинків у локомотивному депо також можуть бути розташовані: котельні, очисні спорудження, пункти обмивки локомотивів і інші виробничі об'єкти. Службі локомотивного господарства підпорядковані десять локомотивних депо та люботинські авторемонтні майстерні. Локомотивне господарство спеціалізується на експлуатації та ремонті тягового рухомого складу (електровозів та тепловозів), роботі кранами на залізничному ходу, забезпеченням паливо-мастильними матеріалами підрозділів залізниці. Організаціям пропонуються такі послуги: - маневрові роботи; - ремонт тепловозів та електровозів різного обсягу; - надання вантажно-розвантажувальних послуг кранами на залізничному ходу; - зберігання паливо-мастильних матеріалів; Історія розвитку локомотивного господарства нерозривно переплітається з історією становлення Південної залізниці. Першим серед локомотивних підприємств стали паровозні майстерні, які відкрилися влітку 1869 року, в подальшому - локомотивне, а ще пізніше електровозне депо "Жовтень". З 1870 року почала свій відлік історія служби паровозного, а нині локомотивного господарства. Подальше введення в експлуатацію нових дільниць Південної обумовило утворення баз для ремонту тягового рухомого складу на станціях : 1871 рік - Полтава та Кременчук (дільниця Кременчук - Полтава- Харків); 1878 рік - Люботин та Смородине (дільниця Мерефа - Люботин - Ворожба). Південна залізниця - як жива істота зростала та мужніла, а разом з нею і локомотивне господарство. Підвищення обсягів вантажних та пасажирських перевезень, відкриття нових залізничних ділянок привели до виникнення нових баз ремонту: 1901 рік - на станції Куп'янськ-Сортувальний; 1911 рік - на станції Основа; 1915 рік - на станції Харків-Сортувальний; 1926 рік - на станції Лозова; 1939 рік - на станції Гребінка. З плином часу на зміну паровозів прийшли нові види рухомого складу і паровозні депо стали локомотивними, деякі з них - спеціалізованими по видам тягового рухомого складу. Так у 1962 року депо "Жовтень" стало електровозним, а локомотивне депо Харків-Сортувальний - базовим для експлуатації та ремонту маневрових тепловозів. Поява на залізниці нових локомотивів різних серій і видів тяги зробило необхідним розподіл їх по депо і, в свою чергу, спеціалізацію підприємств по виконанню необхідних видів ремонту. В цьому питанню флагманом можливо вважати локомотивне депо Гребінка. Завдяки впровадженню нових поточних ліній та механізованих позицій, наукової організації праці, в депо стало можливим освоєння крупно агрегатного метода ремонту тепловозів спочатку ТЕЗ, в подальшому 2ТЕ10Л та 2ТЕ116, перетворив депо в основну на Південній залізниці базу ремонту тепловозів цих серій. Не менш крупним підприємством на сьогоднішній день є локомотивне депо Основа, де виконуються всі види ремонту та технічного обслуговування пасажирських тепловозів ТЕП70. Крокуючі в ногу з часом, враховуючи нові економічні умови, колектив депо став автором багатьох технічних нововведень та прогресивних технологій. На його базі утворена лабораторія технічного діагностування тепловозів та основних вузлів, що дозволяє максимально підвищити надійність їх експлуатації. На цьому підприємстві планується утворити базу по ремонту дизелів типу 5Д49. З приходом на залізницю електричної тяги в експлуатації з'являється новий вид локомотивів електровози. З 1960 року по теперішній час електровози серії ЧС складають приписний парк депо "Жовтень", яке отримало назву електровозне. За цей період в старішому депо залізниці освоєні всі види ремонтів та технічного обслуговування локомотивів, у тому числі капітальний ремонт електровозів ЧС-2 та ЧС-7, що дозволило підвищити рівень технічного стану парка локомотивів та зекономити значні фінансові кошти залізниці. Подальша електрифікація дільниць Південної залізниці визвала необхідність реконструкції деяких депо, таких як Куп'янськ та Гребінка. В останньому, з урахуванням перспективи обслуговування електрифікованих дільниць електровозами серії ВЛ-80, виконана реконструкція цеху ТР-3. Також виконана реконструкція цеху ТРЗ в локомотивному депо Куп'янськ з перспективою виконання усіх видів ремонту електровозів серії ВЛ82. Нове тисячоліття вимагає нового підходу до перевезень, і яскравий приклад того, що локомотивне господарство продовжую розвиватись та вдосконалюватись - забезпечення швидкості в 140 кілометрів на годину прискореному комфортабельному поїзді Харків - Київ тепловозами ТЕП70 локомотивного депо Люботин. Структурні підрозділи служби локомотивного господарства: - Електровозне депо "Жовтень"; - Локомотивне депо Основа; - Локомотивне депо Полтава; - Локомотивне депо Кременчук; - Локомотивне депо Ромни; - Локомотивне депо Смородине; - Локомотивне депо Лозова; - Локомотивне депо Харків - Сортувальний; - Локомотивне депо Гребінка; - Локомотивне депо Куп'янськ; - Люботинські авторемонтні майстерні. 3.2 Локомотивне депо "Жовтень" На рис.3.1 зображено один из цехів локомотивного депо "Жовтень".
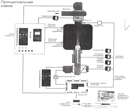
Рисунок 3.1 – Локомотивне депо "Жовтень" В 1869 році разом з початком руху поїздів на ділянці Бєлгород - Харків поруч зі станцією побудовані паровозні майстерні. Ці майстерні стали першим локомотивним підприємством Південної залізниці. Відкриті вони влітку 1869 р. Надалі підприємство перетворене в паровозне, а пізніше в електровозне депо "Жовтень" (з 1962 р.). З 1960 року по теперішній час електровози серії ЧС2 становлять приписний парк депо "Жовтень". Із цього ж року бригади депо повели вантажні поїзди по маршруту Харків - Белгород. На початку 1963 року колектив локомотивних бригад депо запропонував нову схему обслуговування пасажирського руху московського напрямку. Їхня ініціатива була схвалена МШС, і вже із травня того ж року на всьому протязі шляху від Москви до Іловайська електровози від пасажирських поїздів не відчіплювалися. Скоротилися зупинки пасажирських поїздів у Курську й Харкові, а в Лозовій вони пропускалися без затримки. В 80-90 р. у депо стали надходити нові потужні машини - пасажирські двосекційні електровози постійного струму ЧС7. Їхня максимальна швидкість дорівньює 180 км/годину. У найстаршому депо Південної залізниці освоєні всі види ремонтів і технічного обслуговування локомотивів, у тому числі капітальний ремонт електровозів ЧС2 і ЧС7, що дозволило підвищити рівень технічного стану парку локомотивів і заощадити значні фінансові засоби залізниці. 4. КОТЕЛЬНЯ ЛОКОМОТИВНОГО ДЕПО 4.1 Загальний стан Дільниця котельні розташована в південній частині міста Харкова на території електровозного депо "Жовтень". Межами ділянки є: з півдня, півночі та сходу – будівлі та споруди депо "Жовтень"; з заходу – залізничні колії. Рельєф ділянки спокійний. Місто Харків відноситься до II-В будівельно-кліматичного району. На дільниці розташовані: котельні з бункером мокрого зберігання солі, димова труба, продувочний колодязь. В котельні встановлено два парові котли типу МЕ-4-1,4-ГМ, працюючих на природному газі. Встановлена потужність в котельні 8 т/год пари або 4,48 Гкал/год. Разом з котлами в котельні встановлена хімводоочистка з чотирма натрій катіонітовими фільтрами діаметром 1000 мм і солерозчинником. Відведення димових газів здійсняється в металічну димову трубу діаметром 800 мм, висотою 31,815 м. Дегазація живильної води відбувається в атмосферному деаераторі ДА-15. Повернення конденсату з виробництва здійснюється в деаератор. Для пом’якшення води передбачено двохступінчате натрій-катіонування в чотирьох фільтрах. Накопичення живільної води в ємкості 6,3 м3 . Поставлення солі автотранспортом, до бункеру вологого зберігання солі. Передбачена утилізація конденсату випару, який надходить до охолоджувача випару. 4.1.1 Газопостачання Постачання газу до котельні здійснюється від внутрішньої мережі по газопроводу середнього тиску Р = 2 кгс/см2 (Рmin = 1 кгс/см2 ). Зниження тиску газу з Р = 2 кгс/см2 до Р = 0,4 кгс/см2 здійснюється в запроектованій ГРУ, розташованій на другому поверсі в добудованому приміщенні до котельні. ГРУ обладнано фільтром ФСС-50, лічильником газу ЛГК-150-400-6,3, запобіжним запірним клапаном ПКН-100, регулятором тиску РДУК-2-50, запобіжним клапаном ПКС-50С. Котли обладнані системою автоматики зі щитом ШДЕ-6. Річна витрата газу – 900 т.у.п. (776 тис.м3 /рік). Продування газопроводів перед пуском котла – через продувні свічки в атмосферу. На газоходах котлів передбачене встановлення газоаналізатору кисню та термометра для замірів температури відхідних газів. 4.1.2 Архітектурно-будівельна частина Проект "Котельні електровозного депо "Жовтень" Південної залізниці розроблено для будівництва в II-В кліматичному районі згідно СНіП 2.01.01-82. Розрахункова зимова температура зовнішнього повітря згідно СНіП 2.01.01-82 – 23 ºС. Нормативне навантаження згідно СНіП 2.01.07-85: Повітряне – 30 кг/м2 для II повітряного району. Снігова – 70 кг/м2 для II снігового району. Клас будови – II. Ступінь вогнестійкості – II. Згідно технологічному звіту про інженерно-геологічні пошуки, виконані інститутом "Укрзалізницяпроект" в 1998 р. Основами фундаментів є ґрунти шару "2" – суглинок жовто-сірий, зеленувато-сірий, напівтвердий. Ґрунтові води скриті на глибині 2,3-2,5 від поверхні землі і можуть підійматися на 1,0 м вище зафіксованого рівня. Глибина промерзання ґрунтів – 1,5м. Розміри і майданчики технологічних приміщень прийняті на підставі норм розміщення обладнання. Санітарно-побутові приміщення розраховані згідно СНіП 2.09.04-87. Будівля котельні складається з існуючої частини та добудови. Існуюча частина має розміри 13,28 * 20,13 * 6,45 м. Добудована частина має розміри 5,7 * 17,0 * 8,2 м. Будівля котельні зроблена з цегли. В існуючій частині передбачені нові побутові приміщення. Добудована частина запроектована за змішаною схемою: каркасною і з несучим уздовж ними і поперечними стінами. Просторова жорсткість будівлі забезпечується спільною роботою стін і плит перекриття. Зв’язок стін і плит перекриття здійснюється шляхом приварки закладних деталей плит покриття до закладних деталей монолітного поясу. Зовніш ні та внутрішні стіни вироблені із силікатної цегли (ГОСТ 379-79), перегородки зі звичайної глиняної цегли (ГОСТ 530-80), балки, колони та сходи – металічні. Покрівля котельні – рулонна, з трьох шарів руберойду, утеплювач керамзитобетон 600кг/м3 . 4.1.3 Електротехнічна частина Електротехнічна частина виконана згідно з: СНіП 3.05.06-85 – електротехнічні пристрої; ГОСТ 32-9-81 – норми штучного освітлення об’єктів залізничного транспорту. ПУЭ-85 – правил устрою електроустановок. Електропостачання об’єкта розроблено на підставі технічних умов, виданих службою електропостачання Південної залізниці №54/506 від 20.05.98 р. Встановлена потужність – Ру = 122 кВт. Розрахунковий струм – I = 140,7 А. Категорія електропостачання – II. Джерело електропостачання – ТП-36. Електропостачання котельні здійснюється від РУ-0,4 кВ трансформаторної підстанції ТП-36. Низьковольтний кабель запроектовано з розрахунком проектних навантажень і падіння напруги в електроприймачах. Основними електроприймачами є електроприводи технологічного та санітарно-технічного обладнання. Для живлення електроприймачів проектом передбачені силові розподільні шафи серії ПР 8504 з автоматичними вимикачами на фідерах, що відходять. Живильні та розподільні мережі виконано кабелями марки АВВГ – 0,66. Для управління електроприводами запроектовані ящики управління серії Я 5000. Захист електродвигунів механізмів від перевантажень забезпечується тепловими реле магнітних пускачів ящиків управління, від короткого замикання – автоматичними вимикачами. Управління приводами здійснюється кнопками управління з ящиків Я 5000, а також в автоматичному режимі. В якості джерела освітлення використані світильники з лампами накалювання. Напруга мережі робочого та аварійного освітлення 220 В, ремонтного освітлення – 36 В, освітлення вимірювальних приладів – 12 В. В проекті в якості групового щитка прийняті щитки серії ПР, для аварійного освітлення – автоматичний вимикач АП50Б-ТМ. Тип і кількість світильників прийнято з урахуванням призначення приміщень та норм освітлення. Проводка в котельній залі виконана кабелем марки АВВГ – 0,66, в інших приміщення проводом АППВ скрито під штукатуркою і в порожнинах перекриттів. Приміщення котельні по категорії пожежі небезпечності відносяться до другої категорії. Блискавка захист димової труби вистою 31,8 м забезпечує захист котельні від прямих попадань блискавки. Блискавка відвід димової труби з’єднаний з заземлюючим контуром електроустановок котельні. Опір пристрою, що заземляє котельню R =100 м. Для захисту будівлі від вторинних появлень блискавки передбачені наступні міри: 1. Металічні корпуси всього обладнання встановлені в захищеній будівлі котельні приєднані до контуру заземлення. 2. Усередині котельні між трубопроводами та іншими протяжними конструкціями в місцях їх зближення на відстань менше 10 см, через 30 см зроблені перемички. 4.2 Опис парового котла МЕ - 4,0 – 1,4 ГМ Паровий котел МЕ – 4,0 – 1,4 ГМ, призначений для виробу насиченої пари, яка використовується для технологічних потреб промислових підприємств, на теплопостачання систем опалення, вентиляції та гарячого водопостачання. Котел паровий МЕ – 4,0 – 1,4ГМ – двобарабанний, вертикально водотрубний з нормальною циркуляцією. Основною частиною котла є трубна система, яка складається з двох основних частин: конвективної і радіаційної. Конвективна частина являє собою верхній і нижній барабани, які розташовані один над другим і з’єднані між собою пучком труб. Радіаційна частина трубної системи сполучена "С"-подібними трубами, які знаходяться на осі барабанів збоку конвективного пучка. Ці труби та перший ряд конвективного пучка організують топкову камеру. Труби, екрануючі задню стінку топки, вварені в верхній і нижній колектори і організують задній екран топкової камери. Труби топкової камери і колектору заднього екрану вводяться в верхній і нижній барабани та з’єднуються з ними на зварці. Фронт топки виконаний у вигляді повітроохолоджувальної панелі, в центральній частині якої встановлена фурма газомазутної горілки. Для вирівнювання теплового навантаження промінеприймаючої поверхні кути топкової камери скошені, з фронту три труби, з задньої частини топки десять труб, крок зносу кожної труби відносно подовжній осі топки 64 мм. Виконання зносу топки в задній частині дозволяє пристосувати задній екран з 8 труб, що дає можливість покращити циркуляційну характеристику контуру. Ширина топкової камери 1700 мм по вісьям труб. Крок бокових екранів, стелі та споду 55 мм. Діаметр труб топки і конвективного пучка 51*3 мм. Кінці "С" – подібних труб в місцях вводу в барабан розведені. Крок труб бокового екрану в місцях скосу 84 мм, а заднього екрану 82 мм. Газощільність топкової камери досягається за допомогою вварки проставок завтовшки 5 мм на зносах топки і приварки прутків діаметром 10 мм між трубами з кроком 5 мм. Під топки, верхній і нижній барабани зі сторони топки покриті шаром шамотної цегли. Мембрани в місцях розводки труб покриті шаром вогнетривкого бетону. Повітроохолоджувальна панель топки покрита шарами шамотної смоли та діатомітової цегли. В верхній частині доронтової панелі встановлений вибуховий клапан. Проникнення в топкову камеру здійснюється через лаз, встановлений в нижній частині панелі. В конвективний пучок продукти згорання палива потрапляють через зазори між трубами першого ряду пучок в задній частині топки. Конвективний пучок виконаний коридорно розташованими вертикальними трубами діаметром 51*3 мм, ввареними в верхній і нижній барабани. Крок труб пучка по барабану 90мм, поперечний крок 95 мм. Для підтримування необхідного рівня швидкості газів в пучку один ряд труб виконаний з ввареними проставками. Таким чином конвективний пучок двоходовий по проходженню газів. В усіх типорозмірах котлів цієї серії діаметр верхнього барабану 1000 мм, нижнього 800 мм. Товщина стінок обох барабанів 26мм. Для доступу в середину барабанів в передньому та задньому днищі кожного з них влаштовані лозові отвори. На зовнішній поверхні верхнього барабана приварені патрубки для встановлення запобіжних клапанів, головного парового вентиля, вентилів для відбору проб пари, відбору на власні потреби, введення живильної води. Всередині верхнього барабана розташований сепараційний пристрій та перфорована труба подавання живильної води. В якості сепараційного приладу використані відбійні щитки, які направляють козирки (прилад первинної сепарації), сталеві дірчасті листи і жалюзійні сепаратори зі сталевими дірчастими листами (вторинний сепараційний пристрій). Така конструкція сепараційних приладів забезпечує найбільш питомі навантаження барабана і найменше погіршення циркуляційних характеристик контурів котла при змінені котлової води. Для нагляду за рівнем води в верхньому барабані встановлені два водомірні скла. На передньому днищі верхнього барабана встановлені колона рівномірна і посудина роздільна для з’єднання з датчиками системи управління. В нижньому барабані розташовані перфорована труба для продувки, прилад для прогріву барабана при розтопленні і патрубок для спуску води. В котлах передбачена неперервна продувка із нижнього колектору заднього екрану. Для огляду топки в лівому боковому екрані і задньому екрані виконані оглядові отвори. Поставка котла у вигляді єдиного транспортного блоку дозволяє замкнути всі циркуляційні контури (за виключенням заднього екрану) безпосередньо на верхній і нижній барабани. Відсутність роблячих додатковий опір нижніх (роздаючих) та верхніх (збираючих) колекторів в контурах найбільш напружених в тепловому відношенні бокових екранів, значно збільшує надійність котлів. Опускною ланкою всіх контурів є слабо підігріті (останні по ходу газів) труби конвективного пучка. Трубна система котлів повністю газоплотна. Гіби труб а також спеціальні мембрани дозволяють зробити самокомпесацію температурних розширень котла. Температурні розширення котла в горизонтальній площині опори трубної системи на раму виконані з пазами. На фронтовій, задній і боковій частинах виконані з’єднювальні люки, дозволяючи здійснити ручну чистку конвективного пучка, спеціальними переносними обдувочними приладами при тиску пари не вище 0,7-1,0 МПа. На трубна теплоізоляція виконана з тепло ізолюючих плит завтовшки 80 мм і закріплена до трубної системи за допомогою само нарізних гвинтів. Такий спосіб кріплення ізоляції і обшивки дозволяє здійснити доступ до труб для огляду і ремонту. Опорна рама сприймає навантаження від елементів котла, працюючих під тиском котлової води, а також каркасу, на трубної ізоляції і обшивки. Навантаження від елементів котла, працюючих під тиском, і котлової води передається на опорну раму через нижній барабан. На котлах встановлені газомазутні пальники типу ГМ. Основними вузлами пальників ГМ є: форсунковий вузол газова частина і повітронаправляючий пристрій. В форсунковий вузол пальника входе паромеханічна форсунка і пристрій з захлопками для встановлення змінної форсунки без зупинки котла. Основна форсунка встановлюється по осі пальника. Змінна форсунка вимикається на короткий час, необхідний для чистки або заміни основної форсунки. Паромеханічна форсунка складається з корпуса з паровими та паливними штуцерами, ствола і розпилюючої голівки – основного робочого вузла форсунки. Мазут підводиться по внутрішній трубі ствола, по втулці і через розподільну шайбу потрапляє в канали паливного завихрювала. Пара на завихрення і розпил проходе по зовнішній трубі стволу, по щілинам між накидною гайкою і втулкою і потрапляє в канали парового завихрювача. Повітро направляючий пристрій пальника типу ГМ складається з повітряного коробу, осевого завихрювала повітря і конусного стабілізатора. Лопатки осьового завихрювача – профільні, встановлені під кутом 45о до осі пальника. Пальники є вихровими, тобто практично вся кількість повітря проходе через завихрювач. Фурма пальників виконана з кутом розкриття 50о . Повітря від дуттьового вентилятора, встановленого за котлом, через повітровід, потрапляє знизу в повітроохолоджуючу фронтову панель. Для повного охолодження панелі в ній встановлено розсікач, який ділить потік повітря на два потоки. Потоки повітря, розвернуті в панелі на 180о , потрапляє на лопатки всього завихрювала пальника. При розтопленні котла на мазуті можливий перелив палива на розсікач повітря. Щоб запобігти попаданню мазуту на розсікач в нижній його точці виконаний дренажний патрубок. Він виведений на зовнішню частину панелі і закінчується заглушкою. Після розтоплення котла на мазуті належить зняти заглушку та здренувати залишки мазуту з розсікача. На повітроохолоджуючій панелі котлів крім фурми пальника встановлені взривний клапан і нижче фурми пальника – люк для доступу в топку. Майданчики котлів МЕ розташовані на місцях, необхідні для обслуговування арматури і гарнітури котла. Основні майданчики котлів: 1. Фронтовий майданчик для обслуговування водопоказних приладів, запорної арматури на сигналізаторах рівня. 2. Верхній майданчик для обслуговування запобіжних клапанів і запорної арматури на барабані котла. На фронтовий майданчик ведуть сходи з полу котельні, а на верхній майданчик сходи з фронтового майданчика. Газощільність трубної системи котла дозволяє експлуатувати його під наддувом. Котли обладнані стаціонарними обдувочними приладами. Апарат парової обдувки призначений для профілактичної зовнішньої очистки конвективної поверхні нагріву від рихлих відкладень золи. Обдувочним агентом слугує пара тиском 1,3 МПа, відбираєма з верхнього барабану котла. Подача обдувочного агента з поверхні нагріву котла здійснюється за допомогою багато соплової труби. Причини аварійної зупинки котла - рівень води високий; - рівень води низький; - розрідження в топці низьке; - тиск повітря перед пальником низький; - тиск пари в барабані високий; - димосос не працює; - вентилятор не працює; - немає полум’я запальника; - комплект контролю полум’я несправне; - температура газів, що відходять висока; - робочий тиск газу низький; - нещільність головного відсікача газу; - нещільність робочого відсікача газу; - тиск газу перед пальником низький; - тиск газу перед пальником високий; - датчик тиску газу перед пальником несправний; - головний відсікач газу не відкритий; - електрозасувка газу не закрита; - клапан рециркуляції мазуту не закритий; - клапан-відсікач мазуту не відкритий. Таблиця 4.1 Технічні показники котла
4.3 Розрахунок споживання палива для цехів електровозного депо Так як в даному дипломному проекті планується зробити перехід декількох виробничо-ремонтних цехів з центрального опалення на інфрачервоне опалення, необхідно зробити розрахунок витрат теплоти і палива згідно наказу від 25.04.2003 №117-Ц "Інструкції з нормування витрат тепла і палива для стаціонарних установок залізничного транспорту". Норму витрат теплоти і палива для опалення і вентиляції розраховують індивідуально для кожної будівлі окремо. При цьому їх необхідно розподілити на такі групи: - з центральним опаленням при централізованому теплопостачанні; - з центральним опаленням при індивідуальній котельні; Крім того, при нормуванні будівлі розподіляють: -виробничі (у тому числі з регулярним вводом і виводом рухомого складу); -невиробничі (житлові, суспільно-комунальні й адміністративні). Для будівель з центральним опаленням при централізованому теплопостачанні від центральної котельні або від ТЕЦ нормують витрату теплоти, яка вимірюється на вводах в опалювальні системи із зовнішньої теплової мережі. У цьому випадку для встановлення норми витрати палива, що спалюється в котельні для опалення і вентиляції будівель, до витрати теплоти на вводах додаються втрати теплоти в мережі і таким шляхом визначають величину відпущеної і виробленої теплоти і нормальної пари, а потім нормативну витрату палива для даної котельні. Для будівель з центральним опаленням і індивідуальною опалювальною котельною, а також будівель із пічним опаленням норму витрати підраховують у кілограмах палива в умовному обчисленні (кг.у.п.). Норму витрати теплоти на опалення будівель невиробничого і виробничого призначення, при експлуатації яких не передбачається регулярне введення і виведення із приміщень рухомого складу, визначають як витрату теплоти на ліквідацію теплових втрат через зовнішні огородження з урахуванням інфільтрації. Для виробничої будівлі, при експлуатації якої регулярно здійснюється введення і виведення рухомого складу витрата теплоти на опалення складається з витрат теплоти на ліквідацію теплових втрат через зовнішні огородження (стіни) і витрат теплоти на зігрівання рухомого складу і відновлення в приміщенні температурного режиму, який порушується при відкриванні воріт для впускання і випускання рухомого складу. Норму витрати теплоти і палива для опалення і вентиляції кожної окремої будівлі визначають за характеристиками її опалювально-вентиляційного паспорту. Дані в опалювально-вентиляційному паспорті виробничої будівлі, пов'язані з режимом обслуговування та експлуатацією рухомого складу, повинні бути завірені керівником підприємства. Будівлі з центральним опаленням при централізованому теплопостачанні. Норму витрат теплоти, ГДж, або Гкал, на ліквідацію теплових втрат у будівлі (на вводі в опалювальну систему) визначають за формулою: Qвід =Vбуд * τ * (tВП -tСП СЕР )* qвід * kекс * kдоб * 10-6 (4.1) де Vбуд - розрахунковий зовнішній об'єм будівлі, обумовлений її паспортом,м3 ; τ - тривалість періоду, для якого розраховується норма, год; tВП - розрахункова внутрішня температура, °С; tСП СЕР - середня зовнішня температура за період, для якого розраховується норма, °С; qвід - теоретична питома опалювальна характеристика будівлі, кДж/год*м3 *°С, або ккал/год*м3 *°С; kекс - експлуатаційний коефіцієнт; kдо6 - коефіцієнт, що враховує змінність дії опалення. Значення tВП приймають за [2]. Якщо будівля включає до себе кілька приміщень з неоднаковими внутрішніми температурами, значення tВП приймають усереднене або об'єм будівлі розбивають на декілька об'ємів, які включають до себе приміщення з визначеними значеннями tВП . Розмір Qвід підраховують для кожної частини самостійно, а потім підсумовують. При розрахунку норми на майбутній період (місяць, квартал, опалювальний сезон) розмір tСП СЕР приймається за [2]. При розрахунку норми за визначений період величину tСП СЕР приймають по довідкам місцевої метеорологічної служби. Теоретична питома опалювальна характеристика будівлі qвід являє собою величину годинної теплової втрати через зовнішні огородження, піднесена до 1м3 розрахункового об'єму будівлі і до 1°С різниці внутрішньої і зовнішньої температур. Величина qвід приймається теоретично. До неї не включаються втрати теплоти від інфільтрації. Теоретична питома опалювальна характеристика будівлі qвід визначається за [2]у залежності від: - типу будівлі (виробниче чи невиробниче); - середньої зовнішньої температури tСП СЕР ; - висоти або етажності і наявності верхнього освітлення; - матеріалу і товщини зовнішніх стін; -питомого зовнішнього периметра Р будівлі (тобто довжини периметру в метрах, віднесеного до площі забудови в квадратних метрах); - засклонованості будівлі w (тобто відношення сумарної площі усіх віконних і дверних прорізів до повної площі зовнішніх стін). Для виробничих будівель вище 10 м і всіх невиробничих будинків ступінь засклонованості визначають на підставі безпосередніх вимірів і заносять у паспорт будівлі. Експлуатаційний коефіцієнт kекс враховує вплив: - інфільтрації в залежності від середньої швидкості вітру; - системи опалення (парове, водяне, повітряне, змішане). Величина kекс залежить від типу будівлі, швидкості вітру і системи опалення. У [2] наведені значення kекс для виробничих і невиробничих будівель з центральним опаленням. Коефіцієнт kдо6 , що враховує змінність дії опалення визначається з [2]. Норма витрати теплоти на ліквідацію теплових втрат через огородження, визначена по формулі (4.1) для будівлі, не захищеної від дії найбільш сильних і тривалих вітрів, збільшується на 10%. Для нової збудованої будівлі на перший сезон експлуатації норма витрати теплоти (палива) збільшується додатково на 10%. При наявності проекту опалення будівлі (типового чи індивідуального) величина qвід може бути прийнята на підставі даних, приведених проектною організацією. Це повинно бути обумовлено і затверджено цією організацією для розрахунку норм витрати теплоти (чи палива) на опалення. Будівлі з центральним опаленням при індивідуальній опалювальній котельні.Норма витрати палива, т.у.п, для опалення будівель зцентральним опаленням при індивідуальній котельній розраховується за наступними формулами. Для твердого палива Ввід =0,23* Vбуд * τ * (tВП -tСП СЕР )* qвід * kекс * kдоб * 10-6 (4.2) Для мазуту і газу Ввід =0,20* Vбуд * τ * (tВП -tСП СЕР )* qвід * kекс * kдоб * 10-6 (4.3) де Ввід - норма відпуску палива, т.у.п. Будівлі з опаленням на твердому паливі. Норму витрати палива, т.у.п., для будівель з пічним опаленням за визначаємий період розраховують за формулою Ввід =5,5* Vбуд * τдоб * (tВП -tСП СЕР )* qвід * kекс * 10-6 (4.4) де Vбуд - зовнішній об'єм будівлі, м3 ; τдоб - тривалість періоду, для якого розраховується норма витрати палива, діб. Додаткові витрати теплоти на опалення для виробничих будівель пов’язаних з регулярним введенням і виведенням рухомого складу. Витрата теплоти, ГДж, або Гкал. на зігрівання рухомого складу визначають відповідно до планової кількості постановок у приміщення цеху(депо) кожноголокомотива (вагона) за період нормування і його повної теплоємності, яка залежить від тривалості перебування в приміщенні Qp.c. =∑(n*m*qp.c. )*(tВП -tСП СЕР ) * 10-6 (4.5) де n- число постановок секцій локомотивів (одиниць вагонів) у депо (цех), яке враховує тип і тривалість перебування їх в депо; qp.c - кількість теплоти, яка необхідна для зігрівання секції локомотива чи вагона за час перебування в приміщенні і віднесена до однієї секції (вагона) та до одного градуса різниці внутрішньої і зовнішньої температур; m- число секцій в обліковій одиниці рухомого складу. Значення qp.c , виражене в ккал/секц*°С (кДж/секц*°С), або ккал/ваг.*°С (кДж/ваг.*°С) приймають за [2], в залежності від роду і типу локомотива (вагона) і тривалості його перебування в приміщенні. Для локомотивів (вагонів) серій і типів, не зазначених у цих додатках значення qp.c приймають виходячи з паспортних даних конкретної одиниці з перерахуванням пропорційно їх ваги. Витрата теплоти, Гкал (ГДж), на відновлення температурного режиму в приміщенні, що порушується відкриванням воріт для введення і виведення рухомого складу, розраховують на одну постановку локомотива (вагона) в депо, а потім множать на кількість постановок за період. Витрати теплоти, Гкал (ГДж), на відновлення температурного режиму, віднесені до однієї постановки локомотива або вагона (вхід і вихід), тобто для дворазового відкривання воріт визначаються за формулою Qвід. ≈600*∑n*(tВП -tСП СЕР )*10-6 (4.6) де ∑n - число постановок у приміщення секцій локомотивів або вагонів різних видів і типів. Кількість теплоти, що витрачається на теплові завіси, встановлені на вхідних і вихідних воротах, чисельно дорівнює кількості теплоти, яке витрачається на відновлення температурного режиму. Розрахунок норм витрати теплоти на вентиляцію будівель. Норму витрати теплоти, Гкал (ГДж), для визначеного періоду на вентиляцію будівлі з центральним опаленням при централізованому теплопостачанні підраховують за формулою: Qвент =Vбуд * τдоб * τвент * (tВП -tСП СЕР )* qвент * 10-6 (4.7) де qвент - питома вентиляційна характеристика будівлі, ккал/год*м *°С (кДж/год*м3 *0 С). Значення qвент приймають за [2]. τвент - щодобова кількість годин діївентиляції, яка враховує добовий режим її експлуатації. Величина τвент не може бути більше офіційно встановленої кількості годин роботи. Для житлових будівель τвент =24 год/доб. Для будівлі з центральним опаленням при індивідуальній котельні, атакож для будівлі з пічним опаленням норму витрати палива в умовномуобчисленні, т.у.п., на вентиляцію на період визначають за наступними формулами: Для твердого палива Ввент =5,5* Vбуд * τдоб * (tВП -tСП СЕР )* qвент * (τвент /24) * 10-6 (4.8) Для мазуту і газу Ввент =4,8* Vбуд * τдоб * (tВП -tСП СЕР )* qвент * (τвент /24) * 10-6 (4.9) Таким чином згідно формул які наведені вище ми розраховуємо необхідну кількість тепла на опалення ремонтно-виробничих цехів депо. 4.3.1 Цех періодичного ремонту Дані для розрахунку: Кількість поверхів-1; Матеріал – Цегла; Товщ. стін – 2цегли; Внутрішня температура будівлі – 16 о С; Площа будівлі по зовнішньому обміру – 1618 м2 ; Об’єм будівлі по зовнішньому обміру – 13800м3 ; Середня висота – 8,5м; Зовнішній периметр будівлі – 189м; Відносний периметр будівлі – 0,12 Число годин роботі вентустановки – 6,4год; Число заходів локомотивів за опалювальний період і час їхнього перебування в будівлі: Електровози ЧС2 – 6 заходів по 48 час; ЧС7 – 3 -//-//-//- 96час; 118 -//-//- 24час; 118 -//-//- 12час; Кліматичні данні по Харківському вузлу: τ=189діб; tСП СЕР =-5,2о С; tН =-23о С;υср ветра =3,0 м/сек.;qвід =0,447; kекс =1,34;kсут =0,7[2]. Згідно формули (4.1) розраховуємо кількість тепла на опалення: Qвід =Vбуд * τ * (tВП -tСП СЕР )* qвід * kекс * kдоб * 10-6 = =13800*189*(16-(-5,2))*0,447*1,34*0,7*10-6 =23,2 Гкал Таблиця 4.2 Кількість заходів електровозів в зимовий період на ремонт в цех
Розраховуємо згідно формули (4.5) Qp.c. =∑(n*m*qp.c. )*(tВП -tСП СЕР ) * 10-6 = (6*1*12350 + 3*2*22230 + 57*1*12350 + 61*2*22230+59*1*10520+59*2*18936) =(16-(-5,2))*10-6 =137,35 Гкал Розраховуємо згідно формули (4.6) Qвос. =600*∑n*(tВП -tСП СЕР ) * 10-6 =600*490*21,2*10-6 =6,23 Гкал Розраховуємо згідно формули (4.7) Qвент =Vбуд * τдоб * τвент * (tВП -tСП СЕР )* qвент * 10-6 = 13800*0,1(21,2)*189*6,4*10-6 =35,4 Гкал Загальна кількість тепла: Qзаг = Qвід + Qр.с. + Qвос + Qвент = 23,2+137,35+6,23+35,4=202,18 Гкал 4.3.2 Підйомний цех Дані для розрахунку: Кількість поверх.-1; Матеріал – Цегла; Товщ. стін – 2цегли; Внутрішня температура будівлі – 18 о С; Площа будівлі по зовнішньому обміру – 1508 м2 ; Об’єм будівлі по зовнішньому обміру – 17643м3 ; Середня висота – 11,7м; Зовнішній периметр будівлі – 164м; Відносний периметр будівлі – 0,10 Площа віконних прорізів – 240м2 ; Ступінь засклонованості w=0.15 Число годин роботи вентустановки – 12,8год; Кліматичні данні по Харківському вузлу: τ=189діб; tСП СЕР =-5,2о С (табл.Д.23); tН =-23о С; υср ветра =3,0 м/сек.;qвід =0,269; kекс =1,37; kсут =0,85 [2]; Згідно формули (4.1) розраховуємо кількість тепла на опалення: Qвід =Vбуд * τ * (tВП -tСП СЕР )* qвід * kекс * kдоб * 10-6 = =17643*189*(18-(-5.2))*0.269*1.37*0.85*10-6 =24,2 Гкал Таблиця 4.3 Кількість заходів електровозів в зимовий період на ремонт в цех:
Розраховуємо згідно формули (4.5) Qp.c. =∑(n*m*qp.c. )*(tВП -tСП СЕР ) * 10-6 = 6*1*12350+7*2*22230(18-(-5,2))*10-6 =8,9 Гкал Розраховуємо згідно формули (4.6) Qвід. =600*∑n*(tВП -tСП СЕР ) * 10-6 = 600*26*(18-(-5,2))*10-6 =0,36 Гкал Розраховуємо згідно формули (4.7) Qвент =Vбуд * τдоб * τвент * (tВП -tСП СЕР )* qвент * 10-6 = 17643*0,1*(18-(-5,2))*189*12,8*10-6 =99 Гкал Загальна кількість тепла: Qзаг = Qвід + Qр.с. + Qвос + Qвент = 24,2+8,9+0,36+99=132,46 Гкал 4.3.3 Електромашинний відділ Дані для розрахунку: Кількість поверх.-1; Матеріал – Цегла; Товщ. стін – 2цегли; Внутрішня температура будівлі – 18 о С; Площа будівлі по зовнішньому обміру – 1706,25 м2 ; Об’єм будівлі по зовнішньому обміру – 17062,5м3 ; Середня висота – 10м; Зовнішній периметр будівлі – 165,5м; Відносний периметр будівлі – 0,097 Площа віконних прорізів – 240м2 ;Ступінь засклонованості w=0.1 Число годин роботи вентустановки – 6,4год; Кліматичні данні по Харківському вузлу: τ=189діб;tСП СЕР =-5,2о С;tН =-23о С;υср ветра =3,0м/сек.;qвід =0,391;kекс =1,34; kсут =0,8; Згідно формули (4.1) розраховуємо кількість тепла на опалення Qвід =Vбуд * τ * (tВП -tСП СЕР )* qвід * kекс * kдоб * 10-6 = =17062,5*189*(18-(-5,2))*0,39*1,34*0,8*10-6 =31,3 Гкал Кількість заходів електровозів ЧС2, ЧС7 в зимовий період на ремонт в цех: n=70 електровозів m=1 qп.с =7560ккал/секц*град. Розраховуємо згідно формули (4.5) Qp.c. =∑(n*m*qp.c. )*(tВП -tСП СЕР ) * 10-6 = 70*1*7560*(18-(-5.2))*10-6 =12.3 Гкал Розраховуємо згідно формули (4.6) Qвід. =600*∑n*(tВП -tСП СЕР ) * 10-6 = 600*70*(18-(-5,2))*10-6 =1.0 Гкал Розраховуємо згідно формули (4.7) Qвент =Vбуд * τдоб * τвент * (tВП -tСП СЕР )* qвент * 10-6 = 17062.5*0,15*(18-(-5,2))*189*6.4*10-6 =71.8 Гкал Загальна кількість тепла: Qзаг = Qвід + Qр.с. + Qвос + Qвент = =31.3+12.3+1.0+71.8=116.4 Гкал 4.3.4 Колісний цех Дані для розрахунку: Кількість поверх. – 1; Матеріал – Цегла; Товщ. стін – 2цегли; Внутрішня температура будівлі – 16 о С; Число годин роботи за добу – 8год; Число відкривання воріт – 70; Площа будівлі по зовнішньому обміру – 1074 м2 ; Об’єм будівлі по зовнішньому обміру – 11277м3 ; Середня висота – 10,5м; Зовнішній периметр будівлі – 147,7м; Відносний периметр будівлі – 0,14 Площа віконних прорізів – 170м2 ;Ступінь засклонованості w=0.15 Число годин роботи вентустановки – 6,4год; Кліматичні данні по Харківському вузлу: τ=189діб; tСП СЕР =-5,2о С; tН =-23о С; υср ветра =3,0 м/сек.;qвід =0,342; kекс =1,37; kсут =0,7; Згідно формули (4.1) розраховуємо кількість тепла на опалення Qвід =Vбуд * τ * (tВП -tСП СЕР )* qвід * kекс * kдоб * 10-6 = =11274*189*(16-(-5,2))*0,342*1,37*0,7*10-6 =14,8 Гкал Розраховуємо згідно формули (4.6) Qвід. =600*∑n*(tВП -tСП СЕР ) * 10-6 = 600*80*(16-(-5,2))*10-6 =1.0 Гкал Розраховуємо згідно формули (4.7) Qвент =Vбуд * τдоб * τвент * (tВП -tСП СЕР )* qвент * 10-6 = 11277*0,25*(16-(-5,2))*189*6,4*10-6 =72,3 Гкал Загальна кількість тепла: Qзаг = Qвід + Qр.с. + Qвос + Qвент = =14,8+1.0+72,3=88,1 Гкал 4.3.5 Цех ПТО локомотивів Дані для розрахунку: Кількість поверх. – 1; Матеріал – Цегла, стінові панелі; Товщ. стін – 2цегли; Внутрішня температура будівлі – 5 о С; Число годин роботи за добу – 8год; Число відкривання воріт – 70; Площа будівлі по зовнішньому обміру – 1152 м2 ; Об’єм будівлі по зовнішньому обміру – 13248м3 ; Середня висота – 11,5м; Зовнішній периметр будівлі – 144м; Відносний периметр будівлі – 0,125 Площа віконних прорізів – 320м2 ; Ступінь засклонованості w=0.2 Число годин роботи вентустановки – 19,2год; Згідно формули (4.1) розраховуємо кількість тепла на опалення Qвід =Vбуд * τ * (tВП -tСП СЕР )* qвід * kекс * kдоб * 10-6 = =13248*189*(5-(-5,2))*0,256*1,37*1*10-6 =8,9 Гкал Таблиця 4.4 Кількість заходів електровозів в зимовий період на ремонт в цех
Розраховуємо згідно формули (4.5) Qp.c. =∑(n*m*qp.c. )*(tВП -tСП СЕР ) * 10-6 = (1770*1*2000+1950*1*8658)*(5-(-5,2))*10-6 =208,3 Гкал Розраховуємо згідно формули (4.6) Qвід. =600*∑n*(tВП -tСП СЕР ) * 10-6 = 600*3296*(5-(-5,2))*10-6 =20,2 Гкал Розраховуємо згідно формули (4.7) Qвент =Vбуд * τдоб * τвент * (tВП -tСП СЕР )* qвент * 10-6 = 13248*0,25*(5-(-5,2))*189*19,2*10-6 =122,6 Гкал Загальна кількість тепла: Qзаг = Qвід + Qр.с. + Qвос + Qвент = 8,9+208,3+20,2+122,6=360 Гкал Розрахувавши всі наведені вище ремонтно-виробничі цеха ми можемо знайти загальну суму необхідного тепла для зігрівання всіх цих цехів. Qзаг.цехів = Qзаг.період. рем. + Qзаг.підйом.цех + Qзаг єлектр.цех + Qзагколісний цех + Qзаг.ПТО = =302,18+232,46+116.4+88,1+360=1099,14Гкал 4.4 Розрахунок споживання палива для будівлі відпочинку локомотивних бригад Розрахунок потреби палива зроблений відповідно до "Інструкції з нормування витрати тепла й палива для стаціонарних установок залізничного транспорту", затвердженої наказом Укрзалізниці № 117-Ц від 25.04.03р. Будівля - будинок відпочинку локомотивних бригад. Опалювальний період - 189 діб., гаряче водопостачання - 176 діб у літній період. tн =-230 С, tн ср =-5,20 С, Vср ветра =3,0м; Працює один котел НИИСТУ-5 ККД=67%. Питома норма витрати 213,0 кг.у.п. Паливо - вугілля. Характеристика будівлі: Число поверхів-2, матеріал стін-цегла, товщина стін-2 цегли, система опалення-водяна. tв =180 С; τраб =24години; tводы =900 С; Fзд =805м2 ; Нзд =8,2м; Vзд =6601м3 ; П=80,5; Р=0,1. Розрахунок витрати теплової енергії на обігрів будинку згідно формули (4.1) Qвід =Vбуд * τ * (tВП -tСП СЕР )* qвід * kекс * kдоб * 10-6 = =6601*189(18-(-5,2)*0,469*1,25*1*10-6 =16,96Гкал де qвід =0,469 ккал/год м3 . kэкс =1,25; kсут =1 Розрахунок витрати тепла на вентиляцію згідно формули (4.7) Qвент =Vбуд * τдоб * τвент * (tВП -tСП СЕР )* qвент * 10-6 = =6601*189*24(18-(-5,2)*0,25* 10-6 =173,66Гкал де qвент =0,25 ккал/час м3 град. Розрахунок витрати теплоти, Гкал/період (ГДж/період), за нормований період на гаряче водопостачання душових, умивальників і кранів для миття посуду визначають за формулою: Qг.в. =n* qгод *τ= =(4*16200*189+4*13500*176)* 10-6 =21,75Гкал(4.10) де qгод — питома норма витрати тепла на 1 годину роботи душової у ккал/година. qгод зимова =16200 ккал/година. qгод літня =13500 ккал/година. n - кількість душових сіток. τ - тривалість роботи споживачів за період. Знаходимо загальну витрату тепла: Qзаг =Qвід +Qвент +Qг.в. =16,96+173,66+21,75=212,37Гкал 4.5 Доцільність переводу парового котла в водогрійний режим У зв’язку з пошуком внутрішніх резервів економії паливно-енергетичних ресурсів і підвищення ефективності роботи установок котельних є доцільним реконструювати опалювальні котельні, обладнанні паровими котлами. Одним із шляхів реконструкції діючих котельних є перевід парових котлів на водогрійний режим роботи. В цьому випадку котлоагрегат видає замість пари гарячу воду потрібних параметрів і може бути включений в теплову мережу як напряму, так і через систему водяних теплообмінних апаратів для підігріву мережної води. Розширення паливно-енергетичної бази та одержання електричної і теплової енергії тісно пов’язані з загально-технічним прогресом. При цьому поряд з будівництвом нових потужних теплогенеруючих установок для покриття потреб в тепловій енергії підприємств і зростаючого житлового фонду широко використовується розширення, модернізація і реконструкція існуючих котельних установок, що дозволяє підвищити видобуток теплової енергії в необхідних межах і порівняно при невеликих витратах. Зараз більшість промислово-опалювальних котелень малої і середньої продуктивності з тиском робочого середовища від 1,3 МПа до 2,5 МПа обладнанні двохбарабанними паровими котлами типу МЕ. За своїми техніко-економічним показникам котли МЕ відповідають сучасним вимогам. Котлоагрегати МЕ мають наступні позитивні особливості: 1) в них проведена уніфікація окремих елементів і вузлів, що відповідає простоті всієї конструкції, це дозволяє організувати поточне виробництво в заводських умовах серіями по продуктивності і тиску; 2) вдало виконана компоновка парогенератора з універсальними топочними пристроями, що забезпечує можливість роботи на різних видах палива з високою економічністю при мінімальних затратах тяжкої ручної праці обслуговуючого персоналу; 3)розроблена і здійснена блочність виготовлення і транспортабельність котлів, що дозволяє постачати заказчику агрегат у зібраному вигляді або блоками в обмуровці, це дозволяє прискорити монтаж і здешевіти виробництво. Ці особливості забезпечили умовами при яких парові котли типу МЕ отримали широке розповсюдження. Масове використання котлів МЕ в опалювальних котельнях пов’язано з тим, що в 50-60 роках не був налагоджений масовий випуск водогрійних котлів малої та середньої продуктивності. Методика реконструкції парових котлів в водогрійні в ту пору не була розроблена, внаслідок чого будували тисячі опалювальних котелень з паровими котлами. В наш час в більшості випадків теплоносієм в теплових мережах є вода з температурою 150 °С в подаючих і 70 °С в зворотних трубопроводах. В цих умовах пара, генеруючи в котлоагрегатах, служить тільки проміжним теплоносієм, тепло яке використовується для нагріву води в спеціальних пароводяних теплообмінних апаратах. Зараз розповсюджені теплові схеми з окремими бойлерними установками. Спорудження і експлуатація бойлерних установок потребує капітальних витрат, наявності дефіцитних труб та інших матеріалів збільшує металомісткість і експлуатаційні витрати. Доцільність такої реконструкції обумовлено тим, що переведення котлоагрегатів на водогрійний режим дає можливість без значних затрат підвищити економію палива на 20% (при роботі на газі). Знижуються витрати електроенергії на власні потреби, відпадає необхідність у живильних насосах з електричним і паровим приводом, відпадає потреба проводити безперервну продувку. До теперішнього часу досвід експлуатації котельних установок, переобладнаних для роботи в водогрійному режимі, показує, що реконструкція котлів і переведення їх на понижені параметри роботи забезпечує високоефективну, стійку і надійну роботу, а також створює благо приємні умови для обслуговуючого персоналу. Реконструкція парових котельних установок спрощує загальну теплову схему, приводить до зменшення собівартості одиниці відпускаємої споживачу теплоти. Досвід реконструйованих котельних агрегатів показує, що працюючи на водогрійному режимі котли типу МЕ забезпечують безперебійне одержання мережної води розрахункової температури, високу надійність в роботі, гарно тримає задані режими, при цьому в процесі експлуатації відсутні гідравлічні удари. 4.5.1 Підготовка котлів до проведення робіт по переобладнанню При організації робіт по реконструкції парової котельні в водогрійну необхідно дотримуватися наступної послідовності виконання операцій: 1)ознайомлення з технічною документацією котельні, яка планується до переобладнання; 2) складання попереднього техніко-економічного обґрунтування; 3) вибір принципової схеми переобладнання та розробка проекту з урахуванням місцевих умов; 4) проведення зовнішнього та внутрішнього оглядів котлів, складання актів про кількість шламу та накипу, а також про виявлені механічні дефекти котлів і місцеву корозію; 5) організація очистки котлів від накипу і шламу, визначення кількості реагентів та їх доставка в котельню, проведення очистки; 6) проведення демонтажу вимірювальних приладів, арматури та трубопроводів. Демонтаж рекомендується починати з датчиків автоматичного регулювання. Потім демонтують арматуру, сепараційні щити і обв’язочні парові та дренажні трубопроводи, а також парові теплообмінники і насоси, які не будуть використовуватися при роботі в водогрійному режимі; 7) переобладнання економайзера. При цьому послідовне включення труб економайзера замінюється на паралельне включення по секціям; 8) монтаж обв’язочних (циркуляційних) трубопроводів по кожному котлу, а також мережних ділянок трубопроводів, що з’єднують допоміжне обладнання та насоси з котлами; 9) монтаж внутрішньо-барабанних перегородок; 10) монтаж спускників повітря та дренажних трубопроводів; заміна і установка на нових місцях запобіжних клапанів; монтаж вакуумного деаератора з допоміжним обладнанням, арматурою та автоматичними регуляторами; монтаж вимірювальних приладів і регуляторів, що забезпечують надійність та безпечність експлуатації котла в водогрійному режимі; промивка котла після переобладнання; гідравлічне випробовування котла на міцність та щільність; гаряче випробовування, наладка теплового режиму з перевіркою економічності роботи переобладнаного котла. 4.5.2 Підготовка котла до очистки Котел, що підлягає очистці, підлягає ретельному огляду і складається акт його стану внутрішньої поверхні (товщина шару відкладень, корозія та інше). Особливу увагу приділяють огляду клепаних швів та вальцовочних з’єднань. При огляді із різних місць відбирають проби відкладень для хімічного дослідження складу. Необхідно звернути увагу на забезпечення щільності комунікаційних ліній, зварних швів, фланцевих з’єднань та сальників насосів. Після огляду котла його опресовують на робочий тиск. При виявлені нещільності у швах останні підварюють. Ліквідовують також виявлені нещільності в лючках, фланцевих з’єднаннях. Із колекторів, грязевиків, барабанів та інших вузлів видаляють шлам і відпавши куски накипу. Перед початком очистки повинна бути змонтована кислото промивочна апаратура. Перед проведенням очистки на котлі виконують наступні роботи: відглушають частини котла, які не підлягають очистці, заглушками або дерев’яними пробками; відглушають водовказуючі колонки, знімають запобіжні клапани, а їх штуцера залишають відкритими; відглушають котел, що промивається, від інших котлів; збирають всю промивочну схему і перевіряють пробовідбірні точки, а також спускні та дренажні лінії; провіряють роботу кислото промивочного насоса на гарячій воді, після чого перекачують технічну кислоту в мірний бак. Промивочний бак заповнюють водою, одночасно в нього вводять із мірного бака розрахункову кількість кислоти. Включають насос і перекачують в агрегат розчин, підігріваючи його до потрібної температури у виносному електричному підігрівачі. Котлоагрегат заповнюють до тих пір, поки розчин із зворотної лінії не почне поступати в промивочний бак, в якому після наповнення котла залишається 2/3 об’єму розчина. Якщо кислота не інгібірована, замедлювач вводять разом з концентрованою кислотою в промивочний бак. Наповнення котла розчином кислоти з урахуванням приготування розчину та його нагріву не повинно перевищувати 3 години. У випадку необхідності використання фтористих солей (для видалення силікатного накипу) останні поступово вводять в очищаємий агрегат разом з кислотним розчином. Для цього розрахункову кількість сухої фтористої солі висипають невеликими порціями вручну в промивочний бак. При очистці хромовою кислотою, хромовим ангідридом (СrО3 ), який знаходиться в твердому вигляді, останній поступово розчиняють водою в промивочному баці. Для перемішування розчину вмикають насос "на себе". Після розчинення всього хромового ангідриду перекачують розчин в котел. Потім насос зупиняють, приготовляють нову порцію кислоти і, ввімкнувши насос, знову перекачують рідину в котел. Так роблять до тих пір, поки котел не буде повністю заповнено, а розчин по зворотній лінії не почне повертатися в промивочний бак. Після заповнення котла розчином кислоти насос не вимикають і циркуляцію продовжують на протязі часу, заданого для очистки поверхні котла. Якщо розчин підігрівається паром, то під час циркуляції витрату пари регулюють з таким підрахунком, щоб температура розчину під час очистки підтримувалась на заданому рівні (50-60°С). Концентрацію кислотного розчину під час очистки котла контролюють кожні 15-20 хвилин. Проби на аналіз беруть із пробовідбірника на всмоктуючому трубопроводі та на зворотній лінії, тобто до і після промиваємого агрегату. Якщо кислотність робочого розчину знижується за рахунок розчинення відкладень (на протязі одної години на 2-3 % від першопочаткової), то в промивочний бачок добавляють концентровану кислоту. Очистку проводять до тих пір, поки кислотність розчину перестане суттєво змінюватись. Якщо кислотність розчину знижується в процесі промивки незначно, це вказує на погану розчинність відкладень. В цьому випадку кислотну очистку потрібно проводити на протязі максимально допустимого часу. Як тільки на основі перевірки контрольного зразка час перебування кислоти в котлі буде признано достатнім, відкривають дренажний вентиль. Водою витісняють розчин кислоти в дренаж до тих пір, поки із пробовідбірника на зворотній лінії вода перестане давати з метилоранжем кислу реакцію. Після цього вимикають насос, закривають засувку та спускають всю воду із котла в дренаж. Після спорожнення котла закривають дренажну засувку і приступають до обробки котла лугом. Спуск розчину кислоти в дренаж проводять з дозволу Санепідемстанції. До спуску кислоти дренажний приямок заповнюють кусками вапняного каміння. Після спускання розчину кислоти дренажний приямок промивають водою. 4.5.3 Тепловий розрахунок котлоагрегату МЕ-4-1,4ГМ Схема переводу котла типу МЕ-4-1,4ГМ на водогрійний режим роботи показано на рис. 4.1. По цій схемі потік води направляється спочатку в економайзер, а потім в нижні колектори бокових екранів. Після транспортування води через екранні труби і передню частину верхнього барабана котла потік води по необігріваємому трубопроводу направляється в нижній барабан, звідки піднімається по трубам конвективного пучка. В котлах типу МЕ-4-1,4ГМпо ходу продуктів згорання знаходиться 17 рядів труб конвективного пучка, а поперек газового потоку - 20 труб. Потік води транспортується спочатку через 160 підйомних труб, потім розвертається в верхньому барабані на 180° і опускається по восьми трубам дев’ятого ряда в нижній барабан (інші труби дев’ятого ряда видаляються, а отвори в барабанах заглушаються коротишами). Після розвороту води в нижньому барабані на 180° вода транспортується в верхній барабан по 160 трубам конвективного пучка. Із середньої частини верхнього барабана вода подається в теплову мережу.
1.Трубопровід води із теплової мережі; 2.Економайзер; 3.Колектори бокових екранів; 4.Верхній барабан; 5.Вода в теплову мережу; 6.Суцільні перегородки;7.Нижній барабан. Рисунок 4.1 Схема переводу котла типу МЕ-4-1,4ГМ на водогрійний режим роботи Визначаємо теплопродуктивність котла МЕ-4-1,4ГМ на паровому режимі:
де в – паропродуктивність котла в номінальному режимі роботи; iж. п - ентальпія насиченої пари (194,13 o C) іж.в - ентальпія живильної води (100 o C) gпр - Процент продувки котла (3%). iкіп - Ентальпія котлової води Визначаемо повну витрату палива (яке подається в топку)
де Qp p - Кількість привернутої теплоти палива37297,26(кДж/нм3 ) ηк.а. - ККД котельного агрегату; Визначаємо теплопродуктивність котла МЕ-4-1,4ГМ, переведеного на водогрійний режим роботи, по формулі, кДж/год: Qка = G ( I´´ - I´ ) к (4.13) де G – паропродуктивність котла в номінальному режимі роботи, 4000 кг/год; I´´ - ентальпія насиченої пари при тиску в барабані котла 1,4 МПа. I´´ =2567,32 кДж/кг; I´ - ентальпія живильної води при t°=70 °С. I´ =294 кДж/кг; к – коефіцієнт, який враховує збільшення теплопродуктивності котла припереведенні його на водогрійний режим, к=1,3. Qка = 4000 (2567,32- 294) 1,3 =11821264 кДж/год Визначаємо витрату води через котел, переведений на водогрійний режим роботи, кг/год: G´ =Qка /(Iвих - Iвх )(4.14) де Iвх – ентальпія води на вході в котел, кДж/кг; Iвих – ентальпія води на виході з котла Iвих =632 кДж/кг. G´ =Qка /(Iвих - Iвх )=11821264/(632-294)=34974=34,9(т/год) Визначаемо повну витрату палива в водогрійному режимі:
де Qp p - Кількість привернутої теплоти палива 37297,26(кДж/нм3 ) ηк.а. - ККД котельного агрегату; 4.6 Встановлення на котел сучасного пальника Всі попередні роки для спалювання палива в топках ДЕ (ДЕВ), КЕ (КЕВ), ДСЕ, Е, МЕ, КВЕ котлів застосовувалися російські реєстрові пальники ГМГм, ГМ, ГМП і РГМГ. Дані пальники працюють за принципом дифузійного змішування, коли турбулізація й закручування потоку повітря досягається шляхом установки в пальники лопаткового регістра. Практична багаторічна експлуатація пальників показала як позитивні, так і негативні особливості їхньої роботи. Приведемо деякі приклади. - Закручування потоку повітря різко скорочує підготовчу стадію горіння (підігрів і запалення палива) і активно сприяє догоранню коксових часток. Одночасно із цим виникає значна нерівномірність розподілу теплових потоків по довжині смолоскипа. При роботі пальників ГМ максимум випромінювання розташований у головній частині топки. У міру вигоряння палива теплові потоки знижуються й наприкінці топкової камери в 2-2,5 рази нижче первісних потоків. Коефіцієнт теплової ефективності екранів на початку топки становить 0,68-0,64 при середньому значенні 0,44-0,576. - Величина максимальних теплових потоків і їхнє місце розташування визначає вимоги до параметрів і умов роботи середовища в циркуляційному контурі котла. - Температура в локальній зоні горіння перевищує граничний рівень (1550°С), після якого починається інтенсивне окислювання атомарного азоту. Зміст NOх у газах, що йдуть, перевищує 500 мг/м3 . - Недосконалість підведення повітря в реєстрову частину пальника приведе до значної швидкісної й видаткової нерівномірності на виході з пальника. Горіння затягається й порушується симетрія факела щодо осі котла. Коефіцієнти надлишку повітря набагато перевищують розрахункові величини, має місце торкання факелом задньої стінки котла й затягування факела в конвективний пучок. - Для розпилення рідкого палива в реєстрових пальниках використовуються паро-механічні форсунки, що вимагає додаткової витрати пари на власні потреби. Основним недоліком паромеханічних форсунок є зміна зовнішньої форми й внутрішньої будови факела зі зміною тиску подачі палива. При незмінній епюрі розподілу швидкостей повітряного потоку зміна характеристик паливного факела приводить до якісного погіршення спалювання палива. - Рівень автоматизації керування процесом спалювання палива обмежується тільки захисними функціями. Російські виробники пальників останні десятиліття практично не проводили роботи з модернізації й автоматизації процесів спалювання на своїх пальниках. З початку 90-х років минулого сторіччя почалося активне просування на ринок сучасних пальників різних європейських і світових виробників. Дані пальники були призначені в основному для імпортних і російських жаротрубних котлів, і до кризи 1998 року увага європейських виробників пальників до російських водотрубних котлів було незначне. Спроби застосування сучасних закордонних пальників на котлах Бійського котельного заводу зіштовхувалися з постійною проблемою невідповідності габаритів факела розмірам камери згоряння котла. У Європі в даний момент практично відсутнє виробництво водотрубних котлів і тому всі пальники розробляються й виробляються для роботи з надувними жаротрубними котлами. По своїх технічних характеристиках стандартні європейські пальники є длинно факельними, і вони не можуть працювати на водотрубних котлах з короткими топками, що працюють під розрядженням. На практичних прикладах підтвердилися теоретичні припущення, що жодний європейський пальник, створений для роботи на жаротрубних котлах, не зможе вивести водотрубний котел типу Е, ДЕ, ДКВР, МЕ на номінальну потужність. Зміна економічної ситуації після кризи 1998 року й значне збільшення зацікавленості Замовників у купівлі звичних і доступних котлів Бійського котельного заводу зажадало від заводу Weishaupt і компанії РАЦИОНАЛ оперативних заходів щодо адаптації пальників до водотрубних котлів. В 2000 році компанія РАЦИОНАЛ, ексклюзивний представник фірми Weishaupt у Росії, і інститут досліджень і розвитку при заводі Weishaupt затвердили нову програму по модернізації й адаптації пальників Weishaupt до котлів Бійського котельного заводу. Протягом декількох років необхідно було вирішити наступні завдання: - Розробка, випробування й серійне виробництво нового змішувального пристрою для рівномірного розподілу факела пальників по обсязі камери згоряння в коротких топках водотрубних котлів. - Досягнення оптимально низьких емісійних показників при спалюванні різних видів палива й стабільної автоматизованої роботи пальників у всьому діапазоні потужності водотрубних котлів. - Впровадження з 2005 року в серійне виробництво нових пальників з коротким факелом для всіх типорозмірів котлів. Від ідеї до впровадження в серійне виробництво (2003).
Із цього моменту розробка прототипів і основних проектних рішень стали виконуватися в Росії. Це значно прискорило роботи: з'явилася можливість для кожного типорозміру пальників розробляти одночасно кілька варіантів досвідчених змішувальних пристроїв. Під кінець року їхнє виготовлення також було організовано в Росії. Роботу російських фахівців координував Інститут досліджень і розвитку заводу Weishaupt. У середині року в котельню Бійського заводу був доставлений мазутний пальник RMS70 для випробувань на котлі ДЕ- 10-14. На даному котлі планувалося випробування декількох варіантів змішувальних пристроїв для важкого рідкого палива. Для спалювання мазуту потрібно великий топковий простір, тому від нового виконання пальників було потрібно максимально розширити смолоскип і використовувати ширину й висоту топки котла. На випробуваннях пальників G11 і RGL11 на котлі ДЕ-6,5 у місті Кемерово були перевірені три досвідчених варіанти змішувального пристрою SF. Випробування проводилися в модульованому режимі на всіх експлуатаційних потужностях котла на газі й на дизельному паливі. У результаті був обраний пристрій 2SF, що надалі допрацьовувався для пальників типорозмірів G, GL,RL, L 7-11. Факел горіння палива при використанні пристрою 2SF, рівномірно розподіляючись по топці, не торкався стінок водотрубного котла. У результаті випробувань були досягнуті наступні показники: на газі ККД - 93%, викиди NOх - 85 мг/м3 і на дизельному паливі ККД - 91%, викиди 160 мг/м3 . 2004 рік Протягом усього року тривала цілеспрямована робота з остаточної доробки нових виконань змішувального пристрою 1SF і 2SF для короткого факела. Оскільки завдання по адаптації факела до топок водотрубних котлів було практично вирішене, основна увага приділялася рішенню завдань стабільного підпалу пальників і якісному спалюванню палива на всіх експлуатаційних режимах роботи котла з досягненням максимально можливого діапазону модульованого регулювання пальників. У котельні Бійського заводу інженерна група з Інституту досліджень і розвитку заводу Weishaupt завершила випробування мазутного пальника RMS70 на котлі ДЕ-10. Отримано наступні результати при роботі на мазуті: З - 0-3 ррм/мз, залишковий кисень - 3, 5-4,5%, сажа - 1-3, ККД котла - 90%, діапазон регулювання - 1:7. Бійський котельний завод видав фірмі Weishaupt і компанії РАЦИОНАЛ офіційне узгодження на застосування пальників Weishaupt з котлами (ДЕ, ДКВР і іншими котлами), був підписаний спільний Сертифікат якісної відповідності продукції Weishaupt і котлів Бійського заводу. Переваги застосування пальників Weishaupt на котлах Бійського котельного заводу До середини 2005 року закінчені випробування по адаптації пальників до водотрубних котлів Бійського котельного заводу. З 2005 року починається серійне виробництво пальників виконання SF для всіх основних типорозмірів котлів ДЕ й ДКВР. Робочій і інженерно конструкторській групі, що успішно виконала завдання, поставлені в програмі 2001 року, позначені наступні завдання по аналізу роботи адаптованих пальників Weishaupt, моніторингу процесів експлуатації котлів і, при необхідності, подальшій оптимізації роботи пальників на водотрубних котлах. Протягом чотирирічної спільної роботи фахівців заводу Weishaupt, компанії РАЦИОНАП і Бійського котельного заводу було проведено 38 штатних випробувань нових пальників на різних типах водотрубних котлів, розроблене й виготовлено 54 варіанта пробних змішувальних пристроїв. Бюджет витрат по цих роботах за чотири роки склав близько 1 млн. 200 тис. Євро. Накопичено значний обсяг практичних експлуатаційних результатів, які дозволяють реально відчути нижченаведені переваги застосування пальників Weishaupt у порівнянні з аналогами на котлах Бійського котельного заводу: 1. Економія енергоресурсів (паливо й електроенергія) 2.Зниження втрат тепла з газами, що йдуть, і неповнотою згоряння палива, як наслідок, збільшення ККД на 2,5-3%; 3. Застосування систем плавного, частотного й кисневого регулювання; 4. Збільшення діапазону регулювання (у середньому 1:7); 5. Відсутність підтікання рідкого палива за рахунок конструктивних особливостей форсунок; 6. Зменшення витрати пари на власні потреби (сажеобдувка, розпил рідкого палива та інше). 7. Застосування систем мікропроцесорного регулювання; 8. Поставка пальників із шафами керування й безпеки котла; 9. Можливість застосування кисневого регулювання; 10. Можливість застосування частотного регулювання двигунів пальника й димососа; 11. Можливість передачі даних по цифрових каналах зв'язку. 12. Максимум теплового випромінювання в топковій камері котла становить 105-110% від середнього, що істотно знижує вимоги до циркуляційного контуру котла. 13. Рівномірний розподіл факела по всій камері згоряння котла; 14. Збільшення міжремонтного строку експлуатації екранів топки, труб котельного пучка й економайзера в 2,5-3 рази. Відповідність вимогам і нормам екології -Зниження екологічно шкідливих викидів у димових газах в 1,5-2 рази, максимальне значення температури в ядрі горіння 1350-1480 °С. Зручність обслуговування й експлуатації - забезпечується блочністью виконання пальників, у блок входять всі елементи, необхідні для підготовки й подачі палива в зону горіння, прилади автоматичного регулювання процесом горіння й аварійного захисту. Можливості регулювання пальників Weishaupt і керування котлами МЕ При реалізації проектів з котлами МЕ, ДКВР, оснащеними пальниками Weishaupt, у даний момент можливе використання практично всіх найсучасніших принципів і систем регулювання процесів спалювання палива й режимів роботи котла. Додатково можуть бути вбудовані різні функції виміру, регулювання й керування котлоагрегатом: - Плавне модулююме регулювання потужності котла залежно від витрати пари; - Частотне регулювання двигунів пальників і димососів; - Кисневе регулювання процесів спалювання палива; - Керування роботою димососів котлів; - Керування роботою й аварійними режимами котлоагрегатів; - Індикація режимів роботи котлоагрегатів;
Рисунок 4.2 - Принципова сх. автоматики і пальника Weishaupt 5. ВСТАНОВЛЕННЯ ГІДРОДИНАМІЧНОГО НАГРІВАЧА НА МИЙНУ МАШИНУ ММД – 12 В локомотивному депо встановлена одна мийна машина ММД-12, яка призначена для обмивки рам візків, колісних пар інших великогабаритних вузлів рухомого складу. Для її роботи необхідний теплоносій з температурою не менш як 95о С. Теплоносій з такими параметрами відпускається з котельні локомотивного депо. Для цього необхідно в часи роботи мийної машини в зимовий період підвищувати продуктивність котла, а в літній період взагалі запускати котельню коли вона взагалі не працює. Таким чином в даному дипломному проекті запропоновано встановити гідродинамічний нагрівач УГД "Термер" який дозволить працювати мийній машині автономно незалежно від котельні, і з економити кошти. Технічний опис установки Гідродинамічний нагрівач УГД "Термер" об'єднує в собі три важливі властивості: • некритичність до режимів електроживлення (важливе дотримання лише добового споживання електроенергії); • простота навантаження/розвантаження електродвигуна від 15% до 120% номінальної потужності в безперервному (безступінчатому) режимі; •можливість генерувати/споживати реактивну потужність. Системи гідравлічного нагріву відповідають необхіднимумовам первинного регулювання частоти енергосистеми, зокрема — в режимі зовнішнього управління з боку диспетчера енергосистеми. УГД "Термери" дозволяють досягати температури 95 °С у системах теплопостачання за атмосферним тиском і 250 °С в замкнутих системах, що знаходяться під надлишковим тиском. Нагрівання рідини в генераторі відбувається шляхом перетворення механічної енергії рухомої рідини в теплову енергію з використанням ефекту об'ємної кавітації. Зона кавітації знаходиться усередині потоку, що дозволяє уникнути руйнування робочих частин і не створює шумового ефекту. Застосування УГД "Термер" вирішує проблему локального забезпечення низько і середньотемпературних циклічних теплових процесів, виключаючи втрати низкопотенційного тепла, що важливо як для промислового, так і для побутового секторів. При їхній роботі, на відміну від агрегатів прямого електричного нагріву, не виникають струми витоку і струми Фуко, які сприяють прискоренню електрохімічної корозії будівельних конструкцій і технологічного устаткування. Використання високотемпературних агрегатів УГД "Термер" у технологічних процесах хімічної, нафтохімічної, переробної й інших галузях промисловості дає можливість: • відмовитися від парових котельних, • підвищити ефективність виробництва, • знизити енерговитрати, • зменшити собівартість продукції, що випускається, • скоротити терміни введення в експлуатацію. УГД "Термер" практично миттєво нагріває рідину і самостійно здійснює її подачу в систему теплозабезпечення. Гідродинамічні нагрівачі УГД "Термер" не є електронагрівальними приладами, а відносяться до технологічного устаткування. Принцип дії Робота УГД "Термер" заснована на перетворенні механічної енергії у теплову. В установці "Термер" використовується ефект гідродинамічного нагріву, що виникає в результаті різкого гальмування багатьох потоків рідини, що містять кавітаційні каверни. Механічна енергія обертання електричного двигуна передається на активатор, що має радіальні лопатки. Рідина всередині порожнин активатора розкручується, набуваючи запасу кінетичної енергії, відзеркалюється від нерухомих лопастей корпусу, після чого різко гальмується, нагріваючись усередині апарату. Явище кавітації— лавиноподібне зростання і схлопування нанопухирів пари, які виникають через тертя або різкої зміни швидкостіпотоку рідини за помірної температури. У зоні кавітації спостерігаються температури близько 10000—15000°С. Термін введений в 1894 році британським інженером Р. Фрудом. Якщо тиск у будь-якій точці рідини стає меншим тиску її насиченої пари, це призводить до її об'ємного випаровування з утворенням нанопухирів пари. Місцеве пониження тиску рідини відбувається, зокрема, при її різькому прискоренні. Витікаючі пухирі пари рухаються разом із рідиною. При різкому гальмуванні рідини її тиск стає більшим за тиск насиченої пари і парові пухирі з силою схлопуються. У об'ємі схлопування виділяється енергія випаровування рідини, кінетична енергія пари і енергія поверхневого натягнення рідини, що призводить до різкого місцевого підвищення температури. Схлопування пухирів створює шум, викликає вібрацію, а іноді й світіння рідини. Схлопування пухирів на твердій поверхні викликає їх швидке руйнування. Особливості процесу кавітації, використовуваного у УГД "Термер", полягають в тому, що зона схлопування кавітаційних пухирів організується у контрольованому внутрішньому об'ємі рідини, що унеможливлює руйнування робочих деталей установки, не призводить до виникнення шуму і вібрацій. Разом із тим, локальні ударні, хімічні і термічні ефекти кавітації призводять до руйнування механічних частинок, присутніх у рідині, зокрема, накипу, а також до гарантованої загибелі водної мікрофлори.
Рисунок 5.1 Принцип дії УГД "Термер" Застосування низькотемпературних УГД "Термер" Низькотемпературні УГД "Термер" (нагрів до 100 °С) застосовуються для забезпечення: • опалювання, вентиляції, • гарячого водопостачання, • як проточний нагрівач, • підігріву технологічних рідин. Найбільша економія коштів досягається при використанні УГД у нічний час доби при розрахунках за електричну енергію за зонними диференційованими тарифами. У години найменшої вартості електричної енергії здійснюється акумуляція теплової енергії у баці (утеплена ємність, об'єм якої розраховується, виходячи з особливостей об'єкту, клімату й інших параметрів). Мережні насоси подають теплоносій споживачу. Коли час пільгового тарифу закінчується, УГД "Термер" вимикається і мережні насоси роздають накопичену енергію з баку. Теплопостачання здійснюється за температурним графіком, що оптимізується у процесі експлуатації на конкретному об'єкті. За узгодженням з енергетичною системою можливо короткочасне включення УГД "Термер" для підігріву рідини у баці акумуляції в години денних провалів електричного навантаження. Система управління Регулювання параметрів роботи УГД "Термер" здійснюється вентилями, розташованими на виході і вході теплоносія з установки. Оператор коригує роботу установки відкриттям або закриттям вентилів. У ручній системі управління передбачений наступний захист агрегатів: • відключення УГД "Термер" при перевантаженні електричного двигуна; • світлова й звукова сигналізація, що оповіщає оператора про виникнення аварійних ситуацій. Автоматизована система управління Для автоматизації процесу нагріву УГД "Термер" додатково комплектується системою автоматизованого управління, що дозволяє обходитися без обслуговуючого персоналу. При цьому забезпечується доступність інформації, що одержується від підключених датчиків і контролерів на всіх інформаційних рівнях. Система автоматичного управління забезпечує: • збір інформації від її джерел (датчики температури, тиску, тепло-, водо-витрати, електролічильники і т.д.); • доступ до сучасних комунікаційних технологій (підключення до мережі ІМТЕМЕТ, передача інформації мережами стандарту GSМ), дистанційний моніторинг стану обладнання, диспетчеризацію об'єкта управління, посилання тривожних сповіщень у разі відмов і т.д.; • контроль усіх вихідних і вхідних функціональних параметрів системи; • контроль і встановлення нових значень усіх параметрів настройки; • перемикання будь-якого з виходів у режим ручного управління; • установку необхідних значень регульованих параметрів (температура приміщення), • установку часу включення і виключення УГД по часових зонах диференційованого обліку; • програмування графіку роботи; • контроль переліку відмов і параметрів таймерів. Для кожного конкретного випадку вибирається найбільш близьке рішення з пропонованого набору типових проектів, оптимальна конфігурація обладнання, що усуває надмірність в апаратних і програмних рішеннях. Основна відмітна особливість установки — простота експлуатації. Таблиця 5.1 Технічні характеристики УГД "Термер"
5.1 Розрахунок необхідної кількості тепла для мийної машини ММД -12 Розрахунок потреби палива зроблений відповідно до "Інструкції з нормування витрати тепла й палива для стаціонарних установок залізничного транспорту", затвердженої наказом Укрзалізниці № 117-Ц від 25.04.03р. Питома витрата на мийні машини нормують на 1т деталей, що відчищаються. Норми витрати теплоти встановлюють у залежності від типу мийної машини, її допоміжного устаткування (головним чином вентиляційної установки) і режиму експлуатації кожної машини даного типу (цілодобово, одна чи дві зміни). Витрата теплоти, Гкал/період (Гдж/період), на мийну машину розраховуеться за формулою: Q річ.заг. = k*qG *G(5.1) де Q — витрата теплоти на мийну машину за місяць, квартал (у залежності від плану ремонту). k — коефіцієнт, що враховує зміну витрат теплоти в зимовий час. У літню пору k=1, під час опалювального сезону k=1,1; qG — питома витрата теплоти, яка приходиться на 1т деталей,що відчищаються, qG =0,08 Гкал/т (табл. Ж1) G — вага деталей, що підлягають очищенню в мийній машині з кожної ремонтуємої одиниці рухомого складу, т; Таблиця 5.2 Деталі підлягаючі очистці
Згідно формули (5.1) розраховуемо необхідну кількість тепла: Q річ.заг = k*qG *G=1,1*0,08*(986,4+70,0+293)=118,75 Гкал 6. РОЗРАХУНОК ПРОМЕНЕВОГО ОБІГРІВУ ДЛЯ ЦЕХІВ В даному розділі пропонується зробити перевод виробничих цехів локомотивного депо з конвективного опалення на променеве опалення. Нище наведен опис променевого опалення. Мета опалення - забезпечення приємного відчуття тепла, що по визначенню Бедфорда є: "суб'єктивне відчуття людини, що засновано на комплексному впливі". Суб'єктивне відчуття складається з декількох, частково селективних і частково аддитивних ефектів. Такими є, наприклад, температура повітря, швидкість, одяг та ін. Серед домінуючих ефектів перебувають випромінювання навколишніх площин, що дає основу радіаційного опалення. Значення радіаційних умов з погляду опалення очевидно, якщо враховувати основні способи тепловіддачі тіла людини, тому що опалення повинне компенсувати ці тепловтрати, тобто підтримувати в рівновазі відчуття комфорту. Основні шляхи тепловтрат людини: конвекція, кондукция, випромінювання й випар. Частка кондуктивных тепловтрат невелика, її можна розглядати одночасно з конвективними тепловтратами. Відношення трьох способів тепловіддачі в опалювальному просторі при нормальних обставинах звичайно таке: - конвекція 30 - 35 % - випромінювання 40 - 45% - випар 20 - 25% Видно, що найбільш характерний фактор тепловтрат - випромінювання. Тепловтрати випромінюванням виникають, коли оточення - у першу чергу контурні розміри будинку - більш холодні чим тіло людини. Якщо збільшити середню температуру оточення (напр., за рахунок випромінювачів високої температури), то тепловтрати за рахунок випромінювання падають і можна домогтися відчуття тепла, не збільшуючи температури повітря. У такий спосіб ефект опалення досягається так, що температура повітря, а значить і тепловтрати в просторі не міняються, у той час як по відчуттю людини, що перебуває в цьому просторі, температура в просторі перебування збільшилася. Якщо тепловіддача опалювальних пристроїв містить компоненту випромінювання, то людині, що перебуває в просторі, здається, що температура оточення вище, ніж якби це ж корисне тепло передавалося конвекційним способом. Температура, що знаходиться в опалювальному просторі здається вище при опаленні за допомогою випромінювання, називається температурою відчуття або вихідною температурою або іноді результуючою температурою, а значення температури, обмірюване традиційним образом за допомогою термометра називається температурою повітря. Різниця двох значень температур визначає збільшення відчуття тепла за рахунок випромінюючого опалення. Цей ефект визначає принцип використання випромінюючих тіл для опалення. Умова застосовності співвідношення: температура випромінюючого тіла повинна бути не менш 150°С (423К), а температура оточення - нормальна температура приміщення. Принципи вибору розмірів Температура відчуття У випадку опалення випромінюванням, люди що перебувають в опалювальному просторі оцінюють температуру в цьому просторі (температуру відчуття) завжди вище температури повітря. Для визначення температури відчуття поряд з іншими методами застосовують наступне співвідношення: tr = tl +0,072*i(6.1) де tr -температура відчуття в °С, tl - температура повітря в °С, i - інтенсивність випромінювання у Вт/м2 . ККД випромінювання Під відношенням випромінювання розуміють відношення переданого випромінюванням тепла до внесеного у випромінювач тепла. ККД - відсоткове вираження цього відношення. Якщо у випромінюючий прилад вноситься, наприклад, енергія еквівалентна 22 кВт, а прилад віддає у вигляді тепла випромінювання 14,3 кВт, то відношення випромінювання буде 14,3/22 = 0,65, а ККД випромінювання 65%. ККД випромінювання можна визначити з відношення тепла випромінювання й корисного тепла (вихідного). Різниця між внесеним і корисним теплом - втрати на димові гази, які визначаються теплотехнічним (тепловим) ККД. Абсорбційні втрати Теплове випромінювання нагріває не повітря, а, проникаючи крізь нього, безпосередньо предмети й людину. Трьохатомні гази (СО2 , Н2 О), а також пил поглинають частину випромінювання, у першу чергу залежно від відстані до випромінювача. Це визначає втрати на абсорбцію, величина якої практично 3-6%. Втрати на розсіювання Випромінювання від випромінюючого тіла подібно світлу поширюється прямолінійно, тобто крапку, з якої спостерігач бачить випромінююче тіло, що випромінює тіло також "бачить" тобто опромінює спостерігача. Таким чином, якщо від обмежуючих площин конструкції будинку видно випромінююче тіло, мабуть, що певна частина випромінювання потрапить на ці площини. Менш очевидна частка вторинного випромінювання, що падає на ці обмежуючі поверхні. Частина випромінювання відбивається від тіл, а відбите випромінювання знову потрапить на деяке тіло, звідки його частина знову відіб'ється. Процес нагадує загасаючу систему. Найбільш корисна частина тепла, що випромінюється, - тепло, поглинене підлогою (яке є причиною характерної "теплої" підлоги), людиною й навколишніми тілами. Втрати на розсіювання, у першу чергу - частка, що попадає на обмежуючі конструкції будинку випромінювання. Величина її залежить, в основному, від розташування випромінювачів, геометрії простору й емісійна, тобто відбивна здатність оточення. Випромінювання, що попадає на обмежуючі поверхні, важається втратами з погляду випромінювання, але не з погляду конвекції. Це втрати на розсіювання. Втрати тим більше, чим менше емісійний фактор оточення. Якщо відносна висота простору більша (висота більше 1/3 ширини в одному з напрямків), то це також збільшує втрати на розсіювання. На практиці втрати на розсіювання становлять 15 - 20%. У крайніх випадках можливе відхилення на кілька відсотків. У більш низьких павільйонах втрати на розсіювання можуть опуститися до 10%, і навпаки - для високих і вузьких павільйонів -досягти 25%. Добавки від оточення При опаленні більших просторів потрібно окремо врахувати трансмісійні (крізь обмежуючі конструкції) і фільтраційні втрати, за рахунок циркуляції повітря (напр., відсмоктування машинами, ворота, що відкриваються часто, або вікна, отвори в конструкції, та ін.). Несприятливі теплотехнічні обставини, як наприклад, необхідність швидкого розігріву, ефект тяги, більша внутрішня висота, низьке значення К (фактор передачі тепла) вимагають доповнень до розрахунків трансмісійних втрат конструкції будинку, що означає введення додаткових теплових потужностей. Для традиційного конвекційного опалення значення добавок досягає значення 1,1 -1,6. Те ж саме для опалення випромінюванням з урахуванням обставин дорівнює половині цього значення. Таким чином, величина добавок залежно від місцевих умов 1,05 -1,3. Добавки від розміщення випромінюючих тіл Потужність установлюваних приладів випромінювання вибирається відповідно з розрахунками. Для висоти до 5 м це не вимагає обліку добавок. Для висоти більше 5 м внесену потужність потрібно збільшувати на 3-5% на кожний метр. Причина цього складається в збільшенні втрат на розсіювання, а також у тім, що частка конвекції тіл випромінювання використовується все в меншому ступені для безпосереднього опалення робочого простору. При визначенні добавок у першу чергу потрібно враховувати розташування приладу й ККД випромінювання. Якщо ККД випромінювання напр., 40-50%, а число апаратів поблизу обмежуючої стінки велике, то добавка може досягати 5%/м (вище 5 м). Розташування темновых випромінювачів Відстань між випромінювачами Горизонтальне розташування При горизонтальній підвісці добре опалювальну зону можна одержати так, випромінювач подумки покладемо на підлогу й від нього по обидва боки (тобто паралельно трубі) відміряємо 80% висоти підвіски, а потім на початку й наприкінці в напрямку труби відкладемо половину підвіски й намалюємо отриманий прямокутник. (Якщо вибрати 100% висоти підвіски, то й у цьому випадку одержимо задовільний результат. Для оцінки розмірів, що перевищують цей вибір, потрібний індивідуальний підхід.) Принцип дії темнових випромінювачів, мета якого полягає в тому, що газ у трубі згоряє так (темновой випромінювач), що уздовж труби напрямок потоку поступово охолоджується, а тепло переважно віддається у вигляді випромінювання. Для U-подібних випромінювачів тепловіддача на половині довжини труби розвертається назад у напрямку пальника, а відвід димових газів відбувається в пальнику. У цьому прикладі маємо трубу з температурою 550°С и 160°С із боку пальника, а в точці повороту - "середня температура". Результат: тепловіддача практично наближається до рівномірного уздовж U-образного вигину, але з боку пальника завжди більше. Підвіска з нахилом Звичайно нахил в 30° уже забезпечує достатнє місце для теплотехнічного простору маневрування. Прилади, однак, можна встановлювати як під меншим, так і під більшим кутом. Гарним вибором може бути нахил для приладів, які монтуються на обмежуючу стінку (тут це бажано), а також якщо випромінювачі перебувають далеко друг від друга, тому що при цьому опромінення площадки між ними більш рівномірне. Нахил можна застосовувати в деяких робочих місцях для "переважного" опалення, якщо труба випромінювання проходить не над робочим місцем. Напр., нахилом в 30° між двома випромінювачами добре опалювальна площадка: сума двох висот підвіски, помножена на 1,5. Однак площадка обігріву проникає за межі напрямку, протилежного нахилу приблизно на половині висоти підвіски. Установивши випромінювачі на більшій відстані друг від друга, розподіл стає неоднорідним, однак це може виявитися гарним рішенням (напр., для вирівнювання почуття холоду уздовж стінки, що прохолоджується, і ін.). При установці з нахилом варто враховувати, що мова йде тільки про відхилення екрана, тому що трубка випромінювання при цьому не міняється. Ефективність напрямку тепла не пропорційна величині відхилення. Надлишок тепла виходить відбиттям від екрана. Висоти розташування або монтажу Опалення випромінюванням дає приємне фізіологічне відчуття тепла. Занадто сильне інтенсивність, однак, неприємна. Щоб уникнути цього, відстань між зоною перебування й випромінювачами потрібно обмежити залежно від властивостей випромінювача. Рекомендована мінімальна висота підвіски: Н = а + b*Р, де Н - мінімальна висота підвіски в метрах а - фактор висоти b - фактор потужності Р - потужність випромінювання ( внесена потужності) у кВт. Таблиця 6.1 - Значення а й b
Застосуванням додаткових бічних відбивачів (смугове опалення) фактори "а" і "б" можуть мінятися. Для двостороннього відбивача "а" збільшується на 0,5, а "b" на 0,004. Для однобічного відбивача "а" збільшується на 0,25, а "b" на 0,002 щодо табличних значень. Таблиця 6.2 Мінімальна висота підвіски в метрах
Способи поліпшення ККД випромінювання й ефективності темнових випромінювачів Ізоляція відбивача Звичайно для темнових випромінювачів горіння відбувається в трубі. Труба випромінює тепло у всіх напрямках, у тому числі й нагору, що практично дорівнює 50%. Нагору спрямований також потік повітря, нагрітий у трубі. Якщо зверху труби є гарний відбивач, тобто з низьким фактором емісії, то більша частина з 50% спрямованого нагору випромінювання відіб'ється в робочий простір частиною безпосередньо, а частиною багаторазовим (вторинним) відбиттям. Відбивач поглинає частину падаючого на нього випромінювання залежно від фактора емісії, тобто поглинає завжди більше тепла, чим це треба з розрахунку з урахуванням фактора емісії й величини поверхні. Тепло випромінювання, поглинене відбивачем, залежить від величини площі відбивача і його профілю, а також фактора емісії й відносин температур. Внесок конвективного тепла залежить від температури труби й умов тепловіддачі. Розрахунок економії енергії радіаційного опалення Поряд з багатьма принципами оцінки опалення (рівень достатності, безпека та ін.) один з найважливіших принципів оцінки- економія енергії. Щодо величини економії енергії різні способи опалення дають різні, часто суперечливі відповіді. У випадку радіаційного опалення можна зустрітися із самими різними оцінками від 20 до 80%. Завжди слід уточнювати, чи наведені дані величини економії енергії в природних одиницях або величиною витрат. Економію енергії опалення в оцінках витрат можна досягти так, що при цьому сама енергія в природних одиницях росте. Потрібно з'ясувати також щодо чого береться це значення. Економія енергії може досягти 89% для природного газу, якщо, наприклад, у цеху замість загального опалення забезпечити місцеве опалення для обслуговуючого персоналу. Збільшення температури відчуття Щодо повітряного опалення економія визначається тим, що тепловтрати будинку пропорційні різниці (Δt) внутрішньої (tl ) і зовнішньої температури повітря (tк ). Для випромінювального опалення tl менше через збільшення температури відчуття (Δtr . = 0.072хi). Економія енергії буде дорівнювати Δtr /Δt. ККД системи При розрахунку реальної економії для забезпечення корисної продуктивності потрібно врахувати ту необхідну кількість енергії, що для темновых випромінювачів визначається з обліком корисної вбудованої потужності й теплотехнічного ККД. (наприклад, якщо ηt = 90%, корисна потужність 200 Вт/м2 , то потрібно 200/0,9 = 222 Вт/м2 .) Потреба в енергії розігріву й підтримки Для експлуатації спорудження , тобто розігрів перед початком роботи. Для радіаційного опалення він більше короткий чим для інших типів опалення, а в передсезонний і перехідний період немає необхідності в розігріві взагалі. Економія на розігріві залежить від їхнього числа, теплової потреби будинку, тривалості перерв між змінами й іншими факторами. Незважаючи на це, оцінка робиться із прийнятною точністю. Щодо калориферів прямої дії помітної переваги немає, тому що ці пристрої також швидко розігрівають робочий простір. Проте, відмінність полягає в тому, що випромінювачі розігрівають більшою мірою підлогу, "нагромаджуючи в ньому тепло" і до початку роботи підлога буде теплою. Зміна вертикального розподілу температури При радіаційному опаленні у вертикальному напрямку збільшення температури на кожний метр (вертикальний температурний градієнт) буде менше на 0,2 - 0,7 о С/м. Ефект зниження вертикального температурного градієнта дуже істотний для економії енергії, тому що проявляється протягом усього опалювального сезону. 6.1 Опис і робота опалювача ОІТГ-20 "Геліос"
Опалювач повинен працювати на природному газі номінальним тиском 1960Па. Застосування опалювача в житлових будинках не допускається. Опалювач встановлюються під стелею приміщення горизонтально підлозі, мінімальна висота розміщення над рівнем підлоги не менше 4,0 м. Опалювач укомплектований автоматикою безпеки і регулювання з багатофункціональним газовим клапаном (далі - ГА) компанії SIT Group, Італія. Опалювач за електробезпечністю відповідає класу 1 за ГОСТ 12.2.007.0. Частини опалювача, що знаходяться під напругою, захищені від доторкання оболонками за ГОСТ 14254: - ШДК та ШП зі ступенем захисту IР20; - ШВ зі ступенем захисту IР10. Електроживлення - однофазна мережа змінної напруги 220 В, 50 Гц. Діапазон робочих температур - від "мінус" 10 С до 60 С. Температура газів на виході з димоходу - 140 – 160 С. Середній термін служби - не менше 10 років. Опалювачі різних виконань конструктивно відрізняються поміж собою довжиною інфрачервоних випромінювачів, кількістю дзеркальних відбивачів, діаметрами отворів форсунок пальників, діаметрами отворів діафрагм для подавання повітря в пальники. Таблиця 6.3 Технічні характеристики опалювача
Рисунок 6.1 Будова опалювача Опалювач складається з шафи дистанційного керування 1, інфрачервоних випромінювачів 2, та закріплених на випромінювачах: шафи пальника 3, шафи витяжної 4 та дзеркальних відбивачів 5. По типу випромінювання, довжині хвилі і температурі поверхні труби, що випромінює тепло, опалювач відноситься до категорії темних інфрачервоних випромінювачів. Активною поверхнею випромінювачів являються металеві труби, з'єднані у U – подібну конфігурацію, в середині яких відбувається спалення газу і вздовж яких продукти горіння проходять до витяжного вентилятора. Згоряння газу здійснюється атмосферним пальником з автоматичним керуванням.
Рисунку 6.2 Блок-схема опалювача, де ШВ – шафа витяжна; ШП – шафа пальника; ШДК – шафа дистанційного керування; ІВ – інфрачервоні випромінювачі; 1 – димохід; 2 – відбивач інфрачервоного випромінювання; 3,4 – кабелі електроживлення та керування. Після підключення опалювача до електромережі і переведення перемикача РОБОТА ШДК у положення ВКЛ починає працювати ветилятор ШВ. Після створення витяжним вентилятором розрідження тиску повітря у камері згоряння ШП, вмикається диференцйний повітряний вимикач, і розпочинається процес провітрювання (тривалістью близько 40 секунд) труб ІВ і димоходу. Після провітрювання відкривається електромагнітний здвоєний клапан газової автоматики і в пальник починає надходити газ. Плата автоматичного керування ГА включає систему запалення. Запалення газової суміші в пальнику реєструє іонізуючий електрод. Після початку роботи пальника і запалення газової суміші на передній панелі ШДК засвічується світлове табло НОРМА зеленого кольору. Якщо на протязі 5 секунд газова суміш не зайнялася, опалювач переходить у аварійний режим - на передній панелі ШДК засвічується світлове табло ВІДМОВА червоного кольору та закривається клапан подачі газу. Для здійснення повторного запуску необхідно перемикач РОБОТА ШДК перевести у положення ВИМК,а потім знову у положення ВКЛ. Передбачено також два режими роботи опалювача щодо підтримання у приміщенні необхідної температури, які встановлюються перемикачем КОНТР.Т на ШДК: а) РУЧ - ручний режим, коли температура у приміщенні контролюється зовнішнім термометром і підтримання температури здійснюється шляхом ручного включення та виключення процесу згоряння газу оператором з ШДК; б) АВТ - автоматичний режим, коли температура у приміщенні контролюється спеціальним приладом - програмним термостатом, що підключається до ШДК, контактна група термостату автоматично, в залежності від встановленої температури, включає або відключає електроживлення опалювача і таким чином регулює процес згоряння газу. 6.2 Цех періодичного ремонту Розрахуємо необхідну потужність інфрочервоного опалення для даного цеху. Дані для розрахунку: Площа будівлі по зовнішньому обміру – 1618 м2 ; Об’єм будівлі по зовнішньому обміру – 13800м3 ; Температура відчуття – 160 С; Зовнішня температура – -5,20 С; Трансмісійна необхідність тепла на 10 С – 7,2 кВт (без урахування добавок); Фільтраційні втрати на 10 С – 1,6 кВт Характеристика встанавлюємого приладу ККД – 90,5%; Абсорбціоні втрати – 4%; Втрати на розсіювання – 18%; Знайдемо вклад випромінювання: 1*0,905*(1-0,04)*(1-0,18)=0,71(71%) Повні теплові втрати будівлі складаються з суми трансмісійних втрат помножених на добавки від оточення і фільтраційних втрат: 7,2*1,2+1,6=10,24 кВт/0 С Поскільки ще невідома температура повітря (t1 ) за бажаної температури відчуття, то для знаходження необхідного тепла використовуємо інтераційний метод так, що в нульовому приближені оцінюємо це значення. ∆t=11-(-5,2)=16,20 С Теплові втрати будівлі чи необхідність в теплі 16,20 С*10,24кВт/0 С=165.88кВт Питома необхідність тепла 165.88кВт/1618м2 =102.5Вт/м2 Відношення тепла випромінювання 102.5Вт/м2 *0,71=72.77Вт/м2 Температура відчуття tr = t1 +0.072*i=10+0.072*72.77=16.30 С – достатньо 6.3 Підйомний цех Розрахуємо необхідну потужність інфрочервоного опалення для даного цеху. Дані для розрахунку: Площа будівлі по зовнішньому обміру – 1508 м2 ; Об’єм будівлі по зовнішньому обміру – 17643м3 ; Температура відчуття – 180 С; Зовнішня температура – -5,20 С; Трансмісійна необхідність тепла на 10 С – 5,52 кВт (без урахування добавок); Фільтраційні втрати на 10 С – 2 кВт Характеристика встанавлюємого приладу ККД – 90,5%; Абсорбціоні втрати – 4%; Втрати на розсіювання – 18%; Знайдемо вклад випромінювання: 1*0,905*(1-0,04)*(1-0,18)=0,71(71%) Повні теплові втрати будівлі складаються з суми трансмісійних втрат помножених на добавки від оточення і фільтраційних втрат: 5,52*1,2+2=8,62 кВт/0 С Поскільки ще невідома температура повітря (t1 ) за бажаної температури відчуття, то для знаходження необхідного тепла використовуємо ітераційний метод так, що в нульовому приближені оцінюємо це значення. ∆t=12-(-5,2)=17,20 С Теплові втрати будівлі чи необхідність в теплі 17,20 С*8,62кВт/0 С=148,26кВт Питома необхідність тепла 148,26кВт/1508м2 =98,3Вт/м2 Відношення тепла випромінювання 98,3Вт/м2 *0,71=69,79Вт/м2 Температура відчуття tr = t1 +0.072*i=12+0.072*69,79=18,20 С – достатньо 6.4 Електромашинний відділ Розрахуємо необхідну потужність інфрочервоного опалення для даного цеху. Дані для розрахунку: Площа будівлі по зовнішньому обміру – 1706 м2 ; Об’єм будівлі по зовнішньому обміру – 17060м3 ; Температура відчуття – 180 С; Зовнішня температура – -5,20 С; Трансмісійна необхідність тепла на 10 С – 7,1 кВт (без урахування добавок); Фільтраційні втрати на 10 С – 2,4 кВт Характеристика встанавлюємого приладу ККД – 90,5%; Абсорбціоні втрати – 4%; Втрати на розсіювання – 18%; Знайдемо вклад випромінювання: 1*0,905*(1-0,04)*(1-0,18)=0,71(71%) Повні теплові втрати будівлі складаються з суми трансмісійних втрат помножених на добавки від оточення і фільтраційних втрат: 7,1*1,2+2,4=10,92 кВт/0 С Поскільки ще невідома температура повітря (t1 ) за бажаної температури відчуття, то для знаходження необхідного тепла використовуємо ітераціоний метод так, що в нульовому приближені оцінюємо це значення. ∆t=11-(-5,2)=16,20 С Теплові втрати будівлі чи необхідність в теплі 16,20 С*10,92кВт/0 С=176,9кВт Питома необхідність тепла 176,9кВт/1706м2 =103,7Вт/м2 Відношення тепла випромінювання 103,7Вт/м2 *0,71=73,63Вт/м2 Температура відчуття tr = t1 +0.072*i=11+0.072*73,63=18,20 С – достатньо 6.5 Колісний цех Розрахуємо необхідну потужність інфрочервоного опалення для даного цеху. Дані для розрахунку: Площа будівлі по зовнішньому обміру – 1074 м2 ; Об’єм будівлі по зовнішньому обміру – 11277м3 ; Температура відчуття – 160 С; Зовнішня температура – -5,20 С; Трансмісійна необхідність тепла на 10 С – 4,5 кВт (без урахування добавок); Фільтраційні втрати на 10 С – 3,3 кВт Характеристика встанавлюємого приладу ККД – 90,5%; Абсорбційні втрати – 4%; Втрати на розсіювання – 18%; Знайдемо вклад випромінювання: 1*0,905*(1-0,04)*(1-0,18)=0,71(71%) Повні теплові втрати будівлі складаються з суми трансмісійних втрат помножених на добавки від оточення і фільтраційних втрат: 4,5*1,2+3,3=8,7 кВт/0 С Поскільки ще невідома температура повітря (t1 ) за бажаної температури відчуття, то для знаходження необхідного тепла використовуємо ітераційний метод так, що в нульовому приближені оцінюємо це значення. ∆t=10-(-5,2)=15,20 С Теплові втрати будівлі чи необхідність в теплі 15,20 С*8,7кВт/0 С=132,24кВт Питома необхідність тепла 132,24кВт/1074м2 =123,13Вт/м2 Відношення тепла випромінювання 123,13Вт/м2 *0,71=87,42Вт/м2 Температура відчуття tr = t1 +0.072*i=10+0.072*87,42=16,30 С – достатньо 6.6 Цех ПТО локомотивів Розрахуємо необхідну потужність інфрочервоного опалення для даного цеху. Дані для розрахунку: Площа будівлі по зовнішньому обміру – 1152 м2 ; Об’єм будівлі по зовнішньому обміру – 13248м3 ; Температура відчуття – 50 С; Зовнішня температура – -5,20 С; Трансмісійна необхідність тепла на 10 С – 4 кВт (без урахування добавок); Фільтраційні втрати на 10 С – 3,9 кВт Характеристика встанавлюємого приладу ККД – 90,5%; Абсорбційні втрати – 4%; Втрати на розсіювання – 18%; Знайдемо вклад випромінювання: 1*0,905*(1-0,04)*(1-0,18)=0,71(71%) Повні теплові втрати будівлі складаються з суми трансмісійних втрат помножених на добавки від оточення і фільтраційних втрат: 4*1,2+3,9=8,7 кВт/0 С Поскільки ще невідома температура повітря (t1 ) за бажаної температури відчуття, то для знаходження необхідного тепла використовуємо ітераційний метод так, що в нульовому приближеніоцінюємо це значення. ∆t=3-(-5,2)=8,20 С Теплові втрати будівлі чи необхідність в теплі 8,20 С*8,7кВт/0 С=71,34кВт Питома необхідність тепла 71,34кВт/1152м2 =61,93Вт/м2 Відношення тепла випромінювання 61,93Вт/м2 *0,71=43,97Вт/м2 Температура відчуття tr = t1 +0.072*i=3+0.072*43,97=5,60 С – достатньо Знайдемо потужність променевого опалення для всіх 5 виробничих цехів депо, яка дорівнює їхній сумі. Рн =165,88+148,26+176,9+132,24+71,34=694,62кВт 7. ТЕХНІКО-ЕКОНОМІЧНІ РОЗРАХУНКИ ЗА РАХУНОК ЕНЕРГОЗБЕРІГАЮЧИХ ЗАХОДІВ 7.1 Розрахунок економічної доцільності переводу парового котла на водогрійний режим Перелік матеріалів та обладнання, необхідних для переводу парового котла типу МЕ-4,0/1,4ГМ на водогрійний режим роботи: 1) труба Ø 100 мм, довжина 55 м, ціна за 1 метр 64,20 грн, всього 3531 грн;труба Ø 76 мм, довжина 25 м, ціна за 1 метр 21,90 грн, всього 547,5 грн; 2) мережний насос з електродвигуном (три комплекти), ціна одного комплекту складає 12000 грн, всього 36000 грн; 3) повороти на 90° Ø 100 мм, кількість 17 шт, ціна за один поворот 18 грн, всього 306 грн; 4) повороти на 90° Ø 76 мм, кількість 3 шт, ціна за один поворот 15 грн, всього 45 грн; 5) контрольно – вимірювальні прилади, кількість 20 шт, ціна за один прилад складає 369 грн, всього 7380 грн; 6) засувки та вентилі Ø 100 мм, кількість 27 шт, ціна за одну штуку 167 грн, всього 4509 грн; 7) засувки та вентилі Ø 80 мм, кількість 8 шт, ціна за одну штуку 122,84 грн, всього 982,72 грн; 8) запобіжні клапани Ø 100 мм, кількість 8 шт, ціна за одну штуку 152 грн, всього 1216 грн; 9) лист заліза товщиною 5 мм, кількість 3 м2 , загальна ціна 250 грн; 10) електроди зварювальні 25 кг, ціна за 1 кг складає 5,82 грн, всього 174,6 грн; 11) виплата заробітної плати (на реконструкцію котла) бригаді працівників 5900 грн. Всього необхідно на реконструкцію котельні ΔК = 60841,82 грн. Час роботи даного котла - 1325 годин/рік (приймається 50,0% від часу роботи всієї котельні, тому що всього встановлено 2 котли). Вартість 1,0 тис. м3 природнього газу – 1800 грн Витрата палива котлом до реконструкції, м3 /год: Вр б = 280 м3 /год Витрата палива котлом після реконструкції, м3 /год: Вр н = 267,3 м3 /год Витрата палива котельною за опалювальний період до реконструкції, м3 /рік: Вб рік = Вр б *hу = 280*1325 =371000 Витрата палива котельною після переводу на водогрійний режим роботи, м3 /рік: Вн рік = Вр н *hу = 267,3*1325 = 354172,5 Економія палива за рахунок переводу складає: Егаз = Вб рік - Вн рік =371000-354172,5=16827,5 м3 =16,8 тис. м3 В розрахунку на гроші економія складає: Егроші газ = Егаз *Цгаз =16,8*1800=30240грн Срок окупності складе: 60841,82/30240=2роки 7.2 Розрахунок економічної доцільності встановлення німецького пальника типу Weishaupt на котел МЕ-4,0/1,4ГМ, встановленого в локомотивному депо "Жовтень" Дані для розрахунку: Вартість модернізації - 297,3 тис. грн. Фонд оплати праці одного оператора (з 01.11.08) - 1,96 тис. грн./мес. Час роботи даного котла - 1325 годин/рік (приймається 50,0% від часу роботи всієї котельні, тому що всього встановлено 2 котли). Вироблено теплоенергії - 2835 Гкал/рік (дані за 2007 рік) К.К.Д. котла - 91,2% (дані за 2007 рік) Питома витрата - 156,6кг.у.п/Гкал (дані за 2007 рік) Потужність димососа й вентилятора - 40кВт Розрахунок економічної доцільності модернізації: На сьогоднішній день у котельні операторами й апаратниками, що мають посвідчення операторів котельні, працює 14 чіл. У двох змінах по 4 чоловік, і у двох змінах по 3 чоловік. Тобто є можливість скорочення 2 чоловік. При цьому річна економія коштів складе: Езарп. = 1,96 тис. грн * 2 чоловік *12 місяців = 47,04 тис. грн. Орієнтовне підвищення КПД котла, за рахунок встановлення нового пальника складе 2,0%, через оптимальну організацію структури факелу та більш якісного змішування повітря та пального. При цьому питома норма, після підвищення ККД до 93,2% складе: (142,8/93,2)*100 = 153,2 кг.у.п./Гкал. де 142,8 – витрата палива на 1Гкал при ККД 100% Тоді економія палива від підвищення ККД складе: (156, 6-153,2)*2835=9639 кг.у.п = 9,64 т.у.п В розрахунку на природний газ це дорівнює 9,64/ 1,16 = 8,3 тис.м3 природн. Газу де 1,16 – середнє значення калорійного еквіваленту При вартості 1,0 тис. м3 1800 грн., економія по паливу за рік складе Егаз = 1800*8,3=14,94 тис. грн./рік Встановлення частотного регулятора на димососі й вентиляторі, дозволяє заощаджувати від 20,0% до 35,0%.електроенергії.Візьмемо середню економію в розмірі 25,0%, що і приймемо у наших розрахунках. Так як, сумарна електрична потужність становить 40,0 кВт, то економія від застосування складе: 40кВт*0,25 = 10кВт. Час роботи котла -1325 годин у рік, тоді 10кВт*1325годин = 13250 кВт/рік. Згідно даним СП "Енергозбут" вартість 1 кВт по 2 класу становить 0,61 грн. Тоді економія складе: Еєл.єн. =13,25 тис. кВт *0,61 грн = 8,08 тис. грн. Розрахункова річна економія за трьома складовими: Епальник =47,04 (оплата праці) + 14,94 (екон. на газі) + 8,08 (екон. по ел.ен.) = 70,06 тис. грн. Строк окупності складе: 297,3/70,06 - 4,2 роки. Необхідно врахувати, що при встановлені нового пальника, час роботи даним котлоагрегатом можна та і потрібно підвищити хоча б до 75,0% від загального часу роботи котельної тобто до 2000 год/рік. Тоді економія по енергоносіям зросте до 82,0 тис.грн а термін окупності знизиться до 3,5 років. В той же час, при вартості газу з 01.01.2009 для промислових підприємств становить 2,5 тис.грн термін окупності значно знизиться. 7.3 Розрахунок економічної доцільності встановлення гідродинамічного нагрівача на мийну машину ММД – 12 Дані для розрахунку: Вартість модернізації – 40,55 тис. грн. Фонд часової оплати праці одного оператора – 7,5грн/год. Необхідна кількість теплоти для мийної машини – 118,75Гкал Витрата палива котлом на 1Гкал – 156,6 кг.у.п/Гкал Вартість 1,0 тис. м3 природного газу – 1800 грн Потужність димососа, вентилятора й живильного насоса - 46кВт Вартість 1кВт/год по 2 класу - 0,61 грн Розрахунок економічної доцільності модернізації: Розраховуємо вартість 1Гкал відпущеної з котельні локомотивного депо, для цього необхідно розрахувати декілька складових частин, які входять в вартість 1Гкал це: - затрати на паливо; - фонд оплати праці; - затрати на електроенергію; - додаткові затрати (складають 5–7% від загальних); Розраховуємо затрати на паливо 156,6*118,75=18,6т.у.п Для виробництва необхідної кількості тепла нам необхідно 18,6т.у.п, щоб перевести це паливо в природній газ нам необхідно застосувати середнє значення калорійного еквіваленту яке для природного газу складає 1,16. 18,6/1,16=16,03тис.м3 Знаходимо необхідну суму грошей для палива Зпаливо = 16,03*1800=28,854тис.грн Розраховуємо затрати на оплату праці. Продуктивність встановленого котла МЕ-4,0/1,4ГМ складає 2,24Гкал за годину. Знаходимо час роботи котельні: 118,75/2,24=53години В котельні працюють 4 людини за зміну. Знаходимо сумму грошей для оплати праці. Зпраці = 53*7,5*4=1590грн Знаходимо затрати на електроенергію: Зел.ен = 53*46*0,61=1487,18грн Знаходимо додаткові затрати: Здодаткові = (28854+1590+1487,18)*0,06=1915,9грн Таким чином вартість 1Гкал складає: ЦГкал =(28854+1590+1487,18+1915,9)/118,57=285,5грн Загальна сума коштів які необхідно затратити для отримання 118,75Гкал складає: Ззагальні = 285,5*118,75=33,9тис. грн Розраховуємо затрати коштів необхідних для вироблення необхідної кількості тепла за допомогою гідродинамічного нагрівача. До встановлення прийметься УГД "Термер-75" з наступними технічними характеристиками: -Встановлена потужність 75кВт; -Максимальна теплова продуктивність 0,063Гкал/год Використовувати гідродинамічний нагрівач пропонуються в часи пільгового тарифу. Для підприємств він складає 0,25*Т. Дійсний цей тариф з 2300 до 700 . Знаходимо вартість пільгового тарифу: 0,25*0,61=0,1525грн/кВт*год Знаходимо затрати коштів на ел.ен. за добу: 75*0,1525*8=91,5грн Знаходимо скільки теплоти виробляє нагрівач за добу: 0,063*8=0,504Гкал Знайдемо скільки діб нам необхідно щоб виробити необхідну кількість тепла для мийної машини: 118,75/0,504=235діб При цьому буде затрачено коштів на ел.ен.: Знагрівач = 235*91,5=21,5тис. грн Строк окупності складе: 40,55/(33,9-21,5)=3,3роки 7.4 Розрахунок економічної доцільності за рахунок підключення будівлі відпочинку локомотивних бригад до котельні локомотивного депо Дані для розрахунку: Фонд оплати праці одного оператора – 1,96грн/місяць. Необхідна кількість теплоти для будівлі відп. локомотивних бригад – 212,37Гкал Витрата палива котлом на 1Гкал – 213,0 кг.у.п. /Гкал Вартість 1,0 тис. м3 природного газу – 1800 грн Довжина теплотраси – 400м Вартість 1м.п. теплотраси – 300грн Ціна 1т вугілля – 700грн Вартість 1Гкал – 285,5грн В даному розділі приведений розрахунок економічної доцільності за рахунок демонтожа котельні будівлі відпочинку локомотивних бригад і підключення цієї будівлі до котельні локомотивного депо. Спочатку треба розрахувати грошові затрати на утримання цієї котельні, які складаються з: - затрати на паливо - затрати на оплату праці операторам Розрахуємо необхідну кількість т.у.п а потім вугілля, яке необхідно для будівлі відпочинку локомотивних бригад. 212,37*213=45,23т.у.п 45,23/0,732=61,78т вугілля де 0,732 – середнє значення калорійного еквіваленту Знайдемо кошти, які необхідні на паливо Звугілля = 61,78*700=43,25тис. грн. Знаходимо необхідну кількість грошей для оплати операторам котельні. Штат котельні складає – 4людини. Зпраці = 4*1,96*12=94,08тис. грн. Розраховуємо кошти, які необхідні на утримання цієї котельні Ззагальні = 43,25+94,08=137,33тис. грн.. Розрахуємо кошти необхідні на монтаж теплотраси Зтраса = 400*300=120тис. грн.. Знаходимо кошти для отримання необхідної теплоти котельною локомотивного депо. Згаз = 285,5*212,37=60,63 тис. грн. Знаходимо економію коштів Е= Ззагальні - Згаз =137,33-60,63=76,7 тис. грн. Строк окупності даного проекту складе 120/76,7=1,6роки 7.5 Розрахунок економічної доцільності встановлення інфрачервоного опалення Дані для розрахунку: Потужність встановлюемого нагрівача – 20кВт; Номінальне споживання газу be – 2,26м3 /год Ціна 1Гкал – 285,5грн Ціна 1тис. м3 природнього газу – 1800грн Ціна одного комплекту нагрівача – 8964грн Знайдемо необхідну кількість нагрівачів вона дорівнює необхідну потужність поділити на потужність нагрівача L=Рн /20=700/20=35шт де L – кількість нагрівачів Рн – необхідна потужність Необхідна кількість коштів для закупівлі обладнання О=35*8964=313740грн=313,74тисгрн Вартість монтажу складає 30% від вартості обладнання М=313,74*0,3=94,12тис. грн. Загальні затрати Зобщ =О+М=313,74+94,12=407,86тис грн Максимальне споживання газа за годину складе Вгн =L* be =35*2,26=79,1 м3 /год З обліком дежурного режиму, який складає 30% витрати газа в основному режимі, витрати газа в опалювальний період складуть Вг = Вгн (t1 *114+kз *t2 *114)=79,1(8*114+0,3*16*114)=115тис. м3 де t1 , t2 – час роботи опалювальної системи в основному, дежурному режимі в рабочі дні. 114 – кількість робочих днів в опалювальному періоді. kз – коефиціент використання теплової потужності нагрівача в дежурному режимі Знайдемо кількість коштів Зн =115*1800=207000грн=207тис. грн Знайдемо необхідно кількість коштів необхідних для отримання тепла якщо водяне опалення Зв.оп. =1099,14*285,5=313804грн=313,8тис. грн. Річна економія коштів складе Е= Зв.от. -Зн =313,8-207=106,8тис грн. Знайдемо строк окупності проекту 407,86/106,8=3,8роки 8. ОХОРОНА ПРАЦІ Загальні відомості про підприємство Даним проектом передбачена реконструкція котельні електровозного депо "Жовтень" у Харкові. Котельня призначена для технологічних потреб депо, централізованого теплопостачання систем опалення, вентиляції і гарячого водопостачання комунально-побутових підприємств, житлових і суспільних будинків. Режим роботи котельні цілодобовий. У котельні встановлені два котли МЕ-4-1,4ГМ. Вони обладнані тягодутьовими машинами і живильними насосами. Напруга мережі загального освітлення і живлення машин – 380/220 В, місцевого і переносного – 12 В. У зміну на котельні працює 14 людей, у обов'язки, яких входить підтримка у робочому стані усіх машин і механізмів, а також контроль якості живильної води. Аналіз потенційної небезпеки при експлуатації котельні Керівництво та відповідальність за безпечність експлуатації котлів, основного та допоміжного обладнання покладається на начальника котельні електровозного депо. Котельні агрегати і все обладнання котельні повинно знаходитися під постійним наглядом, як об’єкт підвищеної небезпеки. Тому безпосереднє цілодобове обслуговування котлоагрегатів та всього устаткування котельні здійснюється силами обслуговуючого персоналу. За час чергування оператори котлів слідкують за належною роботою котлів і всього обладнання котельні, суворо дотримуючись встановленого режиму роботи котлів. Надійна і економічна робота котельної установки в значній мірі залежить від правильної організації водного режиму котлів. Черговий персонал хімічної лабораторії на протязі всієї зміни періодично стежать за якістю води, виконують хімічний аналіз підживлювальної води, стежать за роботою деаераційної установки. Надійність та безпечна робота котлів і допоміжного обладнання залежить від його належного стану та своєчасного проведення ремонтів. В котельні слюсарі-ремонтники виконують поточний, або капітальний ремонти, вибір і проведення якого регламентується планом проведення і станом обладнання. В проміжках між цими видами ремонту можуть виконати ремонтні роботи, котрі необхідно виконувати на діючому агрегаті: підтягування сальників запірної арматури, усунення парування, течі води, усунення нещільностей в обмурівці, газоходах, повітроводах, добавлення, або зміна змазки підшипників обертаючих механізмів і т.п. Всі ці види робіт відносяться до дрібного ремонту, який виконується черговим слюсарем по обладнанню. В котельні є небезпечні та шкідливі виробничі фактори. Найбільш характерні з них наступні: небезпечні - електричний струм, розташування робочого місця, або місця проведення ремонту на висоті; шкідливі - можливість загазування повітря в робочій зоні, можливість утворення вибухово та пожежо небезпечних сумішей в приміщеннях подавання рідкого палива (мазуту). Представляють небезпечність ємності, працюючи під тиском (підігрівачі, деаератори, трубопроводи пару та гарячої води), підвищені рівні шуму і вібрації на робочому місці, підвищена температура поверхонь обладнання і повітря робочої зони, недостатня освітленість робочих місць. Обслуговуючий персонал котельні зазнає нервово-емоціональні напруги, пов’язані зі змінністю роботи та великою відповідальністю за нормальний режим роботи обладнання. Елементом підвищеної пожежної небезпеки в комплексі котельні є установка мазутопостачання, яка включає в себе два надземних металічних резервуари для рідких присадок, а також установка очищення стокових вод, де можливе утворення плівки мазуту на поверхні ливневої води. Міри по забезпеченню безпечної експлуатації котельні Даний проект розроблений з урахуванням забезпечення безпечних умов праці для обслуговуючого персоналу котельні. Котлоагрегати та допоміжне обладнання оснащені у відповідності діючим нормам і правилам, необхідними технологічними захисними пристроями, що вимикають котел в разі аварійної ситуації. Будівля і конструктивні елементи котельні виконані з не згоряємих матеріалів. В котельній зоні та приміщені деаераційної установки є по два виходи в протилежні сторони. Для зручного і безпечного обслуговування котлів і їх елементів встановлено постійні майданчики і сходи з перилами. Для управління роботою та забезпечення нормальних умов експлуатації котли обладнані арматурою, контрольно-вимірювальними приладами і приладами безпеки, досяжними для нагляду і обслуговування. Показниками, що характеризують мікроклімат, є: 1) температура повітря; 2) відносна вологість повітря; 3) швидкість руху повітря; 4) інтенсивність теплового випромінювання. Оптимальні показники мікроклімату поширюються на всю робочу зону, припустимі показники встановлюються диференційовано для постійних і непостійних робочих місць. Оптимальні й припустимі показники температури, відносній вологості й швидкості руху повітря в робочій зоні виробничих приміщень повинні відповідати значенням. Припустимі величини показників мікроклімату встановлюються у випадках, коли по технологічних вимогах, технічним і економічним причинам не забезпечуються оптимальні норми. У виробничому приміщені котельні на всі періоди року виконана природна притоково-витяжна вентиляція, яка розрахована на асиміляцію теплових надлишків. Об’єм притокового повітря, надходжуючого через віконні фрамуги, компенсує об’єм повітря надходжуючого в топки котлів і видаляємого дефлекторами, верхніми відкриваючими віконними фрамугами та жалюзійними решітками. Вентиляція службово-побутових приміщень притоково-витяжна з механічним збудженням. Вентиляція забезпечує параметри мікроклімату у приміщенні котельні відповідно до ДСН 3.3.6.042-99. Вентиляція мазутонасосної виконана приточно-витяжною з механічним збудженням згідно СНиП II-35-76[11] і природна. Видалення повітря передбачено в розмірі 2/3 з нижньої зони і 1/3 з верхньої зони. Витяжна вентиляція з природним збудженням передбачена із верхньої зони приміщення і забезпечує однократний повітрообмін за годину. Притокове повітря мазутонасосної подається в верхню зону приміщення. Вентиляція камери управління резервуарного парку – витяжна з механічним збудженням і природна. Кількість вентиляційного повітря визначено з розрахунку 10-ти разового повітрообміну за годину згідно СНиП II-35-76. Вміст шкідливих речовин у повітрі робочої зони не повинен перевищувати допустимих концентрацій згідно ГОСТ 12.1.005.-88. Для забезпечення нормальних умов праці всі виробничі приміщення, а також допоміжні і службово-побутові освітлюються. Для виробничих приміщень в денний час застосовується природне освітлення, а в вечірній і нічний часи – штучне. Природне освітлення в виробничих приміщеннях здійснюється через бокові вікна. Штучне освітлення здійснюється комбінацією загального освітлення приміщення з місцевим освітленням робочих місць. В якості джерел світла встановлено 20 люмінесцентних ламп потужністю 40 Вт типу ЛБ-40, і лампочок накалювання в службово-побутових приміщеннях та при вході в котельню. Для забезпечення необхідного напрямку світлового потоку електричні лампи встановлені в спеціальні плафони, які забезпечують захист очей від осліплюючої дії. Для здійснення ремонтних робіт в котельні існує мережа штепсельних розеток напругою 12 В. Живлення робочого і аварійного освітлення, яке теж передбачене здійснюється від різних КТП. Норми освітлення приміщень котельні, яким задовольняє даний проект приведені в таблиці 8.1. Робота деякого обладнання котельні супроводжується значним шумом, вібрацією і потрясінням. До такого обладнання можна віднести двигуни насосів, димососи, вентилятори. Для захисту від шуму передбачені наступні заходи: у віконних прорізах передбачене подвійне уплотнення притворів з застосуванням одного з наступних матеріалів: - губчатої гуми ТУ 38.005.204-71; - пористої гуми ТУ38.105867-79; - пенополіурітану. Таблиця 8.1 Норми освітлення приміщень котельні
Приклеювання прикладок до створок виконується за допомогою клею 88 НЦ (ТУ 38-105268-71). Для замазки застосовані типоколові пластики. Максимально допустимі рівні звукового тиску шуму, діючі більше 4 годин (ДСН 3.6.-037-99), яким відповідає даний проект зведені в таблиці 8.2. Обмеження шуму на робочих місцях для людей з різними спеціальностями виконується різними методами. Так пульт управління котельнею безпосереднє місце роботи операторів котлів, розміщують в відділеному звукоізольованому приміщені. Кожний працівник котельні повинен мати засоби індивідуального захисту від шуму – протишумові наушники. Управління шумними машинами здійснюється дистанційно з пульта управління. Таблиця 8.2 Максимально допустимі рівні звукового тиску шуму
Для запобігання вібрацій від роботи двигунів насосів та димососів несучі конструкції будівлі і майданчики не повинні торкатися фундаментів машин. Електропостачання котельні здійснюється від РУ-0,4 КВ трансформаторної підстанції ТП-36. Всі розподільні щитки і збірки розміщені в сталевих шафах, що робить неможливим доторкання до токоведучих частин. Проводи і кабелі прокладені в кабельному каналі, по конструкціям і по стінах на коробах, розташованих на висоті більше 2,5м від полу. Для захисту обслуговуючого персоналу від небезпечної для життя напруги всі металічні частини, що нормально не знаходяться під напругою – заземлені. Захисне заземлення високої і низької напруги виконується загальним. Для вирівняння потенціалів біля КТП виконаний зовнішній контур заземлення. Для заземлення передбачений внутрішній контур заземлення, який зв’язує внутрішнє обладнання котельні з зовнішнім контуром. Прийняті в проекті конструкції мають границю вогнестійкості згідно СНіП II-2-80ж для будов II ступеню вогнестійкості. В будівлях котельні та мазутонасосної передбачений господарсько-протипожежний водопровід та приміщення для зберігання пожежного інвентарю. Передбачена пожежна сигналізація в побутових приміщеннях котельні, в приміщенні мазутонасосної, електрощитової, ГРП, і кожної зали. В якості пожежних сповіщувачів використовуються теплові датчики ТРВ-2, які встановлені у всіх вищевказаних приміщеннях. Датчики ТРВ-2 підключені до приймального пульту пожежної сигналізації ППС-1. При виникненні пожежі передбачається подача світлозвукового сигналу на пульт-табло з вказанням приміщення, в якому виникла пожежа, і відключення притоково-витяжної вентиляції. Внутрішнє пожежогасіння передбачається від внутрішніх пожежних кранів. Зовнішнє – з резервуару запасу води V = 500,0 м3 . Ємність резервуара визначена з умови зберігання води на пожежогасіння мазутного господарства на протязі 6 годин – 425,34 м3 (СНиП II-106-79 п.9.16). Витрата води на внутрішнє тушіння пожежі приймається максимальною по будівлі котельні згідно СНиПII-35-76 і становить 12,6 л./сек. Витрата води на зовнішнє тушіння пожежі, як найбільша прийнята для тушіння резервуарів мазуту і складається з витрати на приготування розчину піноутворювача і витрат на охолодження горящого і сусіднього з ним резервуарів мазуту і складає 23,59 л./сек. Норми прийняті згідно СНиП 106-79. Також для тушіння резервуарів з мазутом передбачена система пожежогасіння зі стаціонарних установлених піно генераторів. Розрахунок теплової ізоляції трубопроводу Для зниження втрат у навколишнє середовище необхідно збільшувати термічний опір поверхні нагрітого тіла. Це досягається нанесенням на нагріту поверхню шару теплової ізоляції. В котельні є велика кількість труб, які розміщуються безпосередньо біля робочого місця оператора та інших працівників котельні, тому відкриті парові труби несуть потенційну загрозу здоров’ю працівників. Отже теплова ізоляція виконує також захисну роль. В якості теплоізоляції використовують матеріали з низьким значенням теплопровідності і достатньо стабільними теплофізичними характеристиками. Теплоізоляційні матеріали виконують з органічної та неорганічної сировини. На практиці в якості теплоізоляційних матеріалів найпоширеніші такі як пробка, скловата, скло плівка, піношамот, шамотна та діатомітова цегла, пінопласт, вінідур, пінополіуретан. При тепловіддачі в умовах вільної конвенції і температурі навколишнього середовища t = 20 0 С товщину ізоляції можна обчислити за формулою: σіз = 2,75 · (d1 . 2 · λіз 1, 35 · te 1,73 ) · qе 1,5 , м,(8.1) де в – діаметр трубопроводу, мм; te – температура трубопроводу, 0 С; λіз – коефіцієнт теплопровідності ізоляції, Вт/м0 С; qе – лінійна щільність теплового потоку, Вт/м. В котельні даного проекту труба, підлягаюча тепловій ізоляції має діаметр 76 мм. Вона пролягає поруч з робочим місцем оператора і тому найбільш небезпечна. Проектом передбачений тепло ізолюючий матеріал – скловата з коефіцієнтом теплопровідності λ = 0,0372 Вт/м0 С. Температура зовнішньої стіни ізоляції приймається t = 450 С. Тепловий потік qe = 40 Вт/м. σіз = 2,75·(0,0761,2 ·0,03721,35 ·2001,73 )/401,5 = 0,055 м. 9. ЦИВІЛЬНА ОБОРОНА Цивільна оборона України – це державна система органів управління, сил та засобів для організації і забезпечення захисту населення від наслідків надзвичайних ситуацій техногенного, екологічного, природного та воєнного характеру.[12] У даному розділі дипломного проекту розглядається питання "Надзвичайних ситуацій на залізничному транспорті". Найнебезпечнішими наслідками виробничих аварій (катастроф) є пожежі, вибухи, обвали, затоплення, утворення зон зараження, зіткнення об'єктів, що рухаються, і інші наслідки, що приводять до знищення матеріальних цінностей і людських жертв. З метою недопущення виникнення виробничих аварій на будь-якому виробництві необхідно проводити відповідні заходи щодо попередження можливих причин їхнього виникнення. До таких заходів відносяться: створення безпечних умов роботи робітників та службовців об'єкта; розробка заходів щодо безаварійної зупинки виробництва у випадку перебоїв у надходженні енергії, води або сировини; забезпечення стійкості керування виробництвом у різних умовах; створення спецформирований і запасів матеріалів для швидкої ліквідації недоліків і збоїв у роботі й т.п. Обвали. Ці види виробничих аварій найчастіше відбуваються через помилки при проектуванні споруджень. Неправильний облік навантажень або геологічних і гідрологічних умов, недогляду в процесі експлуатації споруджень можуть привести до руйнувань конструкцій. При ліквідації наслідків аварій, викликаних обваленнями й обвалами, організують оточення й охорону місць аварії, рятувальні роботи, що включають пошук, витяг і надання медичної допомоги потерпілим, аварійно-відбудовні роботи; короткострокове й капітальне відновлення. Вибухи. Найчастіше на виробництвах трапляються вибухи агрегатів і посудин, що працюють під тиском (котли, балони й ін.), а також вибухи легкозаймистих і вибухонебезпечних речовин (пари бензину й лакофарбових розчинів, борошняний, цукровий або деревний пил, газ і ін.). Вибухи приводять до руйнування споруджень, будинків і пристроїв, а також до пожеж і людських жертв. При ліквідації наслідків вибухів оточуют і охороняють місце аварії, локалізують і ліквідують пожежі, короткострокове й капітальне відновлення об'єкта. Пожежі. Більшість виробничих аварій (катастроф) супроводжується пожежами, що виникають у результаті вибухів, порушення комунально-енергетичних комунікацій і виробничих процесів. Локалізація й гасіння пожеж при виробничих аваріях і катастрофах дуже затруднена через відсутність прямих під'їздів до місця їхнього виникнення, утворення зон задимлення й загазованості. Керівництво гасінням пожеж у цих випадках, як правило, приймає на себе відповідальний працівник протипожежної служби міста (району), у його розпорядження надходять протипожежні формування об'єкта. Рятувальні роботи й евакуація потерпілих здійснюються одночасно з організацією робіт з гасіння пожежі. Затоплення. У результаті руйнування гідротехнічних споруджень (гребель, дамб) можуть виникнути небезпечні катастрофічні затоплення будинків, споруджень і населених пунктів. У першу чергу приймаються заходи щодо порятунку людей і матеріальних цінностей, а потім усунення причин виниклого затоплення. Для ліквідації виробничих аварій (катастроф) потрібні значні сили й засоби. До складу сил ГО для цих цілей включаються об'єктові й територіальні формування ГО, у тому числі групи загальної й ланки спеціальних розвідок. Ліквідація наслідків великих виробничих аварій (катастроф) включає наступні види робіт: сповіщення робітників та службовців; ведення розвідки; організацію комендантської служби; порятунок людей, надання їм медичної допомоги й евакуацію; гасіння пожеж; локалізацію аварій на комунально-енергетичних мережах; пристрій проїздів і проходів; виявлення загрозливим обвалом будинків і споруджень; монтаж збереженого встаткування; організацію всебічного забезпечення перерахованих робіт. Виробничі аварії й катастрофи на залізничному транспорті можуть бути двох видів. Це аварії (катастрофи), що відбуваються на виробничих об'єктах, не зв'язаних безпосередньо з рухом поїздів (заводи, депо, станції й ін.), і аварії поїздів під час руху. Перший вид аварій (катастроф) для об'єктів залізничного транспорту носить загальний характер. Другий - має специфічний характер, пов'язаний з важкими наслідками й перервою в русі поїздів. До стихійних лих, які можуть викликати аварії (катастрофи) на залізничному транспорті або безпосередньо завдати матеріальної шкоди й привести до людських жертв на об'єктах залізничного транспорту, відносяться: землетрусу, повені, обвали, урагани, пожежі й т.п. Лісові й торф'яні пожежі можуть виявитися небезпечними для залізничних об'єктів при виникненні або поширенні в безпосередній близькості від них. Щоб уникнути впливу лісових і торф'яних пожеж залізничні об'єкти (станції, перегони, штучні споруди й ін.) відокремлюють від лісових торф'яних масивів протипожежними загороджувальними смугами й канавами. Щоб уникнути шкідливих впливів деяких видів стихійних лих на залізничні об'єкти передбачаються відповідні інженерні спорудження. Так, для захисту залізничної колії від кам'яних і сніжних обвалів споруджують спеціальні галереї й підпірні стінки. Від розмиву земляного полотна влаштовують водовідвідні й берегоукріплювальні спорудження (канави, дамби, траверси й ін.). Виробничі аварії й катастрофи, що відбуваються на об'єктах залізничного транспорту, так само, як і на об'єктах народного господарства, як правило, є результатом порушення правил технічної експлуатації, технологічних процесів при виробництві й ремонті рухомого складу, несвоєчасному й неякісному технічному обслуговуванні, а також впливу деяких ще маловивчених явищ природи. У Міністерстві транспорту й зв'язку України, на дорогах і їхніх відділеннях створені спеціальні служби забезпечення безпеки руху поїздів. Її представники здійснюють контроль за суровим дотриманням "Правил технічної експлуатації" і інструкцій із всіх служб (експлуатації, колії, локомотивному й вагонному господарству, зв'язку і ін.), періодичну перевірку знань всіх цих інструкцій працівниками залізниць, проводять розслідування причин аварій і ведуть роботу із профілактики аварій. Особлива увага служба забезпечення безпеки руху поїздів приділяє питанням утримання колії й штучних споруд, дотриманню габаритів на залізницях, змісту й ремонту рухомого складу й пристроїв зв'язку й СЦБ. На залізничних станціях і вузлах на порівняно невеликій території звичайно зосереджується велика кількість вагонів з різними вантажами, у тому числі з вогненебезпечними (ГСМ), вибухонебезпечними (ВВ) і отруйними речовинами (СДЯВ). Тут же можуть бути поїзда з людьми. Вагони в поїздах і на сусідніх коліях перебувають у безпосередній близькості друг від друга, що створює небезпеку швидкого поширення вогню, а доступ пожежних засобів до місця горіння затруднений через відсутність проїздів і проходів, особливо поперек залізничних колій. Прокладка пожежних шлангів поперек колій затруднена, шланги доводиться прокладати під рейками, проробляючи поглиблення в баласті. Цистерни із ГСМ, ВВ легко займаються від нагрівання, поширюючи горіння на більші площі. Вибухи цистерн можуть утворити зони небезпечного зараження. Ліквідація пожеж на території залізничних станцій і вузлів пов'язана з необхідністю виводу составів з території станції на перегони, тупики й під'їзні колії. У першу чергу підлягають виводу поїзда з людьми й небезпечними вантажами. На електрифікованих ділянках у випадку виникнення пожеж варто знеструмити станційні колії й використовувати тепловози для розосередження составів. З огляду на підвищену пожежонебезпеку об'єктів залізничного транспорту й складність гасіння пожеж, на залізницях і їхніх відділеннях створені спеціальні протипожежні служби. На великих залізничних станціях і вузлах передбачається система пожежного водопостачання, пожежні поїзди, пожежні депо й спеціальні формування ГО. На об'єктах залізничного транспорту для гасіння пожеж широко застосовують воду, а також пінні й вуглекислотні вогнегасники. Вода може подаватися із системи залізничного водопостачання або з наявних відкритих джерел (рік, озер і ставків), а також з міських систем водопостачання за допомогою насосних станцій на автомобільному ходу (пожежних цистерн АЦ-30, пожежних автомобілів і повітряно-пінного гасіння АВ-40 і мотопомп типу М-600). При значному віддаленні води від пожежі можуть використовуватися трубопровідні пожежні підрозділи військових частин. Для зниження пожежонебезпеки поїзда з пально-мастильними й вибуховими речовинами по можливості пропускаються через великі залізничні вузли без зупинки або приймаються на спеціально відведені для них колії, вилучені від приемоотправочных пасажирських і вантажних колій. Гасіння пожеж у пасажирських і вантажних поїздах у колії проходження покладається на поїзні бригади й провідників пасажирських вагонів. На станціях за стан протипожежного захисту несе відповідальність начальник станції (начальник ГО об'єкта). У його розпорядженні є формування ГО й засобу пожежогасіння. Роботами з ліквідації наслідків аварій і катастроф керує, як правило, начальник відділку залізниці (начальник ГО відділення дороги). Роботи ведуться безупинно.[2] Таким чином, підприємства залізничного транспорту відіграють важливу роль у створенні безпечних умов та ліквідації наслідків надзвичайних ситуацій. Cвоєчасна організація та функціонування цивільної оборони на залізничному транспорті дозволяє своєчасно реагувати на зміни та виконувати свої обов’язки перед державою. ВИСНОВОК Локомотивне депо потребує для технологічних цілей і опалення цехів теплоносій який виробляється в котельній локомотивного депо. В проекті виконаний аналіз можливості забезпечення потреб депо теплом з меншими затратами на його виробництво. Після вивчення обладнання котельні і локомотивного депо було прийнято рішення про перевід котла з парового режиму на водогрійний режим. В даному випадку це доцільно так як в депо пара необхідна лише для хімчистки яку можна забезпечити відповідним теплоносієм за допомоги встановлення парогенератору безпосередньо на об’єкті, а тому захід з переводу котлів на водогрійний режим дає можливість економії палива до 20%. Також було прийнято рішення про заміну пальника ГМ на більш сучасний пальник фірми Weishaupt (Німмечина), що дає можливість підвищення ККД котла до 2,0% за рахунок оптимальної організації структури факелу та більш якісного змішування повітря та пального, а також зменшення витрат електроенергії з встановленням частотного регулювання на димососі. Було розглянуто встановлення гідродинамічного нагрівача на мийну машину ММД-12, яка використовує теплоносії температурою не менше 950 С для чистки колісних пар та різних деталей електровозу. Це встановлення дає можливість працювати мийній машині незалежно від котельні і економити кошти на вироблення тепла. Встановлення променевого опалення в деяких цехах локомотивного депо замість водяного опалення дає нам можливість економії природного газу на 30%-40% Також було розглянуто перевід будівлі відпочинку локомотивних бригад яка опалюється вугільною котельною підключенням до котельні локомотивного депо. Був зроблений техніко економічний розрахунок усіх наведених вище заходів. Таким чином, було доведено, що запропоновані заходи сприятимуть більш ефективній та енергетично доцільній роботі електровозного депо "Жовтень". ПЕРЕЛІК ПОСИЛАНЬ 1. "Инструкция по нормированию расхода котельно–печного топлива, тепловой и электрической энергии", М: Экономика, 1971. 2. Інструкція з нормування витрат тепла і палива для стаціонарних установок залізничного транспорту, Київ-2003, 154с. 3. Глущенко Л.Ф., Шевцов Д.С., Кунцевич Б.В. " Перевод промишленно-отопительных котлов с парового на водогрейный режим." – К., "Будівельник", 1982 – 57с. 4. Роддатис К. Ф., Полтарецкий А. Н. "Справочник по котельным установкам малой и средней производительности." – М., "Энергоатомиздат", 1989 – 286 с. 5. Збірник типових енергоощадних заходів у теплоенергетиці, Київ-2008 6. Каталог теплогенераторов УГД "Термет"-2003. 7. Каталог продукції ООО "Спецмаш" 2004р. 8. Справочник Промышленная теплоэнергетика и теплотехника /Под общ. ред. В.А. Григорыва, В.М. Зорика - 2е изд. перераб. - М:Энергоатомиздат, 1991 - 588 с. 9 . Сибаров Ю.Г. и др. "Охрана труда на железнодорожном транспорте", М: Транспорт, 1981. — 112 с 10. Логунов Л.Ф., Осипов Г.Л. "Борьба с шумом в машиностроении", М: Машиностроение, 1980.-285 с. 11. Справочник проектировщика "Защита от шума", М: Стройиздат,1974 12. Закон України № 2974-ХІІ від 3 лютого 1993 р. "Про цивільну оборону України" із змінами і доповненнями 13. Гражданська оборона на залізничному транспорті: Підручник для вузів залізничного транспорту/ І.І. Юрпольский, Г. Т. Ільін: Транспорт,1987- с.272. 14. Положення "Про цивільну оборону України", постанова Кабінету Міністрів України. |
|||||||||||||||||||||||||||||||||||||||||||||||||||||||||||||||||||||||||||||||||||||||||||||||||||||||||||||||||||||||||||||||||||||||||||||||||||||||||||||||||||||||||||||||||||||||||||||||||||||||||||||||||||||||||||||||||||||||||||||||||||||||||||||||||||||||||||||||||||||||||||||||||||||||||||||||||||||||||||||||||||||||||||||||||||||||||||||||||||||||||||||||||||||||||||||||||||||||||||||||||||||||||


(4.11)


