Курсовая работа: Средства постановки помех и помехозащиты РЛС
|
Название: Средства постановки помех и помехозащиты РЛС Раздел: Рефераты по коммуникации и связи Тип: курсовая работа | |||||||||||||||||||||||||||||||||||||||||||||||||||||||||||||||||||||||||||||||||||||||||
ФЕДЕРАЛЬНОЕ АГЕНТСТВО ПО ОБРАЗОВАНИЮ РЯЗАНСКИЙ ГОСУДАРСТВЕННЫЙ РАДИОТЕХНИЧЕСКИЙ УНИВЕРСИТЕТ КАФЕДРА РАДИОТЕХНИЧЕСКИХ СИСТЕМ ПОЯСНИТЕЛЬНАЯ ЗАПИСКА к курсовой работе по дисциплине: "Теоретические основы радиоэлектронной борьбы" на тему: "СРЕДСТВА ПОСТАНОВКИ ПОМЕХ И ПОМЕХОЗАЩИТЫ РЛС" Автор работы Федосеев А.И. Руководитель Кошелев В.И. Рязань 2007 г. ФЕДЕРАЛЬНОЕ АГЕНТСТВО ПО ОБРАЗОВАНИЮ РОССИЙСКОЙ ФЕДЕРАЦИИ РЯЗАНСКИЙ ГОСУДАРСТВЕННЫЙ РАДИОТЕХНИЧЕСКИЙ УНИВЕРСИТЕТ КАФЕДРА РАДИОТЕХНИЧЕСКИХ СИСТЕМ ЗАДАНИЕ НА КУРСОВУЮ РАБОТУ по дисциплине "Теоретические основы радиоэлектронной борьбы" Студент _ Федосеев А.И. ___________код________ группа 311 Тема: "СРЕДСТВА ПОСТАНОВКИ ПОМЕХ И ПОМЕХОЗАЩИТЫ РЛС" Срок представления курсовой работы к защите " 10 " мая 2007 г. Исходные данные для проектирования: а). Исходные данные к курсовой работе: Тип РЛС: Параметры РЛС: дальность обнаружения цели не менее R= 200+10*М =360км (М - номер по журналу); определяемые координаты цели: Параметры цели: ЭПР цели Е = (7 - М/5) =3,8м2 , максимальная скорость цели V = (1000-10*М), м/с=840м/с; Виды применяемых помех: (активная, пассивная, уводящая по дальности (скорости), на частоте сканирования) б). Требования к проекту Разработать алгоритмы, структурные схемы постановщика помех и средств помехозащиты радиолокационной станции, провести анализ эффективности применения средств помехопостановки и помехозащиты. Обязательные разделы пояснительной записки курсовой работы Титульный лист. Задание на курсовую работу. Содержание. Введение. Анализ задачи и ее формализация. Расчет параметров помехопостановщика (мощность передатчика помех, средств создания помех, параметров помех). Расчет зон прикрытия помехами (пассивными и активными). Расчет параметров средств помехозащиты (алгоритма помехозащиты структуры и параметров). Анализ эффективности применения комплекса помех и средств помехозащиты. Оценка требований к аппаратно-программным ресурсам средств конфликтующих сторон. Выбор и технико-экономическое обоснование технологической базы для реализации проекта. Составление структурной схемы устройства и описание ее работы Заключение Список использованных источников Графические материалы (1 л.) Руководитель работы В.И. Кошелев Задание принял к исполнению студент ______________________ Варианты заданий на КР (М - номер по списку в журнале группы) Группа 311
Содержание 1). Введение 2). Анализ задачи и ее формализация 4). Расчет зон прикрытия помехами (пассивными и активными) 5). Расчет параметров средств помехозащиты (алгоритма помехозащиты, структуры и параметров) 6). Анализ эффективности применения комплекса помех и средств помехозащиты 7). Оценка требований к аппаратно-программным ресурсам средств конфликтующих сторон 8). Выбор и технико-экономическое обоснование технологической базы для реализации проекта 9). Составление структурной схемы устройства и описание ее работы 10). Заключение 11). Список использованных источников 1). ВведениеСовременный подход к проектированию радиотехнических систем (РТС) базируется на научно обоснованных методиках расчета входящих в них подсистем с учетом целевого назначения, условий функционирования и модельного описания информационных сигналов и помех. Обеспечить высокое качество проектирования в короткие сроки возможно лишь при использовании компьютерной технологии на всех этапах разработки РЛС. Проектирование базируется на принципах системного подхода, основные из которых состоят в задании критериев эффективности, решении оптимизационных задач и сравнении вариантов реализации систем. Существует множество способов классификации РЛС. В частности они могут классифицироваться по назначению, характеру принимаемого сигнала, способу обработки, архитектуре и т.д. В самом общем виде РЛС делят на информационные и управляющие. К первым относятся системы для сбора информации о наблюдаемых воздушных, космических и наземных объектах. Ко второму типу относятся РЛС управления объектами по данным радиолокационных измерений, такие как РЛС управления воздушным движением. 2). Анализ задачи и ее формализацияОсновываясь на требованиях технического задания нам необходимо создать средства постановки помех и помехозащиты для радиолокационной станции управления воздушным движением работающей по трем координатам: дальности, азимуту и углу места. Разработать для нее алгоритмы и методы постановки помех: активной шумовой и пассивной, а так же предусмотреть методы защиты нашей станции от данных видов помех. В т. ч. разработать структурные схемы постановщика помех и средств помехозащиты радиолокационной станции, провести анализ эффективности применения средств помехопостановки и помехозащиты. Исходными данными является дальность обнаружения цели (равная 360км), ЭПР цели (=3,8м2 ), максимальная скорость цели (=840м/с), а так же виды помех: активная и пассивная. Для удобства расчет параметров РЛС будем производить с использованием компьютерной программы “Стрела 2.0”. Расчет параметров средств помехозащиты произведем посредством математического пакета “Mathcad2001”. Далее будет представлен расчет данной РЛС в пакете “Стрела 2.0”.
Рис 1. Используем расчет параметров РЛС классическим методом. На рис1. представлено диалоговое окно программы в котором мы задаем тип РЛС по основному режиму работы - когерентно-импульсная, по назначению - наземная. Высота установки антенны равна 15м. В станции будет использоваться обработка по средством режекции и когерентного накопления. Однозначно измеряемую дальность зададим согласно техническому заданию, а именно 360км.
Рис 2. На рис.2 представлено диалоговое окно программы, в котором задаем тип сигнала - простой ( применение сложного сигнала позволяет увеличить разрешающую способность по дальности при неизменной разрешающей способности по скорости, но та как в нашем случае определение скорости не требуется, от применения сложного сигнала мы откажемся, чтобы не усложнять систему), длина волны - равна 10 м, а так же тип поляризации - вертикальная. помехозащита радиолокационная система
Рис.3 На Рис.3 представлено диалоговое окно программы, в котором задаются параметры помехи и цели. Параметры цели задаем согласно техническому заданию: эффективная поверхность рассеивания (ЭПР) - 3,8 Параметры же пассивной помехи необходимо задавать таким образом, чтобы ширина спектра флуктуации помехи, нормированная к периоду повторения РЛС находилась в пределах:
Где
Где
именно это значение ширины спектра флуктуации помехи задаётся в программе. Диэлектрическую проницаемость отражающей поверхности априорно неизвестна, поэтому используем значение, установленное по умолчанию,=10. ЭПР помехи необходимо задать так, чтобы отношение шум/помеха на входе приёмника было равным - 50…-60 Дб. Как в дальнейшем покажет расчёт, при ЭПР помехи равной 1000
Рис.4 На Рис.4 представлено диалоговое окно программы, в котором задаёмся мощностью передатчика РЛС равной 550 КВт, что вполне соответствует реальным РЛС ведущим работу на заданной дальности. Коэффициент усиления антенны задаём равным 700, (у современных РЛС этот параметр лежит в пределах 300…800) для обеспечения наилучшего отношения шум/помеха на входе. Энергетическая дальность должна соответствовать однозначно измеряемой дальности, то есть 360 км. Разрешающую способность по дальности Вероятность правильного обнаружения задаём на уровне 0,9, а вероятность ложной тревоги на уровне
Рис.5 На Рис.5 представлено диалоговое окно программы, в котором задаём диапазоны углов сканирования в азимутальной и угломестной плоскостях. Так как в техническом задании эти параметры не оговорены, то принимаем что проектируемая РЛС будет иметь сектор сканирования в азимутальной плоскости от 0 до 60 градусов, с разрешением 1 градус, а в угломестной плоскости сектор сканирования будет от 0 до 30 градусов, с разрешением 5 градусов. Расчёт параметров РЛС будем производить исходя из времени обзора сектора сканирования, которое зададим равным 10000мс (=10с).
Рис.6 На Рис.6 представлено диалоговое окно программы в котором отображены результаты расчёта РЛС, относительно заданных параметров. Необходимая мощность передатчика практически соответствует заданной, обеспечивается небольшой запас по максимальной энергетической дальности, он составляет 14,9 км. Разница в коэффициентах улучшения сигнал/ (помеха+шум) оптимальной и рассматриваемой системы составляет 2 Дб. Наиболее существенным стоит отметить, что отношение сигнал/помеха на входе составляет - 24,2 Дб, отношение шум/помеха - 51,3 Дб, в дальнейшем будет приведён расчёт режекторного фильтра, который будет подавлять эту помеху до уровня шумов. Отношения сигнал/шум и сигнал/ (помеха+шум) на входе соответственно равны 27,09 Дб и - 24,2 Дб. Частота повторения и период следования импульсов соответствуют значениям, рассчитанным выше. Однозначно определяемая дальность соответствует заданной, то есть 360 км, однозначно измеряемая скорость составляет 1042 м/с. Относительная ширина спектра помехи составляет 0,09984 (приближенно 0,1), как и было показано ранее. При заданном времени обработки 10 с, время обработки в одном направлении составляет 27,78 мс. Общее число импульсов в пачке составляет 11, выигрыш в отношении сигнал/шум 10,41 Дб, выигрыш в отношении сигнал/ (помеха+шум) 61,71 Дб, пороговый сигнал с учётом потерь - 24,91Дб, а разница порог-выигрыш сигнал/ (помеха+шум) - 0,7038 Дб.
Рис.7 (Зависимости основных параметров) На основе представленных на Рис.7 графиков видно, что при полученных в расчётах 11 импульсах в пачке обеспечивается максимальная энергетическая дальность 374,9 км, а вероятность правильного обнаружения соответствует заданной на уровне 0,9. Также представлена зависимость максимальной энергетической дальности от мощности передатчика, из корой видно что заданная мощность 550 КВт, обеспечивает заданную энергетическую дальность. Зависимость вероятности правильного обнаружения от энергетической дальности показывает, что при заданной энергетической дальности 360 км, обеспечивается вероятность правильного обнаружения на уровне 0,9. 3). Расчет параметров помехопостановщика (мощность передатчика помех, средств создания помех, параметров помех). Опираясь на полученные выше основные характеристики РЛС, можно перейти к расчету параметров помехопостановщика. Общая задача постановки активных помех - сокрытие объектов или факта передачи радиосигнала в некоторой прикрываемой области пространства. В нашем случае, так как это не оговорено, может предполагаться действие активных помех любых видов. В общем случае цель и постановщик активных помех могут находиться как в одной точке (самоприкрытие объекта), так и в различных точках пространства. В ситуации самоприкрытия эффективность помехи тем выше, чем больше расстояние от радиолокатора до цели и падает по мере сближения с РЛС.
Рис.8 При удалении цели на расстояние больше чем Rцminотношение с/ап уменьшается и не достаточно для обнаружения цели. При приближении цели меньше чем на Rцminот РЛС, с/ап возрастает что создает условия для обнаружения цели. Важным фактором здесь является соотношение мощности передатчика РЛС и постановщика АП. Дальность местонахождения постановщика активных помех должна выбираться из условия превышения на 20-50% дальности максимального обнаружения РЛС. В то время как мощность передатчика активных помех должна составлять не больше 1-10% от мощности передатчика РЛС. Основываясь на приведенных выше соотношениях примем дальность местонахождения постановщика активных помех равной 30% от максимальной дальности действия РЛС, а именно Rпап = 468км; мощность передатчика активных помех P= 22кВт (что составляет 4% от Rрлс). Учитывая свойства антенн метровых волн, большой коэффициент усиления постановщика получить нельзя, следовательно зададимся значением Gпап = 100, что приблизительно соответствует решетке продольного излучения состоящей из полуволновых вибраторов, что практически и реализуется на современных самолетах. Необходимо также учесть, что постановщик может работать как по главному лучу, так и по боковым лепесткам ДН АС рлс. В качестве пассивных помех могут применяться полуволновые вибраторы или диполи разбрасываемые в атмосфере, а так же широкодиапазонные металлизированные ленты, создающие отражение в более широком спектре частот. Далее приведен расчет диполей: Sдmax=0,86* Ширина спектра отражений зависит от разброса скоростей диполей в облаке: Эти и последующие данные будут использованы с целью расчета средств помехозащиты в пакете "Стрела 2.0". 4). Расчет зон прикрытия помехами (пассивными и активными)Передатчик помех несёт на себе воздушное судно, это может быть самолет ДРЛО, самолет радиолокационной разведки и т.д. Рассчитаем зоны прикрытия от расстояния от РЛС до постановщика активных помех. При этом стоит учитывать, как было сказано ранее, что помеха может приходить как по боковым лепесткам, так и по главному лучу ДН РЛС. Допустим что ПАП находиться на расстоянии 468км, с заданной мощностью=22кВт (что было рассчитано ранее). Из графика хорошо видно, что при действии активной помехи по боковым лепесткам ДН антенны РЛС, она будет уменьшать дальность действия РЛС на 30км: Rрлс=330км
Рис.9. График зависимости дальности действия РЛС от расстояния РЛС-ПАП, при действии ПАП по боковым лепесткам ДН РЛС.
Рис.10. График зависимости дальности действия РЛС, от отношения мощностей РРЛС /РПАП , при расстоянии РЛС-ПАП 468 км. В то время как при рассмотрении маловероятного, но вполне реального случая действия ПАП по главному лучу ДН РЛС, дальность действия будет нашей станции составит всего 45км.
Рис.11. График зависимости дальности действия РЛС от расстояния РЛС-ПАП, при действии ПАП по главному лучу ДН РЛС. Из приведенных графиков видно, что применение АШП значительно уменьшает дальность действия РЛС, но в тоже время при несогласовании параметров помехи и подавляемой станции, эффективность помехи значительно снижается. 5). Расчет параметров средств помехозащиты (алгоритма помехозащиты, структуры и параметров)Активные помехи, принятые антеннами РЛС, смешиваются на входе приемника с полезным сигналом и шумом, образуя входную реализацию. Основные особенности взаимодействий АП и полезных сигналов - полное или частичное их совпадение во времени, перекрытие по частоте и различие в направлении прихода радиоволн. При совместной обработке полезных сигналов и помех необходимо учитывать, что и сигнал и помеха являются одновременно функцией времени, частоты, начальных фаз и амплитуд, а также направлений прихода сигналов и параметров поляризации волны, т.е. являются пространственно-временными сигналами. Обычно алгоритм обработки сигналов активных помех разделяют на пространственный и временной алгоритмы. Сначала производится обработка сигнала в пространстве с помощью пространственного фильтра, осуществляемого соответствующим построением антенной системы, затем сигнал подвергается обработке во временной области. Оптимальная пространственная обработка сводится к умножению на комплексный коэффициент передачи сигнала с каждого элемента раскрыва антенны. Для этого необходимо раздельно управлять амплитудой и фазой сигнала в каждой точке раскрыва антенны, чего можно достичь только в ФАР. Положительными свойствами ФАР являются возможность электрического сканирования луча, возможность формирования нескольких лучей, быстрое перемещение луча ДН, но использование ФАР требует существенного усложнения антенной системы за счет введения дополнительных элементов. Одним из наиболее эффективных алгоритмов пространственного подавления помех является использовании адаптивных ФАР (в канале обработке каждого элемента ФАР необходим весовой усилитель или аттенюатор и фазовращатель для настройки на заданное направление приема сигнала). В качестве устройства помехозащиты выберем устройство подавления с деформацией ДН антенны [1, стр. 200], которое в свою очередь позволяет сформировать минимум диаграммы направленности в направлении на источник помех и требует дополнительной антенны (рис.12).
Рис.12 - Структурная схема устройства формирования провала ДН антенны. f0 (Q), f1 (Q) - исходные ДН основной и компенсационной антенн. fΣ (Q) = f0 (Q) +Wf1 (Q) - результирующая ДН антенной системы. Если Q1 - угол прихода помехи, то для компенсации необходимо выполнение условия fΣ (Q1 ) =0, откуда W= - f0 (Q1 ) /f1 (Q1 ). Подставив W в выражение для fΣ (Q), получим fΣ (Q) = f0 (Q) - [f0 (Q1 ) /f1 (Q1 )] f1 (Q) [1, стр. 200]. Таким образом, в направлении на источник помехи образуется провал в ДНА. При действии нескольких помех с ряда направлений необходимо применение большого количества компенсирующих антенн, чтобы антенна А0 и одна из других антенн Аi образовали компенсирующее устройство активной помехи с i-ого направления. Структурная схема устройства пространственной обработки для подавления нескольких пространственных помех приведена на рис.13.
Рис.13 - Схема пространственной обработки для подавления нескольких (N) помех. В качестве временного алгоритма применяем устройство компенсации помех с корреляционными обратными связями [1, стр. 199]. Основная антенна принимает помеху, в то время как дополнительная (компенсационная) антенна принимает помеху от того же источника, но отличающуюся по фазе. Используя сигналы этих каналов, можно сформировать компенсатор с корреляционными обратными связями, в котором будет компенсироваться помеха. Такое устройство обеспечивает минимум среднего квадрата напряжения (мощности) помехи на выходе фильтра (рис.14.).
Рис.14. - Структурная схема компенсатора активной помехи с корреляционными обратными связями. Для подавления пассивных помех, действующих на нашу РЛС (в роли которых могут выступать дипольные отражатели) будем применять режекторный фильтр, а именно линейный режекторный фильтр с симметричными весовыми коэффициентами, который реализуем при помощи пакета “Стрела 2.0”. Отношение шум/помеха на входе РЛС = - 51,3дБ. Режекторный фильтр должен подавлять помеху до уровня шумов, следовательно коэффициент подавления помехи должен составлять около 51,3дБ
Рис 15. На рис 15 представлено диалоговое окно программы в котором зададим вид фильтра - СС (КИХ) фильтр-ЧПК, относительную частоту среза 0,1. Порядок фильтра задаем из соображения, чтобы число импульсов в пачке было не меньше чем порядок фильтра +1.
Рис 16. На рис16 представлено диалоговое окно программы в котором задаем относительную ширину спектра сигнала равной 0,2; вид помехи - с гауссовской формой спектра, относительную ширину спектра флуктуации помехи, как было указано выше, равной 0,1; относительную фазу помехи равной 0. Энергетические соотношения будем задавать на основе полученных ранее, а именно: отношение сигнал/ (помеха+шум) = - 24,2дБ; отношение шум/помеха = - 51,3дБ; количество импульсов в пачке равное 11.
Рис 17. Коэффициент подавления помехи получается равным 50,81дБ, что приемлемо, учитывая последующее накопление. Симметричность же коэффициентов относительно центрального будет гарантировать линейность фазовой частотной характеристики фильтра.
Рис 18. (АЧХ фильтра в логарифмическом виде) Структурная схема цифрового режекторного фильтра, в упрощенной форме, имеет следующий вид (Рис 19): чтобы упростить аппаратную реализацию устройства сократим количество умножителей основываясь на симметричности коэффициентов фильтра.
Рис 19. Для того чтобы фильтр нормально работал необходимо, чтобы на его вход поступало не менее Nотсчетов, (где Nпорядок режекторного фильтра). Посредством остальных 11-6=5 отсчетов можно произвести когерентное накопление. 6). Анализ эффективности применения комплекса помех и средств помехозащитыЭффективность применения режекторного фильтра характеризует достигнутый, коэффициент подавления, который равен 50,01 дБ, т.е. сигнал помехи от земной поверхности фильтр подавляет до уровня шумов. Основываясь на этом можно сделать вывод, что помеха практически полностью исключается из дальнейшей обработки. Однако вместе с помехой будет режектирован также и сигнал от малоскоростных целей и целей имеющих только тангенциальную составляющую скорости, летящих перпендикулярно направлению излучения РЛС. Еще одним критерием эффективности является коэффициент улучшения отношения с/п, в спроектированном фильтре, он составляет 33,15 дБ, что означает превышение отношения с/п на выходе над с/п на входе более чем в тысячу раз. Анализ эффективности применения активной помехи заключается в том, что при согласовании параметров АШП с параметрами РЛС дальность действия РЛС снижается в несколько раз, при этом, в случае применения противоборствующей стороной средств помехозащиты, возможно уменьшение влияния помех. Смена несущих частот, работа РЛС в короткие промежутки времени, использование сложных сигналов и длительного когерентного накопления и другие меры помехозащиты затрудняют согласование параметров помехи с РЛС. Если постановщик помех не будет успевать подстраивать свои параметры, то можно добиться почти полного исключения влияния помех на РЛС. 7). Оценка требований к аппаратно-программным ресурсам средств конфликтующих сторонК системе обработки данных РЛС предъявляется требование реализации обработки данных в реальном масштабе времени, что предполагает предъявление соответствующих требований к быстродействию устройств осуществляющих эту обработку. Оценим общее число каналов РЛС, и, зная длительность зондирующего импульса, рассчитаем необходимое быстродействие системы (за время равное длительности зондирующего импульса система должна успевать обрабатывать все каналы). Число каналов дальности:
Каналы по скорости не требуются, так как определение скорости не входит в задачу проектируемой РЛС. Число каналов по угловым координатам 8). Выбор и технико-экономическое обоснование технологической базы для реализации проектаРеализация фильтровых устройств возможна на фильтрах с быстрым преобразованием Фурье (БПФ), или на микропроцессорах. Всё большую роль в цифровой обработке радиолокационной информации начинают играть программируемые логические интегральные микросхемы (ПЛИС), которые обладают гибкой структурой и возможностью смены программы, в отличие, например от микропроцессоров. Реализация типового фильтрового устройства обнаружителя движущихся целей (ОДЦ) многоканально по дальности и скорости. Каналы дальности реализуются либо с помощью селекторов дальности в УПЧ, либо с помощью коммутации ячеек ОЗУ. Каналы скорости образуются ЦФ с помощью БПФ. Селекторы дальности обеспечивают поступление в каждый из mканалов сигналов только с одного элемента разрешения по дальности. В цифровом фильтровом устройстве ОДЦ с подавлением помех информация в ЦРГФ записывается в оперативное запоминающее устройство (ОЗУ), а затем фильтруется на основе n-точечного, алгоритма БПФ (рис. 20).
Рис.20 Структурная схема цифрового фильтрового устройства 9). Составление структурной схемы устройства и описание ее работыСтруктурную схему устройства постановки активных шумовых помех представим в упрощенном виде, так как перед нами не лежит конкретная задача разработки передатчика и антенной системы. Данная схема изображена на рисунке 21:
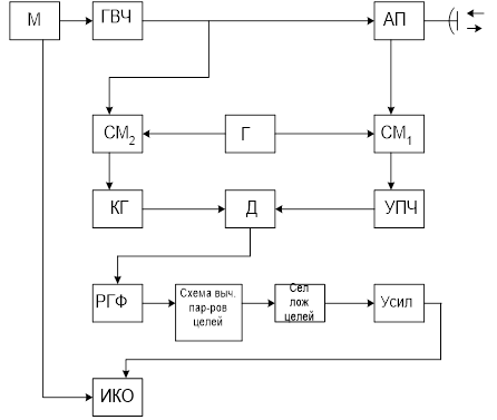
Данная схема использует сложение мощностей и работу на одну антенну. ФАР позволяет сконцентрировать всю энергию в узком луче и направить его на подавляемое РЭС. Это наиболее перспективная схема, к достоинствам которой можно отнести простоту изготовления и применения а также дешевизну конструкции если стоит вопрос о большом количестве изготавливаемых передатчиков. На основе приведенных выше рассуждений и расчетов нам известно что необходимо применять когерентную систему. Ниже приведем один из возможных вариантов построения псевдокогерентного радиолокатора высокой скважности (рис.22). Такое построение когерентно - импульсных радиолокаторов [5, стр.169] характерно при использовании однокаскадных передатчиков. Генератор ВЧ работает в режиме самовозбуждения при модуляции импульсами высокой скважности. Опорный когерентный сигнал формируется когерентным гетеродином, который синхронизируется по фазе импульсами генератора высокой частоты, предварительно преобразованными на пч, так как когерентный генератор работает на промежуточной частоте. Принятые сигналы сравниваются с опорным на пч в детекторе. РГФ осуществляет селекцию сигналов движущихся целей. После этого производится вычисление параметров целей, затем селекция ложных целей. После усиления в усилителе сигналы движущихся целей подаются на индикатор.
Рис.22 Структурная схема псевдокогерентного радиолокатора высокой скважности. 10). ЗаключениеВ результате выполнения курсовой работы был произведен эскизный расчет РЛС, средств помехозащиты и помехопостановщика. Определен набор средств помехопостановки и помехозащиты, а так же их структура. Была освоена методика расчета и основные принципы проектирования РЛС, а так же способы постановки помех, их влияние на работу РЛС и способы борьбы с ними. Таким образом были достигнуты цели и задачи курсовой работы результатом которых является спроектированное устройство удовлетворяющее требованиям ТЗ. 11). Список использованных источников1. Бакулев П.А. Радиолокационные системы: Учебник для вузов. - М.: Радиотехника, 2004, 320 с., ил. 2. Основы системного проектирования радиолокационных систем и устройств: Методические указания по курсовому проектированию по дисциплине "Основы теории радиотехнических систем": Рязан. гос. радиотехн. акад.; Сост.: В.И. Кошелев, В.А. Федоров, Н.Д. Шестаков. Рязань, 1995, 60 с. 3. Финкельштейн М.И. Основы радиолокации: Учебник для вузов. - 2-е изд., перераб. и доп. - М.: Радио и связь, 1983. - 536 с., ил. 4. Радиолокационные устройства (теория и принципы построения) под ред.В. В. Григорина-Рябова: М., "Советское радио", 1970, стр.680. 5. Бакулев П.А. Радиолокация движущихся целей: Учебник для вузов. - М.: "Сов. радио", 1964, 336 с. Приложения
|
























