Курсовая работа: Основні види посадок і область їх використання
|
Название: Основні види посадок і область їх використання Раздел: Промышленность, производство Тип: курсовая работа | ||||||||||||||||||||||||||||||||
Курсова робота Основні види посадок і область їх використання Зміст
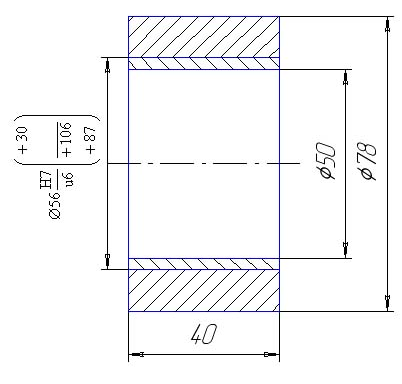
Вступ Завдання 1: Вибір посадки з натягом Завдання 2: Розрахунок перехідної посадки на ймовірність одержання натягів і зазорів Завдання 3: Контроль розмірів (розрахунок виконавчих розмірів калібрів і контркалібров) Завдання 4: Вибір посадки кілець підшипника Завдання 5: Метод центрування й вибір посадки шліцевого з'єднання Завдання 6: Ступінь точності й контрольованих параметрів циліндричної зубчастої передачі Завдання 7: Розрахунок розмірного ланцюга для забезпечення заданого замикаючої ланки Завдання 8: Основні розміри й граничні відхилення нарізних сполучень Завдання 9: Визначення виду шпонкового з'єднання Висновок Список використовуваної літератури Введення Курсовий проект містить у собі рішення завдань по темах: Посадки; Шлицеві з'єднання; Зубчаста передача; Нарізні сполучення; Шпонкові з'єднання; Розмірні ланцюги. Метою рішення завдань є більше глибоке засвоєння основних теоретичних положень і придбання навичок на вибір посадок для різного з'єднання деталей залежно від їхнього технічного призначення (різьбові, шпонкові й інші з'єднання), по складанню й рішенню розмірних ланцюгів, а також удосконалювання навичок пошуку й використання нормативних документів (ДЕРЖСТАНДАРТ, СТ СЕВ і т.д.) і табличних даних. 1. Розрахувати й вибрати посадку для з'єднання 2-3 при наступних вихідних даних натяг посадка центрування граничне відхилення Крутний момент Mкр = 0 Осьова сила Pос = 5300 Н Номінальний діаметр в = 56 мм Довжина контакту l = 40 мм Коефіцієнт тертя-зчеплення f = 0,13 Діаметр внутрішнього отвору d1 = 50 мм Діаметр втулки d2 = 78 мм Матеріал вала Сталь 45 Матеріал втулки БрО4Ц4С17 Вид запресовування Механічна Висота мікронерівностей вала Rzd = 5 мкм Висота мікронерівностей втулки RzD = 10 мкм Робоча температура з'єднання t = 60ْ З Умови працездатності: 1. Відсутність проковзування; 2. Відсутність пластичних деформацій у з'єднанні. При розрахунках використовуються виводи завдання Ляме (визначення напруг і переміщень у товстостінних порожніх циліндрах). За відомим значенням зовнішніх навантажень (Mкр ; Pос ) і розмірам з'єднання (d; l) визначається необхідний мінімальний питомий тиск на контактних поверхнях з'єднання по формулі [1.1]:
де Pос – поздовжня осьова сила, що прагне зрушити одну деталь щодо іншої; Mкр – крутний момент, що прагне повернути одну деталь щодо іншої; l – довжина контакту поверхонь, що сполучаються; f - коефіцієнт тертя-зчеплення.
За отриманим значенням p визначається необхідна величина найменшого розрахункового натягу N’min [1.2]
де E1 іE2 – модулі пружності матеріалів деталей; c1 і c2 – коефіцієнти Ляме, обумовлені по формулах [1.3] і [1.4]
де d1 – діаметр внутрішнього отвору; d2 – діаметр втулки; μ1 і μ2 – коефіцієнти Пуассона. Приймаються значення E1 = 1,96·105 Н/мм2 , E2 = 0,84·105 Н/мм2 , μ1 = 0,3, μ2 = 0,35 (табл. 1.106, стр. 335. Мягков том 1).
Визначаються з урахуванням виправлень до N’min величина мінімального припустимого натягу [1.5]
де γш – виправлення, що враховує зминання нерівностей контактних поверхонь деталей при утворенні з'єднання [1.6]
γt – виправлення, що враховує розходження коефіцієнтів лінійного розширення матеріалів деталей [1.7]
де αD
і αd
– коефіцієнти лінійного розширення матеріалів;
Приймаються значення αD = 17,6·10-6 град-1 , αd = 11,5·10-6 град-1 (табл. 1.62, стр. 187-188, Мягков том 1).
На основі теорії найбільших дотичних напружень визначається максимальний припустимий питомий тиск [pmax ], при якому відсутня пластична деформація на контактних поверхнях деталей. У якості [pmax ] береться найменше із двох значень, певних по формулах [1.8] і [1.9]
де σТ1 і σТ2 – границя текучості матеріалів деталей. Приймаються значення σТ1 =355 МПа (табл. 3, стор. 97, Анурьєв тім 1), σТ2 = 147 МПа (табл. 68, стор. 198, Анурьєв тім 1).
Визначається величина найбільшого розрахункового натягу N’max [1.10]
Визначається з урахуванням виправлень до N’min величина максимального припустимого натягу [1.11]
де γуд – коефіцієнт питомого тиску в торців деталі, що охоплює. Приймається значення γуд = 0,93 (за графіком мал. 1.68, стор. 336, Мягков тім 1).
Вибирається посадка з таблиць системи допусків і посадок (табл.1.49, стор. 156, Мягков тім 1)
для якого Nmax = 106 мкм < [Nmax ], Nmin = 57 мкм > [Nmin ].
мал.1.1
мал.1.2
мал.1.3 2. Для з'єднання 16-17 визначити імовірнісні характеристики заданої перехідної посадки:
мал.2.1
мал.2.2 Розраховується посадка, і визначаються мінімальний і максимальний натяг [2.1], [2.2], [2.3]
поля допусків [2.4], [2.5]
де В - верхнє відхилення отвору; в - верхнє відхилення вала; НВ - нижнє відхилення отвору; нв - нижнє відхилення вала. (В=30 мкм , НВ=-10 мкм , в=25 мкм , нв=0 мкм)
Визначається середнє квадратичне відхилення натягу (зазору) по формулі [2.6]
Визначається межа інтегрування [2.7]
Приймається значення функції Ф(1.65) = 0.4505 (табл. 1.1, стор. 12, Мягков тім 1). Розраховується ймовірність натягів [2.8] (або відсоток натягів [2.9]) і ймовірність зазору [2.10] (або відсоток зазорів [2.11]):
імовірність натягу відсоток натягу імовірність зазору відсоток зазору
мал.2.3 3. Розрахувати виконавчі розміри гладких граничних калібрів (контркалібрів) для контролю деталей з'єднання: 16-17. Розрахунок виконавчих розмірів калібру-скоби для вала h7
мал.3.1 Прохідна сторона розраховується по формулі [3.1], границя зношування - [3.2], непрохідна сторона - [3.3]
де в – номінальний діаметр вала; в – верхнє відхилення вала; нв – нижнє відхилення вала; Z1 – відхилення середини поля допуску на виготовлення прохідного калібру для вала щодо найбільшого граничного розміру виробу; Y1 – припустимий вихід розміру зношеного прохідного калібру для вала за кордон поля допуску виробу. Приймаються значення Z1 = 4 мкм, Y1 = 3 мкм (табл. 2, стор. 8, ДЕРЖСТАНДАРТ 24853-81).
Допуску на виготовлення калібрів для вала (прохідної й непрохідної сторони) приймається H1 = 5 мкм (табл. 2, стор. 8, ДЕРЖСТАНДАРТ 24853-81). Допуску на виготовлення контркалібрів для вала (прохідної й непрохідної сторони, границі зношування) приймається Hр = 2 мкм (табл. 2, стор. 8, ДЕРЖСТАНДАРТ 24853-81). Виконавчі розміри калібру-скоби: прохідна сторона непрохідна сторона Виконавчі розміри контркалібра - скоби: прохідна сторона непрохідна сторона границя зношування
мал.3.2 Розрахунок виконавчих розмірів калібру-пробки для отвору Js8
мал.3.3 Прохідна сторона розраховується по формулі [3.4], границя зношування - [3.5], непрохідна сторона - [3.6]
де в - номінальний діаметр вала; В - верхнє відхилення отвору; НВ - нижнє відхилення отвору; Z - відхилення середини поля допуску на виготовлення прохідного калібру для отвору щодо найменшого граничного розміру виробу; Y - припустимий вихід розміру зношеного прохідного калібру для отвору за кордон поля допуску виробу. Приймаються значення Z = 7 мкм, Y = 5 мкм (табл. 2, стор. 8, ДЕРЖСТАНДАРТ 24853-81).
Допуску на виготовлення калібрів для отвору (прохідної й непрохідної сторони) приймається H = 5 мкм (табл. 2, стор. 8, ДЕРЖСТАНДАРТ 24853-81). Виконавчі розміри калібру-скоби: прохідна сторона непрохідна сторона
мал.3.4 4. Вибрати посадки для кілець 7 і 8 підшипника №421. Клас точності 0 Радіальна реакція в опорах R = 45 кН Перевантаження 100% Характер навантаження: обертовий вал Діаметр внутрішнього кільця в = 105 мм Діаметр зовнішнього кільця в = 260 мм Ширина підшипника B = 60 мм Ширина фаски кільця підшипника r = 4 мм При характері навантаження - обертовий вал внутрішнє кільце випробовує циркуляційне навантаження, зовнішнє - місцеве. Інтенсивність навантаження підраховується по формулі [4]
де R – радіальна реакція в опорах; B – ширина підшипника; r – ширина фаски кільця підшипника, kП – динамічний коефіцієнт посадки, що залежить від характеру навантаження (при перевантаженні до 150%, помірних поштовхах і вібрації kП = 1); F – коефіцієнт, що враховує ступінь ослаблення посадкового натягу при порожньому валу або тонкостінному корпусі (при суцільному валу F = 1, табл. 4.90, стор. 286, Мягков тім 2); FA – коефіцієнт нерівномірності розподілу радіального навантаження R між рядами роликів (FA = 1 для радіальних і радіально-упорних підшипників).
Вибирається посадка Відповідно до класу точності підшипника вибираються посадки кілець: внутрішнє L0-20 (табл. 4.82, стор. 273, Мягков тім 2), зовнішнє l0-35 (табл. 4.83, стор. 276, Мягков тім 2).
мал.4.1
мал.4.2 5. Визначити метод центрування й вибрати посадку шліцевого з'єднання 13-14 Число шліців z = 16 Зовнішній діаметр в = 82 мм Матеріал вала Сталь 45 Матеріал втулки БрО4Ц4С17 У зв'язку з тим, що твердість матеріалу вала (HBвал = 255 за ДСТ 1051-88) більше твердості матеріалу втулки (HBвтулка = 60 по табл. 68, стор. 198, Анурьєв тім 1) і механізм не реверсивний, вибирається метод центрування по зовнішньому діаметрі. Приймаємо число зубів z = 16, внутрішній діаметр в = 72 мм, зовнішній діаметр в = 82 мм, бічна поверхня зуба b = 7 мм (табл. 4.71, стор. 251, Мягков тім 2). Вибирається посадка
мал.5.1
мал.5.2
мал.5.3
мал.5.4
мал.5.5 6. Установити ступінь точності й контрольовані параметри зубчастої пари 10-11. Модуль m = 10 мм Число зубів z = 25 Швидкість v = 5 м/с Вид сполучення Д По формулах [6.1] і [6.2] визначаються ділильний окружний крок і ділильний діаметр
Зубчасті колеса - загального машинобудування, не потребуючою особою точності. За значенням окружної швидкості приймається ступінь точності - 8 (середня точність) (табл. 5.12, стор. 330, Мягков тім 2). Діаметр вершин зубів розраховується по формулі [6.3]
де коефіцієнт висоти головки h* a = 1 для стандартного вихідного контуру за ДСТ 13755-81 і ДЕРЖСТАНДАРТ 9587-81.
Норми кінематичної точності Приймається допуск на радіальне биття зубчастого вінця Fr = 80 мкм (табл. 5.7,стор. 317, Мягков тім 2), допуск на накопичену погрішність кроку зубчастого колеса Fp = 125 мкм (табл. 5.8, стор. 319, Мягков тім 2). Норми плавності роботи Приймається допуск на місцеву кінематичну погрішність f’ i = 60 напівтемне, граничне відхилення кроку fpt = ±32 мкм, погрішність профілю ff = 28 мкм (табл. 5.9, стор. 321, Мягков тім 2). Т.к. ширина зубчастого вінця b = 50 мм, те приймається сумарна пляма контакту по висоті зуба – 40%, по довжині зуба – 50%; допуски на не паралельність fx = 25 мкм, перекіс fy = 12 мкм, напрямок зуба Fβ = 25 мкм (табл. 5.10, стор. 323-324, Мягков тім 2). Вид сполучення - Д, допуску бічного зазору - d, клас відхилень міжосьової відстані - III (табл. 5.15, стор. 335, Мягков тім 2). Міжосьова відстань розраховується по формулі [6.4]
де числа зубів коліс z1 = z2 = 25.
Приймається гарантований бічний зазор jnmin = 72 напівтемне, граничне відхилення міжосьової відстані fa = ±35 мкм (табл. 5.17, стор. 336, Мягков тім 2). Ступінь точності за ДСТ 1643-81 8-дd
7. Побудувати й розрахувати розмірний ланцюг для забезпечення розміру заданого замикаючої ланки
мал.7.1
мал.7.2 Метод повної взаємозамінності У даному завданні вихідною ланкою є зазор А∑ . Тоді максимальне значення замикаючої ланки [A∑max ] = 4.2 мм; мінімальне значення замикаючої ланки [A∑min ] = 3.8 мм; верхнє відхилення замикаючої ланки [В∑ ] = 0.2 мм; нижнє відхилення замикаючої ланки [НВ∑ ] = -0.2 мм; значення середнього відхилення [Δc∑ ] = 0; поле допуску [Т∑ ] = 0.4 мм. Складається рівняння розмірного ланцюга по формулі [7.1] (лінійний розмірний ланцюг):
З урахуванням цього рівняння й прийнятого значення A∑ = 4 мм призначаються номінальні розміри всіх ланок по конструктивних міркуваннях: А1 = 100 мм, А2 = 8 мм; А3 = 112 мм. Проводиться перевірка розмірів по рівнянню [7.1]: 112 - (100 + 8) = 4. Розраховуються допуски ланок по способу одного ступеня точності по формулі [7.2]
де [Т∑ ] – значення поля допуску ланки А∑ , i – значення одиниці поля допуску. Приймаються i1 = 2.17, i2 = 0.9, i3 = 2.17 (табл. 3.3, стор. 20, Мягков тім 2).
Таке значення одиниць допуску відповідає приблизно 10-му квалітету в ЕСДП (табл. 1.8, стор. 44, Мягков тім 1). Таким чином, допуски розмірів з урахуванням ступеня складності виготовлення приймаються: Т1 = 0.14 мм, Т3 = 0.14 мм. По формулі [7.4] визначається поле допуску Т2
Призначаються допускаються відхилення, що, на всі розміри виходячи з економічної точності виготовлення по можливій фінішній операції. Для ланки А1 призначається відхилення типу h, а для ланки А3 – відхилення типу H, тобто Δc1 = -Т1/2 = -0.07 мм, аналогічно Δc3 = 0.07 мм. Середнє відхилення поля допуску коригувальної ланки А2 визначається по формулі [7.5]
Граничні відхилення коригувальної ланки А2 визначаються по формулах [7.6] і [7.7]
Правильність обчислення граничних відхилень перевіряємо по формулі [7.8]
А∑
А1
А2
А3
З метод У даному завданні вихідною ланкою є зазор А∑ . Тоді максимальне значення замикаючої ланки [A∑max ] = 4.2 мм; мінімальне значення замикаючої ланки [A∑min ] = 3.8 мм; верхнє відхилення замикаючої ланки [В∑ ] = 0.2 мм; нижнє відхилення замикаючої ланки [НВ∑ ] = -0.2 мм; значення середнього відхилення [Δc∑ ] = 0; поле допуску [Т∑ ] = 0.4 мм. Складається рівняння розмірного ланцюга по формулі [7.1] (лінійний розмірний ланцюг):
З урахуванням цього рівняння й прийнятого значення A∑
= 4 мм призначаються номінальні розміри всіх ланок по конструктивних міркуваннях: А1
= 100 мм, А2
= 8 мм; А3
= 112 мм. Проводиться перевірка розмірів по рівнянню [7.1]: 112 – (100 + 8) = 4. Приймається, що розсіювання розмірів ланок близько до нормального закону, тобто
Приймаються i1 = 2.17, i2 = 0.9, i3 = 2.17 (табл. 3.3, стор. 20, Мягков тім 2).
Таке значення одиниць допуску відповідає приблизно 11-му квалітету в ЕСДП (табл. 1.8, стор. 44, Мягков тім 1). Таким чином, допуски розмірів з урахуванням ступеня складності виготовлення приймаються: Т1 = 0.22 мм, Т3 = 0.22 мм. По формулі [7.11] визначається значення поля допуску T2
Призначаються й допускаються відхилення на всі розміри виходячи з економічної точності виготовлення по можливій фінішній операції. Для ланки А1 призначається відхилення типу h,а для ланки А3 – відхилення типу H, тобто Δc1 = -Т1/2 = -0.11 мм, аналогічно Δc3 = 0.11 мм. Середнє відхилення поля допуску коригувальної ланки А2 визначається по формулі [7.5]
Граничні відхилення коригувальної ланки А2 визначаються по формулах [7.6] і [7.7]
А∑
А1
А2
8. Призначити основні розміри й граничні відхилення нарізного сполучення. Довжина l = 14 мм Болт М27 Гайка М27 М27 - різьблення метрична з великим кроком P = 3 мм, зовнішній діаметр в = 27 мм (табл.4.22, стор. 141, Мягков тім 2). По формулах [8.1], [8.2] розраховуються середній і внутрішній діаметри болта й гайки
Довжина l = 14 мм ставиться до групи N (табл. 4.27, стор. 149, Мягков тім 2). Поле допуску різьблення болта 6h, поле допуску різьблення гайки 6G (табл. 4.28, стор. 151, Мягков тім 2). Граничні діаметри болта (по табл. 4.29, стор. 155, Мягков тім 2): d2max = 25.051 мм; d2min = 25.051-0.200 = 24.851 мм (нижнє відхилення дорівнює 200 мкм для поля допуску діаметра 6h); dmax = 27 мм; dmin = 27-0.375 = 26.625 мм (нижнє відхилення дорівнює 375 мкм для поля допуску діаметра 6h); d1max = 23.752; d1min не нормується. Граничні діаметри гайки (по табл. 4.29, стор. 165, Мягков тім 2): D2max = 25.051+0.313 = 25.364 мм (верхнє відхилення дорівнює 313 мкм для поля допуску 6G); D2mix = 25.051+0.048 = 25.099 мм (нижнє відхилення дорівнює 48 мкм для поля допуску 6G); Dmax не нормується; Dmin = 27+0.048 = 27.048 мм (нижнє відхилення дорівнює 48 мкм для поля допуску діаметра 6G); D1max = 23.752+0.548 = 24.3 мм (верхнє відхилення дорівнює 548 мкм для поля допуску 6G); D1mix = 23.752+0.048 = 23.8 мм (нижнє відхилення дорівнює 48 мкм для поля допуску 6G).
мал.8.3 9. Визначити вид шпонкового з'єднання (ДЕРЖСТАНДАРТ 23360-78). Указати значення зазорів і натягів. Ширина шпонки b = 22 мм Глибина паза вала t1 = 9 мм Висота шпонки h = 14 мм Поле допуску шпонки по b h9 Поле допуску паза втулки Js9 Поле допуску паза вала N9 Поле допуску шпонки h9, поле допуску паза втулки Js9, поле допуску паза вала N9 характерні для нормального з'єднання із призматичною шпонкою, призначення посадок - серійне й масове виробництво (табл. 4.65, стор. 237, Мягков тім 2).
мал.9.1 Приймаються основні розміри з'єднання із призматичними шпонками (за ДСТ 23360-78): Діаметр вала в = 80 мм Номінальні розміри шпонок Ширина шпонки b = 22 мм Висота шпонки h = 14 мм Фаска s = 0.7 мм Довжина шпонки l = 95 мм Номінальні розміри паза Глибина на валу t1 = 9 мм Глибина у втулці t2 = 5.4 мм Радіус закруглення r = 0.5 мм (табл. 4.64, стор. 236, Мягков тім 2).
мал.9.2
мал.9.3
мал.9.4 Висновок У ході рішення завдань курсового проекту були підкріплені практичними розрахунками теоретичні знання за курсом метрології: вивчені основні види посадок і область їх використання; отримані навички складання й рішення розрахункових ланцюгів різними методами. А також - розібрані й з'ясовані основні цілі й завдання дисципліни - метрологія. Список використовуваної літератури 1. Допуски й посадки. Довідник. В 2-х ч./В.Д. Мягков, М.А. Палей, А.Б. Романов, В.А. Брагинский. – К., 2003 2. Довідник конструктора-машинобудівника. В 3-х т./В.І. Анурьєв – К., 2003 3. Некіфоров А.Д. Взаємозамінність, стандартизація й технічні виміри. – К., 2002 4. Сергєєв О.Г., Латишев М.В. Метрологія, стандартизація й сертифікація. – К., 2001. 5. Якушев А.І., Воронцов Л.Н., Федотов Н.М. Взаємозамінність, стандартизація й технічні виміри. – К., 2004 6. Взаємозамінність і технічні виміри. Методичні вказівки/ Укладачі: Б.А. Калачевський, М.С. Коритов, В.В. Акімов, А.Ф. Мішуров. – К., 2003 |
, [1.1] 
, [1.2]
, [1.3]
, [1.4] 

, [1.8]
, [1.9] 

[1.10]
,



















, [7.2]
[7.9]




