Курсовая работа: Исследование динамических свойств электропривода с вентильным двигателем
|
Название: Исследование динамических свойств электропривода с вентильным двигателем Раздел: Рефераты по физике Тип: курсовая работа | ||||||||||||||||||||||||||||||||||||||||||||||||||||
ИССЛЕДОВАНИЕ ДИНАМИЧЕСКИХ СВОЙСТВ ЭЛЕКТРОПРИВОДА С ВЕНТИЛЬНЫМ ДВИГАТЕЛЕМ Выполнил Михайлов Н.В Руководитель профессор Суровцев В.Н 2008 Содержание 1. Введение 2. Исходные данные для проектирования 3. Краткое описание функциональной схемы 4. Синтез контура тока 5. Синтез контура скорости 6. Моделирование вентильного двигателя 6.1 Датчик положения ротора 6.2 Релейный регулятор тока RRT 6.3 Инвертор напряжения 7. Анализ динамических свойств виртуальной модели вентильного двигателя. 8. Бездатчиковое определение скорости вентильного двигателя 9. Заключение 10. Список использованной литературы. 1. ВведениеВентильный электродвигатель – это тип синхронной машины, реализованный в замкнутой системе с использованием датчика положения ротора, системы управления (преобразователя координат) и силового полупроводникового преобразователя. Часто их также называют бесконтактными двигателями постоянного тока или обращенной машиной постоянного тока. Этот тип двигателя создан с целью улучшения свойств двигателей постоянного тока. В вентильном двигателе (ВД) индуктор находится на роторе (в виде постоянных магнитов), якорная обмотка находится на статоре. Напряжение питания обмоток двигателя формируется в зависимости от положения ротора. Если в двигателях постоянного тока для этой цели использовался коллектор, то в вентильном двигателе его функцию выполняет полупроводниковый коммутатор. Основным отличием ВД от синхронного двигателя является его самосинхронизация с помощью ДПР, в результате чего у ВД частота вращения поля пропорциональна частоте вращения ротора, которая зависит от напряжения питания. Статор . Статор имеет традиционную конструкцию и похож на статор асинхронной машины. Он состоит из корпуса, сердечника из электротехнической стали и медной обмотки уложенной в пазы по периметру сердечника. Количество обмоток определяет количество фаз двигателя. Обычно это трехфазные, реже четырехфазные двигатели. По способу укладки витков в обмотки статора различают двигатели имеющие обратную электродвижущую силу трапецеидальной и синусоидальной формы. По способу питания фазный электрический ток в соответствующих типах двигателя также изменяется трапецеидально или синусоидально. Ротор . Ротор изготавливается с использованием постоянных магнитов и имеет обычно от двух до восьми пар полюсов с чередованием северного и южного полюсов. Вначале использовались ферритовые магниты для изготовления ротора. Они распространены и дешевы, но им присущ недостаток в виде низкого уровня магнитной индукции. Сейчас получают популярность магниты редкоземельных сплавов, так как они позволяют получить высокий уровень магнитной индукции и уменьшить размер ротора. В двигателях большой мощности вместо постоянного магнита на роторе используется электромагнит. Напряжение питания к нему подается через контактные кольца установленные на роторе. Датчик положения ротора (ДПР) реализует обратную связь по положению ротора, выполняет ту же функцию, что и коллектор в двигателе постоянного тока. Его работа может быть основана на разных принципах – фотоэлектрический, индуктивный, на эффекте Холла, и т.д. Наибольшую популярность приобрели датчики Холла и фотоэлектрические, так как они практически безынерционны и позволяют избавиться от запаздывания в канале обратной связи по положению ротора. Фотоэлектрический датчик, в классическом виде, содержит три неподвижных фотоприемника, которые поочередно закрываются шторкой вращающейся синхронно с ротором. Двоичный код, получаемый с ДПР, фиксирует шесть различных положений ротора. Сигналы датчиков преобразуются управляющим устройством в комбинацию управляющих импульсов, которые управляют силовыми ключами, так, что в каждый такт (фазу) работы двигателя включены два ключа и к сети подключены последовательно две из трех обмоток якоря. Обмотки якоря U, V, W расположены на статоре со сдвигом на 1200 и их начала и концы соединены так, что при переключении ключей создается вращающееся магнитное поле. 2. Исходные данные для проектированияДля дальнейшего исследования в качестве исследуемого двигателя примем высокомоментный двигатель ДВУ2М215М-Ф мощностью 3 кВт и частотой вращения 3000 об/мин., характеристики которого представлены в таблице №1. Условное обозначение двигателя серии ДВУ: ДВУ — двигатель вентильный управляемый, где 215 — диаметр окружности расположения центров отверстий на крепительном фланце; М—условная длина сердечника статора. Таблица №1.
Рассчитаем параметры элементов силовой цепи. Эквивалентное активное сопротивление двух фаз статора двигателя, включенных последовательно: Rэ=Rдв =2 Rф = 2*0,095 = 0,19 Ом. Индуктивность двух фаз статора двигателя: Lдв =3,1 мГн. Электромагнитная постоянная времени якорной цепи:
Номинальная скорость вращения двигателя:
Суммарный момент инерции привода:
Механическая постоянная времени:
Коэффициент обратной связи по скорости:
Коэффициент обратной связи по току: Зададимся условиями ограничения параметров системы и примем
С учетом этих условий примем коэффициент обратной связи по току:
Примем km=0.1.
3. Краткое описание функциональной схемыДля осуществления автоматического регулирования необходимо измерить сигнал обратной связи, затем этот результат в виде напряжения сравнить (произвести алгебраическое суммирование) с заданным в виде напряжения значением регулируемой величины и направить результат сравнения регулируемому объекту. Обычно энергии измерительного органа оказывается недостаточно для воздействия на объект регулирования, поэтому возникает необходимость в применении усилительного устройства. Регулятор тока якоря получает на вход сигнал задания На регулятор тока (РТ) возлагаются также другие функции: 1. Установка задания на переключение соответствующих пар транзисторов в зависимости от разности сигналов задания тока и обратной связи по току. 2. Обеспечение режима торможения электродвигателя. В системах подчиненного регулирования выходной сигнал регулятора скорости является сигналом задания тока На регулятор скорости и связанные с ним узлы возлагаются дополнительные задачи: 1. Ограничение сигнала 2. Ограничение скорости изменения тока di/dt, 3. Формирование требуемой жесткости механических характеристик электропривода, 4. Прием сигналов задания скорости двигателя, 5. Обеспечение изменения ЭД с определенным ускорением и др. 4. Синтез контура токаДля обеспечения желаемых динамических характеристик привода примем в качестве регулирующих устройств в контуре тока релейные элементы на каждую фазу двигателя. Используя безынерционные свойства реле, можно настроить систему регулирования на предельное быстродействие, зависящее от параметров контура скорости. Наличие релейных элементов приводит в существенной нелинейности всей системы в целом. Если не принять соответствующих предосторожностей, то автоколебания, возникающие в релейной автоматической системе, приводят к столь значительному изменению выходной величины линейной части, что релейная система становится неработоспособной. Для уменьшения изменения выходной величины необходимо либо устранить автоколебания, либо увеличить частоту возможных автоколебаний. Последнее следует из того, что модуль частотной характеристики линейной части системы В связи с этим важное значение приобретают способы увеличения частоты колебаний или, если это возможно, устранения этих колебаний. Способы повышения частоты автоколебаний: 1. Уменьшение гистерезиса b реле. При этом прямая –b , параллельная оси абсцисс, приближается к действительной оси, точка пересечения частотной характеристики релейной автоматической системы Недостаток: Невозможно получить частоты автоколебаний выше частоты 2. Введение отрицательного гистерезиса b. Изменяется направление переключений, прямая –b пройдет выше оси абсцисс, частоты автоколебаний увеличиваются 3. Изменение параметров линейной части системы. 3.1. Уменьшение электромеханической постоянной времени 3.2. Введение внутренней обратной связи. Применяя соответствующие обратные связи, можно изменять параметры линейной части системы, а следовательно, и частоту возможных автоколебаний. Линеаризация. Релейный элемент является существенно нелинейным элементом. Выходная величина релейного элемента (управляющее воздействие) изменяется скачком, когда входная величина (управляющий сигнал) проходит пороговые значения. В интервале между моментами времени, соответствующими прохождению входной величиной пороговых значений, выходная величина релейного элемента неизменна. Такие свойства релейного элемента позволяют сравнительно простыми средствами коммутировать большие мощности, но пропорциональность между выходной и входной величинами здесь отсутствует. Если одновременно с управляющим сигналом на вход релейного элемента подавать дополнительное периодическое воздействие, то релейный элемент может при определенных условиях приобрести свойства пропорциональности. При этих условиях релейный элемент эквивалентен линейному усилителю. Характерной особенностью такого усилителя является зависимость коэффициента усиления от «амплитуды» внешнего воздействия А. Увеличение последней уменьшает коэффициент усиления. Если в релейной системе создать высокочастотные (по сравнению с внешним воздействием) колебания, то релейная система приобретает свойства линейной или пропорциональной системы, причем настройка этой последней системы может осуществляться за счет изменения «амплитуды» этих относительно высокочастотных колебаний. Роль фильтра в релейной системе будет играть ее линейная часть. Дополнительное высокочастотное воздействие, осуществляющее линеаризацию релейной системы, может быть создано при помощи вынужденных колебаний или автоколебаний, если эти колебания существуют и устойчивы [2]. Процесс линеаризации аналогичен процессу модуляции. Релейный элемент представляет собой модулятор, дополнительное периодическое воздействие соответствует несущей частоте, а внешнее воздействие (управляющий сигнал) — модулирующему сигналу. Более точно в релейном элементе при наличии дополнительного периодического воздействия происходит своеобразная широтно-импульсная модуляция. Отсюда вытекает соотношение между частотой модулирующего сигнала и несущей, при которой процесс модуляции будет осуществлен без существенных искажений. Отношение частоты несущей к частоте сигнала должно быть по крайней мере больше трех[2] . Это накладывает ограничения на скорость изменения управляющего сигнала. Линеаризация автоколебаниями. В качестве дополнительного периодического воздействия, производящего линеаризацию релейной системы, могут быть использованы автоколебания самой релейной системы, если частота их такова, что внешнее воздействие по сравнению с ними можно считать медленно изменяющимся. Так как обычно частота автоколебаний относительно низка, то для осуществления линеаризации необходимо применять способы повышения этой частоты автоколебаний. В таблице № 2 приведены некоторые передаточные функции ускоряющих элементов и их характеристики. Таблица № 2.
Выделим из структурной схемы электропривода с синхронной машиной, включенной по схеме вентильного двигателя, контур тока (рис. 4.1).
Рис. 4.1 Передаточная функция линейной части системы
Выражение для частотной характеристики разомкнутой релейной системы без зоны нечувствительности имеет вид:
Физический смысл выражения (4.1) состоит в том, что результирующая частотная характеристика представляется в виде суммы простейших характеристик, кратных нечетным частотам. Это вытекает из того, что выходной сигнал релейного элемента, имеющий прямоугольную форму, раскладывается в бесконечную сумму ряда Фурье с нечетными гармониками (рис. 4.2.).
Рис. 4.2 Нечетность прямоугольных колебаний относительно начала работы релейного элемента определяет нечетность гармоник.
Характеристика релейной системы В дальнейших расчетах будем пользоваться последним методом. Согласно [2], если передаточная функция такова, что можно найти её полюсы, то характеристика релейной системы При действительных отрицательных, не кратных и ненулевых полюсах передаточной функции
где
Рис. 4.3 Запишем передаточную функцию линейной части системы без ускоряющего элемента:
Согласно выражению (4.4), передаточная функция имеет всего один полюс
Рис. 4.4. В качестве ускоряющего элемента, повышающего частоту автоколебаний в системе, примем
где Учитывая рекомендации [2], назначим параметры ускоряющего элемента:
На рис. 4.5 представлен годограф ускоряющего элемента
Рис. 4.5 Анализируя поведение годографов на рис. 4.5 можно сделать вывод, что постоянная времени ускоряющего элемента Следует отметить, что увеличение коэффициента передачи ускоряющего элемента также увеличивает частоту автоколебаний, одновременно смещая фазу выходного сигнала в сторону отставания. Результирующий коэффициент передачи линейной части контура тока при этом уменьшается. На рис. 4.6 приведена структурная схема линеаризованного контура тока. Для сравнения на осциллограф выведены сигналы контура тока без линеаризации (рис. 4.7).
Рис. 4.6
Рис. 4.7 Линеаризовав контур тока, мы получили возможность замены релейного регулятора его коэффициентом передачи Рассмотрим контур тока, представленный на рис. 4.8:
Рис. 4.8 Структурная схема контура тока включает: Крэ – коэффициент передачи релейного элемента, Кп - коэффициент передачи преобразователя, Rэ - эквивалентное сопротивление цепи статора, Tэ - электромагнитная постоянная времени статорной цепи. Передаточная функция замкнутого контура тока имеет вид:
Приведем ее к стандартному виду:
где К- эквивалентный коэффициент усиления замкнутого контура тока, Т01- эквивалентная постоянная времени замкнутого контура тока.
Постоянная времени Т01 выбирается исходя из динамических свойств самого реле. Назначают Примем 5. Синтез контура скоростиНа рис. 5.1 приведена структурная схема контура скорости.
Рис. 5.1 Все передаточные функции (ПФ) контура скорости разобьем на 2 части: ПФ регулятора и ПФ объекта. Под объектом будем понимать все звенья, исключая регулятор:
где Регулятор скорости (РС) примем пропорционально-интегральным («ПИ»), наш РЭП примет астатический характер. Зададимся передаточной функцией разомкнутой системы типа «2-1»:
Отсюда можно найти в общем виде передаточную функцию РС:
Отсюда можно записать:
Здесь введено обозначение:
Постоянная времени Примем Зададимся Коэффициент усиления регулятора скорости:
ЛАЧХ и ЛФЧХ полученные при синтезе системы, приведены на рис. 5.2.
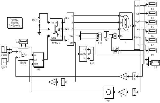
Рис. 5.2 6. Моделирование вентильного двигателяНа рис. 6.1 приведена виртуальная модель РЭП синхронной машины, включенной по схеме вентильного двигателя, составленная в пакете Matlab 6.5.
Рис. 6.1 Схема на рис. 6.1 содержит: двигатель трехфазный с постоянными магнитами на роторе (М2), схему управления инвертором (RRT), инвертор напряжения (Invertor1), путевой датчик фазовый ПДФ (PDF). 6.1 Датчик положения ротораРассмотрим структуру схемы по часовой стрелке, начиная с блока ПДФ, представленного на рис.6.2.
Рис. 6.2 электропривод вентильный двигатель Входной величиной для ПДФ является угол поворота вала двигателя, а выходным сигналом – вектор из шести единичных импульсов, сдвинутых друг относительно друга на 60 градусов (рис. 6.4). Это дает имитацию шести сигналов от чувствительных элементов, расположенных равномерно вдоль окружности и вырабатывающих импульсы в соответствии с пространственным расположением ротора. Так как ДПР реализован в виде конечного автомата, то для его работы необходим тактовый сигнал, который подается тактового генератора TG. Рассмотрим внутреннюю структуру датчика положения ротора (DPR). Следует отметить, что ДПР реализован с помощью пакета моделирования Stateflow, который хорошо интегрируется с Simulink и входит в стандартный набор пакетов Matlab. Пакет Stateflow задуман и предназначен для моделирования сложных систем управления с возможностью ветвления и образованием циклов [18]. Пакет оперирует событиями методом конечных автоматов. Автомат представляет собой звено, осуществляющее преобразование вектора входных переменных XIN в вектор выходных переменных XOUT. В пакете Stateflow автомат представляется в виде графа, в нашем примере граф представлен алгоритмом ДПР [6]. Более подробно о работе пакета Stateflow можно узнать на сайте разработчика Matlab или на русскоязычном форуме Matlab [19]. Достоинством этого способа реализации датчика положения является компактность схемы, простота реализации, прозрачность алгоритма, малая вычислительна нагрузка на ЭВМ. Дополнительное преимущество еще и в том, что алгоритм, реализованный в графе автомата, преобразуется в программный код языка высокого уровня (язык С), что окажется полезным при разработке алгоритма вычисления скорости, дискретного регулятора положения и скорости. Автомат, представленный на рис. 6.3, имеет 6 состояний (рис. 6.4), в одном из которых автомат находится до тех пор, пока значение входной переменной a (угол поворота) не достигнет значения, при котором произойдет изменение сигналов на выходе датчика. Изменение сигналов на выходе датчика происходит в том случае, когда значение входной переменной a превысит значение величины 6.2 Релейный регулятор тока RRTСтруктурная схема RRT представлена на рис. 6.5.
Рис. 6.5 При попытке применить один регулятор тока для всех трех фаз не привели к желаемым результатам, поэтому для каждой фазы принят свой регулятор. Векторный сигнал с датчика положения расщепляется на 6 компонентов, которые образуют разрешающие «единичные» сигналы для переключения ключей инвертора в соответствии с диаграммой работы коммутатора (рис. 6.6).
Рис. 6.6 Диаграмма переключения ключей инвертора соответствует алгоритму коммутации коллектора двигателя постоянного тока. Разрешающие сигналы переключения ключей умножаются с напряжением задания тока и поступают на один из входов релейного регулятора. На второй вход поступают токи обратной связи. 6.3 Инвертор напряженияНа рис. 6.7 представлена структурная схема и нумерация ключей инвертора напряжения.
Рис. 6.7 В тиристорном ЭП по трехфазной мостовой схеме выпрямления переключение тиристоров при питании от сети 50 Гц происходит с угловой частотой В транзисторных ЭП средняя частота переключений обычно находится в пределах На рис. 6.8 представлены фазные напряжения статора двигателя. Несинусоидальность выходного напряжения приводит к несинусоидальному характеру тока в статорных обмотках и пульсациям момента двигателя. Эти пульсации особенно сильно проявляются при пониженной частоте и небольшом моменте инерции механизма, который приводится в движение приводом. Тогда они вызывают неравномерность вращения, а иногда и возникновение шагового режима, когда двигатель вращается с остановками [14].
Рис. 6.8 Таким образом, несинусоидальный характер напряжения на выходе выпрямителя накладывает ограничение на возможный диапазон регулирования скорости привода. Кроме того, наличие высших гармоник в кривой тока статора вызывает увеличение потерь энергии по сравнению по сравнению со случаем питания двигателя синусоидальным напряжением.
Рис. 6.9 Также для сравнения на рис. 6.9 приведены линейные напряжения статора двигателя. 7. Анализ динамических свойств виртуальной модели вентильного двигателяДля анализа динамических свойств виртуальной модели вентильного двигателя, кривые скорости
Рис. 7.1 Двигатель разгоняется при максимальном напряжении на номинальную скорость при отсутствии момента сопротивления, потом нагружается моментом, равным Из осциллограмм момента и скорости двигателя видно, что момент двигателя не постоянен, и кроме пульсаций, обусловленных работой релейных регуляторов тока, имеет еще и пульсации, аналогичные пульсациям напряжения на выходе трехфазного мостового выпрямителя. Это объясняется тем, что при постоянном токе фазы I момент синхронного двигателя в функции поворота вала При анализе влияния параметров двигателя на качество переходных процессов следует отметить, что при увеличении числа пар полюсов На рис. 7.2. представлена механическая характеристика РЭП на фазовой плоскости, построенная с помощью графопостроителя.
Рис. 7.2 Она получается из временных зависимостей М(t) и w(t) путем исключения из них времени t. При разгоне ЭД годограф вектора электромеханической характеристики проходит последовательно через точки D, C и достигает точки А. Характеристика наглядно показывает динамику разгона двигателя. Также видно, что скорость устанавливается без перерегулирования на уровне расчетного значения. Чтобы показать астатический характер РЭП, т.е. абсолютную жесткость электромеханической характеристики (неизменность скорости при изменении нагрузки), система была нагружена моментом сопротивления Мс=47, Нм через 0,07с после начала разгона (рис. 7.1). Из-за появления тока, обусловленного нагрузкой, в контуре тока возникает небольшое перерегулирование, что, тем не менее, не сказывается ощутимо на просадке скорости (рис.7.2). Годограф вектора переходит из точки А в точку В. Очевидно, что точки А, В, С лежат на одном уровне, параллельном оси абсцисс и равном расчетному значению скорости.
Рис. 7.3 На рис. 7.3 и рис. 7.4 приведены диаграммы реверса вентильного двигателя. Следует отметить высокое быстродействие регулируемого привода, зависящего от настройки контура скорости. Высокие динамические свойства вентильного двигателя по сравнению ДПТ с тиристорным управлением достигаются за счет использования безынерционного контура тока. Это достигается его линеаризацией, которая проведена с помощью параллельного включения в линейную часть контура ускоряющего элемента (рис. 6.5).
Рис. 7.4
Рис. 7.5 При рассмотрении вентильной машины во вращающейся системе координат Продольная составляющая тока В действительности она больше нуля всегда, что вызывает появление тока
Рис. 7.6 Реактивный ток затрачивается на возбуждение машины (рис. 7.5), который быстро спадает при выходе двигателя на установившуюся скорость. Отметим еще раз, что при появлении нагрузки возникновение реактивного тока неизбежно. На рис. 7.6 показаны также напряжения статора вентильного двигателя в координатах d,q,0. На рис. 7.7 изображена диаграмма отработки привода с вентильным двигателем «малого» задания скорости, Uзс=0.01,В.
Рис. 7.7 Регулятор скорости не заходит в ограничение. Скорость ротора устанавливается без перерегулирования, ток не достигает своего максимального значения. Наличие высших гармоник, наложенных на основные измеряемые координаты связано дискретными сигналами управления релейного регулятора тока. 8. Бездатчиковое определение скорости вентильного двигателяВ большинстве приложений, где необходимо получение хороших характеристик электропривода при минимальной его стоимости, наибольший интерес вызывают схемы бездатчикового векторного управления. Прежде всего - это атомная энергетика, в частности, перегрузочные роботы, где необходим более высокий (до 50:1) диапазон регулирования скорости и по условиям технологии исключается возможность установки датчика положения на вал ротора двигателя. К подобным системам управления (СУ) предъявляются также повышенные требования по диапазону регулирования электромагнитного момента - до 10:1. Применительно к таким схемам термин "бездатчиковое управление" означает отсутствие датчика скорости на валу двигателя, а информация о скорости вращения и потокосцеплениях двигателя извлекается из измеренных токов и напряжений статора. Согласно [3], угловая скорость электрического поля
где
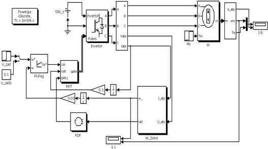
Структурная схема электропривода с бездатчиковым определением скорости приведена на рис. 8.1.
Рис. 8.1 Вычисление скорости производится в блоке W_Solve, изображенной на рис. 8.2.
Рис. 8.2 Переход от трёхфазной системы координат к двухфазной и обратно выполняется с помощью формул преобразования координат. Переменные в новой системе координат находятся как сумма проекций в старой системе на оси новой системы координат.
Структура преобразователя координат (ABC – ab), собранного по формулам (8.1) приведена на рис.8.3.
Рис. 8.3 На рис. 8.4 изображены напряжения и токи статора двигателя в неподвижной системе координат после фильтрации высоких частот.
Рис. 8.4 Производные потокосцеплений статора двигателя в неподвижной системе координат приведены на рис. 8.5.
Рис. 8.5 На рис. 8.6 изображены конечные сигналы, участвующие в вычислении скорости, а также скорость двигателя при бездатчиковом определении (рис. 8.7).
Рис. 8.6
Рис. 8.7 Большинство ведущих мировых производителей электроприводов Siemens, ABB, SchneiderElectric, Hitachi, Danhfos и др. поддерживают в своих изделиях все три современные структуры управления ЭД: скалярного, векторного датчикового и векторного бездатчикового. Причем, для последней структуры указывается диапазон регулирования скорости до 50:1. Опыт промышленной эксплуатации таких ЭП в России показывает, что в зоне низких скоростей часто возникают колебания скорости, устранить которые настройками привода не удается и реальный диапазон регулирования скорости заметно ниже [7]. Таким образом, основные проблемы, связанные с построением бездатчикового векторного электропривода заключаются в следующем [17]: 1) Наблюдатель состояния двигателя (ЭД), построенный на основе решения полной системы уравнений электрического равновесия для статора и ротора по доступной информации о напряжениях и токах статора, способен обеспечить приемлемую точность вычисления потокосцепления и скорости только в ограниченном диапазоне частот. Это связано с известной проблемой введения начальных условий при частотах, близких к нулевой. Практически все способы решения данной проблемы связаны с введением определенного отклонения математического описания наблюдателя состояния относительно реального объекта при работе в области малых частот. Эти отклонения проявляются в виде ошибки в вычислении потокосцепления, скорости, активной и реактивной составляющих тока. 2) Следующей проблемой является чувствительность электропривода к изменению его параметров в процессе работы. Прежде всего, это относится к температурным изменениям активных сопротивлений статора и ротора, а также к изменению взаимной индуктивности в зависимости от тока цепи намагничивания. Одним из подходов к решению данной проблемы в построении векторного регулятора и наблюдателя состояния ЭД является применение регуляторов, грубых в отношении параметрических возмущений, в частности, релейных регуляторов, функционирующих в скользящих режимах. Другим подходом является параметрическая адаптация, осуществляемая в реальном времени при работе привода. 3) Третьей проблемой является получение необходимой точности оценки эквивалентных (усредненных на интервале расчета процессов в наблюдателе состояния) значений токов и напряжений статора. На точность оценки эквивалентных напряжений в области малых частот основной гармоники и высоких частот модуляции существенно влияет «мертвое время» и задержки переключения ключей инвертора. Заметим, что проблема точности измерения напряжения на малых частотах в гораздо меньшей степени проявляется в векторных электроприводах с датчиком скорости/положения, так как быстродействующий контур скорости, замкнутый по реально измеряемому сигналу, способен в значительной степени компенсировать ошибки, связанные с динамическими неидеальностями ключей инвертора. 9. ЗаключениеСегодня в распоряжении разработчиков появились относительно недорогие редкоземельные магниты из материала неодим-железо-бор с высокими энергетическими характеристиками. Усилиями ученых удалось довести температуру эксплуатации таких магнитов до рабочей температуры механизма, а нанесение коррозионно-стойких покрытий позволило продлить их срок службы на все время работы электропривода. В настоящее время вентильные двигатели с постоянными магнитами прочно завоевали позицию надежных, компактных и экономичных электромеханических преобразователей энергии. Кроме того, будучи дискретными по своей структуре и имея встроенный датчик положения ротора, они без дополнительных устройств стыкуются с цифровыми блоками управления, что позволяет на их базе легко создавать замкнутые системы электроприводов со сложной циклограммой работы. Вентильные двигатели с редкоземельными магнитами целесообразно применять не только в медицине и необслуживаемых механизмах, но и в авиационной и космической технике. 10. Список использованной литературы 1. Донской Н.В. Регулируемые электроприводы переменного тока/ - Чебоксары: Изд-во Чуваш. ун-та, 2007. – 204 с. 2. Цыпкин Я. З. Релейные автоматические системы. Главная редакция физико-математической литературы, изд-во «Наука», М., 1974, 576 стр. 3. Соколовский Г.Г. Электроприводы переменного тока с частотным регулированием: учебник для студ. высш. учеб. заведен. М.: Издательский центр «Академия», 2006. – 272с. 4. Анхимюк В., Опейко О.Ф. Проектирование систем автоматического управления электроприводами: Учеб. пособие для вузов.: Мн.: Высш. шк., 1986г – 143 с 5. Башарин А.В., Новиков В.А., Соколовский Г.Г. Управление электроприводами: Учеб. пособие для вузов.: -Л.: Энергоиздат, Ленингр. отд-ие, 1982г – 392 с. 6. Туренко Т.В. Применение пакетов SIMULINK И STATEFLOW для моделирования гибридной системы прямого цифрового управления унитарно-кодовым датчиком СПБГУ "ЛЭТИ", г. Санкт-Петербург. – Труды Всероссийской научной конференции «Проектирование научных и инженерных приложений в среде MATLAB» Часть 5. Имитационное моделирование. Simulink и Stateflow под общ. ред. И.В. Черных. 7. Корельский Д.В., Потапенко Е.М., Васильева Е.В. Обзор современных методов управления синхронными двигателями с постоянными магнитами// Науковий журнал "Радiоелектронiка. Iнформатика. Управлiння", 2001. - с. 155-159. 8. Панкратов В.В. Тенденции развития общепромышленных электроприводов переменного тока на основе современных устройств силовой электроники// Силовая интеллектуальная электроника. Специализированный информационно-аналитический журнал. 2005, №2, с. 27-31 9. Joachim Holtz. Sensorless Control of Induction Motor Drive. - Fellow, IEEE, Vol .90, No.8, Aug.2002 – Germany. 10. Kim Gauen and Jade Alberkrack. Three Piece Solution for Brushless Motor Controller Design.July, 2005− Rev. 5 11. J. P. Johnson, M. Ehsani, and Y. Guzelgunler. "Review of sensorless methods for brushless DC," presented at 1999 IEEE Industry Applications Conference, 1999. 12. P. P. Acarnley and J. F. Watson. "Review of position-sensorless operation of brushless permanent-magnet machines," IEEE Transactions on Industrial Electronics, vol. 53, pp. 352-362, Apr. 2006. 13. SimPowerSystemsTM Release Notes. 14. Binns K.J.; Sneyers B.; Maggetto G.; Lataire Ph. Rotor-position-controlled permanent magnet synchronousmachines for electrical vehicles, ICEM ‘80, 1980, pp. 346-357. 15. Slemon, G. R.; Xian, L. Modelling and Design Optimisation of Permanent Magnet Motors, Electric Machines andPower Systems, vol. 20, no. 2, 1992, pp. 71-92. 16. Zhong L.; Rahman M.F.; Lim K.W. Modelling and experimental studies of an instantaneous torque and fieldweakening control scheme for an interior permanent magnet synchronous motor drive, ELECTRIMACS 1996, pp. 297-302. 17. А.Б. Виноградов, И.Ю. Колодин, А.Н. Сибирцев. Адаптивно-векторная система управления бездатчикового асинхронного электропривода серии ЭПВ. – статья. http://www.vectorgroup.ru/articles/article12 Дополнительные источники информации 18. www.elprivod.ru 19. www.exponenta.ru [1] ЗАО « Электротехнические системы», Санкт – Петербург. [2] Согласно теореме Котельникова |
||||||||||||||||||||||||||||||||||||||||||||||||||||







, (4.3)
(4.5)




, или
, (4.10)

















или
. (8.1)



