Дипломная работа: Обеспечение безгидратного режима работы газопромысловых коммуникаций
|
Название: Обеспечение безгидратного режима работы газопромысловых коммуникаций Раздел: Промышленность, производство Тип: дипломная работа | |||||||||||||||||||||||||||||||||||||||||||||||||||||||||||||||||||||||||||||||||||||||||||||||||||||||||||||||||||||||||||||||||||||||||||||||||||||||||||||||||||||||||||||||||||||||||||||||||||||||||||||||||||||||||||||||||||||||||||||||||||||||||||||||||||||||||||||||||||||||||||||||||||||||||||||||||||||||||||||||||||||||||||||||||||||||||||||||||||||||||||||||||||||||||||||||||||||||||||||||||||||||||||||||||||||||||||||||||||||||||||||||||||||||||||||||||||||||||||||||||||||||||||||||||||||||||||||||||||||||||||||||||||||||||||||||||||||||||||||||||||||||||||||||||||||||||||||||||||||||||||||||||||||||||||||||||||||||||||||||||||||||||||||||||||||||||||||||||||||||||||||||||||||||||||||||||||||||||||||||||||||||||||||||||||||||||||||||||||||||||||||||||||||||||||||||||||||||||||||||||||||||||||||||||||||||||||||||||||||||||||||||||||||||||||||||||||||||||||||||||||||||||||||||||||||||||||||||||||||||||||||||||||||||||||||||||||||||||||||||||||||||||||||||||||||||||||||||||||||||
| Содержание Введение 1 Геолого-промысловая характеристика Ямбургского газоконденсатного месторождения 1.1 Орогидрографическая характеристика района 1.2 Краткая литолого-стратиграфическая характеристика разреза 1.3 Тектоника 1.4 Cеноманская залежь 1.5 Неокомские залежи 1.6 УКПГ – 5 1.7 Характеристика изготовляемой продукции, исходного сырья и реагентов 1.7.1 Характеристика исходного сырья 1.7.2 Характеристика изготовляемой продукции 2. Состояние разработки сеноманской залежи Ямбургского ГКМ 3. Условия образования газовых гидратов 3.1 Влагосодержание природных газов 3.2 Состав и структура гидратов 3.3 Условия образования гидратов 3.4 Гидраты индивидуальных и природных углеводородных газов 3.5 Места образования гидратов 3.6 Образование гидратов в скважинах и способы их устранения 3.7 Образование гидратов в газопроводах 3.8 Температурный режим газопроводов 4. Предупреждение образования гидратов природных газов и борьба с ними 4.1 Ввод ингибиторов, используемых при ликвидации гидратных пробок 4.2 Ингибиторы для борьбы с образованием гидратов 4.2.1 Ввод метанола 4.2.2 Ввод электролитов 4.2.3 Ввод гликолей 4.3 Осушка газа 4.4 Предупреждение гидратообразования в системах промыслового сбора газа залежей Ямбургского ГКМ 4.5 Основные характеристики, влияющие на расход ингибиторов 4.6 Анализ возможности замены метанола на другие антигидратные реагенты на базе алифатических спиртов 5. Расчет расхода ингибитора на УКПГ – 5 5.1 Гидравлический и тепловой расчет шлейфов 5.2 Расчет количества ингибитора 6. Пути снижения затрат на добычу газа 6.1 Анализ основных технико-экономических показателей деятельности объекта за 1997-1998 год 6.2 Анализ себестоимости, прибыли и затрат на производство и реализацию товарной продукции за 1997-1998 год 6.2.1 Группировка затрат по статьям калькуляции 6.3 Расчет снижения затрат на добычу газа 6.3.1 Сравнение с фактическим потреблением метанола 6.3.2 Расчет снижения себестоимости добычи газа Вывод Список использованных источников Приложения Перечень сокращений, условных обозначений, терминов, единиц и символов АВО - аппарат воздушного охлаждения БТДА - турбодетандерные агрегаты ГВК - газоводяной контакт ГКС - головная компрессорная станция ГСМ - горюче-смазочные материалы ГФУ - горизонтальное факельное устройство ДКС - дожимная компрессорная станция ДЭГ - диэтиленгликоль ИТР - инженерно технические работники КИПиА - контрольно-измерительные приборы и аппаратура КУП - комбинированная установка пожаротушения ЛВЖ - легковоспламеняющиеся жидкости МФА - многофункциональный аппарат НДЭГ - насыщенный (нерегенерированный) диэтиленгликоль НКТ - насосно-компрессорные трубы ППА - площадка переключающей арматуры РДЭГ - регенерированный диэтиленгликоль скв. - скважина УКПГ - установка комплексной подготовки газа ЯГКМ - Ямбургское газоконденсатное месторождение ВведениеЯмбургское месторождение находится в эксплуатации более 10 лет и в настоящее время вступает в период падающей добычи с резким падением устьевого давления скважин. Поскольку первая очередь ДКС на промыслах Ямбургского месторождения расположена после системы осушки газа, то продолжающийся процесс падения пластового давления в залежи непосредственно отражается на эксплуатации установок подготовки газа. 1 Геолого-промысловая характеристика Ямбургского газоконденсатного месторождения1.1 Орогидрографическая характеристика районаЯмбургское газоконденсатное месторождение расположено в заполярной части Западно-Сибирской равнины, на Тазовском полуострове. Характерной особенностью территории месторождения является большая заозерность и заболоченность, особенно в центральной его части, и суровость климата. Большинство озер имеют термокарстовое происхождение. Среднегодовая температура минус 24 - 26 0 С. Температура воздуха зимой достигает минус 59 0 С. Средняя летняя температура воздуха 6 - 9 0 С. Осадков выпадает 300 - 350 мм в год, около 79 % из них приходится на летнее время. Среднегодовая скорость ветра 5 - 7 м/с, а максимальная превышает 40 м/с. Вскрываются реки ото льда в первой половине июня, ледостав начинается в октябре. В ноябре возможно безопасное передвижение гусеничного транспорта. Суровые природно-климатические условия делают район труднодоступным для освоения. Основное население ханты, ненцы, русские и другие, плотность - 1 человек на 6 км2 . Коренные жители занимаются оленеводством, пушным и рыбным промыслом. С развитием геологоразведочных работ население постоянно увеличивается за счет приезда из других районов. Территория Ямбургского месторождения относится к южной части северной геокриологической зоны. Отличается почти повсеместным, сплошным распространением низкотемпературных многолетнемерзлых пород практически на всех геоморфологических условиях. Преобладает сливающийся тип многолетней мерзлоты. Глубина слоя сезонного протаивания от 0,3 до 1,5 м. В пределах месторождения толщина мерзлых пород изменяется от 300 до 425 м. По криологической характеристике многолетнемерзлая толща является многослойной и подразделяется на 3 этажа. В целом для подавляющей части многолетней толщи территории Ямбургского газоконденсатного месторождения свойственны слабольдистые породы с массивной криоструктурой. Территория, в пределах которой находится Ямбургское газоконденсатное месторождение, характеризуется сплошным развитием четвертичных отложений, являющихся потенциальным источником минерального строительного сырья. Разнозернистые пески и песчано-гравийные смеси успешно используются как высококачественные наполнители в бетоны. Установлена пригодность данных глин в качестве минерального сырья для изготовления кирпича, керамзитового гравия и высококачественных глинистых растворов для бурения скважин. При обустройстве газового промысла могут быть использованы строительные материалы, проявление которых выявлены объединением “Аэрогеология”. Общие наиболее вероятные прогнозные запасы песчано-гравийной смеси - 65 млн. м3 , а кирпично-керамзитовых глин - 225 млн. м3 . В 50 - 60 км на юго-восток от площади выявлено Хадуттинское месторождение строительного песка, прогнозные запасы которого выше 1 млрд. м3 . Территория Тазовского полуострова представляет собой слабовсхолмленную равнину с широко развитой сетью рек и ручьев. Абсолютные отметки рельефа изменяются от 10 м в долинах рек до 60 - 70 м на водораздельных участках. Возможности водоснабжения обусловлены наличием здесь поверхностных вод в реках, озерах и подземных вод в четвертичных отложениях, но наличие мощной толщи вечной мерзлоты затрудняет использование последних. Поверхностные источники на Ямбургском газоконденсатном месторождении представлены небольшими реками, хотя и многочисленными. Гидрологический режим не изучается. Но в естественном состоянии реки и озёра для централизованного водоснабжения не могут использоваться из-за промерзания их в зимний период. В качестве одного из ведущих вариантов использования вод должно являться создание искусственных водоемов глубиной не менее 5 - 6 м, что исключит их возможное промерзание. Реальными источниками могут являться таликовые зоны в долинах рек (например, р. Таб-Яха). Подземные воды в виду их высокой минерализации (10 - 35 г/л) должны рассматриваться в качестве одного из источников водоснабжения. Месторождение открыто в 1963 г. Тюменским геологическим управлением. Первая поисковая скважина № 2 заложена в 1969 г. в присводовой части поднятия. При испытании сеноманских отложений в интервале 1167 - 1184 м был получен фонтан природного газа дебитом 2015 тыс. м3 /сут. С 1969 по 1973 гг. на месторождении была пробурена 21 скважина. Выявлены залежи газоконденсата в трех пластах (БУ 3/1, БУ 4/1-3, БУ 8/3). Дебиты газа достигали 611,11 тыс. м3 /сут. на 20,0 мм диафрагме. Разрез осадочных пород вскрыт до глубины 3550 м и представлен отложениями меловой, палеогеновой и четвертичной систем. В нижнемеловых отложениях выделяются мегионская (валанжин), вартовская (верхний валанжин-баррем) и покурская (сеноман) свиты. В 1973 - 1977 гг. продолжалась доразведка сеноманской залежи. За этот период на площади были пробурены 7 скважин, а также одна глубокая скважина № 102 для изучения неокомских отложений. Бурением этих скважин было уточнено строение сеноманской залежи в северном и северо-восточном направлениях, а также подтверждено продолжение залежи в юго-западном направлении (скважины № 28, 31). Промышленная разработка Ямбургского газоконденсатного месторождения связана с сеноманскими и валанжин-барремскими отложениями. Обзорная карта района показана на рисунке 1.1.
1.2 Краткая литолого-стратиграфическая характеристика разрезаНа Ямбургском месторождении максимальная толщина осадочных пород, вскрытая скважиной № 113, достигает 3650 м и представлена отложениями меловой, палеогеновой и четвертичной систем. Породы доюрского фундамента скважинами не вскрыты, предполагаемая глубина их залегания составляет 6 - 7 км. Охарактеризованность керновым материалом неравномерна. Юрская система: На Ямбургском месторождении скв.113 вскрыты лишь верхнеюрские отложения (баженовская и абалакская свиты, толщины которых 75 м и 30 м соответственно). Литологическая свита сложена неравномерным чередованием аргиллитов темно-серых, почти черных, плотных, крепких; алевролитов от серых до темно-серых, крепко сцементированных и песчаников серых, крепких, кремисто-глинистых, реже известковых. Меловая система (нижний мел): В нижнемеловых отложениях выделяются: мегионская, вартовская свиты в составе нижнего отдела, покурская, кузнецовская, березовская и ганькинская в составе верхнего отдела. Мегионская свита (барриас - нижневаланжинские ярусы) представлена неравномерным чередованием песчано-алевролитовых и глинистых пород. Песчаники серые, светло-серые, глинистые, иногда известковистые, полимиктовые. Песчано-алевролитовым пластам присвоены индексы БУ12, БУ11. В скважине № 112 получены незначительные притоки газа, что позволяет предполагать здесь небольшую залежь углеводородов. Вскрытая толщина отложений 332 м. Вартовская свита (верхний валанжин - готтерив - баррем) подразделяется на три подсвиты - нижнюю, среднюю и верхнюю. В составе нижней подсвиты прослеживаются отдельные монолитные песчаные пласты, с которыми связаны залежи углеводородов (пласты БУ1 3 -БУ3 9 ). Всего в составе нижней подсвиты (верхний валанжин - готтерив) 15 подсчетных объектов. В барремской части наблюдается более частое переслаивание песчано-алевролитовых и глинистых пород. безгидратный режим газопромысловая коммуникация Песчаники светло-серые, прослоями карбонатные, часто слоистые содержат тонкорассеянный углистый детрит, иногда линзочки углей. Алевролиты аналогичного состава, часто глинистые. Аргиллиты более темные, плотные, прослоями алевролистые с линзами известняка и сидерита. Толщина вартовской свиты изменяется от 670 до 1247 м. Покурская свита (апт-альб-сеноман). Отложения вскрыты всеми пробуренными скважинами, представлены неравномерным переслаиванием алевролито-песчаных и глинистых пластов различной толщины, в чередовании которых трудно выявить какие-либо закономерности. Большей частью пласты плохо следятся и отсутствуют выдержанные глинистые перемычки. Для всех разностей характерно наличие обильного растительного детрита. Толщина свиты 826 - 897 м. Верхний мел: Кузнецовская свита (туронский ярус) представлена глинами темно-серыми с зеленоватым оттенком, аргиллитоподобными, в нижней части битуминозными, с включениями остатков фауны. Толщина отложений 24 - 88 м. Березовская свита (коньяк - сантон - кампанский ярусы) подразделяется на две подсвиты. Нижнеберезовская подсвита сложена глинами темно-серыми, опоковидными с маломощными прослоями алевролитов и песчаников кварц-полевошпатового состава. Верхнеберезовская подсвита представлена переслаиванием серых алевролитов глинистых и глин алевристых прослоями слабоопоковидных. Толщина березовской свиты 255 - 448 м. Ганькинская свита завершает разрез меловых отложений. Свита сложена опоковидными глинами серыми с зеленоватым оттенком. Толщина отложений 204 - 322 м. Палеогеновая система: Отложения полиогеновой системы подразделяются на тибейсалинскую (палеоцен) и люлинворскую (эоцен) свиты. Тибейсалинская свита делится на две: нижнюю, преимущественно глинистую с прослойками алевролитов темно-серых, разнозернистых и верхнюю - песчаную с прослоями глин. Толщина свиты 226-274 м. Люлинворская свита представлена опоковидными глинами серыми, участками алевристыми. Толщина свиты 153 м. Четвертичная система: На размытой поверхности палеогеновых отложений залегают отложения четвертичной системы и представлены песками, глинами, супесями с суглинками. Породы содержат включения растительных остатков. Толщина до 145 м. 1.3 ТектоникаЯмбургское газоконденсатное месторождение приурочено к крупному Ямбургскому мегавалу, в пределах которого выделяются Ямбургское куполовидное поднятие и харвутинский вал. Строение Ямбургского куполовидного поднятия изучено по опорным отражающим горизонтам ("Г", "М", "В", "Б") и данным бурения. По кровле отражающего горизонта "Б" (верхняя юра) Ямбургское поднятие имеет субширотное простирание на западе и оконтуривается сейсмоизогипсой минус 4100 м, а на востоке северо-восточное простирание. Размеры поднятия 47 км амплитуда около 300 м. Оно осложнено двумя локальными поднятиями - Ямбургским и Анерьяхским. Южнее и восточнее Ямбургского куполовидного поднятия расположены Южно-Ямбургское и Восточно-Ямбургское локальные поднятия, отделённые от него небольшими прогибами. Особенностью рассматриваемой структуры II порядка является некоторое смещение структурных планов верхних отражающих горизонтов, включая "В" (пласты БУ1 5 . БУ7 ) относительно нижележащих горизонтов, "В1 1 ", "В2 ", "В1 2 " (пласты БУ0 8 . БУ11 ). Это явление обусловлено интенсивным накоплением осадков на западе поднятия за счет бокового заполнения бассейна седиментации осадками шельфовых пластов БУ0 8 . БУ11 и появлением здесь дополнительно клиноформно залегающего пласта БУ4 8 , соответствующего отражающему горизонту "В1 1 ". Отмеченное увеличение толщин пластов к западу приводит к смещению свода поднятия по группе пластов БУ1 9 . БУ11 в восточном направлении. Особенно сильные изменения конфигурации структуры захватывают район западнее линии скв.134, 130, 110, 124, 146, 107, 144, где распространен пласт БУ4 8 , образующий клиноформное тело между пластами БУ3 8 и БУ1 9 . По кровле фундамента отражающий горизонт "А" представляет собой положительную структуру огромных размеров, резко выраженную в разрезе. Одной из особенностей геологического строения Ямбургской структуры является наличие в нижней части его разреза дизъюнктивных дислокаций. Дизъюнктивы прослеживаются преимущественно в доюрском разрезе платформенного чехла, хотя не исключено проникновение отдельных и в меловые отложения 1.4 Cеноманская залежьСеноманская залежь газа контролируется природным фактором - наличием высокоамплитудной ловушки, перекрытой мощной (500 - 800 м) толщей турон-датских глин, которая служит надежной покрышкой залежи. Залежь подстилается пластовой водой по всей площади ее распространения и является субмассивной. Литологически резервуар представлен сложным неравномерным переслаиванием песчаных, алевритовых и глинистых пород, со значительным преобладанием коллекторов. Песчано-алевритовые породы в газонасыщенной части сеноманской продуктивной толщи составляют 41,9 - 85,3 %. Толщины проницаемых пород колеблются от 0,4 до 18,8 м; глинистых - от 0,4 до 31,4 м. Коллекторами газа являются пески, песчаники, крупнозернистые алевролиты. Наибольшее распространение имеют крупнозернистые разности алевролитов. Для песчано-алевролитовых пород характерна самая разнообразная слоистость, отсортированность пород средняя. По гранулометрическому составу в коллекторах преобладают мелко-псамитовая и крупноалевритовая фракции. Содержание обломочного материала в коллекторах изменяется от 60 до 95 %. По составу обломочный материал, в основном, представлен аркозовыми разностями, реже присутствуют полевошпато-кварцевые. В целом породообразующие минералы представлены кварцем (40 %), полевыми шпатами (25 - 45 %), слюдой (до 10 %), обломками других пород (5 - 10 %). Количество цемента в песчано-алевритовых породах изменяется от 10 до 20 % в слабосцементированных разностях, до 25 - 35 % в более плотных. По составу цемент в основном представлен глинистым веществом, каолинитом и монтмориллонитом. Породы-коллекторы разделяются между собой плотными породами, представленными, в основном, глинами, реже известняками и плотными песчаниками и алевролитами с базольным карбонатным цементом. Средневзвешенная по толщине пористость изменяется от 23 до 33 %. Коэффициент газонасыщенности - 0,74. По химическому составу газ сеномана аналогичен газу сеноманских залежей других месторождений севера Западной Сибири. Газ сухой, метановый (метан - 93,4 - 99,2 %). Содержание гомологов метана 0,1 - 0,2 %. Конденсата не обнаружено. Сероводород отсутствует. Содержание примесей: азот - 0,41 - 2,26 %; углекислый газ - 0,04 - 1,17 %; аргон - 0,01 - 0,03 %; гелий - 0,08 - 0,019 %; водород - 0,27 %. Относительная плотность газа по воздуху - 0,562. Среднее значение теплотворной способности - 7898 кДж/м3 . Среднекритическое давление - 4,63 МПа. Среднекритическая температура - 190,49 К. 1.5 Неокомские залежиВ нижнемеловом разрезе ЯГКМ установлена газоносность 15 продуктивных пластов, образующих 23 залежи. В баррем-готтеривской части разреза 8 пластов, в валанжинской 7 пластов, залегающих на глубине 2525 - 3317 м. Почти все залежи частично или полностью экранированные, с краевыми водами. Продуктивные отложения характеризуются сложным геологическим строением, значительной фациальной изменчивостью фильтрационно-емкостных свойств как по площади, так и по разрезу и развитием отдельных литологически ограниченных ловушек. Проектом разработки выделено два эксплуатационных объекта. Первый объект включает залежи пластов БУ 3 1 , БУ 3 2 , БУ 4 2 , БУ 5 1 , БУ 5 3 , расположенных только в сводовой части в зоне УКПГ - 3в. По подсчету эффективных газонасыщенных толщин первого объекта наибольшую значимость имеют толщины пласта БУ3 1 . Суммарные толщины по объекту колеблются от 6,8 до 34,6 м, а в зоне размещения эксплуатационных скважин составляет 8,0 - 33,8 м. Для первого объекта коэффициент абсолютной проницаемости изменяется от 3,210 до 132,710 мкм2 , коэффициент открытой пористости от 4,7 до 17,0 %. Эффективная газонасыщенная толщина изменяется от 3,4 до 34,2 м. По II эксплуатационному объекту установлены следующие закономерности. В зоне УКПГ-3в все пласты характеризуются литологическим замещением в западном направлении. Пласты БУ 6 2 , БУ 9 1 , БУ 6 3 , БУ 8 0 в этой зоне в песчаных фракциях развиты в зонах единичных кустов, а в пластах БУ 7 , и БУ 9 3 проницаемые пропластки полностью отсутствуют. Наилучшими толщинами в этой зоне характеризуется пласт БУ 8 3 со значением 14,0 - 19,4 м. Пласт БУ 8 1-2 отличается значительной изменчивостью толщин от 4,0 до 15,0 м. Наибольшей толщины прослои в пласте приурочены к нижней части. Пласт БУ 6 1 в проницаемых прослоях встречается во всех кустах и имеет толщину 1,0 - 4,0 м. Для II объекта коэффициенты абсолютной проницаемости, открытой пористости и эффективная газоносная толщина равны, соответственно, 0,64×10-9 - 372,5×10-9 м2 ; 3,23 - 13,85 %; 1,2 - 64,8 м. По II - ому объекту отмечено чередование полосообразных зон с повышенным (район скважин 112 - 118, 105 - 101 и 112 - 135) и пониженным значением эффективных газонасыщенных толщин. В зоне УКПГ - 1в в пластах БУ6 2 , БУ9 2 и БУ9 3 проницаемые газо-насыщенные прослои полностью отсутствуют, а в пластах БУ6 1 , БУ6 3 и БУ7 они встречаются спорадически. В этой зоне суммарная наибольшая газонасыщенная толщина колеблется от 18 до 64 м. Установлено изменение толщины от центральной зоны УКПГ к периферии. Зона УКПГ-2в приурочена к восточному погружению. В этой зоне пласт БУ6 заглинизирован, БУ6 2 и БУ7 встречаются спорадически в песчаных фракциях. Наибольшим развитием характеризуются проницаемые пропластки в пластах БУ8 0 , БУ8 1-2 , БУ8 2 , БУ9 /1 , БУ9 /2 , и БУ9 3 . Наибольшие толщины характерны для пласта БУ8 3 . Суммарная эффективная газонасыщенная толщина составляет, в зоне кустов УКПГ - 2в, 16 - 18 м, реже 50 м. Пористость коллекторов продуктивных пластов колеблется в пределах 6,8 - 15,9 %, проницаемость от 0,01×10-8 до 14,1×10-8 м2 . Начальные пластовые давления составляют по пласту БУ3 1 - 33,14 МПа. Средние пластовые температуры изменяются от 71 0 С в кровле комплекса до 90 0 С в его подошвенной части. Нижнемеловые продуктивные пласты представлены чередованием песчаников, алевролитов и аргиллитов. Покрышками служат пласты глин, имеющие на геофизических кривых все характерные для глин признаки. Отмечается тенденция улучшения коллекторских свойств вверх по разрезу. Важной особенностью всех продуктивных пластов является песчанистость с большими изменениями по некоторым пластам, что является благоприятной предпосылкой для образования литологически ограниченных залежей. Результатами газогидродинамических исследований скважин, вскрывших нижнемеловые продуктивные отложения, установлены: значительная неоднородность фильтрационных параметров продуктивных пластов как по площади, так и по разрезу; относительно низкая продуктивная характеристика большинства вскрытых объектов (рабочие дебиты при исследовании не превышали 60 - 80 тыс. м3 /сут.). Для залежей I объекта пластовые давления составляют 26,26 - 27,42 МПа, пластовая температура 76 - 80 0 С, глубина залегания 2710 - 3317 м. Наибольшие запасы газа приурочены к пластам БУ3 (I объект) и БУ8 1-2 (II объект) и составляют, соответственно 86 % и 50 % от суммарных запасов газа эксплуатационных объектов по категории С1 . Второй эксплуатационный объект характеризуется более высокими запасами газа, но имеет худшую продуктивную характеристику (см. таблицу 1.1). Продуктивная характеристика скважин изменяется как по разрезу нижнемелового продуктивного комплекса, так и по площади газоносности в пределах отдельных залежей, изменяясь к их своду. По данным бурения скважин выделена резкая литографическая изменчивость пластов в периферийных северных и южных участках структуры месторождения, где получены незначительные дебиты газа (30 - 40 тыс. м3 /сут) при высоких депрессиях на пласт. При исследовании разведочных скважин дебиты газа изменялись от десятков до сотен тысяч кубических метров в сутки при депрессиях на пласт до 20 МПа и более. Максимальный дебит газа (768 тыс. м3 /сут.) получен в скважине № 1 при исследовании пласта БУ7 при депрессии на пласт 5,95 МПа, в остальных скважинах рабочие дебиты при исследовании составляли 200 - 400 тыс. м3 /сут при депрессии на пласт 15 - 20 МПа. Абсолютно свободный дебит газа колеблется от нескольких десятков до 600 тыс. м3 /сут. По основной залежи пласта БУ8 3 отмечена самая низкая продуктивная характеристика. Дебиты газа по ней при депрессии на пласт 7 - 9 МПа составляют 40 - 90 тыс. м3 /сут. Газ глубоких продуктивных горизонтов отличается от состава газа сеноманских отложений. Для него характерен следующий химический состав (в объемных процентах): метан 88,64 - 93,59 %, этан 1,32 - 4,85 %, пропан 0,22 - 2,66 %, бутан 0,05 - 1,48 %, пентан 0,08 - 0,55 %. Содержание азота 0,36 - 2,45 %, углекислого газа 0,04 - 2,40 %. Содержание инертных газов (гелия, аргона) в сумме не превышает 0,05 %, водорода 0,01 - 0,02 %. Относительный удельный вес газа 0,60 - 0,65. Низшая теплотворная способность изменяется от 8520 до 7420 Дж. Таблица 1.1 - Геолого-физическая характеристика эксплуатационных объектов
Начальное содержание в пластовом газе гептана и вышекипящих (в расчете на 1 м3 газа сепарации) изменяется от 140 до 167 г/м3 . Среднее потенциальное содержание конденсата в пластовом газе по оценке ВНИИГаза составляет 150 г/м3 . В процессе разработки средний начальный рабочий дебит скважин по отдельным объектам принят равным 288 - 458 тыс. м3 / сут. при средней депрессии на пласт 6,5 - 9,0 МПа. Скважины эксплуатируются на режиме постоянной депрессии на пласт. Через два года после ввода месторождения в разработку достигается проектный уровень годовой добычи пластового и отсепарированного газа в объеме, соответственно, 21 и 20 млрд. м3 /год. Максимальный годовой уровень добычи стабильного конденсата составляет 2,743 млн. т. (сырого конденсата - 3,65 млн. т). Дебит средней скважины составит 144 тыс. м3 /сут., изменяясь в пределах 95 - 178 тыс. м3 /сут., при рабочем давлении 2,3 - 3,3 МПа. Для обеспечения проектной добычи газа потребуется пробурить 622 эксплуатационные скважины с учетом 30 % резерва. 1.6 УКПГ – 5Товарной продукцией УКПГ-5 является очищенный и осушенный газ в соответствии с ОСТ 51.40-93. Согласно принятой схеме, газ от кустов скважин по газопроводам-шлейфам подается на УКПГ, где проходит узлы входа шлейфов (ППА) и через систему коллекторов поступает на дожимную компрессорную станцию. На ДКС предусмотрена очистка газа от механических примесей и капельной жидкости, компримирование газа, охлаждение компримированного газа. После ДКС газ с давлением 62-75 МПа поступает на установку подготовки газа УКПГ. Подготовка газа осуществляется по схеме гликолевой осушки в абсорберах с последующим охлаждением до температуры минус 2 о С. Осушка газа производится на девяти технологических линиях пропускной способностью 10 млн. м3 /сут. Восстановление осушителя - на вакуумных установках огневой регенерации мощностью 60 м3 /ч по ДЭГу. Круглогодичное охлаждение газа до температуры минус 2 о С осуществляется с помощью АВО газа и турбодетандерных агрегатов БТДА 10 - 13 производительностью 10 млн. м3 /сут. В состав УКПГ входят следующие основные объекты и узлы: пункт переключающей арматуры; обводной коллектор ГО; узел подключения ДКС к УКПГ; технологический корпус осушки газа; установка АВО газа; КТП АВО газа; технологический корпус регенерации ДЭГа и метанола; установка печей огневого подогрева ДЭГа; установка подогрева теплоносителя; РВС (резервуары водоснабжения) и водонасосная; блок-бокс редуцирования газа на собственные нужды; установка воздухосборников; установка отключающих кранов УОК; подогреватель газа; склад ДЭГа, метанола и ЛВЖ; компрессорная воздуха КИП; система внутрипромысловых коллекторов; система сброса газа на свечу; станция гидропривода; ГФУ; блок подсобно-производственных помещений; емкость аварийного слива реагентов; аварийная дизельная электростанция; узел хозрасчетного замера газа; ЗРУ; блок вспомогательных помещений. 1.7 Характеристика изготовляемой продукции, исходного сырья и реагентов1.7.1 Характеристика исходного сырьяИсходным сырьем является природный газ сеноманской залежи Ямбургского месторождения. Газ сухой, метановый с содержанием влаги 0,5 - 1,0 г/м3 , сероводород отсутствует. СО2 0,2 - 0,3 N2 0,7 - 1,7 Не 0,01 - 0,02 Аr 0,01 - 0,03 Н2 0,002 - 0,04 СН4 97,8 - 99 С2 Н6 0,0 - 0,15 С3 Н8 0,0 - 0,02 С4 Н10 следы Параметры Газа в начальный период эксплуатации: среднее пластовое давление - 11,73 МПа; динамическое давление газа на устье - 10,3 МПа; температура газа на устье - 13-14о С Параметры газа на конец 1998 года: среднее пластовое давление - 7,27 МПа динамическое давление газа на устье - 5,99 МПа давление газа на входе в ППА - 5,85 МПа 1.7.2 Характеристика изготовляемой продукцииИзготовляемая продукция - газ осушенный и очищенный от мехпримесей, подготавливается к транспорту в соответствии с требованиями ОСТ 51.40-93 "Газы горючие природные, подаваемые в магистральные газопроводы". Технические требования для природного газа приведены в таблице 1.2. Таблица 1.2 - Технические требования и нормы для природного газа холодной климатической зоны
1.7.3 Реагенты используемые в производствеВ качестве реагентов на УКПГ применяются метанол, диэтиленгликоль.
Внешний вид - бесцветная легкоподвижная летучая горючая жидкость с запахом, подобным запаху этилового спирта. Метанол смешивается с водой во всех отношениях без помутнения. Диэтиленгликоль - ГОСТ 10136-77 Внешний вид - слабоокрашенная в желтый цвет жидкость Химическая формула: СН2 ОН-СН2 - О-СН2 - СН2 ОН
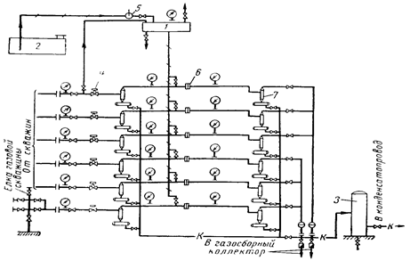
Технологическая схема УКПГ - 5 показана на рисунке 1.2.
2. Состояние разработки сеноманской залежи Ямбургского ГКМПо состоянию на 01.01.98 на Ямбургском месторождении работали 8 УКПГ, фонд действующих скважин составлял 686 единиц. С начала года суммарный отбор из сеноманских скважин составил 159.25 млрд. м3 газа; с начала разработки отобрано 1593.3 млрд. м3 или 31.4 % от начальных запасов. Начальные и текущие запасы представлены в таблице 2.1. Таблица 2.1 - Начальные и текущие запасы
В районе УКПГ - 1 на 01.01.98 эксплуатируется 100 скважин (104 по проекту). Среднесуточный дебит в течение 1997 года составил 739 тыс. м3 газа; суммарный отбор по УКПГ-1 в 1997 году - 27,05 млрд. м3 ; с начала разработки - 309.1 млрд. м3 . Превышение фактических отборов над проектными с начала разработки составляет 10,4 %. Пластовое давление по эксплуатационной зоне снизилось до 6,61 МПа, по всей площади дренирования - 7,11 МПа. В течение всего года эксплуатировалась первая очередь дожимной компрессорной станции (ДКС). Район УКПГ-2 эксплуатировался 96-ю скважинами (по проекту - 96 скважин) при среднесуточном дебите 768 тыс. м3 . Годовой отбор газа составил 26,98 млрд. м3 . Всего с начала разработки отобрано 328,38 млрд. м3 . Некоторое снижение фактических отборов по сравнению с проектными в последнее время прежде всего связано с отставанием ввода мощностей по другим УКПГ в период 1988 - 1992 года, что приводило (на УКПГ-2) к превышению фактических отборов над проектными. Значительный темп снижения пластового давления потребовал более раннего пуска ДКС - 2, которая была запущена в феврале 1997 года. Кроме того, это связано с пуском в работу практически всего эксплуатационного фонда месторождения. Среднее пластовое давление по эксплуатационной зоне 6,43 МПа, по всей площади дренирования - 6,61 МПа. В 1997 году УКПГ-3 эксплуатировался 107-ю добывающимся скважинами (110 по плану) со среднесуточным дебитом 413 тыс. м3 /сут. С начала года отобрано 16,19 млрд. м3 ; суммарный отбор с начала разработки - 228,92 млрд. м3 . Пониженный годовой отбор связан, прежде всего с отставанием пуска в эксплуатацию ДКС - 3, что привело (с остановкой в летнее время головной компрессорной станции ГКС) к частичной остановке 48 добывающих скважин. На 01.01.98 несоответствие проектных и фактических отборов по УКПГ с начала разработки составляет 2,1 %. Среднее значение пластового давления по эксплуатационной зоне составляет 6,58 МПа, по всей зоне УКПГ - 3 - 7,1 МПа. С декабря 1993 г. находится в эксплуатации УКПГ - 4. На 01.01.98 на УКПГ - 4 действовали 82 добывающие скважины (80 по проекту). Для более эффективного дренирования запасов проектом разработки предусматривается бурение в 1998 - 1999 гг. еще 5-ти кустов (по три скважины в каждом). Помимо этого, для выхода УКПГ - 4 на проектные отборы в 24 млрд. м3 в год к газосборной сети УКПГ - 4 в будущем планируется подключение еще не пробуренных скважин Анерьяхинской площади. За 1997 г. на УКПГ - 4 было добыто 16,7 млрд. м3 газа, с начала разработки - 52,437 млр. м3 . Несоответствие плановых и фактических отборов на УКПГ - 4 на 01.01.98 составляет 86,7 %. Это обусловлено как отставанием ввода фонда добывающих скважин, так и ухудшенными фильтрационно-емкостными свойствами коллекторов. Среднесуточный дебит скважин составил 556 тыс. м3 . Пластовое давление по эксплуатационной зоне составляет 7,63 МПа; по всей зоне УКПГ - 9,91 МПа. Район УКПГ - 5 эксплуатировался в 1997 году 95-ю скважинами (по проекту - 96 единиц). В течение 1997 года на УКПГ - 5 отобрано 18,05 млрд. м3 газа; с начала разработки - 268,25 млрд. м3 . Несмотря на пониженные отборы газа в 1997 году (из-за неработающей ГКС и отсутствия ДКС - 5) летом периодически простаивали более 40 скважин. Фактические отборы с начала разработки на 01.01.98 превышают проектные на 6,4 %. В октябре 1997 года была введена в строй первая очередь ДКС - 5. Пластовое давление снизилось по эксплуатационной зоне до 6,37 МПа; по всей зоне - 6,97 МПа. На УКПГ - 6 в 1997 году работали 95 скважин. Среднесуточный дебит составляет 785 тыс. м3 газа. С начала года отобрано 27,3 млрд. м3 газа; с начала разработки - 265,72 млрд. м3 . Фактический отбор с начала разработки из зоны УКПГ - 6 превысил проектный на 13,5 %. Пластовое давление по эксплуатационной зоне составляет 6,67 МПа, по всей зоне УКПГ - 6 - 7.1 МПа. В течение всего года работала ДКС - 6. По состоянию на 01.01.98 на УКПГ - 7 эксплуатируется 86 скважин (90 по проекту). Среднесуточный дебит составляет 760 тыс. м3 . Нужно отметить, что уже в течение 4-х последних лет фактические годовые отборы по УКПГ близки к проектным (в 1997 году на УКПГ - 7 добыто 23,93 млрд. м3 , почти 30 % отставание фактических отборов от проектных с начала разработки, суммарная добыча достигла 134,88 млрд. м3 ) связано прежде всего с более поздним вводом в действие производственных мощностей УКПГ - 7. Пластовое давление по эксплуатационной зоне составляет 7,74 МПа, по всей зоне УКПГ - 9,15 МПа. Первую очередь ДКС - 7 планируется ввести в действие во 2-м полугодии 1998 года. На 01.01.98 УППГ - 8 работают 27 добывающих скважин со среднесуточным дебитом 520 тыс. м3 . Отбор газа за 1997 год составил 3,05 млрд. м3 газа, с начала разработки - 5,65 млрд. м3 . Пластовое давление по эксплуатационной зоне составляет 9,28 МПа, по всей зоне УППГ - 8 - 9,41 МПа. Таким образом, на 01.01.98 года на Ямбургском ГКМ разбурен практически весь фонд эксплуатационных скважин (исключение составляет лишь Харвутинский участок месторождения). Практически по всем УКПГ фактические показатели разработки (среднесуточные дебиты, отборы и, особенно, пластовые и устьевые давления) не соответствуют проектным. Это связано, в первую очередь с непроектными (повышенными) отборами в начальный период разработки на ряде УКПГ и срывами ввода производственных мощностей (УКПГ, ДКС, межпромысловых коллекторов). Анализ дренируемых запасов по времени, по зонам УКПГ и по кустам представлен в таблице 2.2. Таблица 2.2 - Дренируемые запасы
Темп падения пластового давления по годам разработки представлен в таблице 2.3 Таблица 2.3 - Темп падения пластового давления по годам разработки
Как видно из таблицы 2.3 темп падения пластового давления в целом за последнее время стабилизировался и в среднем составляет 0,38 МПа в год. Сеноманская залежь в данное время разрабатывается в условиях упруго-водонапорного режима. Отмечается начало довольно высокого темпа подъема ГВК (до 4 м в год) в ряде кустов УКПГ - 4,7. На УКПГ - 1 и 6 сложилась наиболее сложная ситуация с выносом воды, связанная со значительными трудностями в работе аппаратов осушки газа, а также утилизации выносимой на установки воды. Таким образом, при сопоставлении всех этих данных со сведениями по химическому составу проб жидкости отбираемой по скважинам, весь фонд скважин, выносящих воду можно подразделить на три группы. 1. Скважины выносящие в большом количестве пластовую воду (и как правило с большим выносом песка) из нижних перфорационных отверстий за счет подъема ГВК. В этом случае необходимо проведение работ по установке цементных мостов. 2. Скважины, выносящие пластовую воду в небольшом количестве (по цементному камню, либо когда текущее положение ГВК приближается к искусственному забою), а также со значительным выносом мехпримесей. В этом случае необходимо ограничение дебитов и проведение работ по установке забойных фильтров. Скважины, выносящие конденсационную воду - для лучшего ее выноса и нескапливания на забое - целесообразно увеличивать дебиты. Таким образом, для последующей оптимальной эксплуатации при выполнении этих мероприятий ряд скважин на одном кусту в ряде случаев необходимо штуцировать. При этом подобными исследованиями должен быть охвачен весь фонд скважин. Основные показатели разработки по УКПГ - 5 представлены в таблице 2.4. Таблица 2.4 - Основные показатели разработки по УКПГ - 5
3. Условия образования газовых гидратов3.1 В лагосодержание природных газовОдним из факторов, обусловливающих образование гидратов природных газов, является насыщение последних парами воды. При этом объемная скорость накопления гидратов зависит от скорости изменения влагосодержания газа с изменением давления и температуры. Для определения содержания паров воды в газах используется ряд экспериментальных и аналитических методов. К экспериментальным методам относятся: 1) визуальное определение точки росы, т.е. температуры, при которой начинается процесс конденсации паров при заданном давлении; 2) применение твердых сорбентов; 3) использование жидких сорбентов с последующим их титрованием; 4) вымораживание; 5) спектроскопические методы; 6) электрогигрометрический метод. Наиболее распространенным из них является метод визуального определения точки росы, который дает хорошие результаты при отсутствии конденсации углеводородов. По данному методу точка росы может быть определена с точностью ± 0,1°С. Однако этот метод не применим при определении точки росы газа, осушенного растворами диэтиленгликоля, из-за конденсации в газе. Вторым распространенным методом для определения влагосодержания газа является абсорбционный при помощи диэтиленгликоля с последующим титрованием раствора до полного отделения воды, абсорбированной из газового потока. Титрометрическим методом влагосодержание природных газов определяется с точностью до 0,01 г/м3 как при низких, так и при высоких давлениях. Влагосодержание природных газов, насыщенных парами воды, при нормальных условиях можно определить и по номограмме. На ней нанесена равновесная кривая гидратообразования, ограничивающая определенную область, в которой влагосодержание газов должно определяться из условия равновесия паров воды над гидратами. Определение влагосодержания по данной номограмме дает ошибку, не превышающую 4 %, что вполне допустимо. Влагосодержание природного газа растёт с повышением температуры и падает с повышением давления. Кроме того, влагосодержание уменьшается с увеличением молекулярного веса, а также с увеличением солености воды. Коэффициент Cr применим для любых компонентов природного газа. Он определяется из соотношения Cr = Wr/W0,6 г/м3 . Поправочный коэффициент Сs определяется из соотношения Cs = Ws/W0,6 г/м3 . Здесь W0,6 - влагосодержание природного газа с плотностью по воздуху 0,6, находящегося в контакте с пресной водой; Wr - влагосодержание природного газа с плотностью по воздуху р; Ws - влагосодержание природного газа, находящегося в контакте с рассолом. Коэффициент Сs учитывается при определении влагосодержания природного газа в пластовых условиях, где газ находится в контакте с минерализованной водой. Если определяют влагосодержание газа при его транспортировке по газопроводам, где газ находится в контакте с конденсирующейся из газа пресной водой, можно считать коэффициент Cs = 1. Влияние молекулярного веса на влагосодержание газа возрастает с повышением температуры. Однако ввиду того, что все природные газы от метана до газов с плотностью 1,0 имеют молекулярный вес между 16 и 30, последний не изменяет влагосодержание природных газов более чем на 3 - 5 %. Присутствие в составе газа СО2 и Н2 S увеличивает его влагосодержание, a N2 - уменьшает. При разработке месторождения пластовое давление уменьшается по мере отбора газа (температура газа в пласте практически остается постоянной в течение всего периода разработки месторождения), а влажность газа увеличивается. При этом влажность газа изменяется в зависимости от давления и температуры при движении газа в системе обустройства. Кроме того, влагосодержание газа изменяется в течение всего периода разработки месторождения с колебанием перепада давления при дросселировании газа. По кривым влагосодержания газа его влагосодержание во всей системе пласт - скважина - газопровод возрастает с падением пластового давления. 3.2 Состав и структура гидратовПриродный газ, насыщенный парами воды, при высоком давлении и при определенной положительной температуре способен образовывать твердые соединения с водой - гидраты. При разработке большинства газовых и газоконденсатных месторождений возникает проблема борьбы с образованием гидратов. Особое значение этот вопрос приобретает при разработке месторождений Западной Сибири и Крайнего Севера. Низкие пластовые температуры и суровые климатические условия этих районов создают благоприятные условия для образования гидратов не только в скважинах и газопроводах, но и в пластах, в результате чего образуются газогидратные залежи. Гидраты природных газов представляют собой неустойчивое физико-химическое соединение воды с углеводородами, которое с повышением температуры или при понижении давления разлагается на газ и воду. По внешнему виду это белая кристаллическая масса, похожая на лед или снег. Гидраты относятся к веществам, в которых молекулы одних компонентов размещены в полостях решетки между узлами ассоциированных молекул другого компонента. Такие соединения обычно называют твердыми растворами внедрения, а иногда соединениями включения. Молекулы гидратообразователей в полостях между узлами ассоциированных молекул воды гидратной решетки удерживаются с помощью Ван-дер-Ваальсовых сил притяжения. Гидраты образуются в виде двух структур, полости которых заполняются молекулами гидратообразователей частично или полностью (рисунок 3.1). В 1 структуре 46 молекул воды образуют две полости с внутренним диаметром 5,2 * 10 - 10 м и шесть полостей с внутренним диаметром 5,9 *10 - 10 м ; во II структуре 136 молекул воды образуют восемь больших полостей с внутренним диаметром 6,9*10 - 10 м и шестнадцать малых полостей с внутренним диаметром 4,8*10 - 10 м. При заполнении восьми полостей гидратной решетки состав гидратов структуры 1 выражается формулой 8M - 46Н2 О или М - 5,75Н2 О, где М - гидратообразователь. Если заполняются только большие полости, формула будет иметь вид 6М - 46Н2 О или М - 7,67Н2 О. При заполнении восьми полостей гидратной решетки состав гидратов структуры II выражается формулой 8М136Н2 О или М17Н2 О.
Рисунок 3.1 - Структура образования гидратов: а - вида I; б - вида II Формулы гидратов компонентов природных газов: СН4 *6Н2 О; С2 Н6 * 8Н2 О; С3 Н8 *17Н2 О; i - С4 Н10 *17Н2 О; Н2 S*6Н2 О; N2 *6Н2 О; СО2 *6Н2 О. Эти формулы гидратов газов соответствуют идеальным условиям, т.е. таким условиям, при которых все большие и малые полости гидратной решетки заполняются на 100%. На практике встречаются смешанные гидраты, состоящие из 1, II структур. 3.3 Условия образования гидратовПредставление об условиях образования гидратов дает фазовая диаграмма гетерогенного равновесия, построенная для систем М - Н2 0. В точке С одновременно существуют четыре фазы (I, II, III, IV): газообразный гидратообразователь, жидкий раствор гидратообразователя в воде, раствор воды в гидратообразователе и гидрат. В точке пересечения кривых 1 и 2, соответствующей инвариантной системе, нельзя изменить температуру, давление или состав системы без того, чтобы не исчезла одна из фаз. При всех температурах выше соответствующего значения в точке С гидрат не может существовать, как бы ни было велико давление. Поэтому точка С рассматривается как критическая точка образования гидратов. В точке пересечения кривых 2 и 3 (точка В) появляется вторая инвариантная точка, в которой существуют газообразный гидратообразователь, жидкий раствор гидратообразователя в воде, гидрат и лед. Из этой диаграммы следует, что в системе M - Н2 О возможно образование гидратов по следующим процессам: Мг + т (Н2 О) ж « Мт (Н2 О) тв ; Мр + т (Н2 О) тв « Мт (Н2 О) тв ; Mж + т (Н2 О) ж « Мт (Н2 О) тв ; Мтв + т (Н2 О) тв « Мт (Н2 О) тв . Здесь Mг , Мж , Мтв - условное обозначение гидратообразователя соответственно газообразного, жидкого и твердого; (H2 О) ж , (Н2 О) тв - молекулы соответственно жидкой и твердом (лед) воды; т - число молекул воды в составе гидрата. Если вода переохлажденная, упругость диссоциации гидрата меньше, чем при наличии льда. Следовательно, для образования гидратов необходимо, чтобы парциальное давление паров воды над гидратом было выше упругости этих паров в составе гидрата. На изменение температуры образования гидратов влияют: состав гидратообразователя, чистота воды, турбулентность, и т.д. Изменение равновесной температуры гидратообразования также зависит и от скорости охлаждения системы гидратообразователь - вода. На практике условия образования гидратов определяют с помощью равновесных графиков (рисунок 3.2) или расчетным путем - по константам равновесия и графоаналитическим методом по уравнению Баррера - Стюарта. Из рисунка 3.3 следует, что чем выше плотность газа, тем больше температура гидратообразования. Однако отметим, что с увеличением плотности газа не всегда повышается температура гидратообразования. Природный газ с небольшой плотностью может образовывать гидраты при более высоких температурах, чем природный газ с повышенной плотностью. Если на увеличение плотности природного газа влияют не гидратообразующие компоненты, то температура его гидратообразования понижается. Если же влияют различные гидратообразующие компоненты, то температура гидратообразования будет выше для того состава газа, в котором преобладают компоненты с большей устойчивостью. Условия образования гидратов природных газов по константам равновесия определяют по формуле: г = у/К, где z, у - молярная доля компонента соответственно в составе гидрата и газовой фазы; К - константа равновесия.
Рисунок 3.2 - Равновесные кривые образования Тк гидратов природных газов в зависимости от температуры и давления Равновесные параметры гидратообразования по константам равновесия при данных температуре и давлении рассчитывают следующим образом. Сначала находят константы для каждого компонента, а затем молярные доли компонента делят на найденную константу его равновесия и полученные значения складывают. Если сумма равна единице, система термодинамически равновесная, если больше единицы - существуют условия для образования гидратов, при сумме меньше единицы гидраты не могут образовываться. 3.4 Гидраты индивидуальных и природных углеводородных газовГидрат метана впервые был получен в 1888 г., при максимальной температуре, равной 21,5°С. Катц и другие, изучая равновесные параметры (давление и температуру) гидратообразования метана при давлении 33,0 - 76,0 МПа, получили гидраты метана при температуре 28,8°С. В одной из работ отмечено, что температура образования гидратов этого компонента при давлении 390 МПа повышается до 47°С. Из кривых образования гидратов смесей СН4 и С2 Н6 или СН4 и С3 Н8 (Рисунок 3.3, 3.4) следует, что при добавлении этана (С2 Н6 ) и пропана (C3 Н8 ) улучшаются условия образования гидратов смесей СН4 , так как гидраты образуются при более низких давлениях и более высоких температурах. Из углеводородных газов, кроме С2 Н6 и С3 Н8 , повышению температуры образования гидратов этих смесей с СН4 способствует изобутан, все остальные газы, включая нормальный бутан и выше, действуют отрицательно. Гидраты CH4 при 0°С устойчивы, если давление равно 2,8 МПа или более. Для других углеводородов парафинового ряда (C2 Н6 ; C3 Н8 ; i-С4 Н10 ) это давление составляет соответственно 0,5; 0,1 и 0,1 МПа (рисунок 3.5). Критическая температура образования гидратов (в°С): для С2 Н6 - 14,5; C3 Н8 - 5,5; для i-C4 Н10 - 1,5.
Рисунок 3.3 - Кривые образования гидратов в зависимости от изменения в их составе количества этана. Содержание этана (в %): 1 - 45,6; 2 - 9,6; 3 - 5, 4 - 2,9; 5 - 2,2; 6 - 1,2
Pиcунок 3.4 - Кривые образования гидратов в зависимости от изменения в их составе количества пропана Содержание пропана (в %): 1 - 63, 2 - 29; 3 - 12; 4 - 5; 5 - 2,6; 6 - 1,0
Рисунок 3.5 - Кривые образования гидратов в зависимости от изменения в их составе индивидуальных углеводородов. 1 - метан; 2 - этан; 3 - пропан; 4 - изобутан; 5 - ацетилен; 6 - этилен; I - линия образования гидратов; II - кривая упругости паров ра , МПа
Рисунок 3.6 - Зависимость ра от t при различном содержании H2 S. Содержание H2 S (в %) 1 - 1; 2 - 2; 3 - 4; 4 - 6; 5 - 10; 6 - 20; 7 - 40; 8 - 60; 9 - 100 Из углеводородов ряда Cn H2 n гидраты образуют только этилен (С2 Н4 ) и пропилен (С3 Н6 ). Критическая температура для С2 Н4 составляет 17°С. Его гидраты при 0°С устойчивы при давлении 0,5 МПа. Гидраты природных газов - типичные представители так называемых смешанных гидратов, в которых гидратообразователями являются не отдельные индивидуальные углеводороды, а смесь газов. Состав смешанных гидратов и количество компонентов в них изменяются в зависимости от изменения парциального давления и компонентов. В присутствии сероводорода температура гидратообразования углеводородных газов значительно повышается. Чем больше сероводорода в газе, тем выше равновесная температура и ниже равновесное давление гидратообразования углеводородного газа. Например, из рисунка 3.6 видим, что при давлении 5 МПа для чистого метана температура образования гидратов составляет 6°С, а при 2 % - ном содержании Н2 S она достигает 10°С. Влияние CО2 на образование гидратов углеводородных газов показано на рисунке 3.7. Природные газы, содержащие азот, имеют более низкую температуру образования гидратов. Например, в природном газе с относительной плотностью 0,6 отсутствует азот, гидраты образуются при температуре 10°С
Рисунок 3.7 - Зависимость Р от t при различном содержании СО2 . Содержание С02 (в %): 1 - 12,5; 2 - 28; 3 - 32; 4 - 60; 5 – 100
Рисунок 3.8 - Зависимость Р от t при образовании гидратов в углеводородных газах. Зоны: 1 - газообразный пропан + вода; II - гидрат + газообразный пропан: III - жидкий пропан + вода; IV - гидрат + жидкий пропан и давлении 3,4 МПа, если же в газе содержится 18 % азота, равновесное давление гидратообразования снижается до 3 МПа. Для образования гидратов в жидких углеводородах по сравнению с газообразными (кривые 1 и 3 на рисунке 3.8) требуются более высокое давление и более низкие температуры. Кривая 2 характеризует упругость насыщенных паров пропана. Выше нее пропан находится в жидком, а ниже - в газообразном состоянии. Например, при температуре 3,8°С для образования гидрата в газообразном пропане требуется давление 0,46 МПа, в жидком - более 3 МПа. В отличие от природных газов выделение гидратов в жидких углеводородных газов сопровождается увеличением давления системы (в замкнутом объеме). Кроме того, как и в природных газах, в этом случае выделяется теплота, в результате чего повышается температура системы. Поскольку объем остается постоянным, с увеличением температуры в системе растет и давление. Разложение гидратов жидких углеводородных газов сопровождается уменьшением объема и, следовательно, понижением давления. Образование гидратов в жидких углеводородах идет несравнимо медленнее, чем в газообразных. Чтобы начался этот процесс, требуется выдержать систему при соответствующих условиях в течение некоторого времени в случае равновесия. Однако при отрицательных температурах после появления мелких кристалликов льда гидраты начинают образовываться значительно быстрее. 3.5 Места образования гидратовЗнать места возможного гидратообразования очень важно для своевременного их предупреждения. Для правильного определения места образования гидратов необходимо знать состав газа, его плотность, изменения давления и температуры и влажность газа. Зная влажность и состав подаваемого газа, а также зависимость этих параметров от давления и температуры, можно определить время начала образования гидратов, место и скорость накопления их в газопроводе. Если точка росы лежит выше равновесной кривой гидратообразования, гидраты образуются в точке пересечения линии изменения температуры в газопроводе с кривой равновесной температуры гидратообразования. Если точка росы лежит ниже равновесной кривой, но выше минимума температурной кривой в газопроводе, гидраты образуются в точке росы. В условиях, когда точка росы лежит ниже равновесной кривой гидратообразования и ниже кривой изменения температуры в газопроводе, гидратообразование невозможно. При создании условий гидратообразования на данном участке газопровода гидратная пробка быстро нарастает по мере поступления воды и гидратообразователя. При этом пары воды выделяются из газа, что снижает их упругость на определенную величину и ускоряет процесс образования локальной гидратной пробки. Средняя объемная скорость накопления гидратов за время t может быть определена по формуле: G = Q (Wн -Wк ) u/t, (3.1) где Q - расход газа в тыс. м3 ; Wн - влагосодержание газа в равновесной точке гидратообразования в г/м3 , Wк - влагосодержание газа после образования гидратов в г/м3 ; u - удельный объем гидратов в м3 /кг; t - время образования гидратов в ч. В газопроводе могут образовываться одна или несколько гидратных пробок. В результате образования гидратов в газопроводе влагосодержание газового потока над гидратами снижается соответственно снижению упругости паров воды, находящихся в равновесия с жидкой фазой и твердым гидратом. Если в результате образования первой гидратной пробки точка росы паров воды снижается ниже минимума кривой изменения температуры газа в газопроводе, то следующая гидратная пробка может и не образоваться. Если в результате образования гидратной пробки за счет разности упругостей паров воды над жидкой водой и над гидратами точка росы не снижается ниже минимальной температуры в газопроводе, то образуется следующая гидратная пробка - в точке пересечения линии влагосодержания с кривой изменения температуры в газопроводе. Гидраты образуются в следующих местах: 1. На штуцерах непосредственно после редуцирования газа при давлении примерно 6,5 МПа и температуре ниже 17°С. 2. В обвязке, до сепараторов (при интенсивной теплоотдаче от газового потока к грунту). 3. В сепараторах (скорость потока на входных патрубках циклонных сепараторов достигает 120 м/с; давление в сепараторах значительно превышает равновесное давление гидратообразования). Часть гидратов потоком направляется в отстойную емкость. Здесь они уплотняются и частично или полностью закупоривают емкость, что приводит к резкому снижению эффективности работы сепараторов. 4. На диафрагме замерного участка. В застойных зонах до и после диафрагмы скапливаются ранее образующиеся и переносимые потоком газа гидраты. Гидратное кольцо равномерной толщины с незначительными углами скосов обнаруживали при вскрытии камер замерного участка (рисунок 3.10). 5. В шлейфах - газопроводах, подключающих скважины к промысловому газосборному коллектору. Скопление гидратов наблюдается в непосредственной близости от диафрагмы замерного участка - в местах ответвлений (врезанные свечи, шлейфы). Гидраты в шлейфах образуются также на обратных клапанах, в местах установки задвижек, кранов и карманов для измерения температуры. 6. В промысловом газосборном коллекторе в местах резкого изменения скорости газового потока. Скопление их наблюдается в местах врезок шлейфов скважин в газосборный коллектор, на запорной арматуре, на врезках дрипов и т.д. Гидраты могут также скапливаться и на прямолинейных участках газопроводов. В зависимости от скорости потока гидраты отлагаются в газопроводе в виде спирального кольца или в виде сегмента (рисунок 3.11). Гидраты скопляются также и в объемных сепараторах. 7. На концевых линейных кранах. С одной стороны их действует рабочее давление газосборной сети, с другой - атмосферное. Под таким давлением уплотнительная смазка на пробках кранов и байпасов выдавливается, образуются пропуски газа с резким понижением температуры последнего. Корпус крана или байпас резко охлаждается и образуется застойная зона пониженной температуры. Пары воды, насыщающие газ, конденсируются, и начинается процесс кристаллизации гидратов. Постепенное накопление их приводит к полной закупорке сечения крана или обводного байпаса.
Рисунок 3.10 - Схема накопления гидратов на замерной диафрагме. 1 - газопровод; 2 - гидраты; 3 - импульсные трубки; 4 – диафрагма
Рисунок 3.11 - Схема заполнения гидратами горизонтальной трубы. 1 - газопровод; 2 – гидраты Для правильного определения места образования гидратов и скорости их накопления в газопроводе необходимо знать состав, температуру, давление и влажность газа, а также их изменение по трассе. Это позволяет своевременно принять надлежащие меры. При известном давлении в газопроводе по составу газа определяется равновесная температура гидратообразования tp. Затем определяется место образования гидратов в газопроводе при помощи уравнения: C=1/a*ln{ (tн - t0 + I /a) / (tр - t0 + I /a) }, (3.2) где C - расстояние от точки газопровода с температурой tg до места образования гидратов в м; tн - начальная температура газа в°С; t0 - температура грунта на уровне газопровода в°C; tр - равновесная температура образования гидратов в°С; I - средний эффект Джоуля - Томсона, отнесенный к единице длины газопровода в°С/м. Эффект Джоуля - Томсона состоит в следующем. В заключенной в адиабатную оболочку трубке помещена пробка из ваты. По одну сторону пробки находится газ при давлении p1 , по другую сторону пробки давление меньше и равно р2 . Благодаря разности давлений газ будет медленно перетекать через пробку из одной части трубки в другую. Поместив термометры или термопары по обе стороны пробки, можно определить знак изменения температуры газа в опыте Джоуля - Томсона. Оказалось, что большинство газов при комнатной температуре охлаждается, лишь водород и гелий дают повышение температуры. 3.6 Образование гидратов в скважинах и способы их устраненияОбразование гидратов в скважинах и промысловых газопроводах и выбор метода борьбы с ними в значительной степени зависят от пластовых температур, климатических условий и режима эксплуатации скважины. Часто в стволе скважины имеются условия для образования гидратов, когда температура газа при его движении вверх от забоя до устья становится ниже температуры гидратообразования. В результате скважина забивается гидратами. Изменение температуры в работающей скважине предпочтительней определять с помощью глубинных приборов. Если это не представляется возможным, применяют формулы: t = tгр - Dti e - a (H - l) +{ (1 - е - а (Н - l)) (Г - Di (pc - py ) / H - A/cp ) / a}; (3.3) где t, tгр - соответственно температура потока и грунта на глубине l; tгр = tпл - Г (Н - l); (3.4) tпл - температура пласта на глубине Н; Г - среднее значение геотермического градиента на участке Н - l; Dti - изменение температуры в призабойной зоне за счет эффекта Джоуля-Томсона,°С; Dti = Di (pпл - pc ) { lg (1+ (Gcp t /p hcп rc 2 )) } / lg (rk /rc ) » Di (pпл - pc ); (3.5) rk - радиус контура питания скважины, м; rc - радиус скважины, м; Di - дифференциальный коэффициент Джоуля - Томсона,°С/МПа; pпл - давление в пласте, МПа; рс - давление на забое скважины, МПа; G - массовый расход газа, кг/с; Ср - теплоемкость газа при постоянном давлении; т - продолжительность работы скважины, с; h - вскрытая мощность пласта (интервал перфорации), м; сп - теплоемкость породы, Дж/м3 . а = (2plп ) / (Gcр f (t)), (3.6) где lп - теплопроводность горных пород, Дж/м с градус; f (t) - безразмерная функция. f (t) = ln (1+ Ö p lп t / сп rc 2 ), (3.7) Величина геотермического градиента Г зависит от многих переменных; его надо рассчитывать по данным измерений температуры в скважинах, простаивающих длительное время. Температура газа в шлейфах может быть вычислена по формуле Шухова, справедливой для небольших перепадов давления, tl = tср + (t0 - tср ) e - (k p в l / G c п D), (3.8) где ti - температура потока в°C на расстоянии l от начала шлейфа,°С; tср - температура среды, в которой проложен шлейф, в°С; t0 - температура газа в начале шлейфа,°С; в - внутренний диаметр шлейфа; k - коэффициент теплопередачи, Дж/с м2 °С. По такой же формуле рассчитывается и коллектор. Вследствие снижения температуры газа при движении его по стволу скважины, в потоке всегда имеется конденсационная вода. Поэтому образование гидратов обусловлено только отношением давления и температуры.
Рисунок 3.9 - Определение зоны возможного образования гидратов. 1 - давление в скважине; 2 - равновесная температура гидратообразования; 3 - температура в скважине; 4 - глубина залегания нейтрального слоя По графику, изображенному на рисунке 3.9 можно определить место образования гидратов в скважинах. Аналогично можно установить и места образования их в шлейфах и коллекторах с той лишь разницей, что там надо выделить участки, на которых температура газа ниже точки росы, т.е. имеется капельная вода. Необходимые для расчетов по формулам величины Кд, Ср и т.д. берутся из справочников теплофизических величин. На рисунке 3.10 виден характер изменения температуры по глубине скважины в процессе разработки одного из месторождений при различных коэффициентах теплопередачи К и следующих исходных данных: расход Q = 700 тыс. м3 /сут; диаметр в = 0,2 м; глубина Н = 735 м; температура на забое tз = 19°С. Анализ факторов, влияющих на изменение температуры по стволу скважин, показывает, что тепловой их режим в процессе разработки месторождения изменяется, и с уменьшением дебита для данного примера температура газа по стволу понижается (рисунок 3.11). Как видно из рисунка 3.11, путем регулирования дебита можно определить условия, исключающие образование гидратов. Изменение давления на устье ру , температуры газа на устье tу и равновесной температуры образования гидратов определяют в зависимости от дебита скважины при следующих исходных данных рз = 11,8 МПа; tпл = 32°С; tз = 31°С; в = 180 мм; p=0,56; К=22 Вт/м2 * К); Г= 0,0277°С/м. Для рассматриваемых условий режим безгидратной эксплуатации в течение начального периода разработки месторождения обеспечивается при дебитах от 0,75 млн. до 6,5 млн. м3 / сут. Оптимальный дебит, обеспечивающий максимальный резерв температуры, составляет примерно 3 млн м3 /сут. Температура газа в стволе будет изменяться в зависимости от дебита скважины и диаметра фонтанных труб. Из рисунка 3.12 видно, что при Q = Qопт режим безгидратной эксплуатации обеспечивается при в ³ 145 - 160 мм. С увеличением диаметра труб Q опт сдвигается в сторону больших дебитов (рисунок 3.13). Таким образом, при соответствующем подборе диаметра фонтанных труб и дебита газа можно обеспечить безгидратный режим работы скважин.
Рисунок 3.9 - Изменение температуры с глубиной скважины при различных коэффициентах теплопередачи. Коэффициент теплопередачи (в Вт/ (м2 *К) /: 1 - 1,2; 2 - 6; 3 - 12; 4 - 7; 5 - 23; 6 - 29; 7 - геотермический градиент; 8 - равновесная температура образования гидратов; а - е - годы разработки: первый, второй, четвертый, шестой, восьмой, десятый Рассмотрим для данного примера изменение проектного безгидратного дебита газа в процессе разработки месторождения. Вправо от точки А и выше кривой 2 гидраты не образуются. В первые два года разработки безгидратный дебит скважин находится в пределах 1 - 0,7 млн. м3 /сут. В последующие годы принятый по проекту рабочий дебит скважины обеспечивает безгидратный режим скважин.
Рисунок 3.10 - Изменение температуры по стволу скважины при К=12 (Вт/м2 * К) и различных дебитах Q. Дебит (в тыс. м3 /сут): 1 - 700; 2 - 500; 3 - 300; 4 - 100; 5 - 10; 6 - геотермический градиент; 7 - 12 - равновесные кривые образования гидратов соответственно в первый, второй, четвертый, шестой, восьмой, десятый годы разработки
Рисунок 3.11 - Изменение давления и температуры газа, равновесной температуры образования гидратов в зависимости от дебита скважины. Кривые: 1 - давление на устье; 2 - температура на устье; 3 - температура образования гидратов; 4 - зона безгидратной эксплуатации
Рисунок 3.12 - Изменение температуры, давления газа и температуры образования гидратов в зависимости от диаметра фонтанных труб при Q = Qопт . Кривые: 1 - температура на устье; 2 - давление на устье; 3 - температура образования гидратов; 4 - зона безгидратной эксплуатации
Рисунок 3.13 - Изменение температуры газа и равновесной температуры образования гидратов в зависимости от дебита при различных диаметрах в фонтанных труб. Кривые температуры на устье: 1 - в = 220 мм (пятый год разработки); 2 - в = 180 мм (первый год разработки); 3 - в = 220 мм (первый год разработки; 4 - в = 220 мм (пятый год разработки), 6 - в = 220 мм (первый год разработки) Следует указать, что существует такой дебит, выше и ниже которого температура газа на устье не повышается, а снижается (см, кривую 2 на рисунке 3.11). Объясняется это тем, что при низких дебитах температура газа на устье в основном зависит от теплообмена газа со стенками скважины, а при высоких дебитах за счет увеличения их потерь на трение эффект Джоуля - Томпсона начинает преобладать над эффектом теплообмена. Образование гидратов в стволе можно предупредить теплоизоляцией фонтанных или обсадных колонн, повышением температуры газа в стволе с помощью нагревателей. Самый распространенный способ предупреждения образования гидратов - подача ингибиторов (метанола, гликолей) в поток газа. Иногда подача ингибитора осуществляется через затрубное пространство. Выбор реагента зависит от многих факторов.
Рисунок 3.14 - Изменение допустимого дебита скважины, при котором исключается образование гидратов, в процессе разработки месторождения. 1 - линия допустимых дебитов; 2 - проектный дебит; 3 - зона гидратов
Рисунок 3.15 - График определения места образования гидратов в скважинах Дебит (в тыс. м3 /сут); 1 - 20, 2 - 30. Кривые: 3 - геотермического градиента; 4 - равновесной температуры образования гидратов Место начала образования гидратов в скважинах определяют по точке пересечения равновесной кривой образования гидратов с кривой изменения температуры газа по стволу скважин (рисунок 3.14). Практически образование гидратов в стволе скважины можно заметить по снижению рабочего давления на устье и уменьшению дебита газа. Если гидраты перекрывают сечение скважины не полностью, разложения их проще всего достигнуть с помощью ингибиторов. Значительно труднее бороться с отложениями гидратов, полностью перекрывающих сечение фонтанных труб и образовавших сплошную гидратную пробку. При небольшой длине пробки ее ликвидацию обычно осуществляют продувкой скважины. При значительной длине выбросу пробки в атмосферу предшествует некоторый период, в течение которого она частично разлагается в результате снижения давления. Продолжительность периода разложения гидратов зависит от длины пробки, температуры газа и окружающих горных пород. Твердые частицы (песок, шлам, окалина, частицы глинистого раствора и т.п.) замедляют разложение пробки. Для ускорения этого процесса используют ингибиторы. Следует учитывать также, что при образовании гидратной пробки в зоне отрицательных температур только при понижении давления получают эффект. Дело в том, что вода, выделяющаяся при разложении гидратов при низкой концентрации ингибитора, может замерзнуть и вместо гидратной образуется ледяная пробка, ликвидировать которую затруднительно. Если пробка большой длины образовалась в стволе скважины, ее можно ликвидировать, применяя замкнутую циркуляцию ингибитора над пробкой. В результате механические примеси размываются, и на поверхности гидратной пробки постоянно содержится ингибитор высокой концентрации. 3.7 Образование гидратов в газопроводахДля борьбы с отложениями гидратов в промысловых и магистральных газопроводах применяют те же способы, что и на скважинах. Кроме того, предупредить образование гидратов можно путем ввода ингибиторов и теплоизоляцией шлейфов. По расчетным данным теплоизоляциия шлейфа пенополиуританом толщиной 0,5 см при среднем дебите скважин 3 млн. м3 /сут. обеспечивает безгидратный режим его работы при длине до 3 км, а при дебите 1 млн. м3 /сут. - до 2 км. Практически толщину теплоизоляции шлейфа с учетом запаса можно принять равной в пределах 1 - 1,5 см. Для борьбы с образованием гидратов при исследовании скважин применяют способ, предотвращающий их прилипание к стенкам труб. С этой целью в поток газа вводят поверхностно - активные вещества (ПАВ), конденсат или нефтепродукты. При этом на стенках труб образуется гидрофобная пленка, и рыхлые гидраты легко транспортируются потоком газа. ПАВ, покрывая поверхность жидкостей и твердых веществ тончайшими слоями, способствует резкому изменению условий взаимодействия гидратов со стенкой трубы. Гидраты водных растворов ПАВ не прилипают к стенкам. Лучшие из водорастворимых ПАВ - ОП - 7, ОП - 10, ОП - 20 и ИНХП - 9 - можно использовать только в области положительных температур. Из нефтерастворимых ПАВ лучшим является ОП - 4 - хороший эмульгатор. Добавление к 1 л нефтепродуктов (лигроину, керосину, дизельному топливу, стабильному конденсату) соответственно 10; 12,7 и 6 г ОП - 4 предотвращают прилипание гидратов к стенкам труб. Смесь, состоящая из 15 - 20 % (по объему) солярового масла и 80 - 85 % стабильного конденсата, предотвращает отложения гидратов на поверхности труб. Расход такой смеси составляет 5 - 6 л на 1000 м3 газа. 3.8 Температурный режим газопроводовПосле расчета температуры и давления по длине газопровода и зная равновесные их значения, можно определить условия образования гидратов. Температура газа рассчитывается по формуле Шухова, которая учитывает теплообмен газа с грунтом. Более общая формула, учитывающая теплообмен с окружающей средой, эффект Джоуля - Томсона, а также влияние рельефа трассы, имеет вид:
l j Cp l ( 3.9)
r QCp где t, to - температура соответственно газа в газопроводе и окружающей среды; tn - начальная температура газа; х - расстояние от начала газопровода до рассматриваемой точки; Di - коэффициент Джоуля - Томсона; p1 , p2 - давление соответственно в начале и конце газопровода; l - длина газопровода; g - ускорение свободного падения; Dz - разность отметок по высоте конечной и начальной точек газопровода; Ср - теплоемкость газа при постоянном давлении; К - коэффициент теплопередачи в окружающую среду; в - диаметр газопровода; р - плотность газа; Q - объемный расход газа. Для горизонтальных газопроводов формула (3.9) упрощается и имеет вид: t = t0 + (tn - t0 ) e - x r - Di { (p1 - p2 ) (1 - e - x r ) / l * j}, (3.10) Расчеты и наблюдения показывают, что температура газа по длине газопровода плавно приближается к температуре грунта (рисунок 3.20).
Рисунок 3.15 - Изменение температуры газа вдоль подземного газопровода 1 - измеренная температура; 2 - изменение температуры; 3 - температура грунта Выравнивание температур газопровода и грунта зависит от многих факторов. Расстояние, где разница температур газа в трубопроводе и грунте становится не ощутимой, можно определить, если в уравнении (3.10) принять t = to и х = x0 . Тогда: x0 = (1/j) ln{ (lj (tn - t0 ) / (Di (p1 - p2 )) + 1}, (3.11) Можно считать, что на этом же расстоянии от начала газопровода прекращается выпадение влаги из газа (если оно происходило), так как температура газа не изменяется, а давление снижается. Например, по расчетным данным на подводном газопроводе диаметром 200 мм пропускной способностью 800 тыс. м3 /сут. температура газа выравнивается с температурой воды на расстоянии 0,5 км, а на подземном газопроводе при тех же параметрах - на расстоянии 17 км. 4. Предупреждение образования гидратов природных газов и борьба с ними4.1 Ввод ингибиторов, используемых при ликвидации гидратных пробокМесто образования гидратной пробки обычно удается определить по росту перепада давления на данном участке газопровода. Если пробка не сплошная, то в трубопровод через специальные патрубки, штуцера для манометров или через продувочную свечу вводят ингибитор. Если в трубопроводе образовались сплошные гидратные пробки небольшой длины, их иногда удается ликвидировать таким же путем.
Рисунок 4.1 - Зависимость температуры замерзания воды от концентрации раствора. Ингибиторы: 1 - глицерин; 2 - ТЭГ; З - ДЭГ, 4 - ЭГ; 5 - С2 Н5 ОН; 7 - NaCI; 8 - CaCI2 ; 9 - MgCl2 При длине пробки, исчисляемой сотнями метров, над гидратной пробкой вырезают в трубе несколько окон и через них заливают метанол. Затем трубу заваривают вновь. Для быстрого разложения гидратной пробки применяют комбинированный способ; одновременно с вводом ингибитора в зоне образования гидратов снижают давление. Ликвидация гидратных пробок методом снижения давления. Сущность этого метода заключается в нарушении равновесного состояния гидратов, в результате чего происходит их разложение. Давление снижают тремя способами: 1). Отключают участок газопровода, где образовалась пробка, и с двух сторон через свечи пропускают газ; 2). Перекрывают линейный кран с одной стороны и выпускают в атмосферу газ, заключенный между пробкой и одним из перекрытых кранов; 3). Отключают участок газопровода с обеих сторон пробки и выпускают в атмосферу газ, заключенный между пробкой и одним из перекрытых кранов. После разложения гидратов учитывают следующее: возможность накопления жидких углеводородов на продуваемом участке и образование повторных гидратоледяных пробок за счет резкого снижения температуры. При отрицательных температурах по методу снижения давления в некоторых случаях не получают должного эффекта, так как вода, образовавшаяся в результате разложения гидратов, переходит в лед и образует ледяную пробку. В этом случае метод снижения давления используют в комбинации выводом в трубопровод ингибиторов. Количество ингибитора должно быть таким, чтобы при данной температуре раствор из введенного ингибитора и воды, получившийся при разложении гидратов, не замерзал (рисунок 4.1). Разложение гидратов снижением давления в комбинации с вводом ингибиторов происходит гораздо быстрее, чем при использовании каждого метода в отдельности. Ликвидация гидратных пробок в трубопроводах природных и сжиженных газов методом подогрева. При этом способе повышение температуры выше равновесной температуры образования гидратов приводит к их разложению. На практике трубопровод подогревают горячей водой или паром. Исследования показали, что повышение температуры в точке контакта гидрата и металла до 30 - 40°С достаточно для быстрого разложения гидратов. 4.2 Ингибиторы для борьбы с образованием гидратовНа практике для борьбы с образованием гидратов широко применяют метанол и гликоли. Иногда используют жидкие углеводороды, ПАВ, пластовую воду, смесь различных ингибиторов, например метанола с растворами хлористого кальция и т.д. Метанол обладает высокой степенью понижения температуры гидратообразования, способностью быстро разлагать уже образовавшиеся гидратные пробки и смешиваться с водой в любых соотношениях, малой вязкостью и низкой температурой замерзания. Упругость паров чистого метанола и его водных растворов определяют по графику, приведенному на рисунке 4.2. Метанол - сильный яд, попадание в организм даже небольшой дозы его может привести к смертельному исходу, поэтому при работе с ним требуется особая осторожность. 4.2.1 Ввод метанолаНаиболее распространен на газовых промыслах способ подачи метанола (СН3 ОН) в струю газа. При этом он образует с парообразной и жидкой влагой спиртоводные смеси, температура замерзания которых значительно ниже нуля. Пары воды поглощаются из газа, что значительно снижает точку росы, и, следовательно, создаются условия для разложения гидратов или для предупреждения их образования. Основным условием эффективного действия метанола является взаимодействие паров воды с парами метанола и дальнейшая конденсация их, что приводит к значительному понижению влагосодержания газа. Наибольшая эффективность метанола может быть достигнута с применением его в качестве средства, предупреждающего гидратообразование, а не для разрушения уже образовавшихся гидратов. При этом метанол необходимо впрыскивать в газовый поток, обеспечив хорошее распыление и смешение с общим газовым потоком. Для борьбы с гидратообразованием на групповом пункте предусматривается одна (иногда две) метанольная установка (рисунок 4.3), состоящая из метанольного бачка 1, емкости для хранения метанола 2, ручного насоса 5 типа БКФ - 2, обвязочных трубопроводов и вентилей. Метанол вводится, как правило, после сепараторов первой ступени под избыточным давлением, равным разности между давлением высоконапорной скважины, с которой соединен метанольный бачок, и давлением скважин, в которые вводится метанол, что составляет около 30 - 50 кгс/см2 . Количество вводимого в газопровод метанола для разложения образовавшихся гидратов определяют по графикам (рисунок 4.4, 4.5).
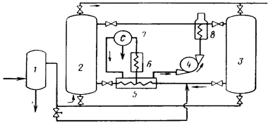
Рисунок 4.3 - Схема группового пункта сбора и очистки газа. 1 - метанольный бачок; 2 - емкость для хранения метанола; 3 - емкость конденсата; 4 - штуцер регулируемый; 5 - ручной насос; 7 - сепаратор циклонный; К - линии конденсата Сначала следует найти необходимое процентное содержание метанола в газе для разложения гидратов (см. рисунок 4.4), а затем по рисунку.4.5 соответствующий этому проценту расход метанола в килограммах на 1000 м3 газа.
10 – 5 0 5 10 15 20 Температура,°C Рисунок 4.4 - Содержание метанола (в %) в газе, необходимое для разложения гидратов при различных давлениях и температурах
Рисунок 4.5 - Удельный расход метанола (кг/сут) для разложения гидратов, определяемый по содержанию метанола (%), давлению и температуре Удельный расход метанола, необходимый для предотвращения гидратообразования при наличии в газе парообразной и жидкой влаги, определяется по формуле: ем = x (a + в e / 100), кг/1000 м3, (4.1) где х - весовая концентрация метанола в воде в % (определяется по рисунку 4.6, исходя из снижения точки замерзания раствора t = t0 - t); t - температура гидратообразования; a = eмг /x - отношение содержания метанола в газе, обеспечивающего насыщение газа, к весовой концентрации в воде в кг (СН3 ОН) 1000 м3 /% вес (СН3 ОН) в воде при нормальных условиях (определяется по рисунку 4.7 для данных р и t), Dе - содержание жидкой влаги в месте подачи метанола (кг/1000 м3 ) определяется экспериментально, а также приближенно: е = е’н - е’’н, (4.2) где е’н - начальное влагосодержание; е’’н - влагосодержание в точке ввода метанола. Величины е'н и е"н определяют для начальных и данных р и t. Суточный весовой расход метанола, необходимый для предотвращения гидратообразования, будет: Qм. = Qм. г. + Qм. ж. = eм Q, кг/сут., (4.3) Где Qм. ж. = Qe*x/100. Здесь Q - дебит газа при нормальных условиях в тыс. м3 /сут; Qм. ж. - количство метанола, насыщающего жидкую влагу, в кг/сут; Qм. г. - количество метанола, необходимое для насыщения газа, в кг/сут; Qм - общее количество метанола, необходимое для предотвращения гидратообразования, в кг/сут. Из формул (4.1) и (4.3) видно, что чем меньше содержание жидкой влаги в газе, тем меньший требуется расход метанола.
Рисунок 4.6 - Весовой процент метанола в воде х, необходимый для предотвращения образования гидратов, в зависимости от температуры, соответствующей снижению точки замерзания раствора At = t0 - t (t0 - температура образования гидратов, t - температура газа в газопроводе)
Рисунок 4.7 - Отношение содержания метанола в газе к весовому проценту его в воде, для предотвращения образования гидратов в зависимости от давления и температуры в точке образования гидратов 4.2.2 Ввод электролитовДля борьбы с гидратообразованием все большее применение находят электролиты и, в частности, водные растворы хлористого кальция. Это недорогой, безопасный и достаточно эффективный антигидратный ингибитор. Водные растворы хлористого лития также относятся к сильным электролитам, а свойства гигроскопичности их гораздо выше, чем у хлористого кальция. Ранее было установлено, что наиболее эффективным антигидратным ингибитором является 30 % - ный раствор хлористого кальция. При сопоставлении величины понижения равновесной температуры гидратообразования, в присутствии растворов хлористого лития в зависимости от его концентрации с аналогичными характеристиками других антигидратных ингибиторов (рис.4.8) установлено, что исследованные растворы наиболее эффективны. Так, если растворы хлористого кальция плотностью 1,08 снижают равновесную температуру на 3,5°С, то растворы хлористого лития этой же плотности приблизительно на 14°С. Дальнейшее повышение плотности раствора хлористого лития приводит к еще большему эффекту. При растворе плотностью 1,1 кристаллогидраты не были получены даже тогда, когда давление в системе было поднято до 240 кгс/см2 , а температура снижена до 0,9°С. Рисунок 4.8 - Снижение равновесной температуры гидратообразования (в системе газ - раствор соли) в зависимости от плотности раствора. 1 - газ - LiCI, 2 - газ - CaCI + 10 % LiСl (p = 1,1 Г см2 ); 3 - газ - CaCI2
Рисунок 4.9 - Равновесные условия гидратообразования природного газа с относительной плотностью ρ = 0,58. Системы 1 - природный газ - вода, 2 - природный газ - пластовая вода, 3 - природный газ - комбинированный раствор (95 % пластовой воды + 5 % метанола) Полученные данные свидетельствуют о весьма высокой эффективности растворов хлористого лития, применяемых в качестве антигидратных ингибиторов. Технологическая полезность этих растворов подтверждается не только относительно низкой рабочей концентрацией, но и достаточно низкой температурой замерзания. Например, для раствора плотностью 1,15 температура замерзания равна 62°С. Этот показатель играет особенно важную роль при решении вопросов борьбы с гидратами в условиях Крайнего Севера. В целях экономии применение хлористого лития должно сочетаться с последующим улавливанием и регенерацией отработанного раствора. Было изучено влияние добавки хлористого лития к растворам хлористого кальция различной концентрации. В результате установлено, что эта добавка значительно увеличивает депрессию равновесной температуры гидратообразования, создаваемую растворами хлористого кальция (см. рисунок 4.8). Причем эффект резко возрастает с увеличением плотности последнего. Таким образом, несмотря на тo, что смешанные растворы значительно уступают по эффективности растворам хлористого лития они обеспечивают снижение равновесной температуры гораздо в большем диапазоне, чем растворы хлористого кальция. В связи с этим применение растворов хлористого кальция в смеси с 10 % - ной (по объему) добавкой раствора хлористого лития плотностью 1,1 позволяет с большей эффективностью бороться с гидратами. Вместе с добываемой жидкостью на поверхность выносятся пластовые воды. Эти воды, как правило, содержат значительные количества растворенных солей, из которых чаще всего преобладая хлористый кальций. Обычно температура замерзания пластовых вол ниже 0°С, а по характеристике они являются электролитами. Часто пластовые воды встречаются в виде крепких рассолов с достаточно низкой температурой замерзания. Кроме того, замечено, что в скважинах, где наблюдается приток минерализованной воды, интенсивность гидратообразования значительно ниже по сравнению с теми скважинами, в которых капельная влага имеет конденсатное происхождение. Это указывает на то, что пластовые воды, являясь электролитами, выполняют роль антигидратных ингибиторов, действия которых заключается в том, что при их смешивании с конденсирующейся влагой изменяется ее молекулярная структура. Имеющиеся в растворе ионы солей разрушают ассоциации молекул воды, в результате чего исключается возможность гидратообразования. Отсюда следует, что чем больше ионов в растворе, тем меньше вероятность связывания молекул воды в кристаллическук решетку гидрата. 4.2.3 Ввод гликолейЭтиленгликоль (ЭГ), диэтиленгликоль (ДЭГ) и триэтиленгликоль (ТЭГ) применяются в качестве антигидратных ингибиторов. В таблице 4.1 приведена характеристика гликолей. По своим качествам гликоли являются более сильными, но и более дорогими ингибиторами по сравнению с растворами хлористого кальция и метанолом. При использовании отработанный раствор обязательно регенерируется и используется вновь. Это значительно снижает стоимость применения гликолей. Таблица 4.1
Рисунок 4.10 - Упругость паров метанола и воды над их растворами различной концентрации. Выбор гликоля зависит от состава газа. Так, в магистральном газопроводе, где присутствует природный газ, лучше применять ЭГ. Однако в сепараторах, теплообменниках и других дегидраторных аппаратах использовать ЭГ невыгодно из-за высокой упругости его паров. Для этих условий более подходят ДЭГ и ТЭГ. Следует отметить, что в единой системе сбора и транспорта газа следует применять один вид гликоля, что упрощает сбор и регенерацию отобранного раствора. С этой точки зрения целесообразнее всего применять ДЭГ. Гликоли (этиленгликоль, диэтиленгликоль, триэтиленгликоль) часто используют для осушки газа и в качестве ингибитора для борьбы с отложениями гидратов. Наиболее распространен как ингибитор диэтиленгликоль, хотя применение этиленгликоля более эффективно: его водные растворы имеют более низкую температуру замерзания, меньшую вязкость (рисунок 4.11), а также малую растворимость в углеводородных газах, что значительно снижает его потери.
Рисунок 4.11 - Зависимость вязкости водных растворов гликолей от температуры. А - ЭГ; б - ДЭГ; в - ТЭГ; содержание гликоля (%): 1 - 10; 2 - 25; 3 - 50; 4 - кривая замерзания Гликоли с водой также смешиваются в любых соотношениях. Плотность водных растворов гликолей и температуру их замерзания можно определить по графикам (рисунок 4.12 и 4.13). Наиболее низкие температуры замерзания этих растворов находятся в пределах концентрации 60 - 70%, которые являются оптимальными при использовании гликолей в качестве ингибиторов гидратов. Так как упругость паров гликолей при температуре образования гидратов небольшая (рисунок 4.14), то они при вводе в трубопровод практически полностью остаются в жидкой фазе, что упрощает их улавливание для повторного использования. Регенерация гликолей проводится до получения свежего раствора. Потери гликолей при использовании их в качестве ингибиторов гидратов складываются из потерь при регенерации (термическое разложение и унос), потерь в результате неполного отделения от газа в сепараторах, растворения гликолей в конденсате и газе, всевозможных утечек и др.
Рисунок 4.12 - Зависимость плотности водных растворов гликолей от температуры. а - ЭГ. Температура (°С): 1 - 44; 2 - 156; 3 - 267; 4 - 378; б - ДЭГ; в - ТЭГ. Массовая доля в %: 1 - 100; 2 - 90, 3 - 80, 4 - 70; 5 - 60; 6 - 50; 7 - 40; 8 - 30; 9 - 20; 10 – 10
Рисунок 4.13 - Зависимость температуры замерзания водных растворов гликолей от концентрации. 1 - ДЭГ; 2 – ЭГ
Рисунок 4.14 - Зависимость упругости паров гликолей от температуры. 1 - ЭГ; 2 - ДЭГ; 3 – ТЭГ Потери вследствие растворимости гликолей в углеводородах невелики, однако они увеличиваются при наличии в конденсате ароматических углеводоров (рисунок 4.15, 4.16, 4.17). При наличии в конденсате ароматических углеводородов гликоли образуют пену и эмульсии, что отрицательно влияет на работу установки и увеличивает потери.
Рисунок 4.15 - Зависимость температуры регенерации гликолей от концентрации. а-ЭГ, б-ДЭГ
Рисунок 4.16 - Зависимость растворимости ДЭГ в природном газе от давления. Температура (°С): 1 - 37,5; 2 – 25
Рисунок 4.17 - Зависимость растворимости гликолей в парафиновых углеводородах от температуры. 1 - ТЭГ; 2 – ДЭГ
Рисунок 4.18 - Номограмма для определения понижения температуры образования гидратов природных газов и расхода ингибиторов. 1 - LiCl; 2 - MgCl2 ; 3 - NaCl; 4 - NН4 ; 5 - CaCl2 ; 6 - СН3 ОН; 7 - ЭГ; 8 - ДЭГ; 9 – ТЭГ В некоторых случаях при эксплуатации скважин температура образования гидратов значительно снижается, например при обводнении скважин. Чем выше минерализация воды, поступающей из скважины вместе с газом, тем ниже температура образования гидратов. Присутствие нефти и дизельного топлива препятствует прилипанию образовавшихся гидратов к поверхности труб. Понижение температуры образования гидратов, а также расход того или иного ингибитора (из расчета на 1 кг выделившейся из газа влаги) можно определить по графику (рисунок 4.18). 4.3 Осушка газаНаиболее радикальным способом предотвращения в системе газоснабжения гидратов и водяных пробок образования является осушка газа. Специальные установки по осушке газа размещаются обычно на УКПГ или на головных сооружениях магистральных газопроводов. Существующие способы осушки при подготовке газа к дальнему транспортированию подразделяются на две основные группы: 1). сорбционные - поглощение влаги жидкими (абсорбция) и твердыми (адсорбция) сорбентами; 2). охлаждением газового потока с дополнительным компримированием и без него. В результате осушки газа точка росы паров воды должна быть снижена ниже минимальной температуры при транспортировании газа. Наиболее распространены два способа осушки газа: с использованием жидкого поглотителя - ДЭГ, ТЭГ и твердого поглотителя - силикагеля, активированной окиси алюминия (боксита) и цеолитов. Эти вещества гранулированы и имеют сильно развитую внутреннюю поверхность сообщающихся между собой пор, размер которых составляет единицы и десятки ангстрем. Удельная поверхность составляет сотни квадратных метров на 1 г поглотителя. Влага адсорбируется в порах при низкой температуре поглотителя и испаряется при подогреве. Методы абсорбции ди - и триэтиленгликолями обеспечивают снижение точки росы на 24 - 40°С. Практика показала, что влагосодержание газа, транспортируемого по магистральным газопроводам, должно, составлять, не более 0,05 - 0,1 г/м3 . Осушка газа предотвращает гидратообразование и снижает внутреннюю коррозию газопровода. Жидкий сорбент, пригодный для осушки природных газов, должен удовлетворять требованиям: высокая взаимная растворимость с водой; низкая стоимость; антикоррозийность; стабильность по отношению к газовым компонентам; стабильность при регенерации; простота регенерации; малая вязкость; низкая упругость паров при температуре контакта, малое поглощение углеводородных компонентов газа; низкая способность к пенообразованию или образованию эмульсии. В наибольшей степени этим требованиям отвечает диэтиленгликоль: (СН2 CH2 OH) 2 O, представляющий собой прозрачную глицериноподобную жидкость с температурой кипения 245°С и температурой замерзания минус 9°С. Плотность ДЭГ - 1,116 кг/м3 . Для осушки газа с целью снижения точки росы до минус 15 - минус 20°С используется ДЭГ концентрации 99 - 99,5 %. Необходимое количество ДЭГ можно рассчитать по формуле: Q = (W1 - W2 ) c2 / (c1 - c2 ), (4.4) где Q - расход ингибитора, кг/1000 м3 газа; W1 - влагосодержание газа до ввода в него ингибитора (берется по специальным графикам для пластовых условий), кг/1000 м3 газа; W2 - влагосодержание потока газа при условиях вывода ингибитора (например в сепараторе); с1 - концентрация вводимого раствора ингибитора, % вес. (величина заданная); с2 - концентрация выводимого раствора, % вес., величина либо заданная, либо определяемая. Необходимый расход ДЭГ определяется по зависимости (рисунок 4.19).
Рисунок 4.19 Зависимость а от давления и температуры Процесс абсорбции проходит в сравнительно узких температурных пределах. Верхний предел температуры абсорбции определяется потерями гликоля в результате испарения. Практически верхний температурный предел составляет около 35°С. Требуемая температура абсорбции определяется границей, до которой может быть охлажден регенерируемый гликоль входящим газом, теплотой абсорбции поглощенной воды и газоконденсатным отношением. Низкий температурный предел абсорбции определяется влиянием вязкости гликоля на поглотительную способность воды. Минимальная температура процесса примерно равна 10°С. Схема установки осушки газа гликолями предусматривает вакуумную регенерацию раствора (рисунок 4.20); она предназначена для глубокой осушки газа. Поступающий газ проходит через входной сепаратор 1, в котором отделяется капельная влага. Затем он попадает в абсорбер - контактор 2 на нижнюю тарелку. Газ в абсорбере поднимается через тарелки вверх, контактируя с раствором гликоля, подающимся на верхнюю тарелку. Концентрированный раствор гликоля, постепенно насыщаясь, опускается в нижнюю часть контактора, откуда через теплообменник, выветриватель 5 и фильтр 6 поступает в выпарную колонну 7. В нижней части выпарной колонны поддерживается температура 150 - 180°С, а в верхней части 105°С. Регенерированный (концентрированный) раствор гликоля через теплообменник и холодильник снова подается на верхнюю тарелку абсорбера. Затем рабочий цикл начинается снова. Осушенный в абсорбере газ поступает в каплеотделитель 3, в котором отделяется уносимый капельный гликоль; газ из каплеотделителя уходит в газопровод. Раствор гликоля, определяемый в каплеотделителе, поступает через сбросную линию абсорбера на регенерацию. Для снижения потерь гликоля при регенерации в верхней части выпарной колонны обеспечивается холодное орошение; температура здесь поддерживается в пределах 80 - 105°С. Отходящие пары воды и гликоля из выпарной колонны через холодильник поступают в сборник конденсата 8, откуда пары воды эжектируются в атмосферу, а охлажденный гликоль поступает на орошение и хранение. В современных установках совмещаются многие процессы по подготовке газа к транспорту.
Рисунок 4.20 - Принципиальная схема установки осушки газа гликолями. 1 - поступающий газ; II - осушенный газ; III - концентрированный гликоль; IV - охлаждающая вода; V - разбавленный гликоль; VI - поток орошения в колонну; VII - водяной пар; 1 - входной сепаратор; 2 - абсорбер; 3 - каплеуловитель; 4 - регулятор уровня; 5 - выветриватепь; 6 - фильтр; 7 - регенератор; 8 - сборник конденсата; 9 - паровой эжектор. Диэтиленгликолевые установки выгодны при осушке газа до точек росы, не превышающих минус 20°С. При необходимости обеспечить более глубокую осушку используют адсорбционные установки, в которых поглотителем влаги служит силикагель. Другим важным технологическим показателем работы установки является скорость газа в свободном сечении колонны. Ее можно найти по формуле:
Величина К зависит от ρ (плотности газа в рабочих условиях, кг/м3 ). В первом приближении v можно принять равной 0,82 м/с. При заданных расходе обрабатываемого газа и его скорости в колонне можно найти диаметр абсорбера:
где Q - расход газа, м3 /с; Р - давление в колонне, МПа; v - скорость движения газа в рабочих условиях; Т - абсолютная температура в колонне. Диаметр испарительной колонны обусловлен допустимой скоростью в ней паров воды - 0,5 - 0,6 м/с. Адсорбционная установка в отличие от абсорбционной работает циклически: поглотитель в ней неподвижен. Схематически процесс происходит следующим образом. Имеются две одинаковые колонны, заполненные адсорбентом (см. рисунок 4.21). Одна предназначена для поглощения влаги, другая - для регенерации. Газ через сепаратор 1 поступает снизу в колонну 2, проходит через адсорбент и осушенным уходит из верхней части емкости в газопровод. В это время в колонну 3 с помощью газодувки 4 сверху нагнетается нагретый до 250 - 300°С газ, который высушивает поглотитель. В теплообменнике 5 и холодильнике 6 газ охлаждается и направляется в сепаратор 7, где влага из системы удаляется. Холодный сухой газ подогревается в теплообменнике 5 и в печи 8 и направляется снова в колонну 2. Процесс продолжается до полного восстановления поглотительной способности адсорбента. Затем роли колонн меняются. Поглотительная способность твердых сорбентов составляет 4 - 8% их собственного веса. Механические примеси природного газа, тяжелые углево-дороды, сероводород заметно снижают активность твердых поглотителей. В благоприятных условиях поглотитель работает два-три года.
Рисунок 4.21 - Схема сорбционной установки для осушки газа Необходимое количество сорбента G (кг) может быть найдено по формуле: G = Q (W1 - W2 ) t/ a (4.7) где W1 , W2 - влагосодержание газа соответственно до обработки и после нее, кг/м3 ; Q - расход газа, м3 /с; а - активность сорбента в %; t - продолжительность цикла, с. Допустимая скорость газа в адсорбере может быть найдена по полуэмпирической формуле Леду:
Здесь v - весовая скорость, кг/м3 ; rг - плотность газа в колонне, кг/м3 ; rа - плотность адсорбента, кг/м3 ; в - средний диаметр гранулы адсорбента, м. Сорбент размещен на полках высотой 2 - 3 м. Производительность одной колонны до 50 - 100 м3 /с. При необходимости осушать большее количество газа строят ряд параллельно работающих установок. Продолжительность поглощения 8 - 12 ч., регенерации - 4 - 8 ч. 4.4 Предупреждение гидратообразования в системах промыслового сбора газа залежей Ямбургского ГКМДля сбора газа на УКПГ Ямбургского месторождения, согласно проекту обустройства, была принята коллекторно-кустовая схема. Скважины куста работают в единый газопровод - шлейф Ǿ 530 мм, при этом имеются как короткие (1 - 2 км), так и очень длинные шлейфы (до 12 км). Все шлейфы теплоизолированы пенополиуретановыми скорлупами толщиной 60 мм, теплоизоляция заключена в кожух из листового алюминия АД - 1. Параллельно газосборному шлейфу проложен метанолопровод Ǿ 57 мм. В начальный период разработки давление газа составляло 9,4 - 9,8 МПа при температуре 10 - 16 ˚С на устье скважин. Заметим, что температура начала гидратообразования при этих давлениях составляет 12 - 13 ˚С. следовательно, часть шлейфов (главным образом, длинные) работало в режиме гидратообразования. Проведенное еще в 1987 году сотрудниками ВНИИГАЗа и “Ямбурггаздобычи” обследование термобарических режимов шлейфов подтвердило достаточно высокую эффективность проектного решения - теплоизоляции шлейфов: при температурах до минус 20 ˚С падение температуры составило в среднем 0,5 ˚С/км и определялось не только (а иногда, - и не столько) теплопередачей в окружающую среду, но и снижением температуры за счет падения давления, т.е. дроссель-эфектом. Значение фактических коэффициентов теплопередачи К, полученных по промысловым замерам, колебались в широком диапазоне - от 0,3 до 3 - 4 ккал/м ч град (при расчетном проектном значении для новой сухой и неповрежденной теплоизоляции - 1 ккал/м ч град). Это объясняется главным образом сравнительно низкой точностью температурных измерений (особенно ненадежным представляется измерение температуры в начале шлейфа в зимнее время года), а также небольшим перепадом температур между началом и концом шлейфа. При более точных температурных измерениях по-видимому следует ожидать, что экспериментальный коэффициент теплопередачи для шлейфов Ямбургского месторождения будет не очень сильно подвержен влиянию сезонного колебания из-за того, что все шлейфы теплоизолированы с наземной прокладкой. Для сравнения отметим, что на месторождении Медвежье имеются теплоизолированые шлейфы, уложенные подземным способом. При этом осредненный коэффициент теплопередачи таких шлейфов испытывает весьма сильное колебание в течении года (в три - четыре раза). Особо отметим, что максимальных значений коэффициент теплопредачи К достигает в период активного таяния снегов и появления талых вод (май, июнь), а также с наступлением дождливого периода и резкого снижения среднесуточной температуры (сентябрь, октябрь, ноябрь), что связано с появлением открытых участков шлейфа и насыщением влагой грунта, окружающего шлейф. В то же время наземная прокладка шлейфов в теплоизоляции позволяет в значительной степени избежать этого негативного явления, но вместе с тем все-таки приводит к заметному охлаждению газа в шлейфах при сильных морозах (минус 35 ˚С и ниже). 4.5 Основные характеристики, влияющие на расход ингибиторовДля расчета изменения условий образования гидратов в присутствии ингибиторов, а также их содержания в газовой и жидкой углеводородных фазах необходимо определять активности компонентов водного раствора ингибитора. Активности воды и метанола в системе вода - метанол. Поведение системы вода - метанол слабо отличается от идеального, поэтому для описания зависимости коэффициентов активности от состава можно пользоваться практически любыми уравнениями. Воспользуемся уравнениями Ван - Лаара: lnγ1
= lnγ1
∞
[1 + lnγ2
= lnγ2
∞
[1 + где χ - мольная доля метанола в растворе. Индекс 1 относится к воде, индекс 2 - к метанолу и используется симметричная нормировка коэффициентов активности. Предельные коэффициенты активности γ1 ∞ , γ2 ∞ в диапазоне температур 243 К < T < 320 K могут быть аппроксимированы следующими зависимостями: lnγ1 ∞ = 2,2 - 530/Т; lnγ2 ∞ = 3.1 - 715/Т. Коэффициенты активности γ1 и γ2 связанны с активностями воды а1 и метанола а2 соотношениями: а1 = γ1 (1 - χ), а2 = γ2 χ, (4.10) Мольная доля метанола χ связанна с его массовой концентрацией соотношением: χмас = 3200χ/ (18 + 14χ), (4.11) где χмас - содержание метанола в растворе, мас. %. Точность расчета по формулам (4.9), (4.10) оценивается в 5 - 15 %. Активность воды и ДЭГа в системе вода - ДЭГ. По данным ЮжНИИГипроГаза, коэффициенты активности воды (γ1 ) и ДЭГа (γ2 ) в системе вода - ДЭГ с погрешностью 15 % в диапазоне температур 273 К < T < 303 K равны: lnγ1
= lnγ2
= Мольная доля (χ) ДЭГа связана с его массовой концентрацией (χмас ) соотношением: χ = Активность воды в системе вода - ЭТ - 1. Для нового осушителя и ингибитора гидратов ЭТ - 1, коэффициент активности воды γ1 по экспериментальным данным ТюменНИИГИПРОГаза равен: Lgγ1
= - где χ - мольная доля ЭТ - 1 в водном растворе (здесь ЭТ - 1 рассматривается как компонент с некоторой средней молекулярной массой). Следует отметить, что поведение систем спирт (гликоль) - вода не сильно отличается от идеального и в оценочных расчетах можно полагать γ1 ≈ 1 при х ≤ 0,3 и γ2 ≈ 1 при х ≥ 0,7. Активность воды в водных растворах электролитов. Прежде всего отметим, что коэффициенты активности воды в растворах электролитов слабо зависят от температуры. Существует ряд аналитических выражений, связывающих температуру замерзания водного раствора Тз и активность воды при 298,15 К. простая формула Здановского имеет вид: Тз = 320,8/ (1,1750 - lg а1 0 ), (4.16) Наиболее точная эмпирическая формула такого рода (Зайцева и Цейтлина), пригодная для любых электролитов имеет вид: Тз = 10-3 / [3.6608 - 3.2979lg а1 0 - 7,4302 (lg а1 0 ) 2 - 60,731 (lg а1 0 ) 3 ], (4.17) Среднеквадратическая погрешность формулы (4.17) составляет 0,16 К. следует отметить, что формулу (4.17) можно использовать и для оценки активности воды в водных растворах органических ингибиторов. 4.6 Анализ возможности замены метанола на другие антигидратные реагенты на базе алифатических спиртовВзамен чистого метанола практически с той же антигидратной эффективностью можно использовать технические его сорта, а также полупродукты производства или кубовые остатки химических производств, где метанол применяется в технологическом цикле. При этом ставится задача снижения эксплуатационных затрат на предупреждение гидратообразования за счет использования более дешевых, чем метанол, продуктов, либо за счет введения в состав ингибитора малолетучих добавок. В последнем случае уменьшается потери метанола с газовой фазой, тогда как использование нелетучих реагентов-добавок в чистом виде или невозможно, или экономически нецелесообразно (из-за высокой вязкости, неподходящей температуры замерзания, наличия предела ингибирующего действия). В последнее время детально исследуются возможности получения различных кислородосодержащих продуктов (в основном метанольных) непосредственно на месторождениях посредством неполного окисления природного газа кислородом воздуха. В результате проведенных исследований выявлено влияние гидродинамических параметров воздуха (окислителя) и природного газа на количество и состав полученных продуктов. Выход жидкой фазы на 1000 м3 газа составляет 39 - 43 кг, в состав входят СН3 ОН (около 50 мас. %), высшие спирты (1 - 2 %), формальдегид (8 %), альдегиды, эфиры, кислоты и вода (32 - 34 мас. %). Определены оптимальные термодинамические параметры ведения процесса: давление - 10 МПа, температура - 400 - 420 ºС. механизм реакции - цепной. Следует, однако, отметить определенные недостатки получаемого метанольного продукта: нестабильность состава (т.к. возможно продолжение процесса окисления) и наличие кислот, что обуславливает его коррозионную активность. Поэтому при промышленном внедрении в состав метанольного продукта необходимо вводить небольшие добавки ингибиторов коррозии, а также нейтрализовать кислоты. Антигидратная активность метанольного продукта ниже на 20 - 30 %, чем чистого метанола (см. рисунок 4.22).
При гидратном методе получения метанола и фурфурола из этилена на стадии очистки целевого продукта с метанольной и очистной колонн отбирают метанольную фракцию (МФ), а с укрепляющей эфирной колонны - эфироальгидную фракцию (ЭФА). Впервые как ингибиторы гидратообразования МФ и ЭАФ предложено использовать еще 15 лет назад, однако, реального внедрения данные композиции до настоящего времени не получили. Метанольная фракция по ТУ 81-04-175-78 содержит органической части не менее 93 мас. %, причем метанола не менее 80 мас. %, кислотность в перерасчете на уксусную кислоту до 500 мг/дм3 . Состав МФ непостоянный (и зависит от технологического режима работы колонн), при хранении состав меняется (продукт окисляется). В состав ЭФА входят главным образом этанол и диэтиловый эфир (в среднем в пропорции 2: 1) с небольшими примесями ацетальальдегида (и других альдегидов и эфиров) и воды. Состав ЭАФ также непостоянный. МФ и ЭАФ проявляют коррозионную активность. С целью анализа реальных возможностей внедрения МФ и ЭАФ в практику ингибирования во ВНИИПромгазе недавно проведены детальные исследования по следующим направлениям: - анализ промышленной базы (возможности гидролизных заводов и анализ составов этих продуктов); - изучение антигидратной активности отдельных гидролизных фракций, их смесей и композиций; - рассмотрение возможности выпадения твердой при контакте гидролизных фракций с пластовыми водами и при низких (до минус 60°С) температурах; - изучении коррозионной активности продуктов. Проведенные исследования позволили выработать определенную тактику использования МФ. Для усреднения состава рекомендовано смешивать поступающие МФ с разных заводов, а с целью снижения коррозионной активности использовать МФ в виде композиции с метанолом-сырцом, причем количество МФ не должно превышать 30 %. Другой пример побочного продукта спиртового производства - упаренная последрожжевая барда (УПБ). УПБ представляет собой темно-коричневую жидкость со специфическим запахом, нетоксична, смешивается с водой и спиртами в любых соотношениях. Не коррозионно-активна и мало растворима в углеводородном конденсате, имеется достаточная промышленная база. Как ингибитор гидратообразования УПБ предложена во ВНИПИГАЗе. Ее основные физико-химические свойства: кинематическая вязкость при 20°С равна 2,4 м2 /с, температура замерзания - минус 30°С, плотность при 20°С - 1,145 кг/м3 . При практическом использовании УПБ снижение температуры гидратообразования может составить 10 - 12°С. Таким образом, имеется ряд ингибиторов на базе метанола, которые могут быть использованы на УНТС Ямбургского ГКМ с целью сокращения эксплуатационных затрат на предупреждение гидратообразования. 5. Расчет расхода ингибитора на УКПГ – 55.1 Гидравлический и тепловой расчет шлейфовГидравлический расчет шлейфа выполняется для определения потерь при движении определенного количества газа по трубопроводу, распределения потерь давления по его длине. Тепловой расчет шлейфа производится с целью оценки распределения температуры по его длине и определения места возможного образования гидратов. Конечное давление в шлейфе при известном начальном давлении определяется так: PК
= где Рн - давление газа в начале газопровода, МПа; λ - коэффициент гидравлического сопротивления газопровода; ТСР - средняя температура в газопроводе, К; l - длина газопровода, км; ∆ - относительная плотность газа в нормальных условиях и определяется по уравнению: ∆ = где ρГ , ρВ - плотность газа и воздуха соответственно; МГ - молекулярная масса газа; 29 - молекулярная масса воздуха. Коэффициент гидравлического сопротивления λ зависит от режима движения газа. В промысловых газопроводах режим движения всегда турбулентный. Для такого режима существует несколько формул, определяющих величину λ. Наиболее простая и известная из них эмпирическая формула, предложенная Веймаутом: λ = 0,009407/d3 , (5.3) Среднюю температуру газа на расчетном участке вычисляют по уравнению: Т = ТОС
+ где Т и Ту - температура окружающей среды и на устье скважины соответственно, К; L - длина шлейфа, км; а - параметр Шухова, рассчитывают по формуле: а = где К - коэффициент теплопередачи от транспортируемого газа окружающей среде, Вт/ (м·° С), для приближенных расчетов принимают К=1,745 Вт/ (м·° С); С - изобарическая теплоемкость газа, кДж/кг, для приближенных расчетов принимают СР =2,177 кДж/кг; dН - наружный диаметр шлейфа, мм. При известном значении РК - давление на заданном участке шлейфа определяют по формуле: РХ
= где x - расстояние от начала до расчетной точки шлейфа, км. Температура газа на заданном участке шлейфа может определяться по уравнению: TL
= ТОС
+ (ТУ
- ТОС
) ·е-а
L
- Di
где Di - эффект Джоуля-Томпсона, то есть снижение температуры газа при понижении давления, С° /МПа, для приближенных расчетов применяют Di = 2,5 С° /Мпа; L - длина шлейфа, км; РСР - среднее значение давления на расчетном участке шлейфа, определяется по уравнению: РСР
= где РУ и РК - давление в начале и конце шлейфа, МПа. Гидравлический и тепловой расчет шлейфа по предложенной выше методике произведен при помощи ПЭВМ. Программа расчета приведена в приложении А. Для расчета были использованы следующие исходные данные: Расход газа в шлейфе, млн. м3 /сут. - 2,85 и 5.71 Давление газа на устье скважины, МПа - 4,9 Температура газа на устье скважины, К - 285 Температура окружающей среды, К - 238; 273; 293 Относительная плотность газа по воздуху - 0,561 Внутренний диаметр шлейфа, м - 0,5 Наружный диаметр шлейфа, м - 0,53 Длина шлейфа, км - 2,0 и 10,0 Коэффициент сверхсжимаемости газа - 0,9 Изобарическая теплоемкость газа, кДж/кг - 2,21 Коэффициент теплопередачи от газа к окружающей среде, Вт/ (м2 ·° С) - 1,75 Эффект Джоуля-Томпсона Di ,°С/МПа - 2,5 Результаты теплового расчета приведены в таблице 5.1. Таблица 5.1 - Результаты гидравлического и теплового расчета
Рисунок 5.1 - График зависимости температуры газа от расстояния при Q = 5,71, L = 2 км. 1 - Тос = 20 0 С; 2 - Тос = 0 0 С; 3 - Тос = - 35 0 С; 4 - кривая гидратообразования
Рисунок 5.2 - График зависимости температуры газа от расстояния при Q = 2,85, L = 2 км. 1 - Тос = 20 0 С; 2 - Тос = 0 0 С; 3 - Тос = - 35 0 С; 4 - кривая гидратообразования
Рисунок 5.3 - График зависимости температуры газа от расстояния при Q = 5,71, L = 10 км. 1 - Тос = 20 0 С; 2 - Тос = 0 0 С; 3 - Тос = - 35 0 С; 4 - кривая гидратообразования
Рисунок 5.4 - График зависимости температуры газа от расстояния при Q = 2,85, L = 10 км. 1 - Тос = 20 0 С; 2 - Тос = 0 0 С; 3 - Тос = - 35 0 С; 4 - кривая гидратообразования В таблице 5.1 представлены результаты теплового расчета по шлейфам Ямбургского месторождения на 1999 год для двух характерных длин шлейфов (2 км и 10 км) и двух расходов газа по шлейфам, моделирующим соответственно работу 4-х (с сумарным дебитом 2,85 млн. м3 /сут.) и 8-ми (5,71 млн. м3 /сут.) скважин одного куста в шлейф. Здесь принята средняя проектная производительность скважин, что на практике не всегда реализуется. Весьма существенно отметить, что при заданных расходах газа в шлейфах имеет место дисперсно-кольцевой режим течения газожидкостного потока и обеспечивается непрерывный вынос жидкой фазы (воды, либо водного раствора метанола) из шлейфа. Из рассмотрения видно, что при температуре окружающей среды до минус 20 ˚С и работе шести и более скважин в один шлейф темп падения температуры не превышает 0,5 - 0,6 град/км. Однако при уменьшении производительности шлейфов и при низких температурах воздуха (минус 30 - минус 35 ˚С), температура газа в конце шлейфа может быть на 10 - 14 ˚С ниже температур газа на устьях скважин. Следовательно, гидратный режим работы шлейфов Ямбургского месторождения реализуется в настоящее время (при температурах газа на устьях 12 - 14 ˚С и давлениях 4,8 - 5,0 МПа) главным образом для данных шлейфов и при температуре воздуха ниже минус 20 ˚С. 5.2 Расчет количества ингибитораВводимый в систему ингибитор гидратообразования расходуется для насыщения газовой фазы и растворяется в водном и углеводородном конденсатах, образовавшихся при изменении термодинамических параметров системы. Следовательно, количество ингибитора, необходимого для предупреждения гидратообразования, может определяться по уравнению: G = gж + gг + gк , (5.9) где gж - количество ингибитора, необходимого для насыщения жидкой фазы, кг/1000 м3 ; gг - количество ингибитора, необходимого для насыщения газовой фазы, кг/1000 м3 ; gк - количество ингибитора, растворенного в жидкой углеводородной фазе, выделяемой из 1000 м3 газа, кг. Значение gж определяют по уравнению: gж = W·X2 / (X1 - X2 ), (5.10) где Х1 и Х2 - массовая доля ингибитора в исходном и отработанном растворах; W - количество воды в жидкой фазе на расчетной точке, кг/1000 м3 . Массовая доля ингибитора в исходном растворе (Х1 ) относится к известным параметрам системы, а в отработанном растворе (Х2 ) зависит от требуемого понижения температуры гидратообразования газа, природы самого вещества и определяется по формуле: Х2
= где М - молекулярная масса ингибитора; К - коэффициент зависящий от типа раствора. Для метанола М = 32, К = 1220. Если известна величина Х2 , то величину понижения температуры гидратообразования для ингибитора определяют по формуле: ∆t = Значение необходимой температуры понижения гидратообразования рассчитывают по формуле: ∆t = Тг - Тр , (5.13) где Тг - температура гидратообразования газа, ˚С; Тр - температура газа в расчетной точке, ˚С. После определения ∆t находят значение Х2 . Полученное значение Х2 соответствует такому раствору, который имеет температуру застывания ниже, чем температура в расчетной точке. Этот раствор не образует гидратов с компанентами газа. Количество воды в жидкой фазе определяют по формуле: W = b1 - b2 + ∆b, (5.14) где b1 и b2 - влагосодержание газа в начальной и расчетной точках системы соответственно, кг/1000 м3 ; ∆b - количество капельной влаги в газе в начальной точке системы, кг/1000 м3 . При отсутствии фактических данных о количестве капельной влаги в системе, расход ингибитора, необходимого для насыщения газовой фазы, принимают на 10…20 % больше его расчетного значения. Количество ингибитора, необходимое для насыщения газовой фазы определяют по формуле: Gг = 0,1∙а∙Х2 , (5.15) где а - отношение содержания ингибитора, необходимого для насыщения газовой фазы, к концентрации метанола в отработанном растворе. Для упрощения расчета необходимого количества ингибитора гидратообразования, по представленной выше методике, проведем его с применением ПЭВМ с помощью программы представленной в приложении В. Расчет проведен при тех же условиях и данных, что и при гидравлическом и тепловом расчете шлейфа. Для летних условий расчет не проводился т.к. в летнее время, по расчетам, образование гидратов не наблюдается. Результаты расчета расхода ингибитора приведены в таблице 5.2 Таблица 5.2 - Результаты расчета расхода метанола
По результатом расчета видно, что в зимнее время удельный расчет ингибитора сильно зависит от длины шлейфа. Это явление напрямую связано с понижением температуры газа вследствие теплопередачи окружающей среде. Также можно сделать вывод, что с увеличением дебита газа удельный расход ингибитора уменьшается. Это связано с тем, что увеличивается скорость газа и он находится меньшее время в контакте с окружающей средой через стенки труб. Уменьшение времени контакта приводит к уменьшению перепада температуры по длине трубопровода, что подтверждается расчетными данными. 6. Пути снижения затрат на добычу газа6.1 Анализ основных технико-экономических показателей деятельности объекта за 1997-1998 годВ таблице 6.1 представлены технико-экономические показатели работы предприятия "ЯГД". Таблица 6.1 - Технико-экономические показатели работы П "Ямбурггаздобыча" за 1998 г
Фактическая валовая добыча газа составляет 176524.6 млн. м3 , против 175513 млн. м3 по плану. Соответственно за период 1995 года её значение несколько выше и составляло 177803.7 млн. м3 . Природный товарный газ составляет175923.5 млн. м3 , в т. ч. Тазовский участок - 62.3 млн. м3 , Ямбургское месторождение - 175861.3 млн. м3 : сеноман - 168976.6 млн. м3 , неоком - 6884.7 млн. м3 . Наибольшая среднесуточная валовая добыча природного газа 483411млн. м3 . Реализация продукции природного газа на 3235.066 млн. руб, товарного конденсата на 93.825 млн. руб, прочей продукции на 82.228 млн. руб, в т. ч. электроэнергии на 41.562 млн. руб. Платные услуги населению составляет 851 тыс. руб, это на 20 % выше, чем было запланировано. Ввод скважин в эксплуатацию составляет 82 скважины, на 26 скважин больше, чем в предыдущем году. Средняя цена природного газа составляет 22.313 руб, в 2 раза превышает предыдущий год. Себестоимость товарной продукции - 3624.920 млн. руб, затраты товарной продукции 0.87 руб. Всего на предприятии работает 12331 человек, среднемесячная оплата труда - 5,02 тыс. руб. Исходя из этой таблице 6.1 можно рассчитать плановую и фактическую производительность труда. За 1998 год: Пт. план = Qплан / Ч = 175513/12291 = 14.28 млн. м3 /чел. год; Пт. факт. = Qфакт / Ч = 176524.6/12331 = 14.32 млн. м3 /чел. год; за 1997 год: Пт = Q / Ч = 177803.7/10703 = 16.61 млн. м3 /чел. год. Из этих расчётов можно сделать вывод, что фактическая производительность за 1998 год выше плановой, но ниже чем была в 1997 году, хотя среднесписочная численность работников была намного ниже, (10703 рабочих). Это показывает на то, что для добычи газа в 1998 году требуется больше рабочих. 6.2 Анализ себестоимости, прибыли и затрат на производство и реализацию товарной продукции за 1997-1998 годЗатраты предприятия на производство и реализацию продукции выраженные в денежной форме, образуют себестоимость продукции. Исчисляется за какой-то временной период и себестоимость единицы продукции. В зависимости от цели расчёта себестоимости затраты классифицируют по экономическим элементам и калькуляционным статьям расхода. Себестоимость рассчитываемая по экономическим элементам позволяет определить общий объём потребительских ресурсов, независимо от того на какие цели они были израсходованы. Группировка затрат по статьям калькуляции позволяет определить где, для производства какого вида продукции понесены те или иные затраты. Группировка затрат по экономическим элементам единая по всем экономическим элементам и в соответствии с основным положением по составу затрат включаемых в себестоимость продукции содержат следующие статьи: - материальные затраты; - расходы на оплату труда (компенсационные выплаты); - отчисление на государственные и социальные страхования (5.4 % от фонда заработанной платы); - отчисление в пенсионный фонд (28 % от фонда з/п); - отчисление на медицинское страхование (3.6 % от фонда з/п); - отчисление в фонд занятости (с 1998 года 1.5 % от фонда з/п); - амортизация основных фондов; - прочие расходы. К материальным затратам относят расходы на сырьё, основные и вспомогательные материалы, покупные изделия, полуфабрикаты, стоимость топлива, энергии, затраты связанные с использованием природного сырья, отчисления на геолого-разведочные работы, расходы рекультивирования земли, плата за воду, забираемых из водохозяйственных систем в пределах установленных лимитов. Затраты на работу и услуги производственного характера: ремонт основных фондов, транспортные услуги и т.д. В состав расходов на оплату труда включаются выплаты по заработанной плате исчисленные исходя из сдельных и повременных тарифных ставок и должностных окладов, компенсированных выплат (районный, полярный коэффициент). Амортизационные отчисления включаются в себестоимость по нормам амортизации, установленных законодательством России. В себестоимость продукции не включаются следующие выплаты в денежной и натуральной форме: материальная помощь, вознаграждения по итогам работы за год, оплата дополнительного отпуска, предоставляющего по решению трудового коллектива, надбавки на пенсию, доходы, девиденты, проценты, доходы по акциям, вкладам и др. Прочие расходы - это платежи по обязательному страхованию имущества предприятия, вознаграждения за изобретательство, платы за кредиты банка, оплата работ по сертификации продукции, командировачные расходы по установленным нормам, отчисления в ремонтный фонд, арендная плата. Структура себестоимости по элементам затрат колеблется в зависимости от характера производства и условия деятельности предприятия. Для определения себестоимости единицы основных видов продукции затраты формируются по статьям калькуляции, калькуляция указывает на каком участке производства понесены те или иные затраты. Таблица 6.2 - Показатели себестоимости, прибыли П "Ямбурггаздобыча" за 1998 год
Себестоимость товарной продукции за 1998 год составила 3624.920 млн. рублей. Затраты на один рубль товарной продукции 0.87 рубля, что выше по сравнению с отчётом 1997 года на 7.4 процента. Себестоимость добычи нестабильного конденсата выросла по сравнению с 1997 годом в 2 раза и составила за 1000 м3 19.369 рублей, средняя цена реализации 22.313 рублей, рентабельность 15.1 %. Себестоимость добычи нестабильного конденсата выросла в 2.3 раза и составила за одну тонну 57.780 рублей. Всего затраты на добычу, переработку и экспорт газового конденсата составили 135.922 млн. рублей. В смете затрат товарной продукции увеличение на 14.1 % по статье "Сырьё и основные материалы" обусловлено ростом отчислений на воспроизводство материально-сырьевой базы за счёт увеличения стоимости реализуемого газа в 1.9 раза. Цена 1000 м3 газа отчётного года составила 22.313 рублей, за прошлый год 11.695 рублей. Значительное увеличение по статье "Вспомогательные материалы" на 68.9 % произошло за счёт применения в производственном процессе диэтиленгликоля, стоимость которого за одну тонну возросла в 4.2 раза с 1.503 тыс. рублей до 6.340 тыс. рублей, стоимость метанола возросла в 1.2 раза, соответственно с 783 рубля за одну тонну до 945 рублей. Амортизация основных фондов возросла на 38.3 % в связи с переоценкой основных фондов на 01.01.98 года и вводом в 1998 году промышленно-производственных объектов ДКС 1, ДКС 6 и УКПГ 3В. В "Прочих расходах" значительную долю составляют платежи за право пользования недрами 636 тыс. рублей, что в 1.9 раза больше чем а 1997 году за счёт увеличения цены реализуемого газа. В отчётном году возросли затраты по капитальному ремонту на 29.8 % в связи с увеличением объёма работ и рыночного коэффициента к ценам 1991 года. Из-за тяжёлого финансового положения и неплатежей значительно выросли расходы по процентам за банковский кредит, используемого на выплату заработной платы, составили 49.6 млн. рублей, а в 1997 году эти расходы были 1.1 млн. рублей. 6.2.1 Группировка затрат по статьям калькуляцииСтатьи калькуляции себестоимости добычи газа слагаются из следующих: - расходы по искусственному воздействию на пласт; - основная заработанная плата производственных рабочих; - дополнительная заработанная плата производственных рабочих; - отчисления в социальные фонды; - амортизация скважин; - расходы по промысловому сбору и транспортировки газа; - расходы на подготовку и освоение производства; - расходы на содержание и эксплуатацию оборудования, в том числе на подземный и капитальный ремонт скважин; - цеховые расходы; - общепроизводственные расходы; - прочие производственные расходы, в том числе на геолого-разведочные работы или минерально-сырьевые базы. Сумма расходов по всем статьям образуют производственную себестоимость валовой и товарной продукции, внепроизводственными расходами они образуют полную себестоимость товарного газа. В общепроизводственные расходы предприятия включают затраты на содержание аппарата управления, командировочные и т.п. В статье внепроизводственные расходы учитываются расходы по реализации продукции, административно-управленческие расходы по содержанию вышестоящих организаций, отчисления на научно-исследовательские работы, на подготовку кадров, налоги включаемые в себестоимость продукции. В таблице 6.3 представлена смета затрат на предприятии "Ямбурггаздобыча". Таблица 6.3 - Смета затрат на производство и реализацию товарной продукции за 1998 год
6.3 Расчет снижения затрат на добычу газа6.3.1 Сравнение с фактическим потреблением метанолаПо результатам контрольных замеров дебита газа с отбором проб жидкости на химический анализ, сделанных в декабре 1998 года можно привести следующие данные: в среднюю скважину подача СН3 ОН (метанола) Qм = 60 л/ч; Qм ’ = 75% и Qв ’ = 25 % - соответственно содержание метанола и воды в жидкости, отобранной из этой скважины. Для декабря 1998 года: tсеп = - 30 0 С - температура сепарации для ЯГКМ; t = - 28 0 С - температура окружающей среды. Значения температуры затвердевания водометанольных растворов: Концентрация метанола, % мас. Температура затвердевания, 0 С 70 - 87,0 (нач.). - 116,0 (кон.) 80 - 102,5 (нач.). - 132,0 (кон.) По всем этим данным можно сделать вывод, что было израсходовано излишнее количество метанола. Это подтверждается опытными данными: температура затвердевания при Qм ’= 75% мас. около минус 90.100 0 С (начала затвердевания). Понятно, что таких температур ни в системе сбора и подготовки газа, ни тем более в скважине нет (они намного выше), даже с учетом температуры окружающей среды. А значит образования гидратов невозможно. Это подтверждается и расчетными данными. Расчетное количество подачи метанола: Qм ф = 60 л/ч * 24 ч/сут = 1440 л/сут. Т.е. было закачено метанола в скважину на 80 л/сут больше, чем необходимо. Летом (июль 1998 года) потребность в метаноле резко сокращается из-за повышения температуры окружающей среды (на 43 0 С по сравнению с декабрем). Подачу метанола можно сократить в это время в 1,5 раза с учетом всех запасов, описанных выше, т.е. Qм = 1360 л/сут * 2/3 = 906 л/сут С учетом того, что в примере рассматривалась средняя скважина, то по месторождению: Qм = 670 скв. (1440 л/сут1скв. - 1360 л/сут1скв) = 53600 л/сут За год экономия составит: Qм = 30 cут * 9 мес * 53600 л/сут + 30 сут * 3 мес * (1440 л/сут1скв - 906 л/сут1скв) * 670 скв Qм = 14472000 л/9мес + 32200200 л/3мес = 46672200 л/год = 46672,2 т/год Т.е. вследствие рационального использования метанола, его расход составит на 46672,2 тонн меньше, чем фактический за тот же период (за год). 6.3.2 Расчет снижения себестоимости добычи газаОтклонение фактической себестоимости продукции от плана, в абсолютной форме: Н=D Qм Цм , где DQм - отклонение от плана фактического количества израсходованных вспомогательных материалов; Н - изменение себестоимости при новом расходе метанола. Цм = 873,0 руб. /т - стоимость метанола. Н= - 46672,2 т/год 873,0 руб. /год =40745,00 тыс. руб. /год = - 40,745 млн. руб. /год. То есть при рациональном расходе метанола себестоимость продукции уменьшилась на 40,745 млн. руб. ВыводПолученное отклонение себестоимости продукции в денежном выражении составило 4074,5 млн. руб., что дает дополнительную экономию средств при рациональном потреблении метанола. Сэкономленные средства можно использовать. Список использованных источников1. Бухгалтер Э.Б. Метанол и его использование в газовой промышленности, - М: Недра, 1986, 283 с. 2. Истомин В.А., Сулейманов Р.С., Бурмистров А.Г. и др. Пути сокращения расхода ингибиторов гидратообразования в системах подготовки газа Уренгойского месторождения - М.: ВНИИЭгазпром, 1987 г.,48 с. (Обз. Информ. Сер. Подготовка и переработка газа и газового конденсата, вып.8). 3. Регламент по УКПГ-1в. М.,РАО ГАЗПРОМ, ВНИИГАЗ, 1994г.,43с. 4. Регламент по проектированию УКПГ - 1в для перевода на однореагентную (с метанолом) эксплуатацию. М.,РАО ГАЗПРОМ, ВНИИГАЗ, 1994 г., 43 с. 5. Н.Н. Кабанов. Фазовое распределение и экологические вопросы использования метанола в качестве реагента. - М.: ВНИИЭгазпром, 1996,19 с. 6. (Обз. Информ. Сер. Подготовка и переработка газа и газового конденсата, вып.3). 7. В.А. Истомин. Предупреждение и ликвидация газовых гидратов в системах сбора и промысловой обработки газа и нефти. М.: РАО ГАЗПРОМ, ВНИИГАЗ, 1990 г., 213 с. 8. Технология синтетического метанола. М.М. Караваев, В.Е. Леонтьев, И.Г. Попов, Е.Т. Шепелев. - М.: Химия, 1984 г.,239 с. 9. Методика расчета ингибиторов гидратообразования с приминением ЭВМ. Э.Б. Бухгалтер, Г.А. Зуйкова, Н.И. Бирюков, Т.И. Слуцкая, В.М. Пушнов, А.Е. Тункея. М.: ВНИИЭгазпром, 1985 г., 92 с. 10. Чеботарев В.В. Расчеты основных технологических процессов при сборе и подготовке скважинной продукции. УГНТУ, 1995. - 144 с. ПриложенияПриложение А Программа гидравлического и теплового расчета шлейфа program shleif; uses crt,dos; var Q: array [1.10] of real; Toc: array [1.10] of real; x,Pk,s,Tcp,Tg,Tl,a,Pcp,Px: real; Ty,Py,r,Cp,K,Z,Di,dn,db: real; L, i,j,n: integer; lst: text; begin clrscr; write (' Количество вариантов N='); readln (n); write (' Относительная плотность газа, r='); read (r); write (' Изобарическая теплоемкость газа, кДж/кг Cp='); read (Cp); write (' Коэф. теплопередачи, Вт/ (м2*С) К='); read (K); write (' Коэф. сверхсжимаемости газа, Z='); read (Z); write (' Эффект Джоуля-Томсона, С/МПа Di='); read (Di); write (' Внутренний диаметр шлейфа, мм db='); read (db); write (' Наружный диаметр шлейфа, мм dn='); read (dn); write (' Температура на устье скважины, K Tу='); read (Ty); for j: =1 to n do begin writeln; writeln (' Вариант № ',j); write (' Добыча газа, млн. м3/сут Q='); read (Q [j]); write (' Температура окружающей среды, К Toc='); read (Toc [j]); write (' Давление на устье скважины, МПа Pу='); read (Py); write (' Длина шлейфа, м*10^2 L='); read (L); writeln; writeln (' Результаты гидравлического и теплового расчета. '); writeln (' X, м Px, МПа Tl, K Tg, K '); for i: =0 to L do begin x: =i/10+0.001; a: =262.3*k*dn/ (Q [j] *r*Cp*1e+6); Tcp: =Toc [j] + (Ty-Toc [j]) * (1-exp (-a*x)) / (a*x); s: =0.009407/ (2*db*db*db*1e-8); Pk: =sqrt (sqr (Py) - s*r*z*Tcp*Q [j] *Q [j] *x/ (10.23e-12*exp (ln (db) *5))); Pcp: =2/3* (Py+sqr (Pk) / (Py+Pk)); Px: =sqrt (sqr (Py) - (sqr (Py) - sqr (Pk)) *x*10/L); Tl: =Toc [j] + (Ty-Toc [j]) *exp (-a*x) - Di* (sqr (Py) - sqr (Pk)) * (1-exp (-a*x)) / (2*a*x *Рср); Tg: =8960.19/ (33.3386-ln (Px)); write (' ',x: 3: 1,' ', Px: 4: 2); writeln (' ', Tl: 4: 2,' ',Tg: 4: 2); end; end; end. Приложение В Программа расчета расхода ингибитора program ingibitor; uses crt,dos; const M=32; K=1220; Rk=753 var Tg,dT,Tr,C1,C2,Qb,a,Qg,Qk,Ck,Gm: real; B,B1,P,Py,Ty,Og,Ok,W1,W2,Wpl,dW,G: real; begin clrscr; write ('Давление на устье скважины, МПа Pу='); read (Py); write ('Температура на устье скважины, С Tу='); read (Ty); write ('Давление на входе в УППГ, МПа P='); read (P); write ('Температура на входе в УППГ, С Tr='); read (Tr); write ('Добыча газа, тыс. м3/сут Og='); read (Og); write ('Добыча конденсата, тыс. м3/сут Ok='); read (Ok); write ('Количество выносимой газом воды, кг/тыс. м3 Wpl='); read (Wpl); write ('Массовая доля свежего метанола, C1='); read (C1); {Количество метанола, необходимого для насыщения жидкой фазы, кг/тыс. м3} Tg: =8960.19/ (33.3386-ln (P)); dT: = (Tg-273.15) - Tr; C2: =M*dT/ (K+M*dT); B: =exp (-3.19+0.0588*Ty-0.00017*sqr (Ty)); B1: =exp (-3.19+0.0588*Tr-0.00017*sqr (Tr)); W1: =exp (1.487+0.0733*Ty-0.000226*sqr (Ty)) /Py+B; Продолжение приложения В W2: =exp (1.487+0.0733*Tr-0.000226*sqr (Tr)) /P+B1; dW: =W1-W2+Wpl; Qb: =dW*C2/ (C1-C2); {Количество метанола, необходимого для насыщения газовой фазы, кг/тыс. м3} a: =exp (5.33+0.0606*Tr) /exp (ln (p)) *0.69; Qg: =0.001*a*C2; {Количество метанола, растворенного в жидкой углеводородной фазы, кг/тыс. м3} Ck: =0.2118e-3*sqr (C2) - 0.2682e-3*C2+0.02547; Qk: =Ck*Ok*Rk/Og; {Суммарный расход метанола для борьбы с гидратами, кг/тыс. м3} Gm: =Qb+Qg+Qk; G: =Og*Gm/24; {кг/ч}; writeln ('Tg=',Tg: 4: 3); write ('Температура понижения гидратообразования, С dT='); writeln (dT: 4: 2); write ('Массовая доля отработанного метанола, C2='); writeln (C2: 4: 3); write ('Количество метанола в водном растворе, кг/тыс. м3 Qb='); writeln (Qb: 4: 3); write ('Содержание метанола в конденсате, кг/тыс. м3 Qk='); writeln (Qk: 4: 6); write ('Количество метанола в газовой фазе, кг/тыс. м3 Qg='); writeln (Qg: 4: 3); write ('Суммарный расход метанола для борьбы с гидратами, Gm=’); writeln (Gm: 4: 3); writeln ('G=',G: 4: 3); End. |
|||||||||||||||||||||||||||||||||||||||||||||||||||||||||||||||||||||||||||||||||||||||||||||||||||||||||||||||||||||||||||||||||||||||||||||||||||||||||||||||||||||||||||||||||||||||||||||||||||||||||||||||||||||||||||||||||||||||||||||||||||||||||||||||||||||||||||||||||||||||||||||||||||||||||||||||||||||||||||||||||||||||||||||||||||||||||||||||||||||||||||||||||||||||||||||||||||||||||||||||||||||||||||||||||||||||||||||||||||||||||||||||||||||||||||||||||||||||||||||||||||||||||||||||||||||||||||||||||||||||||||||||||||||||||||||||||||||||||||||||||||||||||||||||||||||||||||||||||||||||||||||||||||||||||||||||||||||||||||||||||||||||||||||||||||||||||||||||||||||||||||||||||||||||||||||||||||||||||||||||||||||||||||||||||||||||||||||||||||||||||||||||||||||||||||||||||||||||||||||||||||||||||||||||||||||||||||||||||||||||||||||||||||||||||||||||||||||||||||||||||||||||||||||||||||||||||||||||||||||||||||||||||||||||||||||||||||||||||||||||||||||||||||||||||||||||||||||||||||||||







































, (4.15)
, (5.1)
