Контрольная работа: Процессы и ситуации, происходящие при чтении дисков CD-RW
|
Название: Процессы и ситуации, происходящие при чтении дисков CD-RW Раздел: Рефераты по информатике, программированию Тип: контрольная работа | |||||||||||||||||||||||||||||||||||||||||||||||||||||||||||||||||||||||||||||||||||||||||||||||||||||||||||||||||||||||||||||||||||||||||||||||||||||||||||||||||||||||||||||||||||||||||||||||||||||||||||||||||
СОДЕРЖАНИЕЗАДАНИЕ ОПИСАНИЕ ПРОЦЕССА 1. Постановка задачи 2. Теоретическая часть ПОСТРОЕНИЕ МЕТАМОДЕЛИ «АП» 1. Процессы 2. Ситуации 3. Таблица векторов 4. Таблица результантов и инициаторов 5. Граф процесса ОПЕРАЦИИ НАД ПРОЦЕССАМИ 1. Репозиция 2. Редукция 3. Композиция ПРЕДМЕТНАЯ ИНТЕРПРЕТАЦИЯ АСИНХРОННОГО ПРОЦЕССА 1. Построение сети Петри 2. Графическое представление сети Петри 3. Граф разметок 4. Основные свойства сети Петри ЗАКЛЮЧЕНИЕ ЗАДАНИЕ1. Выбрать вычислительный процесс и на его примере: - построить метамодель «асинхронный процесс» и определить свойства исходного процесса на основе анализа метамодели; - выполнить операции над процессом: репозиция, редукция, композиция, и оценить полученные результаты с практической точки зрения; - построить предметную интерпретацию метамодели на основе сети Петри и сделать вывод о динамических характеристиках исходного процесса. 2. Оформить отчет. ОПИСАНИЕ ПРОЦЕССА1. Постановка задачиПредлагается рассмотреть процессы и ситуации происходящие при чтении дисков CD-RW. 2. Теоретическая частьОчередной ступенью в эволюции CD стал диск, представляющий пользователям возможность вести запись данных поверх ранее записанных. Оригинальная технология, разработанная компанией Matsushita, основана на CD-R-технологии и измерении отражающих свойств поверхности диска при во воздействии луча лазера. Технология получила название PD (Phase-change Dual) - двойное изменение фазы вещества. Запись данных на диск осуществляется с помощью лазерного луча, который с высокой точностью расплавляет отдельные участки носителя данных; при охлождении они переходят либо в кристаллическое состояние (с более высокой отражательной способностью), либо в аморфное (с меньшей отражательной способностью). Информацию на таких дисках можно стирать и повторно записывать, следовательно, они пригодны для хранения и архивирования данных. Технология получила имя – CD-RW (Re Writable)- перезаписываемых CD, называемая также CD-E (Erasable)- стираемых CD. Она обеспечивает весь спектр функциональных возможностей по записи и перезаписи дисков, пригодных для чтения на любом накопителе CD-ROM. Стандарт CD-E в настоящее время разрабатывает и поддерживает более 10 фирм, включая IBM, HP,Sony, Philips, Picoh и др. По заявлению разработчиков приводов CD-RW, новое устройство расчитано, по крайней мере, на выполнение 1000-кратной перезаписи. Технология чтения дисков CD-RW В диске CD-RW имеется чувствительный слой из вещества, которое в твердом состоянии может иметь два типа внутренней структуры - кристаллический и аморфный, причем в первом случае эта субстанция прозрачнее, чем во втором. Позади чувствительного слоя находится отражающий, так что при чтении лазерный луч отражается от кристаллических участков сильнее, чем от аморфных. При нагреве до определенной температуры и последующем охлаждении рабочее вещество кристаллизуется, однако если его нагреть до более высокой температуры, то, остывая, оно переходит в аморфное состояние. Области с кристаллической структурой, подобно металлизированному слою в лунках обычного CD или CD-R, отражают луч лазера, а не кристаллизованные области поглощают луч. Для чтения, записи и перезаписи данных на диск в устройствах CD-RW используются три различных уровня мощности лазера. Уровень записи (write power) - самый высокий уровень, который применяется для перевода слоя записи в аморфное (поглощающее) состояние. Уровень стирания (erase power) - средний уровень мощности, который позволяет расплавить слой записи и превратить его в отражающую кристаллическую структуру. Уровень чтения (read power) - наименьший уровень мощности, который не изменяет состояния слоя записи и поэтому может применяться для неразрушающего считывания данных. Кроме возможности действительно перезаписывать данные, устройства CD-RW способны также производить запись на диски CD-R и читать обычные CD-ROM, сочетая в одном накопителе возможности трех технологий. Производители заявляют о 1000-кратной возможности циклов записи-перезаписи. Считывание данных с дисков CD-RW осуществляется так же, как и с CD-ROM. В приводе компакт-дисков можно выделить несколько базовых элементов: лазерный диод, сервомотор, оптическую систему (включающую в себя расщепляющую призму) и фотодетектор. И так, считывание информации с компакт-диска, так же как и запись, происходит при помощи лазерного луча , но, разумеется, меньшей мощности. Сервомотор по команде внутреннего микропроцессора привода перемещает отражающее зеркало . Это позволяет точно позиционировать лазерный луч на конкретную дорожку. Такой луч, попадая на отражающий свет островок, через расщепляющую линзу отклоняется на фотодетектор , который интерпретирует это как двоичную единицу. Луч лазера, попадающий во впадину, рассеивается и поглощается - фотодетектор фиксирует двоичный ноль (цифровая информация представляется чередованием впадин (неотражающих пятен) и отражающих свет островков). В данной работе рассматривается только технология чтения, запись и стирание рассматриваться не будет. ПОСТРОЕНИЕ МЕТАМОДЕЛИ «АП»Поставим нашему асинхронному процессу в соответствие четвёрку
в которой:
1. ПроцессыРассматривая процессы, будем считать, что диск уже вставлен в дисковод. Выделим следующие компоненты процесса: 1. M – внутренний микропроцессор. M=1 контролирует процесс чтения. M=0 не контролирует. 2. S – сервомотор. S=1 Перемещает отражающее зеркало. S=0 Не перемещает отражающее зеркало. 3. L – лазер. L=1 Лазер работает. L=0 Лазер не работает. 4. O – оптическая система. O=1 отклоняет отраженный луч. O=0 Луча нет. Не отражает. 5. P – «впадина». P=1 Луч лазера попал на не отражающую «впадину». P=0 Луч лазера не попал на не отражающую «впадину». 6. I- «островок». I=1 Луч лазера попал на отражающий «островок». I=0 Луч лазера не попал на отражающий «островок». 7. F – фотодетектор. F=1 Фотодетектор интерпретирует либо двоичную единицу, либо двоичный ноль. F=0 Фотодетектор не работает. 8. B – буфер. B=1 буфер заполняется. B=0 буфер не заполняется. 9. С – интерфейсная карта. С=1 передает считанную информацию в компьютер. С=0 не передает считанную информацию. 10. К – микроконтроллер. К=1 контролирует заполнение буфера. К=0 не контролирует. 2. Ситуации
3. Таблица векторовСитуации представляют собой двоичные вектора
4. Таблица результантов и инициаторов.
Ситуация Ситуация 5. Граф процесса
Все допустимые траектории процесса:
Определим классы эквивалентности:
Все допустимые последовательности классов эквивалентности конечны. Причем Данный асинхронный процесс является эффективным , т. к. процесс удовлетворяет следующим условиям: 1) Для любой ситуации 2) Для любой ситуации 3) Не найдется ситуаций
Т. е. из инициаторов процесса все траектории ведут в результанты, и каждая из траекторий, приводящая к результанту, начинается в каком либо инициаторе. Помимо этого для эффективного асинхронного процесса любой начальный класс состоит только из инициаторов, а любой заключительный класс только из результантов. А также любой класс эквивалентности ситуаций, не принадлежащий к результанту состоит из одной ситуации. Т. к. процесс эффективный, и каждая допустимая последовательность классов ведет только в один заключительный класс, то процесс является управляемым . Процесс является простым , т. к. из одного инициатора нельзя попасть ни в какой другой инициатор, и из одного результанта нельзя попасть ни в какой другой результант. Таким образом, асинхронный процесс является эффективным, простым, управляемым. ОПЕРАЦИИ НАД ПРОЦЕССАМИ1. РепозицияС помощью репозиции задается механизм возобновления АП, то есть его повторные активизации. В данном случае репозицией этого процесса можно считать новое обращение к диску или повторное обращение при поврежденном диске. Репозиция асинхронного процесса P – это эффективный асинхронный процесс
Инициаторами репозиции будут На графе изображенном ниже это показано последовательностью переходов:
Т. к. в данном случае Таким образом, получили полную репозицию, которая задает механизм возобновления асинхронного процесса. 2. РедукцияРедукция процесса состоит в сведении данного асинхронного процесса к более простому, в выделении части процесса. S ={1100000000, 1111011111, 1110101111, 1110000001, 1000000000}; I = {1100000000}; R = {1000000000}; Четыре первых элемента вектора выберем в качестве выходной компоненты. X ={1100, 1111, 1110, 1000}; - p-блочное разбиение множества S. Выберем r = 3:
Траектории: 1. 1100 000000 -> 111 1 011111 -> 111 0 101111 -> 1000 000000 2. 1100 000000 -> 1110 000001 -> 1000 000000 Редукция процесса P – это процесс
Таким образом, построив редукцию, мы выделили из полного описания процесса его некоторую простую часть. 3. КомпозицияРассмотрим композицию. Рассмотрим АП Выделим компоненты процесса: 1. SH – шпиндельный двигатель, который предназначен для вращения диска с постоянной или переменной угловой скоростью. SH = 1 – вал двигателя вращается; SH = 0 – вал неподвижен; 2. W – шайба, посредством которой диск прижимается к подставке. W = 1 – диск прижимается; W = 0 – диск не прижимается; 3. T – лоток загрузочного устройства, с помощью которого диск вводится в привод; T = 1 – механизм лотка работает; T = 0 – механизм бездействует; 4. ED – электродвигатель транспортного механизма ED = 1 – работает; ED = 0 – не работает; 5. M- микросхема управления; M = 1 – контролирует процесс чтения; M = 0; 6. S – сервомотор; S = 1 – перемещает оптическую систему; S = 0 – не перемещает; 7. L – лазер; L=1 - лазер работает. L=0 - лазер не работает. 8. O – Система считывания сигналов (состоит из оптической головки и механизма её перемещения, инфракрасного лазерного излучателя, системы фокусировки луча и усилителя); O = 1 – работает; O = 0 – не работает; Ситуации: 1. 2. 3.
Таблица ситуаций, результантов и инициаторов:
Граф процесса
Т. к. процесс элементарный, примем, что он совпадает со своей редукцией по выходной компоненте
Т. е.:
В качестве второго процесса возьмем исходный процесс, редукцирование которого по входной компоненте
Построим, если это возможно, процесс P3 = <S3 ,F3 ,I3 ,R3 >, ситуации которого представимы в виде пар S3 = (S1 , S2 ), такой что: 1) S1 ÎS1 (Y1 *), S2 ÎS2 (X2 *), т.е. S3 Í S1 (Y1 *)´ S2 (X2 *); 2) выходная компонента у1 ситуации S1 равна входной компоненте х2 ситуации S2 - у1 = х2 ; 3) если в S3 компонента S2 ÎI2 (X2 *), то S1 ÎR1 (Y1 *); 4) если (Si 1 , Sj 2 )F3 (Sk 1 , Sl 2 ), то либо (Si 1 FSk 1 )& (Sj 2 F2 Sl 2 ), либо (Si 1 FSk 1 )& (Sj 2 = Sl 2 ), либо (Si 1 = Sk 1 )& (Sj 2 F2 Sl 2 ). Ситуации процесса:
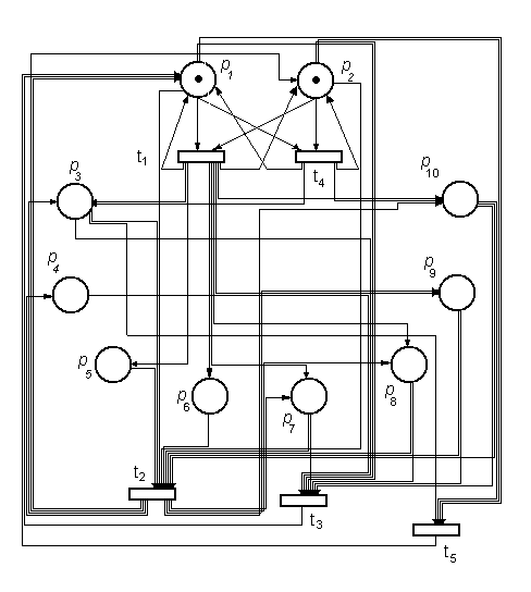
В результате сцепления двух процессов мы получили композицию. Процесс загрузки диска в привод, чтения с аварийным завершением. ПРЕДМЕТНАЯ ИНТЕРПРЕТАЦИЯ АСИНХРОННОГО ПРОЦЕССА1. Построение сети ПетриВзаимодействие событий в асинхронных системах имеет, как правило, сложную динамическую структуру. Поэтому такое взаимодействие проще описать, если указать не непосредственные связи между событиями, а те ситуации, при которых данное событие может реализоваться. Такие ситуации называются условиями реализации событий. В нашем случае множество условий Начальная разметка графа- условие начала работы, т. е. первоначальная активация, которая соответствует условию S1. 2. Графическое представление сети Петри:
3. Граф разметок
4. Основные свойства сети Петри
Т. к. все места сети безопасны, то и вся сеть в целом безопасна . Т. к. для Т. к. переход Т. к. переход Т. к. переход Т. к. переход Т. к. переход Т.к. срабатывание какого-либо перехода не влияет на срабатывание остальных переходов, то переходы в данной сети устойчивы, а, следовательно, и сама сеть тоже устойчива . Таким образом, данная сеть является безопасной, ограниченной, живой (потенциально), устойчивой. ЗАКЛЮЧЕНИЕпроцесс диск сеть петри информация В данной работе было проведено полное исследование процесса чтения информации с диска CD-RW. Анализ показал, что процесс является простым, эффективным и управляемым. Были рассмотрены операции над процессами: репозиция, редукция и композиция. В результате редукции был задан механизм возобновления асинхронного процесса. Построение редукции позволило выделить из процесса более простой: процесс чтения диска с аварийным завершением. В результате композиции был построен процесс вставки диска в привод и чтения с аварийным завершением. Сеть Петри, построенная на исходном процессе, является безопасной, ограниченной, живой и устойчивой. |






