Курсовая работа: Привод к шаровой углеразмольной мельнице
|
Название: Привод к шаровой углеразмольной мельнице Раздел: Промышленность, производство Тип: курсовая работа | ||||||||||||||||||||||||||||||||||||||||||||||||||||||||||||||||||||||||||||||||||||||||||||||||||||||||||||||||||||||||||||||||||||||||||||||||||||||||||||||||||||||||||||||||||||||||||||||||||||||||||||||||||||||||||||||||||||||||||||||||||||||||||||||||||||||||||||||||||||||||||||||||||||||||||||||||||||||||||||||||||||||||||||||||||||||||||||||||||||||||||||||||||||||||||||||||||||||||||||||||||||||||||||||||||||||||||||||||||||||||||||||||||||||||||||||||||||||||||||||||||||||||||||||||||
Московский энергетический институт (технический университет) Кафедра основ конструирования машин . Курсовой проект тема: Привод к шаровой углеразмольной мельнице Москва 2010 Техническое задание
Раздел I . Подбор двигателя и передаточных чисел Определение требуемой мощности электродвигателя. Общий КПД привода:
Тогда мощность электродвигателя равна
Согласно табл. 5.1[1] по требуемой мощности Ориентировочные значения передаточных чисел привода. Передаточное число привода находится по формуле
nдвиг. = 2945 об/мин - частота вращения на ведущем валу, nвых.= 25 об/мин - частота вращения на ведомом валу,
Используя ряд предпочитаемых передаточных чисел, выбираем:
Найдем крутящие моменты на валах по формуле
-ведущий вал:
-промежуточный вал:
-ведомый вал:
n1 -частота вращения ведущего вала, T1 -вращающий момент на ведущем валу, n2 -частота вращения среднего вала, T2 -вращающий момент на среднем валу. n3 -частота вращения ведомого вала, T3 -вращающий момент на ведомом валу. Таблица 1 Расчет основных параметров передачи
Раздел II. Расчет зубчатой цилиндрической передачи редуктора 1. Выбор материалов и их характеристикиПринимаем согласно рекомендациям табл. 2.7 марку материалов и их термообработку.Выписываем механическиехарактеристики из табл. 2.7. Таблица 2 Выбор материала и их механические свойства.
2. Расчет допускаемых напряжений для выбранных материаловТаблица 3 Расчет основных нагрузок передачи
3. Определение геометрических параметров зубчатой передачи Таблица 4.1 Расчет межосевого расстояния
Модуль зацепления выбирается по эмпирической формуле:
Таблица 4.2 Основные размеры
Таблица 4.3 Силы, действующие в зацеплении
4. Проверочные расчеты Таблица 4.4(1) Проверка условия
Получилась недогрузка в 13.4 %. Расчет выполнен, верно. Таблица 4.4(2) Проверка условия
Результаты проверочного расчета на выносливость при изгибе зубьев колес не превзошли допустимых показателей напряжений при изгибе. Выбор материалов и проведенный расчет геометрических параметров произведен, верно. Раздел III . Расчет червячной передачи 1. Кинематический и силовой расчет Берем по табл.3.1, 3.2:
Таблица 5.1 Расчет основных параметров передачи.
2. Выбор материалов и расчет допускных напряжений При скорости скольжения менее 12м/c принимаем марку бронзы для червячного колеса и марку стали для червяка: Таблица 5.3 Расчет основных нагрузок передачи
3. Расчет основных геометрических параметров червячной пары Таблица 5.4 Расчет нормального модуля и межосевого расстояния
Таблица 5.5 Основные размеры передачи
Таблица 5.6 Действительная скорость
Таблица 5.7 Силы действующие в зацеплении
4. Проверочные расчеты Таблица 5.8 Проверка условия
Получилась недогрузка в 8.4%. Расчет выполнен, верно. Таблица 5.9 Проверка условия
Раздел IV . Первый этап компоновки редуктора. Конструктивные размеры корпуса редуктора Таблица 6 Основные элементы корпуса из чугунного литья
1. Предварительный расчет ведущего вала Диаметр входного конца ведущего вала по расчету на кручение при Пусть
Необходимо согласовать диаметр ведущего вала редуктора с диаметром вала электродвигателя для соединения их муфтой. Тогда По табл.: Таблица 7 Основные размеры вала
Подбор подшипников Таблица 7.2 Основные размеры подшипника
привод шаровая мельница редуктор Таблица 7.3 Основные размеры вала
Предварительный выбор шпоночного соединения Таблица 7.4 Основные размеры шпонки
2. Предварительный расчет промежуточного вала
Следовательно, по ГОСТ 6636-69 (СТ. СЭВ 514-77) По табл. Таблица 8.1 Основные размеры вала
Подбор подшипников Таблица 8.2 Основные размеры подшипника
Дополнительные размеры Зубчатое колесо:
Присвоим
Присвоим Рассмотрим необходимость изготовления сплошного колеса или отверстий в колесе
Предварительный выбор шпоночного соединения
Таблица 8.3 Основные размеры шпонки
3. Предварительный расчет выходного вала Пусть
Следовательно, по ГОСТ 6636-69 (СТ. СЭВ 514-77) По табл. Таблица 9.2 Основные размеры подшипника
Дополнительные размеры Червячное колесо:
Рассмотрим необходимость изготовления сплошного колеса или отверстий в колесе
Колесо делать с отверстиями.
Предварительный выбор шпоночного соединения Таблица 9.3 Основные размеры шпонки
Раздел V. Проверочные расчеты подшипников и шпонок 1. Проверка долговечности подшипников
Проверка долговечности подшипников на ведущем валу Расстояние между опорами
Диаметр По таблице 4.3 раздела 2: Рассмотрим реакции в опорах:
Проверка:
Проверка верна.
Проверка:
Проверка верна. Суммарные реакции:
Определяем долговечность на наиболее нагруженной опоре. Рассмотрим подшипник по табл.7.2 раздела 4. это подшипник 308: Коэффициенты Эквивалентная нагрузка:
по табл.7.2 раздела 4. С=31.9 кН Расчетная долговечность, млн.об.
Расчетная долговечность, ч:
По условию на ведомом валу Так как Проверка долговечности подшипников на промежуточном валу Расстояние между опорами
Диаметр По таблице 4.3 раздела 2 и по таблице 5.7 раздела 3
Рассмотрим реакции в опорах:
Проверка:
Проверка верна
Проверка
Проверка верна Суммарные реакции:
Определяем долговечность на обоих опорах. 1) Рассмотрим подшипник по табл.8.2 раздела 4 это подшипник 209 (опора А): Коэффициенты
Эквивалентная нагрузка: Расчетная долговечность, млн.об.
Расчетная долговечность, ч:
По условию на ведомом валу Так как Рассмотрим подшипник по табл.8.2 раздела 4 это подшипник 7612: Для радиально-упорных конических однорядных роликоподшипников средней широкой серии коэффициент осевого нагружения е=0,3 Коэффициенты
Эквивалентная нагрузка:
по табл.8.2 раздела 4 С=171.0 кН Расчетная долговечность, млн.об.
Расчетная долговечность, ч:
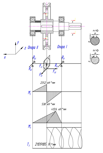
По условию на ведомом валу Так как Проверка долговечности подшипников на ведомом валу. Расстояние между опорами
Диаметр
Рассмотрим реакции в опорах:
Проверка:
Проверка:
Проверка верна. Суммарные реакции:
Определяем долговечность на наиболее нагруженной опоре. Рассмотрим подшипник по табл.9.2 раздела 4 это подшипник 46217: Для подшипников шариковых радиально-упорных однорядных коэффициент осевого нагружения е=0,68 Коэффициенты Эквивалентная нагрузка:
по табл.9.2 раздела 4.4.10 С=74.0 кН Расчетная долговечность, млн.об.
Расчетная долговечность, ч:
По условию на ведомом валу Так как 2. Проверка долговечности шпоночных соединений Принимаем призматические шпонки со скругленными торцами, размеры сечений шпонок и пазов, длины шпонок принимаем по ГОСТ 23360-78 и 10748-79. Условие прочности:
Шпонкавыходного конца ведущего вала поз.38: Диаметр вала : Глубина паза Напряжения смятия:
Шпонка под зубчатым колесом поз.39: Диаметр вала: Сечение и длина шпонки Глубина паза Напряжения смятия:
Шпонка под червячным колесом поз.40: Диаметр вала: Сечение и длина шпонки Глубина паза Напряжения смятия:
Шпонка выходного конца ведомого вала поз.41: Диаметр вала : Сечение и длина шпонки Глубина паза Момент Напряжения смятия:
Все шпонки пригодны. 3. Уточненный расчет валов Нормальные напряжения от изгиба изменяются по симметричному циклу, а касательные от кручения — по отнулевому (пульсирующему). Уточненный расчет состоит в определении коэффициентов запаса прочности Будем производить расчет для предположительно опасных сечений ведомого вала. Ведущий вал проверять на прочность не следует, так как размеры поперечных сечений, принятые при конструировании после расчета геометрических характеристик по таблице 4.2 раздела 2 ( Определение коэффициентов запаса прочности в опасных сечениях ведомого вала: Построим эпюры моментов на изгиб.
Материал Сталь 45, термическая обработка улучшение. Предел выносливости при симметричном цикле изгиба:
Предел выносливости при симметричном цикле касательных напряжений:
По рисунку видно, что сечения А-А наиболее нагруженное для данного вала. Рассмотрим его: Определим коэффициент запаса прочности по касательным напряжениям:
Где амплитудное и среднее значение касательных напряжение:
При
Суммарный коэффициент снижения предела выносливости при кручении:
Принимаем
Коэффициент чувствительности материала к асимметрии цикла:
Определим коэффициент запаса прочности по нормальным напряжениям:
По рисунку видно, что в вертикальной плоскости сечения действует момент
Определим момент сопротивления изгибу:
Амплитудное значение нормальных напряжений:
Среднее значение нормальных напряжений Суммарный коэффициент снижения предела выносливости при изгибе:
Принимаем
Определим результирующий коэффициент запаса прочности:
Сравним коэффициент запаса прочности сечения А-А с допустимым значением коэффициента запаса прочности Расчет по сечению А-А на прочность выполнен правильно, так как Проведем расчет крайнего сечения Б-Б Определим коэффициент запаса прочности по касательным напряжениям:
Где амплитудное и среднее значение касательных напряжение:
Суммарный коэффициент снижения предела выносливости при кручении:
Принимаем
Коэффициент чувствительности материала к асимметрии цикла
Расчет по сечению Б-Б на прочность выполнен правильно, так как Вывод: Ведомый вал подобран правильно, он соответствует условиям кручения, изгиба и прочности и может быть принятым в эксплуатацию для данного редуктора. Раздел VI . Посадки деталей редуктора, завершающий этап разработки проекта Смазывание зацепления производится окунанием червячного и зубчатого колеса в масло. Уровень масла, заливаемого внутрь корпуса, до погружения зубьев червячного колеса на всю высоту зуба. Устанавливаем рекомендуемый сорт смазочного масла. При контактных напряжении до 200 МПа на червячной передачи и до 600 МПа на зубчатой передаче и скорости скольжения на промежуточном валу Подшипники смазываем пластичным смазочным материалом, закладываемым в подшипниковые камеры при монтаже. Сорт пластичной смазки рекомендациям -солидол марки УС-2 ГОСТ 1033-73. Литература 1. Атлас конструкций редукторов./ Цехнович Л.И., Петриченко И.П Киев. Высш. шк. 1990.151 с. 2. Детали машин: Атлас конструкций /Под ред. Д.Н.Решетова, М.: Машиностроение, 1992. 3. Детали машин./ Иванов М.Н. М.: Высш. шк., 1998. 383 c 4. Конструирование опор на подшипниках качения./Фролов А. Г., Кудрявцев Е. П.-М. ;издательство МЭИ,1990-88с. 5. Курсовое проектирование деталей машин: Учебное пособие /С.А.Чернавский ,К.Н. Боков и др.-М,; ООО ТИД «Альянс»,2005.-416 с. 6. Методические указания к курсовому проектированию по курсам «Основы конструирования», «Конструирование машин», «Инженерное проектирование» /Ю.И.Сазонов. М.: Издательство МЭИ, 1991. 44 с. 7. Методические указания к курсовому проекту и типовому расчету по курсам основы инженерного проектирования, механика и основы конструирования. Оформление Расчетно-пояснительной записки(РПЗ) к курсовому проекту и типового расчета(ТР)./ Фролов А. Г., М. ;издательство МЭИ,1989-20с. 8. Методические указания к практическим и лабораторным занятиям по курсам «Основы конструирования» и «Основы инженерного проектирования» /Мороз С.Ф.Аксенова, Баранов В.В. и др./ -М,; Издательство МЭИ,1991 -44 с. 9. Методические указания к лабораторным работам и практическим занятиям по курсам «Основы конструирования» и «Инженерное проектирование ».Соединения./Мороз С.Ф.Аксенова, Нестеров В.И./Под ред. С.Ф.Мороз. -М,; Издательство МЭИ,1994 -45 с. 10. Механика и конструирование машин. Механизмы атомных электростанций./Перемыщев Д.А. Сердюкова , И. А. Шульц А,Г.:Моск.энерг.ин-т,1989.-27с. 11. Основы взаимозаменяемости и стандартизации в машиностроении./Под ред. Д. А. Перемыщева -М.: Издательство МЭИ,2004-87,с. 12. Основы конструирования. В 2 кн./ Орлов П.И. Основы конструирования. В 2 кн. М.: Машиностроение, 1988. |
||||||||||||||||||||||||||||||||||||||||||||||||||||||||||||||||||||||||||||||||||||||||||||||||||||||||||||||||||||||||||||||||||||||||||||||||||||||||||||||||||||||||||||||||||||||||||||||||||||||||||||||||||||||||||||||||||||||||||||||||||||||||||||||||||||||||||||||||||||||||||||||||||||||||||||||||||||||||||||||||||||||||||||||||||||||||||||||||||||||||||||||||||||||||||||||||||||||||||||||||||||||||||||||||||||||||||||||||||||||||||||||||||||||||||||||||||||||||||||||||||||||||||||||||||


– КПД пар подшипников,
:
































