МИНИСТЕРСТВО СЕЛЬСКОГО ХОЗЯЙСТВА РФ
ГОСУДАРСТВЕННЫЙ УНИВЕРСИТЕТ ПО ЗЕМЛЕУСТРОЙСТВУ
Кафедра: геодезии и геоинформатики.
КУРСОВАЯ РАБОТА
По дисциплине:
"Геодезическое инструментоведение"
На тему:
История развития нового геодезического прибора "Электронный тахеометр"
Выполнил: CТ. 21 ПГ. Группы
Саитов К.А.
Проверил: к.т.н., профессор
Юнусов А.Г.
Москва. 2010 г.
План
1. Введение
2. Назначение прибора
3. Принципиальная и структурная схема прибора
3.1Схема на примере электронного тахеометра TOPCONGPT-3000
3.2Обобщенная структурная схема электронного тахеометра
4. Устройство и конструкция основных узлов
4.1 Геометрия корпуса
4.2 Зрительная труба
4.3 Принципиальная схема светодальномера
4.3.1 Светодальномера в режиме с отражателем
4.3.2 Светодальномера в режиме без отражателя
4.3.2.1 Импульсный и фазовый дальномеры
4.3.2.1.1 Импульсный дальномер
4.3.2.1.2 Фазовый дальномер
4.4Угломерная часть
5. Конструктивные особенности в новых приборах, новыевозможности приборов
6. Проверки
7. Методика подготовки прибора к работе, технология и условияработ
8. Заключение
9. Список используемой литературы
1. Введение
На замыкающей стадии развития оптико-электронных геодезических приборов стоит универсальный инструмент - Электронный тахеометр, неслучайно занимающий прочное место в ряду приборов геодезического оборудования. Тахеометр производит любые угломерные измерения одновременно с измерением расстояний и по полученным данным проводит инженерные вычисления, сохраняя всю полученную информацию. С помощью электронного тахеометра в полевых условиях можно получить информацию об измеряемых горизонтальных и вертикальных углах и расстояниях, автоматически выполнить необходимые вычисления по плановому и высотному положению ситуации. При наличии компьютера процесс может быть автоматизирован, включая получение готовой карты местности за считанные минуты. Возможность занесения в запоминающее устройство допустимых погрешностей измерений(например, циклической погрешности дальномера, коллимационной погрешности, отклонения места нуля, отклонение оси вращения от отвесной линии за счет введения двухкоординатных электронных уровней и др.) позволяет повысить точность и производительность измерений. Встроенное программное обеспечение позволяет выполнить следующие геодезические задачи: обратную засечку, уравнивание теодолитного хода, вычисление площадей, разбивку кривых и т.д.
На Российском рынке тахеометры представляют сегодня такие известные фирмы, как Leica-Geosystems(Швейцария), Sokkia, Topcon, Nikon и Pentax(Япония), Trimble Navigation(США), Opton(Германия), АГА(Швеция), а также ФГУП "УОМЗ"(Россия, г.Екатеринбург) и др.
Современный тахеометр должен полностью удовлетворять всем требованиям пользователя. Это важно и потому, что пользователь не должен переплачивать за невостребованные функции и возможности инструмента, стоимость которых может быть достаточно высока. С другой стороны, желательно иметь возможности обновления и модернизации системы — добавление новых функций, программ и даже изменение технических характеристик.
2. Назначение прибора
Электронным тахеометром называется устройство, объединяющее в себе теодолит и светодальномер. Одним из основных узлов современных электронных тахеометров является микроЭВМ, с помощью которой можно автоматизировать процесс измерений и решать различные геодезические задачи по заложенным в них программам. Увеличение числа программ расширяет диапазон работы тахеометра и область его применения, а так же повышает точность работ. Наличие регистрирующих устройств в тахеометрах позволяет создать автоматизированный геодезический комплекс: тахеометр – регистратор информации – преобразователь – ЭВМ – графопостроитель, обеспечивающий получение на выходе конечной продукции – топографического плана в автоматическом режиме. При этом сводятся к минимуму ошибки наблюдателя, оператора, вычислителя и картографа, возникающие на каждом этапе работ при составлении плана традиционным способом.
3. Принципиальная и структурная схема прибора
3.1 Схема на примере электронного тахеометра
TOPCON
GPT
-3000

Рис.1Вид тахеометра спереди.

Рис.2 вид тахеометра сзади.

Рис.3 вид трегера тахеометра.
3.2 Обобщенная структурная схема электронного тахеометра.

Рис. 4. Обобщенная структурная схема роботизированного электронного тахеометра
1 - антенна; 2 - вертикальный круг; 3 - считывающая головка; 4 - радиомодуль; 5 - центрир; 6 - аккумуляторы; 7 - горизонтальный круг; 8 - датчик наклона; 9 - вертикальная ось; 10 - мотор; И горизонтальная ось; 12 - микро-ЭВМ; 13 - устройство наведения; 14 - светодальномерный блок; 15 - указатель местоположения реечнику;

Рис. 5. Структурная схема тахеометра 3Та5
4. Устройство и конструкция основных узлов
4.1 Геометрия корпуса
1. Плоскости колонок должны быть параллельны иперпендикулярны плоскости основания (рис. 6).

Рис. 6 Геометрия корпуса
2. Посадочные места под ось зрительной трубы должны быть параллельны между собой и расположены на одной высоте над основанием корпуса. Ось посадочных мест -строго перпендикулярна плоскости колонок, должна пересекаться с осью вращения тахеометра и быть перпендикулярна ей .Поскольку корпуса приборов отливаются, а у форм есть пределы допуска, на правой колонке корпуса посадочное место под ось трубы делают подвижным для юстировки неравенства колонок. Самым распространенным методом является применение эксцентрической шайбы (лагера) (1) с котировочными винтами (2) для разворота шайбы( рис 7)

Рис. 7. эксцентрическая шайба
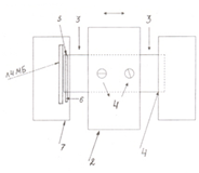
Однако завод Karl Zeiss использует другой метод. Посадочная втулка (1) под ось вращения трубы устанавливается на колонке тахеометра (2) Крепежные отверстия (3) делаются шире диаметра крепежных болтов с широкими шляпками, что дает возможность передвигать втулку (1) вверх-вниз и влево-право и закреплять ее е нужной позиции (рис. 8).

Рис. 8. 1 - посадочная втулка; 2 - колонна тахеометра; 3 - крепежные отверстия
Ось вращения тахеометра должна быть перпендикулярна основанию корпуса и оси вращения зрительной трубы. Поэтому посадочное место под ось вращения тахеометра обрабатывается фрезерованием. К корпусу тахеометра крепится компенсатор, который является электронным уровнем прибора. В случае, когда компенсатор одноосевой, он устанавливается параллельно зрительной трубе для компенсации продольного наклона. При этом посадочные места компенсатора (1) параллельны плоскости колонки (2) (рис. 9).

Рис. 9. Способ крепления компенсатора
4.2 Зрительная труба

Рисунок 10.
условные обозначения: 1. Объектив 2. Зеркало 3. Излучатель Track 4. Отражатель 5. Зеркальная призма 6. Сенсор ccd с ноль пунктом 7. Сетка нитей 8. Окуляр 9. Глаз наблюдателя
Установка зрительной трубы зависит от конструкции ее оси. Чаще используется конструкция из полуосей. Это выглядит так: на зрительную трубу (1) устанавливают две полуоси (2), которые вставляются во втулки корпуса. Затем перпендикулярность осей трубы и вращения юстируют лагерной эксцентрической втулкой (рис. 11).
Следующая задача состоит в недопущении хода зрительной трубы вдоль оси ее вращения. Для этого к торцу оси в левой колонке корпуса на болтах крепят посадочное место (1) лимба вертикального круга, что ограничивает ход зрительной трубы вправо. В правой колонке корпуса на полуось надевают хомут (2) механизма для фиксатора и наводящего винта зрительной трубы. Это ограничивает ход зрительной трубы влево. Теперь труба жестко закреплена по торцам оси и может только вращаться. Но в методе есть один недостаток.
Очень важно, чтобы визирная ось зрительной трубы пересекалась с осью вращения тахеометра. Несоблюдение этого условия влечет за собой ближнюю компенсацию. Поэтому некоторые заводы-изготовители применяют другой способ, при котором ось вращения проходит через зрительную трубу.

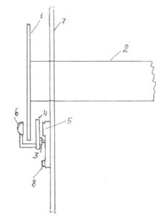
Рис. 11. Корпус тахеометра
Монтаж производят так: конец оси вставляют в колонку со стороны лимба вертикального круга (1), затем между колонок ставят трубу (2) и проталкивают сквозь нее ось (3) до лагерной втулки (рис. 12). Зрительная труба (2) крепится к оси при помощи двух винтов (4). В зрительной трубе отверстия шире диаметра винтов. Это дает возможность перемещать зрительную трубу по оси влево и вправо. Этот ход устраняет ближнюю коллимацию, затем винты (4) зажимают. Для фиксации оси (1) в корпусе применяют прорезь (2) под защелку (3), которая крепится к корпусу (4).

Рис. 12. Монтаж зрительной трубы
В левой колонке к торцевой части оси трубы крепится лимб вертикального круга.
4.3 Принципиальная схема дальномера
4.3.1 Светодальномер в режиме измерений с отражателем
Светодальномеры обычно устанавливаются на верхнюю часть зрительной трубы, но не всегда, Основная же схема дальномера у всех приборов примерно одинаковая.
Свет, выходя из лагера 1, когда открыта шторка 2, проходит по каналу ОКЗ "а" в приемник 4. Когда шторка перекрывает канал ОКЗ, она открывает канал дистанции "б" и свет, отражаясь от призмы 3 и зеркала 5, проходит через объектив 6 на отражатель 7. Отразившись от отражателя 7, свет проходит через объектив 6 и, отражаясь от зеркала 5 и призм 3, попадает на приемник 4, (Рис. 13)

Рис.13. Оптическая схема дальномера тахеометра в режиме измерений с призмой .
После этого в приборном блоке, зная точную длину канала ОКЗ и время прохождения луча в канале и до призмы, по пропорциям вычисляются расстояния.
4.3.2 Светодальномер в режиме измерений без отражателя
Свет из излучателя 1, отражаясь от зеркала 2, проходит через объектив 3 до отражающей поверхности 4. Возвращаясь через объектив 3, свет отражается от зеркала 5, проходит до обратной стороны зеркала 2, отражаясь от него, попадает во входной зрачок 6 световода 7, проходит через светофильтр мотора уровня сигнала 11 и попадает на детектор 8. Канал ОКЗ проходит от излучателя через световод 10, доходит до шторки 9. Когда шторка закрыта для канала дистанции, свет отражается от шторки и попадает на детектор 8 по каналу ОКЗ. (Рис. 14)

Рис.14. Оптическая схема дальномера тахеометра в режиме без отражателя.
Для того, чтобы оптические схемы дальномеров работали, необходимо, чтобы свет, выходящий из объектива, и свет, идущий обратно на детектор, шли по одному каналу, т. е. каналы излучения и приема были соосны между собой и соосны визирной оси зрительной трубы
Зеркало 2, прозрачно и покрыто амальгамным покрытием, которое отражает инфракрасное излучение.
Безотражательные светодальномеры пока ещё не совершенны, и результат измерения зависит от типа отражающего покрытия и его цвета, например лучше всего пучок света отражается от белого покрытия при этом от чёрного покрытия практический не отражается.
4.3.2.1 Импульсный и фазовый дальномеры

Рис. 15. Оптические схемы импульсного (вверху) и фазового (внизу) дальномеров
Электронное измерение расстояния без отражателя может быть произведено любым из двух методов: с помощью определения времени прохождения сигнала или определения разности фаз. Метод определения времени прохождения сигнала реализован в дальномере DR300+, в котором используется импульсный лазер. Метод определения разности фаз лежит в основе дальномера DR Standard. Как показано на рисунке 15, оптические схемы каждого из методов различны и соответственно имеют свои преимущества и недостатки.
4.3.2.1.1 Импульсный дальномер
Для вычисления расстояний в импульсном методе определяется точное время прохождения импульса до цели и обратно (TOF
).
Импульсный лазер генерирует множество коротких импульсов в инфракрасной области спектра, которые направляются через зрительную трубу к цели. Эти импульсы отражаются от цели и возвращаются к инструменту, где при помощи электроники определяется точное время прохождения каждого импульса. Скорость прохождения света сквозь среду может быть точно определена. Поэтому, зная время прохождения, можно вычислить расстояние между целью и инструментом. Измерения с помощью определения времени прохождения сигнала (TOF) обычно имеют не только наибольшую дальность, но и соответствуют самым высоким стандартам безопасности, поскольку интервалы между импульсами препятствуют накоплению вредной для глаз энергии.
Каждый импульс – это однократное измерение расстояния, но поскольку каждую секунду могут быть посланы тысячи таких импульсов, то с помощью усреднения результатов достаточно быстро достигается высокая точность измерений. В ходе измерения делается около 20000 лазерных импульсов в секунду. Затем они усредняются для получения более точного значения расстояния. Точность обычных импульсных дальномеров обычно несколько ниже, чем у фазовых (до 10 мм). Однако в дальномере Trimble DR300+ используется патентованная методика обработки сигнала, позволяющая достичь высокой точности при измерении больших расстояний как с использованием, так и без использования призм. Некоторые тахеометры с импульсным дальномером перед каждым измерением должны быть сфокусированы на цель. При использовании Trimble DR300+ этого не требуется.
4.3.2.1.1 Фазовый дальномер
DR Standard
– это лазерный дальномер, основанный на методе сравнения фаз сигнала. Дальномер передает коаксиальный оптический пучок с модулированной интенсивностью, который отражается от призмы или другой отражающей поверхности. После этого определяется разность фаз между переданным и отраженным принятым сигналом, по которой вычисляется расстояние. В режиме измерений по призмам дальномер DR Standard работает как быстрый и точный дальномер с большим радиусом действия (до 3500 м по одной призме). В безотражательном режиме DR дальномер DR Standard передает красный коллимированный лазерный пучок до цели и вычисляет сдвиг фазы между переданным и принятым сигналами. Метод измерения разности фаз работает по принципу наложения на несущую частоту модулированного сигнала. Прибор измеряет постоянное смещение фазы, несмотря на неизбежные изменения в излучаемом и принимаемом сигнале. В результате сравнения фаз опорного и получаемого сигнала определяется только величина сдвига фазы, а целое число циклов остается неизвестным и не позволяет сразу получить расстояние. Эта неоднозначность разрешается путем многократных измерений модуляции волны, в результате чего определяется уникальное целое число циклов. Как только целое число циклов определено, то расстояние до цели может быть вычислено очень точно.
4.4 Угломерная часть
В оптическом теодолите свет попадает через зеркало подсветки, а приемником информации является глаз наблюдателя, берущего отсчёт в окуляре оптического микрометра.
В электронных тахеометрах работу подсветки выполняет светодиод, в качестве микрометра используется дифракционная решетка, а приемником информации является фотоприемное устройство, которое преобразует световую энергию в электрический сигнал.
Угломерные системы в современных тахеометрах бывают аналоговые и цифровые. Принцип настройки у них один, но исполнение разное. Угломерные системы бывают одно- и двусторонние. Аналоговые угломерные устройства представляют собой лимб со штрихами, где толщина штрихов равна промежутку между ними. Для того чтобы датчик угла мог оценить направление счета, необходимо иметь две полосы со штрихами. Между собой штрихи сбиты на четверть толщины штриха. Под лимбом устанавливается дифракционная решетка.
Светодиод просвечивает лимб с решеткой, и изображение полученной муаровой картины попадает на фотоприемное устройство. На нем четыре окна; два под внешней полосой штрихами и два под внутренней. Каждая пара окон снимает отсчеты sin и cos. Затем сигналы "sin - sin" и "cos -cos" объединяются, усиливаются предварительным усилителем и передаются в накопительный датчик угла
Датчик угла способен посчитать число периодов и таким образом определить угол поворота тахеометра.

Рис.16. Растровые лимбы
Счет по растровому лимбу возможен только при наличии дифракционной решетки. В разных тахеометрах применяют разные конструктивные решения. Вот некоторые из них. Лимб вертикального круга (1) прикреплен к оси трубы (2). Дифракционная решетка (4) подкреплена к стойке (3). За решеткой установлен фотоприемник (5), который крепится вместе с излучателем (б) к корпусу (7) болтами (8), Для установки дифракционной решетки (4) используют микроскоп. (рис 16)
Лимб, установленный на оси зрительной трубы, вращается во втулке корпуса. На корпус монтируется второй лимб на станине, прикрепленной к корпусу. На лимб нанесены две дифракционные решетки. К корпусу монтируют фотоприемные устройства со светодиодами. Посадочные места лимбов скреплены между собой болтами через пружинные шайбы. Затяжка болтов сближает лимбы, ослабляя болты. Пружинные шайбы ослабляют лимбы. Это позволяет фокусировать оптическую систему.
5. Конструктивные особенности в новых приборах, новые возможности приборов
При производстве большинства геодезических работ, как правило, требуется выполнять как угловые, так и линейные измерения, для чего обычно использовались оптические тахеометры. Еще в конце ХЕХ века венгерский геодезист Тихи ввел в обиход слово "тахеометр", которое в переводе с греческого языка означает "быстроизмеряющий".
Позднее для этих целей стали использовать светодальномеры и теодолиты. Когда были созданы компактные светодальномеры, то конструкция их предусматривала возможность установки на теодолит. И в настоящее время конструкции светодальномеров, выпускаемых Уральским оптико-механическим заводом, предусматривают возможность их установки на теодолит. Позднее начали выпускаться приборы в общем корпусе для оптического теодолита и светодальномера. Мощным толчком в геодезическом приборостроении стал выпуск электронного тахеометра AGA-136 (Швеция), в котором оптическая система отсчета углов была заменена на электронную, т. е. в едином корпусе размещался прибор, который совмещал функции светодальномера и цифрового теодолита. В дальнейшем в электронный тахеометр был введен полевой компьютер, открыв тем самым начало выпуска компьютезированных электронных тахеометров. Использование электронных тахеометров позволило полностью отказаться от ведения полевого журнала.
В современные приборы начали встраивать мощные полевые компьютеры для обработки результатов измерений и решения непосредственно в поле типовых геодезических задач, расширились потенциальные возможности приборов за счет значительного улучшения технических характеристик.
Каждый электронный тахеометр имеет зрительную трубу, блок измерения расстояний (светодальномер), блок измерения углов (цифровой теодолит) и спецвычислитель, в который встроены программы для решения непосредственно в поле типовых геодезических задач.
Встроенное программное обеспечение большинства электронных тахеометров позволяет решать целый ряд геодезических задач. Например, электронные тахеометры фирмы Sokkia (Япония), которые отличаются высокой надежностью и точностью,
имеют программное обеспечение, позволяющее решать следующие задачи:
— определять горизонтальное проложение и превышение;
— решать прямую и обратную геодезические задачи;
— вычислять превышения и расстояния между неприступными точками, определять высоту объектов, на которые невозможно установить отражатель, например, линии электропередачи, высотные здания, стены и т.д.;
— выполнять расчет площади и периметра снимаемого участка;
— помещать в отдельный список для последующего быстрого поиска выносимые в натуру точки;
— осуществлять вынос в натуру точек по углу и расстоянию, по координатам, по створу между двумя точками на задаваемую вертикальную или наклонную плоскость.
Помимо встроенного программного обеспечения, есть специализированные программы, которые поставляются отдельно (например программы, используемые при изысканиях и строительстве дорог "Road", программы для геометрических построений "ССЮО" и т.д.).
Электронных тахеометров серии 10 SET (Sokkia). Электронные тахеометры этой серии удобны в работе и имеют большой набор встроенных программ. При необходимости быстрого ввода названий точек и координат можно использовать беспроводную клавиатуру SF 14, имеющую 37 клавиш 152 (стандартная клавиатура имеет 15 клавиш). Объем внутренней памяти -10 ООО точек. Для работы при низких температурах может быть использована модель, работающая при температуре —30 °С.
Средняя квадратическая погрешность измерения угла для высокоточных приборов составляет 1". Выпускаются также электронные тахеометры, обеспечивающие точность угловых измерений 2 ", 3 ",5 " либо 6 " (в зависимости отмодели прибора), а точность линейных измерений ~2—3-10~* в (D — длина трассы в мм). Большинство электронных тахеометров фирмы Sokkia имеет встроенные безотражательные светодальномеры.
Особый ряд приборов представляют собой электронные тахеометры с сервоприводом и автоматическим наведением на визирную цель. К таким электронным тахеометрам относятся электронные тахеометры фирмы Sokkia серии 110М SET 411 DM/311 DM. При наведении на визирную цель оператору достаточно видеть в поле зрения зрительной трубы отражатель (трипельпризму). Точное наведение на цель производится автоматически при измерении расстояния. Использование электронных тахеометров с сервоприводом позволяет выносить точки с гораздо большей скоростью, чем при использовании приборов с визуальным наведением, на цель. Для задания створа такие приборы снабжены створоуказателями, задающими створ двумя световыми пучками — красным и зеленым. Если точка находится справа от визирной оси, виден красный цвет, а если слева — зеленый.
В нашей стране серийно выпускается электронный тахеометр ЗТа5С. Он оснащен двух- осевым компенсатором наклона инструмента с диапазоном работы ±5автоматическим аттенюатором, четырехстрочным жидкокристаллическим экраном с подсветкой и 12-клавишной клавиатурой, при помощи которой производится управление всеми режимами измерений, вычислений, записи и передачи данных. Результаты измерений могут сохраняться наPCMCIA карте памяти и передаваться в компьютер. Программный комплектCREDO может автоматически производить соединение с тахеометром и получать данные без предварительного сохранения файла на диске компьютера. Электронным тахеометром можно производить измерения полярных и прямоугольных координат, высотных отметок, площадей Как уже отмечалось, в последние годы появились электронные тахеометры, работающие без отражателей с дальностью действия более 1 км и наиболее сложные, с автоматическим поиском цели. Как правило, все электронные тахеометры с сервоприводом сейчас могут включать в себя опции безотражательного дальномера. При безотражательном режиме работы с прибором работает один человек. Применение таких приборов особенно эффективно на закрытых территориях. При этом очень быстро производятся измерения до различных вертикально стоящих объектов, например, зданий, деревьев, столбов и т. д., так как не требуется переставлять отражатель. В том случае, когда тахеометр с безотражательным дальномером оснащен еще и системой самонаведения на призму и радиомодемом (конфигурация Robotic), необходимость в реечнике отпадает совсем, так как нет необходимости вручную поворачивать инструмент, потому что прибор отслеживает положение отражателя
При создании роботизированных тахеометров использованы новейшие достижения науки и техники.
Тахеометер ® S6 [99, 174] снабжен сервосистемой вращения осей, при создании которой впервые в мировой практике компенсацию ошибок за наклон вертикальной и горизонтальной осей вращения, коллимационной погрешности. Кроме того, с целью уменьшения ошибок отсчета и наведения прибор выполняет усреднение результатов.
Эти приборы широко применяются для автоматизации управления строительными машинами и механизмами Необходимо отметить, что использование безотражательных электронных тахеометров не только увеличивает производительность работ, но при этом повышается и безопасность их выполнения. Последнее особенно важно, когда выполняются работы вблизи мест оживленного движения транспорта. Безотражательные электронные тахеометры позволяют геодезистам измерять объекты, оставаясь вне опасных зон. С помощью этих приборов легко измерять недоступные обычному дальномеру точки, производить съемку на опасных для установки отражателя объектах, например, дорогах, мостах и т. д., так как нет необходимости перекрывать движение транспорта и при этом соблюдается полная безопасность работ. Способность выполнять безотражательные измерения на большие расстояния особенно важна при съемке фасадов здания с высокой точностью. Эти приборы могут применяться для задания и развития съемочного обоснования, выноса проекта в натуру, управления и слежения за строительной техникой, а также для съемочных работ и др.
С 2005 г. фирма Торсоп (Япония) начала выпускать новые приборы - фототахеометры GPT-7000i, которые позволяют получать на экране тахеометра изображение, создаваемое зрительной трубой
Например, при выносе в натуру, глядя в видоискатель, оператор четко выводит своего помощника с призмой на выносимые точки. Кроме того, встроенная дополнительная цифровая камера позволяет получать мелкомасштабные снимки местности. Объектив этой камеры размещен над объективом зрительной трубы. Тахеометры GPT-7000i созданы на базе уже известной в России серии безотражательных тахеометров GPT- 7000 с добавлением технологии цифровых изображений. GPT-7000i имеет встроенную операционную систему Windows СЕ и увеличенный объем памяти для хранения изображений.
Прибор позволяет сделать фотоснимок измеряемого объекта и сохранить его в памяти вместе с результатами измерений. Благодаря этому вместо создания традиционных схематичных планов для отображения результатов снимаемого объекта вместе с измеренными точками и линиями. Оператор может проконтролировать точки (линии), которые были или не были измерены, что позволяет избежать ошибок при выполнении полевых работ. Снимок местности, полученный с помощью фототахеометра, упрощает процедуру выноса точек в натуру, так как все выносимые точки отображаются на экране. Для серии GPT-7000i существуют 2 вида программного обеспечения. Основная программа — TopSURVONBoard, которая предназначена для решения общих задач съемки и используется для управления тахеометром. Она представляет полный набор процедур для выполнения съемки, выноса в натуру и решения тривиальных геодезических задач. Эта программа устанавливается на заводе изготовителе.
Дополнительная программа 3D ImageMeasurement обеспечивает работу с цифровыми изображениями и предназначена для трехмерного (объемного) моделирования.
Когда активна функция фотоизображения, измеряемые точки отображаются на экране как точки и линии. Можно провести линию, соединив измеренные точки. Измеренные точки также можно проверить посредством программы 3D ImageMeasurement, которая в основном используется для обработки цифровой фотосъемки, полученной с концов базиса, как это делается при фототеодолитной съемке. Фотосъемка местности выполняется с помощью широкоугольной цифровой фотокамеры с двух разнесенных точек (концов базиса), координаты которых известны. ПО 3D ImageMeasurementSystem позволяет автоматически обработать полученные снимки и получить с помощью этих стереоснимков цифровую модель местности, контурные лини и оценить объемы, ограниченные сложными поверхностями.
Таким образом, благодаря таким уникальным особенностям GPT- 7000i при выполнении полевых работ:
— обеспечивается однозначность распознавания измеряемых точек в режимах измерений по призмам и без них;
— исключается необходимость наведения и фокусировки на каждую точку с помощью зрительной трубы;
— осуществляется простое наведение на близзенитные точки без использования дополнительных аксессуаров (ломаных окуляров);
— определяются области, где измерения, возможно, были пропущены;
— отображаются разбивочные точки, наложенные на реальное изображение объекта до начала выноса проекта в натуру;
— результаты выноса в натуру контролируются по отображению точек на экране.
При камеральных работах упрощается обработка и повышается качество полученных результатов, так как обзорный и детальный фотоснимки могут записаны в памяти инструмента вместе с данными измерений.
Эти фотоснимки дают наглядное состояния и особенностей снимки могут быть записаны в памяти инструмента вместе с данными измерений.
Эти фотоснимки дают наглядное представление состояния и особенностей объекта для подготовки более подробной съемочной документации, а также помогают при камеральной обработке полевых измерений и избавляют от необходимости вести абрис во время съемки.
Благодаря этим качествам и возможности измерения расстояний без отражателя до 250 м тахеометры серии GPT-7000 могут быть использованы для решения специальных задач, например, таких как фасадные съемки. При этом обеспечивается представление на экране изображения фасада здания и простая идентификация точек, исключается необходимость ведения абрисов и дополнительного фотографирования зданий. Фотоснимки, полученные при измерениях, могут быть также использованы для более наглядного и подробного оформления материалов работ.
Тахеометры серии GPT-7000i выполняют измерения без отражателя до углов зданий проще и точнее. Цифровые технологии используются для автоматического определения точек углов зданий и конструкций с большей точностью, чем при обычных измерениях.
Все приборы достаточно просты в управлении и, как правило, имеют двухстороннюю алфавитно-цифровую клавиатуру. Клавиши меню обеспечивают управление проектами съемки, функциями координатной геометрии, настройками инструмента, просмотром и редактированием данных и т. д. Электронные тахеометры снабжены компактными визирными трубами, служащими для приема и передачи оптических сигналов при светодальномерных измерениях. Они имеют совмещенную оптику, центральная часть которой является передающей, а периферийная — приемной. При использовании такой конструкции уровень сигнала, отраженного от марки или диффузного отражателя, не меняется (если угол наклона не более 30°), что позволяет обеспечить высокую точность линейных измерений. Зондирующий пучок лазерного излучения имеет малый диаметр, и поэтому позволяет выполнять измерения сквозь листву деревьев и сетчатые ограждения, а также при отражении от измеряемой поверхности под острым углом. В некоторых электронных тахеометрах используется видимый луч (световой гид) в качестве соосного лазерного целеуказателя, позволяющего выполнять измерения внутри помещений. Он безопасен для глаз даже при визировании на него с помощью зрительной трубы. В отдельных тахеометрах также используются дополнительные лазерные указатели. Такой указатель обычно устанавливают над объективом зрительной трубы. Он излучает два пучка красного цвета, один из которых непрерывный, а другой — мерцающий, что позволяет речнику быстро встать в створ. Эту устройство особенно эффективно при плохих условиях освещенности, так как помогает легко обнаружить цель, а также увеличивает скорость работ при выносе точек в натуру.
Для связи с компьютером можно использовать несколько форматов передачи данных, что обеспечивает работу прибора с различным программным обеспечением. С использованием простого программного обеспечения, входящего в комплект тахеометра, данные могут загружаться из компьютера в электронный тахеометр.
Как и цифровые теодолиты, электронные тахеометры снабжены двухосевыми датчиками угла наклона, работающими в диапазоне 3'—5'. Двухосевой датчик наклона автоматически отслеживает наклон инструмента по осям X и У, а поправки в отсчеты по вертикальному и горизонтальному кругам вводятся автоматически. В результате упрощается и ускоряется процесс приведения прибора в рабочее положение (приведение вертикальной оси вращения алидады в вертикальное положение). Функция исправления коллимационных ошибок автоматически вводит коррекцию в измеряемые направления. По этой причине угловые измерения можно выполнять при одном положении круга без снижения точности результатов измерений. Они снабжены оптическим или лазерным центриром.
Современные электронные тахеометры имеют водостойкую защиту, обеспечивающую бесперебойную работу прибора при условии повышенной влажности. Стандартная рабочая температура для электронных тахеометров составляет от -20 °С до +-50 °С. Для низкотемпературных модификаций приборов рабочий диапазон температур составляет от -30 °С до +50 °С.
Таким образом, современные электронные тахеометры являются всепогодными, так как работают в условиях экстремальных температур и повышения влажности.
6. Поверки
Электронный тахеометр, как любой геодезический прибор, должен быть поверен и отъюстирован перед производством работ. Учитывая совмещенность дальномерных и угловых измерений, в тахеометре должны выполняться геометрические условия взаимного положения оптико-механических и оптико-электронных осей. Поэтому полный набор поверок и юстировок проводится на специальных стендах или в сервисных центрах. Однако ряд основных поверок можно выполнить в полевых условиях. Более того, регулярное проведение некоторых поверок является обязательным, так как измерения электронным тахеометром проводятся при одном положении ВК прибора, а поправки за коллимацию, место нуля ВК и место нуля компенсатора наклона вертикальной оси автоматически вводятся в результаты измерений. Неучтенные изменения этих поправок приводят к снижению точности результатов измерений. Перед поверками необходимо внимательно изучить методику их проведения и юстировки по руководству к эксплуатации конкретной модели тахеометра.
В данном пособии приведены лишь основные поверки с их пояснением для модели SET30R, некоторые особенности будут указаны для тахеометров типа ЗТа5Р и TS3300.
1. Поверка уровней (круглого и цилиндрического) проводится аналогично теодолитам. Подъемными винтами пузырек уровня выводится в нуль-пункт, и верхняя часть прибора поворачивается на 180°. При отклонении пузырька проводится юстировка положения уровня соответствующими котировочными винтами на половину смещения пузырька.
2. Поверки сетки нитей зрительной трубы и равенства подставок выполняются аналогично теодолиту.
3. Поверка оптического центрира также проводится аналогично традиционным проборам, имеющим встроенный центрир. Тахеометр тщательно центрируют и горизонтируют над точкой, поворачивают алидаду на 180°. Точка должна остаться в центре сетки нитей центрира. При смещении сетки нитей с точки проводят юстировку юстировочными винтами центрира на половину смещения. После юстировки точка должна оставаться в центре сетки нитей оптического отвеса при любом повороте алидады.
4. Поверка компенсатора наклона вертикальной оси прибора. Тщательно горизонтируют прибор с помощью подъемных винтов по цилиндрическому уровню. По горизонтальному кругу устанавливают нулевой отсчет нажатием клавиши Уст 0. В режиме конфигурации входят в строку КОНСТАНТЫ ПРИБОРА, на появившемся экране входят в строку КОМПЕНСАТОР X Y и нажимают ENTER. На экране выдаются скомпенсированные автоматически угловые отсчеты по оси X. (направление визирования) и по оси У, (ось вращения зрительной трубы). Верхнюю часть прибора поворачивают на 180°, снова выводятся на экран скомпенсированные угловые отсчеты Х2, Yr Берут их среднее значение, которое принимают за место нуля компенсатора:
Эти значения не должны превышать по модулю 20". Юстировка их проводится при КЛ нажатием соответствующей экранной клавиши, после чего поверку повторяют.
5. Определение коллимационной ошибки и места нуля вертикального круга. Перед поверкой необходимо тщательно отгоризонтировать тахеометр по цилиндрическому уровню. Для визирования выбирают устойчивую четкую точку, удаленную примерно на 100 м, угол наклона на нее не должен превышать ± 9°. В приборе устанавливают режим юстировок (поправок).
Поправки за коллимацию (с) и место нуля (МО) вертикального круга следует вводить при КЛ, поэтому их определение лучше начинать с наблюдений при КП. Точно визируют на выбранную точку, нажимают клавишу измерений. Операции повторяют при другом положении зрительной трубы (КЛ) прибора. Значения с и МО ВК выдаются на экран. С помощью экранных клавиш их можно ввести в память прибора.
Следует отметить, что текущие значения поправок с; МО ВК; МОХ; MOY можно определять одновременно, используя виды экрана для их вывода на дисплей, а при юстировке — свои экранные клавиши для их ввода в прибор.
6. Определение постоянной поправки (К) дальномера электронного тахеометра. У современных тахеометров установлено значение К - 0. Однако ее изменение приводит к систематическим погрешностям в расстояниях. Поэтому постоянную поправку прибора рекомендуется регулярно контролировать. Постоянную поправку дальномера не следует путать с постоянной поправкой отражателя, которая вычисляется по геометрическим размерам призмы, типу стекла и положению вертикальной оси отражателя. Так, постоянная призмы тахеометра Trimble составляет 35 мм, тахеометров SET — 30 мм (призмы APOlS+APOl), тахеометров типа ЗТа5 — 0 мм. Все дальномеры одной серии согласованы с отражателями, входящими в их комплект, так, что постоянная прибора К = 0. Использование отражателя другой серии или модели меняет эту постоянную за счет отражателя. Однако она может изменяться с течением времени и независимо от отражателя.
Чаще всего постоянную поправку дальномера определяют на базисах, длина которых известна. При этом
(1)
где В — эталонное значение длины линии;D — измеренное тахеометром значение длины линии. Такие измерения выполняют с перестановкой прибора в пределах фазового цикла.

Рис. 17. Безбазисный способ определения постоянной поправки дальномера
При отсутствии базисных линий К определяют из измерений трех отрезков на прямой АВ (рис. 17), такой способ называется безбазисным.
На ровной местности выбирают две точки А и В на расстоянии примерно 100 м, их закрепляют устойчивыми точками. Тщательно центрируют над ними прибор и отражатель, измеряют расстояние DhB
. В створе линии АВ выставляют по зрительной трубе точку С, центрируют над ней штатив. На него переносят тахеометр, а над точками A иB устанавливают отражатель. Измеряют отрезки DCA
и Dсв
. Для исключения погрешности центрирование рекомендуется использовать трехштативную систему наблюдений. Из соотношения:
(2)
Следует:
(3)
Измерения проводят несколько раз и берут среднее значение K. Можно использовать несколько точек С.
Если точка С не выставлена в створ, то на нее стоит измерить горизонтальные уголы 

Рис. 18. Линейно угловые измерения для определения K.
Тогда для вычисления линейно угловой невязки предлагается формула
(4)
Погрешность определения поправки К по формуле (3) составляет , где mD — СКП линейных измерений тахеометром. Расчеты показывают, что при смещении от створа м и СКП угловых измерений 5" влиянием угловых измерений на точность определения К в формуле (4) можно пренебречь. Если применение формулы (3) требует построения створа и центрирования прибора и отражателя над точками А, В и С, то применение формулы (4) не требует построения створа и, следовательно, центрирования. Достаточно выставить два штатива, выбрать точку С, задавая створ приближенно. Измерений с точки С можно выполнять несколько. Но число переходов с прибором уменьшится, если между приемами переставлять точку В. Это позволит определить поправку дальномера n раз и обеспечить требуемую точность ее контроля.
У некоторых электронных тахеометров (например, ЗТа5) используется для определения постоянной поправки дальномера специальный блок контрольного отсчета (БКО). Он надевается на объектив зрительной трубы до упора и тахеометром измеряется расстояние без выхода сигнала на дистанцию. Для этого через МЕНЮ входят в РЕЖИМ Т, на появившемся экране выбирают строку КОНТР. ОТСЧЕТ, нажимают клавишу ИЗМЕР. Полученное контрольное расстояние высвечивается на экране прибора. По нескольким измерениям выводят среднее значение и сравнивают с паспортным контрольным отсчетом.
Юстировку поправки выполняют, если К превышает ±3 мм по нескольким определениям. Юстировка выполняется в сервисных центрах. В некоторых моделях тахеометров предусмотрен ввод нового значения постоянной К.
7. Определение постоянной поправки отражателя выполняется, если в работе применяется отражатель другой фирмы или типа. Для этого измеряют одно и то же расстояние с отражателем, входящим в комплект прибора (D0), и с новым отражателем (D,). Постоянная поправка отражателя вычисляется по формуле:

Измерения проводят несколько раз, вычисляют среднее значение поправки, которое вводится для измерений на новый отражатель в виде дополнительной поправки.
8. Рабочая ось электронного дальномера должна совпадать с визирной осью зрительной трубы. Если центр сетки нитей трубы навести на центр отражателя, то максимальный сигнал с дистанции должен поступать от этой же точки. Установить, выполнено ли это условие, можно путем наведения на центр отражателя, удаленного от тахеометра не менее чем на 50 м. После точного наведения на цель проверяют уровень отраженного сигнала прибора, включив режим измерения расстояний с индикацией уровня сигнала. Наводящими винтами плавно перемещают сигнал по отражателю вверх — вниз и вправо — влево. Находят положение, при котором уровень индикации отраженного сигнала, выдаваемый на дисплей, будет максимальным. В зрительную трубу определяют, на сколько положение сетки нитей при этом сместилось с центра отражателя. Если центры визирования и максимума дальномерного сигнала не совпадают, необходима юстировка оптико-электронных каналов дальномерной части тахеометра, которая проводится на специальных стендах сервисных центров.
9. Рабочая ось указателя створа должна совпадать с визирной осью зрительной трубы тахеометра.
Указатель створа применяется при разбивочных работах и других операциях. Он представляет собой источник излучения, обеспечивающий видимый луч. У тахеометров SET излучение осуществляется в двух диапазонах частот видимого спектра: красном и зеленом. Рабочая ось указателя створа проходит по разделительной линии между красным и зеленым цветом видимого луча. Для подключения указателя необходимо в режиме конфигурации тахеометра установить параметр ИЗЛУЧЕНИЕ на значение СТВОР.
Для поверки тщательно наводят сетку нитей трубы на центр отражателя, установленного примерно в 20 м от прибора. Включают указатель створа, устанавливают нулевой отсчет по ГК. Глядя в зрительную трубу, убеждаются, что линия разделения между красным и зеленым цветом совпадает с вертикальной осью отражателя. Наводящим винтом слегка поворачивают алидаду до тех пор, пока в отражении не станет виден только зеленый (и в противоположную сторону — только красный) цвет излучения. Снимают отсчет по ГК в этих положениях.
Если разность отсчетов по ГК превышает 1' (или после наведения на центр отражателя был виден один цвет), проводят юстировку. Вращая юстировочный винт указателя створа, смещают положение разделительной линии излучения до совмещения с положением вертикальной нити сетки трубы тахеометра, наблюдаемой на отражателе. После юстировки поверку повторяют.
7. Методика подготовки прибора к работе, технология и условия работ
Работы на объекте начинают с получения технического задания,анализа топографо-геодезической изученности территории,системы координат, требуемой точности работ. Проводитсярекогносцировка и обследование пунктов ОГС, составляетсяпроект работ. Определяется ПО, на основе которого будетпроводиться обработка результатов.
Составляется каталог координат существующих пунктов ОГС.Подготовка тахеометра к работе включает:
- поверки и юстировки прибора, оптического центрира дляотражателя, уровня на вехе для призмы;
- комплектование оборудования в зависимости от длин линий,применяемых отражателей и вида работ;
- зарядку аккумуляторов;
- в режиме памяти выбор файлов исходных данных и файлов длязаписи результатов измерений;
- ввод каталога координат с компьютера в файл исходных данныхпамяти тахеометра;
- очистку рабочих файлов от старой информации.
Если обработка будет выполняться после полевых измерений, токаталог исходных пунктов можно ввести при обработке и втахеометр не вводить.
Работу на станции начинают с установки и приведения прибора в рабочее положение. Для этого штатив над точкой ставят по отвесу, вдавливают его ножки, регулируя их высоту, чтобы головка штатива была горизонтальной. Тахеометр ставят на штатив, закрепляют становым винтом. Проводят окончательное центрирование и горизонтирование прибора с помощью встроенного оптического центрира, подъемных винтов, уровня. Измеряют высоту тахеометра от марки центра пункта до метки высоты прибора. Она должна измеряться до миллиметра, поэтому используют выдвижную веху с миллиметровыми делениями. Её вставляют в отверстие в подставке (предварительно вынув тахеометр из подставки) до упора в марку, измеряют высоту верха подставки и к ней прибавляют стандартную высоту прибора.
При прокладке ходов полигонометрии используют трех- штативную систему, если это позволяют подставки (трегеры) под отражатель, входящие в комплект прибора. В этом случае штативы устанавливают над точкой начального ориентирования (пункт ОГС) и над следующей за станцией точкой хода (рис.19.). Подставки центрируют и горизонтируют но оптическому центриру. Отражатели направляют на тахеометр, измеряют высоту до центра отражателя

Рис. 19. Ход полигонометрии
Для съемки, прокладки теодолитного хода, построений засечками призму отражателя можно устанавливать на веху, которая в отвесное положение приводится по круглому уровню. Для привязки к пунктам ОГС ось вехи отражателя устанавливают над центром марки пункта. Если проводится только угловая (азимутальная) привязка к пункту ОГС, для этого достаточно поставить на веху визирную марку без отражателя. Её можно использовать в безотражательном режиме для измерения коротких расстояний.
Основные методы работы с электронными тахеометрами являются общими для большинства моделей и конкретизируются в соответствии с их возможностями, внутренним программным обеспечением, функциями клавиш. Поэтому производство измерений рассмотрим на базе SET030R.
Прибор включают, он автоматически проводит самодиагностику и просит ввести пароль. Появляется режим статуса, из которого входят в режим конфигурации, если требуется ввести константы прибора и условия наблюдений. Затем устанавливают экран измерений. Сначала вводят в прибор данные о станции. Для этого активизируют клавишу ЗЛП режима измерений, появится экран ЗАПИСЬ с указанием номера рабочего файла и названием данных. Выбирают курсором строку ДАННЫЕ О СТАНЦИИ, нажимают ENTER, в появившемся окне нажимают клавишу РЕДКТ. Для ввода в обозначенные строки набирают следующие данные:
- Имя точки (Т);
- Высота инструмента (Выс И);
- Код станции;
- Оператор;
- Дата;
- Время;
- Погода (ясно, облачно, пасмурно, дождь и т. д.);
- Ветер (нет, легкий, сильный, умеренный н др.);
- температура;
-Давление;
- Атмосферная поправка.
Набранные значения проверяют, нажимают клавишу ДА, данные будут введены. Нажимают ESC для возвращения в экран ЗАПИСЬ и регистрации результатов измерений. Атмосферную поправку вводят только при высокоточных измерениях, в остальных случаях она принимается по умолчанию нулевой, а температура и давление — стандартными.
Измерения начинают с визирования на пункт начального ориентирования. Наводящими винтами трубы и алидады совмещают изображение центра сетки нитей с центром визирной марки или отражателя, проценгрированных над пунктом.
Для измерения и записи результатов в указанный рабочий файл проводят следующие операции.
В экране ЗАПИСЬ курсором выбирают УГЛЫ, нажимают клавишу ESCдо возвращения в журнал измерений. В нем нажимают клавишу Уст 0, когда она будет мигать, нажимают повторно. Будет выставлен нулевой отсчет по ГК на начальное направление. Нажимают клавишу ЗАП.
В экране ЗАПИСЬ выбирают РАССТОЯНИЯ. Через ESC возвращаются в экран измерений, нажимают клавишу РАССТ. На экране отобразятся: наклонное расстояние S, вертикальный угол Z, отсчет но ГК (см. рис. 3.11).
Нажимают клавишу ЗАН, затем РЕДКТ. В появившемся трафарете набирают: Т — имя (номер точки); ВЫС Ц. — высоту цели; код точки, если используется кодирование. Набранные данные проверяют. Они будут введены после нажатия ДА.
Визируют на переднюю точку хода. В экране ЗАПИСЬ выбирают РАССТОЯНИЯ, проводят измерения (клавиша РАССТ экрана измерений). Нажимают клавишу ЗАП, затем РЕДКТ. Набирают имя точки визирования, высоту цели, код точки.
Для повышения точности угловые измерения в ходе полигонометрии можно провести несколькими приёмами, Например способом повторений Войти в этот режим можно, нажав МЕНЮ экрана измерений и в появившемся экране активизировав
ПОВТОРЕНИЯ. После установки нуля на начальное направление нажимают клавишу ДА, визируя на другую цель, нажимают ДА, вновь на начальное направление - ДА. другую цель — ДА и т. д. На экран после нажатия клавиши ОТМ выдается суммарное значение угла из n повторений, число п, средний угол из п приемов.
Проводят с этой же станции съемку пикетов или иных точек объекта полярным способом. Для записи в рабочий файл однотипных точек, когда высота отражателя постоянна, а номер точек можно автоматически у величина! на единицу, используют режим записи АВТО. Для его активизации в экранах ЗАП/'РАССТ и ЗАП/ УГЛЫ нажимают клавишу АВТО. Веху с отражателем ставят на первый снимаемый пункт, визируют на него, нажимают клавишу РАССГ, вводят его номер. Номера остальных точек будут увеличены на единицу автоматически.
Измерения пунктов можно выполнять в режиме координат, нажав клавишу КООРД экрана измерений. В этом ре жиме также действует запись АВТО. Однако для ./того режима предварительно должны быть введены (или извлечены из файла исходных данных) координаты cтанции и точки начального ориентирования. Следует иметь в виду, что допущенные ошибки в координатах исходных точек в "том режиме войдут в координаты всех снятых пикетов.
Переходят на следующую станцию. При трехштативной системе основание прибора вынимают из подставки и ставят вместо него визирную марку с отражателем, а прибор — в подставку бывшей передней точки хода. Штатив с задней точки переносят вперед на следующую за новой станцией переднюю точку. При отсутствии трехштагивного комплекта центрнрование всех точек новой станции проводит внов". Измерения v. запись в файл на новой станции приводят аналогично. При прокладке хода горизонтальные углы измеряют все правые или левые по ходу. Из построения хода электронным тахеометром определяются не только координаты, но и отметки пунктов методом тригонометрического нивелирование.
Съемку электронным тахеометром можно проводить с точки свободной станции, если с нее есть прямая видимость на два и более пункта ОГС. В этом случае координаты станции определяются из обратной линейно-угловой засечки. Режим обратной засечки предусмотрен во всех моделях электронных тахеометров. Определения выполняются и обратной угловой засечкой, при этом наблюдаться должны три и более исходных пункта. Из засечки определяется также отметка станции.
В тахеометрах SF.T 030 для входа в режим обратной засечки следует нажать клавишу МЕНЮ экрана измерений, выбрать строк)' ОБРАТНАЯ ЗАСЕЧКА. После нажатия клавиши СЧИТ можно вызнать и считать координаты пунктов ОГС из файла исходных данных, перемещая курсор на нужные точки каталога. Для ввода их с:клавиатуры нажимают клавишу РЕДКТ. После набора координат одной точки ОГС нажимают клавишу "-"> п переходят к набору следующей точки. После ввода координат всех исходных точек нажимают клавишу ИЗМЕР. Визируют на первую известную точку, нажимают РАССТ (или угол в угловой засечке), результаты измерений появятся на экране. Нажимают клавишу ДА, вводят высоту цели. Аналогично наблюдают остальные исходные пункты. После окончания наблюдений нажимают клавишу БЫЧ для автоматического запуска вычислений. Запись результатов измерений выполняется нажатием клавший ЗАП.
Точность определения координат из обратной засечки зависит от геометрии построения, а при плохой геометрии засечки решение задачи может оказаться практически невозможным. Таким является настолько близкое расположение двух исходных точек, что горизонтальный утл между направлениями на них будет недопустимо мал. В этом случае необходимо использовать другие или дополнительные исходные пункты. Неблагоприятной также является геометрия угловой засечки, если станция и три известных пункта лежат на одной окружности. После измерений на исходные пункты засечки можно выполнять тахеометрическую съемку пикетов (рис. 3.15).
Для проведения съемки электронные тахеометры имеют ряд дополнительных режимов. Рассмотрим основные из них.
Безотражательный режим применяется, если установка отражателя на снимаемую точку затру длена или невозможна, но точка видна. Для его запуска в экране измерений на 2-й странице нажать клавишу ДЛН, войти в строку ОТРАЖАТЕЛЬ, нажать клавишу РЕДКТ, значение параметра установить НЕТ (без отражателя). В безотражательном режиме так как при этом высота визирования на снимаемой точке не измеряется, и вычислить отметку этой точки нельзя. Съемку в безотражательном режиме можно выполнить одним оператором без реечннка.
Измерения со смещением применяется, если снимаемый пике! со станции не виден. Тогда выбирают сто смещенное положение, которое снимают, и измеряют величин)- смещения. Смещение может выполняться вправо или влево or снимаемой точки по перпендикуляру к линии визировании на смещенное положение, а также вперед и назад по линии визирования Выбрав смещенную точку, устанавливают на ней отражатель, измеряют величину смещения. Визируют на смещенную точку, нажимают в экране измерений РАССТ, результаты появятся на экране. Нажимают клавишу СМЕЛ!, в появившемся экране выбирают строку СМЕЩ/РАССТ, нажимают клавишу РЕДКТ для ввода в трафарет экрана следующих значений: РАССТ — горизонтальное проложение смещения; ОТРАЖ — положение отражателя ("-" — слева, "+" — справа от измеряемой точки, "+" — ближе, "-" — дальше измеряемой точки). После нажатия клавиши ДА на экран выводится расстояние и углы на снимаемую (несмещенное положение) точку. Результаты измерений можно вывести на экран в координатах. Однако следует учесть, что отметка будет определена для смещенной точки.
Определение высоты недоступного объектаприменяется при высотной съемке точек, расположенных за пределами безотражательного режима измерений, а установка на них отражателя недоступна. Для съемки в этом режиме отражатель устанавливают под (или над) снимаемой точкой объекта, измеряют его высоту. После ввода в прибор высоты отражателя визируют на него, нажимают клавишу РАССТ. На экране появятся измеренные до отражателя 5, Z, Гу. Далее наводят на снимаемую точку объекта, нажимают клавишу ВНО. На экран будут выведены: ВЫС,S, Z, Гу, где ВЫС — высота определяемой точки над точкой объекта (земли), на которой стоит отражатель.
8. Заключение
В настоящее время на рынке имеется широкий выбор электронных тахеометров, выпускаемых разными фирмами, в числе которых Уральский оптико-механический завод (Россия), Sokkia
(Япония), Trimble
(США), Leica
(Швейцария) и др. Характеристики приборов разных марок различаются. Средние квадратические погрешности измерения углов тахеометров лежат в пределах от 1² до 6². Максимальные дальности измерения расстояний на однопризменный отражатель до 5000 м. При этом, точность измерений в среднем характеризуется ошибкой 2 мм + 2´10-6
D
, где D
– расстояние. Многие из электронных тахеометров позволяют измерять расстояния без отражателя. Дальность таких измерений меняется в разных приборах в пределах 70 – 700 м.
Использование электронных тахеометров значительно повышает производительность труда, упрощает и сокращает время на обработку результатов измерений, исключает такие ошибки исполнителя, которые имеют место при визуальном взятии отсчетов, при записи результатов измерений в журналы, в вычислениях. При работе с электронным тахеометром отпадает необходимость иметь калькулятор для выполнения полевых вычислений.
В будущем развитие тахеометров будет происходить исходя из следующих концепций
- Увеличение скорости работы
- Полнейшая автоматизации работ
- Увеличение надёжности прибора
- Возможность работать при различных погодных условиях
- Увеличение точности работ
- Уменьшение веса приборов
В будущем геодезист будет стоять ха прибором наблюдая не в зрительную трубу, а на экран портативного компьютера, наводя прибор через него. Уже сейчас с помощью видеокамеры, встроенной в тахеометр, это возможно, но такие технологии пока ещё дороги, и не получили широкого распространения в нашей стране, точно так же как и роботизированные тахеометры. Но ещё лет 10 назад, геодезист, услышавший что все работы будут выполняться с помощью электронных тахеометров, только улыбался, а сейчас это действительность. Прогресс не стоит на месте, новые технологии активно внедряются в приборы. Сегодня успех фирмы зависит от приборов, которые там используются, а значит конструкторам таких фирм SOKKIA или LEICAвсегда будет чем заняться.
9. Список используемой литературы
1. "Спутниковые системы и электронные тахеометры" А.П. Ворошилов. "АКСВЕЛ" г. Челябинск. 2007 год.
2. "Современная геодезическая техника и её применение" В.Е. Дементьев "GAUDEAMUS" г Москва 2008 год.
3. Руководство по эксплуатации электронного тахеометра серии GPT 3000Геодезическое инструментоведение
4. Руководство к электронному тахеометру Leica TPS 800
5. Руководство к тахеометру Nikon NPR-332, NPR-352, NPR-362
6. "Геодезические приборы" Карсунская М.М. Москва.2002 год.
7. "Геодезия" Маслов А.В. Гордеев А.В. Батраков Ю.Г.
8. "Как устроен системный тахеометр "Carl Zeiss" серии S" Ковалёв С.В. Журнал "ГИС-обозрение" 2'2001.
9. "Основы диагностики и ремонта электронных тахеометров" Ковалёв С.В. Журнал "Геопрофи" №2, 2004.
10. http://www.geodesylib.ru – геодезическая интернет энциклопедия
11. http://www.geo-book.ru/ - геодезическая интернет библиотека
12. http://vkontakte.ru/club17623 - группа в социальной сети "Вконтакте" посвящённая геодезии и всему что с ней связано.
13. http://kupper.ru – сайт фирмы Ковалёва С.В.
|