Курсовая работа: Радіотехнічні системи залізничного транспорту
|
Название: Радіотехнічні системи залізничного транспорту Раздел: Рефераты по коммуникации и связи Тип: курсовая работа | |||||||||||||||||||||||||
Міністерство транспорту і зв’язку України Державний економіко-технологічний університет транспорту Кафедра: “телекомунікаційних технологій і автоматики” Курсовий проект із дисципліни «Радіотехнічні системи залізничного транспорту» Виконав : студент групи 4-АТЗ Заславський М.О. Шифр: 683 Перевірив : Пасічник Л.П. Київ 2010 Зміст проекту Вступ 1. Завдання№1: «Розрахунок параметрів технологічної мережі станційного радіозв’язку» 1.1 Визначення висоту установки станційної антени РС для заданої дальності зв'язку РС-РВ 1.2 Розрахунок дальність зв'язку РС-РН 1.3 Розрахунок дальність зв'язку РН-РС 1.4 Розрахунок дальність зв'язку РВ –РВ 1.5 Розрахунок дальність зв'язку РН-РН 2.Завдання №2 3.Завдання № 3 4.Завдання № 4 5.Завдання № 5 Список використаної літератури Вступ Сучасний розвиток засобів зв’язку робить все життя залежним від обміну інформацією між суб’єктами і об’єктами управління і надання послуг. Значну роль в зв’язку відіграють радіотехнічні системи, що дозволяють забезпечити зв'язок з рухомими об’єктами або оперативно організувати зв'язок між стаціонарними абонентами. На початку ХХI відбувається прогрес в розвитку можливостей радіозв’язку і він отримує найбільше розповсюдження і впровадження в усіх областях людської діяльності. На залізничному транспорті неможливо собі уявити управління локомотивами і потягами без надійного і оперативного радіозв’язку. Перспективи розвитку і застосування засобів радіозв’язку теж величезні, особливо з врахуванням нових цифрових технологій і використання високочастотного ресурсу. Постійно зростаючі по складності задачі по забезпеченню безпеки руху поїздів, вимоги щодо організації каналу взаємодії з рухомими об'єктами для побудови систем автоматичного управління рухом, зокрема вимоги “Багаторівневої системи управління і забезпечення безпеки руху поїздів”, визначають необхідність використання на залізничному транспорті цифрових радіостанцій і систем радіозв'язку. Вибір напрямів розвитку технологічного радіозв'язку в цій області залежить від багатьох чинників, у тому числі від наявних можливостей по частотному ресурсу, допустимих об'ємів фінансування за проектом і термінів його окупності, початкових експлуатаційно-технічних вимог систем управління за швидкостями і об'ємом передаваємої інформації і ряду інших. Фахівці залізничного транспорту вже давно усвідомили необхідність переходу до систем цифрового радіозв'язку. На даний час найбільш поширеними стандартами цифрового технологічного радіозв'язку є TETRA, GSM-R, CDMA. 1. Завдання №1: «Розрахунок параметрів технологічної мережі станційного радіозв’язку» 1 Визначити висоту установки станційної антени РС для заданої дальності зв'язку РС-РВ. 2 Розрахувати дальність зв'язку РС-РН. 3 Розрахувати дальність зв'язку РН-РС. 4 Розрахувати дальність зв'язку РВ -РВ. 5 Розрахувати дальність зв'язку РН-РН. Вихідні дані: Технологічна мережа - радіозв’язок пункту технічного огляду (ПТО); Ділянка залізниці на станції - не електрифікована; Надійність зв’язку - 60%; Антенно-фідерний пристрій - кабель типу РК-50-4-13; Загасання кабелю - Хвильовий опір фідера - Висота антени локомотивної станції РВ - h2 = 5 м; Висота антени переносної радіостанції РН - h2 ² = 1,5 м; Довжина фідера стаціонарної антени – l1 (h1 ≤ l1 ≤ 2h1 ) Довжина фідера локомотивної антени - l2 ¢ = 4 м; Довжина фідера переносної радіостанції - l2 ² = 0 м; Тип антени РС станційної радіостанції - АС-6/2; Коефіцієнт підсилення антени РС-
Тип антени локомотивної радіостанції РВ - АЛП/2,3 (G2 = 0 дБ); Коефіцієнт підсилення антени переносної радіостанції - G2 = -2 дБ; Траса для переносної радіостанції – траса відкрита; Тип і потужність радіостанцій РС, РВ, РН –
РС -
радіостанція типу ЖРУ -
Радіозв`язок ПТО: РС = 1- 2, РВ =?, РН = 4- 12, дальність РС-РВ = 5 км. 1.1 Визначення висоти установки станційної антени РС для заданої дальності зв'язку РС-РВ Визначимо мінімально допустимий рівень сигналів на вході приймача, виходячи з умов електрифікації ділянки залізниці: - Ділянка не електрифікована На границі зони обслуговування (при максимальній дальності зв’язку) напруга на вході приймача
де a1 , a2 – коефіцієнти загасання приймального кабелю у фідері;
G1 , G2 – коефіцієнти підсилення антен відповідно передавальної і приймальної; Вк – коефіцієнт, що враховує додаткове ослаблення напруженості поля контактною мережею на електрифікованих ділянках Вк = 8 дБ; Вл – коефіцієнт, що враховує додаткове ослаблення напруженості поля через вплив кузова (для зв’язку з РВ) Вл = 9 дБ; Ві – коефіцієнт, що враховує інтерференційні завмирання (флуктуації) сигналів в каналах станційного радіозв’язку і залежний від прийнятої надійності каналу по полю, визначається по графіку функції розподілу рівнів напруженості поля: крива 1 – для автономної тяги, крива 2 – для електрифікованих ділянок. радіозв’язок залізничний антена радіостанція
Рисунок 1 – Графіки залежності коефіцієнта Ві від надійності зв’язку. Виходячи з графіку Ві = -1дБ; Вм
– коефіцієнт, що враховує відмінність потужності приймального передавача в системі «Транспорт» від 12 Вт. Для РС ЖРУ і «Транспорт» Вм
= 0, для одноватних передавачів радіостанцій РН ВR – коефіцієнт, що враховує відмінність вхідного опору приймача – R2 від 75 Ом, принятих за основу при розрахунках:
Вr – коефіцієнт, що враховує неспівпадання значень вхідного опору передавача радіостанції і хвильового опору фідера :
Вh –коефіцієнт ослаблення поля, що враховує низьке розташування антен носимих радіостанцій РН. Використовується тільки при h1 h2 < 25 м2 . Оскільки передбачимо, що h1 >5 м, то Вh = 0дБ;
Таблиця.
Виходячи з того, що ділянка не електрифікована і траса відкрита, Тоді напруга на виході передавача:
По наступним графікам визначаємо криву h1
h2
на перетині дальності зв’язку r @ 6 км (шкала осі абсцис) і
Рисунок 2 - Залежність дальності радіозв’язку від висоти установки антен. Отже, вибираємо h1
h2
=150 м2
.Так як h2
= 5 м, то h1
= 1.2 Розрахунок дальності зв'язку РС-РН Дано: h1
=15 м, h2
= 1,5 м,l1
= 20 м, l2
= 0 м, G1
= 3 дБ, G2
= –
2дБ,Bк
= 8 дБ, Ві
= -7дБ, Вм
= 0,BR
= -1,8 дБ,Br
= 0 дБ,Bh
= 0 дБ, Тоді h1 h2 = 22,5 м2 . По графіках (рис.2) знаходимо дальність зв’язку Д @ 4 км. 1.3 Розрахунок дальності зв'язку РН-РС Коефіцієнт Вм
= 11 дБ, так як потужність передавача РН складає 1 Вт. Тоді 1.4 Розрахунок дальності зв'язку РВ-РВ Дано: h1 = h2 = 5 м, l1 = l2 = 4 м, G1 = G2 = 0,5 дБ, Вл = 9 + 9 = 18 дБ (так как экранируются и приемная и передающая антенны), Ві = –7 дБ, Вм = 0 дБ, BR = Br = –1,8 дБ.
h1 h2 = 25 м2 , отже, дальність зв’язку Д @ 2 км. 1.5 Розрахунок дальності зв'язку РН-РН Дано: h1 = h2 = 1,5 м, l1 = l2 = 0 м, G1 = G2 = –2 дБ, Bк = 8 дБ, Вл = 0 дБ, Ві
= – 7 дБ, Вм
= 11 дБ, BR
= Br
= 0 дБ, Вh
=
По графиках (крива h1 h2 = 25 м2 ) знаходимо дальність зв’язку Д @ 0,4 км. Технологічні основи побудови радіомереж Залізничний технологічний радіозв'язок призначений для оперативного управління роботою залізничного транспорту, організації перевізного процесу, регулювання вантажопотоків, підвищення ефективності використання рухомого складу, забезпечення взаємодії підрозділів і служб залізниць.Розрізняють магістральну мережу зв'язку, дорожню мережу зв'язку і мережу станційного зв'язку. Станційний радіозв'язок (СРЗ) є комплексом пристроїв телефонного радіозв'язку, призначеного для службових переговорів. Залежно від технологічної потреби організовуються мережі маневрового радіозв'язку, радіозв’язку пунктів технічного обслуговування вагонів і локомотивів, радіозв'язку пунктів комерційного огляду вагонів, контейнерних майданчиків, бригад по обслуговуванню і ремонту технічних засобів СЦБ, зв'язку, доріг, контактних мереж і ін. Організація різних мереж станційного радіозв'язку залежить від призначення станції, її схеми і технічної оснащеності, видів технологічних процесів і прийнятого способу управління ними. Залежно від основного призначення і характеру роботи залізничної станції ділять на проміжні, дільничні, вантажні, сортувальні, пасажирські і технічні. На рис.3 приведена схема однобічної сортувальної станції з послідовним розташуванням парків прийому ПП, сортувального СП і відправлення ПВ. На схемі показані станційні парки, гора Г, горловина формування поїздів ГФ і основні службово-технічні будівлі різних служб (об'єднана технічна контора – ОТК). Станційна робота включає наступні основні групи операцій: технічний і комерційний огляди поїздових складів в парку прийому; маневрову роботу по розформуванню і формуванню поїздів; технічне обслуговування і ремонт вагонів і автогальм в парку відправлення.
Рис.4. Структурна схема супергетеродинного приймача ЧМ сигналів. На сортувальних станціях, як правило, базуються дистанції дороги (ПЧ), сигналізації і зв'язку (ШЧ), електропостачання і контактної мережі (ЕЧ), локомотивні (ТЧ) і вагонні (ВЧД) депо, відновні і пожежні поїзди, а також інші підприємства і формування, що забезпечують технічне обслуговування і ремонт пристроїв, аварійно-відновні і інші роботи. Ці підрозділи мають в своєму розпорядженні велику кількість рухливих одиниць спеціального і загального призначення: дрезини, мотовози, підіймальні крани, путні машини, спеціальні автомобілі і інші транспортні засоби. Поїзний радіозв'язок призначений для службових переговорів поїзного і локомотивного диспетчерів, чергових по станціях і інших працівників, пов'язаних з рухом поїздів, з машиністами локомотивів, а також машиністів зустрічних локомотивів між собою. Користуючись радіозв'язком, диспетчер може більш оперативно керувати рухом поїздів, передавати локомотивним бригадам вказівки про зміну швидкості, уточнювати місце розташування поїзда на перегоні, з'ясовувати причини його затримки і проводити інші заходи щодо введення в графік поїздів, що запізнюються. Чергові по станції можуть попереджувати машиністів про прийом поїзда на боковий путь, час відправлення поїзда зі станції, виникнення аварійної обстановки, що вимагає екстреної зупинки поїзда, і передавати інші повідомлення, сприяючи підвищенню оперативності роботи і безпеки руху поїзда на станціях і прилеглих перегонах. Вживання засобів радіозв'язку є найбільш ефективним способом передачі інформації при управлінні рухомими об'єктами в різних технологічних ланках. Завдання №2 Зобразити та описати функціональну схему радіоприймального пристрою згідно даних таблиці.
У процесі рішення задачі дати відповіді на наступні запитання : - переваги та недоліки даної схеми; - призначення кожного функціонального елемента; - накреслити з додержанням масштабу по частоті спектральний склад сигналу на вході та виході кожного функціонального вузла за умови, що із усього діапазону моделюючих частот має місце тільки найвища частота. Схема складається з таких основних частин: · антена − пристрій який перетворює енергію електромагнітного поля в енергію електричного високочастотного струму; · вхідне коло (Вх.Ц) − з’єднує антену з першим підсилювальним каскадом чи перетворювачем частоти. Основне призначення вхідного кола- виділення необхідної частоти та подавлення сигналів перешкод; · підсилювач високої частоти (УВЧ) − підсилювач призначений для покращення відношення сигнал / шум за рахунок підвищення рівня сигналу та здійснення частотної селекції; · перетворювач частоти (ПЧ) здійснює перетворення високочастотного сигналу в сигнал з проміжної частоти. Перетворювач складається зі змішувача (СМ) і гетеродина (Г); · змішувач
(СМ) − на його вхід подається напруга з частотою сигналу · гетеродин
(Г) − це малопотужний генератор високої частоти який генерує допоміжну частоту гетеродина ( · підсилювач проміжної частоти (УПЧ) − це каскади гетеродинного приймача, які забезпечують основне підсилення прийнятого сигналу до детектора і частотну вибірковість по сусідньому каналу; · частотний детектор
(ЧД) − це каскад радіоприймача, в якому здійснюється перетворення вхідного модульованого сигналу · підсилювач звукової частоти (УЗЧ) − забезпечує підсилення низько − частотного сигналу по напрузі та потужності; · відтворюючий пристрій − перетворювач низькочастотного електричного сигналу в звукові коливання (гучномовець). Супергетеродинний приймач складається з преселектора, що включає вхідний ланцюг і підсилювач радіочастоти (УРЧ). Вхідний ланцюг повинен забезпечити деяку частотну вибірковість до входу першого каскаду УРЧ з метою ослаблення сильних перешкод. УРЧ повинен забезпечити частотну вибірковість і посилення прийнятого сигналу, потужність якого на вході приймача на багато порядків менше тієї, яка необхідна для нормальної роботи відтворюючого пристрою приймача. Перетворювач частоти складається зі змішувача і гетеродина (СМ і Г). Гетеродин — це малопотужний автогенератор. Змішувач - це резонансний каскад. На вхід змішувача подається напруга з частотами сигналу fc і гетеродина fг. В результаті взаємодії двох напруг різних частот в спектрі вихідного струму змішувача з'являється багато комбінаційних частот, у тому числі і частота рівна різниці цих частот. Величина частоти цієї різниці має бути нижче або вище за частоту радіо-сигналу, але обов'язково вище за частоту модуляції, тому її називають проміжною - fпр. Проміжна частота може бути рівною: fпр = fг - fс, при fг> fс fпр = fс - fг, при fс> fг Відмітною особливістю приймача супергетеродина являється те, що незалежно від частоти сигналу, що приймається, проміжна частота постійна і вибирається так, щоб забезпечити найменші перешкоди від близько розташованих по частоті станцій і отримати необхідне посилення і вибірковість по сусідньому каналу Sск. На проміжну частоту налаштована резонансна система, включена у вихідний ланцюг змішувача, що дозволяє при відповідній смузі пропускання виділити напругу сигналу проміжної частоти. Отже, призначення перетворювача заключається в перетворенні частоти радіосигналу в іншу, проміжну частоту із збереженням закону модуляції. Підсилювач проміжної частоти приймача ЧМ коливань на відміну від приймача АМ коливань повинен забезпечувати посилення сигналів в порівняно широкій смузі пропускання в межах 150—200 кГц і тому в ньому має бути більше число каскадів, чим в звичайному вузькополосному підсилювачі проміжної частоти. Таким чином, в приймачі супергетеродина посилення здійснюється на трьох частотах: на радіочастоті, проміжній частоті і частоті модуляції.
У частотному детекторі сигнал, промодульований по частоті, перетвориться в сигнал, промодульваний по амплітуді, який потім детектується за допомогою звичайного амплітудного детектора. У сучасних приймачах ЧМ сигналів для частотного детектування широко застосовується так званий дробовий детектор. Основна перевага дробового детектора полягає в тому, що він не реагує на амплітудних зміни сигналу, а це дозволяє виключити з схеми приймача амплітудний обмежувач. Дії частотного детектора додатково пояснюються характеристикою, приведеною на рис. 5. Підсилювач звукової частоти (УЗЧ) доводить звуковий сигнал до рівня необхідного для відтворення. Переваги даної схеми : 1. Основною перевагою приймачів ЧМ коливань є їх висока завадостійкість. 2. Приймачі ЧМ коливань призначені для прийому сигналів в діапазоні ультракоротких хвиль і характеризуються широкою смугою пропускання високочастотного каналу. 3. Приймачі частотно-модульованих коливань в основному будуються за схемою супергетеродина, у складі якої на відміну від схем приймачів амплітудно-модульованих коливань є амплітудний обмежувач (коли потрібний) і частотний детектор. 4. Головна перевага супергетеродинного приймача полягає в тому, що він дозволяє забезпечити стійкий прийом слабких сигналів в умовах інтенсивних перешкод. 5. Вища чутливість (Uвхmin=0,1-450мкВ) і велика вихідна потужність супергетеродинного приймача відрізняє його від інших приймачів. Недоліки: 1.В першу чергу головним недоліком цієї схеми є велика складність і проблема в забезпеченні постійної проміжної частоти fпр.
Рис.6. Вісь частот, використовувана в роботі супергетеродинного ЧМ приймача. 2.Наявність паразитного додаткового каналу прийому, званого дзеркальним або каналом симетричної станції. Частота дзеркального каналу fзк відрізняється від частоти сигналу fc, що приймається, на подвоєне значення проміжної частоти. Таким чином, супергетеродинний приймач одночасно прийматиме радіостанції, що працюють на частотах fc і fзк симетрично розміщених відносно частоти гетеродина fг.
Рис.7.Спектральний склад сигналу: 1-ий графік – сигнал на вході преселектора; 2-ий – сигнал на виході перетворювача частоти (ПЧ); 3-ій – сигнал на виході УПЧ; 4-ий – сигнал на виході ЧД. Завдання №3 Скласти принципову електричну схему двокаскадного аперіодичного ПВЧ на польових транзисторах. У процесі виконання завдання дати відповіді на наступні запитання: - призначення підсилювача та основних елементів схеми ( - переваги даної схеми в порівнянні з другими схемами ПВЧ того ж діапазону хвиль, порівняння зробити за основними параметрами(вибірковість, коефіцієнт підсилення, вхідний опір, шуми).
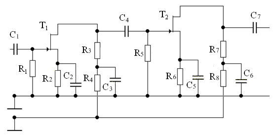
Рис.8. Принципова схема двокаскадного аперіодичного підсилювача ВЧ на польових транзисторах. Аперіодичні підсилювачі високої частоти (УВЧ) використовуються для збільшення чутливості простих радіоприймачів, що мають малий рівень шумів. Включаються такі підсилювачі на вході приймача або перед перетворюючим каскадом. УВЧ відрізняються простотою схеми і конструкції. Окрім збільшення чутливості всього приймального пристрою в супергетеродинних приймачах підвищується ефективність роботи перетворювача частоти і зменшується паразитне випромінювання гетеродину в антену. Аперіодичний підсилювач може бути виконаний як на лампах, так і на транзисторах. Він повинен забезпечити посилення сигналу не менше чим в 3 — 4 рази у всьому робочому діапазоні частот приймача. Навантаженням УВЧ служать резистори або котушки індуктивності (високочастотні дроселі). Використання автоматичного регулювання підсилення (АРУ) дозволяє уникнути перевантажень приймача при прийомі сигналів місцевих або близько розташованих потужних радіостанцій. Якщо на вході УВЧ включений коливальний контур і подібний контур є на вході приймача супергетеродина то збільшується не лише чутливість всього приймального пристрою, але і вибірковість по дзеркальному каналу. Крім того, покращується співвідношення сигнал/шум. Принципова схема двокаскадного аперіодичного підсилювача УВЧ приведена на рис. 8. Підсилювач зібраний на польових транзисторах Т1 і Т2 з р — n переходом і каналом n типа. Польові транзистори відрізняються високим вхідним опором і малим рівнем шумів, що дозволяє значно поліпшити характеристики всього приймального пристрою, в склад якого входить подібний УВЧ. В схемі присутні розподільчі конденсатори Ср і резистори R призначені для подачі напруги зміщення на затвор, а також елементи ланцюга живлення Cs Rs та Cf Rf . Необхідний режим роботи транзисторів Т1 ,Т2 забезпечується включенням в ланцюг витоку резисторів Rs . Останні по змінній складовій напруги заблокований конденсаторами Сs . Переваги даної схеми: 1. Основна заслуга УВЧ - у величезному придушенні паразитних каналів прийому - більше 100 дБ. 2. Використовуючи великий вхідний опір ПТ, можна збільшити коефіцієнт передачі і істотно понизити коефіцієнт шуму в УВЧ. 3. Перевагою вживання польових транзисторів в підсилювачах є також їх стійкість в разі відключення антени або навантаження. Завдання № 4 Визначити дальність поїзного диспетчерського радіозв’язку в гектометровому діапазоні при використанні стаціонарних антен на дільниці з електричною тягою змінного струму. Зв'язок організовано за допомогою Г-подібної антени висотою h. Окрім антени до радіостанції підключена направляюча лінія. У каналі зв’язку використовуються радіостанції 43РТС-А2-ЧМ та 42РТМ-А-ЧМ. Дані: h = 30 м, Pn = 8 Вт. Параметри ґрунту : - діелектрична проникність – 4; - провідність – 10-3 1/Ом. м. Розв'язок Для розрахунку дальності зв’язку r при використанні стаціонарних антен визначаються мінімально допустима напруженість поля сигналу Едоп , яку необхідно мати в місці прийому, і напруженість поля Еа , що створюється антеною в залежності від відстані між антеною і місцем прийому: Едоп = Ки . Кдоп . Еп . Виходячи з того, що на ділянці використовується електрична тяга змінного струму, маємо: Ки = Кдоп = 2; Еп = 80 мкВ(38 дБ); Отже, Едоп = 1520 мкВ/м. Еа
= де Ра – потужність, що підводиться до антени;
D – коефіцієнт направленої дії антени відносно ізотропного випромінювача, в = 1.5; W – множник ослаблення. Значення r визначається з формулі для Еа , оскільки Едоп = Еа . Проте з достатньою для практики точністю r можна визначити по графікам в залежності від параметрів ґрунту і значення Едоп . Так як графіки побудовані для значень Значення де Р – вихідна потужність, рівна 8 Вт для радіостанцій 43РТС-А2-ЧМ та 42РТМ-А-ЧМ; аф - загасання фідера; l ф - довжина фідера; асу - загасання, що вноситься пристроєм, що погоджує, рівне 1,5 дБ.
Отже, Дальність зв’язку при використанні стаціонарних антен складе 3.8 км. Завдання № 5 Поясніть особливості розповсюдження гектометрових хвиль. Наведіть схему Г-подібної антени, покажіть розповсюдження струму і напруги. Визначте діючу висоту антени - - Особливісті розповсюдження гектометрових хвиль Для встановлення стійкого радіозв'язку треба правильно вибрати діапазон використовуваних частот. Відстань, на якій можливе здійснення радіозв'язку, залежить від вибраної частоти, потужності передавача, типа і розміщення антенної системи, чутливості приймача, умов поширення радіохвиль. Основним чинником, що визначає дальність зв'язку, є вибрана частота (довжина хвилі). Гектометрові хвилі отримали широко використовуються в радіомовленні. До них відносяться радіохвилі довжиною від 100 до 1000 м і діапазоном радіочастот 300-3000 кГц. Здібність поверхневої хвилі до дифракції виражена слабше, ніж на кілометрових хвилях. У цьому діапазоні в денний час в основному зв'язок здійснюється поверхневими хвилями. Ці хвилі значно поглинаються Землею, і зв'язок обмежується до декілька сотень кілометрів. Просторові хвилі майже повністю поглинаються іоносферою. У нічний час, коли іонізація газу в іоносфері різко падає, інтенсивність просторового променя зростає, що сприяє ефективному поширенню гектометрових хвиль геть на відстань до декількох тисяч і навіть десятків тисяч кілометрів. Гектометрові хвилі поширюються з помітним поглинанням енергії землею і іоносферою (шар D). Тому дальність дії хвиль гектометрів значно залежить від часу доби і пори року. У нічний час радіохвилі відбиваються від шару F, тому сигнали приймаються як за рахунок поверхневих, так і за рахунок просторових хвиль. На умови поширення СВ впливає також пора року. Це пояснюється тим, що, по-перше, поглинання СВ при віддзеркаленні від іоносфери в зимовий час зменшується, оскільки зменшується іонізація нижніх шарів іоносфери, і, по-друге, в літні місяці значно зростає вплив атмосферних перешкод.
Рис.9. Іонізовані шари атмосфери. У радіусі 50—200 км від передавальної антени поверхневі і просторові промені середніх хвиль мають приблизно рівну інтенсивність. У цій області радіозв'язок виявляється особливо нестійким із-за ближнього завмирання (федингу). Суть фединга полягає в тому, що в пункті прийому поверхневі і просторові хвилі інтерферують із змінним зрушенням по фазі На залізниці діапазон гектометрових хвиль найчастіше застосовується в лінійних і зонових радіомережах для радіозв'язку з локомотивами, які не обладнані радіостанціями дециметрового діапазону хвиль.
Рис.10. Схема Г-подібної антени. Розрахунок : Діюча висота антени обчислюється:
Висота настроєного вібратора обчислюється за формулою:
СПИСОК ВИКОРИСТАНОЇ ЛІТЕРАТУРИ 1. Войшвилло Г.В. Усилительные устройства, – М.: /Связь/, 1975. – 108с. 2. Радиосвязь на железнодорожном транспорте. – Под ред. П.Н. Рамлау. – М.: Транспорт, 1983. – 132 с. 3. Радиотехнические цепи и сигналы /Под ред. А.П. Гоноровского. – М.: Советское радио, 1977. – 150 с. 4. Основы радиотехники и антенны. Ч. I,II / Под ред. Г.Б. Белеоцерковского. – М.: Советское радио, 1978. – 95 с. 5. Правила организации и расчёта сетей поездной радиосвязи. – М.: Транспорт, 1991. – 176 с. 6. Радиопередающие устройства / Под ред. М. В. Благовещенского, Г.М. Уткина. – М.: Радио и связь, 1982. – 96 с. 7. Радиотехнические системы железнодорожного транспорта. – М.: Транспорт, 1991. – 109 с. |




(дБ), BРН
= 2 дБ.




,
. Очевидно, чим менше довжина хвилі, тим більше кут 
