Курсовая работа: Проект подстанции 500/110/10 киловольт в Ростовской области
|
Название: Проект подстанции 500/110/10 киловольт в Ростовской области Раздел: Рефераты по физике Тип: курсовая работа | |||||||||||||||||||||||||||||||||||||||||||||||||||||||||||||||||||||||||||||||||||||||||||||||||||||||||||||||||||||||||||||||||||||||||||||||||||||||||||||||||||||||||||||||||||||||||||||||||||||||||||||||||||||||||||||||||||||||||||||||||||||||||||||||||||||||||||||||||||||||||||||||||||||||||||||||||||||||||||||||||||||||||||
Введение Именно применение электроэнергии сделало возможным развитие самых передовых отраслей промышленности автоматизацию производства, внедрение и распространение компьютерных и информационных технологий. Именно электроэнергия неизмеримо повысила комфортность быта людей, все больше освобождая людей от рутинного домашнего труда. Темпы экономического роста в двадцатом столетии были очень высоки практически во всех регионах мира, хотя и в разное время. Рост производства и потребления электроэнергии был еще выше. Дальнейшее проникновение электроэнергии в сферу быта и непроизводственных услуг увязывается с механизацией и автоматизацией труда в домашнем хозяйстве, с проникновением в быт людей телекоммуникаций и информационных технологий, повышением качества услуг образования, медицины, отдыха и развлечений. К числу наиболее важных задач энергетической стратегии России относятся определение основных количественных и качественных механизмов достижения этих параметров, а также координация развития электроэнергетики с развитием других отраслей топливо - энергетического комплекса и потребности экономики страны. Стратегическими целями развития отечественной электроэнергетики в перспективе до 2020 г. являются: - надежное энергоснабжение населения и экономики страны; - сохранение целостности и развитие Единой энергетической системы России, интеграция ЕЭС с другими энергообъединениями на Евразийском континенте; - повышение эффективности функционирование и обеспечение устойчивого развития электроэнергетики на базе новых современных технологий; - уменьшение вредного воздействия отрасли на окружающую среду. В оптимистическом варианте развитие электроэнергетики России ориентировано на сценарий экономического развития страны, предполагающий форсированное проведение социально-экономических реформ с темпами роста производства валового внутреннего продукта. [1. www.ehighenergy.info] Мною проектируемая подстанция 500/110/10 киловольт предназначена для потребления мощности и питания предприятий цветной металлургии и населения. Связь с системой осуществляется на напряжениях 500 и 110 киловольт. Установка синхронных компенсаторов заданием не предусмотрена. Выдача мощности осуществляется на напряжениях 110 и 10 киловольт. Подстанция строится в Ростовской области. 1. Выбор синхронных компенсаторов Выбор синхронных компенсаторов заданием не предусмотрен 2. Выбор и обоснование двух вариантов схем проектируемой подстанции
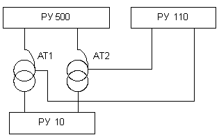
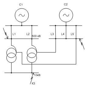
Рис. 1 В схеме 1 шины распределительных устройств 500 киловольт и 10 киловольт соединены двумя автотрансформаторами АТДЦТН 500/110/10 АТ1 и АТ2. Питание шины 110 киловольт осуществляется с выводов среднего напряжения.
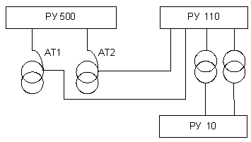
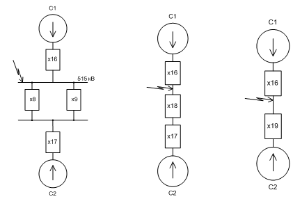
Рис. 2 В схеме 2 шины распределительных устройств 500 киловольт и 10 киловольт соединены тремя автотрансформаторами АТДЦТН 500/110/10 АТ3, АТ4 и АТ5. Питание шины 110 киловольт осуществляется с выводов среднего напряжения. 3. Выбор силовых трансформаторов Определяем мощность автотрансформаторов: Qсн =Pсн ּtgφсн =150ּ0.62=93 МВар; ; Qнн =Pнн ּtgφнн =60ּ0.59=35.6 МВар; Smax
= 246.25 МВА;
По этой мощности выбираю АТДЦТН 250000/500/110/10. По условию
Условие выполняется. Т.к. во втором варианте расположение и число автотрансформаторов сохраняется, считаю возможным выбрать те же автотрансформаторы АТДЦТН 250000/500/110/10. Выбор трансформаторов. В первом варианте выбор трансформаторов по структурной схеме не предусмотрен. Т.к. во втором варианте полная мощность проходит по четырём трансформаторам (АТ1, АТ2, Т1 и Т2), для расчётов используем следующую формулу:
По этой мощности выбираю ТДЦ 80000/110/10. Данные выбранных трансформаторов и автотрансформаторов заносим в таблицу 3.1 и таблицу 3.2. Таблица 3.1 [3.c585]
Таблица 3.2 [3. c172]
4. Технико-экономическое сравнение вариантов 4.1 Экономическая целесообразность схем определяется минимальными приведенными затратами по формуле:
где К – капиталовложения на сооружение электроустановки, тыс. руб.; pн – нормативный коэффициент экономической эффективности, равный 0,12; И – годовые эксплуатационные издержки, тыс. руб./год.; У – ущерб от недоотпуска электроэнергии, тыс. руб./год. Капиталовложения “К” при выборе оптимальных схем выдачи электроэнергии и выборе трансформаторов определяют по укрупненным показателям стоимости элементов схемы. Вторая составляющая расчетных затрат – годовые эксплуатационные издержки – определяется по формуле:
где Pa
, P0
– отчисления на амортизацию и обслуживание, %; ∆W – потери электроэнергии, кВт ∙ ч; β – стоимость 1 кВт ∙ ч потерь электроэнергии, Делаем таблицу капитальных затрат: Таблица 4.1
4.2 Рассчитываем издержки для первого варианта:
315(т.8.2)] β=85коп/кВтч;
4.3 Рассчитываем издержки для второго варианта:
Т.к. во втором варианте дополнительно используются те же автотрансформаторы, что и в первом варианте, то для нахождения полных затрат энергии второго варианта к
4.4 Сравнение вариантов:
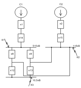
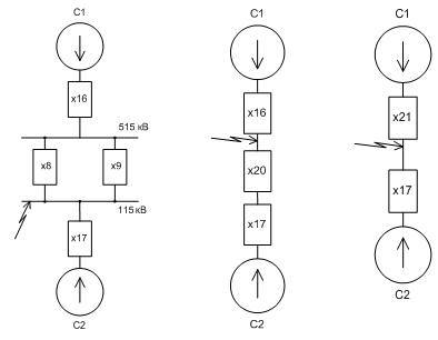
Используются те же автотрансформаторы, что и в первом варианте, то для нахождения полных затрат энергии второго Первый вариант экономичнее второго на 76%, поэтому дальнейшие расчёты ведём для первого варианта. 5. Расчёт токов короткого замыкания 5.1 Построение схемы замещения для всех точек:
Расчет токов короткого замыкания производим в относительных единицах. Базисную мощность принимаю Sб=1000 МВА. 5.2 Расчёт сопротивлений
5.3 Расчёт для первой точки короткого замыкания:
5.4 Расчёт для второй точки замыкания:
5.5 Расчёт третьей точки короткого замыкания:
Токи трехфазного короткого замыкания: Таблица 5.1
Примечание: [2.c.163§3.3(рис.3-26)] [2.c.161§3.3(Т.3-8)] [2.c.140§3.3(Т.3-4)] 6. Выбор электрических аппаратов и токоведущих частей Веду выбор оборудования на РУНН-10 кВ. Выбор выключателей и разъединителей. Определяю расчетные токи продолжительного режима;
Расчетные и каталожные данные свожу в таблицу. Таблица 6.1
Выбор выключателей по условию отключения апериодической составляющей тока КЗ не проходит, в этом случае допустимо проверить выключатель по полному току КЗ. Выбор шин. Произвожу выбор шин на стороне низшего напряжения. Выбор производим по экономической плотности тока:
Принимаю 2 несущих провода АС-30/39, тогда
Число А-300:
Принимаю токопровод 2×АС-300/39 + 4×А-300; d=230мм, в =3м.
Пучок голых проводов имеет большую поверхность охлаждения, поэтому проверку на термическую стойкость не проводим. Проверка на схлёстывание:
Сила тяжести 1метра токопровода с учётом массы колец 1,6 кг, массы 1метра провода АС-300/39 1,132 кг, провода А-300 0,794 кг по табл. 7-29, 7-30 в [2]:
Если
По диаграмме для Допустимое отклонение:
Схлёстывания не произойдёт, т.к. Выбор изоляторов. Выбираю изолятор ПС6-А; Uном =10 кВ; Fном. =60000 Н. Выбор трансформаторов тока. Учитывая, что трансформатор тока будет установлен в КРУН, выбираю ТПШЛ 10-5000-0,5/10Р, R2ном =1,2 Ом, Ктер =35, tтер =3. Сравнение расчетных и каталожные данных приведены в таблице 6.2. При расчете пользуюсь формулами [2.c.373-377]. Таблица 6.2 [2.c.367(т.4.12)]
Составляю таблицу вторичной нагрузки трансформатора тока Таблица 6.3 [2.c.632(п.4.7)].
Из таблицы видно, что более загружены трансформаторы тока фаз А и С. Общее сопротивление приборов:
Допустимое сопротивление проводов при
Так как на данной подстанции высшее напряжение 500кВ, то принимаю соединительные провода с медными жилами (
так как ближайшее стандартное сечение кабеля 3.6 мм в диаметре, принимаю кабель М10-3,6 Выбор трансформаторов напряжения. В цепи комплектного токопровода установлен трансформатор напряжения типа ЗНОЛ 06-10У3. Проверяю его по вторичной нагрузке. Подсчет нагрузки приведен в таблице 6.4. Таблица 6.4
[2.c.378(т.4.14)] Вторичная нагрузка
Выбранный трансформатор ЗНОЛ 06-10У3 имеет номинальную мощность Выбор КРУН на РУНН 10 кВ. Число линий на РУ 10 кВ 24 штуки, пропускная способность одной линии 2.5 МВт. Определяю ток нормального режима и максимальный ток одной отходящей линии для выбора КРУН.
Предполагаю, что одним КРУН будет вестись коммутация сразу трех отходящих линий. Нахожу максимальный ток протекающий по одной ячейке КРУН.
Выбираю КРУН К-49, Uном =10 кВ, номинальный ток 1000 А, максимальное число и сечение силовых кабелей, мм2 4(3х240), электродинамическая стойкость 51 кА, тип выключателя и привода ВКЭ-10 встроенный электромагнитный, номинальный ток отключения 31,5 кА. В ячейке применяю трансформатор тока ТПЛК-10, Uном =10 кВ, номинальный ток первичной обмотки 1000 А, ток электродинамической стойкости 74,5 кА, может работать в классе точности 0,5. [3.c.294(т.5.9)], [3.c.519(т.9.7)] 7. Выбор схемы собственных нужд и трансформаторов собственных нужд Потребителей мощности на собственные нужды свожу в таблицу 7.1. Таблица 7.1 [3.c.118(т.9)]
Нахожу расчетную нагрузку при коэффициенте спроса 0,8:
Принимаю два трансформатора ТСЗ по 250 МВА. При отключении одного трансформатора, второй будет загружен на
8. Выбор рода оперативного тока Согласно норм технологического проектирования на подстанциях с высшим напряжением 500 киловольт принимается постоянный оперативный ток. Для получения оперативного постоянного тока на подстанции с высшим напряжением 500 киловольт необходимо установить две аккумуляторные батареи 9. Выбор и обоснование схем распределительных устройств подстанции На стороне высшего напряжения мною выбрана схема четырёхугольника, так как при четырёх присоединениях и номинальном напряжении 500 киловольт рекомендуется именно эта схема. На стороне среднего напряжения, учитывая малое количество присоединений (два трансформаторных и четыре линейных) выбрана схема с одной секционированной и обходной системами шин с совмещёнными обходным и шиносоединительным выключателями. На стороне 10 кВ всегда применяется схема с одной рабочей секционированной системой шин. подстанция трансформатор электрический аппарат Список литературы 1. Л.Д. Рожкова, Л.К. Карнеева, Т.В. Чиркова Электрооборудование электрических станций и подстанции - Энергоатомиздат 2-е, Издательский центр «Академия», 2005-448с. 2. Неклеепаев Б.Н. Крючков И.П. Электрическая часть электростанций и подстанций (справочный материал) 4-е изд. перераб. и доп-н. Энергоатомиздат. 1989-608 с. 3. Рожкова Л.Д. Козулин В.С. Электрооборудование станций и подстанций Энергоатомиздат. 1987-648 с. 4. «Правила устройства электроустановок» 6-е изд. перераб. и доп-н. Энергоатомиздат. 1989-648 с. 5. Методические указания к выполнению курсового проекта по Предмету «Электрооборудование электрических станций и подстанции». 1985-123 с. |
|||||||||||||||||||||||||||||||||||||||||||||||||||||||||||||||||||||||||||||||||||||||||||||||||||||||||||||||||||||||||||||||||||||||||||||||||||||||||||||||||||||||||||||||||||||||||||||||||||||||||||||||||||||||||||||||||||||||||||||||||||||||||||||||||||||||||||||||||||||||||||||||||||||||||||||||||||||||||||||||||||||||||||

























