Лабораторная работа: Конструкция и назначение деталей двухступенчатого редуктора
|
Название: Конструкция и назначение деталей двухступенчатого редуктора Раздел: Промышленность, производство Тип: лабораторная работа | ||||||||||||||||||||||||||||||||||||||||||||||||||||||||||||||||||||||||||||||||||||||||||||||||||||||||||||||||||||||||||||||||||
Федеральное агентство по образованию Российской Федерации Санкт-Петербургский государственный горный институт им. Г.В.Плеханова (технический университет) Кафедра КГМ и ТМ«Отчёт по лабораторной работе №1» Выполнил: студент гр. МЦ-09 Плетнёв М.С. Проверил: доцент Соколова Г.В Санкт-Петербург 2011 год. I. Цель работы Изучение конструкции цилиндрического двухступенчатого редуктора, измерение его габаритных и присоединительных размеров, определение параметров зубчатого зацепления, расчет допускаемой нагрузки из условия обеспечения контактной выносливости зубчатой передачи. II. Общие сведения Зубчатый редуктор - механизм служащий для понижения угловых скоростей и увеличения крутящих моментов, выполненных в виде отдельного агрегата.
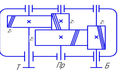
Рис. 1 Кинематическая схема двухступенчатого редуктора. III. Порядок выполнения работы 1. Выполнить эскиз редуктора, замерить габаритные и присоединительные размеры редуктора и проставить их на эскизе (рис.2.) 2. Изучить конструкцию и назначение деталей и составить кинематическую схему редуктора (рис. 1.) 3. Замерить межосевые расстояния aw Б и aw Т . 4. Расшифровать параметры зубчатых передач, заполняя таблицу 1. 5. Для обеих ступеней редуктора вычислить передаточные числа:
где z1 и z3 – числа зубьев шестерён; z2 и z4 – числа зубьев колёс. 6. Замерить ширину венца bw передач и рассчитать коэффициенты ширины:
7. Рассчитать торцовый модуль mt каждой ступени (с точностью до 4-ого знака после запятой):
8. Рассчитать нормальные модули ступеней m в следующей последовательности: mстБ =3,0 ; mстТ =4,0. 8.1. Задаться предварительным углом наклона линии зуба на делительном цилиндре колеса β*(в данном случае β*=12) 8.2. Рассчитать предварительный нормальный модуль передачи m*:
8.3. Согласовать полученное значение m* со стандартным рядом модулей. 9. Рассчитать делительные углы наклона β линии зуба:
10. Рассчитать делительные диаметры зубчатых колёс di (с точностью до 2-го знака после запятой):
11. Рассчитать диаметры вершин dai и впадин dfi зубчатых колёс (с точностью 2-ого знака после запятой) по формулам:
Быстроходная: Тихоходная: 12. Рассчитать коэффициент перекрытия ε:
Быстроходной:
Тихоходной:
13. Допускаемый крутящий момент. Из условий контактной выносливости зубьев определим допускаемый крутящий момент на шестерне тихоходной ступени.
где
Рис. 2 Габаритные и присоединительные размеры редуктора. цилиндрический двухступенчатый редуктор зубчатая Расшифровка параметров зубчатых передач цилиндрического двухступенчатого редуктора
|
||||||||||||||||||||||||||||||||||||||||||||||||||||||||||||||||||||||||||||||||||||||||||||||||||||||||||||||||||||||||||||||||||


;