Курсовая работа: Разработка системы автоматического управления положением объекта
|
Название: Разработка системы автоматического управления положением объекта Раздел: Промышленность, производство Тип: курсовая работа | ||||||||||||||||||||||||||||||||||||||||||||||||||||||||||||||||||||||||||||||||||||||||||||||||||||||||||||||||||||||||||||||||||||||||||||||||||||||||||||||||||||||||||||||||||||||||||||||||||||||||||||||||||||||||||||||||||||||||||||||||||||||||||||||||||||||||||||||||||||||||||||||||||||||||||||||||||||||||||||||||||||||||||||||||||||||||||||||||||||||||||||||||||||||||||||||||||||||||||||||||||||||||||||||||||||||||||||||||||||||||||||||||||||||||||||||||||||||||||||||||||||||||||||||||||||||||||||||||||||||||||||||||||||||||||||||||||||||||||||||||||||||
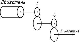
КУРСОВАЯ РАБОТА "Разработка системы автоматического управления положением объекта"Пенза, 2010 Введение Автоматическое управление различными техническими объектами является одним из самых прогрессивных направлений в развитии техники. При автоматическом регулировании задача поддержания постоянства регулируемой величины или изменения её по какому-либо закону должна выполняться без непосредственного участия человека. Устройство, освобождающее человека от выполнения функций регулирования, называемое регулятором в совокупности с объектом управления называется системой автоматического управления (САУ). Все САУ по принципу действия можно разделить на 3 группы: разомкнутые системы (регулирующее воздействие определяется лишь информацией о цели управления, которая заключена в задающем воздействии), САУ, действующие по принципу регулирования по отклонению (регулирующее воздействие определяется не только информацией о цели управления, заключенной в задающем воздействии, но и на основе информации о результатах регулирования), системы, сочетающие принцип регулирования по отклонению и по возмущению (регулирующее воздействие определяется информацией о цели управления, заключенной в задающем воздействии, действительным значением регулируемой величины и информацией о возмущающем воздействии). САУ, действующие по принципу регулирования по отклонению, являются в настоящее время самым распространённым классом автоматических систем. Такие системы находят широкое применение для автоматического регулирования различных физических величин в объектах, относящихся к различным отраслям техники (регулирование напряжения и частоты источников питания, давления и температуры в герметичной камере, курса и высоты полёта самолёта). В данной работе разрабатывается следящая система, которая также действует по принципу регулирования по отклонению, что существенно повышает точность ее регулирования. Разработка системы будет проходит в несколько этапов: – первая часть курсового проекта будет посвящена выбору и расчету основных элементов нестабилизированной системы, – вторая часть анализу устойчивости системы и синтезу корректирующего устройства, обеспечивающего требуемые качественные показатели, – последняя часть разработке и описанию схемы электрической принципиальной. нестабилизированный система управление корректирующий 1. Статический расчет системы 1.1 Составление функциональной схемы системы Из данных технического задания видно, что объект управления вращается с угловой скоростью Электродвигатель будет передавать вращающий момент к объекту управления через редуктор. Для определения сигнала рассогласования необходимо включить в схему элемент сравнения, а для усиления сигнала рассогласования до величины, обеспечивающей нормальную работу электродвигателя, необходимо включить в схему усилительно-преобразовательный элемент. Таким образом, предварительная функциональная схема следящей системы может быть представлена, как показано на рисунке 1.
Рисунок 1 ЭС – элемент сравнения; УПЭ – усилительно-преобразовательный элемент; ЭД – электродвигатель; РЕД – понижающий редуктор; ОУ – объект управления; X – задающее (управляющее) воздействие; XОС – сигнал обратной связи; XС – сигнал рассогласования; XР – регулирующее воздействие; Область, обведенная пунктиром на рисунке 1 – является управляющей частью системы (регулятором); Y – регулируемая величина. 1.2 Выбор основных элементов системы 1.2.1 Выбор исполнительного электродвигателя В большинстве автоматических систем управление потоками сырья и энергии осуществляется с помощью регулирующих органов, приводимых в движение электродвигателями постоянного и переменного тока. Выбор электродвигателя определяется мощностью, необходимой для перемещения регулирующего органа или объекта управления, а также перечнем разрешенных источников питания. В общем случае механическая нагрузка на оси регулирующего органа (оси нагрузки) характеризуется моментом трения
где По справочным данным, помещенным в /1/, выбираем двигатель постоянного тока с параллельным возбуждением СЛ-521 мощностью 77 Вт, технические данные которого приведены в таблице 1. Таблица 1
Так как двигатель маломощный, то момент инерции двигателя совместно с редуктором возьмем равным
Пусковой ток якоря связан с его номинальным током соотношением
Приняв
Добавочное сопротивление в цепи якоря определяется следующим образом
Передаточное число редуктора определим по формуле
Выберем число пар зацеплений редуктора. Так как
Рисунок 2
Схема редуктора представлена на рисунке 3:
Рисунок 3 Подсчитаем коэффициенты где
Конструктивная постоянная
Коэффициент
Номинальный момент двигателя
Пусковой момент двигателя
Для проверки двигателя по вращающему моменту определим
Так как Проверка двигателя по максимальной частоте вращения дает
где
где Так как Проверка двигателя на способность развивать ускорение дает
где Так как Определим параметры двигателя, необходимые для составления его передаточной функции. Коэффициент передачи:
Коэффициент внутреннего демпфирования:
Электромеханическая постоянная времени с учетом нагрузки:
Электромагнитная постоянная времени:
Передаточная функция двигателя будет иметь вид:
Для удобства построения логарифмических характеристик это выражение следует привести к виду:
где
1.2.2 Выбор элемента сравнения В следящих системах, предназначенных для отработки угла поворота, в качестве элементов сравнения часто применяются схемы на сельсинах и вращающихся трансформаторах. Элемент сравнения осуществляет сравнение заданного значения регулируемой величины с действительным значением. Помимо выделения сигнала рассогласования сравнивающий элемент выполняет функции преобразования входных сигналов к виду, удобному для дальнейшего применения в системе. Основным критерием при выборе элемента сравнения является его максимальная статическая погрешность. Общая погрешность элемента сравнения не должна превышать 0,3…0,5 от Т.к. заданная ошибка достаточно велика, то в качестве элементов сравнения были выбраны сельсины. Датчик рассогласования выполнен в виде одноканальной схемы на сельсинах, работающих в трансформаторном режиме. Схема элемента сравнения представлена на рисунке 4.
Рисунок 4 СД – сельсин-датчик, СП – сельсин-приёмник. Ошибка покоя Частота вращения вала:
По частоте вращения вала и по ошибке следования выбираем сельсины СС-405ТВ, технические данные которых приведены в таблице 2. Выбираем первый класс точности. Таблица 2
Общая погрешность элемента сравнения При малых углах рассогласования коэффициент преобразования схемы на сельсинах приблизительно равен максимальному напряжению синхронизации:
1.2.3 Определение коэффициента передачи разомкнутой системы При расчете следящей системы методом эквивалентного синусоидального режима коэффициент передачи разомкнутой системы определяется из условия обеспечения заданных среднеквадратичных значений погрешности следования и погрешности покоя. Коэффициент передачи разомкнутой системы связан с коэффициентами передачи отдельных устройств соотношением:
где Погрешность
Погрешность от неточности элемента сравнения:
Погрешность на входе усилителя:
Ошибка покоя:
Находим значение моментной погрешности:
Коэффициент передачи разомкнутой системы:
Коэффициент усиления усилителя:
1.2.4 Выбор усилительного устройства Методика выбора усилительного устройства взята из /2/. Структурная схема преобразования электрических сигналов в прямой цепи системы управления включает в себя два блока: информационный и силовой, который представляет собой усилитель мощности (рисунок 5).
Рисунок 5 Информационный блок предназначен для сбора и обработки информации о состоянии и функционировании системы управления и формирования управляющих сигналов. К блоку подходят сигнал рассогласования системы, сформированный из входного сигнала и сигнала основной обратной связи, а также сигналы местных обратных связей. Информационный блок содержит усилители, ограничители, логические устройства, демодуляторы, фильтры, сумматоры сигналов местных обратных связей, корректирующие устройства. В нашем случае информационный блок содержит фазочувствительный выпрямитель. В свою очередь силовой блок может представлять собой усилитель мощности, работающий в линейном режиме, или импульсный усилитель мощности. Гораздо большее распространение в системах управления получили импульсные усилители мощности (ИУМ). Они используются в устройствах автоматики для регулирования большой электрической мощности при управлении исполнительными устройствами систем управления. ИУМ, выполненный на управляемых ключах, обеспечивает передачу энергии от источника питания к нагрузке. Структурная схема ИУМ представлена на рисунке 6.
Рисунок 6 Импульсный модулятор преобразует непрерывный сигнал в импульсный. В случае использования силовых транзисторных ключей применяется чаще всего широтно-импульсный модулятор. Формирователь импульсов (ФИУ) представляет собой предварительный усилитель мощности, обеспечивающий переключение ключей, однако этим не исчерпываются его функции. Здесь импульсы формируются не только по амплитуде, но и по форме, выполняются интеллектуальные функции по диагностике блока силовых ключей и их защите. Кроме того, в этом устройстве осуществляется гальваническая развязка маломощной и силовой частей системы управления. Блок силовых ключей может содержать один или более ключей в зависимости от выбранной схемы включения исполнительного элемента (полумостовая и мостовая). В нашем случае для управления двигателем постоянного тока с учетом реверса используется мостовая схема включения, изображенная на рисунке 7:
Рисунок 7 Мостовая схема включения двигателя постоянного тока содержит один источник питания и четыре ключа. Ключи открываются попарно: VT1 и VT4, VT2 и VT3. При этом ток через двигатель течет, то в одном, то в другом направлении. Диоды VD1-VD4 осуществляют шунтирование нагрузки на интервале выключенного состояния ключа. Электродвигатель представляет собой RL – нагрузку. Будем полагать, что постоянная времени RL – нагрузки В третьем импульсном режиме питание нагрузки осуществляется прямоугольным переменным напряжением. В этом случае существуют интервалы, на которых напряжение в нагрузке равно нулю. На рисунке 8 показаны временные диаграммы напряжения нагрузки.
Рисунок 8 Данный режим имеет практическое значение при
где В третьем ИР частота первой гармоники напряжения и тока в нагрузке равна частоте следования импульсов питающего напряжения. Рассмотрим более подробно структурную схему, показанную на рисунке 5. Дальнейший расчет ШИП на полевых транзисторах проводится по блокам, согласно структурной схеме и временным диаграммам работы широтно-импульсного преобразователя с ключами на полевых транзисторах для реализации третьего ИР управления двигателем постоянного тока, представленной на рисунке 9.
ГТИ – генератор треугольных импульсов; CC1, СС2 – схемы сдвига; К1, К2 – компаратор; ФИУ1, ФИУ2 – формирователь импульсов управления; ПТ1, ПТ2 – полевой транзистор Рисунок 9 ГТИ формирует треугольные импульсы заданной частоты и амплитуды. Первая схема сдвига уровней СС1 осуществляет сдвиг выходного сигнала вверх на Блок №1: Генератор треугольного напряжения Схема генератора треугольного напряжения представлена на рисунке 10:
Рисунок 10 Генератор состоит из неинвертирующего триггера DA2 и инвертора DA3, который интегрирует постоянное напряжение триггера. Когда выходное напряжение интегратора достигает порога срабатывания триггера, то выходное напряжение последнего изменяет полярность и конденсатор начинает перезаряжаться, пока не достигнет другого порога срабатывания триггера противоположного знака. Амплитуда выходного напряжения зависит от порога срабатывания триггера:
где
Используя формулу (3) для расчёта периода колебаний, можно рассчитать частоту сигнала, идущего с генератора. При этом учитывается, что частота с генератора должна не менее чем в 10 раз превышать частоту входного сигнала: Т.к. частота входного сигнала 50 Гц, то частота с генератора должна быть 500 Гц. Следовательно, период колебаний равен Пусть
Пусть Выбирается резистор с номинальным сопротивлением 3,3 кОм. Генератор выберем на микросхеме К140УД7, справочные данные которой приведены в таблице 3 Таблица 3
Справочные данные на выбранный конденсатор приведены в таблице 4. Таблица 4
Справочные данные на резисторы приведены в таблице 5. Таблица 5
Блок 2: Повторитель напряжения. Нагрузка оказывает влияние на сигнал, идущий с генератора, вызывая смещение. Во избежание этого после генератора треугольных импульсов ставят повторитель напряжения (рисунок 11). Выходной сигнал с повторителя напряжения будет аналогичен выходному сигналу с генератора. Повторитель выберем на микросхеме К140УД7, справочные данные которой приведены в таблице 6.
Рисунок 11 Таблица 6
Блок №3: Схема сдвига уровня Схема сдвига уровня выходного сигнала представлена на рисунке 12.
Рисунок 12 Для расчета данной схемы нам понадобится значение сигнала, который подается на неинвертирующий вход компаратора (Блок №5) с сельсинов. Найдем его значение. Т.к. сигнал с сельсинов равен 51 В (это приходится на 900
), тогда, если учесть, что ошибка следования равна 1,20
, то входной сигнал будет равен Рассчитаем коэффициент заполнения
где
f – частота напряжения возбуждения сельсинов, равная 50 Гц,
где U1
– напряжение снимаемое после схемы сдвига, численно равное
Подставив все значения в (4), получим:
На компаратор приходит два сигнала. На неинвертирующий вход компаратора подают входной сигнал
где
В нашем случае Рассчитаем значения резисторов по формулам:
Примем значение резистора Усилители выберем на микросхемах К140УД7, справочные данные которых приведены в таблице 7. Таблица 7
Справочные данные на резисторы приведены в таблице 8: Таблица 8
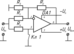
Блок №4: Фазочувствительный выпрямитель Для того чтобы извлечь низкочастотный сигнал из модулированного колебания нельзя воспользоваться фильтрами, так как низкочастотный сигнал входит в состав модулированного колебания не как слагаемое, а как сомножитель. Нелинейное преобразование модулированного колебания, используемое для получения низкочастотного сигнала, реализуется в демодуляторах. В системах управления в качестве демодуляторов применяются выпрямители, у которых полярность выходного напряжения должна зависеть от фазы, а величина от амплитуды входного напряжения. Такие демодуляторы называются фазочувствительными выпрямителями (ФЧВ). ФЧВ представляет собой управляемый двухполупериодный выпрямитель, схема которого представлена на рисунке 13.
Рисунок 13 ФЧВ имеют два входа: сигнальный и управляющий (коммутирующий). Если на сигнальный вход подано гармоническое переменное напряжение
где
Рисунок 14 На первой временной диаграмме показан входной амплитудно-модулированный сигнал. Огибающая показана пунктиром. На второй временной диаграмме показан выходной сигнал ФЧВ, представляющий собой выпрямленное напряжение, меняющее полярность при смене фазы входного сигнала на 180 градусов. Ключ работает синхронно с входным сигналом. Если возникает фазовый сдвиг между входным сигналом и сигналом управления ключом, то среднее значение выпрямленного сигнала уменьшается. При сдвиге на 90 градусов среднее значение становится равным нулю. Состояние ключа определяет работу схемы. Рассмотрим два варианта: 1. Ключ замкнут. На не инвертирующем входе усилителя формируется ноль, при этом ток через резистор
2. Ключ разомкнут. Сигнал идёт на не инвертирующий вход. При этом напряжение
Для того чтобы коэффициенты передачи в обоих случаях были одинаковыми необходимо выполнить условие:
Недостаток схемы: различное входное сопротивление при замкнутом и разомкнутом состояниях ключа (либо равно бесконечности, либо В нашем случае фазочувствительный выпрямитель будет работать как повторитель, поэтому в схему не будем включать резистор Для дальнейшей работы с получившимся сигналом его следует отфильтровать. Для этого после ФЧВ поставим фильтр нижних частот. В качестве элементной базы для ФЧВ выберем: – Усилители на микросхемах К140УД7, справочные данные которых приведены в таблице 9. Таблица 9
– резисторы, характеристики которых приведены в таблице 10: Таблица 10
– стабилитроны, характеристики которых приведены в таблице 11: Таблица 11
В качестве переключающего устройства используется микросхема КР590КН4, параметры которой приведены в таблице 12 Таблица 12
Блок №5: Компараторы напряжения Компаратор служит для сравнения двух сигналов, один из которых является, как правило, опорным. Выходной сигнал компаратора принимает только два значения. Положительный или отрицательный уровень выходного напряжения показывает, какой из сравниваемых сигналов больше в данный момент времени. Схема компаратора напряжения приведена на рисунке 15.
Рисунок 15 В данной схеме компаратора на неинвертирующий вход ОУ подаем опорное напряжение (входной сигнал Усилители выберем на микросхеме К140УД7, справочные данные которой приведены в таблице 13. Таблица 13
Блок №6: Инвертор напряжения Т.к. для работы полевых транзисторов, которые были выбраны для управления двигателем постоянного тока, на затвор необходимо подавать только положительное напряжение, то на выход одного из компараторов (с выхода которого поступает отрицательный импульс) необходимо поставить инвертор напряжения. Схема изображена на рисунке 16.
Рисунок 16 Сделаем его повторителем, т.е. резисторы Выберем элементную базу. Усилители сделаем на микросхеме К140УД7, справочные данные которой приведены в таблице 14 Таблица 14
Выберем резисторы С2–33Н, характеристики которых приведены в таблице 15: Таблица 15
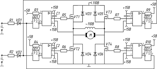
Блок 7: Моделирование схемы формирования импульсного управления и схемы включения двигателя постоянного тока на полевых транзисторах ФИУ – часть системы управления преобразователя, которая формирует логику формирования сигналов управления силовыми ключами, с последующим усилением по мощности. В структуре ФИУ есть информационно-логическая часть и усилитель импульсов, который согласовывает информационно-логическую часть с управляющей цепью силового ключа. В нашем случае ФИУ будет состоять из четырех драйверов TLP250, четырех инверторов с открытым коллектором 530ЛН2 и двух диодов. Сигнал, идущий с ШИМ имеет напряжение 14 В, для отпирания ключей на полевых транзисторах этого напряжения недостаточно, поэтому сигнал усиливают по напряжению до 24 В. Для перезаряда входной емкости полевого транзистора нужен более высокий уровень тока, чем у сигнала, поступающего с ШИМ.
Рисунок 17 Для этого сигнал усиливают по току с помощью комплиментарной пары транзисторов, находящейся внутри драйвера. Транзисторы VT1 – VT4 являются мощными полевыми транзисторами с изолированным затвором. У таких транзисторов подложка соединена с истоком внутри корпуса. Они обладают односторонней проводимостью, так как между истоком и стоком у них формируется диод (VD3 – VD6). Транзисторы VT1 – VT4 управляется положительным напряжением Выбираем транзисторы VT1 – VT4 исходя из соотношения:
где
В данном случае Таблица 16
Сигнал после ШИМ обладает некоторым отрицательным значением. Чтобы эту часть сигнала исключить используются диоды VD1 и VD2. Для их реализации выберем диоды 2Д510А, параметры которых приведены в таблице 17. Таблица 17
Диоды VD3-VD6 осуществляют шунтирование нагрузки на интервале выключенного состояния ключа. В качестве элементной базы нам подойдут диоды Д233Б, параметры которых приведены в таблице 18. Таблица 18
Также к элементной базе ФИУ относятся высокоскоростные драйверы транзисторов с изолированным затвором TLP250, параметры которых приведены в таблице 19. Таблица 19
И конденсатор в цепи драйвера емкостью 0,1 мкФ. Справочные данные на выбранный конденсатор приведены в таблице 20. Таблица 20
Т.к. нагрузочная способность входной цепи 5 мА, а напряжение на входе 5 В, то выбираем резисторы Параметры резисторов приведены в таблице 21. Таблица 21
2. Динамический расчет системы Задачей динамического расчёта является проверка устойчивости системы и синтез корректирующего устройства с целью обеспечения устойчивости и показателей качества функционирования. Для анализа устойчивости системы и синтеза корректирующего устройства используется аппарат передаточных функций. С этой целью система разделяется на звенья направленного действия. Совокупность этих звеньев с линиями связи образует структурную схему системы, которая представлена на рисунке 18. Методика динамического расчёта взята из /1/.
Рисунок 18
2.1 Определение передаточных функций и частотных характеристик. Проверка устойчивости системы По результатам статического расчета составим передаточные функции для отдельных элементов и системы в целом. Передаточная функция для электродвигателя постоянного тока:
Передаточная функция усилительно-преобразовательного элемента:
Передаточная функция элемента сравнения:
Передаточная функция редуктора:
Передаточная функция разомкнутой системы:
где отсюда Передаточная функция замкнутой системы:
где знаменатель представляет собой характеристический полином
Анализируя выражение (4) можно сказать о том, что наша система представляет собой систему третьего порядка и является астатической (астатизм первого порядка). Амплитудно-фазовая характеристика (АФХ) разомкнутой системы определяется из формулы (4) путем замены
где
Переходя к логарифмическим характеристикам, используя выражение (5), получим логарифмическую амплитудную характеристику (ЛАХ) разомкнутой системы.
Таким образом, выражение для фазо-частотной характеристики:
для логарифмической амплитудной характеристики:
Определим частоты сопряжения:
Построение фазово-частотной характеристики разомкнутой нескорректированной системы (таблица 22): Таблица 22
Определим, устойчива ли получившаяся система. Под устойчивостью САР понимается способность системы возвращаться в установившееся или близкое к нему состояние после устранения возмущения, нарушающее это состояние. Для этого найдем предельный коэффициент передачи Из характеристического полинома замкнутой системы
Если годограф вектора Приравняв к нулю вектор
Выразим из выражения (6)
и подставим в (7). Получим:
В действительности К = 589 < 399 система неустойчива. Затем необходимо выделить из этого выражения действительную и мнимую части:
где
Задаваясь значениями щ от 0 до ∞ при известных коэффициентах а0 , а1 , а2 , а3 , а4 , для каждого значения щ находим X(щ) и Y(щ). Таблица 23
Годограф Михайлова изображен на рисунке 19.
Рисунок 19 Для устойчивости замкнутой системы необходимо и достаточно, чтобы годограф вектора N(jщ), начинаясь при щ=0 на вещественной оси, с ростом частоты от нуля до бесконечности обходил последовательно против часовой стрелки n квадрантов комплексной плоскости, где n – порядок характеристического уравнения замкнутой системы. Из графика видно, что система неустойчива, так как не нарушен порядок обхождения годографом квадрантов комплексной плоскости. 2.2 Построение желаемой ЛАХ следящей системы при ступенчатом управляющем воздействии При отработке ступенчатого управляющего воздействия g0
длительность переходного процесса и перерегулирования не должны превышать максимально допустимых значений Построение желаемой ЛАХ иллюстрируется рисунком 20 и выполняется в такой последовательности: 1. Строится низкочастотный участок ЛАХ. Через точку с координатами 2. Выбирается частота среза желаемой ЛАХ, если система может обеспечить изменение регулируемой величины с максимальным ускорением
где Тогда оптимальное значение частоты среза вычисляется по формуле:
По заданному значению перерегулирования
Рисунок 21 Из графика видно, что m=5,2. Найдя коэффициент m, можно определить значение минимальной частоты среза
выбранная частота среза должна удовлетворять условию:
данному условию удовлетворяет частота С помощью номограммы, изображенной на рисунке 22, по заданному значению величины перерегулирования
Рисунок 22 Запасы устойчивости по модулю 3. Средне частотная часть желаемой ЛАХ сопрягается с низкочастотной. Сопряжение производится таким образом, чтобы наклон желаемой ЛАХ по возможности не отличался от наклона соответствующих участков нескорректированной системы. Желаемая ЛАХ в низкочастотной зоне пересекает ЛАХ нескорректированной системы в точке с абсциссой 4. Строится высокочастотный участок ЛАХ. Для получения более простой схемы коррекции эту зону мы должны были бы провести в виде прямой с наклоном -60 дБ/дек. Но в результате этого при построении фазовой характеристики можно заметить, что система является неустойчивой. Поэтому эту зону проведем в виде прямой с наклоном -40 дБ/дек. 5. После построения желаемой ЛАХ определяют соответствующую ей фазовую характеристику и проверяют, выполняется ли в диапазоне частот
Условие выполняется. При невыполнении данного условия следует расширить среднечастотную зону желаемой ЛАХ, т.е. увеличить ординаты Lз и – Lз в зависимости от того, что окажется более эффективным. Построенная ЛАХ описывается формулой:
а ей соответствует фазо-частотная характеристика:
где 2.3 Определение ЛАХ и выбор схемы корректирующего устройства следящей системы Расчет корректирующего устройства начнем с выбора вида коррекции. В данном случае выбираем для следящей системы параллельную коррекцию или местную отрицательную обратную связь, которая по сравнению с последовательной обладает целым рядом преимуществ, хотя, как правило, требуются дорогостоящие тахогенераторы. 2.3.1 Выбор охваченных элементов Одна из самых важных задач – определение места включения коррекции в систему. Обычно обратной связью охватываются элементы системы, оказывающие наибольшее влияние на ее быстродействие. Исходя из этого, охватим обратной связью исполнительный двигатель и усилитель мощности. Эти элементы расположены вблизи от выхода системы, где сигнал имеет достаточную мощность. На выходе системы высокочастотные помехи значительно ослаблены, что значительно облегчает работу дифференцирующих контуров в схеме коррекции. Структурная схема системы, с параллельной коррекцией представлена на рисунке 23.
Рисунок 23 Передаточная функция охваченных элементов:
где В этом случае передаточная функция неохваченных элементов равна их коэффициенту передачи:
Коэффициент усиления усилителя:
Т.к. 2.3.2 Построение ЛАХ обратной связи Находим ЛАХ обратной связи:
где
Выражение в квадратных скобках есть ЛАХ внутреннего замкнутого контура По виду ЛАХ а) на частотах Поскольку входной величиной обратной связи является угол поворота электродвигателя, в качестве такого элемента выбираем тахогенератор с передаточной функцией
б) на частотах Тогда общую передаточную функцию обратной связи можно записать в виде:
Характеристики L(щ) и ц(щ) представлены на рисунке 20. 2.3.3 Определение коэффициента передачи обратной связи По построенной характеристике Lос
(
С другой стороны этот коэффициент определяется выражением (12):
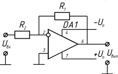
Мы получили, что требуемый коэффициент усиления Кос оказался больше реального (0,1¹0,014). По этому в цепь коррекции необходимо дополнительно ввести усилитель. Коэффициент усиления Схема усилителя показана на рисунке 24.
Рисунок 24
Теперь 0,1=0,573×0,025×7.14 0,1=0,1 По справочнику /2/ подбираем резисторы: Таблица 24
В качестве ОУ DA возьмем микросхему К140УД7 2.3.4 Выбор элементов параллельной коррекции Первым элементом является тахогенератор. При его выборе должны быть выполнены требования: – линейность функции преобразования – малые значения статического момента трения и момента инерции по сравнению с аналогичными параметрами двигателя; – максимальные частоты вращения двигателя и тахогенератора должны быть соизмеримы. Этим требованиям удовлетворяет тахогенератор постоянного тока ТГП-60 с коэффициентом передачи Таблица 25
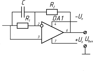
Преимуществом этой машины является возбуждение от постоянных магнитов, ввиду чего ей не требуется источник питания. Вторым элементом является форсирующее звено с передаточной функцией Общая передаточная функция корректирующего устройства:
где
Схема параллельной коррекции изображена на рисунке 25.
Рисунок 25 При выборе номинальных значений сопротивлений и емкостей одним значением (обычно емкости) в каждом каскаде необходимо задаться, остальные определяются из соотношений
Пусть В качестве элементной базы используется: – микросхема К140УД7, параметры которой приведены в таблице 26. Таблица 26
– резисторы С2–33Н – 0,125, параметры которых приведены в таблице 27. Таблица 27
– конденсаторы К10–54, параметры которых приведены в таблице 28. Таблица 28
Рисунок 26 Для получения необходимого среза в -60 Дб в низкочастотной зоне ставится фильтр первого порядка последовательно с активным фильтром и тахогенератором. Общая передаточная функция цепи обратной связи тогда будет иметь вид:
Усилитель, на котором собран этот фильтр, является так же усилителем и активного фильтра, его данные приведены в таблице 26. При выборе возьмем сопротивление резисторов одинаковым и рассчитаем только емкость конденсатора.
где Пусть – резисторы С2–33Н – 0,125, параметры которых приведены в таблице 29 Таблица 29
– конденсатор К10–54, параметры которого приведены в таблице 30 Таблица 30
Список использованных источников 1. Выгода Ю.А., Малёв Б.А., Мясникова Н.В. «Расчёт систем управления. Линейные непрерывные системы», Пенза 2002 г. 2. Электронные устройства систем автоматики. Обучающая система по дисциплине «Электроника» 3. Гутников В.С. «Интегральная электроника в измерительных устройствах», Ленинград «Энергоатомиздат», 1988 г. 4. Полупроводниковые приборы: транзисторы. Справочник под редакцией Горюнова, Москва «Энергоатомиздат», 1985 г. 5. Справочник по полупроводниковым диодам, транзисторам и интегральным схемам под редакцией Горюнова М.Н., Москва «Энергия», 1977 г. |












,











- амплитудно-частотная характеристика, (5)

,
,





