ЗМІСТ
Вступ
1. Теоретична частина. Вибір кріпильних виробів фланцевих з’єднань
2. Практична частина. Завдання 1
Список літератури
Додатки
Вступ
Тема контрольної роботи «Вибір кріпильних виробів фланцевих з’єднань» з дисципліни «Фланці арматури, з’єднувальних частин і трубопроводів».
Мета роботи – розглянути теоретичне питання і вирішити практичне завдання.
Найпоширенішим видом роз’ємних з’єднань, які застосовуються в хімічній та інших галузях промисловості для арматури, з’єднувальних частин і трубопроводів, а також для фланців штуцерів посудин і апаратів, є фланцеві з’єднання.
Як фланці штуцерів застосовуються фланці арматури, з’єднувальних частин і трубопроводів (далі арматурні фланці) переважно при умовних проходах DN до 400 мм.
Для герметичного перекриття (відглушення) отворів штуцерів на апаратах, а також для відглушення трубопроводів при проведенні ремонтних робіт та гідравлічних або пневматичних випробувань застосовуються заглушки.
кріпильний фланцевий штуцер трубопровод
1. Теоретична частина. Вибір кріпильних виробів фланцевих з’єднань
Матеріал кріпильних виробів слід вибирати залежно від типуі матеріалу фланців, розрахункової температури, та умовного (номінального) тиску за таблицею 1 [18].
Для фланців на PNдо 1,6 МПа і при температурі до 300 °С застосовують болти з шестигранною голівкою за ГОСТ 7798-70 [10] або шпильки за ГОСТ 22042-76 [24] і шестигранні гайки за ГОСТ 5915-70 [9]. Конструкція і розміри болтів з шестигранною голівкоюнаведені на рисунку М.1 і в таблицях М.1, М.2 додатку М. Маса болтів наведена в таблиці М.3. Конструкція і розміри гайокнаведені на рисунку М.2 і в таблиці М.4. Маса гайок наведена в таблиці М.5. Конструкція і розміри шпильок з двома однаковими по довжині нарізними кінцями для деталей з гладкими отвораминаведені на рисунку М.3 і в таблицях М.6, М.7. Маса шпильок наведена в таблицях М.8, М.9.
На PN2,5 МПа та більше і при температурі понад 300 °С і нижче мінус 40 °С застосовують двосторонні шпильки за ГОСТ 9066-75 [13] і ГОСТ 22042-76, гайки за ГОСТ 9064-75 [11] і ГОСТ 5915-70.
Шпильки двосторонні за ГОСТ 9066-75 для фланцевих з’єднань арматури, з’єднувальних частин і трубопроводів, приладів, апаратів та резервуарів з температурою середовища від 0 до 650 °С і умовним тиском PN не менше 4 МПа застосовують двох типів:
А – шпилька суцільна із однаковими номінальними діаметрами нарізі та гладкої частини, з температурою, яка менше або дорівнює 300 °С;
Б – шпилька суцільна з номінальними діаметрами нарізі більше номінального діаметра гладкої частини, з температурою понад 300 °С.
Конструкція та розміри шпильок за ГОСТ 9066-75 наведені на рисунку М.4 і в таблицях М.12, М.13 додатку М, маса шпильок наведена в таблицях М.14, М.15. Конструкція и розміри гайок за ГОСТ 9064-75 наведені на рисунку М.5 і таблиці М.16. Маса гайок наведена в таблиці М.17. Конструкція і розміри шайб за ГОСТ 9066-75 [12]наведені на рисунку М.6 і таблиці М.18. Маса шайб наведена в таблиці М.19. Вибір матеріалів для крипільних деталей наведений за таблицею М.21. Розподіл сталей для крипільних деталей за якістю на категорії наведений в таблиці М.22.
Для фланцевих з’єднань з лінзовими ущільненнями застосовують шпильки за ГОСТ 10494-80 [15]. Конструкція и розміри шпильок для фланцевих з’єднань з лінзовими ущільненнями наведені на рисунку М.7 і таблиці М.22 додатку М. Граничні параметри застосування в залежності від матеріалу шпильок наведені в таблиці М.23. Маса шпильок наведена в таблицях М.24 і М.25. Конструкція, розміри та маса гайок для фланцевих з’єднань з лінзовими ущільненнями наведені на рисунку М.8 і в таблиці М.26. Граничні параметри застосування в залежності від матеріалу гайок наведені в таблиці М.27.
Порівняно з болтами шпильки забезпечують більш рівномірний розподіл напружин. Крім того, шпильки можна встановлювати у важкодоступних місцях. При розрахунковій температурі понад 300 °С слід застосовувати шпильки з проточкою або повністю нарізні.
Шайби у фланцевих з’єднаннях застосовують при умовному (номінальному) тиску PN 4 МПа і більше. Їх підкладають під голівки гайок для більш рівномірного розподілення тиску та запобігання поверхонь фланців від зминання.
Позначення болтів, шпильок, гайок та шайб відповідно до чинних стандартів наведено в додатку М.
Позначення класів міцності болтів і шпильок наведено в таблиці М.10.
Позначення класу міцності болтів і шпильок складається з двох цифр:
– перша відповідає 1/100 номінального значення тимчасового опору розриву в Н/мм2
;
– друга відповідає 1/10 відношення номінального значення межи текучості до тимчасового опору в процентах.
Добуток з двох цифр відповідає 1/10 номінального значення межи текучості в Н/мм2
.
Клас міцності гайок позначається цифрою, яка показує найбільший клас міцності болтів або шпильок, з якими вони можуть сполучатися у з’єднанні.
Позначення класів міцності гайок наведено в таблиці М.11.
Види покриття болтів, шпильок, гайок та шайб наведені в таблиці М.28.
Коефіцієнт лінійного розширення матеріалу болтів (шпильок) не повинен відрізнятися від коефіцієнта лінійного розширення матеріалів фланців більш ніж на 10 %.
Допускається застосовувати матеріали болтів (шпильок) з коефіцієнтами лінійного розширення відміннимивід коефіцієнтів лінійного розширення матеріалів фланців більш ніж на 10 % в наступних випадках:
– у разі обґрунтовування розрахунком на міцність;
– при розрахунковій температурі фланця не більше 100 °С.
Гайки та болти (шпильки) повинні виготовлятися зі сталей різних марок, а при виготовленні їх зі сталі однієї марки – з різною твердістю. При цьому твердість гайки повинна бути нижче за твердість болта (шпильки) не менше ніж на 15 НВ.
Допускається застосовувати гайки зі сталей перлітового класу на болтах (шпильках), які виготовляються із аустенітних сталей.
У разі виготовлення кріпильних деталей холодною деформацієювони повинні піддаватися термічній обробці – відпуску.
Таблиця 1 – Вибір матеріалу болтів (шпильок) та гайок
| Тип фланця |
Параметри середовища |
Марка сталі |
| тискномінальний (умовний) PN, МПа |
розрахункова
температура,
°С
|
фланця |
болта (шпильки) |
гайки |
| Сталевий плоский приварний за ГОСТ 12820-80 |
від 0,1 до 2,5 |
від мінус 30
до плюс 300
|
Ст3сп не нижче
2-й категорії
за ГОСТ 380-88
|
Сталі 20, 25, 35
за ГОСТ 1050-88
|
Сталі 10, 20, 25
за ГОСТ 1050-88
|
| 20Х13 за ГОСТ 5632-72 |
від мінус 70
до плюс 300
|
09Г2С
за ГОСТ 19282-89
10Г2 за ГОСТ 4543-71
|
14Х17Н2 за ГОСТ 5632-72 |
від мінус 30
до плюс 300
|
Стали 20, 25
за ГОСТ 1050-88
|
Сталі 20, 25, 35
за ГОСТ 1050-88
|
Сталі 10, 20, 25
за ГОСТ 1050-88
|
| 20Х13 за ГОСТ 5632-72 |
від мінус 40
до плюс 300
|
15ХМ
за ГОСТ 4543-71
|
30ХМА
за ГОСТ 4543-71
|
35Х
за ГОСТ 4543-71
|
12Х18Н9Т
за ГОСТ 5632-72
|
20Х13 за ГОСТ 5632-72 |
Сталевий приварний встик
за ГОСТ 12821-80
|
від мінус30
до плюс 300
|
Ст3сп не нижче 2-й категорії
за ГОСТ 380-88
|
Сталі 20, 25, 35
за ГОСТ 1050-88
|
Сталі 10, 20, 25
за ГОСТ 1050-88
|
| від 0,1 до 10,0 |
від мінус 40
до плюс 425
|
Сталі 20, 25
за ГОСТ 1050-88
|
Сталь 35
за ГОСТ 1050-88
|
Сталі 20, 25
за ГОСТ 1050-88
|
| від 0,1 до 20,0 |
20Х13 за ГОСТ 5632-72 |
| 35Х за ГОСТ 4543-71 |
Сталь 35
за ГОСТ 1050-88
|
від мінус 30
до 450
|
30ХМА
за ГОСТ 4543-71
|
35Х
за ГОСТ 4543-71
|
| Тип фланця |
Параметри середовища |
Марка матеріалу |
| тискномінальний (умовний) PN, МПа |
розрахункова
температура,
°С
|
фланця |
болта (шпильки) |
гайки |
| Сталевий приварний встик за ГОСТ 12821-80 |
від 0,1 до 20,0 |
від мінус 40
до плюс 450
|
15ХМ
за ГОСТ 4543-71
|
20Х13 за ГОСТ 5632-72 |
30ХМА
за ГОСТ 4543-71
|
Сталь 35
за ГОСТ 1050-88
|
від мінус 40
до плюс 300
|
15Х18Н12С4ТЮ
за ГОСТ 5632-72
|
20Х13 за ГОСТ 5632-72 |
від мінус 70
до плюс 300
|
45Х14Н14В2М
за ГОСТ 5632-72
|
12Х18Н9Т
за ГОСТ 5632-72
|
від мінус 70
до плюс 350
|
09Г2С за ГОСТ 19282-89
10Г2 за ГОСТ 4543-71
|
14Х17Н2 за ГОСТ 5632-72 |
від мінус 40
до плюс 400
|
06ХР28МДТ
за ГОСТ 5632-72
|
20Х13 за ГОСТ 5632-72 |
від мінус 70
до плюс 400
|
45Х14Н14В2М
за ГОСТ 5632-72
|
12Х18Н9Т
за ГОСТ 5632-72
|
від мінус 40
до плюс 450
|
12Х18Н9Т
10Х17Н13М3Т
за ГОСТ 5632-72
|
20Х13 за ГОСТ 5632-72 |
від мінус 40
до плюс 510
|
15Х5М
за ГОСТ 5632-72
|
25Х1МФ
за ГОСТ 20072-74
|
30ХМА
за ГОСТ 4543-71
|
від мінус 80
до плюс 600
|
12Х18Н9Т
за ГОСТ 5632-72
|
45Х14Н14В2М за ГОСТ 5632-72 |
12Х18Н9Т за ГОСТ 5632-72 |
від мінус 253
до плюс 600
|
10Х17Н13М3Т)
за ГОСТ 5632-72
|
10Х17Н13М3Т за ГОСТ 5632-72 |
10Х17Н13М3Т за ГОСТ 5632-72 |
| Тип фланця |
Параметри середовища |
Марка матеріалу |
| тискномінальний (умовний) PN, МПа |
розрахункова
температура,°С
|
фланця |
болта (шпильки) |
гайки |
Сталевий вільний на приварному кільці за
ГОСТ 12822-80
|
від 0,1 до 2,5 |
від мінус 30
до плюс 300
|
Ст3сп не нижче 2-й категорії
за ДСТУ 2651-94
|
Стали 20, 25, 35
за ГОСТ 1050-88
|
Стали 10, 20, 25
за ГОСТ 1050-88
|
| 20Х13 за ГОСТ 5632-72 |
2. Практична частина. Завдання 1
Для посудини 3 групи за ГСТУ 3-17-191-2000 підібрати фланцеве з'єднання штуцера апарата умовним проходом DN 100 мм. Робочий тиск в апараті 0,7 МПа, робоча температура 285 °С. Матеріал корпуса апарата сталь марки 09Г2С. Середовище в апараті 3 класу небезпеки за ГОСТ 12.1.007-76.
Виконання завдання:
Матеріал фланця приймаємо як матеріал штуцера – сталь марки 09Г2С.
За таблицею 2 для тиску 0,7 МПа при температурі 285 °С приймаємо плоскі приварні фланці номінальним тиском PN 1,0 МПа.
За таблицею 1 для сталевих плоских приварних фланців зі сталі марки 09Г2С при номінальному (умовному) тиску PNвід 0,1 до 2,5 МПа та розрахунковій температурі 285 °С приймаємо матеріал болтів та гайок – сталь марки 14Х17Н2.
За таблицею 3 для речовин 3 класу небезпеки за ГОСТ 12.1.007-76 приймаємо групу трубопроводу А(б).
За таблицею Б.1 для речовин групи А(б) при номінальному (умовному) тиску PN до 2,5 МПа для штуцерів апарата приймаємо фланці зі з’єднувальним виступом.

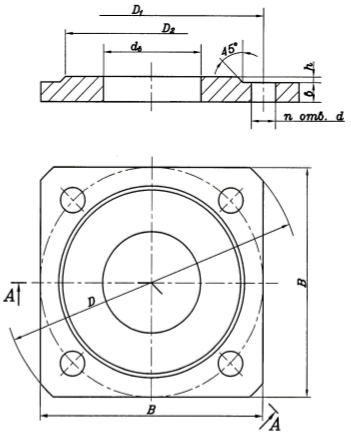
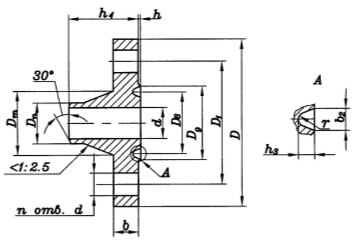
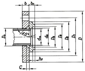
Рисунок 1 – Фланець штуцера апарата
Розміри фланця зі з’єднувальним виступом (виповнення 1), виготовленого зі сталі 09Г2Сз умовним проходом DN 100 мм на номінальний тиск PN 1 МПа приймаємо за таблицею А.1:
dв=110 мм;
D=215мм;
D1
=180мм;
D2
=158мм;
b=19 мм;
h=3мм;
n=4 мм;
d=18мм;
болти М16.
Умовне позначення фланця штуцера:
Фланец 1-100 А-10 ст.09Г2С ГОСТ 12820-80.
За таблицею Д.1 додатку Д для сухих нейтральних газів при робочих параметрах для фланців штуцерів апарата приймаємо прокладки з парониту загального призначення (ПОН) за ГОСТ 481-80.
За таблицею Д.1 додатку Д для фланців з ущільнювальною поверхнею зі з’єднувальним виступом (виповнення 1) приймаємо прокладку виповнення А. Розміри плоскої еластичної прокладки для фланця з умовним проходом DN 100 мм на номінальний (умовний) тиск PN 1,0 МПа приймаємо за таблицею Д.3 додатку Д:
D=161 мм; d=106 мм.
Умовне позначення прокладки з умовним проходом DN 100 мм на номінальний тиск PN 1 МПа, виготовленої з парониту загального призначення (ПОН):
Прокладка А-100-10-ПОН ГОСТ 15180-86.
Таблиця 2 – Типи і межі застосування фланців арматури, з’єднувальних частин і трубопроводів
| Тип фланця |
Тискномінальний (умовний) PN, МПа |
Прохід умовний (номінальнийрозмір) DN, мм |
Розрахункова
температура, ºС
|
| Фланці арматури, з’єднувальних частин і трубопроводів сталеві плоскі приварні |
0,25
0,6
1,0
1,6
2,5
|
10-2400
10-1600
10-1600
10-1200
10-800
|
від мінус 70
до плюс 300
|
| Фланці арматури, з’єднувальних частин і трубопроводів сталеві приварні встик |
0,25; 0,6;
1,0; 1,6; 2,5; 4,0; 6,3
10,0
16,0
20,0
|
10-1600
10-1200
10-1200
10-400
10-300
10-250
|
від мінус 253
до плюс 600
|
| Фланці арматури, з’єднувальних частин і трубопроводів сталеві вільні на приварному кільці |
0,25; 0,6
1,0; 1,6 і 2,5
|
10-250 |
від мінус 30
до плюс 300
|
Таблиця 3 – Групи технологічних трубопроводів
| Групатрубопроводу |
Речовини, що транспортуються |
| А |
Шкідливі речовини:
а) речовини 1, 2 класів небезпеки за ГОСТ 12.1.007–76;
б) речовини 3 класу небезпеки за ГОСТ 12.1.007–76.
|
| Б |
Вибухо-та пожежонебезпечніречовини:
а) горючі гази, у тому числі зріджені вуглеводневігази;
б) легкозаймисті рідини;
в) горючі рідини.
|
| В |
Важкогорючі і негорючі. |
Список літератури
1 Долгинов Л.Ш., Прокопов В.К., Самсонов Ю.А. Расчет и конструирование фланцевых соединений судовых трубопроводов и сосудов. – Л.: Судостроение, 1972. – 264 с.
2 Стороженко В.Я. Конструювання та розрахунок рознімних герметичних з’єднань. – Київ.: ІЗМН, 1998. – 208 с.
3 Тавастшерна Р.И. Изготовление и монтаж технологических трубопроводов. – М.: Высшая школа, 1990. – 256 с.
4 Тимошук А.С., Михалев М.Ф., Третьяков Н.П., Мильченко А.И., Зобнин В.В. Основы расчета и конструирования машин и аппаратов химических производств. Герметичность оборудования. – Л.: изд. ЛТИ им. Ленсовета, 1985. – 159 с.
5 ПБ 03-585-03. Правила устройства и безопасной эксплуатации технологических трубопроводов. – М.: ПИО ОБТ, 2003. – 131 с.
6 ГОСТ 1759.0-87. Болты, винты, шпильки и гайки. Технические условия. – М.: Издательство стандартов, 1988. – 23 с.
7 ГОСТ 1759.4-87. Болты, винты и шпильки. Механические свойства и методы испытаний. – М.: Издательство стандартов, 1988. – 23 с.
8 ГОСТ 1759.5-87. Гайки. Механические свойства и методы испытаний. – М.: Издательство стандартов, 1988. – 13 с.
9 ГОСТ 5915-70. Гайки шестигранные (нормальной точности). Конструкция и размеры. – М.: Издательство стандартов, 1972. – 4 с.
10 ГОСТ 7798-70. Болты с шестигранной головкой (нормальной точности). Конструкция и размеры. – М.: Издательство стандартов, 1972. – 10 с.
11 ГОСТ 9064-75. Гайки для фланцевых соединений с температурой среды от 0 до 650 °С. Типы и основные размеры. – М.: Издательство стандартов, 1975. – 6 с.
12 ГОСТ 9065-75. Шайбы для фланцевых соединений с температурой среды от 0 до 650 °С. Типы и основные размеры. – М.: Издательство стандартов, 1975. – 3 с.
13 ГОСТ 9066-75. Шпильки для фланцевых соединений с температурой среды от 0 до 650 °С. Типы и основные размеры. – М.: Издательство стандартов, 1975. – 28 с.
14 ГОСТ 10493-81. Линзы уплотнительные жесткие и компенсирующие на Ру
20-100 МПа. – М.: Издательство стандартов, 1981. –
8 с.
15 ГОСТ 10494-80. Шпильки для фланцевих соединений с линзовым уплотнением на Ру
свыше 10 до 100 МПа. Технические условия. – М.: Издательство стандартов, 1981. – 9 с.
16 ГОСТ 10495-80. Гайки для фланцевих соединенийна Ру
свыше 10 до 100МПа. Технические условия. – М.: Издательство стандартов, 1981. – 4 с.
17 ГОСТ 12815-80. Фланцы арматуры, соединительных частей и трубопроводов на Ру
от 0,1 до 20,0 МПа. Типы. Присоединительные размеры и размеры уплотнительных поверхностей. – М.: Издательство стандартов, 1989. – 28 с.
18 ГОСТ 12816-80. Фланцы арматуры, соединительных частей и трубопроводов на Ру
от 0,1 до 20,0 МПа. Общие технические требования. – М.: Издательство стандартов, 1989. – 10 с.
19 ГОСТ 12820-80. Фланцы стальные плоские приварные на Ру
от 0,1 до 2,5 МПа. Конструкция и размеры. – М.: Издательство стандартов, 1989. – 16 с.
20 ГОСТ 12821-80. Фланцы стальные приварные встык на Ру
от 0,1 до 20,0 МПа. Конструкция и размеры. – М.: Издательство стандартов, 1989. – 30 с.
21 ГОСТ 12822-80. Фланцы стальные свободные на приварном кольце на Ру
от 0,1 до 2,5 МПа. Конструкция и размеры. – М.: Издательство стандартов, 1989. – 16 с.
22 ГОСТ 15180-86. Прокладки плоские эластичные. Основные параметры и размеры. – М.: Издательство стандартов, 1987. – 21 с.
23 ГОСТ 20700-75. Шпильки, гайки и шайбы для фланцевых соединений с температурой среды от 0 до 650 °С. Технические требования. – М.: Издательство стандартов, 1975. – 17 с.
24 ГОСТ 22042-76. Шпильки для деталей с гладкими отверстиями. Класс точности В. Конструкция и размеры. – М.: Издательство стандартов, 1987. – 14 с.
25 ГОСТ 28759.7-90. Прокладки асбометаллические. Конструкция и размеры. Технические требования. М.: Изд-во стандартов, 1991. – 7 с.
26 ОСТ 26.260.454-99. Прокладки спирально-навитые. Типы и размеры. Общие технические требования. 1999. – 20 с.
27 АТК 24-200.02-90.Заглушки фланцевые стальные. Конструкция, размеры и технические требования. 1990. – 39 с.
28 АТК 26-18-6-93. Прокладки овального и восьмиугольного сечения стальные. Конструкция и размеры. Технические требования. 1993. – 4 с.
29 РД 38.13.004-86. Эксплуатация и ремонт технологических трубопроводов под давлением до 10,0 МПа (100 кгс/см2
): Нормат. производ. изд./ А.Е. Фолиянц, Н.В. Мартынов, В.Б. Серебряный и др.; Под ред. А.Е. Фолиянца. –М.: Химия,1988. –288 с.
30 Новое поколение высокоэффективных уплотнений: опыт применения в нефтехимии и арматуростроении /В.В. Авдеев / Химическое и нефтегазовое машиностроение. 2002. № 1. с. 28-29.
31 Фланцевые прокладки из материала нового поколения ГРАФЛЕКС на основе терморасширенного графита /В.В. Авдеев. Г.А. Уланов / Химическое и нефтегазовое машиностроение. – 2002. № 5. с. 38-40.
32 Контактные уплотнения для герметизации неподвижных разъемных соединений / В.В. Буренин // Химическое и нефтегазовое машиностроение. – 2002. № 11. с. 12-15.
33 Современные уплотнительные материалы на основе терморасширенного графита производства ЗАО «НОВОМЕТ» / О.Ю.Исаев // Химическое и нефтегазовое машиностроение. – 2002. № 12. с. 25-27.
34 Методичні вказівки до вибору фланцевих з’єднань посудин та апаратів для студентів спеціальності 7.090220. / Укл. О.І Барвін, В.В. Іванченко, І.М. Гєнкіна, В.Г. Табунщіков, Г.В. Тараненко, Ю.М. Штонда. – Сєвєродонецьк: СТІ, 2006. – 94 с.
Додатки
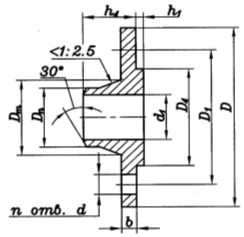
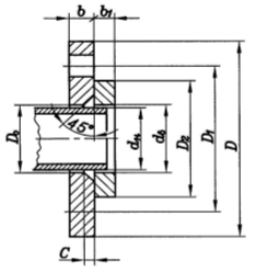
Додаток А. Конструкції та розміри сталевих плоских приварних фланців арматури, з’єднувальних частин і трубопроводів [19]
Конструкція та розміри фланців наведені на рисунках А.1-А.3, А.6 і в таблиці А.1.
Допускається виготовлення фланців із ущільнювальними поверхнями виповнень 4, 5, 8 і 9 (рисунки А.4, А.5).
Розміри ущільнювальних поверхонь для фланців виповнень 8, 9 під фторопластові прокладки наведені в таблиці А.2.
Маса фланців наведена в таблиці В.1 додатку В.
Приклад умовного позначення круглого сталевого плоского приварного фланця на умовний прохід (номінальний розмір) DN 50 мм і на номінальний (умовний) тиск PN 1,0 МПа зі сталі 25 виповнення 1 (зі з’єднувальним виступом):
Фланец 1-50-10 ст. 25 ГОСТ 12820-80.
Те ж, квадратного: Фланец квадратный 1-50-10 ст. 25 ГОСТ 12820-80.
Для фланців типу „шип–паз” під фторопластові прокладки до умовного позначення слід додавати букву Ф після позначення умовного тиску.

Рисунок А.1 – Фланець сталевий плоский приварний зі з’єднувальним виступом (виповнення 1)

Рисунок А.2 – Фланець сталевий плоский приварний з виступом (виповнення 2)

Рисунок А.3 – Фланець сталевий плоский приварний із западиною (виповнення 3)

Рисунок А.4 – Фланець сталевий плоский приварний з шипом (виповнення 4 і 8)

Рисунок А.5 – Фланець сталевий плоский приварний з пазом (виповнення 5 і 9)

Рисунок А.6 – Фланець квадратний
Таблиця А.1 – Фланці сталеві плоскі приварні для арматури і трубопроводів
Розміри в міліметрах
Прохід
умовний DN
|
Тиск номінальній (умовний) PN 0,25 МПа |
Зовнішній
діаметр труби

|
 |
 |
 |
 |
 |
 |
 |
 |
 |
 |
 |
 |
 |
 |
Болти
(шпильки)
|
| діаметр |
кількість |
| 10 |
14 |
15 |
75 |
50 |
35 |
19 |
29 |
18 |
30 |
8 |
2 |
4 |
3 |
60 |
11 |
М10 |
4 |
| 15 |
18 |
19 |
80 |
55 |
40 |
23 |
33 |
22 |
34 |
65 |
| 20 |
25 |
26 |
90 |
65 |
50 |
33 |
43 |
32 |
44 |
10 |
70 |
| 25 |
32 |
33 |
100 |
75 |
60 |
41 |
51 |
40 |
52 |
75 |
| 32 |
38 |
39 |
120 |
90 |
70 |
49 |
59 |
48 |
60 |
95 |
14 |
М12 |
| 40 |
45 |
46 |
130 |
100 |
80 |
55 |
69 |
54 |
70 |
3 |
100 |
| 50 |
57 |
59 |
140 |
110 |
90 |
66 |
80 |
65 |
81 |
110 |
| 65 |
76 |
78 |
160 |
130 |
110 |
86 |
100 |
85 |
101 |
11 |
125 |
| 80 |
89 |
91 |
185 |
150 |
128 |
101 |
115 |
100 |
116 |
140 |
18 |
М16 |
| 100 |
108 |
110 |
205 |
170 |
148 |
117 |
137 |
116 |
138 |
155 |
| 125 |
133 |
135 |
235 |
200 |
178 |
146 |
166 |
145 |
167 |
13 |
- |
8 |
| 150 |
159 |
161 |
260 |
225 |
202 |
171 |
191 |
170 |
192 |
| 200 |
219 |
222 |
315 |
280 |
258 |
229 |
249 |
228 |
250 |
15 |
| 250 |
273 |
273 |
370 |
335 |
312 |
283 |
303 |
282 |
304 |
18 |
12 |
| 300 |
325 |
325 |
435 |
395 |
365 |
336 |
356 |
335 |
357 |
4 |
5 |
4 |
22 |
М20 |
| 350 |
377 |
377 |
485 |
445 |
415 |
386 |
406 |
385 |
407 |
18 |
| 400 |
426 |
426 |
535 |
495 |
465 |
436 |
456 |
435 |
457 |
16 |
| 500 |
530 |
530 |
640 |
600 |
570 |
541 |
561 |
540 |
562 |
20 |
| 600 |
630 |
630 |
755 |
705 |
670 |
635 |
661 |
634 |
662 |
5 |
6 |
5 |
26 |
М24 |
20 |
| 800 |
820 |
820 |
975 |
920 |
880 |
841 |
867 |
840 |
868 |
21 |
30 |
М27 |
24 |
| 1000 |
1020 |
1020 |
1175 |
1120 |
1080 |
- |
- |
- |
- |
25 |
5 |
- |
- |
- |
30 |
М27 |
28 |
| 1200 |
1220 |
1220 |
1375 |
1320 |
1280 |
32 |
| Тиск номінальній (умовний) PN 0,6 МПа |
| 10 |
14 |
15 |
75 |
50 |
35 |
19 |
29 |
18 |
30 |
10 |
2 |
4 |
3 |
60 |
11 |
М10 |
4 |
| 15 |
18 |
19 |
80 |
55 |
40 |
23 |
33 |
22 |
34 |
65 |
| 20 |
25 |
26 |
90 |
65 |
50 |
33 |
43 |
32 |
44 |
12 |
70 |
| 25 |
32 |
33 |
100 |
75 |
60 |
41 |
51 |
40 |
52 |
75 |
| 32 |
38 |
39 |
120 |
90 |
70 |
49 |
59 |
48 |
60 |
13 |
95 |
14 |
М12 |
| 40 |
45 |
46 |
130 |
100 |
80 |
55 |
69 |
54 |
70 |
3 |
100 |
| 50 |
57 |
59 |
140 |
110 |
90 |
66 |
80 |
65 |
81 |
110 |
| 65 |
76 |
78 |
160 |
130 |
110 |
86 |
100 |
85 |
101 |
125 |
14 |
| 80 |
89 |
91 |
185 |
150 |
128 |
101 |
115 |
100 |
116 |
15 |
140 |
18 |
М16 |
| 100 |
108 |
110 |
205 |
170 |
148 |
117 |
137 |
116 |
138 |
155 |
| 125 |
133 |
135 |
235 |
200 |
178 |
146 |
166 |
145 |
167 |
17 |
- |
8 |
| 150 |
159 |
161 |
260 |
225 |
202 |
171 |
191 |
170 |
192 |
| 200 |
219 |
222 |
315 |
280 |
258 |
229 |
249 |
228 |
250 |
19 |
| 250 |
273 |
273 |
370 |
335 |
312 |
283 |
303 |
282 |
304 |
20 |
12 |
| 300 |
325 |
325 |
435 |
395 |
365 |
336 |
356 |
335 |
357 |
4 |
5 |
4 |
22 |
М20 |
| 350 |
377 |
377 |
485 |
445 |
415 |
386 |
406 |
385 |
407 |
22 |
Прохід
умовний DN
|
Тиск номінальній (умовний) PN 0,6 МПа |
| 125 |
133 |
135 |
235 |
200 |
178 |
146 |
166 |
145 |
167 |
17 |
3 |
4 |
3 |
- |
18 |
М16 |
8 |
| 150 |
159 |
161 |
260 |
225 |
202 |
171 |
191 |
170 |
192 |
| 200 |
219 |
222 |
315 |
280 |
258 |
229 |
249 |
228 |
250 |
19 |
| 250 |
273 |
273 |
370 |
335 |
312 |
283 |
303 |
282 |
304 |
20 |
12 |
| 300 |
325 |
325 |
435 |
395 |
365 |
336 |
356 |
335 |
357 |
4 |
5 |
4 |
22 |
М20 |
| 350 |
377 |
377 |
485 |
445 |
415 |
386 |
406 |
385 |
407 |
22 |
| 400 |
426 |
426 |
535 |
495 |
465 |
436 |
456 |
435 |
457 |
24 |
16 |
| 500 |
530 |
530 |
640 |
600 |
570 |
541 |
561 |
540 |
562 |
25 |
| 600 |
630 |
630 |
755 |
705 |
670 |
635 |
661 |
634 |
662 |
5 |
6 |
5 |
26 |
М24 |
20 |
| 800 |
820 |
820 |
975 |
920 |
880 |
841 |
867 |
840 |
868 |
27 |
30 |
М27 |
24 |
| 1000 |
1020 |
1020 |
1175 |
1120 |
1080 |
- |
- |
- |
- |
31 |
- |
- |
28 |
| 1200 |
1220 |
1220 |
1400 |
1340 |
1295 |
34 |
33 |
М30 |
32 |
| Тиск номінальній (умовний) PN 1,0 МПа |
| 10 |
14 |
15 |
90 |
60 |
42 |
24 |
34 |
23 |
35 |
10 |
2 |
4 |
3 |
70 |
14 |
М12 |
4 |
| 15 |
18 |
19 |
95 |
65 |
47 |
29 |
39 |
28 |
40 |
75 |
| 20 |
25 |
26 |
105 |
75 |
58 |
36 |
50 |
35 |
51 |
12 |
80 |
| 25 |
32 |
33 |
115 |
85 |
68 |
43 |
57 |
42 |
58 |
90 |
| 32 |
38 |
39 |
135 |
100 |
78 |
51 |
65 |
50 |
66 |
14 |
105 |
18 |
М16 |
| 40 |
45 |
46 |
145 |
110 |
88 |
61 |
75 |
60 |
76 |
15 |
3 |
110 |
Прохід
умовний DN
|
Тиск номінальній (умовний) PN 1,0 МПа |
| 50 |
57 |
59 |
160 |
125 |
102 |
73 |
87 |
72 |
88 |
15 |
3 |
4 |
3 |
125 |
18 |
М16 |
4 |
| 65 |
76 |
78 |
180 |
145 |
122 |
95 |
109 |
94 |
110 |
17 |
140 |
| 80 |
89 |
91 |
195 |
160 |
133 |
106 |
120 |
105 |
121 |
150 |
| 100 |
108 |
110 |
215 |
180 |
158 |
129 |
149 |
128 |
150 |
19 |
- |
8 |
| 125 |
133 |
135 |
245 |
210 |
184 |
155 |
175 |
154 |
176 |
21 |
| 150 |
159 |
161 |
280 |
240 |
212 |
183 |
203 |
182 |
204 |
22 |
М20 |
| 200 |
219 |
222 |
335 |
295 |
268 |
239 |
259 |
238 |
260 |
21 |
3 |
4 |
3 |
8 |
| 250 |
273 |
273 |
390 |
350 |
320 |
292 |
312 |
291 |
313 |
23 |
12 |
| 300 |
325 |
325 |
440 |
400 |
370 |
343 |
363 |
342 |
364 |
24 |
4 |
5 |
4 |
| 350 |
377 |
377 |
500 |
460 |
430 |
395 |
421 |
394 |
422 |
24 |
16 |
| 400 |
426 |
426 |
565 |
515 |
482 |
447 |
473 |
446 |
474 |
26 |
26 |
М24 |
16 |
| 500 |
530 |
530 |
670 |
620 |
585 |
549 |
575 |
548 |
576 |
28 |
20 |
| 600 |
630 |
630 |
780 |
725 |
685 |
651 |
677 |
650 |
678 |
31 |
5 |
6 |
5 |
30 |
М27 |
| 800 |
820 |
820 |
1010 |
950 |
905 |
851 |
877 |
850 |
878 |
37 |
33 |
М30 |
24 |
| 1000 |
1020 |
1020 |
1220 |
1160 |
1110 |
- |
- |
- |
- |
43 |
- |
- |
28 |
| 1200 |
1220 |
1220 |
1455 |
1380 |
1330 |
51 |
39 |
М36 |
32 |
| Тиск номінальній (умовний) PN 1,6 МПа |
| 10 |
14 |
15 |
90 |
60 |
42 |
24 |
34 |
23 |
35 |
12 |
2 |
4 |
3 |
70 |
14 |
М12 |
4 |
| 15 |
18 |
19 |
95 |
65 |
47 |
29 |
39 |
28 |
40 |
75 |
Прохід
умовний DN
|
Тиск номінальній (умовний) PN 1,0 МПа |
| Тиск номінальній (умовний) PN 1,6 МПа |
| 20 |
25 |
26 |
105 |
75 |
58 |
36 |
50 |
35 |
51 |
14 |
2 |
4 |
3 |
80 |
14 |
М12 |
4 |
| 25 |
32 |
33 |
115 |
85 |
68 |
43 |
57 |
42 |
58 |
16 |
90 |
| 32 |
38 |
39 |
135 |
100 |
78 |
51 |
65 |
50 |
66 |
105 |
18 |
М16 |
| 40 |
45 |
46 |
145 |
110 |
88 |
61 |
75 |
60 |
76 |
17 |
3 |
110 |
| 50 |
57 |
59 |
160 |
125 |
102 |
73 |
87 |
72 |
88 |
19 |
125 |
| 65 |
76 |
78 |
180 |
145 |
122 |
95 |
109 |
94 |
110 |
21 |
140 |
| 80 |
89 |
91 |
195 |
160 |
133 |
106 |
120 |
105 |
121 |
150 |
| 100 |
108 |
110 |
215 |
180 |
158 |
129 |
149 |
128 |
150 |
23 |
- |
8 |
| 125 |
133 |
135 |
245 |
210 |
184 |
155 |
175 |
154 |
176 |
25 |
| 150 |
159 |
161 |
280 |
240 |
212 |
183 |
203 |
182 |
204 |
25 |
22 |
М20 |
| 200 |
219 |
222 |
335 |
295 |
268 |
239 |
259 |
238 |
260 |
27 |
22 |
М20 |
12 |
| 250 |
273 |
273 |
405 |
355 |
320 |
292 |
312 |
291 |
313 |
28 |
26 |
М24 |
| 300 |
325 |
325 |
460 |
410 |
370 |
343 |
363 |
342 |
364 |
4 |
5 |
4 |
| 350 |
377 |
377 |
520 |
470 |
430 |
395 |
421 |
394 |
422 |
30 |
16 |
| 400 |
426 |
426 |
580 |
525 |
482 |
447 |
473 |
446 |
474 |
34 |
30 |
М27 |
| 500 |
530 |
530 |
710 |
650 |
585 |
549 |
575 |
548 |
576 |
44 |
33 |
М30 |
20 |
| 600 |
630 |
630 |
840 |
770 |
685 |
651 |
677 |
650 |
678 |
45 |
5 |
6 |
5 |
39 |
М36 |
| 800 |
820 |
820 |
1020 |
950 |
905 |
851 |
877 |
850 |
878 |
49 |
24 |
Прохід
Умовний DN
|
Тиск номінальній (умовний) PN 1,6 МПа |
| 1000 |
1020 |
1020 |
1255 |
1170 |
1110 |
- |
- |
- |
- |
58 |
5 |
- |
- |
- |
45 |
М42 |
28 |
| 1200 |
1220 |
1220 |
1485 |
1390 |
1330 |
71 |
52 |
М48 |
32 |
| Тиск номінальній (умовний) PN 2,5 МПа |
| 10 |
14 |
15 |
90 |
60 |
42 |
24 |
34 |
23 |
35 |
14 |
2 |
4 |
3 |
70 |
14 |
М12 |
4 |
| 15 |
18 |
19 |
95 |
65 |
47 |
29 |
39 |
28 |
40 |
75 |
| 20 |
25 |
26 |
105 |
75 |
58 |
36 |
50 |
35 |
51 |
80 |
| 25 |
32 |
33 |
115 |
85 |
68 |
43 |
57 |
42 |
58 |
90 |
| 32 |
38 |
39 |
135 |
100 |
78 |
51 |
65 |
50 |
66 |
18 |
105 |
18 |
М16 |
| 40 |
45 |
46 |
145 |
110 |
88 |
61 |
75 |
60 |
76 |
19 |
3 |
110 |
| 50 |
57 |
59 |
160 |
125 |
102 |
73 |
87 |
72 |
88 |
21 |
115 |
| 65 |
76 |
78 |
180 |
145 |
122 |
95 |
109 |
94 |
110 |
- |
8 |
| 80 |
89 |
91 |
195 |
160 |
133 |
106 |
120 |
105 |
121 |
23 |
| 100 |
108 |
110 |
230 |
190 |
158 |
129 |
149 |
128 |
150 |
25 |
22 |
М24 |
| 125 |
133 |
135 |
270 |
220 |
184 |
155 |
175 |
154 |
176 |
27 |
26 |
| 150 |
159 |
161 |
300 |
250 |
212 |
183 |
203 |
182 |
204 |
| 200 |
219 |
222 |
360 |
310 |
278 |
239 |
259 |
238 |
260 |
29 |
12 |
| 250 |
273 |
273 |
425 |
370 |
335 |
292 |
312 |
291 |
313 |
31 |
30 |
М27 |
| 300 |
325 |
325 |
485 |
430 |
390 |
343 |
363 |
342 |
364 |
32 |
4 |
5 |
4 |
16 |
| 350 |
377 |
377 |
550 |
490 |
450 |
395 |
421 |
394 |
422 |
38 |
33 |
М30 |
Прохід
умовний DN
|
Тиск номінальній (умовний) PN 2,5 МПа |
| діаметр |
кількість |
| 400 |
426 |
426 |
610 |
550 |
505 |
447 |
473 |
446 |
474 |
40 |
4 |
5 |
4 |
33 |
М30 |
16 |
| 500 |
530 |
530 |
730 |
660 |
615 |
549 |
575 |
548 |
576 |
48 |
39 |
М36 |
20 |
| 600 |
630 |
630 |
840 |
770 |
720 |
651 |
677 |
650 |
678 |
49 |
5 |
6 |
5 |
| 800 |
820 |
820 |
1075 |
990 |
930 |
851 |
877 |
850 |
878 |
63 |
45 |
М42 |
24 |
Таблиця А.2 – Фланці сталеві для арматури і трубопроводів під фторопластові прокладки (виповнення 8 і 9)
Розміри в міліметрах
Прохід умовний
DN
|
Тиск номінальний (умовний) PN, МПа |
 |
 |
 |
 |
| 10 |
до 0,63 |
18 |
30 |
4 |
3 |
| понад 0,63 до 10 |
23 |
35 |
| 15 |
до 0,63 |
22 |
34 |
| понад 0,63 до 20 |
28 |
40 |
| 20 |
до 0,63 |
32 |
44 |
| понад 0,63 до 20 |
35 |
51 |
| 25 |
до 0,63 |
40 |
52 |
| понад 0,63 до 20 |
42 |
58 |
| 32 |
до 0,63 |
48 |
60 |
| понад 0,63 до 20 |
50 |
66 |
| 40 |
до 0,63 |
54 |
70 |
| понад 0,63 до 20 |
60 |
76 |
| 50 |
до 0,63 |
65 |
81 |
| понад 0,63 до 20 |
72 |
88 |
| 65 |
до 0,63 |
85 |
101 |
| понад 0,63 до 20 |
94 |
110 |
| 80 |
до 0,63 |
100 |
116 |
| понад 0,63 до 20 |
105 |
121 |
| 100 |
до 0,63 |
116 |
138 |
6 |
5 |
| понад 0,63 до 20 |
150 |
150 |
| 125 |
до 0,63 |
145 |
167 |
| понад 0,63 до 20 |
154 |
176 |
| 150 |
до 0,63 |
170 |
192 |
| понад 0,63 до 20 |
182 |
204 |
Прохід умовний
DN
|
Тиск номінальний (умовний) PN, МПа |
 |
 |
 |
 |
| 200 |
до 0,63 |
228 |
250 |
6 |
5 |
| понад 0,63 до 20 |
238 |
260 |
| 250 |
до 0,63 |
282 |
304 |
| понад 0,63 до 20 |
291 |
313 |
| 300 |
до 0,63 |
335 |
357 |
| понад 0,63 до 16 |
342 |
364 |
| 350 |
до 0,63 |
385 |
407 |
| понад 0,63 до 10 |
394 |
422 |
| 400 |
до 0,63 |
435 |
457 |
| понад 0,63 до 10 |
446 |
474 |
| 450 |
до 0,63 |
488 |
510 |
| понад 0,63 до 4,0 |
496 |
524 |
| 500 |
до 0,63 |
540 |
562 |
| понад 0,63 до 6,3 |
548 |
576 |
| 600 |
до 0,63 |
634 |
662 |
| понад 0,63 до 6,3 |
650 |
678 |
| 800 |
до 0,63 |
840 |
868 |
| понад 0,63 до 4,0 |
850 |
878 |
| Примітка – Решта розмірів фланців наведена в таблиці А.1. |
Додаток Б.
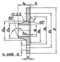
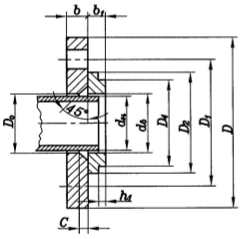
Конструкції та розміри сталевих приварних встик фланців арматури, з’єднувальних частин і трубопроводів [20]
Конструкції та розміри фланців наведені на рисунках Б.1-Б.9 і в таблицях Б.1-Б.5.
Розміри ущільнювальних поверхонь для фланців виповнень 8, 9 під фторопластові прокладки наведені в таблиці А.2 додатку А.
Приклад умовного позначення круглого сталевого приварного встик фланця на умовний прохід (номінальний розмір) DN 50 мм і на номінальний (умовний) тиск PN 1,0 МПа, зі сталі 25, виповнення 1 (зі з’єднувальним виступом):
Фланец 1-50-10 Ст 25 ГОСТ 12821-80.
Те ж, квадратного:
Фланецквадратный 1-50-10 Ст 25 ГОСТ 12821-80.
Для фланців типу „шип-паз” під фторопластові прокладки до умовного позначення слід додавати букву Ф після позначення умовного тиску.
Маса фланців наведена в таблиці В.1, В.2 додатку В.

Рисунок Б.1 – Фланець сталевий приварний встик зі з’єднувальним виступом (виповнення 1)

Рисунок Б.2 – Фланець сталевий приварний встик з виступом (виповнення 2)

Рисунок Б.3 – Фланець сталевий приварний встик із западиною (виповнення 3)

Рисунок Б.4 – Фланець сталевий приварний встик з шипом (виповнення 4 і 8)

Рисунок Б.5 – Фланець сталевий приварний встик з пазом (виповнення 5 і 9)

Рисунок Б.6 – Фланець сталевий приварний встик під лінзову прокладку (виповнення 6)

Рисунок Б.7 – Фланець сталевий приварний встик під прокладку овального перерізу (виповнення 7)
Таблиця Б.1 – Фланці сталеві приварні встик для арматури і трубопроводів. Розміри в міліметрах
Прохід
умовний DN
|
Тиск номінальній (умовний) PN 0,25 МПа |
 |
 |
 |
 |
 |
 |
 |
 |
 |
 |
 |
 |
 |
 |
 |
 |
 |
Болти
(шпильки)
|
| діаметр |
кількість |
| 10 |
8 |
75 |
50 |
35 |
19 |
29 |
18 |
30 |
15 |
22 |
8 |
2 |
4 |
3 |
23 |
60 |
11 |
М10 |
4 |
| 15 |
12 |
80 |
55 |
40 |
23 |
33 |
22 |
34 |
19 |
28 |
26 |
65 |
| 20 |
18 |
90 |
65 |
50 |
33 |
43 |
32 |
44 |
26 |
36 |
28 |
70 |
| 25 |
25 |
100 |
75 |
60 |
41 |
51 |
40 |
52 |
33 |
42 |
75 |
| 32 |
31 |
120 |
90 |
70 |
49 |
59 |
48 |
60 |
39 |
50 |
95 |
14 |
М12 |
| 40 |
38 |
130 |
100 |
80 |
55 |
69 |
54 |
70 |
46 |
60 |
9 |
3 |
33 |
100 |
| 50 |
49 |
140 |
110 |
90 |
66 |
80 |
65 |
81 |
58 |
70 |
110 |
| 65 |
66 |
160 |
130 |
110 |
86 |
100 |
85 |
101 |
77 |
88 |
125 |
| 80 |
78 |
185 |
150 |
128 |
101 |
115 |
100 |
116 |
90 |
102 |
11 |
35 |
140 |
18 |
М16 |
| 100 |
96 |
205 |
170 |
148 |
117 |
137 |
116 |
138 |
110 |
122 |
37 |
155 |
| 125 |
121 |
235 |
200 |
178 |
146 |
166 |
145 |
167 |
135 |
148 |
– |
8 |
| 150 |
146 |
260 |
225 |
202 |
171 |
191 |
170 |
192 |
161 |
172 |
38 |
| 200 |
202 |
315 |
280 |
258 |
229 |
249 |
228 |
250 |
222 |
235 |
13 |
45 |
| 250 |
254 |
370 |
335 |
312 |
283 |
303 |
282 |
304 |
278 |
288 |
16 |
12 |
| 300 |
303 |
435 |
395 |
365 |
336 |
356 |
335 |
357 |
330 |
340 |
4 |
5 |
4 |
22 |
М20 |
| 350 |
351 |
485 |
445 |
415 |
386 |
406 |
385 |
407 |
382 |
390 |
| 400 |
398 |
535 |
495 |
465 |
436 |
456 |
435 |
457 |
432 |
440 |
16 |
| 500 |
501 |
640 |
600 |
570 |
541 |
561 |
540 |
562 |
535 |
545 |
19 |
50 |
| 600 |
602 |
755 |
705 |
670 |
635 |
661 |
634 |
662 |
636 |
650 |
5 |
6 |
5 |
55 |
26 |
М24 |
20 |
| 800 |
792 |
975 |
920 |
880 |
841 |
867 |
840 |
868 |
826 |
844 |
60 |
30 |
М27 |
24 |
Прохід
умовний DN
|
Тиск номінальній (умовний) PN 0,25 МПа |
| 1000 |
992 |
1175 |
1120 |
1080 |
– |
– |
– |
– |
1028 |
1044 |
21 |
5 |
6 |
5 |
60 |
– |
30 |
М27 |
28 |
| 1200 |
1192 |
1375 |
1320 |
1280 |
1228 |
1244 |
23 |
65 |
32 |
| Тиск номінальній (умовний) PN 0,6 МПа |
| 10 |
8 |
75 |
50 |
35 |
19 |
29 |
18 |
30 |
15 |
22 |
10 |
2 |
4 |
3 |
27 |
60 |
11 |
М10 |
4 |
| 15 |
12 |
80 |
55 |
40 |
23 |
33 |
22 |
34 |
19 |
28 |
28 |
65 |
| 20 |
18 |
90 |
65 |
50 |
33 |
43 |
32 |
44 |
26 |
36 |
30 |
70 |
| 25 |
25 |
100 |
75 |
60 |
41 |
51 |
40 |
52 |
33 |
42 |
12 |
75 |
| 32 |
31 |
120 |
90 |
70 |
49 |
59 |
48 |
60 |
39 |
50 |
33 |
95 |
14 |
М12 |
| 40 |
38 |
130 |
100 |
80 |
55 |
69 |
54 |
70 |
46 |
60 |
3 |
35 |
100 |
| 50 |
49 |
140 |
110 |
90 |
66 |
80 |
65 |
81 |
58 |
70 |
110 |
| 65 |
66 |
160 |
130 |
110 |
86 |
100 |
85 |
101 |
77 |
88 |
125 |
| 80 |
78 |
185 |
150 |
128 |
101 |
115 |
100 |
116 |
90 |
102 |
13 |
37 |
140 |
18 |
М16 |
| 100 |
96 |
205 |
170 |
148 |
117 |
137 |
116 |
138 |
110 |
122 |
38 |
155 |
| 125 |
121 |
235 |
200 |
178 |
146 |
166 |
145 |
167 |
135 |
148 |
15 |
40 |
– |
8 |
| 150 |
146 |
260 |
225 |
202 |
171 |
191 |
170 |
192 |
161 |
172 |
43 |
| 200 |
202 |
315 |
280 |
258 |
229 |
249 |
228 |
250 |
222 |
235 |
17 |
50 |
| 250 |
254 |
370 |
335 |
312 |
283 |
303 |
282 |
304 |
278 |
288 |
18 |
12 |
| 300 |
303 |
435 |
395 |
365 |
336 |
356 |
335 |
357 |
330 |
340 |
4 |
5 |
4 |
22 |
М20 |
| 350 |
351 |
485 |
445 |
415 |
386 |
406 |
385 |
407 |
382 |
390 |
| 400 |
398 |
535 |
495 |
465 |
436 |
456 |
435 |
457 |
432 |
440 |
16 |
Прохід
умовний DN
|
Тиск номінальній (умовний) PN 0,6 МПа |
| 500 |
501 |
640 |
600 |
570 |
541 |
561 |
540 |
562 |
535 |
545 |
18 |
4 |
5 |
4 |
50 |
- |
22 |
М20 |
16 |
| 600 |
602 |
755 |
705 |
670 |
635 |
661 |
634 |
662 |
636 |
650 |
19 |
5 |
6 |
5 |
55 |
26 |
М24 |
20 |
| 800 |
792 |
975 |
920 |
880 |
841 |
867 |
840 |
868 |
826 |
844 |
60 |
30 |
М27 |
24 |
| 1000 |
992 |
1175 |
1120 |
1080 |
- |
- |
- |
- |
1028 |
1044 |
28 |
| 1200 |
1192 |
1400 |
1340 |
1295 |
1228 |
1248 |
23 |
70 |
33 |
М30 |
32 |
| Тиск номінальній (умовний) PN 1,0 МПа |
| 10 |
8 |
90 |
60 |
42 |
24 |
34 |
23 |
35 |
15 |
25 |
10 |
2 |
4 |
3 |
33 |
70 |
14 |
М12 |
4 |
| 15 |
12 |
95 |
65 |
47 |
29 |
39 |
28 |
40 |
19 |
30 |
75 |
| 20 |
18 |
105 |
75 |
58 |
36 |
50 |
35 |
51 |
26 |
38 |
12 |
36 |
80 |
| 25 |
25 |
115 |
85 |
68 |
43 |
57 |
42 |
58 |
33 |
45 |
38 |
90 |
| 32 |
31 |
135 |
100 |
78 |
51 |
65 |
50 |
66 |
39 |
55 |
13 |
40 |
105 |
18 |
М16 |
| 40 |
38 |
145 |
110 |
88 |
61 |
75 |
60 |
76 |
46 |
62 |
3 |
42 |
110 |
| 50 |
49 |
160 |
125 |
102 |
73 |
87 |
72 |
88 |
58 |
76 |
125 |
| 65 |
66 |
180 |
145 |
122 |
95 |
109 |
94 |
110 |
77 |
94 |
15 |
45 |
140 |
| 80 |
78 |
195 |
160 |
133 |
106 |
120 |
105 |
121 |
90 |
105 |
15 |
47 |
150 |
| 100 |
96 |
215 |
180 |
158 |
129 |
149 |
128 |
150 |
110 |
128 |
17 |
48 |
- |
8 |
| 125 |
121 |
245 |
210 |
184 |
155 |
175 |
154 |
176 |
135 |
156 |
19 |
57 |
| 150 |
146 |
280 |
240 |
212 |
183 |
203 |
182 |
204 |
161 |
180 |
22 |
М20 |
| 200 |
202 |
335 |
295 |
268 |
239 |
259 |
238 |
260 |
222 |
240 |
58 |
| 250 |
254 |
390 |
350 |
320 |
292 |
312 |
291 |
313 |
278 |
290 |
21 |
60 |
12 |
Прохід
умовний DN
|
Тиск номінальній (умовний) PN 1,0 МПа |
| 300 |
303 |
440 |
400 |
370 |
343 |
363 |
342 |
364 |
330 |
345 |
22 |
4 |
5 |
4 |
60 |
- |
22 |
М20 |
12 |
| 350 |
351 |
500 |
460 |
430 |
395 |
421 |
394 |
422 |
382 |
400 |
22 |
16 |
| 400 |
398 |
565 |
515 |
482 |
447 |
473 |
446 |
474 |
432 |
445 |
22 |
4 |
5 |
4 |
60 |
26 |
М24 |
16 |
| 500 |
501 |
670 |
620 |
585 |
549 |
575 |
548 |
576 |
535 |
550 |
24 |
65 |
20 |
| 600 |
602 |
780 |
725 |
685 |
651 |
677 |
650 |
678 |
636 |
650 |
5 |
6 |
5 |
30 |
М27 |
| 800 |
792 |
1010 |
950 |
905 |
851 |
877 |
850 |
878 |
826 |
850 |
27 |
75 |
33 |
М30 |
24 |
| 1000 |
992 |
1220 |
1160 |
1110 |
- |
- |
- |
- |
1028 |
1050 |
29 |
80 |
28 |
| 1200 |
1192 |
1455 |
1380 |
1330 |
1228 |
1256 |
33 |
90 |
39 |
М36 |
32 |
| Тиск номінальній (умовний) PN 1,6 МПа |
| 10 |
8 |
90 |
60 |
42 |
24 |
34 |
23 |
35 |
15 |
26 |
12 |
2 |
4 |
3 |
33 |
70 |
14 |
М12 |
4 |
| 15 |
12 |
95 |
65 |
47 |
29 |
39 |
28 |
40 |
19 |
30 |
75 |
| 20 |
18 |
105 |
75 |
58 |
36 |
50 |
35 |
51 |
26 |
38 |
36 |
80 |
| 25 |
25 |
115 |
85 |
68 |
43 |
57 |
42 |
58 |
33 |
45 |
38 |
90 |
| 32 |
31 |
135 |
100 |
78 |
51 |
65 |
50 |
66 |
39 |
55 |
13 |
40 |
105 |
18 |
М16 |
| 40 |
38 |
145 |
110 |
88 |
61 |
75 |
60 |
76 |
46 |
64 |
3 |
42 |
110 |
| 50 |
49 |
160 |
125 |
102 |
73 |
87 |
72 |
88 |
58 |
76 |
45 |
125 |
| 65 |
66 |
180 |
145 |
122 |
95 |
109 |
94 |
110 |
77 |
94 |
15 |
47 |
140 |
| 80 |
78 |
195 |
160 |
133 |
106 |
120 |
105 |
121 |
90 |
110 |
17 |
50 |
150 |
| 100 |
96 |
215 |
180 |
158 |
129 |
149 |
128 |
150 |
110 |
130 |
- |
8 |
| 125 |
121 |
245 |
210 |
184 |
155 |
175 |
154 |
176 |
135 |
156 |
19 |
57 |
Прохід
умовний DN
|
Тиск номінальній (умовний) PN 1,6 МПа |
| 150 |
146 |
280 |
240 |
212 |
183 |
203 |
182 |
204 |
161 |
180 |
19 |
3 |
4 |
3 |
57 |
- |
22 |
М20 |
8 |
| 200 |
202 |
335 |
295 |
268 |
239 |
259 |
238 |
260 |
222 |
240 |
21 |
58 |
12 |
| 250 |
254 |
405 |
355 |
320 |
292 |
312 |
291 |
313 |
278 |
292 |
23 |
65 |
26 |
М24 |
| 300 |
303 |
460 |
410 |
370 |
343 |
363 |
342 |
364 |
330 |
346 |
24 |
4 |
5 |
4 |
66 |
| 350 |
351 |
520 |
470 |
430 |
395 |
421 |
394 |
422 |
382 |
400 |
28 |
70 |
16 |
| 400 |
398 |
580 |
525 |
482 |
447 |
473 |
446 |
474 |
432 |
450 |
32 |
75 |
30 |
М27 |
16 |
| 500 |
501 |
710 |
650 |
585 |
549 |
575 |
548 |
576 |
535 |
559 |
38 |
90 |
33 |
М30 |
20 |
| 600 |
602 |
840 |
770 |
685 |
651 |
677 |
650 |
678 |
636 |
660 |
41 |
5 |
6 |
5 |
39 |
М36 |
| 800 |
792 |
1020 |
950 |
905 |
851 |
877 |
850 |
878 |
826 |
850 |
45 |
95 |
24 |
| 1000 |
992 |
1255 |
1170 |
1110 |
- |
- |
- |
- |
1028 |
1060 |
49 |
110 |
45 |
М42 |
28 |
| 1200 |
1192 |
1485 |
1390 |
1330 |
1228 |
1268 |
51 |
5 |
6 |
5 |
125 |
52 |
М48 |
32 |
| Тиск номінальній (умовний) PN 2,5 МПа |
| 10 |
8 |
90 |
60 |
42 |
24 |
34 |
23 |
35 |
15 |
26 |
14 |
2 |
4 |
3 |
33 |
70 |
14 |
М12 |
4 |
| 15 |
12 |
95 |
65 |
47 |
29 |
39 |
28 |
40 |
19 |
30 |
75 |
| 20 |
18 |
105 |
75 |
58 |
36 |
50 |
35 |
51 |
26 |
38 |
34 |
80 |
| 25 |
25 |
115 |
85 |
68 |
43 |
57 |
42 |
58 |
33 |
45 |
36 |
90 |
| 32 |
31 |
135 |
100 |
78 |
51 |
65 |
50 |
66 |
39 |
56 |
16 |
43 |
105 |
18 |
М16 |
| 40 |
38 |
145 |
110 |
88 |
61 |
75 |
60 |
76 |
46 |
64 |
3 |
45 |
110 |
| 50 |
49 |
160 |
125 |
102 |
73 |
87 |
72 |
88 |
58 |
76 |
17 |
125 |
| 65 |
66 |
180 |
145 |
122 |
95 |
109 |
94 |
110 |
77 |
96 |
19 |
50 |
- |
8 |
Прохід
умовний DN
|
Тиск номінальній (умовний) PN 2,5 МПа |
| 80 |
78 |
195 |
160 |
133 |
106 |
120 |
105 |
121 |
90 |
110 |
19 |
3 |
4 |
3 |
52 |
- |
18 |
М16 |
8 |
| 100 |
96 |
230 |
190 |
158 |
129 |
149 |
128 |
150 |
110 |
132 |
21 |
58 |
22 |
М20 |
| 125 |
121 |
270 |
220 |
184 |
155 |
175 |
154 |
176 |
135 |
160 |
23 |
65 |
26 |
М24 |
| 150 |
146 |
300 |
250 |
212 |
183 |
203 |
182 |
204 |
161 |
186 |
25 |
68 |
| 200 |
202 |
360 |
310 |
278 |
239 |
259 |
238 |
260 |
222 |
245 |
27 |
75 |
12 |
| 250 |
254 |
425 |
370 |
335 |
292 |
312 |
291 |
313 |
278 |
300 |
29 |
30 |
М27 |
| 300 |
303 |
485 |
430 |
390 |
343 |
363 |
342 |
364 |
330 |
352 |
32 |
4 |
5 |
4 |
80 |
16 |
| 350 |
351 |
550 |
490 |
450 |
395 |
421 |
394 |
422 |
382 |
406 |
36 |
85 |
33 |
М30 |
| 400 |
398 |
610 |
550 |
505 |
447 |
473 |
446 |
474 |
432 |
464 |
40 |
100 |
| 500 |
501 |
730 |
660 |
615 |
549 |
575 |
548 |
576 |
535 |
570 |
44 |
39 |
М36 |
20 |
| 600 |
602 |
840 |
770 |
720 |
651 |
677 |
650 |
678 |
636 |
670 |
49 |
5 |
6 |
5 |
115 |
| 800 |
792 |
1075 |
990 |
930 |
851 |
877 |
850 |
878 |
826 |
874 |
55 |
135 |
45 |
М42 |
24 |
| 1000 |
992 |
1315 |
1210 |
1140 |
- |
- |
- |
- |
1028 |
1084 |
59 |
150 |
56 |
М52 |
28 |
| 1200 |
1192 |
1525 |
1420 |
1350 |
1228 |
1288 |
62 |
160 |
32 |
| Тиск номінальній (умовний) PN 4,0 МПа |
| 10 |
8 |
90 |
60 |
42 |
24 |
34 |
23 |
35 |
15 |
26 |
14 |
2 |
4 |
3 |
33 |
70 |
14 |
М12 |
4 |
| 15 |
12 |
95 |
65 |
47 |
29 |
39 |
28 |
40 |
19 |
30 |
75 |
| 20 |
18 |
105 |
75 |
58 |
36 |
50 |
35 |
51 |
26 |
38 |
34 |
80 |
| 25 |
25 |
115 |
85 |
68 |
43 |
57 |
42 |
58 |
33 |
45 |
36 |
90 |
| 32 |
31 |
135 |
100 |
78 |
51 |
65 |
50 |
66 |
39 |
56 |
16 |
43 |
105 |
18 |
М16 |
Прохід
умовний DN
|
Тиск номінальній (умовний) PN 4,0 МПа |
| діаметр |
кількість |
| 40 |
38 |
145 |
110 |
88 |
61 |
75 |
60 |
76 |
46 |
64 |
16 |
3 |
4 |
3 |
45 |
110 |
18 |
М16 |
4 |
| 50 |
48 |
160 |
125 |
102 |
73 |
87 |
72 |
88 |
58 |
76 |
17 |
125 |
| 65 |
66 |
180 |
145 |
122 |
95 |
109 |
94 |
110 |
77 |
96 |
19 |
50 |
- |
8 |
| 80 |
78 |
195 |
160 |
133 |
106 |
120 |
105 |
121 |
90 |
112 |
21 |
55 |
| 100 |
96 |
230 |
190 |
158 |
129 |
149 |
128 |
150 |
110 |
138 |
23 |
65 |
22 |
М20 |
| 125 |
120 |
270 |
220 |
184 |
155 |
175 |
154 |
176 |
135 |
160 |
25 |
26 |
М24 |
| 150 |
145 |
300 |
250 |
212 |
183 |
203 |
182 |
204 |
161 |
186 |
27 |
68 |
| 200 |
200 |
375 |
320 |
285 |
239 |
259 |
238 |
260 |
222 |
250 |
35 |
85 |
30 |
М27 |
12 |
| 250 |
252 |
445 |
385 |
345 |
292 |
312 |
291 |
313 |
278 |
310 |
39 |
98 |
33 |
М30 |
| 300 |
301 |
510 |
450 |
410 |
343 |
363 |
342 |
364 |
330 |
368 |
42 |
4 |
5 |
4 |
112 |
16 |
| 350 |
351 |
570 |
510 |
465 |
395 |
421 |
394 |
422 |
382 |
418 |
48 |
116 |
| 400 |
398 |
655 |
585 |
535 |
447 |
473 |
446 |
474 |
432 |
480 |
54 |
135 |
39 |
М36 |
16 |
| 500 |
495 |
755 |
670 |
615 |
549 |
575 |
548 |
576 |
535 |
580 |
58 |
140 |
45 |
М42 |
20 |
| 600 |
595 |
890 |
795 |
735 |
651 |
677 |
650 |
678 |
636 |
686 |
5 |
6 |
5 |
52 |
М48 |
| 800 |
795 |
1135 |
1030 |
960 |
851 |
877 |
850 |
878 |
826 |
908 |
71 |
190 |
56 |
М52 |
24 |
| 1000 |
995 |
1360 |
1250 |
1180 |
- |
- |
- |
- |
1028 |
1140 |
77 |
235 |
28 |
| 1200 |
1195 |
1575 |
1460 |
1380 |
1228 |
1350 |
80 |
250 |
62 |
М56 |
32 |
Таблиця Б.2 – Фланці сталеві приварні встик для арматури і трубопроводів на номінальний (умовний тиск) PN 6,3 МПа
Розміри в міліметрах
Таблиця Б.3 – Фланці сталеві приварні встик для арматури і трубопроводів на номінальний (умовний тиск) PN 10,0 МПа
Розміри в міліметрах
| Прохід умовний DN |
Тиск номінальній (умовний) PN 10,0 МПа |
 |
 |
 |
 |
 |
 |
 |
 |
 |
 |
 |
| 10 |
8 |
100 |
70 |
42 |
24 |
34 |
23 |
35 |
18 |
35 |
50 |
| 15 |
12 |
105 |
75 |
47 |
29 |
39 |
28 |
40 |
24 |
55 |
| 20 |
18 |
125 |
90 |
58 |
36 |
50 |
35 |
51 |
30 |
45 |
58 |
| 25 |
25 |
135 |
100 |
68 |
43 |
57 |
42 |
58 |
35 |
50 |
68 |
| 32 |
31 |
150 |
110 |
78 |
51 |
65 |
50 |
66 |
42 |
65 |
78 |
| 40 |
37 |
165 |
125 |
88 |
61 |
75 |
60 |
76 |
52 |
75 |
88 |
| 50 |
45 |
195 |
145 |
102 |
73 |
87 |
72 |
88 |
63 |
85 |
102 |
| 65 |
62 |
220 |
170 |
122 |
95 |
109 |
94 |
110 |
85 |
110 |
140 |
| 80 |
75 |
230 |
180 |
133 |
106 |
120 |
105 |
121 |
97 |
115 |
150 |
| 100 |
92 |
265 |
210 |
158 |
129 |
149 |
128 |
150 |
124 |
145 |
175 |
| 125 |
112 |
310 |
250 |
184 |
155 |
175 |
154 |
176 |
153 |
175 |
210 |
| 150 |
136 |
350 |
290 |
212 |
183 |
203 |
182 |
204 |
181 |
205 |
250 |
| 200 |
190 |
430 |
360 |
285 |
239 |
259 |
238 |
260 |
243 |
265 |
285 |
| 250 |
236 |
500 |
430 |
345 |
292 |
312 |
291 |
313 |
298 |
320 |
345 |
| 300 |
284 |
585 |
500 |
410 |
343 |
363 |
342 |
364 |
345 |
375 |
410 |
| 350 |
332 |
655 |
560 |
465 |
395 |
421 |
394 |
422 |
394 |
420 |
465 |
| 400 |
376 |
715 |
620 |
535 |
447 |
473 |
446 |
474 |
445 |
480 |
535 |
Закінчення таблиці Б.3
Розміри в міліметрах
Таблиця Б.4 – Фланці сталеві приварні встик для арматури і трубопроводів на номінальний (умовний тиск) PN 16,0 МПа
Розміри в міліметрах
Закінчення таблиці Б.4
Розміри в міліметрах
Таблиця Б.5 – Фланці сталеві приварні встик для арматури і трубопроводів на номінальний (умовний тиск) PN 20,0 МПа
Розміри в міліметрах
Закінчення таблиці Б.5
Розміри в міліметрах
Додаток В
Маса сталевих плоских приварних і приварних встик фланців
Таблиця В.1 – Маса сталевих плоских приварних і приварних встик фланців Маса, кг
| Прохід умовний DN, мм |
Тиск номінальній (умовний) PN 0,25 МПа |
| Плоскі приварні |
Приварні встик |
| зі з’єднувальним виступом |
з виступом |
із западиною |
зі з’єднувальним
виступом
|
з виступом |
із западиною |
з шипом |
з пазом |
| 10 |
0,25 |
0,25 |
0,24 |
0,29 |
0,28 |
0,27 |
0,28 |
0,28 |
| 15 |
0,29 |
0,29 |
0,27 |
0,34 |
0,34 |
0,32 |
0,34 |
0,33 |
| 20 |
0,45 |
0,45 |
0,42 |
0,46 |
0,45 |
0,41 |
0,44 |
0,44 |
| 25 |
0,55 |
0,55 |
0,52 |
0,55 |
0,55 |
0,50 |
0,54 |
0,53 |
| 32 |
0,79 |
0,79 |
0,75 |
0,78 |
0,78 |
0,72 |
0,76 |
0,77 |
| 40 |
0,95 |
0,93 |
0,90 |
1,09 |
1,04 |
1,02 |
1,03 |
1,04 |
| 50 |
1,04 |
1,02 |
0,98 |
1,26 |
1,21 |
1,14 |
1,18 |
1,21 |
| 65 |
1,39 |
1,37 |
1,32 |
1,62 |
1,57 |
1,46 |
1,53 |
1,55 |
| 80 |
1,84 |
1,79 |
1,74 |
2,43 |
2,30 |
2,26 |
2,29 |
2,30 |
| 100 |
2,14 |
2,11 |
2,01 |
2,98 |
2,70 |
2,65 |
2,67 |
2,71 |
| 125 |
2,60 |
2,56 |
2,42 |
3,72 |
3,65 |
3,41 |
3,52 |
3,57 |
| 150 |
3,43 |
3,39 |
3,23 |
4,30 |
5,22 |
3,95 |
4,04 |
4,13 |
| 200 |
4,73 |
4,69 |
4,48 |
6,92 |
6,75 |
6,33 |
6,55 |
6,63 |
| 250 |
6,95 |
6,92 |
6,62 |
9,88 |
9,61 |
9,18 |
9,32 |
9,43 |
| 300 |
9,33 |
9,22 |
8,79 |
13,38 |
13,35 |
12,35 |
11,59 |
12,67 |
| 350 |
10,45 |
10,33 |
9,87 |
15,97 |
15,93 |
14,90 |
14,63 |
15,00 |
| 400 |
11,64 |
11,51 |
9,96 |
18,56 |
18,53 |
17,30 |
16,84 |
17,33 |
| 500 |
16,01 |
15,86 |
15,15 |
26,76 |
26,60 |
25,00 |
23,11 |
23,76 |
| 600 |
21,35 |
21,03 |
20,08 |
35,79 |
35,70 |
33,00 |
32,90 |
33,37 |
| 800 |
36,63 |
36,15 |
34,14 |
46,15 |
55,50 |
52,20 |
51,49 |
52,60 |
| 1000 |
52,58 |
- |
- |
73,44 |
- |
- |
- |
- |
| 1200 |
62,36 |
92,92 |
Продовження таблиці В.1
Маса, кг
| Прохід умовний DN, мм |
Тиск номінальній (умовний) PN 0,6 МПа |
| Плоскі приварні |
Приварні встик |
| зі з’єднувальним виступом |
з виступом |
із западиною |
зі з’єднувальним виступом |
з виступом |
із западиною |
з шипом |
з пазом |
| 10 |
0,31 |
0,31 |
0,30 |
0,34 |
0,34 |
0,32 |
0,34 |
0,33 |
| 15 |
0,33 |
0,33 |
0,32 |
0,40 |
0,40 |
0,38 |
0,40 |
0,40 |
| 20 |
0,53 |
0,53 |
0,51 |
0,53 |
0,53 |
0,50 |
0,53 |
0,52 |
| 25 |
0,64 |
0,64 |
0,62 |
0,76 |
0,77 |
0,72 |
0,75 |
0,75 |
| 32 |
1,01 |
1,02 |
0,98 |
1,10 |
1,08 |
1,04 |
1,08 |
1,08 |
| 40 |
1,21 |
1,19 |
1,16 |
1,36 |
1,37 |
1,28 |
1,30 |
1,34 |
| 50 |
1,33 |
1,30 |
1,27 |
1,53 |
1,51 |
1,44 |
1,46 |
1,47 |
| 65 |
1,63 |
1,60 |
1,55 |
1,97 |
2,06 |
1,83 |
1,72 |
1,75 |
| 80 |
2,44 |
2,40 |
2,35 |
2,76 |
2,76 |
2,80 |
2,65 |
2,72 |
| 100 |
2,85 |
2,81 |
2,72 |
3,35 |
3,04 |
3,03 |
3,03 |
3,04 |
| 125 |
3,88 |
3,84 |
3,70 |
4,66 |
4,24 |
3,66 |
4,50 |
4,55 |
| 150 |
4,39 |
4,36 |
4,19 |
5,37 |
5,85 |
4,93 |
5,29 |
5,35 |
| 200 |
5,89 |
5,86 |
5,65 |
8,37 |
9,35 |
7,75 |
7,98 |
8,05 |
| 250 |
7,67 |
7,64 |
7,34 |
10,99 |
10,69 |
10,14 |
12,20 |
12,30 |
| 300 |
10,28 |
10,18 |
9,74 |
14,82 |
14,28 |
14,10 |
13,81 |
14,11 |
| 350 |
12,58 |
12,45 |
12,00 |
17,69 |
18,65 |
17,64 |
16,35 |
16,72 |
| 400 |
15,20 |
15,07 |
14,53 |
20,55 |
19,69 |
19,30 |
18,83 |
19,31 |
| 500 |
19,72 |
19,57 |
18,86 |
26,63 |
29,10 |
25,90 |
24,44 |
25,10 |
| 600 |
26,24 |
25,91 |
24,96 |
35,79 |
35,60 |
33,40 |
37,49 |
33,67 |
| 800 |
46,14 |
45,66 |
43,65 |
56,17 |
55,20 |
52,20 |
51,67 |
53,36 |
| 1000 |
64,36 |
- |
- |
73,51 |
- |
- |
- |
- |
| 1200 |
99,03 |
111,43 |
Продовження таблиці В.1
Маса, кг
| Прохід умовний DN, мм |
Тиск номінальній (умовний) PN 1,0 МПа |
| Плоскі приварні |
Приварні встик |
| зі з’єднувальним виступом |
з виступом |
із западиною |
зі з’єднувальним виступом |
з виступом |
із западиною |
з шипом |
з пазом |
| 10 |
0,46 |
0,46 |
0,44 |
0,50 |
0,50 |
0,48 |
0,50 |
0,49 |
| 15 |
0,51 |
0,51 |
0,49 |
0,58 |
0,58 |
0,54 |
0,57 |
0,56 |
| 20 |
0,74 |
0,75 |
0,71 |
0,87 |
0,87 |
0,81 |
0,87 |
0,83 |
| 25 |
0,89 |
0,89 |
0,84 |
1,05 |
1,05 |
0,98 |
1,03 |
1,02 |
| 32 |
1,40 |
1,39 |
1,34 |
1,54 |
1,53 |
1,45 |
1,50 |
1,49 |
| 40 |
1,71 |
1,72 |
1,67 |
1,83 |
1,78 |
1,71 |
1,74 |
1,78 |
| 50 |
2,06 |
2,03 |
1,99 |
2,26 |
2,23 |
2,15 |
2,15 |
2,21 |
| 65 |
2,80 |
2,77 |
2,69 |
3,17 |
3,11 |
2,92 |
3,06 |
3,14 |
| 80 |
3,19 |
3,13 |
3,08 |
3,67 |
3,60 |
3,46 |
3,54 |
3,65 |
| 100 |
3,96 |
3,94 |
3,76 |
4,70 |
4,70 |
4,49 |
4,50 |
4,54 |
| 125 |
5,40 |
5,38 |
5,18 |
6,71 |
6,58 |
6,27 |
6,12 |
6,23 |
| 150 |
6,62 |
6,62 |
6,33 |
8,17 |
8,20 |
7,77 |
8,80 |
8,90 |
| 200 |
8,05 |
8,04 |
7,71 |
11,35 |
11,00 |
10,47 |
10,28 |
10,32 |
| 250 |
10,65 |
10,66 |
10,22 |
14,64 |
14,39 |
13,86 |
13,64 |
13,83 |
| 300 |
12,90 |
12,89 |
12,21 |
18,66 |
19,30 |
17,70 |
18,52 |
18,90 |
| 350 |
15,85 |
15,79 |
14,96 |
24,00 |
24,70 |
22,56 |
22,70 |
23,00 |
| 400 |
21,56 |
21,51 |
20,49 |
30,00 |
30,35 |
27,65 |
28,00 |
28,50 |
| 500 |
22,70 |
28,02 |
26,86 |
39,20 |
40,00 |
37,00 |
36,91 |
37,60 |
| 600 |
39,40 |
39,26 |
37,48 |
48,80 |
50,00 |
46,60 |
45,52 |
48,70 |
| 800 |
79,16 |
77,89 |
76,08 |
87,24 |
86,10 |
80,40 |
81,25 |
84,28 |
| 1000 |
118,43 |
- |
- |
119,19 |
- |
- |
- |
- |
| 1200 |
197,44 |
179,91 |
Продовження таблиці В.1 Маса, кг
| Прохід умовний DN, мм |
Тиск номінальній (умовний) PN 1,6 МПа |
| Плоскі приварні |
Приварні встик |
| зі з’єднувальним виступом |
з виступом |
із западиною |
зі з’єднувальним виступом |
з виступом |
із западиною |
з шипом |
з пазом |
| 10 |
0,54 |
0,54 |
0,53 |
0,59 |
0,60 |
0,58 |
0,59 |
0,58 |
| 15 |
0,61 |
0,61 |
0,58 |
0,68 |
0,68 |
0,65 |
0,67 |
0,66 |
| 20 |
0,86 |
0,86 |
0,83 |
0,87 |
0,87 |
0,82 |
0,85 |
0,84 |
| 25 |
1,17 |
1,17 |
1,13 |
1,05 |
1,05 |
0,99 |
1,03 |
1,02 |
| 32 |
1,58 |
1,58 |
1,53 |
1,54 |
1,54 |
1,48 |
1,50 |
1,50 |
| 40 |
1,96 |
1,93 |
1,89 |
1,85 |
1,81 |
1,77 |
1,77 |
1,81 |
| 50 |
2,58 |
2,54 |
2,50 |
2,28 |
2,24 |
2,16 |
2,17 |
2,23 |
| 65 |
3,42 |
3,38 |
3,30 |
3,19 |
3,17 |
3,05 |
3,06 |
3,14 |
| 80 |
3,71 |
3,71 |
3,70 |
4,21 |
4,15 |
4,04 |
4,06 |
4,17 |
| 100 |
4,73 |
4,72 |
4,53 |
4,90 |
4,80 |
4,65 |
4,72 |
4,78 |
| 125 |
6,38 |
6,38 |
6,15 |
6,75 |
6,76 |
6,47 |
6,55 |
6,66 |
| 150 |
7,81 |
7,81 |
7,52 |
8,30 |
8,28 |
7,88 |
7,96 |
8,08 |
| 200 |
10,10 |
10,21 |
9,88 |
11,79 |
11,72 |
11,28 |
11,04 |
11,20 |
| 250 |
14,49 |
14,48 |
14,06 |
17,36 |
15,00 |
14,30 |
16,67 |
16,86 |
| 300 |
17,78 |
17,59 |
17,12 |
22,76 |
22,65 |
20,83 |
21,60 |
22,10 |
| 350 |
22,88 |
22,65 |
21,99 |
32,04 |
32,00 |
29,43 |
30,60 |
33,10 |
| 400 |
31,00 |
30,76 |
29,94 |
43,00 |
42,64 |
41,10 |
41,00 |
41,70 |
| 500 |
57,01 |
56,17 |
55,74 |
70,97 |
70,32 |
69,00 |
68,00 |
69,90 |
| 600 |
80,03 |
79,03 |
78,80 |
99,30 |
97,81 |
96,73 |
94,50 |
96,60 |
| 800 |
104,41 |
103,15 |
101,34 |
130,57 |
118,79 |
115,00 |
124,80 |
127,60 |
| 1000 |
179,37 |
- |
- |
203,39 |
- |
- |
- |
- |
| 1200 |
297,78 |
284,94 |
Закінчення таблиці В.1 Маса, кг
| Прохід умовний DN, мм |
Тиск номінальній (умовний) PN 2,5 МПа |
| Плоскі приварні |
Приварні встик |
| зі з’єднувальним виступом |
з виступом |
із западиною |
зі з’єднувальним виступом |
з виступом |
із западиною |
з шипом |
з пазом |
| 10 |
0,63 |
0,64 |
0,61 |
0,68 |
0,69 |
0,66 |
0,68 |
0,67 |
| 15 |
0,70 |
0,71 |
0,68 |
0,79 |
0,78 |
0,75 |
0,80 |
0,78 |
| 20 |
0,98 |
0,97 |
0,94 |
0,97 |
0,99 |
0,93 |
0,97 |
0,95 |
| 25 |
1,17 |
1,17 |
1,13 |
1,18 |
1,19 |
1,13 |
1,16 |
1,15 |
| 32 |
1,77 |
1,76 |
1,72 |
1,83 |
1,85 |
1,78 |
1,81 |
1,80 |
| 40 |
2,18 |
2,15 |
2,11 |
2,19 |
2,16 |
2,10 |
2,11 |
2,15 |
| 50 |
2,71 |
2,80 |
2,76 |
2,78 |
2,76 |
2,47 |
2,69 |
2,75 |
| 65 |
3,22 |
3,21 |
3,14 |
3,71 |
3,62 |
3,60 |
3,55 |
3,62 |
| 80 |
4,06 |
4,00 |
3,95 |
4,44 |
4,32 |
4,27 |
4,26 |
4,48 |
| 100 |
5,92 |
5,89 |
5,72 |
6,51 |
6,58 |
6,27 |
6,41 |
6,49 |
| 125 |
8,26 |
8,25 |
8,23 |
9,41 |
9,45 |
9,14 |
9,27 |
9,37 |
| 150 |
10,12 |
10,07 |
9,83 |
12,52 |
12,56 |
11,90 |
12,01 |
12,17 |
| 200 |
13,34 |
13,24 |
13,01 |
17,44 |
17,21 |
16,86 |
16,36 |
16,62 |
| 250 |
18,90 |
18,78 |
18,52 |
24,40 |
24,08 |
23,27 |
25,37 |
25,74 |
| 300 |
23,95 |
23,53 |
23,29 |
33,29 |
32,40 |
31,94 |
32,42 |
33,16 |
| 350 |
34,35 |
34,57 |
34,18 |
46,57 |
45,60 |
44,68 |
45,40 |
46,23 |
| 400 |
44,62 |
44,01 |
43,56 |
64,81 |
63,58 |
62,41 |
63,48 |
64,59 |
| 500 |
67,30 |
66,63 |
66,36 |
88,91 |
88,20 |
86,50 |
86,48 |
88,08 |
| 600 |
90,87 |
89,13 |
88,91 |
123,70 |
122,00 |
105,70 |
119,50 |
122,17 |
| 800 |
181,43 |
174,52 |
174,15 |
213,90 |
211,00 |
209,00 |
210,00 |
214,68 |
| 1000 |
– |
– |
– |
312,12 |
– |
– |
– |
– |
| 1200 |
387,50 |
Таблиця В.2 – Маса приварних встик фланців на номінальний (умовний) тиск PN від 4,0 до 20,0 Мпа Маса, кг
| Прохід умовний DN, мм |
Тиск номінальній (умовний) PN 4,0 МПа |
| зі з’єднувальним виступом |
з виступом |
із западиною |
з шипом |
з пазом |
| 10 |
0,68 |
0,69 |
0,66 |
0,68 |
0,67 |
| 15 |
0,79 |
0,78 |
0,75 |
0,80 |
0,78 |
| 20 |
0,97 |
0,99 |
0,93 |
0,97 |
0,95 |
| 25 |
1,18 |
1,19 |
1,13 |
1,16 |
1,15 |
| 32 |
1,83 |
1,85 |
1,78 |
1,81 |
1,80 |
| 40 |
2,19 |
2,16 |
2,10 |
2,11 |
2,15 |
| 50 |
2,81 |
2,79 |
2,68 |
2,72 |
2,78 |
| 65 |
3,71 |
3,72 |
3,59 |
3,60 |
3,68 |
| 80 |
4,80 |
4,81 |
4,60 |
4,69 |
4,80 |
| 100 |
7,40 |
7,06 |
6,82 |
7,20 |
7,28 |
| 125 |
10,00 |
10,17 |
9,48 |
9,97 |
10,08 |
| 150 |
13,03 |
13,20 |
12,60 |
12,86 |
13,03 |
| 200 |
24,44 |
24,00 |
23,57 |
24,20 |
24,00 |
| 250 |
37,59 |
37,30 |
36,50 |
36,90 |
37,40 |
| 300 |
57,10 |
50,60 |
50,30 |
51,10 |
52,20 |
| 350 |
70,34 |
69,60 |
68,00 |
68,10 |
68,80 |
| 400 |
106,76 |
105,50 |
105,00 |
103,80 |
106,00 |
| 500 |
132,33 |
128,00 |
126,00 |
128,00 |
130,00 |
| 600 |
180,95 |
195,08 |
165,78 |
182,02 |
179,81 |
| 800 |
343,69 |
367,40 |
319,93 |
345,08 |
342,20 |
| 1000 |
540,75 |
- |
- |
- |
- |
| 1200 |
690,59 |
Продовження таблиці В.2
Маса, кг
| Прохід умовний DN, мм |
Тиск номінальній (умовний) PN 6,3 МПа |
зі з’єднувальним
виступом
|
з виступом |
із западиною |
з шипом |
з пазом |
під прокладку
овального перерізу
|
під лінзову
прокладку
|
| 10 |
1,03 |
1,02 |
0,98 |
0,99 |
0,99 |
0,99 |
1,03 |
| 15 |
1,15 |
1,14 |
1,11 |
1,12 |
1,13 |
1,11 |
1,15 |
| 20 |
1,80 |
1,81 |
1,76 |
1,78 |
1,80 |
1,75 |
1,80 |
| 25 |
2,30 |
2,28 |
2,22 |
2,26 |
2,27 |
2,25 |
2,30 |
| 32 |
2,94 |
2,94 |
2,88 |
2,91 |
2,92 |
2,87 |
2,94 |
| 40 |
3,75 |
3,71 |
3,67 |
3,67 |
3,74 |
3,67 |
3,75 |
| 50 |
4,63 |
4,59 |
4,50 |
4,51 |
4,60 |
4,50 |
4,63 |
| 65 |
6,29 |
6,16 |
6,05 |
6,06 |
6,19 |
6,09 |
6,26 |
| 80 |
7,22 |
7,17 |
7,00 |
7,05 |
7,18 |
6,87 |
7,05 |
| 100 |
10,71 |
10,70 |
10,50 |
10,53 |
10,67 |
10,48 |
10,71 |
| 125 |
17,13 |
16,94 |
16,60 |
16,66 |
16,91 |
16,67 |
16,98 |
| 150 |
24,60 |
25,40 |
24,10 |
24,06 |
24,44 |
24,18 |
24,60 |
| 200 |
36,60 |
38,50 |
36,11 |
35,74 |
36,27 |
36,03 |
36,45 |
| 250 |
50,89 |
53,80 |
50,30 |
49,45 |
50,16 |
50,08 |
50,58 |
| 300 |
68,15 |
74,60 |
68,30 |
65,04 |
62,52 |
67,00 |
67,59 |
| 350 |
98,68 |
106,00 |
98,50 |
94,71 |
96,27 |
96,42 |
97,08 |
| 400 |
135,80 |
151,00 |
137,00 |
128,90 |
130,85 |
134,93 |
135,70 |
| 500 |
192,74 |
200,89 |
184,56 |
193,46 |
191,96 |
- |
- |
| 600 |
269,27 |
283,40 |
255,10 |
270,34 |
268,12 |
| 800 |
463,87 |
- |
- |
- |
- |
| 1000 |
980,60 |
| 1200 |
1263,72 |
Продовження таблиці В.2
Маса, кг
| Прохід умовний DN |
Тиск номінальній (умовний) PN 10,0 МПа |
| з виступом |
із западиною |
з шипом |
з пазом |
під прокладку
овального перерізу
|
під лінзову
прокладку
|
| 10 |
1,02 |
0,99 |
1,01 |
1,02 |
0,99 |
1,03 |
| 15 |
1,26 |
1,23 |
1,24 |
1,25 |
1,23 |
1,27 |
| 20 |
1,98 |
1,90 |
1,95 |
1,95 |
2,02 |
1,97 |
| 25 |
2,48 |
2,42 |
2,45 |
2,46 |
2,45 |
2,50 |
| 32 |
3,05 |
3,00 |
3,03 |
3,03 |
2,99 |
3,06 |
| 40 |
4,06 |
4,00 |
4,00 |
4,07 |
3,95 |
4,05 |
| 50 |
6,03 |
5,60 |
5,94 |
6,05 |
5,95 |
6,08 |
| 65 |
8,52 |
8,48 |
8,41 |
8,84 |
8,40 |
8,57 |
| 80 |
9,91 |
9,85 |
9,77 |
9,95 |
9,80 |
9,98 |
| 100 |
14,65 |
14,40 |
14,47 |
14,65 |
14,44 |
14,67 |
| 125 |
23,32 |
19,30 |
23,00 |
23,30 |
23,04 |
23,34 |
| 150 |
32,87 |
31,90 |
31,73 |
32,22 |
31,87 |
32,19 |
| 200 |
54,24 |
54,07 |
51,14 |
53,90 |
53,81 |
54,23 |
| 250 |
85,24 |
85,12 |
83,37 |
84,51 |
85,40 |
85,26 |
| 300 |
127,78 |
127,73 |
125,24 |
127,41 |
127,76 |
128,35 |
| 350 |
170,94 |
170,00 |
167,22 |
169,56 |
169,55 |
171,60 |
| 400 |
216,44 |
211,86 |
207,25 |
210,24 |
211,10 |
212,90 |
| Тиск номінальній (умовний) PN 16,0 МПа |
| 15 |
1,27 |
1,24 |
1,24 |
1,21 |
1,23 |
1,27 |
| 20 |
1,98 |
1,94 |
1,95 |
1,90 |
2,03 |
2,08 |
| 25 |
2,48 |
2,44 |
2,45 |
2,38 |
2,44 |
2,50 |
| 32 |
3,07 |
3,01 |
3,04 |
2,96 |
2,98 |
3,06 |
| 40 |
4,01 |
3,98 |
4,28 |
4,20 |
3,97 |
4,06 |
| 50 |
6,43 |
6,40 |
6,49 |
5,95 |
6,30 |
6,49 |
| 65 |
9,38 |
8,64 |
8,36 |
8,23 |
8,88 |
9,10 |
| 80 |
10,40 |
10,30 |
10,16 |
10,02 |
10,20 |
10,46 |
| 100 |
15,40 |
15,22 |
15,18 |
14,93 |
15,09 |
15,41 |
| 125 |
24,87 |
23,10 |
23,89 |
23,59 |
23,82 |
24,19 |
| 150 |
35,04 |
34,40 |
31,84 |
31,65 |
33,92 |
34,48 |
Закінчення таблиці В.2
Маса, кг
| Прохід умовний DN |
Тиск номінальній (умовний) PN 16,0 МПа |
| з виступом |
із западиною |
з шипом |
з пазом |
під прокладку
овального перерізу
|
під лінзову
прокладку
|
| 200 |
60,10 |
60,00 |
58,24 |
57,80 |
57,86 |
58,90 |
| 250 |
94,40 |
94,20 |
92,48 |
91,93 |
92,16 |
93,41 |
| 300 |
141,00 |
140,00 |
136,69 |
136,06 |
136,56 |
139,20 |
| Тиск номінальній (умовний) PN 20,0 МПа |
| 15 |
1,92 |
1,92 |
2,11 |
2,08 |
1,88 |
1,93 |
| 20 |
2,54 |
2,53 |
2,49 |
2,44 |
2,46 |
2,50 |
| 25 |
3,53 |
3,33 |
3,54 |
3,50 |
3,50 |
3,59 |
| 32 |
4,42 |
4,42 |
4,42 |
4,34 |
4,35 |
4,43 |
| 40 |
5,32 |
5,36 |
5,31 |
5,22 |
5,27 |
5,46 |
| 50 |
11,11 |
11,25 |
9,95 |
9,85 |
9,86 |
10,05 |
| 65 |
19,01 |
19,20 |
18,61 |
18,48 |
18,97 |
19,23 |
| 80 |
27,30 |
27,50 |
27,28 |
27,03 |
27,23 |
27,55 |
| 100 |
53,22 |
53,60 |
53,14 |
52,89 |
53,26 |
53,64 |
| 125 |
73,15 |
65,20 |
64,05 |
63,75 |
65,37 |
64,74 |
| 150 |
90,19 |
90,60 |
90,11 |
89,76 |
90,02 |
90,92 |
| 200 |
158,60 |
159,00 |
158,27 |
157,83 |
158,53 |
159,69 |
| 250 |
314,50 |
315,70 |
318,03 |
317,49 |
- |
- |
Додаток Г
Конструкція та розміри сталевих вільних фланців на приварному кільці [21]
Конструкція та розміри фланців наведені на рисунках Г.1- Г.3, А.6 і в таблиці Г.1.
Розміри а також діаметри та кількість болтів (шпильок) наведені в таблиці А.1 додатку А.
Допускається виготовлення фланців з ущільнювальними поверхнями виповнень 4, 5, 8 і 9 (рисунки Г.4, Г.5).
Розміри ущільнювальних поверхонь для фланців виповнень 8, 9 під фторопластові прокладки наведені в таблиці А.2 додатку А.
Приклад умовного позначення круглого сталевого вільного фланця на умовний прохід (номінальний розмір) DN50 мм і на номінальний (умовний) тиск PN 1,0 МПа, виготовленого зі сталі ВСт3сп, виповнення 1 (зі з’єднувальним виступом):
Фланец 50-10 ВСт3сп ГОСТ 12822-80.
Те ж, квадратного:
Фланец квадратный 50-10 ВСт3сп ГОСТ 12822-80.
Приклад умовного позначення приварного кільця на умовний прохід (номінальний розмір) DN 50 мм і на номінальний (умовний) тиск PN1,0 МПа, виготовленого зі сталі 35, виповнення 1 (зі з’єднувальним виступом):
Кольцо 1-50-10 Ст 35 ГОСТ 12822-80.
Для фланців типу „шип-паз” під фторопластові прокладки до умовного позначення слід додавати букву Ф після позначення умовного тиску.

Рисунок Г.1 – Фланець сталевий вільний на приварному кільці зі з’єднувальним виступом (виповнення 1)

Рисунок Г.2 – Фланець сталевий вільний на приварному кільці з виступом (виповнення 2)

Рисунок Г.3 – Фланець сталевий вільний на приварному кільці із западиною (виповнення 3)

Рисунок Г.4 – Фланець сталевий вільний на приварному кільці з шипом (виповнення 4 і 8)

Рисунок Г.5 – Фланець сталевий вільний на приварному кільці з пазом (виповнення 5 і 9)
Таблиця Г.1 – Фланці сталеві вільні на приварному кільці
Розміри в міліметрах
| Прохід умовний DN |
Тиск номінальний (умовний) PN 0,25 і 0,6 МПа |
 |
 |
 |
 |
 |
 |
Маса, кг |
| фланця |
кільця |
зі з’єднувальним
виступом
|
з виступом |
із западиною |
| 10 |
14 |
15 |
16 |
10 |
8 |
4 |
0,29 |
0,05 |
0,04 |
0,04 |
| 15 |
18 |
19 |
20 |
0,33 |
0,06 |
0,05 |
0,05 |
| 20 |
25 |
26 |
27 |
10 |
0,41 |
0,12 |
0,10 |
0,09 |
| 25 |
32 |
33 |
34 |
12 |
5 |
0,60 |
0,16 |
0,13 |
0,13 |
| 32 |
38 |
39 |
41 |
0,87 |
0,21 |
0,18 |
0,17 |
| 40 |
45 |
46 |
48 |
10 |
1,01 |
0,27 |
0,23 |
0,22 |
| 50 |
57 |
59 |
61 |
12 |
1,11 |
0,35 |
0,32 |
0,30 |
| 65 |
76 |
78 |
80 |
14 |
14 |
6 |
1,55 |
0,55 |
0,49 |
0,46 |
| 80 |
89 |
91 |
93 |
2,05 |
0,73 |
0,65 |
0,63 |
| 100 |
108 |
110 |
112 |
2,38 |
0,88 |
0,81 |
0,75 |
| 125 |
133 |
135 |
138 |
2,84 |
1,27 |
1,11 |
1,02 |
| 150 |
159 |
59 |
164 |
16 |
16 |
3,72 |
1,53 |
1,43 |
1,32 |
| 200 |
219 |
222 |
225 |
18 |
18 |
8 |
4,93 |
2,06 |
1,95 |
1,80 |
| 250 |
273 |
273 |
279 |
20 |
11 |
6,38 |
2,53 |
2,40 |
2,20 |
| 300 |
325 |
325 |
331 |
24 |
20 |
10,35 |
3,40 |
3,20 |
2,87 |
| 350 |
377 |
377 |
383 |
28 |
12 |
13,50 |
3,71 |
3,49 |
3,13 |
| 400 |
426 |
426 |
433 |
32 |
24 |
17,04 |
5,14 |
4,89 |
4,47 |
| 500 |
530 |
530 |
537 |
38 |
26 |
25,44 |
7,05 |
6,73 |
6,10 |
| Тиск номінальний (умовний) PN 1,0 МПа |
| 10 |
14 |
15 |
16 |
12 |
10 |
4 |
0,52 |
0,08 |
0,08 |
0,07 |
| 15 |
18 |
19 |
20 |
0,58 |
0,11 |
0,09 |
0,08 |
| 20 |
25 |
26 |
27 |
14 |
12 |
0,82 |
0,20 |
0,18 |
0,17 |
| 25 |
32 |
33 |
34 |
5 |
0,96 |
0,27 |
0,23 |
0,22 |
| 32 |
38 |
39 |
41 |
16 |
1,49 |
0,34 |
0,30 |
0,29 |
| 40 |
45 |
46 |
48 |
18 |
1,92 |
0,42 |
0,37 |
0,35 |
| 50 |
57 |
59 |
61 |
14 |
2,27 |
0,62 |
0,55 |
0,54 |
| 65 |
76 |
78 |
80 |
20 |
16 |
6 |
3,01 |
0,90 |
0,82 |
0,78 |
Продовження таблиці Г.1
Розміри в міліметрах
| Прохід умовний DN |
Тиск номінальний (умовний) PN 1,0 МПа |
 |
 |
 |
 |
 |
 |
Маса, кг |
| фланця |
кільця |
зі з’єднувальним
виступом
|
з виступом |
із западиною |
| 80 |
89 |
91 |
93 |
22 |
16 |
6 |
3,77 |
1,10 |
0,98 |
0,97 |
| 100 |
108 |
110 |
112 |
24 |
4,55 |
1,31 |
1,24 |
1,11 |
| 125 |
133 |
135 |
138 |
26 |
18 |
6,09 |
1,96 |
1,84 |
1,71 |
| 150 |
159 |
161 |
164 |
7,50 |
2,18 |
2,09 |
1,88 |
| 200 |
219 |
222 |
225 |
20 |
8 |
9,02 |
2,94 |
2,83 |
2,58 |
| 250 |
273 |
273 |
279 |
28 |
22 |
11 |
11,30 |
3,78 |
3,66 |
3,35 |
| 300 |
325 |
325 |
331 |
30 |
13,87 |
4,24 |
4,08 |
3,58 |
| 350 |
377 |
377 |
383 |
32 |
24 |
12 |
18,02 |
6,33 |
6,09 |
5,44 |
| 400 |
426 |
426 |
433 |
34 |
26 |
24,38 |
8,15 |
8,43 |
7,08 |
| 500 |
530 |
530 |
537 |
38 |
28 |
33,25 |
10,58 |
10,22 |
9,33 |
| Тиск номінальний (умовний) PN 1,6 МПа |
| 10 |
14 |
15 |
16 |
14 |
12 |
4 |
0,61 |
0,10 |
0,09 |
0,08 |
| 15 |
18 |
19 |
20 |
0,67 |
0,13 |
0,11 |
0,10 |
| 20 |
25 |
26 |
27 |
16 |
14 |
0,93 |
0,24 |
0,22 |
0,20 |
| 25 |
32 |
33 |
34 |
5 |
1,10 |
0,31 |
0,28 |
0,25 |
| 32 |
38 |
39 |
41 |
18 |
16 |
1,68 |
0,46 |
0,41 |
0,39 |
| 40 |
45 |
46 |
48 |
20 |
2,13 |
0,56 |
0,51 |
0,49 |
| 50 |
57 |
59 |
61 |
2,54 |
0,71 |
0,64 |
0,62 |
| 65 |
76 |
78 |
80 |
22 |
18 |
6 |
3,31 |
1,01 |
0,94 |
0,93 |
| 80 |
89 |
91 |
93 |
24 |
4,11 |
1,23 |
1,12 |
1,10 |
| 100 |
108 |
110 |
112 |
26 |
20 |
4,93 |
1,64 |
1,57 |
1,51 |
| 125 |
133 |
135 |
138 |
28 |
6 |
6,56 |
2,18 |
2,06 |
2,04 |
| 150 |
159 |
161 |
164 |
22 |
8,09 |
2,67 |
2,58 |
2,52 |
| 200 |
219 |
222 |
225 |
8 |
9,36 |
3,24 |
3,12 |
3,00 |
| 250 |
273 |
273 |
279 |
30 |
24 |
11 |
13,90 |
4,12 |
4,00 |
3,69 |
| 300 |
325 |
325 |
331 |
32 |
17,90 |
5,51 |
5,17 |
4,85 |
| 350 |
377 |
377 |
383 |
34 |
26 |
12 |
22,80 |
7,97 |
7,52 |
7,08 |
| 400 |
426 |
426 |
433 |
36 |
28 |
29,08 |
10,12 |
9,62 |
9,05 |
| 500 |
530 |
530 |
537 |
42 |
30 |
49,26 |
16,86 |
15,58 |
15,61 |
| Тиск номінальний (умовний) PN 2,5 МПа |
| 10 |
14 |
15 |
16 |
16 |
14 |
4 |
0,69 |
0,12 |
0,11 |
0,10 |
| 15 |
18 |
19 |
20 |
0,77 |
0,15 |
0,14 |
0,12 |
| 20 |
25 |
26 |
27 |
18 |
16 |
1,05 |
0,27 |
0,24 |
0,23 |
| 25 |
32 |
33 |
34 |
5 |
1,24 |
0,36 |
0,32 |
0,31 |
| 32 |
38 |
39 |
41 |
20 |
1,87 |
0,46 |
0,40 |
0,39 |
| 40 |
45 |
46 |
48 |
22 |
18 |
2,35 |
0,56 |
0,58 |
0,57 |
| 50 |
57 |
59 |
61 |
2,79 |
0,79 |
0,72 |
0,71 |
| 65 |
76 |
78 |
80 |
24 |
20 |
6 |
3,43 |
1,12 |
1,05 |
1,01 |
| 80 |
89 |
91 |
93 |
26 |
4,25 |
1,37 |
1,26 |
1,25 |
| 100 |
108 |
110 |
112 |
28 |
22 |
6,19 |
1,95 |
1,88 |
1,78 |
| 125 |
133 |
135 |
138 |
30 |
24 |
8,82 |
2,61 |
2,50 |
2,37 |
| 150 |
159 |
161 |
164 |
306 |
10,52 |
3,29 |
3,12 |
2,99 |
| 200 |
219 |
222 |
225 |
8 |
12,62 |
4,34 |
4,15 |
4,03 |
| 250 |
273 |
273 |
279 |
32 |
2611 |
17,72 |
6,04 |
5,68 |
5,61 |
| 300 |
325 |
325 |
331 |
34 |
22,82 |
7,45 |
6,82 |
6,79 |
| 350 |
377 |
377 |
383 |
38 |
2812 |
31,73 |
10,43 |
9,64 |
9,54 |
| 400 |
426 |
426 |
433 |
42 |
30 |
42,51 |
13,60 |
12,63 |
12,57 |
| 500 |
530 |
530 |
537 |
50 |
32 |
64,57 |
19,21 |
17,73 |
17,94 |
Додаток Д
Прокладки плоскі еластичні [22]
Виповнення прокладок залежно від виповнення ущільнювальних поверхонь фланців наведені в таблиці Д.1.
Вибір прокладок залежно від номінального діаметра (умовного проходу) та номінального (умовного) тиску наведено в таблиці Д.2.
Конструкції та розміри прокладок, які виготовляються з пароніту, гуми та картону, наведені на рисунку Д.1 і в таблицях Д.3-Д.5 і Д.8.
Конструкції та розміри прокладок, які виготовляються з фторопласту-4 і композиційних матеріалів на його основі наведені на рисунках Д.2, Д.3 і в таблицях Д.6, Д.7.
Таблиця Д.1 – Виповнення прокладок
| Виповнення прокладок |
Виповнення ущільнювальних поверхонь за
ГОСТ 12815-80
|
Рисунок фланцевого з’єднання |
| А |
1 |
 |
| Б |
2; 3 |
 |
| Виповнення прокладок |
Виповнення ущільнювальних поверхонь за
ГОСТ 12815-80
|
Рисунок фланцевого з’єднання |
| В |
4; 5 |
 |
| Г |
8; 9 |
 |
| Виповнення прокладок |
Виповнення ущільнювальних поверхонь за
ГОСТ 12815-80
|
Рисунок фланцевого з’єднання |
| Д |
1; 5 |
 |
Таблиця Д.2 – Вибір прокладок
| Виповнення прокладки |
Тиск номінальний
(умовний) PN, МПа
|
Прохід умовний (номінальний розмір) DN, мм |
| А |
0,1; 0,25 |
10-3000 |
| 0,63 |
10-2400 |
| 1,0 |
10-2000 |
| 1,6 |
10-1600 |
| 2,5 |
10-1400 |
| 4,0 |
10-1200 |
| Б, В, Г |
0,1-4,0 |
10-800 |
| 6,3 |
10-600 |
| 10 |
10-400 |
| 16 |
15-300 |
| Г |
20 |
15-250 |
| Д |
0,1-0,63 |
40-800 |
| 1,0-4,0 |
25-800 |
| 6,3 |
25-600 |
| 10 |
25-400 |
| 16 |
25-300 |
| 20 |
25-250 |
| Примітка – Марку матеріалу і межі застосування прокладок залежно від робочого середовища, тиску та температури слід вибирати відповідно до діючої у хімічному машинобудуванні нормативно-технічної документації. |

Рисунок Д.1 – Прокладки плоскі еластичні виповнень А, Б, В
Таблиця Д.3 – Прокладки виповнення А
Розміри в міліметрах
Прохід умовний
DN
|
Тиск номінальний (умовний)
PN, МПа
|
Зовнішній
діаметр прокладкиD
|
Внутрішній діаметр
прокладки d
|
Маса
1000 шт., кг
|
| 10 |
0,1-0,63 |
38 |
14 |
4,0 |
| 1,0-4,0 |
45 |
6,0 |
| 15 |
0,1-0,63 |
43 |
20 |
5,0 |
| 1,0-4,0 |
50 |
7,0 |
| 20 |
0,1-0,63 |
53 |
25 |
7,0 |
| 1,0-4,0 |
60 |
9,0 |
| 25 |
0,1-0,63 |
63 |
29 |
10,0 |
| 1,0-4,0 |
69 |
13,0 |
| 32 |
0,1-0,63 |
75 |
38 |
13,0 |
| 1,0-4,0 |
81 |
16,0 |
| 40 |
0,1-0,63 |
85 |
45 |
17,0 |
| 1,0-4,0 |
91 |
20,0 |
| 50 |
0,1-0,63 |
95 |
57 |
18,0 |
| 1,0-4,0 |
106 |
26,0 |
| 65 |
0,1-0,63 |
115 |
75 |
24,0 |
| 1,0-4,0 |
126 |
33,0 |
| 80 |
0,1-0,63 |
132 |
87 |
32,0 |
| 1,0-4,0 |
141 |
40,0 |
| 100 |
0,1-0,63 |
151 |
106 |
37,0 |
| 1,0; 1,6 |
161 |
47,0 |
| 2,5; 4,0 |
166 |
52,0 |
| 125 |
0,1-0,63 |
181 |
132 |
49,0 |
| 1,0; 1,6 |
191 |
61,0 |
| 2,5; 4,0 |
222 |
75,0 |
| 150 |
0,1-0,63 |
206 |
161 |
53,0 |
| 1,0; 1,6 |
216 |
66,0 |
| 2,5; 4,0 |
222 |
75,0 |
| 200 |
0,1-0,63 |
261 |
216 |
69,0 |
| 1,0; 1,6 |
271 |
86,0 |
| 2,5 |
282 |
105,0 |
| 4,0 |
288 |
116,0 |
| 250 |
0,1-0,63 |
318 |
264 |
101,0 |
| 1,0; 1,6 |
327 |
120,0 |
| 2,5 |
338 |
143,0 |
| 4,0 |
350 |
170,0 |
| 300 |
0,1-0,63 |
372 |
318 |
119,0 |
| 1,0 |
376 |
129,0 |
| 1,6 |
382 |
144,0 |
| 2,5 |
398 |
183,0 |
| 4,0 |
415 |
228,0 |
| 350 |
0,1-0,63 |
421 |
372 |
125,0 |
| 1,0 |
436 |
166,0 |
| 1,6 |
442 |
183,0 |
| 2,5 |
455 |
220,0 |
| 4,0 |
475 |
280,0 |
| 400 |
0,1-0,63 |
473 |
421 |
149,0 |
| 1,0 |
487 |
192,0 |
| 1,6 |
495 |
211,0 |
| 2,5 |
515 |
282,0 |
| 4,0 |
543 |
377,0 |
| 450 |
0,1-0,63 |
528 |
473 |
173,0 |
| 1,0 |
537 |
203,0 |
| 1,6 |
553 |
258,0 |
| 2,5 |
565 |
300,0 |
| 4,0 |
568 |
311,0 |
| 500 |
0,1-0,63 |
576 |
528 |
165,0 |
| 1,0 |
592 |
210,0 |
| 1,6 |
615 |
312,0 |
| 2,5; 4,0 |
620 |
332,0 |
| 600 |
0,1-0,63 |
677 |
620 |
232,0 |
| 1,0 |
693 |
301,0 |
| 1,6 |
728 |
457,0 |
| 2,5; 4,0 |
739 |
508,0 |
| 800 |
0,1-0,63 |
888 |
820 |
365,0 |
| 1,0 |
915 |
517,0 |
| 1,6 |
908 |
478,0 |
| 2,5 |
942 |
675,0 |
| 4,0 |
970 |
843,0 |
| 1000 |
0,1-0,63 |
1088 |
1020 |
450,0 |
| 1,0 |
1125 |
707,0 |
| 1,6 |
1122 |
686,0 |
| 2,5 |
1150 |
886,0 |
| 4,0 |
1190 |
1180,0 |
| 1200 |
0,1-0,25 |
1288 |
1220 |
536,0 |
| 0,63 |
1305 |
674,0 |
| 1,0 |
1338 |
948,0 |
| 1,6 |
1334 |
914,0 |
| 2,5 |
1360 |
1134,0 |
| 4,0 |
1394 |
1428,0 |
Таблиця Д.4 – Прокладки виповнення Б
Розміри в міліметрах
Прохід умовний
DN
|
Тиск номінальний (умовний) PN, МПа |
Зовнішній діаметр прокладкиD |
Внутрішній діаметр прокладки d |
Маса
1000 шт., кг
|
| 10 |
0,1-0,63 |
29 |
14 |
2,0 |
| 1,0-10,0 |
34 |
3,0 |
| 15 |
0,1-0,63 |
33 |
20 |
2,0 |
| 1,0-16,0 |
39 |
4,0 |
| 20 |
0,1-0,63 |
43 |
25 |
4,0 |
| 1,0-16,0 |
50 |
6,0 |
| 25 |
0,1-0,63 |
51 |
29 |
6,0 |
| 1,0-16,0 |
57 |
8,0 |
| 32 |
0,1-0,63 |
59 |
38 |
7,0 |
| 1,0-16,0 |
65 |
9,0 |
| 40 |
0,1-0,63 |
69 |
45 |
9,0 |
| 1,0-16,0 |
75 |
11,0 |
| 50 |
0,1-0,63 |
80 |
57 |
10,0 |
| 1,0-16,0 |
87 |
14,0 |
| 65 |
0,1-0,63 |
100 |
75 |
14,0 |
| 1,0-16,0 |
109 |
20,0 |
| 80 |
0,1-0,63 |
115 |
87 |
18,0 |
| 1,0-16,0 |
120 |
22,0 |
| 100 |
0,1-0,63 |
137 |
106 |
24,0 |
| 1,0-16,0 |
149 |
35,0 |
| 125 |
0,1-0,63 |
166 |
132 |
33,0 |
| 1,0-16,0 |
175 |
42,0 |
| 150 |
0,1-0,63 |
191 |
161 |
34,0 |
| 1,0-16,0 |
203 |
49,0 |
| 200 |
0,1-0,63 |
249 |
216 |
49,0 |
| 1,0-16,0 |
259 |
66,0 |
| 250 |
0,1-0,63 |
303 |
264 |
72,0 |
| 1,0-16,0 |
312 |
89,0 |
| 300 |
0,1-0,63 |
356 |
318 |
82,0 |
| 1,0-16,0 |
363 |
98,0 |
| 350 |
0,1-0,63 |
406 |
372 |
85,0 |
| 1,0-10,0 |
421 |
125,0 |
| 400 |
0,1-0,63 |
456 |
421 |
98,0 |
| 1,0-10,0 |
473 |
149,0 |
| 500 |
0,1-0,63 |
561 |
528 |
113,0 |
| 1,0-6,3 |
575 |
163,0 |
| 600 |
0,1-0,63 |
661 |
620 |
165,0 |
| 1,0-6,3 |
677 |
232,0 |
| 800 |
0,1-0,63 |
867 |
820 |
249,0 |
| 1,0-4,0 |
877 |
304,0 |
Таблиця Д.5 – Прокладки виповнення В
Розміри в міліметрах
Прохід
умовний
DN
|
Тиск номінальний (умовний) PN, МПа |
Зовнішній
діаметр
прокладки D
|
Внутрішній діаметр
прокладки d
|
Маса
1000 шт., кг
|
| 10 |
0,1-0,63 |
29 |
19 |
2,0 |
| 1,0-10,0 |
34 |
24 |
| 15 |
0,1-0,63 |
33 |
23 |
2,0 |
| 1,0-16,0 |
39 |
29 |
| 20 |
0,1-0,63 |
43 |
33 |
3,0 |
| 1,0-16,0 |
50 |
36 |
4,0 |
| 25 |
0,1-0,63 |
51 |
41 |
3,0 |
| 1,0-16,0 |
57 |
43 |
4,0 |
| 32 |
0,1-0,63 |
59 |
49 |
3,0 |
| 1,0-16,0 |
65 |
51 |
5,0 |
| 40 |
0,1-0,63 |
69 |
55 |
6,0 |
| 1,0-16,0 |
75 |
61 |
| 50 |
0,1-0,63 |
80 |
66 |
7,0 |
| 1,0-16,0 |
87 |
73 |
| 65 |
0,1-0,63 |
100 |
86 |
8,0 |
| 1,0-16,0 |
109 |
95 |
9,0 |
| 80 |
0,1-0,63 |
115 |
101 |
10,0 |
| 1,0-16,0 |
120 |
106 |
| 100 |
0,1-0,63 |
137 |
117 |
16,0 |
| 1,0-16,0 |
149 |
129 |
18,0 |
| 125 |
0,1-0,63 |
166 |
146 |
20,0 |
| 1,0-16,0 |
175 |
155 |
21,0 |
| 150 |
0,1-0,63 |
191 |
171 |
23,0 |
| 1,0-16,0 |
203 |
183 |
25,0 |
| 200 |
0,1-0,63 |
249 |
229 |
31,0 |
| 1,0-16,0 |
259 |
239 |
32,0 |
| 250 |
0,1-0,63 |
303 |
283 |
37,0 |
| 1,0-16,0 |
312 |
292 |
39,0 |
| 300 |
0,1-0,63 |
356 |
336 |
44,0 |
| 1,0-16,0 |
363 |
343 |
45,0 |
| 350 |
0,1-0,63 |
406 |
386 |
51,0 |
| 1,0-10,0 |
421 |
395 |
68,0 |
| 400 |
0,1-0,63 |
456 |
436 |
57,0 |
| 1,0-10,0 |
473 |
447 |
77,0 |
| 500 |
0,1-0,63 |
561 |
541 |
69,2 |
| 1,0-6,3 |
575 |
549 |
92,0 |
| 600 |
0,1-0,63 |
661 |
635 |
106,0 |
| 1,0-6,3 |
677 |
651 |
108,4 |
| 800 |
0,1-0,63 |
867 |
841 |
140,0 |
| 1,0-4,0 |
877 |
851 |
141,0 |

Рисунок Д.2 – Прокладки плоскі з фторопласту-4 і прокладкової стрічки марки ПН
Таблиця Д.6 – Прокладки виповнення Г
Розміри в міліметрах
Прохід умовний
DN
|
Тиск номінальний (умовний) PN, МПа |
Розміри прокладки |
Маса
1000 шт., кг
|
| зовнішній діаметр D |
внутрішній діаметр d |
товщина
S
|
| 10 |
0,1-0,63 |
30 |
18 |
1,0 |
1,0 |
| 1,0-10,0 |
35 |
23 |
1,2 |
| 15 |
0,1-0,63 |
34 |
22 |
1,1 |
| 1,0-20,0 |
40 |
28 |
1,4 |
| 20 |
0,1-0,63 |
44 |
32 |
1,6 |
| 1,0-20,0 |
51 |
35 |
2,4 |
| 25 |
0,1-0,63 |
52 |
40 |
1,9 |
| 1,0-20,0 |
58 |
42 |
2,76 |
| 32 |
0,1-0,63 |
60 |
48 |
1,0 |
2,2 |
| 1,0-20,0 |
66 |
50 |
3,2 |
| 40 |
0,1-0,63 |
70 |
54 |
2,0 |
6,9 |
| 1,0-20,0 |
76 |
60 |
7,5 |
| 50 |
0,1-0,63 |
81 |
65 |
8,1 |
| 1,0-20,0 |
88 |
72 |
8,8 |
| 65 |
0,1-0,63 |
101 |
85 |
10,3 |
| 1,0-20,0 |
110 |
94 |
11,3 |
| 80 |
0,1-0,63 |
116 |
100 |
11,9 |
| 1,0-20,0 |
121 |
105 |
12,5 |
| 100 |
0,1-0,63 |
138 |
116 |
19,4 |
| 1,0-20,0 |
150 |
128 |
21,0 |
| 125 |
0,1-0,63
1,0-20,0
|
167
176
|
145 |
23,7 |
| 154 |
25,0 |
| 150 |
0,1-0,63 |
192 |
170 |
27,5 |
| 1,0-20,0 |
204 |
182 |
29,3 |
| 150 |
0,1-0,63 |
192 |
170 |
2 |
27,5 |
| 1,0-20,0 |
204 |
182 |
29,3 |
| 200 |
0,1-0,63 |
250 |
228 |
36,3 |
| 1,0-20,0 |
260 |
238 |
37,8 |
| 250 |
0,1-0,63 |
304 |
282 |
44,5 |
| 1,0-20,0 |
313 |
291 |
46,0 |
| 300 |
0,1-0,63 |
357 |
335 |
52,6 |
| 1,0-16,0 |
364 |
342 |
53,6 |
| 350 |
0,1-0,63 |
407 |
385 |
3,0 |
86,1 |
| 1,0-10,0 |
422 |
394 |
122,8 |
| 400 |
0,1-0,63 |
457 |
435 |
3,0 |
101,7 |
| 1,0-10,0 |
474 |
446 |
133,5 |
| 500 |
0,1-0,63 |
562 |
540 |
126,0 |
| 1,0-6,3 |
576 |
548 |
163,0 |
Приклад умовного позначення прокладки для фланця на умовний прохід (номінальний розмір) DN 250 мм і номінальний (умовний) тиск PN4,0 МПа з фторопласту-4:
Прокладка Г-250-40-Ф ГОСТ 15180-86.
Теж із прокладкової стрічки марки ПН:
Прокладка Г-250-40-ПН ГОСТ 15180-86.
Розміри заготовок прокладок із фторопластового ущільнювального матеріалу марки В (ФУМ-В) наведені на рисунку Д.3 і в таблиці Д.7.

Рисунок Д.3 – Прокладки плоскі із фторопластового ущільнювального матеріалу марки В (ФУМ-В).
Таблиця Д.7 – Прокладки виповнення Г із фторопластового ущільнювального матеріалу марки В (ФУМ-В)
Розміри в міліметрах
Прохід умовний
DN
|
Тиск номінальний (умовний) PN, МПа |
Діаметр
прокладки
|
Довжина
заготовки
|
Діаметр перерізу заготовки

|
Маса
1000 шт.,
кг
|
 |
 |
 |
 |
| 10 |
0,1-0,63 |
30 |
18 |
94 |
57 |
2 |
1,1 |
| 1,0-6,3 |
35 |
23 |
100 |
72 |
1,3 |
| 15 |
0,1-0,63 |
34 |
22 |
107 |
69 |
1,2 |
| 1,0-6,3 |
40 |
28 |
126 |
88 |
1,5 |
| 20 |
0,1-0,63 |
44 |
32 |
138 |
101 |
1,7 |
| 1,0-6,3 |
51 |
35 |
160 |
110 |
1,9 |
| 25 |
0,1-0,63 |
52 |
40 |
163 |
126 |
2,0 |
| 1,0-6,3 |
58 |
42 |
182 |
132 |
2,2 |
| 32 |
0,1-0,63 |
60 |
48 |
188 |
151 |
2,3 |
| 1,0-6,3 |
66 |
50 |
207 |
157 |
2,5 |
| 40 |
0,1-0,63 |
70 |
54 |
220 |
170 |
2,7 |
| 1,0-6,3 |
76 |
60 |
239 |
188 |
3,0 |
| 50 |
0,1-0,63 |
81 |
65 |
254 |
204 |
3,2 |
| 1,0-6,3 |
88 |
72 |
276 |
226 |
3,5 |
| 65 |
0,1-0,63 |
101 |
85 |
317 |
267 |
4,0 |
| 1,0-6,3 |
110 |
94 |
345 |
295 |
4,4 |
| 80 |
0,1-0,63 |
116 |
100 |
364 |
314 |
4,7 |
| 1,0-6,3 |
121 |
105 |
380 |
330 |
4,9 |
| 100 |
0,1-0,63 |
138 |
116 |
433 |
364 |
3 |
12,4 |
| 1,0-6,3 |
150 |
128 |
471 |
402 |
13,6 |
| 100 |
0,1-0,63 |
138 |
116 |
433 |
364 |
3 |
12,4 |
| 1,0-6,3 |
150 |
128 |
471 |
402 |
13,6 |
| 125 |
0,1-0,63 |
167 |
145 |
524 |
455 |
15,2 |
| 1,0-6,3 |
176 |
154 |
553 |
484 |
16,1 |
| 150 |
0,1-0,63 |
192 |
170 |
603 |
534 |
17,7 |
| 1,0-6,3 |
204 |
182 |
641 |
572 |
18,9 |
| 200 |
0,1-0,63 |
250 |
228 |
785 |
716 |
23,3 |
| 1,0-6,3 |
260 |
238 |
816 |
746 |
24,3 |
| 250 |
0,1-0,63 |
304 |
282 |
955 |
886 |
28,6 |
| 1,0-6,3 |
313 |
291 |
983 |
914 |
29,5 |
| 300 |
0,1-0,63 |
357 |
335 |
1121 |
1052 |
33,8 |
| 1,0-6,3 |
364 |
342 |
1143 |
1074 |
34,5 |
| 350 |
0,1-0,63 |
407 |
385 |
1278 |
1209 |
38,7 |
| 1,0-6,3 |
422 |
394 |
1325 |
1237 |
40,0 |
| 400 |
0,1-0,63 |
457 |
435 |
1435 |
1366 |
43,5 |
| 1,0-6,3 |
474 |
446 |
1488 |
1400 |
45,0 |
| 500 |
0,1-0,63 |
562 |
540 |
1765 |
1696 |
53,8 |
| 1,0-6,3 |
576 |
548 |
1807 |
1721 |
55,0 |
| 600 |
0,1-0,63 |
662 |
634 |
2079 |
1991 |
63,3 |
| 1,0-6,3 |
678 |
650 |
2129 |
2041 |
65,0 |
| 700 |
0,1-0,63 |
764 |
736 |
2399 |
2311 |
4 |
130,1 |
| 1,0-4,0 |
778 |
750 |
2443 |
2355 |
132,6 |
| 800 |
0,1-0,63 |
864 |
840 |
2713 |
2638 |
148,0 |
| 1,0-4,0 |
878 |
850 |
2757 |
2669 |
150,0 |
При монтажі складеної прокладки із фторопластового ущільнювального матеріалу (ФУМ) заготовки довжиною укладаються по діаметру , довжиною – по діаметру .
Приклад умовного позначення прокладки для фланця на умовний прохід (номінальний розмір) DN 350 мм і номінальний (умовний) тиск PN4,0 МПа із матеріалу ФУМ марки В:
Прокладка Г-350-40-ФУМ-В ГОСТ 15180-86.
Розміри прокладок з пластини гумової листової типу 1 за ГОСТ 7338-77 наведені на рисунку Д.2 і в таблиці Д.8.
Таблиця Д.8 – Прокладки виповнення Д
Розміри в міліметрах
Прохід умовний
DN
|
Тиск номінальний (умовний)
PN, МПа
|
Зовнішній діаметр
прокладки

|
Внутрішній діаметр прокладки

|
Товщина
прокладки

|
Маса
1000 шт.,
кг
|
| 25 |
1,0-20,0 |
58 |
48 |
4 |
5,75 |
| 32 |
1,0-20,0 |
66 |
56 |
6,62 |
| 40 |
0,1-0,63 |
70 |
60 |
7,06 |
| 1,0-20,0 |
76 |
66 |
7,70 |
| 50 |
0,1-0,63 |
81 |
71 |
8,25 |
| 1,0-20,0 |
88 |
78 |
9,01 |
| 65 |
0,1-0,63 |
101 |
91 |
10,40 |
| 1,0-20,0 |
110 |
100 |
11,00 |
| 80 |
0,1-0,63 |
116 |
106 |
12,05 |
| 1,0-20,0 |
121 |
111 |
12,6 |
| 100 |
0,1-0,63 |
138 |
124 |
19,90 |
| 1,0-20,0 |
150 |
136 |
21,70 |
| 125 |
0,1-0,63 |
167 |
153 |
24,32 |
| 1,0-20,0 |
176 |
162 |
25,70 |
| 150 |
0,1-0,63 |
192 |
178 |
28,12 |
| 1,0-20,0 |
204 |
190 |
30,00 |
| 200 |
0,1-0,63 |
250 |
236 |
36,94 |
| 1,0-20,0 |
260 |
246 |
38,50 |
| 250 |
0,1-0,63 |
304 |
290 |
45,15 |
| 1,0-20,0 |
313 |
299 |
46,50 |
| 300 |
0,1-0,63 |
357 |
345 |
6 |
68,60 |
| 1,0-16,0 |
364 |
352 |
70,00 |
| 350 |
0,1-0,63 |
407 |
395 |
78,40 |
| 1,0-10,0 |
422 |
406 |
107,90 |
| 400 |
0,1-0,63 |
457 |
445 |
88,2 |
| 1,0-10,0 |
474 |
458 |
121,4 |
| 500 |
0,1-0,63 |
562 |
550 |
108,7 |
| 1,0-6,3 |
576 |
560 |
148,0 |
| 600 |
0,1-0,63 |
662 |
644 |
7 |
223,34 |
| 1,0-6,3 |
678 |
660 |
228,8 |
| 700 |
0,1-0,63 |
764 |
746 |
258,2 |
| 1,0-4,0 |
778 |
760 |
263,0 |
| 800 |
0,1-0,63 |
868 |
850 |
293,8 |
| 1,0-4,0 |
878 |
860 |
297,2 |
Приклад умовного позначення прокладки для фланця на умовний прохід (номінальний розмір) DN 100 мм і номінальний (умовний) тиск PN4,0 МПа із гуми марки ТКМЩ середньої твердості:
Прокладка Д-100-40-ТМКЩ-С ГОСТ 15180-86.
Додаток Е
Прокладки азбометалеві [25]
Прокладки азбометалеві для фланців арматури за конструкцією та розмірами виготовляють двох типів:
– тип 1 (плоскі, рисунок Е.1, таблиця Е.1);
– тип 2 (гофровані, рисунок Е.2, таблиця Е.2).

Рисунок Е.1 – Прокладка плоска азбометалева (тип 1)
Товщина прокладки складає:
– для прокладки з оболонкою зі сталі;
– для прокладки з оболонкою з кольорових металів (міді, латуні, алюмінію).

Рисунок Е.2 – Прокладка гофрована азбометалева (тип 2)
Таблиця Е.1 – Прокладки азбометалеві плоскі для фланців арматури (тип 1)
Прохід умовний
DN, мм
|
Тиск номінальний (умовний) PN, МПа |
Тип ущільнювальної поверхні фланцевого з’єднання |
Номер прок-ладки |
,
мм
|
,
мм
|
Маса прокладок, кг |
| азбоста-левих |
азбоалю-мінієвих |
азбомід-них |
азбола-тунних |
| 10 |
2,5; 4,0; 6,3 |
„виступ-западина” |
1 |
34 |
14 |
0,005 |
0,003 |
0,006 |
0,006 |
| 2,5 |
з’єднувальний виступ |
2 |
39 |
20 |
0,007 |
0,004 |
0,008 |
0,008 |
| 15 |
2,5; 4,0; 6,3 |
„виступ-западина” |
| 2,5 |
з’єднувальний виступ |
3 |
45 |
25 |
0,008 |
0,005 |
0,010 |
0,010 |
| 20 |
2,5; 4,0; 6,3 |
„виступ-западина” |
4 |
50 |
0,010 |
0,006 |
0,013 |
0,013 |
| 2,5 |
з’єднувальний виступ |
5 |
57 |
30 |
0,012 |
0,007 |
0,015 |
0,014 |
| 25 |
2,5; 4,0; 6,3 |
„виступ-западина” |
| 2,5 |
з’єднувальний виступ |
6 |
65 |
38 |
0,015 |
0,009 |
0,020 |
0,019 |
| 32 |
2,5; 4,0; 6,3 |
„виступ-западина” |
| 2,5 |
з’єднувальний виступ |
7 |
75 |
45 |
0,018 |
0,011 |
0,024 |
0,023 |
| 40 |
2,5; 4,0; 6,3 |
„виступ-западина” |
| 2,5 |
з’єднувальний виступ |
8 |
88 |
58 |
0,022 |
0,013 |
0,028 |
0,027 |
| 50 |
1,0-6,3 |
„виступ-западина” |
| 1,0; 1,6; 2,5 |
з’єднувальний виступ |
9 |
102 |
72 |
0,027 |
0,016 |
0,035 |
0,034 |
| 65 |
2,5; 4,0; 6,3 |
„виступ-западина” |
10 |
109 |
79 |
0,032 |
0,019 |
0,040 |
0,038 |
| 2,5 |
з’єднувальний виступ |
11 |
120 |
90 |
0,034 |
0,020 |
0,45 |
0,043 |
| 80 |
2,5; 4,0; 6,3 |
„виступ-западина” |
| 2,5 |
з’єднувальний виступ |
12 |
138 |
108 |
0,038 |
0,023 |
0,050 |
0,048 |
| 100 |
1,0-6,3 |
„виступ-западина” |
13 |
149 |
119 |
0,042 |
0,025 |
0,055 |
0,053 |
| 1,0; 1,6; 2,5 |
з’єднувальний виступ |
14 |
158 |
128 |
0,045 |
0,027 |
0,060 |
0,058 |
| 125 |
1,0-6,3 |
„виступ-западина” |
15 |
175 |
145 |
0,050 |
0,030 |
0,065 |
0,063 |
| 1,0; 1,6; 2,5 |
з’єднувальний виступ |
16 |
188 |
158 |
0,053 |
0,032 |
0,070 |
0,067 |
 |
азбоста-левих |
азбоалю-мінієвих |
азбомід-них |
азбола-тунних |
| 150 |
1,0-6,3 |
„виступ-западина” |
17 |
203 |
173 |
0,059 |
0,035 |
0,075 |
0,072 |
| 1,0; 1,6; 2,5 |
з’єднувальний виступ |
18 |
212 |
182 |
0,060 |
0,036 |
0,078 |
0,074 |
| 200 |
1,0-6,3 |
„виступ-западина” |
19 |
259 |
229 |
0,076 |
0,045 |
0,095 |
0,090 |
| 1,0; 1,6; 2,5 |
з’єднувальний виступ |
20 |
268 |
238 |
0,079 |
0,047 |
0,100 |
0,095 |
| 250 |
1,0-6,3 |
„виступ-западина” |
21 |
312 |
282 |
0,090 |
0,055 |
0,118 |
0,112 |
| 1,0; 1,6; 2,5 |
з’єднувальний виступ |
22 |
320 |
290 |
0,094 |
0,056 |
0,120 |
0,115 |
| 300 |
1,0-6,3 |
„виступ-западина” |
23 |
363 |
333 |
0,108 |
0,064 |
0,135 |
0,130 |
| 1,0; 1,6; 2,5 |
з’єднувальний виступ |
24 |
370 |
340 |
0,112 |
0,066 |
0,140 |
0,135 |
| 350 |
1,0-6,3 |
„виступ-западина” |
25 |
421 |
391 |
0,126 |
0,075 |
0,160 |
0,153 |
| 1,0; 1,6; 2,5 |
з’єднувальний виступ |
26 |
430 |
400 |
0,129 |
0,077 |
0,165 |
0,158 |
| 400 |
1,0-6,3 |
„виступ-западина” |
27 |
473 |
443 |
0,143 |
0,085 |
0,180 |
0,173 |
| 1,0; 1,6; 2,5 |
з’єднувальний виступ |
28 |
482 |
452 |
0,144 |
0,086 |
0,185 |
0,178 |
| 500 |
1,0-6,3 |
„виступ-западина” |
29 |
575 |
545 |
0,174 |
0,103 |
0,215 |
0,206 |
| 1,0 |
з’єднувальний виступ |
30 |
585 |
555 |
0,177 |
0,105 |
0,220 |
0,210 |
| 1,6; 2,5 |
31 |
610 |
580 |
0,185 |
0,110 |
0,230 |
0,220 |
| 600 |
1,0 |
з’єднувальний виступ |
32 |
685 |
655 |
0,209 |
0,124 |
0,260 |
0,250 |
| 1,6 |
33 |
720 |
690 |
0,220 |
0,131 |
0,275 |
0,264 |
Таблиця Е.2 – Прокладки азбометалеві гофровані для фланців арматури (тип 2)
Умовний прохід DN,
мм
|
Номінальний (умовний) тиск PN, МПа |
Тип ущільнювальної поверхні фланцевого з’єднання |
Номер прок-ладки |
,
мм
|
,
мм
|
Маса, кг |
| азбоста-левих |
азбоалю-мінієвих |
азбомід-них |
азбола-тунних |
| 40 |
2,5 |
„виступ-западина” |
8 |
88 |
54 |
0,023 |
0,015 |
0,032 |
0,031 |
| 50 |
1,6-6,3 |
з’єднувальний виступ |
| 2,5 |
„виступ-западина” |
9 |
102 |
64 |
0,028 |
0,019 |
0,040 |
0,039 |
| 65 |
2,5; 4,0; 6,3 |
з’єднувальний виступ |
10 |
109 |
68 |
0,031 |
0,021 |
0,045 |
0,043 |
| 2,5 |
„виступ-западина” |
11 |
120 |
82 |
0,037 |
0,025 |
0,053 |
0,051 |
| 80 |
2,5; 4,0; 6,3 |
з’єднувальний виступ |
| 2,5 |
„виступ-западина” |
12 |
138 |
92 |
0,045 |
0,031 |
0,065 |
0,063 |
| 100 |
2,5; 4,0; 6,3 |
з’єднувальний виступ |
13 |
149 |
100 |
0,050 |
0,034 |
0,072 |
0,069 |
| 1,6; 2,5 |
„виступ-западина” |
14 |
158 |
118 |
0,049 |
0,033 |
0,070 |
0,067 |
| 125 |
2,5; 4,0; 6,3 |
з’єднувальний виступ |
15 |
175 |
126 |
0,059 |
0,041 |
0,085 |
0,082 |
| 2,5 |
„виступ-западина” |
16 |
188 |
145 |
0,056 |
0,039 |
0,080 |
0,077 |
| 150 |
1,6-6,3 |
з’єднувальний виступ |
17 |
203 |
148 |
0,078 |
0,054 |
0,112 |
0,110 |
| 1,6; 2,5 |
„виступ-западина” |
18 |
212 |
172 |
0,069 |
0,047 |
0,100 |
0,096 |
| 200 |
1,6-6,3 |
з’єднувальний виступ |
19 |
259 |
206 |
0,100 |
0,074 |
0,154 |
0,148 |
| 1,6; 2,5 |
„виступ-западина” |
20 |
268 |
224 |
0,098 |
0,067 |
0,140 |
0,135 |
| 250 |
1,6-6,3 |
з’єднувальний виступ |
21 |
312 |
258 |
0,133 |
0,093 |
0,190 |
0,183 |
| 1,6; 2,5 |
„виступ-западина” |
22 |
320 |
278 |
0,112 |
0,077 |
0,160 |
0,154 |
| 300 |
1,6-6,3 |
з’єднувальний виступ |
23 |
363 |
308 |
0,160 |
0,110 |
0,230 |
0,220 |
| 1,6; 2,5 |
„виступ-западина” |
24 |
370 |
330 |
0,126 |
0,086 |
0,180 |
0,173 |
Матеріал оболонок прокладок вибирають у кожному окремому випадку залежно від умов експлуатації.
Матеріал наповнювача прокладок – картон азбестовий за ГОСТ 2850-80 або папір азбестовий за ГОСТ 23779-79.
Матеріал оболонок наведено в таблиці Е.3.
Таблиця Е.3 – Матеріал оболонок прокладок
Шифр
матеріалу
|
Оболонка |
| Матеріал |
Товщина
S, мм
|
Розрахункова
температура,
°С
|
| 1 |
Стрічка AД0M або
AД1M ГОСТ 13726-97
|
0,3 |
до плюс 425 |
| 2 |
Стрічка AД0M або
AД1M ГОСТ 21631-76
|
| 3 |
Стрічка НМЛ63 ГОСТ 2208-91 |
| 4 |
Стрічка М1 або М3 ГОСТ 1173-93 |
до плюс 315 |
| 5 |
Стрічка М-НТ-12Х13 ГОСТ 4986-79 |
0,2 |
до плюс 450 |
| 6 |
Стрічка М-НТ-08Х18Н10Т
ГОСТ 4986-79
|
до плюс 475 |
Приклад умовного позначення прокладки типу 1 № 11 з оболонкою з алюмінію (шифр 1):
Прокладка 1-11-1 ОСТУ 26.260.463-99.
Теж, з оболонкою із міді (шифр 4):
Прокладка 1-11-4 ОСТ 26.260.463-99.
Приклад умовного позначення прокладки типу 2 № 11 з оболонкою з алюмінію (шифр 1):
Прокладка 2-11-1 ОСТУ 26.260.463-99.
Те ж, з оболонкою з міді (шифр 4):
Прокладка 2-11-4 ОСТ 26.260.463-99.
Додаток Ж
Прокладки спірально-навиті [26]
Товщина СНП по металевому каркасу дорівнює 4,5 і 3,2 мм.
Товщина внутрішніх і зовнішніх обмежувальних кілець дорівнює 3,0 і 2,4 мм.
Конструкція спірально-навитих прокладок типу А (NF) наведена на рисунку Ж.1 і в таблиці Ж.1

Рисунок Ж.1 – Прокладка спірально-навита типів А (NF) і Б (VR)
Таблиця Ж.1 – Прокладки СНП типу А (NF) для фланцевих з’єднань арматури і трубопроводів з ущільнювальними поверхнями типу „шип-паз”
Розміри в міліметрах
Прохід умовний
DN
|
 |
 |
| при номінальному (умовному) тиску PN, МПа |
| 0,6 |
1,6; 2,5; 4,0; 6,3; 10,0; 16,0; 20,0 |
0,6 |
1,6; 2,5; 4,0 |
6,3 |
10,0 |
16,0 |
20,0 |
| 10 |
19 |
24 |
29 |
34 |
34 |
34 |
- |
- |
| 15 |
23 |
29 |
33 |
39 |
39 |
39 |
39 |
39 |
| 20 |
33 |
36 |
43 |
50 |
50 |
50 |
50 |
50 |
| 25 |
41 |
43 |
51 |
57 |
57 |
57 |
57 |
57 |
| 32 |
49 |
51 |
59 |
65 |
65 |
65 |
65 |
65 |
| 40 |
55 |
61 |
69 |
75 |
75 |
75 |
75 |
75 |
| 50 |
66 |
73 |
80 |
87 |
87 |
87 |
87 |
87 |
| 65 |
86 |
95 |
100 |
109 |
109 |
109 |
109 |
109 |
| 80 |
101 |
106 |
115 |
120 |
120 |
120 |
120 |
120 |
| 100 |
117 |
129 |
137 |
149 |
149 |
149 |
149 |
149 |
| 125 |
146 |
155 |
166 |
175 |
175 |
175 |
175 |
175 |
Закінчення таблиці Ж.1
Розміри в міліметрах
Прохід умовний
DN
|
 |
 |
| при номінальному (умовному) тиску PN, МПа |
| 0,6 |
1,6; 2,5; 4,0; 6,3; 10,0; 16,0; 20,0 |
0,6 |
1,6; 2,5; 4,0 |
6,3 |
10,0 |
16,0 |
20,0 |
| 150 |
171 |
183 |
191 |
203 |
203 |
203 |
203 |
203 |
| 200 |
229 |
239 |
249 |
259 |
259 |
259 |
259 |
259 |
| 250 |
283 |
292 |
303 |
312 |
312 |
312 |
312 |
312 |
| 300 |
336 |
343 |
356 |
363 |
363 |
363 |
363 |
- |
| 350 |
386 |
395 |
406 |
421 |
421 |
421 |
- |
- |
| 400 |
436 |
447 |
456 |
473 |
473 |
473 |
- |
- |
| 500 |
541 |
549 |
561 |
575 |
575 |
- |
- |
- |
| 600 |
635 |
651 |
661 |
677 |
677 |
- |
- |
- |
| 800 |
841 |
851 |
867 |
877 |
- |
- |
- |
- |
Конструкція спірально-навитих прокладок типу Б (VR) наведена на рисунку Ж.1 і в таблиці Ж.2.
Таблиця Ж.2 – Прокладки СНП типу Б (VR) для фланцевих з’єднань арматури і трубопроводів з ущільнювальною поверхнею типу „виступ-западина”
Розміри в міліметрах
Прохід умовний
DN
|
 |
 |
| при номінальному (умовному) тиску PN, МПа |
| 0,6; 1,6; 2,5; 4,0; 6,3; 10,0; 16,0; 20,0 |
0,6 |
1,6; 2,5; 4,0 |
6,3 |
10,0 |
16,0 |
20,0 |
| 10 |
16 |
29 |
34 |
34 |
34 |
- |
- |
| 15 |
21 |
33 |
39 |
39 |
39 |
39 |
39 |
| 20 |
28 |
43 |
50 |
50 |
50 |
50 |
50 |
| 25 |
35 |
51 |
57 |
57 |
57 |
57 |
57 |
| 32 |
43 |
59 |
65 |
65 |
65 |
65 |
65 |
| 40 |
53 |
69 |
75 |
75 |
75 |
75 |
75 |
| 50 |
61 |
80 |
87 |
87 |
87 |
87 |
87 |
| 65 |
83 |
100 |
109 |
109 |
109 |
109 |
109 |
| 80 |
94 |
115 |
120 |
120 |
120 |
120 |
120 |
Закінчення таблиці Ж.2
Розміри в міліметрах
Прохід умовний
DN
|
 |
 |
| при номінальному (умовному) тиску PN, МПа |
| 0,6; 1,6; 2,5; 4,0; 6,3; 10,0; 16,0; 20,0 |
0,6 |
1,6; 2,5; 4,0 |
6,3 |
10,0 |
16,0 |
20,0 |
| 100 |
117 |
137 |
149 |
149 |
149 |
149 |
149 |
| 125 |
143 |
166 |
175 |
175 |
175 |
175 |
175 |
| 150 |
171 |
191 |
203 |
203 |
203 |
203 |
203 |
| 200 |
227 |
249 |
259 |
259 |
259 |
259 |
259 |
| 250 |
280 |
303 |
312 |
312 |
312 |
312 |
312 |
| 300 |
323 |
356 |
363 |
363 |
363 |
363 |
- |
| 350 |
375 |
406 |
421 |
421 |
421 |
- |
- |
| 400 |
427 |
456 |
473 |
473 |
473 |
- |
- |
| 500 |
529 |
561 |
575 |
575 |
- |
- |
- |
| 600 |
629 |
661 |
677 |
677 |
- |
- |
- |
| 800 |
821 |
867 |
877 |
- |
- |
- |
- |
Конструкція прокладок спірально-навитих типу В (VRI) наведена на рисунку Ж.2 і в таблиці Ж.3

Рисунок Ж.2 – Прокладка спірально-навита типу В (VRІ)
Таблиця Ж.3 – СНП типу В (VR1) для фланцевих з’єднань арматури і трубопроводів з ущільнювальними поверхнями „виступ-западина”
Розміри в міліметрах
Прохід умовний
DN
|
 |
 |
 |
| при номінальному (умовному) тиску PN, МПа |
| 0,6; 1,6; 2,5; 4,0; 6,3; 10,0; 16,0; 20,0 |
0,6 |
1,6; 2,5; 4,0; 6,3; 10,0; 16,0; 20,0 |
0,6 |
1,6; 2,5; 4,0 |
6,3 |
10,0 |
16,0 |
20,0 |
| 10 |
16 |
23 |
24 |
30 |
34 |
34 |
34 |
- |
- |
| 15 |
21 |
28 |
29 |
35 |
39 |
39 |
39 |
39 |
39 |
| 20 |
28 |
35 |
36 |
46 |
50 |
50 |
50 |
50 |
50 |
| 25 |
35 |
43 |
43 |
53 |
57 |
57 |
57 |
57 |
57 |
| 32 |
43 |
51 |
51 |
63 |
65 |
65 |
65 |
65 |
65 |
| 40 |
53 |
61 |
61 |
70 |
75 |
75 |
75 |
75 |
75 |
| 50 |
61 |
73 |
74 |
83 |
87 |
87 |
87 |
87 |
87 |
| 65 |
83 |
94 |
94 |
103 |
109 |
109 |
109 |
109 |
109 |
| 80 |
94 |
106 |
106 |
117 |
120 |
120 |
120 |
120 |
120 |
| 100 |
117 |
129 |
129 |
143 |
149 |
149 |
149 |
149 |
149 |
| 125 |
143 |
155 |
155 |
169 |
175 |
175 |
175 |
175 |
175 |
| 150 |
171 |
183 |
183 |
196 |
203 |
203 |
203 |
203 |
203 |
| 200 |
227 |
239 |
239 |
251 |
259 |
259 |
259 |
259 |
259 |
| 250 |
280 |
292 |
292 |
306 |
312 |
312 |
312 |
312 |
312 |
| 300 |
323 |
343 |
343 |
356 |
363 |
363 |
363 |
363 |
- |
| 350 |
375 |
395 |
395 |
407 |
421 |
421 |
421 |
- |
- |
| 400 |
427 |
447 |
447 |
457 |
473 |
473 |
473 |
- |
- |
| 500 |
529 |
549 |
549 |
557 |
575 |
575 |
- |
- |
- |
| 600 |
629 |
649 |
649 |
657 |
677 |
677 |
- |
- |
- |
| 800 |
821 |
841 |
851 |
867 |
877 |
- |
- |
- |
- |
Конструкція прокладок спірально-навитих типу Г (GA) наведена на рисунку Ж.3 і в таблиці Ж.4

Рисунок Ж.3 – Прокладка спірально-навита типу Г (GA)
Таблиця Ж.4 – СНП типу Г (GA) для фланцевих з’єднань арматури і трубопроводів з гладкими ущільнювальними поверхнями
Розміри в міліметрах
Прохід умовний
DN
|
 |
 |
 |
| при номінальному (умовному) тиску PN, МПа |
| 1,6; 2,5; 4,0; 6,3; 10,0; 16,0; 20,0 |
1,6; 2,5; 4,0;
6,3
|
10,0; 16,0;
20,0
|
1,6 |
2,5 |
4,0 |
6,3 |
10,0 |
16,0 |
20,0 |
| 10 |
24 |
36 |
36 |
45 |
45 |
45 |
55 |
55 |
- |
- |
| 15 |
28 |
40 |
40 |
50 |
50 |
50 |
60 |
60 |
60 |
61 |
| 20 |
36 |
50 |
50 |
60 |
60 |
60 |
71 |
71 |
71 |
69 |
| 25 |
43 |
57 |
57 |
70 |
70 |
70 |
81 |
81 |
81 |
75 |
| 32 |
51 |
67 |
67 |
81 |
81 |
81 |
87 |
87 |
87 |
88 |
| 40 |
58 |
74 |
74 |
91 |
91 |
91 |
102 |
102 |
102 |
97 |
| 50 |
73 |
91 |
91 |
106 |
106 |
106 |
112 |
118 |
118 |
133 |
| 65 |
89 |
109 |
111 |
126 |
126 |
126 |
137 |
143 |
143 |
172 |
| 80 |
102 |
122 |
126 |
141 |
141 |
141 |
147 |
153 |
153 |
196 |
| 100 |
127 |
147 |
151 |
161 |
167 |
167 |
173 |
179 |
179 |
251 |
| 125 |
152 |
174 |
178 |
191 |
193 |
193 |
209 |
216 |
216 |
277 |
| 150 |
179 |
201 |
205 |
217 |
222 |
222 |
245 |
255 |
255 |
313 |
| 200 |
227 |
253 |
259 |
271 |
282 |
288 |
307 |
322 |
322 |
386 |
| 250 |
279 |
307 |
315 |
327 |
338 |
350 |
362 |
389 |
389 |
514 |
| 300 |
330 |
358 |
366 |
382 |
398 |
415 |
422 |
456 |
456 |
- |
| 350 |
380 |
410 |
418 |
442 |
455 |
472 |
484 |
520 |
- |
- |
| 400 |
430 |
462 |
470 |
493 |
512 |
544 |
540 |
580 |
- |
- |
| 500 |
530 |
566 |
- |
615 |
619 |
626 |
653 |
- |
- |
- |
| 600 |
630 |
666 |
- |
729 |
729 |
745 |
762 |
- |
- |
- |
| 800 |
840 |
884 |
- |
909 |
937 |
972 |
986 |
- |
- |
- |
| 900 |
940 |
989 |
- |
1009 |
1036 |
1082 |
1106 |
- |
- |
- |
| 1000 |
1037 |
1082 |
- |
1126 |
1152 |
1192 |
1218 |
- |
- |
- |
Конструкція прокладок спірально-навитих типу Д (GІA) наведена на рисунку Ж.4 та в таблиці Ж.5.

Рисунок Ж.4 – Прокладка спірально-навита типу Д (GІA) для фланців арматури і трубопроводів з гладкими ущільнювальними поверхнями
Таблиця Ж.5 – СНП типу Д (GIA) для фланців арматури і трубопроводів з гладкими ущільнювальними поверхнями
Розміри в міліметрах
Прохід умовний
DN
|
 |
 |
 |
 |
| при номінальному (умовному) тиску PN, МПа |
| 1,6; 2,5; 4,0; 6,3; 10,0; 16,0; 20,0 |
1,6; 2,5; 4,0; 6,3; 10,0; 16,0; 20,0 |
1,6; 2,5; 4,0; 6,3 |
10,0; 16,0; 20,0 |
1,6 |
2,5 |
4,0 |
6,3 |
10,0 |
16,0 |
20,0 |
| 10 |
16 |
24 |
36 |
36 |
45 |
45 |
45 |
55 |
55 |
- |
- |
| 15 |
20 |
28 |
40 |
40 |
50 |
50 |
50 |
60 |
60 |
60 |
61 |
| 20 |
28 |
36 |
50 |
50 |
60 |
60 |
60 |
71 |
71 |
71 |
69 |
| 25 |
35 |
43 |
57 |
57 |
70 |
70 |
70 |
81 |
81 |
81 |
75 |
| 32 |
43 |
51 |
67 |
67 |
81 |
81 |
81 |
87 |
87 |
87 |
88 |
| 40 |
50 |
58 |
74 |
74 |
91 |
91 |
91 |
102 |
102 |
102 |
97 |
| 50 |
61 |
73 |
91 |
91 |
106 |
106 |
106 |
112 |
118 |
118 |
133 |
| 65 |
77 |
89 |
109 |
111 |
126 |
126 |
126 |
137 |
143 |
143 |
172 |
| 80 |
90 |
102 |
122 |
126 |
141 |
141 |
141 |
147 |
153 |
153 |
196 |
| 100 |
115 |
127 |
147 |
151 |
161 |
167 |
167 |
173 |
179 |
179 |
251 |
| 125 |
140 |
152 |
174 |
178 |
191 |
193 |
193 |
209 |
216 |
216 |
277 |
| 150 |
167 |
179 |
201 |
205 |
217 |
222 |
222 |
245 |
255 |
255 |
313 |
| 200 |
215 |
227 |
253 |
259 |
271 |
282 |
288 |
307 |
322 |
322 |
386 |
| 250 |
267 |
279 |
307 |
315 |
327 |
338 |
350 |
362 |
389 |
389 |
514 |
| 300 |
318 |
330 |
358 |
366 |
382 |
398 |
415 |
422 |
456 |
456 |
- |
| 350 |
360 |
380 |
410 |
418 |
442 |
455 |
472 |
484 |
520 |
- |
- |
| 400 |
410 |
430 |
462 |
470 |
493 |
512 |
544 |
540 |
580 |
- |
- |
| 500 |
510 |
530 |
566 |
- |
615 |
619 |
626 |
653 |
- |
- |
- |
| 600 |
610 |
630 |
666 |
- |
729 |
729 |
745 |
762 |
- |
- |
- |
| 800 |
811 |
840 |
884 |
- |
909 |
937 |
972 |
986 |
- |
- |
- |
| 900 |
911 |
940 |
989 |
- |
1009 |
1036 |
1082 |
1106 |
- |
- |
- |
| 1000 |
1002 |
1037 |
1082 |
- |
1126 |
1152 |
1192 |
1218 |
- |
- |
- |
Додаток І
Прокладки металеві
овального і восьмикутного перерізу [28]
Стандартом передбачено 2 типи прокладок:
– тип 1 (овального перерізу);
– тип 2 (восьмикутного перерізу).
Прокладки виготовляються зі сталі 08кп за ГОСТ 1050-88, легованих сталей марок 08Х13, 08Х18Н10 або 08Х18Н10Т за ГОСТ 5632-72.
Розміри прокладок типу 1 наведені на рисунку І.1 і в таблиці І.1.
Розміри прокладок типу 2 наведені на рисунку І.2 і в таблиці І.2.

Рисунок І.1 – Прокладка металева овального перерізу (тип 1)
Таблиця І.1 – Розміри прокладок овального перерізу
Розміри в міліметрах
Прохід умовний
DN
|
Тиск номінальний (умовний)
PN, МПа
|
 |
 |
 |
 |
Маса, кг |
| 15 |
6,4; 10,0; 16,0 |
35 |
8 |
14 |
4,0 |
0,085 |
| 20 |
45 |
0,109 |
| 25 |
50 |
0,121 |
| 32 |
65 |
0,157 |
| (40) |
75 |
0,182 |
| 50 |
6,4; 10,0 |
86 |
11 |
18 |
5,5 |
0,363 |
| 16,0 |
96 |
0,406 |
| (65) |
6,4; 10,0; 16,0 |
110 |
0,470 |
| 80 |
6,4; 10,0 |
115 |
0,491 |
| 16,0 |
130 |
0,551 |
| 100 |
6,4; 10,0 |
145 |
11 |
18 |
5,5 |
0,619 |
| 16,0 |
160 |
0,683 |
| (125) |
6,4; 10,0 |
175 |
0,747 |
| 16,0 |
190 |
0,811 |
| 150 |
6,4; 10,0 |
205 |
0,845 |
| 16,0 |
13 |
20 |
6,5 |
1,13 |
| 200 |
6,4; 10,0 |
265 |
11 |
18 |
5,5 |
| 16,0 |
275 |
16 |
22 |
8,0 |
2,02 |
| 250 |
6,4; 10,0 |
320 |
11 |
18 |
5,5 |
1,37 |
| 16,0 |
330 |
16 |
22 |
8,0 |
2,42 |
| 300 |
6,4; 10,0 |
375 |
11 |
18 |
5,5 |
1,80 |
| 16,0 |
380 |
22 |
30 |
11 |
4,85 |
| 350 |
6,4 |
420 |
11 |
18 |
5,5 |
1,79 |
| 10,0 |
16 |
22 |
8,0 |
3,08 |
| 16,0 |
22 |
30 |
11 |
5,35 |
| 400 |
6,4 |
480 |
11 |
18 |
5,5 |
2,05 |
| 10,0 |
16 |
22 |
8,0 |
3,52 |
| 16,0 |
22 |
30 |
11 |
6,12 |
Приклад умовного позначення прокладки типу 1 на умовний прохід DN300 мм, номінальний (умовний) тиск PN 16,0 МПа зі сталі марки 08кп по ГОСТ 1050-88:
Прокладка 1-300-160-08 кп АТК 26-18-6-93.

Рисунок І.2 – Прокладка металева восьмикутного перерізу (тип 2)
Таблиця І.2 – Розміри прокладок восьмикутного перерізу
Розміри в міліметрах
| Прохід умовний DN |
Тиск номінальний (умовний)
PN, МПа
|
 |
 |
 |
 |
Маса, кг |
| 200 |
16,0 |
275 |
16 |
22 |
10 |
2,02 |
| 250 |
330 |
2,42 |
| 300 |
10,0 |
375 |
11 |
18 |
8 |
1,60 |
| 16,0 |
380 |
22 |
30 |
12 |
5,08 |
| 350 |
10,0 |
420 |
16 |
22 |
10 |
3,08 |
| 16,0 |
22 |
30 |
12 |
5,60 |
| 400 |
10,0 |
480 |
15 |
22 |
10 |
3,52 |
| 16,0 |
22 |
30 |
12 |
6,40 |
Приклад умовного позначення прокладки типу 2 на умовний прохід DN300 мм, номінальний (умовний) тиск PN, 16,0 МПа зі сталі марки 08кп по ГОСТ 1050-88:
Прокладка 2-300-160-08 кп АТК 26-18-6-93.
Додаток К
Прокладки лінзові [14]
Конструкція жорстких лінз виповнення 1 наведена на рисунку К.1 та в таблиці К.1.

Рисунок К.1 –Лінза жорстка виповнення 1
Таблиця К.1 – Розміри лінз типу Ж виповнення 1
Розміри в міліметрах
Прохід
умовний DN
|
 |
 |
 |
 |
 |
 |
Маса, кг |
| 6 |
14 |
6 |
8,2 |
8,5 |
12 |
0,2 |
0,00 |
| 16 |
22 |
11 |
13,7 |
10 |
20 |
0,017 |
| 15 |
30 |
15 |
20,5 |
11 |
30 |
0,030 |
| 25 |
44 |
25 |
30,8 |
14 |
45 |
0,5 |
0,080 |
| 32 |
60 |
32 |
41,0 |
18 |
60 |
0,180 |
| 40 |
65 |
40 |
49,9 |
73 |
0,200 |
| 50 |
82 |
60 |
67,0 |
20 |
98 |
0,300 |
| 65 |
100 |
70 |
78,7 |
25 |
115 |
0,600 |
| 80 |
125 |
90 |
95,7 |
30 |
140 |
1,0 |
0,00 |
| 100 |
133 |
100 |
109,4 |
160 |
0,017 |
| 125 |
175 |
120 |
136,8 |
35 |
200 |
0,030 |
| 150 |
210 |
155 |
166,2 |
40 |
243 |
0,080 |
| 200 |
270 |
195 |
212,0 |
45 |
310 |
0,180 |
Приклад умовного позначення лінзи типу Ж виповнення 1 з діаметром умовного проходу DN 40 мм зі сталі марки 18Х3МВ:
Лінза Ж1-40-18Х3МВ ГОСТ 10493-81.
Конструкція жорстких лінз виповнення 2 наведена на рисунку К.2 та в таблиці К.2.

Рисунок К.2 –Лінза жорстка виповнення 2
Таблиця К.2 – Розміри лінз типу Ж виповнення 2
Розміри в міліметрах
| Прохід умовний DN |
 |
 |
 |
 |
 |
 |
 |
 |
 |
Маса, кг |
| 40 |
85 |
65 |
40 |
49,9 |
30 |
12 |
73 |
3 |
0,5 |
0,70 |
| 50 |
116 |
85 |
60 |
67,0 |
32 |
14 |
98 |
1,30 |
| 65 |
132 |
100 |
70 |
78,7 |
38 |
16 |
115 |
5 |
1,90 |
| 80 |
155 |
125 |
90 |
95,7 |
42 |
17 |
140 |
2,55 |
| 100 |
168 |
135 |
100 |
109,4 |
45 |
19 |
160 |
1,0 |
3,35 |
| 125 |
200 |
165 |
120 |
136,8 |
200 |
4,60 |
| 150 |
245 |
195 |
150 |
166,2 |
60 |
26 |
243 |
8,45 |
| 200 |
295 |
245 |
195 |
212,0 |
25 |
310 |
11,45 |
Приклад умовного позначення лінзи типу Ж виповнення 2 з діаметром умовного проходу DN 40 мм із сталі марки 18Х3МВ:
Лінза Ж2-40-18Х3МВ ГОСТ 10493-81.
Конструкція компенсувальних лінз виповнення 1 і 2 наведена на рисунку К.3 і в таблиці К.3.

1 – лінза; 2 – вставне кільце
Рисунок К.3 –Лінза компенсувальна виповнення 2
Таблиця К.3 – Розміри лінз типа К виповнень 1 і 2. Розміри в мм
Прохід умовний
DN
|
Тип і виповнення лінзи |
 |
 |
 |
 |
 |
 |
 |
 |
 |
 |
 |
 |
 |
 |
Маса, кг |
| 40 |
К1 |
82 |
60 |
40 |
49,9 |
16 |
5,5 |
25 |
10 |
5 |
73 |
3 |
1,5 |
11,0 |
1,0 |
0,45 |
| К2 |
85 |
65 |
30 |
12 |
13,5 |
0,65 |
| 50 |
К1 |
110 |
85 |
60 |
67,0 |
20 |
6,5 |
28 |
10 |
98 |
12,5 |
0,80 |
| К2 |
110 |
32 |
14 |
14,5 |
1,25 |
| 65 |
К1 |
125 |
95 |
70 |
78,7 |
22 |
7,0 |
30 |
12 |
6 |
115 |
4 |
2 |
13,0 |
1,06 |
| К2 |
132 |
100 |
23 |
38 |
16 |
17,0 |
1,70 |
| 80 |
К1 |
146 |
120 |
90 |
95,7 |
22 |
8,0 |
32 |
12 |
7 |
140 |
14,0 |
1,5 |
1,60 |
| К2 |
155 |
125 |
24 |
42 |
17 |
19,0 |
2,25 |
| 100 |
К1 |
130 |
100 |
109,4 |
22 |
9,0 |
35 |
13 |
160 |
5 |
15,5 |
4,00 |
| К2 |
168 |
135 |
25 |
45 |
19 |
20,5 |
3,15 |
| 125 |
К1 |
192 |
160 |
120 |
136,8 |
27,5 |
10,5 |
38 |
13 |
200 |
17,0 |
2,70 |
| К2 |
200 |
165 |
45 |
19 |
20,5 |
4,25 |
| 150 |
К1 |
235 |
195 |
150 |
166,2 |
32,5 |
12,5 |
48 |
17 |
8 |
243 |
2,5 |
21,5 |
5,25 |
| К2 |
245 |
60 |
26 |
27,5 |
7,95 |
| 200 |
К1 |
285 |
245 |
195 |
212,0 |
35 |
14,5 |
48 |
17 |
310 |
21,5 |
7,30 |
| К2 |
295 |
60 |
25 |
27,5 |
10,80 |
Приклад умовного позначення лінзи типу К виповнення 1 з діаметром умовного проходу DN 100 мм зі сталі марки 18Х3МВ:
Лінза К1-100-18Х3МВ ГОСТ 10493-81.
Таблиця К4 – Розміри вставних кілець до лінз типу К виконань 1 і 2
Розміри в міліметрах
| Прохід умовний DN |
 |
 |
 |
Маса, кг |
| 40 |
40 |
51 |
4,9 |
0,03 |
| 50 |
60 |
73 |
0,06 |
| 65 |
70 |
84 |
5,9 |
0,08 |
| 80 |
90 |
106 |
6,9 |
0,15 |
| 100 |
100 |
118 |
0,17 |
| 125 |
120 |
142 |
0,23 |
| 150 |
150 |
176 |
7,9 |
0,39 |
| 200 |
195 |
225 |
0,58 |

Рисунок К.4 – Кільце вставне
ДОДАТОК Л
Заглушки фланцеві сталеві [27]

Рисунок Л.1 – Заглушка фланцева зі з’єднувальним виступом (виповнення 1)
Таблиця Л.1 – Заглушки фланцеві сталеві зі з’єднувальним виступом на номінальний (умовний) тиск PN 0,6 МПа (виповнення 1)
Розміри в міліметрах
 |
 |
 |
 |
 |
 |
 |
 |
 |
 |
Діаметр болтів (шпильок) |
Маса,
кг
|
| 10 |
75 |
50 |
35 |
12 |
10 |
2 |
6 |
11 |
4 |
М10 |
0,3 |
| 15 |
80 |
55 |
40 |
10 |
0,4 |
| 20 |
90 |
65 |
50 |
16 |
0,5 |
| 25 |
100 |
75 |
60 |
22 |
0,6 |
| 32 |
120 |
90 |
70 |
14 |
12 |
28 |
14 |
М12 |
1,0 |
| 40 |
130 |
100 |
80 |
3 |
36 |
1,1 |
| 50 |
140 |
110 |
90 |
46 |
1,3 |
| 65 |
160 |
130 |
110 |
60 |
1,7 |
| 80 |
185 |
150 |
128 |
76 |
18 |
М16 |
2,3 |
| 100 |
205 |
170 |
148 |
94 |
2,8 |
| 125 |
235 |
200 |
178 |
16 |
14 |
118 |
8 |
4,4 |
| 150 |
260 |
225 |
202 |
142 |
5,5 |
| 200 |
315 |
280 |
258 |
196 |
8,3 |
| 250 |
370 |
335 |
312 |
244 |
12 |
11,6 |
Закінчення таблиці Л.1
Розміри в міліметрах
 |
 |
 |
 |
 |
 |
 |
 |
 |
 |
Діаметр болтів (шпильок) |
Маса, кг |
| 300 |
435 |
395 |
365 |
18 |
15 |
4 |
294 |
22 |
М20 |
17,4 |
| 350 |
485 |
445 |
415 |
344 |
22,1 |
| 400 |
535 |
495 |
465 |
20 |
17 |
390 |
16 |
30,6 |
| 450 |
590 |
550 |
520 |
22 |
19 |
440 |
41,8 |
| 500 |
640 |
600 |
570 |
22 |
19 |
4 |
490 |
22 |
16 |
М20 |
49,7 |
| 600 |
755 |
705 |
670 |
24 |
20 |
5 |
590 |
26 |
20 |
М24 |
74,0 |
| 800 |
975 |
920 |
880 |
30 |
26 |
780 |
30 |
24 |
М27 |
159,3 |
| 1000 |
1175 |
1120 |
1080 |
36 |
32 |
980 |
28 |
285,5 |
| 1200 |
1400 |
1340 |
1295 |
40 |
36 |
1180 |
33 |
32 |
М30 |
454,2 |
Таблиця Л.2 – Заглушки фланцеві сталеві зі з’єднувальним виступом на номінальний (умовний) тиск PN 1,0 МПа (виповнення 1)
Розміри в міліметрах
| DN |
 |
 |
 |
 |
 |
 |
 |
 |
 |
Діаметр болтів (шпильок) |
Маса,
кг
|
| 200 |
335 |
295 |
268 |
16 |
14 |
3 |
196 |
22 |
8 |
М20 |
9,2 |
| 250 |
390 |
350 |
320 |
18 |
16 |
244 |
12 |
14,4 |
| 300 |
440 |
400 |
370 |
20 |
17 |
4 |
294 |
20,1 |
| 350 |
500 |
460 |
430 |
22 |
19 |
344 |
16 |
29,3 |
| 400 |
565 |
515 |
482 |
24 |
21 |
390 |
26 |
М24 |
41,0 |
| 450 |
615 |
565 |
532 |
440 |
20 |
48,9 |
| 500 |
670 |
620 |
585 |
26 |
23 |
490 |
64,0 |
| 600 |
780 |
725 |
685 |
30 |
26 |
5 |
590 |
30 |
М27 |
99,6 |
| 800 |
1010 |
950 |
905 |
40 |
36 |
780 |
33 |
24 |
М30 |
230,4 |
| 1000 |
1220 |
1160 |
1110 |
45 |
41 |
980 |
28 |
385,5 |
| 1200 |
1455 |
1380 |
1330 |
55 |
51 |
1180 |
39 |
32 |
М36 |
675,7 |
| Примітка – Заглушки з умовним проходом DN 10-50 мм слід приймати на умовний тиск PN 4,0 МПа за таблицею Л.5, а на умовний прохід DN 65-150 мм та умовний тиск PN 1,6 МПа – за таблицею Л.3. |
Таблиця Л.3 – Заглушки фланцеві сталеві зі з’єднувальним виступом на номінальний (умовний) тиск PN 1,6 МПа (виповнення 1)
Розміри в міліметрах
| DN |
 |
 |
 |
 |
 |
 |
 |
 |
 |
Діаметр болтів (шпильок) |
Маса,
кг
|
| 65 |
180 |
145 |
122 |
16 |
14 |
3 |
60 |
18 |
4 |
М16 |
2,5 |
| 80 |
195 |
160 |
133 |
76 |
3,0 |
| 100 |
215 |
180 |
158 |
94 |
8 |
3,6 |
| 125 |
245 |
210 |
184 |
118 |
4,8 |
| 150 |
280 |
240 |
212 |
18 |
16 |
3 |
142 |
22 |
8 |
М20 |
7,1 |
| 200 |
335 |
295 |
268 |
18 |
16 |
196 |
12 |
10,4 |
| 250 |
405 |
355 |
320 |
22 |
20 |
244 |
26 |
М24 |
19,0 |
| 300 |
460 |
410 |
370 |
24 |
21 |
4 |
294 |
26,4 |
| 350 |
520 |
470 |
430 |
26 |
23 |
344 |
16 |
37,3 |
| 400 |
580 |
525 |
482 |
30 |
27 |
390 |
30 |
М27 |
54,3 |
| 450 |
640 |
585 |
532 |
440 |
20 |
66,2 |
| 500 |
710 |
650 |
585 |
36 |
33 |
490 |
33 |
М30 |
99,2 |
| 600 |
840 |
770 |
685 |
40 |
36 |
5 |
590 |
39 |
М36 |
152,2 |
| 800 |
1020 |
950 |
905 |
50 |
46 |
780 |
24 |
294,2 |
| 1000 |
1255 |
1170 |
1110 |
60 |
56 |
980 |
45 |
28 |
М42 |
339,3 |
| 1200 |
1485 |
1390 |
1330 |
70 |
66 |
1180 |
52 |
32 |
М48 |
885,9 |
| Примітка – Заглушки з умовним проходом DN 10-50 мм слід приймати на умовний тиск PN 4,0 МПа за таблицею Л.5 |
Таблиця Л.4 – Заглушки фланцеві сталеві зі з’єднувальним виступом на умовний тиск PN 2,5 МПа (виповнення 1)
Розміри в міліметрах
| DN |
 |
 |
 |
 |
 |
 |
 |
 |
 |
Діаметр болтів (шпильок) |
Маса,
кг
|
| 200 |
360 |
310 |
278 |
24 |
22 |
3 |
196 |
26 |
12 |
М24 |
16,2 |
| 250 |
425 |
370 |
335 |
30 |
27 |
244 |
30 |
М27 |
29,1 |
| 300 |
485 |
430 |
390 |
4 |
294 |
16 |
36,8 |
| 350 |
550 |
490 |
450 |
36 |
33 |
344 |
33 |
М30 |
58,3 |
| 400 |
610 |
550 |
505 |
40 |
37 |
390 |
81,4 |
| 450 |
660 |
600 |
555 |
440 |
20 |
95,5 |
| 500 |
730 |
660 |
615 |
45 |
42 |
490 |
39 |
М36 |
131,6 |
| 600 |
840 |
770 |
750 |
50 |
46 |
5 |
590 |
195,4 |
| 800 |
1075 |
990 |
930 |
60 |
56 |
780 |
45 |
24 |
М42 |
389,9 |
| Примітка – Заглушки з умовним проходом DN 10-150 мм слід приймати за таблицею Л.5 на умовний тиск PN 4,0 МПа. |
Таблиця Л.5 – Заглушки фланцеві сталеві зі з’єднувальним виступом на умовний тиск PN 4,0 МПа
Розміри в міліметрах
| DN |
 |
 |
 |
 |
 |
 |
 |
 |
 |
Діаметр болтів (шпильок) |
Маса,
кг
|
| 10 |
90 |
60 |
42 |
14 |
12 |
2 |
6 |
14 |
4 |
М12 |
0,5 |
| 15 |
95 |
65 |
47 |
10 |
0,6 |
| 20 |
105 |
75 |
58 |
16 |
14 |
16 |
0,8 |
| 25 |
115 |
85 |
68 |
22 |
1,0 |
| 32 |
135 |
100 |
78 |
18 |
16 |
28 |
18 |
М16 |
1,6 |
| 40 |
145 |
110 |
88 |
3 |
36 |
1,8 |
| 50 |
160 |
125 |
102 |
46 |
2,2 |
| 65 |
180 |
145 |
122 |
20 |
18 |
60 |
8 |
3,1 |
| 80 |
195 |
160 |
133 |
76 |
3,7 |
| 100 |
230 |
190 |
158 |
22 |
20 |
94 |
22 |
М20 |
5,8 |
| 125 |
270 |
220 |
184 |
24 |
22 |
118 |
26 |
М24 |
8,8 |
| 150 |
300 |
250 |
212 |
26 |
24 |
142 |
12,1 |
| 200 |
375 |
320 |
285 |
28 |
28 |
196 |
30 |
12 |
М27 |
22,1 |
| 250 |
445 |
385 |
345 |
36 |
34 |
244 |
33 |
М30 |
38,4 |
| 300 |
510 |
450 |
410 |
40 |
37 |
4 |
294 |
16 |
55,2 |
| 350 |
510 |
570 |
465 |
45 |
42 |
344 |
79,7 |
| 400 |
655 |
585 |
535 |
50 |
47 |
390 |
39 |
М36 |
117,3 |
| 450 |
680 |
610 |
560 |
440 |
20 |
126,9 |
| 500 |
755 |
670 |
615 |
55 |
52 |
490 |
45 |
М42 |
170,6 |
Приклад умовного позначення круглої заглушки виповнення 1 на умовний прохід DN 100 мм і номінальний (умовний) тиск PN 0,6 МПа зі сталі марки 16ГС категорії 6:
Заглушка 1-100-0,6-16ГС-6 АТК 24.200.09-90.
Теж, квадратної:
Заглушка квадратная 1-100-0,6-16ГС-6 АТК 24.200.09-90.

Рисунок Л.2 – Заглушка фланцева зі з’єднувальним виступом виповнення 2
Таблиця Л.6 – Заглушки фланцеві сталеві з виступом на умовний тиск PN 1,0 МПа (виповнення 2)
Розміри в міліметрах
| DN |
 |
 |
 |
 |
 |
 |
 |
 |
 |
Діаметр болтів (шпильок) |
Маса,
кг
|
| 200 |
335 |
295 |
259 |
16 |
14 |
4 |
196 |
22 |
8 |
М20 |
8,8 |
| 250 |
390 |
350 |
312 |
18 |
16 |
244 |
12 |
14,0 |
| 300 |
440 |
400 |
363 |
20 |
17 |
5 |
294 |
19,4 |
| 350 |
500 |
460 |
421 |
22 |
19 |
344 |
24 |
28,4 |
| 400 |
565 |
515 |
473 |
24 |
21 |
390 |
26 |
М24 |
39,6 |
| 450 |
615 |
565 |
523 |
440 |
27 |
47,7 |
| 500 |
670 |
620 |
575 |
26 |
23 |
490 |
64,1 |
| 600 |
780 |
725 |
677 |
30 |
25 |
6 |
590 |
30 |
М27 |
96,0 |
| 800 |
1010 |
950 |
877 |
40 |
35 |
780 |
33 |
30 |
М30 |
223,7 |
| Примітка – Заглушки на умовний прохід DN10-50 мм слід приймати на умовний тиск PN 4,0 МПа за таблицею Л.9, а на умовний прохід DN 65-150 мм та умовний тиск PN 1,6 МПа – за таблицею Л.7. |
Таблиця Л.7 – Заглушки фланцеві сталеві зі з’єднувальним виступом на номінальний (умовний) тиск PN 1,6 МПа (виповнення 2)
Розміри в міліметрах
| DN |
 |
 |
 |
 |
 |
 |
 |
 |
 |
Діаметр болтів (шпильок) |
Маса,
кг
|
| 65 |
180 |
145 |
109 |
16 |
14 |
4 |
60 |
18 |
4 |
М16 |
2,3 |
| 80 |
195 |
160 |
120 |
76 |
2,7 |
| 100 |
215 |
180 |
149 |
94 |
8 |
3,4 |
| 125 |
245 |
210 |
175 |
118 |
4,5 |
| 150 |
280 |
240 |
203 |
18 |
16 |
142 |
22 |
М20 |
6,8 |
| 200 |
335 |
295 |
259 |
196 |
12 |
10,0 |
| 250 |
405 |
355 |
312 |
22 |
20 |
244 |
26 |
М24 |
18,6 |
| 300 |
460 |
410 |
363 |
24 |
21 |
5 |
294 |
25,8 |
| 350 |
520 |
470 |
421 |
26 |
23 |
344 |
16 |
36,5 |
| 400 |
580 |
525 |
473 |
30 |
27 |
390 |
30 |
М27 |
53,4 |
| 450 |
640 |
585 |
523 |
440 |
20 |
65,1 |
| 500 |
710 |
650 |
575 |
36 |
33 |
490 |
33 |
М30 |
97,9 |
| 600 |
840 |
770 |
677 |
40 |
36 |
6 |
590 |
39 |
М36 |
148,3 |
| 800 |
1020 |
950 |
877 |
50 |
46 |
780 |
24 |
288,4 |
| Примітка – Заглушки на умовний прохід DN 10-50 мм слід приймати за таблицею Л.9 на умовний тиск PN 4,0 МПа. |
Таблиця Л.8 – Заглушки фланцеві сталеві з виступом на номінальний (умовний) тиск PN 2,5 МПа (виповнення 2)
Розміри в міліметрах
| DN |
 |
 |
 |
 |
 |
 |
 |
 |
 |
Діаметр болтів (шпильок) |
Маса,
кг
|
| 200 |
360 |
310 |
259 |
24 |
22 |
4 |
196 |
26 |
12 |
М24 |
15,7 |
| 250 |
425 |
370 |
312 |
30 |
28 |
244 |
30 |
М27 |
28,3 |
| 300 |
485 |
430 |
363 |
27 |
5 |
294 |
16 |
35,6 |
| 350 |
550 |
490 |
421 |
36 |
33 |
344 |
33 |
М30 |
56,9 |
| 400 |
610 |
550 |
473 |
40 |
37 |
390 |
79,7 |
| 450 |
660 |
600 |
523 |
440 |
20 |
93,6 |
| 500 |
730 |
660 |
575 |
45 |
42 |
490 |
39 |
М36 |
129,3 |
| 600 |
840 |
770 |
677 |
50 |
45 |
6 |
590 |
189,9 |
| 800 |
1075 |
990 |
877 |
60 |
55 |
780 |
45 |
24 |
М42 |
381,4 |
| Примітка – Заглушки на умовний тиск DN 10-150 мм слід приймати на умовний тиск PN 4,0 МПа за таблицею Л.9. |
Таблиця Л.9 – Заглушки фланцеві сталеві з виступом на номінальний (умовний) тиск PN 4,0 МПа (виповнення 2)
Розміри в міліметрах
| DN |
 |
 |
 |
 |
 |
 |
 |
 |
 |
Діаметр болтів (шпильок) |
Маса,
кг
|
| 10 |
90 |
60 |
34 |
14 |
12 |
4 |
6 |
14 |
4 |
М12 |
0,4 |
| 15 |
95 |
65 |
39 |
10 |
0,5 |
| 20 |
105 |
75 |
50 |
16 |
14 |
16 |
0,7 |
| 25 |
115 |
85 |
57 |
22 |
0,8 |
| 32 |
135 |
100 |
65 |
18 |
16 |
28 |
18 |
М16 |
1,4 |
| 40 |
145 |
110 |
75 |
17 |
36 |
1,8 |
| 50 |
160 |
125 |
87 |
46 |
2,2 |
| 65 |
180 |
145 |
108 |
20 |
18 |
60 |
8 |
3,0 |
| 80 |
195 |
160 |
120 |
76 |
3,5 |
| 100 |
230 |
190 |
149 |
22 |
20 |
94 |
22 |
М20 |
5,5 |
| 125 |
270 |
220 |
175 |
24 |
22 |
118 |
26 |
М24 |
8,5 |
| 150 |
300 |
250 |
203 |
26 |
24 |
142 |
11,7 |
| 200 |
375 |
320 |
259 |
30 |
28 |
196 |
30 |
12 |
М27 |
21,4 |
| 250 |
445 |
385 |
312 |
36 |
34 |
244 |
33 |
М30 |
37,4 |
| 300 |
540 |
450 |
363 |
40 |
37 |
5 |
294 |
16 |
53,5 |
| 350 |
570 |
510 |
421 |
45 |
42 |
344 |
77,8 |
| 400 |
655 |
585 |
473 |
50 |
47 |
390 |
39 |
М36 |
114,5 |
| 450 |
680 |
610 |
523 |
440 |
20 |
123,9 |
| 500 |
755 |
670 |
575 |
55 |
50 |
490 |
45 |
М42 |
164,4 |
Таблиця Л.10 – Заглушки фланцеві сталеві з виступом на номінальний (умовний) тиск PN 6,3 МПа (виповнення 2)
Розміри в міліметрах
| DN |
 |
 |
 |
 |
 |
 |
 |
 |
 |
Діаметр болтів (шпильок) |
Маса,
кг
|
| 10 |
100 |
70 |
34 |
18 |
16 |
4 |
6 |
14 |
4 |
М12 |
0,7 |
| 15 |
105 |
75 |
39 |
10 |
0,8 |
| 20 |
125 |
90 |
50 |
20 |
18 |
16 |
18 |
М16 |
1,3 |
| 25 |
135 |
100 |
57 |
22 |
20 |
22 |
1,8 |
| 32 |
150 |
110 |
65 |
28 |
22 |
М20 |
2,2 |
| 40 |
165 |
125 |
75 |
24 |
22 |
36 |
3,0 |
| 50 |
175 |
135 |
87 |
46 |
3,4 |
| 65 |
200 |
160 |
109 |
28 |
26 |
60 |
8 |
5,3 |
| 80 |
210 |
170 |
120 |
76 |
5,9 |
| 100 |
250 |
200 |
149 |
28 |
26 |
4 |
94 |
26 |
8 |
М24 |
8,4 |
| 125 |
295 |
240 |
175 |
32 |
30 |
118 |
30 |
М27 |
13,8 |
| 150 |
340 |
280 |
203 |
36 |
34 |
142 |
33 |
М30 |
21,1 |
| 200 |
405 |
345 |
259 |
40 |
38 |
196 |
12 |
33,8 |
| 250 |
470 |
400 |
312 |
45 |
43 |
244 |
39 |
М36 |
51,9 |
| 300 |
530 |
460 |
363 |
50 |
47 |
5 |
294 |
16 |
72,1 |
| 350 |
595 |
525 |
421 |
55 |
52 |
344 |
103,2 |
| 400 |
670 |
585 |
473 |
60 |
57 |
390 |
45 |
М42 |
143,2 |
| 500 |
800 |
705 |
575 |
70 |
65 |
490 |
52 |
20 |
М48 |
234,2 |
| 600 |
925 |
820 |
677 |
80 |
75 |
6 |
590 |
56 |
М52 |
364,9 |
Приклад умовного позначення круглої заглушки виповнення 2 на умовний прохід DN 80 мм і номінальний (умовний) тиск PN 1,6 МПа зі сталі 16ГС категорії 6:
Заглушка 2-80-1,6-16ГС-6 АТК 24.200.02-90.
Теж, квадратної:
Заглушка квадратная 2-80-1,6-16ГС-6 АТК 24.200.02-90.

Рисунок Л.3 – Заглушка фланцева з шипом виповнення 3
Таблиця Л.11 – Заглушки фланцеві сталеві з шипом на номінальний (умовний) тиск PN 0,6 МПа (виповнення 3)
Розміри в міліметрах
| DN |
 |
 |
 |
 |
 |
 |
 |
 |
 |
 |
Діаметр болтів (шпильок) |
Маса,
кг
|
| 10 |
75 |
50 |
19 |
29 |
14 |
13 |
4 |
6 |
11 |
4 |
М10 |
0,3 |
| 15 |
80 |
55 |
23 |
33 |
10 |
0,4 |
| 20 |
90 |
65 |
33 |
43 |
12 |
16 |
| 25 |
100 |
75 |
41 |
51 |
22 |
0,5 |
| 32 |
120 |
90 |
49 |
59 |
28 |
14 |
М12 |
0,7 |
| 40 |
130 |
100 |
55 |
69 |
36 |
0,9 |
| 50 |
140 |
110 |
66 |
80 |
46 |
1,1 |
| 65 |
160 |
130 |
86 |
100 |
60 |
1,4 |
| 80 |
185 |
150 |
101 |
115 |
76 |
18 |
М16 |
1,9 |
| 100 |
205 |
170 |
117 |
137 |
16 |
14 |
94 |
2,9 |
| 125 |
235 |
200 |
146 |
166 |
118 |
8 |
3,9 |
| 150 |
260 |
225 |
171 |
191 |
142 |
4,9 |
| 200 |
315 |
280 |
229 |
249 |
196 |
7,5 |
| 250 |
370 |
335 |
283 |
303 |
244 |
12 |
10,6 |
| 300 |
435 |
395 |
336 |
356 |
18 |
16 |
5 |
294 |
22 |
М20 |
16,4 |
| 350 |
485 |
445 |
386 |
406 |
344 |
20,9 |
Закінчення таблиці Л.11
Розміри в міліметрах
Таблиця Л.12 – Заглушки фланцеві сталеві з шипом на номінальний (умовний) тиск PN 1,0 МПа (виповнення 3)
Розміри в міліметрах
| DN |
 |
 |
 |
 |
 |
 |
 |
 |
 |
 |
Діаметр болтів (шпильок) |
Маса,
кг
|
| 200 |
335 |
295 |
239 |
259 |
16 |
14 |
4 |
196 |
22 |
8 |
М20 |
8,3 |
| 250 |
390 |
350 |
292 |
312 |
18 |
16 |
244 |
12 |
13,3 |
| 300 |
440 |
400 |
343 |
363 |
20 |
17 |
5 |
294 |
18,4 |
| 350 |
500 |
460 |
395 |
421 |
22 |
19 |
344 |
16 |
27,2 |
| 400 |
565 |
515 |
447 |
473 |
24 |
21 |
390 |
26 |
М24 |
38,1 |
| 450 |
615 |
565 |
497 |
523 |
440 |
20 |
46,0 |
| 500 |
670 |
620 |
549 |
575 |
26 |
23 |
490 |
60,2 |
| 600 |
780 |
725 |
651 |
677 |
30 |
25 |
6 |
590 |
30 |
М27 |
93,2 |
| 800 |
1010 |
950 |
851 |
877 |
40 |
35 |
780 |
33 |
24 |
М30 |
219,4 |
| Примітка – Заглушки на умовний прохід DN 10-50 мм слід приймати за таблицею Л.15 на умовний тиск 4,0 МПа, на умовний прохід DN 65-150 мм і умовний тиск PN 1,6 МПа – за таблицею Л.13. |
Таблиця Л.13 – Заглушки фланцеві сталеві з шипом на номінальний (умовний) тиск PN 1,6 МПа (виповнення 3)
Розміри в міліметрах
| DN |
 |
 |
 |
 |
 |
 |
 |
 |
 |
 |
Діаметр болтів (шпильок) |
Маса,
кг
|
| 65 |
180 |
145 |
95 |
109 |
16 |
14 |
4 |
60 |
18 |
4 |
М16 |
2,2 |
| 80 |
195 |
160 |
106 |
120 |
76 |
2,6 |
| 100 |
215 |
180 |
129 |
149 |
94 |
8 |
3,2 |
| 125 |
245 |
210 |
155 |
175 |
15 |
118 |
4,5 |
| 150 |
280 |
240 |
183 |
203 |
18 |
16 |
142 |
22 |
М20 |
6,4 |
| 200 |
335 |
295 |
239 |
259 |
20 |
18 |
4 |
196 |
12 |
М20 |
10,8 |
| 250 |
405 |
355 |
292 |
312 |
22 |
20 |
244 |
26 |
М24 |
17,8 |
| 300 |
460 |
410 |
343 |
363 |
24 |
21 |
5 |
294 |
26 |
12 |
24,6 |
| 350 |
520 |
470 |
395 |
421 |
26 |
23 |
344 |
16 |
35,1 |
| 400 |
580 |
525 |
447 |
473 |
30 |
27 |
390 |
30 |
М27 |
51,6 |
| 450 |
640 |
585 |
497 |
523 |
440 |
20 |
63,1 |
| 500 |
710 |
650 |
549 |
575 |
36 |
33 |
490 |
33 |
М30 |
95,6 |
| 600 |
840 |
770 |
651 |
677 |
40 |
35 |
6 |
590 |
39 |
М36 |
144,8 |
| 800 |
1020 |
950 |
851 |
877 |
50 |
45 |
780 |
24 |
283,1 |
| Примітка – Заглушки на умовний прохід DN 10-50 мм слід приймати за таблицею Л.15 на умовний прохід PN 4,0 МПа. |
Таблиця Л.14 – Заглушки фланцеві сталеві з шипом на номінальний (умовний) тиск 2,5 МПа (виповнення 3)
Розміри в міліметрах
| DN* |
 |
 |
 |
 |
 |
 |
 |
 |
 |
 |
Діаметр болтів (шпильок) |
Маса,
кг
|
| 200 |
360 |
318 |
239 |
259 |
24 |
22 |
4 |
196 |
26 |
12 |
М24 |
15,1 |
| 250 |
425 |
370 |
292 |
312 |
30 |
28 |
244 |
30 |
М27 |
27,5 |
| 300 |
485 |
430 |
343 |
363 |
27 |
5 |
294 |
16 |
34,5 |
| 350 |
550 |
490 |
395 |
421 |
36 |
33 |
344 |
33 |
М30 |
55,5 |
| 400 |
610 |
550 |
447 |
473 |
40 |
37 |
390 |
77,9 |
| 450 |
660 |
600 |
497 |
523 |
440 |
20 |
91,7 |
| 500 |
730 |
660 |
549 |
575 |
45 |
42 |
490 |
39 |
М36 |
127,0 |
| 600 |
840 |
770 |
651 |
677 |
50 |
45 |
6 |
590 |
190,0 |
| 800 |
1075 |
990 |
851 |
877 |
60 |
55 |
780 |
45 |
24 |
М42 |
382,6 |
| Примітка – Заглушки на умовний прохід DN 65-150 мм слід приймати за таблицею Л.15 на умовний тиск PN 4,0 МПа. |
Таблиця Л.15 – Заглушки фланцеві сталеві з шипом на номінальний (умовний) тиск PN 4,0 МПа (виповнення 3)
Розміри в міліметрах
| DN |
 |
 |
 |
 |
 |
 |
 |
 |
 |
 |
Діаметр болтів (шпильок) |
Маса,
кг
|
| 10 |
90 |
60 |
24 |
34 |
14 |
12 |
4 |
6 |
14 |
4 |
М12 |
0,4 |
| 15 |
95 |
65 |
29 |
39 |
10 |
0,5 |
| 20 |
105 |
75 |
36 |
50 |
16 |
14 |
16 |
14 |
4 |
0,7 |
| 25 |
115 |
85 |
43 |
57 |
22 |
0,8 |
| 32 |
135 |
100 |
51 |
65 |
18 |
16 |
28 |
18 |
4 |
М16 |
1,4 |
| 40 |
145 |
110 |
61 |
75 |
36 |
1,6 |
| 50 |
160 |
125 |
73 |
87 |
46 |
1,9 |
| 65 |
180 |
145 |
95 |
109 |
20 |
18 |
60 |
8 |
2,8 |
| 80 |
195 |
160 |
106 |
120 |
76 |
3,3 |
| 100 |
230 |
190 |
129 |
149 |
22 |
20 |
94 |
22 |
М20 |
5,3 |
| 125 |
270 |
220 |
155 |
175 |
24 |
22 |
118 |
26 |
М24 |
8,2 |
| 150 |
300 |
250 |
183 |
203 |
26 |
24 |
142 |
11,3 |
| 200 |
375 |
320 |
239 |
259 |
30 |
28 |
196 |
30 |
12 |
М27 |
20,8 |
| 250 |
445 |
385 |
292 |
312 |
36 |
34 |
244 |
33 |
М30 |
36,6 |
| 300 |
510 |
450 |
343 |
363 |
40 |
37 |
5 |
294 |
16 |
52,4 |
| 350 |
570 |
510 |
395 |
421 |
45 |
42 |
344 |
76,4 |
| 400 |
655 |
585 |
447 |
473 |
50 |
45 |
390 |
39 |
М36 |
112,8 |
| 450 |
680 |
610 |
497 |
523 |
440 |
20 |
123,5 |
| 500 |
755 |
670 |
549 |
575 |
55 |
50 |
490 |
45 |
М42 |
162,0 |
Таблиця Л.16 – Заглушки фланцеві сталеві з шипом на номінальний (умовний) тиск PN 6,3 МПа (виповнення 3)
Розміри в міліметрах
| DN |
 |
 |
 |
 |
 |
 |
 |
 |
 |
 |
Діаметр болтів (шпильок) |
Маса,
кг
|
| 10 |
100 |
70 |
24 |
34 |
18 |
16 |
4 |
6 |
14 |
4 |
М12 |
0,7 |
| 15 |
105 |
75 |
29 |
39 |
10 |
0,8 |
| 20 |
125 |
90 |
36 |
50 |
20 |
18 |
16 |
18 |
М16 |
1,3 |
| 25 |
135 |
100 |
43 |
57 |
22 |
20 |
22 |
1,8 |
| 32 |
150 |
110 |
51 |
65 |
28 |
22 |
М20 |
2,0 |
| 40 |
165 |
125 |
61 |
75 |
24 |
22 |
36 |
2,9 |
| 50 |
175 |
135 |
73 |
87 |
46 |
3,3 |
| 65 |
200 |
160 |
95 |
109 |
28 |
26 |
60 |
8 |
5,1 |
| 80 |
210 |
170 |
106 |
120 |
76 |
5,8 |
| 100 |
250 |
200 |
129 |
149 |
32 |
30 |
4 |
94 |
26 |
8 |
М24 |
8,2 |
| 125 |
295 |
240 |
155 |
175 |
118 |
30 |
М27 |
13,5 |
| 150 |
340 |
280 |
183 |
203 |
36 |
34 |
142 |
33 |
М30 |
20,7 |
| 200 |
405 |
345 |
239 |
259 |
40 |
38 |
196 |
12 |
33,3 |
| 250 |
470 |
400 |
292 |
312 |
45 |
43 |
244 |
39 |
М36 |
51,2 |
| 300 |
530 |
460 |
343 |
363 |
50 |
47 |
5 |
294 |
39 |
16 |
М36 |
70,9 |
| 350 |
595 |
525 |
395 |
421 |
55 |
52 |
344 |
101,8 |
| 400 |
670 |
585 |
447 |
473 |
60 |
57 |
390 |
45 |
М42 |
141,5 |
| 500 |
800 |
705 |
549 |
575 |
70 |
65 |
490 |
52 |
20 |
М48 |
231,9 |
| 600 |
925 |
820 |
651 |
677 |
80 |
75 |
6 |
590 |
56 |
М52 |
361,3 |
Приклад умовного позначення круглої заглушки виповнення 3 на умовний прохід DN 100 мм та номінальний (умовний) тиск PN 0,6 МПа зі сталі 16ГС категорії 6:
Заглушка 3-100-0,6-16ГС-6 АТК 24.200.02-90.
Те ж, квадратної:
Заглушка квадратная 3-100-0,6-16ГС-6 АТК 24.200.02-90.
Те ж, під фторопластову прокладку:
Заглушка 3-100-0,6 Ф-16ГС-6 АТК 24.200.02-90.
Таблиця Л.17 – Розміри ущільнювальних поверхонь під фторопластові прокладки
Розміри в міліметрах

Рисунок Л.4 – Заглушка фланцева під прокладку овального перерізу
виповнення 4
Таблиця Л.18 – Заглушки фланцеві сталеві під прокладку овального перерізу на номінальний (умовний) тиск PN 6,3 МПа (виповнення 4)
Розміри в міліметрах
| DN |
 |
 |
 |
 |
 |
 |
 |
 |
 |
 |
 |
 |
 |
Діаметр шпильок |
Маса, кг |
| 50 |
175 |
135 |
102 |
26 |
24 |
3 |
85 |
12 |
8 |
4 |
46 |
22 |
4 |
М20 |
3,8 |
| 65 |
200 |
160 |
132 |
110 |
60 |
8 |
4,9 |
| 80 |
210 |
170 |
133 |
28 |
28 |
115 |
76 |
6,4 |
| 100 |
250 |
200 |
170 |
145 |
94 |
26 |
М24 |
9,3 |
| 125 |
295 |
240 |
205 |
32 |
30 |
175 |
118 |
30 |
М27 |
14,0 |
| 150 |
340 |
280 |
240 |
36 |
34 |
205 |
142 |
33 |
М30 |
21,5 |
| 200 |
405 |
345 |
285 |
40 |
38 |
265 |
196 |
12 |
34,2 |
| 250 |
470 |
400 |
345 |
45 |
43 |
320 |
244 |
39 |
М36 |
51,6 |
| 300 |
530 |
460 |
410 |
42 |
4 |
375 |
294 |
16 |
65,3 |
| 350 |
595 |
525 |
465 |
50 |
47 |
420 |
344 |
94,3 |
| 400 |
670 |
585 |
535 |
55 |
52 |
480 |
390 |
45 |
М42 |
132,4 |
| 500 |
800 |
705 |
615 |
60 |
57 |
520 |
440 |
20 |
172,3 |
| Примітка – Заглушки DN 10-40 мм приймати по таблиці Л.20 на номінальний (умовний) тиск PN 16,0 МПа. |
Таблиця Л.19 – Заглушки фланцеві сталеві під прокладку овального перерізу на номінальний (умовний) тиск PN 10,0 МПа (виповнення 4)
Розміри в міліметрах
| DN |
 |
 |
 |
 |
 |
 |
 |
 |
 |
 |
 |
 |
 |
Діаметр шпильок |
Маса, кг |
| 50 |
195 |
145 |
102 |
30 |
28 |
3 |
85 |
12 |
8 |
4,0 |
46 |
26 |
4 |
М24 |
5,5 |
| 65 |
220 |
170 |
140 |
36 |
34 |
110 |
60 |
8 |
8,5 |
| 80 |
230 |
180 |
150 |
115 |
76 |
9,4 |
| 100 |
265 |
210 |
175 |
145 |
94 |
30 |
М27 |
12,5 |
| 125 |
310 |
250 |
210 |
40 |
38 |
175 |
118 |
33 |
М30 |
19,6 |
| 150 |
350 |
290 |
250 |
45 |
43 |
205 |
142 |
12 |
28,1 |
| 200 |
430 |
360 |
285 |
50 |
48 |
265 |
196 |
39 |
М36 |
47,8 |
| 250 |
500 |
430 |
345 |
55 |
53 |
320 |
244 |
73,7 |
| 300 |
585 |
500 |
410 |
60 |
57 |
4 |
375 |
294 |
45 |
16 |
М42 |
106,4 |
| 350 |
655 |
560 |
465 |
70 |
67 |
420 |
17 |
11 |
5,8 |
344 |
52 |
М48 |
150,1 |
| 400 |
715 |
620 |
535 |
75 |
72 |
480 |
390 |
204,6 |
| Примітка – Заглушки DN 10-40 мм приймати по таблиці Л.20 на номінальний (умовний) тиск PN 16,0 МПа. |

Рисунок Л.5 – Заглушки фланцеві із западиною (виповнення 5)
Таблиця Л.21 – Заглушки фланцеві сталеві із западиною на номінальний (умовний) тиск PN 4,0 МПа (виповнення 5)
Розміри в міліметрах
Приклад умовного позначення заглушки виконання 5 з умовним проходом DN 80 мм на номінальний (умовний) тиск PN 4,0 МПа зі сталі марки 16ГС категорії 6:
Заглушка 5-80-4,0-16ГС-6 АТК 24.200.02-90.
|