Контрольная работа: Расчет трехфазного короткого замыкания
|
Название: Расчет трехфазного короткого замыкания Раздел: Рефераты по физике Тип: контрольная работа | |||||||||||||||||||||||||||||||||||||||||||||||||||||||||||||||||||||||||||||||||||||||||||||||||||||||||||||||||||||||||||||||||||||||||||||||
Министерство образования и науки Российской Федерации Архангельский ГосударственныйТехнический Университет Факультет промышленной энергетики Кафедра “Электроснабжение промышленных предприятий” Расчетно-графическая работа по дисциплине: ”Переходные процессы” На тему: “Расчет трехфазного короткого замыкания” Выполнил студент 3 курса 6 группы Швач Ю. С. Архангельск2010 г. Содержание Задание 1. Аналитический метод 2. Метод расчетных кривых 3. Метод спрямленных характеристик 4. Сравнительная оценка методов расчёта 5.Литература Задание
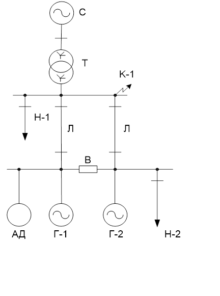
1. Аналитический метод Определяем базисные величины.
Рассчитаем параметры схемы замещения в относительных единицах. Система:
Линии Л-1, Л-2:
Трансформатор:
Нагрузка:
Генераторы:
Асинхронныйдвигатель:
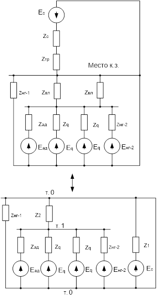
Преобразуем схему замещения.
Рассчитаем данную схему методом узловых напряжений.
Рассчитаем тока в ветвях системы
нагрузки – 1
нагрузки – 2
Линий
асинхронногодвигателя
Генераторов
на высокой обмотке трансформатора
на низкой обмотке трансформатора
Рассчитаем ток короткого замыкания.
Таблицарезультатов
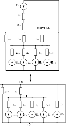
2. Метод расчетных кривых трансформатор генератор ток замыкание Составим и рассчитаем схему замещения.
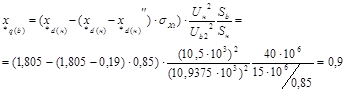
расчетное сопротивление
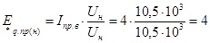
По расчетным характеристикам находим относительное значение периодической составляющей тока в месте к. з. в момент t= 0,1 сек Ток в именованных единицах
Для ветви с системой ток находим по формуле
Ток в именованных единицах
Ток в точке к. з.
3. Метод спрямленных характеристик Схема замещения.
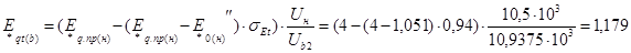
Положим, что генератор работает в режиме подъема напряжения, для t = 0,5 сек, по графику спрямленных характеристик
Аналогично аналитическому методу:
Рассчитаем данную схему методом узловых напряжений.
Рассчитаем токи в ветвях. Генераторов
Сравним критический ток с током генератора и проверим, верно ли наше предположение, что генератор работает в режиме подъёма напряжения:
Верно. Системы
нагрузки – 1
нагрузки – 2
Линий
асинхронногодвигателя
на высокой обмотке трансформатора
на низкой обмотке трансформатора
Рассчитаем ток короткого замыкания.
Таблицарезультатов
4. Сравнительная оценка методов расчёта Аналитический метод. Данный метод является наиболее эффективным и точным при анализе короткого замыкания. При этом исследуемый режим соответствует определенному моменту переходного процесса в заданной электрической системе. Метод расчетных кривых. Часто встречаются задачи анализа переходных процессов только в одной аварийной цепи. Целесообразно при этом применение метода расчетных кривых, позволяющий оценивать ток в месте короткого замыкания в любой момент времени. Метод спрямленных характеристик. Практически аналогичен аналитическому методу анализа электромагнитных переходных процессов. Также может быть применён для расчёта любого момента времени переходного процесса. Основу метода составляет возможность характеризовать электрическую машину (генератор) в любой момент переходного процесса с некоторой ЭДС и реактивностью, не зависящими от параметров внешней цепи. Погрешности таких моделей составляют не более 8%. 5. Литература 1. “Расчёт электромагнитных переходных процессов в электрических системах”. Мед. Указания, АЛТИ 1981 г, Волков В.М., Пиир А.Э. 2. “Сборник задач по электромагнитным переходным процессам в электрических системах”. Ульянов С.А., Москва 1968г. 3. “Электромагнитные переходные процессы в эклектических системах”. Ульянов С.А. |
|||||||||||||||||||||||||||||||||||||||||||||||||||||||||||||||||||||||||||||||||||||||||||||||||||||||||||||||||||||||||||||||||||||||||||||||






























