Дипломная работа: Электронная система зажигания автомобиля ВАЗ-2110, ее техническое обслуживание и ремонт
|
Название: Электронная система зажигания автомобиля ВАЗ-2110, ее техническое обслуживание и ремонт Раздел: Рефераты по транспорту Тип: дипломная работа | |||||||||||||||||||||||||||||||||||||||||||||||||||||||||||||||||||||||||||||||||||||||||||||||||||||||||||||||||||||||||||||||||||||||||||||||||||||||||||||||||||||||||||||||||||||||||||||||||||||||||||||||||||||||||||||||||||||||||||||||||||||||||||||||
Содержание Введение 1. Технические характеристики автомобилей семейства ВАЗ 2110 1.1 Общие данные 2. Бесконтактная система зажигания 2.1 Техническая характеристика 2.2 Особенности устройства бесконтактной системы зажигания ваз 2110 2.3 Установка момента зажигания на автомобилях ваз 2110, ваз 2111, ваз 2112 2.4 Система зажигания и управления ЭППХ двигателя ВАЗ 2110 2.5 Снятие и установка распределителя зажигания 3. Техническое обслуживание и ремонт 3.2 Ремонт распределителя зажигания 3.4 Проверка катушки зажигания 3.5 Возможные неисправности бесконтактной системы зажигания. Их причины и способы устранения Заключение Список использованной литературы ВведениеАктуальность темы дипломной работы связана с тем, что в настоящее время все большее внимание отводится таким автомобилям отечественного производства, как автомобили семейства ВАЗ-2110, которые пользуются широким спросом у покупателей. ВАЗ-2110 - легковой переднеприводный автомобиль с поперечным расположением силового агрегата, предназначенный для эксплуатации на дорогах с твердым покрытием. Кузов - цельнометаллический, несущий, четырехдверный, типа седан. Для перевозки крупногабаритных и длинномерных грузов заднее сиденье можно сложить, увеличив тем самым объем багажника.
Рис.1. Габаритные размеры автомобиля ВАЗ-2110 Двигатели - четырехцилиндровые, карбюраторные или с различными системами впрыска топлива, рабочим объемом 1,5 л. Благодаря переднеприводной компоновке автомобиль обладает улучшенными по сравнению с заднеприводными моделями ВАЗ характеристиками управляемости, особенно на скользкой дороге и при прохождении поворотов. Возможна комплектация автомобиля противотуманными фарами, передними сиденьями с электрообогревом, электрическими стеклоподъемниками, бортовым компьютером, каталитическим нейтрализатором отработавших газов в системе выпуска, электроприводом наружных зеркал заднего вида, электронной противоугонной системой, кондиционером, антиблокировочной системой тормозов, подушкой безопасности, люком крыши. Особое место в данном контексте занимает электронная (бесконтактная) система зажигания, благодаря чему автомобили данного семейства пользуются огромным уважением среди автолюбителей. Цель дипломной работы раскрыть сущность электронной системы зажигания, ее техническое обслуживание и ремонт. Задачи дипломной работы следующие: 1. Раскрыть технические характеристики автомобиля ВАЗ 2110; 2. Представить технические особенности бесконтактной системы зажигания; 3. Рассмотреть техническое обслуживание и ремонт В написании дипломной работы использована следующая литература: Алексеева Е.Н. Автомобили семейства ВАЗ. - Самара, 2007; Антипов Д.М. Обслуживание, устройство и ремонт автомобилей ВАЗ-2110. - Самара, 2008; Николаев Д.И. Бесконтактная система зажигания. - СПб., 2006 и др. 1. Технические характеристики автомобилей семейства ВАЗ 21101.1 Общие данные
* Расход топлива при скорости 90 км/ч / 120 км/ч / городской цикл. 1.2 Характеристика двигателяНа автомобилях семейства ВАЗ-2110 устанавливают двигатели моделей 2110, созданные на базе двигателя мод.21083. На части автомобилей могут быть установлены двигатели мод.21083. Все двигатели бензиновые, четырехтактные, четырехцилиндровые, рядные. Двигатели мод.2110 - карбюраторные, двигатели мод.2111 и 2112 - с системой впрыска топлива. Блок цилиндров отлит из специального высокопрочного чугуна, что придает конструкции двигателя жесткость и прочность. Протоки для охлаждающей жидкости, образующие рубашку охлаждения, сделаны по всей высоте блока, это улучшает охлаждение поршней и уменьшает деформации блока от неравномерного перегрева. Рубашка охлаждения открыта в верхней части в сторону головки блока. В нижней части блока цилиндров расположено пять опор коренных подшипников коленчатого вала, крышки которых крепятся болтами. В опорах установлены тонкостенные сталеалюминиевые вкладыши, выполняющие роль подшипников коленчатого вала. В средней опоре имеются проточки, в которые вставлены упорные полукольца, удерживающие коленчатый вал от осевых перемещений. Коленчатый вал отлит из специального высокопрочного чугуна. Коренные и шатунные шейки вала прошлифованы. Для смазки шатунных вкладышей в коленчатом валу просверлены масляные клапаны, закрытые заглушками. Для уменьшения вибраций служат восемь противовесов, расположенных на коленчатом валу. На переднем конце коленчатого вала установлен масляный насос, зубчатый шкив ремня привода распределительного вала и шкив привода генератора или демпфера. На заднем конце коленчатого вала установлен маховик, отлитый из чугуна. На маховик напрессован стальной зубчатый обод. электронная система зажигание автомобиль Шатуны стальные кованые с крышками на нижних головках. В нижней головке шатуна установлены тонкостенные вкладыши, в верхнюю - запрессована сталебронзовая втулка. Поршни отлиты из алюминиевого сплава. На каждом из них установлены три кольца: два верхних - компрессионные и нижнее - маслосъемное. На днищах поршней двигателей мод.2110 и 2111 выполнены углубление под камеру сгорания и два углубления под клапаны, у двигателя мод.2112 днище поршней плоское с четырьмя углублениями под клапаны. На двигателе мод.2112 поршни охлаждаются маслом, для этого в опорах коренных подшипников установлены специальные форсунки. Форсунки представляют собой трубки, в которых находятся подпружиненные шарики. Во время работы двигателя шарики открывают отверстия в трубках и струя масла попадает на поршень снизу. Масляный картер стальной, штампованный, прикреплен к блоку цилиндров снизу болтами.
Рис.2. Продольный разрез двигателя мод.2110
Рис.3. Поперечный разрез двигателя мод.2110 Сверху на блок цилиндров установлена головка блока, отлитая из алюминиевого сплава. В нижней части головки отлиты каналы, по которым циркулирует жидкость, охлаждающая камеры сгорания. В верхней части головки установлен распределительный вал (у двигателей мод.2112 - два распределительных вала: один для впускных клапанов, второй - для выпускных). У двигателей мод.2110 и 2111 распределительный вал вращается в опорах, в верхней части головки блока и двух корпусах подшипников, закрепленных гайками на шпильках, ввернутых в головку блока. У двигателя мод.2112 распределительные валы установлены в опорах, выполненных в верхней части головки блока, и одном общем корпусе подшипников, закрепленном болтами на головке блока. Распределительные валы отлиты из чугуна. Для уменьшения износа рабочие поверхности кулачков, поверхности под сальник и эксцентрика привода топливного насоса термообрабатываются - отбеливаются. Кулачки распределительных валов через толкатели приводят в действие клапаны. У двигателей 2110 и 2111 в верхней части толкателей установлены стальные регулировочные шайбы, подбором этих шайб регулируют зазоры в приводе клапанов. У двигателя мод.2112 установлены гидротолкатели клапанов, которые автоматически компенсируют зазоры в приводе клапанов. Поэтому у этих двигателей в процессе эксплуатации не нужно регулировать зазоры. Двигатели мод.2110 и 2111 имеют по два клапана на цилиндр: один впускной и один выпускной, у двигателя мод.2112 четыре клапана - два впускных и два выпускных. Направляющие втулки и седла клапанов запрессованы в головку блока. Направляющие втулки, кроме того, имеют стопорные кольца, удерживающие их от выпадания. На направляющих втулках установлены маслосъемные колпачки, уменьшающие попадание масла в цилиндры. У двигателей мод.2110 и 2111 на каждом клапане установлены две пружины, у двигателя мод.2112 - одна. Распределительные валы приводятся в действие резиновым зубчатым ремнем от коленчатого вала. Система смазки комбинированная: разбрызгиванием и под давлением. Под давлением смазываются коренные и шатунные подшипники и опоры распределительных валов. Система состоит из масляного картера, шестеренчатого масляного насоса с маслоприемником, полнопоточного масляного фильтра, датчика давления масла и масляных клапанов. Система охлаждения двигателя состоит из рубашки охлаждения, радиатора с электровентилятором, центробежного водяного насоса, термостата и шлангов. Система питания состоит из воздушного фильтра, топливного бака, топливного насоса, топливопроводов и карбюратора у двигателя мод.2110 или топливной рампы с форсунками и регулятором давления топлива у двигателей мод.2111 и 2112. Кроме того, в систему питания двигателей мод.2111 и 2112 входят датчики, топливный фильтр и дроссельный патрубок. Топливный насос двигателя 2110 установлен на головке блока и приводится в действие от эксцентрика на распределительном валу через толкатель. У двигателей мод.2111 и 2112 топливный насос электрический, погружного типа, установлен в топливном баке и объединен с датчиком указателя уровня топлива. Система зажигания двигателя мод.2110 бесконтактная с распределителем зажигания, установленным на головке блока и приводимым в действие и приводимым в действие от распределительного вала. Система зажигания двигателей мод.2111 и 2112 микропроцессорная, управляется контроллером (блоком управления). Контроллер также управляет системой впрыска топлива. 2. Бесконтактная система зажигания2.1 Техническая характеристикаСистема зажигания автомобиля служит для обеспечения воспламенения рабочей смеси в цилиндрах карбюраторного двигателя в соответствии с порядком их работы. На карбюраторных двигателях применяют контактную, контактно-транзисторную и бесконтактную системы зажигания. Контактная система зажигания состоит из аккумуляторной батареи, генератора, катушки зажигания, прерывателя-распределителя, искровых свечей зажигания, выключателя зажигания, проводов высокого напряжения и проводов низкого напряжения. Принцип действия контактной системы заключается в следующем. При включенном зажигании и сомкнутых контактах прерывателя ток от аккумуляторной батареи или генератора поступает на первичную обмотку катушки зажигания, в результате чего образуется магнитное поле. Когда контакты прерывателя размыкаются, ток в первичной обмотке исчезает и исчезает вокруг нее магнитное поле. Исчезающий магнитный поток пересекает витки вторичной и первичной обмоток, вызывая возникновение в каждом из витков электродвижущей силы. Так как на вторичной обмотке количество витков, со единенных между собой последовательно, значительное, общее напряжение на концах достигает 20-24 кВ. Электродвижущая сила вторичной об мотки будет тем выше, чем больше скорость исчезновения магнитного потока. От катушки зажигания по проводам высокого напряжения через распределитель ток высокого напряжения поступает к искровым свечам зажигания, вызывая между электродами свечей искровой разряд, который воспламеняет рабочую смесь. В настоящее время более широко применяют контактно-транзисторную систем; и бесконтактную системы зажигания. Различных бесконтактных систем зажигания существует много. Принципы действия их примерно одинаковы, однако отдельные элементы существенным образом отличаются, например: транзисторное зажигание с индуктивным датчиком; электронное зажигание, управляемое компьютером с комплексом данных; электронное зажигание, управляемое процессорами, и др. Принцип действия бесконтактной системы зажигания заключается в следующем. При включенном зажигании и вращающемся коленчатом вале двигателя датчик-распределитель выдает импульсы напряжения на коммутатор, который преобразует их в прерывистые импульсы тока в первичной обмотке катушки зажигания. В момент прерывания тока в первичной обмотке индуктируется ток высокого напряжения во вторичной обмотке. Ток высокого напряжения идет от катушки зажигания по проводу через угольный контакт на пластику ротора и затем через клемму крышки распределителя по проводу высокого напряжения, в наконечнике которого установлен помехоподавительный экран, попадает на соответствующую свечу зажигания рабочую смесь в цилиндре и воспламеняет рабочую смесь в цилиндре. Бесконтактная система зажигания двигателя ВАЗ-2110 включает датчик-распределитель, свечи зажигания, электронный коммутатор, аккумуляторную батарею, генератор, катушку зажигания, провода низкого напряжения, провода высокого напряжения, монтажный блок, выключатель зажигания, штекерный разъем датчика-распределителя, плюсовую клемму катушки зажигания. Бесконтактная система зажигания повышает надежность из-за отсутствия подвижных контактов необходимости систематической их регулировки зачистки зазоров, а также повышает надежность пуска и работу при разгонах автомобиля благодаря более высокой энергии электрического разряда, который обеспечивает надежное воспламенение рабочей смеси в цилиндрах двигателя независимо от частоты вращения коленчатого вала. Кроме того, одним из преимуществ бесконтактной системы зажигания является отсутствие влияния вибрации биения ротора-распределителя на равномерность момента искрообразования. Важным параметром, определяющим работоспособность системы зажигания, является угол опережения зажигания, который индивидуален для двигателей определенной модели и колеблется от О до 10 градусов. Угол поворота кривошипа коленчатого вала, при котором появляется искра между электродами свечи зажигания до момента подхода поршня к верхней мер твой точке, называют углом оп зажигания. Сгорание рабочей смеси в цилиндре двигателя должно заканчиваться при повороте кривошипа на 10-15 градусов после верхней мертвой точки, т.е. в начале рабочего хода. Поэтому искровой пробой между электродами должен происходить несколько раньше подхода поршня к верхней мертвой точке. Когда искра между электродами свечи появляется слишком рано, т.е. при большом угле опережения зажигания, давление газов в цилиндре возрастает до подхода поршня к верхней мертвой точке, что препятствует движению поршня и приводит к уменьшению мощности и ЭКОНОМИЧНОСТИ двигателя, к ухудшению его приемлистости. При работе под нагрузкой двигатель перегревается, появляются стуки, а при малой частоте вращения коленчатого вала в режиме холостого хода двигатель работает неустойчиво. Если зажигание произойдет позже, т.е. при малом угле опережения зажигания, воспламенение рабочей смеси происходит при движении поршня уже после верхней мертвой точки. Давление газов будет намного меньше, чем при нормальном зажигании, что приведет к резкому падению мощности и экономичности двигателя и к перегреву двигателя. Поэтому угол опережения зажигания должен регулироваться автоматически, с учетом скоростного и нагрузочного режима двигателя: С увеличением частоты вращения коленчатого вала и уменьшением нагрузки на двигатель угол опережения зажигания, должен увеличиваться, а при уменьшении частоты вращения Коленчатого вала и увеличении нагрузки уменьшаться. Методы облегчения пуска двигателя. Для облегчения пуска двигателя применяют пусковые жидкости типа "Арктика", предпусковые подогреватели, электроподогрев аккумуляторных батарей, свечи накаливания для дизельных двигателей и др. 2.2 Особенности устройства бесконтактной системы зажигания ваз 2110На автомобилях семейства ваз 2110 может применяться два типа систем зажигания: бесконтактная (на карбюраторных двигателях) и система зажигания, входящая в комплекс системы впрыска топлива. В настоящей главе дана бесконтактная система зажигания, а другая описана в отдельном Руководстве по ремонту на систему распределенного впрыска топлива. Бесконтактная система зажигания автомобилей ваз 2110. ваз 2111, ваз 2112 состоит из датчика-распределителя 4 зажигания, коммутатора 3, катушки 2 зажигания, свечей 5 зажигания, выключателя 1 зажигания и проводов высокого напряжения. Цепь питания первичной обмотки катушки зажигания прерывается электронным коммутатором. Управляющие импульсы на коммутатор подаются от бесконтактного датчика, расположенного в датчике-распределителе 4 зажигания.
Рис.4. Схема бесконтактной системы зажигания: 1 - выключатель зажигания; 2 - катушка зажигания; 3 - коммутатор; 4 - датчик-распределитель. Датчик-распределитель зажигания - типа 40.3706 или 40.3706-01, четырёхискровой, неэкранированный, с вакуумным и центробежным регуляторами опережения зажигания, со встроенным микроэлектронным датчиком управляющих импульсов. Коммутатор - типа 3620.3734, или 76.3734, или RTl903, или PZE4022. Он преобразует управляющие импульсы датчика в импульсы тока в первичной обмотке катушки зажигания. Катушка зажигания - типа 3122.3705 с замкнутым магнитопроводом, сухая или типа 8352.12 - маслонаполненная, герметизированная с разомкнутым магнитопроводом. Свечи зажигания - типа FE65PR, или FE65CPR, или А17ДВР, или А17ДВРМ, или А17ДВРМ1 с помехоподавительными резисторами. Выключатель зажигания - типа 21 10-3704005 или KZ-881 с противоугонным запорным устройством, с блокировкой против повторного включения стартера без предварительного выключения зажигания, и с подсветкой гнезда. ПредупрежденияНа автомобилях ваз 2110, ваз 2111, ваз 2112 применяется система зажигания высокой энергии с широким применением электроники. Поэтому, чтобы не получить травм и не вывести из строя электронные узлы, необходимо соблюдать следующие правила. На работающем двигателе автомобилей данного семейства не касаться элементов системы зажигания (коммутатора, катушки, датчика-распределителя зажигания и высоковольтных проводов). Не производить пуск двигателя с помощью искрового зазора и не проверять работоспособность системы зажигания "на искру" между, наконечниками проводов свечей зажигания и кассой, не прокладывать провода низкого напряжения системы зажигания в одном жгуте с проводами высокого напряжения. Следить за надежностью соединения с "массой" коммутатора через винты крепления. Это влияет на его бесперебойную работу. При включенном зажигании не отсоединять провода от клемм аккумулятора и не отсоединять от коммутатора штепсельный разъем, так как при этом на отдельных элементах его схемы может возникнуть повышенное напряжение, и он будет поврежден. 2.3 Установка момента зажигания на автомобилях ваз 2110, ваз 2111, ваз 2112Для проверки на автомобилях ваз 2110, ваз 2111, ваз 2112 момента зажигания имеется шкала 1 (рис.5) в люке картера сцепления и метка 2 на маховике. Одно деление шкалы соответствует 1° поворота коленчатого вала. При совмещении метки на маховике со средним (длинным) делением шкалы поршни первого и четвертого цилиндров находятся в в. м.т.
Рис.5. Метки для установки момента зажигания: 1 - шкала; 2 - метка на маховике Проверить и установить момент зажигания можно с помощью стробоскопа, действуя в следующем порядке: соедините зажим "плюс" стробоскопа с клеммой "плюс" аккумулятора, зажим "массы" - с клеммой "минус" аккумулятора, а зажим датчика стробоскопа присоедините к проводу высокого напряжения 1-го цилиндра; запустите двигатель и направьте мигающий поток света стробоскопа в люк картера сцепления. Для регулировки момента зажигания остановите двигатель, ослабьте гайки крепления датчика-распределителя зажигания и поверните его на необходимый угол. Для увеличения угла опережения зажигания корпус датчика-распределителя следует довернуть по часовой стрелке, а для уменьшения - против часовой стрелки (если смотреть со стороны крышки датчика-распределителя зажигания). Затяните гайки крепления и снова проверьте установку момента зажигания.
Рис.6. Установка датчика-зажигания Для удобства регулировки момента зажигания на фланце датчика-распределителя зажигания имеются деления и знаки "+" и "-", а на корпусе вспомогательных агрегатов - установочный выступ (рис.6). Одно деление на фланце соответствует 8° поворота коленчатого вала. Если имеется диагностический стенд с осциллоскопом, то с его помощью тоже можно легко проверить установку момента зажигания, руководствуясь инструкцией по эксплуатации стенда. 2.4 Система зажигания и управления ЭППХ двигателя ВАЗ 2110Система зажигания - бесконтактная или микропроцессорная. В данном случае рассматривается бесконтактная система зажигания. Она состоит из распределителя, коммутатора, катушки зажигания, свечей, выключателя и проводов высокого и низкого напряжения. Датчик-распределитель типа 40.3706 или 40.3706-01, четырехискровой, неэкранированный, с управляющих импульсов (Холла) и встроенными вакуумным и цент регуляторами опережения зажигания.
Рис. 7 Датчик-распределитель
Датчик-распределитель выполняет основные функции: во-первых, задача искрообразования в зависимости от его установки, числа оборотов корпуса вала и нагрузки на двигатель, а также распределяет импульсы высокого напряжения ("искру") по цилиндрам в соответствии с порядком их работы. Для этого служит (бегунок), надетый на валик распределителя. Проверить работоспособность дaтчика можно, собрав схему, показанную на рисунке. Медленно вращая валик распределителя зажигания, следите за показаниями вольтметра. Напряжение может резко меняться от минимального до максимального. Неисправный дат ремонту не подлежит (за исключением обрыва проводов между самим валиком и колодкой на корпусе датчика-распределителя). Грубо оценить исправность вакуумного регулятора можно непосредственно в автомобиле, На заведенном двигателе отсоединяем от штуцера вакуумный шланг, ведущий к регулятору. Если теперь создать в шланге давление (можно ртом), обороты мотора должны возрасти, а при снятии разрежен снизиться. Разрежение должно сохраняться, по крайней мере, несколько секунд если пережать шланг. Визуально в работоспособности можно убедиться, частично разобрав, датчик-распределитель и разрежение к впускному штуцеру регулятора. При этом пластина с датчиком должна поворачиваться на угол 7±1°, а при снятии разрежения - без возвращаться обратно.
Рис.8
Точную проверку и настройку вакуумного и центробежного опережения зажигания производят на специальных стендах. В домашних условиях это делать не рекомендуется. При выходе из строя вакуумного регулятора следует заменить, при неисправности центробежного - заменив распределитель. Коммутатор типа 3620.3734 или 76.3734 размыкает цепь первичной обмотки катушки зажигания, преобразуя управляющие датчика в импульсы тока в катушке зажигания. Коммутатор проверяется осциллографом по специальной методике, он не ремонтопригоден, если отсоединять разъем коммутатора при включенном зажигании - это может вызвать его повреждение (как и других компонентов системы зажигания). Катушка зажигания - типа 3122.3705 - сухая, с замкнутым магнитопроводом типа 8352.12 - маслонаполненная, с разомкнутым магнитопроводом. Для проверки: сопротивление первичной обмотки при 25°С - 0,43±0,04 Ом, вторичной обмотки - 4,08±0,4 кОм (3122.5±1 кОм (8352.12). Сопротивление изоляции на массу - не менее 50 МОм.
Рис.9.
Свечи зажигания - типа А17ДВР, или А17ДВРМ, или А17ДВРМ1, или их аналоги (с помехоподавительным сопротивлением 4-10 кОм). Высоковольтные провода - с распределенным сопротивлением 2550±27 (следует прикасаться к высоковольтным проводам на работающем двигателе может привести к электротравме. Запрещается также запускать двигатель позволять ему работать с разорванной, высоковольтной цепью (снятыми или крышкой датчика-прерывателя) - это может привести к прогару и выходу из строя электронных компонентов системы зажигания. Как и возможна кратковременная проверка системы зажигания "на искру", контакт проверяемого высоковольтного провода должен быть надежно на расстоянии 5-10 мм от "массы" автомобиля. Нельзя удерживать провода или инструментом (даже с изолированными ручками). Блок управления ЭПХХ электромагнитный клапан при у частоты вращения коленчатого вал; мин-1 и включает при снижении до 19 если концевой выключатель катушки замкнут на массу (педаль "газа" отпущена нажатой педали "газа" (работающем выключателе) клапан включен независимо от частоты вращения коленчатого вала на блок управления подается то включенном зажигании, поэтому выключении зажигания одновременно отключается и клапан (независимо от положения концевого выключателя - карбюратора). Для проверки работы блока управления подключаем вольтметр, как показано на рисунке (срабатывание клапана можно определить и по его щелчку при зажигании, без вольтметра). Отпускаем провод от концевого выключателя катушки и замыкаем его на "массу".
Рис.10.
Рис.11.
Включаем двигатель и, постепенно увеличиваем вращение коленчатого вала, cледим за показаниями вольтметра. После запуска двигателя он должен показывать не менее 10 В (клапан открыт), а при вращения коленчатого вала около 20 В напряжение должно резко снизиться у величины не более 0,5 В (клапан закрыться). После этого медленно обороты двигателя, при частоте вращения коленчатого вала около 10 напряжение должно скачкообразно увеличиться до прежней величины; клапан должен открыться). Устанавливаем обороты в пределах 2200-2300 мин клапан закрыт) и отсоединяем от "массы" провод концевого выключателя карбюратора, после чего клапан должен открыться. 2.5 Снятие и установка распределителя зажигания
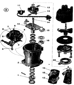
3. Техническое обслуживание и ремонт3.1 Проверка датчика Холла
3.2 Ремонт распределителя зажигания
3.3 Замена катушки зажигания
3.4 Проверка катушки зажигания
3.5 Возможные неисправности бесконтактной системы зажигания. Их причины и способы устранения
ЗаключениеРазличных бесконтактных систем зажигания существует много. Принципы действия их примерно одинаковы, однако отдельные элементы существенным образом отличаются, например: транзисторное зажигание с индуктивным датчиком; электронное зажигание, управляемое компьютером с комплексом данных; электронное зажигание, управляемое процессорами, и др. Принцип действия бесконтактной системы зажигания заключается в следующем. При включенном зажигании и вращающемся коленчатом вале двигателя датчик-распределитель выдает импульсы напряжения на коммутатор, который преобразует их в прерывистые импульсы тока в первичной обмотке катушки зажигания. В момент прерывания тока в первичной обмотке индуктируется ток высокого напряжения во вторичной обмотке. Ток высокого напряжения идет от катушки зажигания по проводу через угольный контакт на пластику ротора и затем через клемму крышки распределителя по проводу высокого напряжения, в наконечнике которого установлен помехоподавительный экран, попадает на соответствующую свечу зажигания рабочую смесь в цилиндре и воспламеняет рабочую смесь в цилиндре. Бесконтактная система зажигания повышает надежность из-за отсутствия подвижных контактов необходимости систематической их регулировки зачистки зазоров, а также повышает надежность пуска и работу при разгонах автомобиля благодаря более высокой энергии электрического разряда, который обеспечивает надежное воспламенение рабочей смеси в цилиндрах двигателя независимо от частоты вращения коленчатого вала. Кроме того, одним из преимуществ бесконтактной системы зажигания является отсутствие влияния вибрации биения ротора-распределителя на равномерность момента искрообразования. Список использованной литературы1. Алексеева Е.Н. Автомобили семейства ВАЗ. - Самара, 2007 2. Антипов Д.М. Обслуживание, устройство и ремонт автомобилей ВАЗ-2110. - Самара, 2008 3. Николаев Д.И. Бесконтактная система зажигания. - СПб., 2006 4. Рустамова Л.Р. Подвижной автомобильный транспорт. - М., 2006 5. Харламов Л.И. Машиностроение в России. - М., 2007 6. Эксплуатация автомобиля - Лада Самара-Спутник - Lada Samara-Sputnik на Vaz-Autos_ru |
|||||||||||||||||||||||||||||||||||||||||||||||||||||||||||||||||||||||||||||||||||||||||||||||||||||||||||||||||||||||||||||||||||||||||||||||||||||||||||||||||||||||||||||||||||||||||||||||||||||||||||||||||||||||||||||||||||||||||||||||||||||||||||||||





























































