Дипломная работа: Модернизация электропривода шагового двигателя ШД5
|
Название: Модернизация электропривода шагового двигателя ШД5 Раздел: Промышленность, производство Тип: дипломная работа | ||||||||||||||||||||||||||||||||||||||||||||||||
Квалификационная работа на соискание степени бакалавра "Модернизация электропривода шагового двигателя Шд5" Введение. Современный электропривод представляет собой конструктивное единство электромеханического преобразователя энергии (двигателя), силового преобразователя и устройства управления. Он обеспечивает преобразование электрической энергии в механическую в соответствии с алгоритмом работы технологической установки. Разработка высокопроизводительных, компактных и экономичных систем привода является приоритетным направлением развития современной техники [1]. В данной работе рассматривается электропривод для шагового двигателя ШД-5Д1МУЗ (в дальнейшем именуемые просто, как ШД5). К сожалению, сейчас разработками электроприводов для шаговых двигателей, занимаются, в основном, за рубежом. Широкое применение двигателей ШД5¹ на установках в Институте ядерной физики (в ИЯФе около 200 экземпляров) и в промышленности для числового программного управления (ЧПУ) послужило основанием для разработки нового электропривода, взамен старому ПШД5/80, разработанному в ИЯФе. Основным недостатком ПШД5/80 является морально – устаревшая элементная база. Так логическое управление существующего привода выполнено на ТТЛ – логике. А силовая часть выполнена из шести каналов. В каждом канале имеется четыре биполярных транзистора. При этом работа привода сопровождается значительным выделением тепла. Поэтому, в существующим приводе использовались громоздкие радиаторы. Более того, привод требовал принудительного воздушного охлаждения при интенсивной работе блока. ТТЛ – логика позволяла выполнить управление двигателем по простейшей схеме релейного управления токами в фазах. Из – за этого присутствовали пульсации момента двигателя на низких скоростях вращения, а также при старте и торможении. Важный параметр для устройств ЧПУ – отсутствие пульсаций момента независимо от скорости вращения и нагрузки на двигатель. Также важна возможность управлять ускорением при разгоне и торможении, когда влияние на работу двигателя оказывают силы инерции. Добиваясь должного управления на ТТЛ – логике, приходилось бы использовать громоздкие платы с множеством микросхем, что в свою очередь могло привести к снижению надёжности работы привода, и появлению специальных программных обеспечений по управлению приводом. Такой привод мог не найти применения в промышленности. Поэтому в старой разработке привода ограничились простейшей схемой управления двигателем. Но современное развитие производства электронных компонентов послужило толчком для модернизации имеющегося привода. Так, например, сейчас фирмой Altera выпускаются программируемые логические матрицы, позволяющие запрограммировать логику порядка 1000 триггеров. Также в последнее время появились полевые транзисторы средних мощностей и драйверы к ним, фирмы International Rectifier, которые позволяют выполнить силовую часть привода наиболее простой. Таким образом, появились тенденции для разработки нового привода. Его конструктивные особенности будут изложены далее. А для начала я остановлюсь на особенностях самого шагового двигателя, для которого разрабатывается новый привод. Ведь выбрать оптимальный режим управления привода, можно только изучив подробно работу самого шагового двигателя, которому и посвящается следующий раздел. 1. Особенности работы шагового двигателя1.1 Устройство Двигатель ШД5, по числу обмоток управления (числу фаз), относится к многофазным (имеет шесть фаз) шаговым двигателям, с электромагнитной связью ротора и статора. Такие двигатели получили наибольшее распространение по сравнению с двигателями, имеющими механическую¹ связь ротора и статора, ввиду лучших динамических характеристик. По своей природе они являются синхронными двигателями, сохраняющими синхронизм не только при движении ротора, но и при пуске, торможении, реверсе, а также допускают длительную фиксированную остановку ротора, когда по обмоткам ротора проходит постоянный ток. По типу магнитной системы ШД5 относится к параметрическим двигателям. Он имеет зубчатый ферромагнитный ротор, выполняющий роль модулятора магнитной проводимости воздушного зазора между статором и ротором. По способу возбуждения ШД5 относится к классу реактивных двигателей, так как ротор не имеет возбуждения, и независимо от направления тока, одинаково ориентируется относительно возбужденного полюса. По моменту, развиваемому на валу, ШД5 относится к серводвигателям (его момент составляет 0.14 Н/м), а по характеру перемещения к поворотному типу [2]. Таким образом, при подаче на двигатель импульсов управления, он совершает вращательное движение. Как это происходит, становится понятно при рассмотрении устройства шагового двигателя. Статор шагового двигателя (рис. 1) с реактивным ротором имеет выступающие полюса, вокруг которых укладываются обмотки, соединяемые в фазы. Ротор представляет собой многополюсную зубчатую конструкцию. Обмотки двух противоположных полюсов статора соединяются последовательно и при протекании по ним тока образуют полюса противоположной полярности. При этом ротор занимает фиксированное положение, соответствующее наибольшей магнитной проводимости пути замыкания магнитного потока статора для данной возбуждённой фазы. При подаче импульса управления в следующую фазу ротор занимает новое фиксированное положение, совершая при этом шаг α = 2π/(zp m) (1) где zp – число зубцов ротора; m – число обмоток управления на статоре, пространственно сдвинутых относительно друг друга или число тактов коммутации схемы управления. Если отклонить ротор, находящийся в некотором фиксированном положении на некоторый угол, то магнитная проводимость уменьшается и возникает синхронизующий момент, который будет стремиться возвратить ротор в прежнее положение. Количественно электромагнитный момент шагового двигателя можно представить как степень изменения сосредоточенной в воздушном зазоре электромагнитной энергии и угла отклонения ротора от равновесного состояния: Mm = dEm /dα [5] Электромагнитная энергия в воздушном зазоре шагового двигателя является периодической функцией угла рассогласования ротора Em = f(αe ), а связь между углом рассогласования и геометрическим углом определяется выражением αe = (zp α)/2 (2) где αe – угол рассогласования, α – геометрический угол. Электромагнитную энергию в воздушном зазоре Em можно вычислить через полную магнитную проводимость воздушного зазора λ. Для этого представим обмотку статора в виде тора, имеющего разрыв в виде воздушного зазора [6]. Таким образом, выражение электромагнитного момента двигателя принимает вид: zp dEm (αe ) Lm I² Фw F Mm = – –, где Em = – Lm = – Ф = – = Fλ, 2 dαe 2 I rm где I – ток в обмотке двигателя, Ф – магнитный поток через воздушный зазор, w – число витков в обмотке статора, F – магнитодвижущая сила управляющей обмотки статора на пару полюсов (F = wI), rm – полное магнитное сопротивление воздушного зазора, Lm – эквивалентная индуктивность воздушного зазора [7]. Таким образом, окончательно, выражение электромагнитного момента двигателя примет вид: zp dλ Mm = – wI² – (3) 4 dαe Если пренебречь насыщением магнитной системы двигателя и пространственными высшими гармониками в кривой магнитного поля в воздушном зазоре, то выражение магнитной проводимости зазора будет: 1 1 λ = – (λd + λq) + – (λd – λq) Cos(2αe) [2] 2 2 где λd и λq – полные магнитные проводимости воздушного зазора шагового двигателя по продольной и поперечной осям. Уравнение статического синхронизующего момента шагового двигателя, полученное путём подстановки [2] в (3): Mm = 0.25zp wI²(λd – λq ) Sin(2αe ) (4) Переходя, непосредственно к конструктивным особенностям ШД5 начнём с того, что этот шаговый двигатель является многостаторным (он имеет два статора). Рис. 2. Поперечная геометрия ШД5 и схемы соединения обмоток. У многостаторного двигателя обмотки управления, находящиеся в разных статорах, не имеют между собой магнитной связи, располагаясь в двух отдельных пакетах, смещенных относительно друг друга на 2π/(zp m), рад. Размещение фазных обмоток на отдельных пакетах статора усложняет конструкцию двигателя и увеличивает его габариты. Но зато при такой конструкции многофазного двигателя удается избежать нагромождения множества обмоток в одном статоре. Шестифазный редукторный шаговый двигатель ШД5 с симметричной магнитной системой [2] состоит из двух шихтованных статоров, которые последовательно расположены вокруг одного ротора. Статоры сдвинуты друг относительно друга (по оси ротора) на угол 2π/(mzp ) рад. В каждом статоре имеется шесть пазов, в которые уложены 12 сосредоточенных обмоток управления, соединяемых в двигателе, в шесть электрически не связанных фаз (рис. 3). На полюсах статора расположены мелкие зубцы. Ротор представляет собой цилиндр с мелкими зубцами, причем ширина зубцов по наружному диаметру ротора равна ширине зубцов статора по расточке. Работа двигателя осуществляется следующим образом. Положим, что питание одновременно подается в две соседние фазы, например, 1 и 3. При этом магнитный поток Ф замыкается по кротчайшему пути через соседние полюса. Ось результирующего магнитного поля ориентируется между полюсами 1 и 3, а ротор занимает положение, соответствующее максимальной проводимости воздушного зазора, причем, относительно пары полюсов 2 – 4 положение максимальной проводимости между зубцами статора и ротора будет сдвинуто на 1 /6 зубцового деления. При снятии питания с фаз 1 и 3, и подаче его в фазы 2 и 4 ось результирующего магнитного потока смещается на π /6 рад., а ротор поворачивается на угол, соответствующий новому положению максимальной магнитной проводимости – отрабатывает шаг. Для равномерной отработки шагов необходимо, чтобы между зубцами ротора и статора под очередным полюсом был угловой сдвиг, равный 2π/(mzp ) рад. При этом движение ротора осуществляется последовательным переключением фаз таким образом, чтобы ротор при каждом переключении перемещался на один и тот же угол. 1.2 Коммутация фаз в существующем приводеВ старом приводе ПШД5/80 для уменьшения шага дискретизации применялась двенадцати – тактная схема коммутации обмоток. При этом попеременно включалось различное число фаз (две или три). С такой коммутацией единичный угол уменьшается в два раза: α = 2π/(2mzp ) рад. Для ШД5 m=6; zp =20, значит α=1.5°. При этом использовалась следующая очередность включения обмоток двигателя:
Использование в схеме коммутации тактов одновременного включения фаз двигателя из разных статоров (соответствующие выделены цветом на схеме) приводит к неполному использованию силовых свойств двигателя потому, как не полностью используется объём статора. Это связано с тем, что в таких коммутациях в одном из статоров включается всегда только одна фаза. При этом магнитный поток, замыкающийся через зубцы ротора – статора в два раза меньше (пренебрегая намагниченностью стали), чем в случае коммутации двух, соседних в статоре, обмоток. Связано это с тем, что при коммутации двух фаз из разных статоров магнитный поток не может замкнуться через обе фазы сразу (ввиду образования длинных силовых линий). Поэтому, возникает несколько потоков в каждом из статоров, которые замыкаются через соседние невозбужденные обмотки в статоре. Понижение магнитного потока приводит к уменьшению вращательного момента ротора. Так, например, рассмотрим положения зубцов ротора – статора, в развернутом виде, при подаче питания в фазы 1 и 2 (первый такт коммутации, рис. 5), можно вычислить площадь воздушного зазора, через которую замыкается магнитное поле запитанных обмоток. Пренебрегая искажением силовых линий в воздушном зазоре, а также, учитывая поле только одной обмотки фазы, искомая площадь ровняется 1 2 /3 зубцового деления. С точностью до наших пренебрежений, вращающий момент ротора (М) будет пропорционален площади воздушного зазора, через которую замыкается магнитное поле подключенных обмоток (S) и магнитному потоку, замыкающемуся через этот зазор. Обозначим вращающий момент ротора такта коммутации 12 как М0 (М12 = М0 ).
Аналогично, рассмотрев такт коммутации фаз 1,2,3 (рис. 6) мы можем вычислить S123 = 2 1 /3 зубцового деления. При вычислении вращающего момента следует учесть, что магнитный поток, а, следовательно, и вращающий момент ротора со стороны фаз 1 и 3 будет в два раза больше, чем от фазы 2. Таким образом 4 5 М123 = (1 + 2―) : ―М0 = 2.2М0 . 1.3 Коммутация фаз в разработанном приводеВ вычислениях предыдущего раздела было показано, что к.п.д. двигателя можно увеличить, устраняя такты коммутации, выделенные цветом на схеме. Но тогда шаг дискретизации шагового двигателя (минимальный угол, на который он может выполнить поворот) увеличится вдвое. Избегая такого недостатка, была разработана новая коммутационная схема, где соответствующие такты были заменены другими: – –
Таким образом, такт 12 старой схемы коммутации, заменяется в новой схеме тактом 1234, где фазы 13 и соответственно 24 включаются в одном роторе. Рассмотрим подробнее такт включения 1234 (рис. 7). Аналогично предыдущим вычислениям получаем: S1234 = 2 2 /3 зубцового деления. Таким образом, полезная энергия шагового двигателя с новой схемой коммутации возросла приблизительно на 70%. При этом за два такта стало включаться вместо пяти фаз (как в ПШД5/80) – семь. Значит, потребляемая энергия тоже возросла примерно на 40%. Но, тем не менее, к.п.д. двигателя с новой схемой включения фаз стал выше, чем со схемой существующего привода. Эти вычисления выполнены примерно, в виде оценки. Реально, учитывая потери на нагрев замагниченного железа, а также искривление силовых линий магнитного поля и потоки магнитного поля, замыкаемые не по кратчайшему пути, вычисленный результата уменьшится, и мы получим не 70% добавки, а меньше. Но, тем не менее, значимая величина добавки заставляет нас в новом приводе отказаться от старой схемы коммутации и использовать новую. На практике, при испытании новой схемы коммутации ШД5 в старом приводе ПШД5/80, путем запрограммирования и замены ПЗУ, двигатель быстро начинал нагреваться, в виду того, что увеличились потери, связанные с замагничиванием железа. По-этому рекомендуется длительно не использовать двигатель на полном токе в обмотке (3А). Тем более что различные устройства, где используется шаговый двигатель, не требуют, при обычном режиме работы, большого силового момента двигателя. На полный ток целесообразно включать двигатель при разгоне, что позволяет сократить время на перемещение в заданную точку плоскости в устройствах ЧПУ. Переходить на более низкий ток в обмотке можно автоматически, установив на двигателе терморезистор, вводя тем самым температурный контроль. Таким образом, можно защитить двигатель от перегрева. Тем более что в режиме покоя достаточно иметь статический момент существенно меньший динамических моментов нагрузки. Поэтому здесь тоже можно перейти на меньший ток, тем самым, снизив разогрев двигателя. Гибкость, в управлении током в обмотке возможна, благодаря использованию, в новом приводе, новой схемы стабилизации тока в обмотке, обсуждению которой и посвящается следующий раздел. 2.1 Управление в существующем приводе
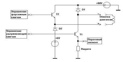
В старом приводе ПШД5/80 питание обмотки двигателя осуществлялось от источника напряжения 6 V. Такое значение напряжения питания было выбрано из тех соображений, что максимальный ток, который может протечь через обмотку, не будет превышать максимального значения, определенного характеристикой двигателя (3 А). Но при таком питании обмотки, достижение током этого значения будет происходить бесконечно долго. Поэтому, для накачки тока в старом приводе использовалось высокое напряжение питания – 80 V. Принципиальная схема такого стабилизатора тока изображена на рисунке 8.
dI U t L– + IR = U [8], откуда I = – (1 – exp(– –)) (5) dt R τ L где τ = –. R I – ток в обмотке двигателя, U – напряжение питания, t – время. На практике установлено, что ток в обмотке двигателя достигает значения 3 А за время 300 µS, при напряжении питания фазы 80 V. Теперь мы знаем зависимость тока, в обмотке двигателя, от времени, при подаче напряжения на фазу. Далее, при достижении током значения 3 А, запирается форсажный транзистор Т2 (Рис. 6.). При этом быстро открывается диод D2 , и фаза двигателя переходит на 6 V питание. В дальнейшем источник напряжения 6 V замыкается на цепь: диод D2 , фаза двигателя, коллектор – эмиттер насыщенного ключа Т1 , шунт Rшунта (Рис. 6). Появляется переходной процесс, при переходе от 80 V питания к 6 V. При этом воздушный зазор, между зубцами ротора и статора продолжает уменьшаться, потому, как ротор продолжает движение (Мы рассматриваем случай, когда ток в обмотке достиг значения 3 А до того, как ротор принял устойчивое положение, относительно возбужденной фазы). При этом индуктивность системы ротор – статор возрастает. Поэтому, так как процесс открывания диода длится недолго, то можно считать, что энергия, запасенная в фазе двигателя, при этом не меняется. Тогда, из закона сохранения энергии, ток в обмотке двигателя начинает уменьшаться. Далее, подставляя числа формулу (7), получим, что при определенных условиях, ток в обмотке двигателя может упасть до значения I = 2.75 А. А, при подаче на двигатель напряжения 6 V, ток в фазе двигателя практически перестает меняться. Таким образом, ток стабилизации в фазе ПШД5/80 не задаваемый нами (3А), а некоторый другой, более низкий (может достигать 2.75 А), что приводит к частичной потере силовых свойств двигателя. Далее, один из недостатков этой схемы стабилизации тока то, что используется низковольтовый источник питания двигателя, напряжением 6 V. На низких и средних скоростях вращения двигателя в основном этот источник и используется. Такой источник при напряжении 6 V должен выдавать ток в трёх фазах одновременно. В каждой фазе ток равняется 3 А. В итоге суммарный ток, источника питания на 6 V с трансформаторным понижением – БПШД5/80, равен 9 А. Такие источники получаются очень громоздкими. Использование в новом приводе только 80 V питания существенно упрощает источник питания. 2.2 Управление в разработанном приводеАнализируя все недостатки схемы стабилизации тока ПШД5/80, изложенные в предыдущем разделе, была разработана новая схема. Здесь питание двигателя осуществляется только от 80 V источника напряжения. Благодаря этому мы избегаем переходного процесса переключения с 80 V питания на 6 V. Также, источник питания разработанного привода становится проще в изготовлении потому, как не используется силовая низковольтовая составляющая напряжением 6V. Принципиальная схема нового источника стабилизации тока в обмотке изображена на рисунке 10. Для управления током, здесь используются два ключа, выполненные на полевых транзисторах средней мощности IRF530n, фирмы International Rectifier (VT1 и VT2 на рисунке). Управление этими ключами осуществляется от специализированного драйвера IR2113, этой же фирмы. Драйвер управляется программируемой логической матрицей EPM7128SLC84, фирмы Altera. Так в режиме наращивания тока в фазу, оба ключа VT1 и VT2 – замкнуты (транзисторы находятся в открытом состоянии). При этом фаза двигателя оказывается включенной, через шунт R1 на питание 80 V. Как известно из предыдущего раздела, ток в фазе, при этом, начинает быстро возрастать. При этом значение тока мы отслеживаем по падению напряжения на шунте R1 , вводя обратную связь, с него, на логическую матрицу. При достижении током заданной величины, происходит размыкание форсажного ключа (запирается транзистор VT1). Таким образом, фаза двигателя оказывается, замкнута через цепь, включающую диод D1, шунты R1 и R2 , а также, транзистор VT2. В этой цепи имеется малое активное сопротивление: Rа = R1 + R2 + RD1 + Rф + RVT2 , где R1 = R2 = 0.1 Ω, Rф = 1 Ω – активное сопротивление фазы двигателя. В данной схеме в качестве диодов использовались диоды Шотки – 50QS100, ввиду малого времени восстановления, а в качестве транзисторов – IRF530n, ввиду малого сопротивления стока – истока в открытом состоянии. Их параметры: RD1 = 0.1 Ω – активное сопротивление диода D1, RVT2 = 0.1 Ω – сопротивление стока – истока открытого полевого транзистора. Таким образом, Rа = 1.4 Ω. Используя такую стабилизацию тока, мы можем поддерживать не только 3 А в фазе двигателя, но и любой другой, прграммируемый нами ток. Это основное отличие новой схемы стабилизации тока. Ведь в существующем приводе можно было поддерживать ток в обмотке равный только 3А. Таким образом, появилась возможность управлять током в фазе не в виде квазипрямоугольной зависимости, от времени, как в ПШД5/80, а в виде запрограммированной в логической матрице, зависимости. В разработанном приводе была выбрана трапецеидальная зависимость из – за простоты реализации. То есть, если режим накачки тока в обмотке мы разобьём на n тактов, в каждом из которых ток у нас сначала будет возрастать на I0 / n, от предыдущего значения, а далее, стабилизироваться на этом значении. За n тактов ток в обмотке вырастет до значения I0, по квазилинейной зависимости от времени. Понятно, что чем ни больше n, тем наша зависимость сильнее приближаемся к линейной. Крутизной этой зависимости можно управлять, меняя частоту тактов. Аналогично получается квазилинейная зависимость снижения тока в обмотке, разбив на n тактов, в каждом из которых ток снижается на I0 / n, от предыдущего значения, и далее, стабилизируется до окончания такта. Используя одинаковое число тактов, при нарастании и спаде тока, мы выполняем управление током в фазе по равнобокой трапецеидальной зависимости. Такое управление позволяет выполнить поворот ротора двигателя более плавно. В старом приводе, при подаче в фазу двигателя квазипрямоугольного тока, ротор совершал рывок, и при этом он мог перескочить, по инерции, на следующее устойчивое положение, по отношению к зубцам статора, и вернуться обратно. Вследствие этого, при малых нагрузках, наблюдался колебательный вид отработки шага. Поэтому, в старом приводе применялось механическое демпфирование для гашения рывков ротора, которое представляло собой добавление механической нагрузки на ротор в виде трения. Использование такого демпфера приводило к ухудшению динамических параметров двигателя (из – за большего момента инерции ротора). В нашем же случае, рывок ротора разбивается на n, разнесённых во времен рывков, с амплитудой в n раз меньшей. Таким образом, подобрав соответствующее n, исходя из характеристик системы, для которой применяется шаговый двигатель, мы можем отказаться от механического демпфера, тем самым, повысив старт – стопные параметры двигателя. Схема трапецеидального управления током, в фазе двигателя, была смоделирована на компьютере, с помощью программы нелинейного моделирования Nl. Результат этого моделирования приведён на рисунке 11. Здесь скорость вращения ротора пропорциональна частоте генератора импульсов, потому как период этого генератора равен времени отработки такта увеличения (уменьшения или стабилизации) тока в фазе. Включение форсажного и удерживающего ключей разнесено во времени. Сделано это потому что, например, в ситуации одновременного открывания форсажного ключа и запирания удерживающего привело бы в неопределённость определения тока логическим управлением привода. Так, например, удерживающий ключ размыкается по спадающему фронту импульса генератора, а форсажный замыкается по нарастающему. Основным преимуществом новой схемы управления током в фазе является то, что появляется возможность выполнить дробление шага двигателя. То есть, если мы рассмотрим зависимости токов от времени, во всех шести фазах сразу, и выберем некоторый момент времени τ, и зафиксируем токи в фазах такими, как показано на рисунке, то мы остановим ротор двигателя в положении, не кратном шагу дискретизации двигателя. То есть, если со старым приводом ПШД5/80 минимальный угол, на который мог совершить поворот ротор ШД5 – го, составлял 3 /2 º, то при таком фиксировании токов мы можем остановить ротор в положении 3 /4 º, 3 /8 º, в зависимости от степени дробления шага. Появление возможности, выполнить дробление шага, связано с тем, что новая схема управления током в фазе двигателя может стабилизировать любой (в рамках разумного) ток, а не только 3 А, как в ПШД5/80. Как видно на рисунке 12, в фазах 1 и 3 токи не равны ни 0 А, ни 3 А. При этом устойчивое положение ротора будет не посередине зубцовых делений, как просто при включении фаз 4 – 5 – 6, а будет отставать, от этого положения на 3 /8 º, ввиду того, что ротор ещё тянут к себе фаза 1, с моментом ¾, от максимально – возможного, а также фаза 3 с моментом ¼. В новом приводе будет использоваться дробление шага на четыре. В связи с этим, точность отработки угла улучшена в четыре раза. Тем более что динамические характеристики, при этом, хуже не стали. Ведь максимальная скорость, с которой может вращаться ротор, определяется скоростью нарастания тока в фазе двигателя, которая, в свою очередь, определяется напряжением питания фазы (скорость пропорциональна напряжению). При переходе к предельной скорости вращения, силовой момент ротора начинает снижаться из – за того, что ток в фазе не успевает нарастать. Ясно, что предельная скорость вращения будет определяться суммарным временем нарастания и спада тока в фазе двигателя. Таким образом, максимальную циклическую частоту вращения ротора можно определить, как 2π 2π τ ωmax = – (9), где Тmin = – Тшага.min; Тшага.min = –. Тmin α0 k Тmin – минимальное время, за которое ротор успевает выполнить один оборот, вокруг своей оси, без потери шага. Тшага.min – минимальное время, за которое ротор успевает выполнить поворот на угол α0 = 1.5 °. Нетрудно заметить, что Тшага.min пропорционально минимальному времени включения питания, на фазу двигателя – τ, при котором ток успевает возрасти до максимально – программируемого значения – 3 А. Отношение числа тактов, при которых фаза находится под напряжением, к общему числу тактов, приходящихся на один период шага двигателя – k (определяется из схемы коммутации); τ ровно времени нарастания тока, от 0 А до значения 3 А, плюс времени спада тока, от 3 А до 0 А. Значит, зная τ и k, мы можем вычислить ωmax по формуле: kα0 α0 k ωmax = –, a fmax = – – (10) τ 2π τ Формула получена путём подстановок Тmin и Тшага.min в формулу (9). Старая схема коммутации фаз двигателя (в приводе ПШД5/80) отличается от новой (в рассматриваем приводе) именно величиной k. Так для старой схемы: (12 – 123 – 23 – 234 – 34 – 345 – 45 – 456 – 56 – 561 – 61 – 612) – kпшд5/80 = 5 / 12 (видно, что любая из фаз включается 5 раз за весь период, равный 12 – и включениям); в новой – knew = 18 / 24 (определяется по рисунку 12). Таким образом, в новом приводе максимальная скорость (частота) вращения ротора двигателя возрастает на 80%, по сравнению со старым приводом (оценка получена из формулы 10). 3. Схема разработанного электроприводадвигатель привод ток управление Разработанный электропривод для шагового двигателя ШД5, как уже ранее было сказано, имеет шесть силовых каналов для управления шестью фазами двигателя, а также логику управления (смотреть рисунок). В каждом силовом канале имеется два ключа – форсажный и удерживающий, как было сказано в предыдущем разделе. В этом разделе мы не станем останавливаться на этих ключах, а рассмотрим работу привода в целом. Для отработки двигателем заданного угла, на привод приходят генераторные импульсы от ЭВМ. Так, например, подавая импульс на вход St + (см. рис. 13) программируемой логической матрицы, двигатель осуществляет поворот по часовой стрелки на угол 1.5° / 4, то есть отрабатывает один шаг вправо. Соответственно при подаче импульса на вход St – двигатель отработает шаг влево (поворот против часовой стрелки). Ещё одна разновидность сигналов, поступающих на логику привода от сопряжённых с ним устройств – это сигнал запрета перемещения вправо – К+ (влево – К –). Сделано это для того, чтобы если в процессе перемещения устройство, в котором используется ШД5, приблизилось к своему крайнему положению, выполнить плавное торможение и избежать дальнейших перемещений в этом направлении. Также на логике имеются три входа от джамперов J1, J2, J3 которые позволяют выбирать разные значения токов, протекающих в обмотках двигателя. Далее имеется логический выход на ЭВМ, который соответствует сигналу окончания работы привода – OKOUT (при длительном отсутствии сигналов управления). На плате привода расположен генератор, собранный на кварцевом кристалле. Импульсы генератора поступают на вход GEN логики (требование логической матрицы). Далее на плате расположена шина программирования матрицы от ЭВМ. Программирование осуществляется по четырём входам: TCK, TDO, TMS, TDI. Далее рассмотрим режим управления силовыми каналами. Так, например, при поступлении команды ЭВМ выполнить шаг, ПЗУ логики определяет необходимые токи в фазах двигателя, для отработки шага двигателем, в соответствии со схемой коммутации. Далее логическая матрица, управляя четырьмя входами в каждом канале, устанавливает нужные токи в фазах. Как это происходит, рассмотрим на примере общения матрицы с отдельно – выделенным каналом. Так, например, значение нужного тока данной фазы передаётся от матрицы к каналу в виде ШИМ – сигнала на вход NOM. Получив и расшифровав этот сигнал, канал сравнивает его с токами на шунтах форсажного и удерживающего транзисторов с помощью компараторов. Результат этого сравнения (логический нуль или единица, в зависимости от того меньше реальный ток программируемого или больше) поступает на логическую матрицу с выходов канала OFL. Нечётные номера OFL соответствуют сигналам с шунта форсажного транзистора. Чётные – соответствуют удерживающему. В зависимости от этих сигналов обратной связи, логическая матрица производит управление транзисторными ключами. Так сигнал открывания форсажного транзистора подаётся на вход канала HIN. Сигнал открывания удерживающего транзистора подаётся на вход LIN. А сигнал запирания обоих транзисторов – SD. 4. Силовая часть разработанного привода В качестве форсажного и удерживающего ключей в новом приводе используются полевые транзисторы IRF530n. Эти транзисторы отличаются хорошими динамическими характеристиками. td (on) = 6.4 nS, td (off) = 37 nS, tr = 27 nS, tf = 25 nS. [3] Пользуясь этими данными, вычислим максимальную среднюю мощность, выделяющуюся на транзисторе в виде тепла. Для начала вычислим мощность, выделяющуюся на форсажном транзисторе при накачке тока в фазу двигателя. Режим накачки разбивается на 20 тактов (смотреть рис. 11). В каждом такте ток возрастает на величину (3/20) А. Таким образом: UDS = U0 – kU t; IDSi = I0i + kI t, где UDS – напряжение, в зависимости от времени, на стоке истоке; U0 – напряжение на стоке истоке вначале такта (U0 = 80 V); IDSi – ток истока, в зависимости от времени, в i – й такт коммутации; I0i – начальный ток истока, в i – й такт коммутации; kU – коэффициент линейного убывания напряжения на стоке – истоке полевого транзистора; kI – коэффициент линейного возрастания тока истока. (IDS меняется от 0 А до 3 А за 300 mS; UDS меняется от 80 V до 0 V за время t = 27 nS, в каждом такте). Начальный ток истока, в i – м такте коммутации можно определить, как: I0i = ki, где k = 3A/20. Теперь вычислим тепловые потери на форсажном транзисторе, при открывании в i – м такте, в режиме накачки тока: t Qфноi = ∫ UD IDSi dt [9] 0 Полные тепловые потери, на форсажном транзисторе, при накачке тока в фазу двигателя, при открывании: 19 Qфно = ∑ Qфноi = 20C1 + 190C2 (11) i=0 где С1 , С2 – есть некоторые константы вычислений: С1 = τ²kI (U0 /2 – kU τ /3) C2 = kτ(U0 – kU τ/2) Подставляя цифры, получим, что С2 » С1 (больше на 5 порядков). Это связано с тем, что ток в фазе за время τ практически не успевает измениться, а значит этими изменениями можно пренебречь. Окончательно: τ Qфно = 190kτ(U0 – kU –) (12) 2 Таким образом, Qфно = 30.8 µJ. Энергия, выделяющаяся на форсажном транзисторе при запирании, в режиме накачки тока в фазу двигателя, может быть вычислена по той же формуле (11): (только в качестве τ надо взять уже не tr = 27 nS, а tf = 25 nS – рис. 14) Qфнз = 28.5 µJ. Тогда среднюю мощность тепловых потерь на переключение форсажного транзистора, при накачке тока в фазу двигателя можно вычислить, как: Рсрфн = (Qфно + Qфнз)/300 µS (потому, как накачка тока в фазу длится 300 µS, без стабилизации тока). Тогда получим: Рсрфн = 0.2 W (Ватт). Как видно из рис. 11, в режиме стабилизации тока форсажный транзистор включается реже, чем при накачке. Таким образом, здесь необходимо учитывать статистические потери на транзисторе, которые появляются при наличии сопротивления стока – истока у насыщенного транзистора: RDS(on) = 0.11 Среднюю мощность этих потерь можно вычислить, как: Рсрн = I0 ²RDS (on) где I0 = 3А. Значит Рсрн = 0.99 W. Таким образом, эта мощность является преобладающей, по сравнению со средне – максимальной мощностью потерь на форсажном транзисторе, при накачке (и подкачке в режиме стабилизации тока) тока в фазу двигателя. Именно она и будет вносить основной вклад в нагрев транзистора. Более строго, тепловые потери на форсажном транзисторе, за один такт работы ШИМа, будут складываться из потерь на открывание, запирание и нагрева сопротивления RDS(on) полевого транзистора. Окончательно можно сказать, что максимальная средняя мощность, которая может выделиться на форсажном транзисторе: Pmax.ср. Ф = 1.19 W. Pmax.ср. Ф = Рсрн + Рсрфн Удерживающий ключ в основном находится в насыщенном состоянии. Поэтому среди его тепловых потерь будет преобладать мощность Рсрн = 0.99 W. Лишь в режиме спада тока в фазе двигателя мощность потерь на нём станет, как на форсажном транзисторе. Таким образом, максимальная средняя мощность, которая может выделиться на удерживающем транзисторе: Pmax.ср. У = 1.19 W. Реально, эти потери будут меньше, ввиду плавного управления вращением двигателя. Так, например такие потери на форсажном транзисторе появляются в режиме максимально – быстром возрастании тока в фазе, и далее длительной стабилизации его значения. На удерживающем транзисторе, после режима длительной стабилизации, следует резкий спад тока. Ясно, что на практике, даже на предельной скорости вращения двигателя, а также при разгоне и торможении, потери на транзисторах будут меньше. Но этот расчёт показывает, что транзисторы в новом приводе, в процессе своей работы, возможно даже не требуют использования охлаждающих радиаторов. Это существенный момент потому, как в старом приводе ПШД5/80 использовались биполярные транзисторы, которые в процессе работы сильно грелись. Поэтому в старых приводах для охлаждения транзисторных радиаторов использовались вентиляторы. Но потому, как эти приводы зачастую приходилось применять в пыльных помещениях, то вентиляторы, являющиеся источниками разнесения пыли, часто выводили из строя электронику. Поэтому разработанный привод, отличается от существующего большей надёжностью в эксплуатации. Также хотелось бы отметить, что использование в разработанном приводе нового монтажа, а также программируемой логической матрицы, позволило трассировать печатную плату, этого привода, размерами, почти в два раза меньшими, по сравнению со старой. Первый опытный образец решено было выполнить в старом блоке, стандарта ВИШНЯ. Сделано это для совместимости с существующими электроприводами. Источник питания, для начала, оставлен тот же самый, хотя разработанный привод не требует силового питания на 6 V, как было замечено ранее. В перспективе предполагается изготовить новый блок привода со специальным источником питания, отвечающем требуемым параметрам привода. А пока можно перейти на разработанный привод, в установках ЧПУ, путём простой перестановочной замены блока ПШД5/80, новым блоком. Как было сказано ранее, шаговый двигатель ШД5 нашёл широкое применение в устройствах ЧПУ. Важными параметрами двигателя, в этих установках, являются динамические характеристики и точность отработки шага [12]. Современное развитие ЧПУ требует использования двигателей с лучшими характеристиками. Казалось бы, можно просто заменить ШД5 другим, более подходящим шаговым двигателем. Но широкое применение ШД5 в ИЯФе и в промышленности сильно усложняет процесс замены. Более простое решение предлагается в данной работе. Смысл его заключается в значительном улучшении характеристик имеющегося двигателя за счёт модернизации его электропривода. Такое решение показало неплохой результат. Так, например, у ШД5 управляемого от модернизированного электропривода, увеличились динамические возможности, за счёт изменения схемы коммутации. Благодаря использованию новых электронных компонент, удалось уменьшить шаг дискретизации двигателя, а также отказаться от демпфирования. При этом значительно уменьшились массогабаритные свойства привода, а также возросла надёжность работы его силовой части. Все эти изменения, в разработанном приводе, позволяют без осложнения внедрить его в промышленность. Как было сказано ранее, разработанный привод совместим по конструктивному исполнению, и вставляется взамен существующих без переделок аппаратного и программного обеспечения. Сейчас смонтирован первый экспериментальный образец, ведётся его наладка. Далее предполагается изготовить первую опытную партию. Список литературы1. Журнал Chip news. №1 (34), 1999 г. «Цифровое управление электроприводом». Специальный выпуск. 2. В.Ф. Гумен, Т.В. Калининская. «Следящий шаговый двигатель». Издательство «Энергия», г. Новосибирск, 1980 г. 3. Описание полевого транзистора IRF530n. http://www.irf.com/product-info/datasheets/data/irf530n.pdf 4. Кенио Т. «Шаговые двигатели и их микропроцессорные системы управления». Издательство «Мир», 5. М.П. Костенко, Л.М. Пиотровский «Электрические машины». Издательство «Энергия», г. Москва, 1964 г. 6. И.Н. Мешков, Б.В. Чириков «Электромагнитное поле». Часть 1. Издательство «Наука», г. Новосибирск, 1987 г. 7. Б.М. Яворский «Справочник по физике». Издательство «Наука», г. Москва, 1985 г. 8. Г.И. Атабеков «Основы теории цепей». Издательство «Энергия», г. Москва, 1969 г. 9. П. Хорвиц, У. Хилл «Искуство схемотехники». Том 1, Издательство «Мир», г. Москва, 1983 г. 10. Диссертация С.В. Кротова «Автоматизированный комплекс для проектирования и производства радиоэлектронной аппаратуры ускорительно – накопительных установок». Новосибирск – 1987 г. 11. И.П. Копылов, Б.К. Клоков «Справочник по электрическим машинам». Издательство «Энергоатомиздат», г. Москва, 1989 г. 12. А.Ф. Серов, С.В. Кротов «Распределённая интерактивная система проектирования исследовательского радиоэлектронного оборудования». Новосибирск, 1988 г. |








Таким образом, при подаче на фазу высокого напряжения, ток в ней начинал быстро расти, и ограничивался суммарным активным сопротивлением цепи, которое включало в себя сопротивление шунта (Rш
=0.1 Ω), коллекторно – эмиттерные сопротивления открытых транзисторов Т1
и Т2
(RТ1
= RТ2
= 1 Ω), а также, активное сопротивление самой фазы двигателя (Rф
= 1 Ω.). Суммарное активное сопротивление этой цепи равно сумме четырех этих сопротивлений (R = 3.1 Ω.). Уравнение этой цепи запишется в виде: