Курсовая работа: Расчет привода ТП-Д с реверсом по цепи возбуждения
|
Название: Расчет привода ТП-Д с реверсом по цепи возбуждения Раздел: Промышленность, производство Тип: курсовая работа | |||||||||||||||||||||||||||||||||||||||||||||||||||||||||||||||||||||||||||||||||||||||||||||||||||||||||||||||||||||||||||||||||||||||||||||||||||||||
Министерство образования и науки РФ Федеральное агентство по образованию Пермский государственный технический университет Кафедра ЭАПУ КУРСОВАЯ РАБОТА Тема: "Расчет привода ТП-Д с реверсом по цепи возбуждения" Курс IV, группа ЭАПУ-07-1 Студент Бояршинов М. М. Преподаватель Седунин А. М Пермь 2011Содержание Исходные данные Введение Обоснование выбора привода Разработка силовой схемы электропривода Расчёт и выбор электрооборудования силовой схемы Составление и расчет параметров структурной схемы модели электропривода Список использованной литературы Исходные данные 1. Тип электропривода ТП-Д с реверсом поля (возбуждения). 2. САУ подчиненного регулирования с обратными связями по току. 3. Двигатель: П2 Pном = 55кВт UЯ = 440В UВ = 110/220В IЯ = 90А IВ = 10А IСТ = 85А ФН = 0,67Вб ТЯ = 0,04с RЯ = 0,035с Вес колонны G = 10т 4. Функциональная схема системы регулирования электропривода роторного стола. ZZ1, ZZ2 – сельсинный командоаппарат; ФВ – фазочувствительный выпрямитель; ЗИ – задатчик интенсивности; РМР – регулятор мощности; УОР – узел ограничения; РЭР – регулятор ЭДС; РТР – регулятор тока; ЯГР – ячейка гальванической развязки; ДЭ – датчик ЭДС; ДТР – датчик тока; ТПЯР – тиристорный преобразователь по току якоря; ТПВР – тиристорный преобразователь по току якоря; ТПВР – тиристорный преобразователь по току возбуждения; РТВ – регулятор тока возбуждения; МР – электродвигатель роторного стола; ДНР – датчик напряжения; КР – контактор ротора; ОВМР – обмотка возбуждения электродвигателя роторного стола.
Введение В настоящее время многие выполняемые работы в различных отраслях деятельности человека не мыслимы без электропривода. Современные автоматизированные электроприводы представляют собой сложные динамические системы, включающие в себя различные линейные и нелинейные элементы (двигатели, генераторы, усилители, полупроводниковые и другие элементы), обеспечивающие в своем взаимодействии разнообразные статические и динамические характеристики. Большинство рабочих машин, агрегатов, технологических линий и комплексов приводится в движение электрическим приводом. Однако функции электропривода не ограничиваются только преобразованием энергии - они существенно шире. Каждая рабочая машина нуждается в управлении, нужно включать и выключать двигатели, приводящие в движение рабочие органы машины, изменять скорость и усилие на рабочих органах в соответствии с условиями ведения технологического процесса, осуществлять необходимые защиты и блокировки, обеспечивающие безаварийную работу машин. В тех случаях, когда рабочая машина или технологический комплекс имеет несколько рабочих органов, каждый из которых приводится в движение своим электроприводом, в задачу управления входит согласование движений рабочих органов в соответствии с требованиями технологического процесса. Вторую функцию электропривода можно определить как управление движением исполнительных органов рабочей машины, причем это управление может осуществляться вручную с элементами автоматики или автоматически. Сочетание двух функций электропривода: преобразование электрической энергии в механическую и управление параметрами механической энергии (мощность, усилие, крутящий момент, скорость, ускорение, путь и угол перемещения) с целью рационального выполнения технологического процесса, выполняемого рабочей машиной, определяет назначение и роль электропривода в машинном производстве. Не стоить забывать, что важная роль принадлежит электроприводу в создании энергосберегающих технологий. Многие технологические процессы связаны с большими затратами электрической энергии, однако не всегда эти затраты носят производительный характер.Электропривод - главный потребитель электрической энергии. В развитых странах на долю электропривода приходится свыше 60% всей вырабатываемой электроэнергии.электропривод двигатель возбуждение реверс Целью курсового проектирования является систематизация, расширение и углубление теоретических знаний студентов. В ходе курсового проектирования студенты приобретают опыт самостоятельного решения задач проектирования, а также получают навыки пользования нормативной и справочной литературой. Обоснование выбора привода Развитие силовой полупроводниковой техники определило широкое применение статических тиристорных преобразователей в различных системах электроприводов и, в частности, в электроприводах рудничных подъемных установок. Свойства электроприводов с тиристорными преобразователями в значительной степени зависят от свойств самих тиристоров — основных силовых элементов. - Тиристоры характеризуются достаточно высокими допустимыми напряжениями и токами, сравнительно большими интервалами рабочих температур: от минус 60—50 до плюс 100 — 150 0 С. - Тиристоры имеют малое время включения: после приложения к управляющему электроду кратковременного положительного сигнала оно составляет 1—4 мкс. Время запирания тиристоров 10—20 мкс. Время восстановления управляемости тиристоров после окончания протекания тока составляет 25—35 мкс, что в 10 раз меньше времени восстановления ионных вентилей. - Тиристоры размещаются в герметичном сварном корпусе простой конструкции, обладающем высокой механической прочностью, стойкостью к воздействию ударных и вибрационных нагрузок, возможностью работать при любом положении в пространстве. Применение тиристорного электропривода обусловливает целый ряд преимуществ: 1) Благодаря широкой номенклатуре изготовляемых полупроводниковых элементов упрощается производство ТП и могут быть сокращены затраты на ТП в связи с постоянно снижающейся стоимостью тиристоров. 2) Экономия меди и черных металлов при изготовлении тиристорного агрегата и трансформатора. 3) Снижение затрат на строительно-монтажные работы тиристорного электропривода, для которого не требуются громоздкие фундаменты, мощные грузоподъемные средства и большая площадь помещений (для тиристорного электропривода на 20-40 % меньше, чем для других преобразователей). 4) Снижение эксплуатационных затрат, в основном за счет сокращения расходов на электроэнергию и обслуживание преобразователя. 5) Большая потенциальная надежность по сравнению с электроприводом Г—Д за счет меньшего числа электрических машин и применения статического ТП в виде шкафных или встраиваемых конструкций блочно-модульного исполнения с хорошей доступностью к элементам для быстрого устранения неисправностей. Более простое осуществление резервирования и взаимозаменяемости блоков ТП, больший срок службы ТП при условии применения защитных мероприятий и устройств по ограничению тока, напряжения и других параметров. Ряд отрицательных качеств электропривода ТП—Д обусловлен отрицательными свойствами самих тиристоров, основные из которых: - низкая перегрузочная способность по току вследствие малых размеров р-n-перехода; - относительно небольшая стойкость к импульсным перегрузкам по току в связи с малой теплоемкостью; - чувствительность к перенапряжениям; - ограниченные скорости нарастания тока и напряжения; - большой разброс параметров (ток управления, время включения, ток утечки в пределах одного класса и группы), что ухудшает параллельную работу тиристоров, их поведение в аварийных режимах; - кумулятивность — накапливание ухудшения состояния структуры перехода при повторных перегрузках определенной длительности; - подверженность при определенных условиях аварийным пробоям. Разработка силовой схемы привода На рисунке 2 представлена упрощенная принципиальная схема привода системы ТП-Д с реверсом по возбуждению.
Рис.1 Упрощенная принципиальная схема привода ТП-Д с реверсом по цепи возбуждения. Обозначения, принятые в схеме: Тр – трансформатор,В – выключатель,А – автоматический выключатель,НТП – нереверсивный тиристорный преобразователь,РТП – реверсивный тиристорный преобразователь,СИФУ – система импульсно-фазового управления,АГТ – автомат главного тока,Ш – шунт,ДР – сглаживающий дроссель,Я – якорь машины постоянного тока,ОВ – обмотка возбуждения,РС – разрядное сопротивление,ТГ – тахогенератор. В основе привода имеется двигатель постоянного тока независимого возбуждения, якорь которого получает питание от нереверсивного преобразователя. В соответствии с этим, возникает необходимость установки в цепь якоря сглаживающего дросселя для снижения пульсаций выпрямленного тока. Реверс привода осуществляется изменением направления магнитного потока, поэтому применяется реверсивный преобразователь в цепи возбуждения. Оба преобразователя – управляемые (якорный – для регулирования скорости привода изменением напряжения на якоре; в цепи возбуждения – для реверсирования привода (с использованием форсировки) и для ослабления тока возбуждения во время паузы). Трансформатор Тр предназначен для питания преобразователей, они обеспечивают согласование преобразователей с сетью по уровню напряжения и их потенциальную развязку. СИФУ предназначены для управления тиристорными преобразователями. Автомат главного тока предназначен для разрыва цепи якоря во время отключения привода и защиты двигателя от перегрузки. Контроль параметров привода осуществляется с помощью тахогенератора (контроль скорости) и шунтов (контроль тока якоря и тока возбуждения). Коммутационные аппараты В и А предназначены для отключения от сети соответствующих элементов силовой схемы. Разрядное сопротивление служит для защиты обмотки возбуждения от перенапряжения при коммутации. Как известно из всех способов регулирования и изменения направления скорости, использование реверсивного тиристорного преобразователя (РТП) является одним из самых современных способов создания быстродействующего регулируемого электропривода постоянного тока. Реверсивным тиристорным преобразователем называется преобразователь, через который ток может протекать в обоих направлениях. Поскольку тиристоры пропускают ток только в одном направлении, то для изменения направления тока нагрузки необходимо использовать две группы вентилей, каждая из которых проводит ток в своем направлении. Эти группы вентилей чаще всего собираются по трехфазной мостовой или трехфазной нулевой схеме. Трехфазная нулевая схема отличается простотой, меньшим числом вентилей применяемых в схеме. Трехфазная мостовая схема обладает рядом преимуществ по сравнению с трехфазной нулевой: 1) Выпрямленная ЭДС при одном и том же вторичном напряжении трансформатора в два раза больше; 2) Пульсации выпрямленной ЭДС в два раза больше по частоте и меньше по амплитуде; 3) Вентильные группы могут подключаться к сети без трансформатора; 4) Типовая мощность трансформатора меньше. Перечисленные достоинства обуславливают преимущественное применение трехфазной мостовой схемы в системах электропривода (ЭП) мощностью десятки - сотни киловатт. Поскольку мощность ТП, питающего якорную цепь достаточно велика, то выбираем трехфазную мостовую схему. Как было отмечено выше, для получения реверсивного ТП две группы вентилей определенным образом соединяют между собой. Различают встречно – параллельное и перекрестное соединение. При встречно – параллельном соединении применяется простой двухобмоточный трансформатор меньшей мощности. Применяются два основных метода управления комплектами РТВ: совместное и раздельное. При совместном управлении импульсы подаются на тиристоры обеих одновременно. При этом одна группа работает в выпрямительном режиме с углом регулирования aВ
, развивает среднее значение выпрямленного напряжения UaВ
и обеспечивает протекание тока через нагрузку. В это же время вторая группа переводится в инверторный режим с углом регулирования aИ
и среднее значение выпрямленного напряжения UaИ.
При таком управлении в РТВ образуется замкнутый контур, по которому может протекать уравнительный ток. Для уменьшения этого тока углы регулирования должны быть в определенном соотношении. При согласованном управлении соотношение углов устанавливается таким образом, чтобы выполнялось соотношение: 1) Отсутствие необходимости в переключениях силовой цепи; 2) Высокое быстродействие при переходе с одного режима в другой и постоянная готовность к этому переходу; 3) Однозначность в статических характеристиках ТП. В разрабатываемом преобразователе применяется совместное управление вентильными группами. В цепи якоря установлен сглаживающий дроссель для снижения пульсаций выпрямленного тока. Трансформаторы предназначены для питания преобразователей, они обеспечивают согласование преобразователей с сетью по уровню напряжения и их потенциальную развязку. СИФУ предназначены для управления тиристорными преобразователями. Автомат главного тока предназначен для разрыва цепи якоря во время отключения привода и защиты двигателя от перегрузки. Контроль параметров привода осуществляется с помощью тахогенератора (контроль скорости) и шунта (контроль тока якоря). Коммутационные аппараты предназначены для отключения от сети соответствующих элементов силовой схемы. Разрядное сопротивление служит для защиты обмотки возбуждения от перенапряжения при коммутации. Расчет и выбор электрооборудования силовой схемы Расчет основных параметров двигателяПримем КПД двигателя равным η=70% и определим сопротивление якорной цепи двигателя:
Номинальная частота вращения двигателя:
Круговая частота двигателя:
Номинальный момент двигателя:
Максимальный ток двигателя:
Дополнительные параметры двигателя 1. Коэффициент пропорциональности между током и моментом:
2. Коэффициент пропорциональности между током возбуждения и магнитным потоком:
3. Сопротивление обмотки возбуждения:
4. Постоянная времени обмотки возбуждения:
5. Индуктивность обмотки возбуждения:
Силовой преобразователь в цепи якоря Силовой преобразователь выбирается по эффективному току и по максимальному выпрямленному напряжению.
К – допустимая кратность перегрузки двигателя (К=2,25) Км - коэффициент пропорциональности между током и моментом двигателя Кз – коэффициент запаса (Кз=1,1)
С учетом номинального напряжения электродвигателя принимаем тиристорный преобразователь ТП4-320/460Р-2-2УХЛ4. Структура условного обозначения : Т - тиристорный; П - принудительное воздушное охлаждение; 4 - перегрузка 2,25 Iном длительностью 10 с; 320 - номинальный выходной ток (63, 100, 160, 200, 320, 500 А); 460 - номинальное выходное напряжение (230, 460 В); Р - через токоограничивающий реактор; 2 - напряжение питающей сети (1 - 220В, 2 - 380В, 3 - 400В, 4 - 415В, 5 - 440В); 2 - конструктивное исполнение агрегата - защищенное (в шкафу), для незащищенного исполнения номер не ставится* Х4 - климатическое исполнение и категория размещения по ГОСТ 15150-69 (УХЛ4 и О4). Технические характеристики: Напряжение, В: 380 Частота, Гц: 50 Выходные параметры: Номинальный ток, А: 320 Максимальный ток, А: 720 Номинальное выпрямленное напряжение, В: 460 Номинальная мощность, кВт: 147,2 Агрегаты тиристорные серии ТП, ТПР предназначены для питания якорных цепей электродвигателей постоянного тока в электроприводах станкостроительной и других отраслей промышленности. Выбор силового трансформатора Трансформатор выбирается по значениям мощности, тока и напряжения вторичной обмотки трансформатора. Действующее значение фазного тока вторичной обмотки трансформатора:
Найдем максимально выпрямленное напряжение (оно же ЭДС условного холостого хода преобразователя ):
где: k з.н ≡ 1,1 - коэффициент запаса напряжения; DU – падение напряжения на тиристорах; U 0 – напряжение спрямления ВАХ тиристоров ( их количество равно 6 , но одновременно в работе находится 2); DU к - коммутационное падение напряжения на тиристорах при номинальной нагрузке. Тогда получим:
где Тогда найдем действующее значение вторичного линейного напряжения:
Типовая мощность трансформатора:
По данным сайта http://www.cztt.ru выбираем силовой трансформатор типа ТЛС-63. Технические данные трансформатора ТЛС-63
Пересчитаем максимально выпрямленное напряжение преобразователя:
Параметры трансформатора, приведенные к вторичной обмотке: Активное сопротивление:
Потери короткого замыкания:
Коэффициент трансформации трансформатора:
Номинальный ток первичной обмотки:
Индуктивное сопротивление:
Индуктивность:
Выбор сглаживающего дросселя При выборе дросселя необходимо понимать, что увеличение его индуктивности ведет, с одной стороны, к улучшению сглаживания выпрямленного тока. С другой, это ухудшает быстродействие привода, снижает скорость нарастания тока привода. Таким образом, выбор сглаживающего реактора осуществляется исходя из ограничения допустимого уровня пульсаций тока якоря двигателя (2-8%) и ограничения зоны прерывистых токов. Скорость нарастания тока якоря при этом, как правило, отвечает требованиям привода по быстродействию. Найдём амплитудное значение основной гармоники выпрямленного напряжения:
где угол отпирания тиристоров, соответствующий номинальному выпрямленному напряжению на двигателе:
р - пульсность силовой схемы преобразователя, k - кратность основной гармоники к числу пульсаций. Обычно принимается 5-6. Тогда найдем
Рассчитаем полную индуктивность цепи выпрямленного тока якорного преобразователя (включающая и индуктивность сглаживающего реактора), обеспечивающая требуемый коэффициент пульсаций тока двигателя:
где: р(0)% - действующее значение основной гармоники тока, равной 2 - 15 % номинального тока в зависимости от мощности , диапазона регулирования частоты вращения двигателя и допустимого снижения зоны темной коммутации. Ввиду того, что это значение для данного конкретного двигателя не дано, то примем p(0)% = 2%. Тогда найдем
Найдем величину индуктивности якорной цепи привода без учета сглаживающего реактора: где:
а - коэффициент схемы, равный 1 для нулевых, 2 для одномостовой; U2ф - действующее значение фазного напряжения вторичной обмотки трансформатора ; U’к % - индуктивная составляющая напряжения К.З. трансформатора. I2н - действующее номинальное значение вторичного тока трансформатора; f - частота тока вторичной обмотки трансформатора. Индуктивность сглаживающего реактора:
Ввиду того, что получившееся значение индуктивности является отрицательным, то по уровню пульсации привод не нуждается в сглаживающем дросселе. Ограничение зоны прерывистых токов вызвано ухудшением статических и динамических характеристик привода при работе в этом режиме. Расчет индуктивности реактора по этому условию проводят, исходя из принятого значения граничного тока. Индуктивность якорной цепи с учетом реактора рассчитывается для трехфазной мостовой схемы по формуле:
где: U2л , U2ф - соответственно линейное и фазное действующие значения напряжения вторичной обмотки трансформатора; Iд.гр - граничное (начально - непрерывное) значение выпрямленного тока, принимается равным 10% от Id .н ; a - угол отпирания тиристоров, соответствующий граничному току привода, принимается равным 90 эл.град. Индуктивность сглаживающего реактора:
По данным сайта http://www.transformator-prb.ruвыбираем однофазный сухой сглаживающий реактор CРОС-400/0,5УХЛ4 Техническая характеристика: Индуктивность, мГн: 0,3 Номинальный выпрямленный ток, А: 200 Масса, кг: 505 Автомат главного тока Условия выбора:
По данным сайта www.texenergo.ru выбираем выключатель типа ВА 69-35 Характеристика:
Тиристорный возбудитель Выбираем реверсивный преобразователь по мощности возбуждения:
по току возбуждения: и по выпрямленному напряжению с учетом форсировки:
Исходя из этих условий выбираем возбудитель ТЕР4-63/230Н-1-2УХЛ4 Т – тиристорный Е – естественное воздушное охлаждение Р – реверсивный 4 – допускается 2,25-кратная перегрузка по току в течение 10 с Н – непосредственное подключение к сети
Получаем коэффициент форсировки:
Разрядное сопротивление в цепи возбуждения Значение сопротивления: Датчики тока Шунты в цепи якоря и цепи возбуждения выбираем по номинальному току: 1. Для цепи якоря: 2. Для цепи возбуждения: По данным сайта www.etaloros.ruв цепь якоря выбираем шунт 75-ШСМ на 100А, а в цепь возбуждения шунт 75-ШС на 20А 75 – падение напряжения при номинальном токе, мВ Определим сопротивление шунтов: В цепи якоря: В цепи возбуждения: Датчики тока реализуем по следующей схеме:
Рис 3. Схема реализации датчиков тока Коэффициент передачи датчика тока выбираем из условия его работы на линейной части характеристики (выходное напряжение менее 15 В – для УБСР-АИ) при максимальных значениях тока. Датчик тока якоря Максимальный рабочий ток двигателя:
что соответствует
Определим значения выходного напряжения датчика тока при номинальном и максимальном токе двигателя:
Датчик тока возбуждения Номинальный ток возбуждения двигателя:
Напряжение на шунте при 20 А – 75 мВ будет соответствовать выходному напряжению датчика тока 5 В. Определим коэффициент усиления датчика тока:
что соответствует Определим сквозной коэффициент обратной связи по току якоря:
Определим значение выходного напряжения датчика тока при номинальном токе возбуждения:
Датчик скорости Тахогенератор выбираем по условию:
По данным сайта www.motor-remont.ru датчик скорости реализуем с помощью тахогенератора ПТ-22 (претенциозный тахогенератор), впрессовываемого в вал двигателя.
Датчик скорости реализуем по следующей схеме:
Рис 4. Схема реализации датчика скорости Определим значение напряжения тахогенератора при номинальной частоте вращения двигателя:
Допустим, для заведения обратной связи по току при данной частоте вращения мы должны иметь выходное напряжение датчика скорости примерно равное 10 В. Для этого используется делитель напряжения. При определении сопротивления делителя должно быть учтено следующее: 1) Падение напряжения на 2) Суммарное сопротивление делителей:
4) Составляющие делителя рассчитывают последовательно, используя выражения:
Определим значение выходного напряжения датчика скорости и тока в цепи тахогенератора при номинальной скорости вращения двигателя:
Определим передаточный коэффициент датчика скорости:
Высоковольтный выключатель Высоковольтный выключатель выбираем по номинальному току и по номинальному напряжению, при этом должно выполняться условие
По этим параметрам выбираем выключатель ВВ/TEL-10-5/100 ВВ – выключатель вакуумный; TEL – фирменная марка предприятия (Таврида Электрик); 10 – номинальное напряжение, кВ; 5– номинальный ток отключения, кА; 100 – номинальный ток, А Параметры выключателя
Автоматический выключатель для подключения возбудителя к сети 0.4 кВ Выключатель выбираем по номинальному току и по номинальному напряжению, при этом должно выполняться условие
По этим параметрам выбираем выключатель А 3710Б производства ЗАО "Контактор", обладающий следующими параметрами
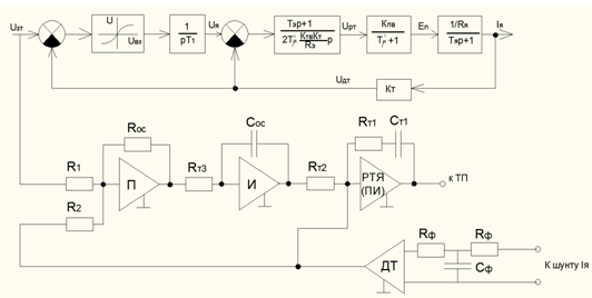
Составление и расчет параметров структурной схемы модели привода Расчет системы регулирования следует начинать с синтеза контура тока, при этом так же необходимо учитывать внутреннюю обратную связь по ЭДС двигателя, иначе при построении разомкнутой системы управления, модель не будет соответствовать действительности, привод за счет интегрирующих звеньев будет уходить в разнос. На рис. 5 показана структурная схема привода ТП-Д с РВ и системой подчиненного регулирования.
Рис.5 Структурная схема привода ТП-Д с РВ и системой подчиненного регулирования. Расчет контура регулирования тока возбуждения Постоянную времени фильтра, установленного на входе датчика тока возбуждения рассчитывают для заданных К=5 и m=6:
Эквивалентная постоянная времени контура цепи возбуждения:
С учетом рассчитанного ТВ и принятого RФ =100 Ом, величина емкости Т-образного фильтра:
На рисунке 5 представлена структурная схема контура регулирования тока возбуждения.
Рис. 6 Структурная схема и реализация контура регулирования тока возбуждения Передаточный коэффициент обратной связи контура:
Статическая ошибка контура IВ :
Требуемый коэффициент датчика IB , который подключен к шунту 75-ШС(Iш.ном =20А, Uш.ном =2,5В) составляет:
Для заданного RT 9 , а так же с учетом RЭ сопротивление обратной связи регулятора тока возбуждения:
Расчет контура регулирования тока якорной цепи На входе датчика тока включен фильтр, постоянная времени которого для заданных m=12 и К=5 рассчитываются:
Для заданного RФ =100 Ом, величина емкости Т-образного фильтра:
Рис. 7 Структурная схема и реализация контура регулирования якорной цепи Эквивалентную некомпенсационную постоянную времени контура тока вычисляют по формуле:
Передаточный коэффициент обратной связи контура тока:
Параметры элементов схемы регулятора тока рассчитывают последовательно при заданной емкости Ст1 =2мкФ:
КТВ – коэффициент усиления тиристорного выпрямителя
По значению
а затем коэффициент усиления нелинейного элемента в линейной зоне:
Реализация постоянной времени Т1 на шунтирующем усилителе "И" осуществляется по заданному значению СОС =3мкФ и рассчитанному на основании этого RТ3 :
Для заданного R1 =10 кОм по формуле определяют RОС :
Соответствие сигналов UЗ и Uд.т достигается при условии равенства сопротивлений R1 = R2 . Расчет контура регулирования скорости
Рис. 8 Упрощенная структурная схема и реализация контура регулирования скорости Для расчетного значения частоты полюсных пульсаций тахогенератора ПТ-22(р=2; nТГ.ном =800об/мин; UТГ.ном =230В; IТГ.ном =0,2А)
и уменьшения их уровня в К=3 раз значения постоянной времени фильтра по формуле:
Определим эквивалентную постоянную времени контура скорости:
Коэффициент обратной связи по скорости рассчитывают по выражению:
Суммарное сопротивление делителей:
Составляющие делителя рассчитывают последовательно, используя выражения:
Мощность сопротивления делителя:
Расчет параметров фильтра Rc 1 , Rc 2 и Cc 1 сводится к определению значения одного из них при заданном другом, если Rc 1 = Rc 2 =100 Ом, то
Передаточный коэффициент пропорциональной части РС:
На основании выбираемого аС рассчитывают постоянную времени интегральной части РС по формуле:
А затем при заданном СОС =2мкФ, значение выходных сопротивлений регулятора скорости по формуле:
и сопротивление обратной связи:
Параметры схемы фильтра, устанавливаемого на входе РС, рассчитывают по значению его постоянной времени: Тогда с учетом RТ5 значение емкости СФ :
Список используемой литературы 1. Динкель А.Д., Католиков В.Е., Седунин А.М. Тиристорный электропривод рудничного подъема. – М.: Недра, 1977. 2. Динкель А.Д. Автоматизированный электропривод постоянного тока. – Пермь: Изд-во ПГТУ, 2007. 3. Справочник по высоковольтному оборудованию 4. Буклет "Вакуумные выключатели серии ВВ/TEL". Таврида Электрик 5. http://www.transformator-prb.ru 6. www.texenergo.ru 7. www.etaloros.ru 8. www.motor-remont.ru |
|||||||||||||||||||||||||||||||||||||||||||||||||||||||||||||||||||||||||||||||||||||||||||||||||||||||||||||||||||||||||||||||||||||||||||||||||||||||

















