Дипломная работа: Капитальный и текущий ремонты зданий
|
Название: Капитальный и текущий ремонты зданий Раздел: Рефераты по строительству Тип: дипломная работа | |||||||||||||||||||||||||||||||||||||||||||||||||||||||||||||||||||||||||||||||||||||||||||||||||||||||||||||||||||||||||||||||||||||||||||||||||||||||||||||||||||||||||||||||||||||||||||||||||||||||||||||||||||||||||||||||||||||||||||||||||||||||||||||||||||||||||||||||||||||||||||||||||||||||||||||||||||||||||||||||||||||||||||||||||||||||||||||||||||||||||||||||||||||||||||||||||||||||||||||||||||||||||||||||||||||||||||||||||||||||||||||||||||||||||||||||||||||||||||||||||||||||||||||||||||||||||||||||||||||||||||||||||||||||||||||||||||||||||||||||||||||||||||||||||||||||||||||||||||||||||||||||||||||||||||||||||||||||||||||||||||||||||||||||||||||||||||||||||||||||||||||||||||||||||||||||||||||||||||||||||||||||||||||||||||||||||||||||||||||||||||||||||||||||||||||||||||||||||||||||||||||||||||||||||||||||||||||||||||||||||||||||||||||||||||||||||||||||||||||||||||||||||||||||||||||||||||||||||||||||||||||||||||||||||||||||||||||||||||||||||||||||||||||||||||||||||||||||||||||||
Содержание 1. Исходные данные для проектирования 2. Сравнение и выбор варианта конструктивного решения 2.1 Исходные данные 3. Архитектурно-строительная часть 3.2 Объемно-планировочные решения 3.4 Внутренние сети водопровода и канализации 3.5.1 Отопление 3.6 Электроосвещение 3.7 Защита строительных конструкций от коррозии и гниения 3.8 Противопожарные мероприятия 3.9 Теплотехнический расчет наружных ограждающих конструкций 4. Расчетно-конструктивная часть 4.1 Расчет фундаментов существующего здания и пристроенного лестнично-лифтового узла 4.1.1 Проверочный расчет фундамента существующего здания 4.1.2 Расчет монолитного фундамента пристроенного лестнично-лифтового узла 4.2 Расчет металлического ригеля каркаса 4.3 Расчет металлической колонны каркаса 4.4 Антисейсмические мероприятия 5.1 Объем ремонтно-строительных работ 5.2 Разработка технологической карты на монтаж каркасно-обшивных перегородок системы "Кнауф" 5.2.1 Общие сведения 5.2.2 Описание технологии и организации возведения перегородок 5.2.3 Рекомендации по транспортированию и хранению материалов 5.2.4 Основные положения по технике безопасности при монтаже 5.2.5 Составление калькуляции трудовых затрат и расчет состава комплексной бригады 5.2.6 Расчет потребности в материальных ресурсах 6. Сметная стоимость строительства 7. Организация строительного производства 7.1 Описание принятых методов организации строительства 7.1.2 Работы основного периода 7.2 Составление таблицы исходных данных для сетевого графика 7.3 Расчет и оптимизация сетевого графика 7.4 Материально-технические и трудовые ресурсы строительства 7.5 Организация строительной площадки 7.5.1 Расчет численности персонала строительства 7.5.2 Определение состава и площадей временных зданий 7.5.3 Расчет площади складских помещений 7.6 Расчет потребности в воде для нужд строительства и определение диаметра труб временного водопровода 7.8 Расчет потребности в сжатом воздухе 7.9 Технико-экономические показатели проекта 8. Безопасность жизнедеятельности на производстве 8.1 Обеспечение безопасных условий труда при выполнении каменных работ 8.1.1 Организация работ 8.1.2 Организация рабочих мест 8.1.3 Порядок производства работ 9. Защита населения и территории в чрезвычайных ситуациях 9.1 Проведение эвакуационных мероприятий при пожаре 9.1.2 Эвакуационные и аварийные выходы 10. Противопожарные мероприятия 11. Охрана окружающей среды Литература Введение В основных направлениях экономического и социального развития России указывается на необходимость выполнения на всех уровнях хозяйствования системы мероприятий, направленной на более полное использование всех видов ресурсов - труда, энергии, сырья и материалов, оборудования и производственных мощностей, сокращение различных потерь и отходов, ликвидацию непроизводительных расходов. Современные жилые и общественные здания представляют собой сложный комплекс инженерных систем и сооружений. Для их эксплуатации необходимо знать основные закономерности износа, старения и разрушения материала элементов зданий, устройство и работу электро-, газо- и теплотехнических систем, а так же организационные мероприятия, обеспечивающие своевременный ремонт зданий, осмотры, наладочно-регулировочные работы и устранение возникающих неисправностей и отказов. Правильное техническое обслуживание и планово-предупредительные ремонты обеспечивают нормативный срок службы зданий. При организации технической эксплуатации необходимо знать причины, вызывающие как нормальный, так и преждевременный износ и старение материала конструкций и оборудования зданий, а также математические закономерности этих явлений. Особое внимание следует обращать на сроки проведения и качество капитального и текущего ремонтов, так как от них зависит качество технической эксплуатации зданий. 1. Исходные данные для проектированияДипломный проект на тему: "Реконструкция пансионата отдыха в Лазаревском районе г. Сочи" выполнен на основании задания на дипломное проектирование. Район строительства характеризуется следующими условиями: 1 Климатический район - 4Б. 2 Нормативное значение снеговой нагрузки - 50 кгс/см2. 3 Нормативное значение ветрового давления - 48 кгс/см2. 4 Нормативная глубина промерзания - 0,3м. 5 Сейсмичность площадки строительства - 8 баллов. 6 Категория грунтов по сейсмическим свойствам - 2. 7 Коэффициент надежности по назначению здания - γн=0,95 Согласно инженерно-строительным изысканиям, выполненных ЗАО " Сочиагропромпроект " в основании фундаментов залегает залегает зеленовато-серый мергель, слоистый, крепкий, в кровле трещиноватый, Y=21кН/м3, Е=35МПа, Rс=20кг/см2, Rо=4,0кг/см2. Подземные воды на период изысканий не встречены. Возможно на глубинах 0,5-1,0м образование верховодки. капитальный текущий ремонт здание 2. Сравнение и выбор варианта конструктивного решения2.1 Исходные данныеСуществующее здание спального корпуса пятиэтажное кирпичное с поперечными и внутренними продольными несущими стенами. Размеры существующего здания в осях 38,6 и 13,1 м. Высота этажа 2,8 м. Перекрытие надстраиваемого этажа по металлическому каркасу может быть решено в двух вариантах: 1. Монолитное безбалочное перекрытие; 2. Перекрытие из мелкоразмерных ж. б. плит БПРУ по металлическим балкам двутаврового сечения Из предложенный двух вариантов конструктивных решений требуется выбрать экономически более целесообразный вариант. 2.2 Решение задачиОпределяем объемы работ, расходы строительных материалов, трудоемкости и сметные себестоимости конструктивных решений предложенных вариантов. Результаты расчетов сведены в таблицу 2.1 Дальнейшие расчеты выполняем в табличной форме (см. таблицы 2.2-2.6). Таблица 2.6 - Технико-экономические показатели вариантов конструктивных решений
За основу принимается 1-й вариант - монолитное перекрытие, себестоимость, приведенные затраты и трудоемкость которого ниже. Монолитное перекрытие удобней в изготовлении, так как не требует специальных приспособлений для подъема двутавровых балок. 3. Архитектурно-строительная часть3.1 Генеральный план участкаУчасток пансионата отдыха расположен в Лазаревском районе г. Сочи, в устьевой части узкой, с крутыми склонами, долины реки Куапсе (Мамедова щель). Границами территории являются: с юго-запада - берег моря и линия железной дороги, с северо-запада, северо-востока и юго-востока - ул. Победы (автомагистраль Новороссийск-Адлер). Спальный корпус №1 расположен правом берегу р. Куапсе. С юго-запада расположена столовая, ранее реконструируемая, с северо-запада - склон горы, ограниченный подпорной стеной, с востока от участка генеральным планом запроектирована рекреация приемного отделения, с запада - проектируемый лечебный корпус. Вдоль корпуса проходят асфальтированные проезды, которые соединяются, в соответствии с транспортной схемой, обслуживающей правобережную зону дома отдыха, со спальными корпусами №1, №2 и лечебным отделением военного дома отдыха. С двух длинных сторон спального корпуса расположена подпорная стена. Участок озеленен, поэтому реконструкция имела цель не затрагивать ценные зеленые насаждения. В основу объемно-планировочного решения реконструкции и строительства военного дома отдыха "Янтарь" положено зонирование территории, с учетом существующих зданий и сооружений, сложившихся зон и транспортных связей, а также особенностей окружающего ландшафта. Проект вертикальной планировки организует отвод атмосферных вод от здания путем создания уклонов на зеленую зону в пониженные места. В целом существующее решение водоотведения не меняется, только уточняются уклоны и добавляются подпорные стены: стена вдоль подъезда в самой высокой части склона имеет перекрытый железобетонный лоток, другая расположена параллельно первой в зеленой зоне - эта запроектирована для укрепления крутого склона. Вдоль нее также запроектирован водоотводный лоток. Вода, дойдя по этим двум лоткам, попадает в лоток, параллельный лестнице. В дальнейшем вода уходит водоотводным сооружениям. Водоотводные лотки вдоль существующих стен расширяются. Существующие покрытия демонтируются и восстанавливаются в соответствии с заданными размерами и конструкциями. Озеленение дополняется цветниками и газонами в зонах свободных от насаждений по месту. Технико-экономические показатели по генеральному плану, экспликацию зданий и сооружений, ситуационный план и условные обозначение см. лист 6 графической части. 3.2 Объемно-планировочные решенияЗдание пансионата - пятиэтажное, коридорного типа с двустронней ориентацией номеров. Объемно-планировочные решения реконструируемого здания выполнены из разумной достаточности для комфортного отдыха военнослужащих и их семей. Все номера оборудованы санитарными узлами и летними помещениями (лоджиями). К существующему зданию спального корпуса №1 пристраивается семиэтажный лестнично-лифтовой узел. Вновь пристраиваемый объем объединен с надстраиваемой над реконструируемым спальным корпусом мансардой в единый комплекс. На первом этаже спального корпуса №1 предусмотрены буфетная на 20 мест и клубные помещения для отдыхающих, а именно: библиотека, зал на два стола для игры в бильярд, актовый зал на 70 мест, технические помещения. На втором этаже спального корпуса предусмотрены помещения медицинского персонала, детские игровые с комнатой воспитателя, комната сестры-хозяйки, бельевая, кладовая грязного белья, шесть 2-комнатных 3-местных номеров. На третьем этаже предусмотрены шесть 2-комнатных 3-местных номеров и шесть номеров - люкс. На четвертом, пятом и мансардном этаже предусмотрены 2-комнатные 3-местные номера; общее количество - 36. Все спальные номера, обеспеченные уровнем комфорта, соответствующем современным требованиям и санитарным правилам. Изменения планировочной структуры типового этажа достигнуты за счет изменения конфигурации существующих лоджий и исключения санитарных блоков в торцах здания. Надстраиваемая мансарда позволяет не снижать общей вместимости спального корпуса. Устройство шатровой кровли надежнее защищает здание от атмосферных осадков и придает ему выразительный образ, читаемый с автотрассы. Вертикальные связи в проектируемом здании обеспечены двумя лестничными клетками (ремонтируемой и вновь проектируемой) и двумя грузопассажирскими лифтами (на 1000кг и 400кг). Двери лифтов оборудуются противопожарными дверями. В наружной отделке доминирующими элементами являются сочетания цветов алюминиевых витражей по всему фасаду и металлического профилированного настила с полимерным покрытием. Стены красятся фактурными фасадными красками по штукатурке. Цоколь облицовывается плитами базальта. Во внутренней отделке применены современные материалы, соответствующие уровню, проектируемых спальных номеров и помещений общего пользования и позволяющие длительную и надежную эксплуатацию спального корпуса. Применение подвесных потолков технологично в условиях реконструкции: повышен эстетический уровень, достигается удобство в прокладке инженерных коммуникаций. Для защиты от биоразрушения существующие стены, пораженные грибком, перед оштукатуриванием обрабатываются раствором полифлюида по технологии фирмы АLРА. Спальный корпус №1 обеспечен инженерными коммуникациями: электроснабжение, водопровод, канализация, отопление, вентиляция, связь, пожарная сигнализация, телевидение. 3.3 Конструктивные решенияКонструктивные решения определены карточкой основных технических решений, предварительно согласованной заказчиком и генподрядной строительной организации. В соответствии с объемно-планировочным заданием архитектурного сектора, в проекте приняты следующие конструктивные решения: надстраиваемый 6-й этаж решен по каркасной схеме (для уменьшения статических нагрузок на фундаменты); перекрытие по металлическому каркасу 6-го этажа выполняется из монолитного железобетона толщиной 160мм; несущие конструкции стропильной кровли выполнены из горячекатаных швеллеров. Фундаменты существующего здания заглублены в скальную породу (мергель) с пределом прочности 20 кг/см2, поэтому увеличение нагрузок на 10-15% существенно не повлияет на состояние основных несущих элементов здания. Пристроенный 7-этажный лестнично-лифтовой узел, решен в монолитном железобетонном каркасе и монолитными железобетонными перекрытиями, лестницей и шахтой лифта. Стеновые заполнения выполняются из мелкоразмерных пенобетонных блоков Y=900-1000кг/мЗ. Фундаменты пристройки заглублены в коренные породы и мергели, и решены в виде монолитных железобетонных перекрестных лент. Кровля скатная, со стропилами и другими несущими элементами, выполненными из металлопроката. Все конструктивные решения, принятые в проекте соответствуют нормам проектирования и обеспечивают надежную защиту от агрессивного воздействия окружающей среды. 3.4 Внутренние сети водопровода и канализацииВнутренняя сеть холодного водоснабжения принята объединенной хозяйственно-питьвой-противопожарной. Горячее водоснабжение принято от котельной. Сети холодного и горячего водоснабжения монтируются из стальных легких оцинкованных труб диаметром от 15 до 50 мм по ГОСТ 3262-75*. Трубы покрываются масляной краской. Магистральные сети и стояки сетей горячего и циркуляционного трубопроводов изолируются тепловой изоляцией. Для учета расхода воды в здании спального корпуса предусматривается водопроводный узел с обводной линией и установкой водомера маркиВСКМ-32. В здании спального корпуса проектируется бытовая канализация для отвода стоков от санитарных приборов и душевых. Сети канализации прокладываются под полом и монтируются из канализационных труб диаметром 50 и 100 мм по ГОСТ 6942-890. 3.5 Отопление и вентиляция3.5.1 ОтоплениеСистема отопления здания запроектирована однотрубная с нижней разводкой магистральных трубопроводов под полом 1-го этажа и П-образными стояками. Нагревательные приборы - чугунные радиаторы МС-140-108. Воздух из систем отопления удаляются через краны Маевского, установленными в верхних приборах. Температура регулируется кранами двойной регулировки КДРП-20. Теплоноситель в системе отопления - вода с параметрами 95-70˚С 3.5.2 ВентиляцияВентиляция помещений Вытяжка предусмотрена через кирпичные каналы в стенах через воздуховоды в реконструируемой части спального корпуса. Воздуховоды выполняются из стали тонколистовой оцинкованной толщиной 0,5 мм по ГОСТ 19904-90. Приток воздуха - неорганизованный через окна и двери. В комнатах чистки и глажения одежды вытяжка запроектирована вентилятором ВК-8УХЛЧ типа "Самал", установленном в окне. принята приточно-вытяжная, естественная. 3.6 ЭлектроосвещениеПредусматривается три вида освещения - рабочее, аварийное и эвакуационное на напряжение 220В переменного тока. Учет потребляемой электроэнергии осуществляется трехфазными счетчиками, установленными на вводно-распределительном устройстве. Величины освещенности в помещениях приняты в соответствии со СниП 23.05 - 95 "Естественное и искусственное освещение". Питание сети рабочего и дежурного освещения предусматривается от вводно-распределительного щита. Питающие сети электроосвещения выполняются проводом марки АПВ в полиэтиленовых трубах. Групповая сеть рабочего и дежурного освещения выполняется проводом ПУНП в каналах, швах, пустотах перекрытий и по стенам под штукатуркой. Управление рабочим освещением производится выключателями, установленными по месту. Управление аварийным освещением - со щитка аварийного освещения. Все металлические нетоковедущие части электрооборудования, осветительной арматуры и технологического оборудования присоединить к нулевому защитному проводнику. 3.7 Защита строительных конструкций от коррозии и гниенияУчитывая агрессивные воздействия внешней среды запроектированы мероприятия обеспечивающие защиту конструкций от коррозии и гниения. Защиту от коррозии поверхностей стальных, алюминиевых и деревянных конструкций производить лакокрасочными покрытиями в соответствии со СниП2.03.11-85 "Защита строительных конструкций от коррозии" таблица 20, 21 приложения 8, 9, 11 и таблица 29, 30 приложения 24, 15. Защиту стальных закладных деталей в железобетонных конструкциях и соединительных элементов производить путем обетонирования этих деталей. Для обетонирования принять бетон той же плотности, что и бетон конструкций. Закладные детали, которые невозможно обетонировать, защитить цинковым покрытием. Защиту поверхностей бетонных и железобетонных конструкций предусматривать в зависимости от степени агрессивности в соответствии с таблицей 13 СниП2.03.11-85. 3.8 Противопожарные мероприятияПротивопожарная защита здания принята на основании СниП 2.01.02-85, СниП 2.09.02-85, СНиП 2.09.03-85. Проезды для пожарных машин к зданию предусмотрены с двух продольных сторон. Эвакуация людей из здания предусмотрена через две лестничные клетки. Помещения спального корпуса оборудованы автоматической пожарной сигнализацией. 3.9 Теплотехнический расчет наружных ограждающих конструкцийДанный расчет предназначен для обеспечения основного требования - рационального использования энергетических ресурсов путем выбора соответствующего уровня теплозащиты здания с учетом эффективности систем теплоснабжения и обеспечения микроклимата, рассматривая здание и системы его обеспечения как единое целое. Выбор теплозащитных свойств здания следует осуществлять по одному из двух альтернативных подходов: потребительскому, когда теплозащитные свойства определяются по нормативному (требуемому) значению удельного энергопотребления здания в целом или отдельных замкнутых объемов; предписывающему, когда нормативные требования предъявляются к отдельным элементам теплозащиты здания. Для расчета применяем предписывающий подход (поэлементные требования к ограждающим конструкциям). Для теплотехнического расчета определяем требуемые климатические параметры, объемно-планировочные параметры здания, теплотехнические и теплоэнергетические показатели здания. Расчетные условия 1. Расчетная температура внутреннего воздуха tint = 20 ºС. 2. Расчетная температура наружного воздуха text = - 3 ºС. (температура наиболее холодной пятидневки) 3. Продолжительность отопительного периода Zht = 72 cут. 4. Средняя температура наружного воздуха за отопительный период textav = 6,4 ºС. 5. Градусосутки отопительного периода Dd = 979 ºCcут. Конструктивное решение - каркасное, с блочными наружными стенами. Объемно-планировочные параметры здания Определяем общую площадь Ae sum наружных ограждающих конструкций здания (в том числе стен, окон, входных дверей, покрытия, перекрытия 1-го этажа (пола по грунту)): общая площадь наружных стен (с учетом оконных и дверных проемов) определяются как произведение периметра наружных стен по внутренней поверхности на высоту здания, измеряемую от поверхности пола первого этажа до поверхности потолка последнего этажа; суммарная площадь окон АF определяется по размерам проемов в свету; площадь непрозрачной части наружных стен Aw определяется как разность общей площади наружных стен и площади окон; площадь горизонтальных наружных ограждений (покрытия Ac чердачного и цокольного перекрытия Af ) определяется как площадь этажа здания в пределах внутренней поверхности стен. Общая площадь наружных стен, включая окна и двери, равна (периметр по внутреннему обмеру, умноженному на высоту): Аw+F+ed = Pst * Hh = (40,4+58,64+112,4) х2,8+ (10,1+16,1+14,66) х2,56=696,63м², Площадь наружных стен (за минусом площади окон и входных дверей): Aw = 696,63-173,25-9,45=513,93 м², где 173,25 м² - площадь окон; 9,45 м² - площадь входных двереи в здание. Площадь покрытия и площадь пола равны: Ac = Aг = 177,26м², Площадь наружных ограждающих конструкций: Ae sum = Aw +F+ed + Ac + Ar = 696,63+177,26+177,26=1051,15 м², Отапливаемая площадь здания Ah . Отапливаемую площадь следует определять как площадь этажей, измеряемую в пределах внутренних поверхностей наружных стен, включая площадь занимаемую перегородками и внутренними стенами. Площадь лестничных клеток и лифтовых шахт, включается в площадь этажа. В отапливаемую площадь не включать площадь технических этажей, неотапливаемого подполья, а также чердака. Площадь отапливаемых помещений (общая площадь) Ah : Ah = 770,13 м²; Полезная площадь (общественного здания) Al: Al = 705,13 м²; Отапливаемый объем Vh здания определяется как произведение площади этажа на внутреннюю высоту, измеряемую от пола первого этажа до поверхности потолка последнего этажа. Для определения объема воздуха, заполняющего здание, отапливаемый объем умножается на коэффициент 0,85. Отапливаемый объем здания: Vh = Ast х Hh = 202,5х2,8+178,265х2,8+154,03х2,8+129,785х2,8+105,545х2,56 =2131 м³. Коэффициент остекленности здания: Р = AF / Аw+F+ed = 173,25/696,63=0,249 где: AF - площадь окон, Аw+F+ed - площадь стен, включающая площадь стен, площадь окон, балконов, входные двери в здание. Показатель компактности здания: Ke des = Ae sum / Vh = 1051,15/2131 = 0,49 где: Ae sum - общая площадь наружных ограждающих конструкций, включающая площадь стен, площадь пола первого этажа, площадь совмещенного покрытия; Vh - отапливаемый объем здания. Энергетические показатели . Согласно СНиП II-3-79* приведенное сопротивление теплопередаче наружных ограждений R0 r , м²°С /Вт, должно приниматься не ниже требуемых значений R0 req , которые устанавливаются по табл.1б СНиП II-3-79* в зависимости от градусосуток отопительного периода. Для Dd = 979°С cут требуемое сопротивление теплопередаче равно для: стен Rw req = 1,87 (м²°С) /Вт, окон и балконных дверей Rf req = 0,334 (м²°С) /Вт, входных дверей Red req = 1,2 (м²°С) /Вт, совмещенное покрытие Rc req = 2,67 (м²°С) /Вт, пол первого этажа Rf = 2,24 (м²°С) /Вт. Определимся конструкциями и рассчитаем толщины утеплителей наружных ограждений по принятым сопротивлениям теплопередачи. Схема конструкции стены приведена на рис.1.
Рисунок 1 - Схема наружной стены Характеристики материалов: 1. Штукатурка - известково-песчаный раствор: плотность γ = 1600 кг/м³, коэффициент теплопроводности λ = 0,7 Вт/ (м°С). 2. Пенобетоные блоки плотность γ = 900 кг/м³, коэффициент теплопроводности λ= 0,7 Вт/ (м°С). 3. Утеплитель - пенополистирол: плотность γ = 40 кг/м³, коэффициент теплопроводности λ = 0,041 Вт/ (м С º). По табл.1б СНиП II-379* для градусосуток Dd = 979°С cут. имеем R0 треб = 1,87 (м²°С) /Вт, откуда получаем: R0 = Rв + R1 + R2 + R3 + Rн > R0 треб ; 1/8,7+0,02/0,70+0, 20/0,70+0,08/0,041+1/23=2,43, Для обеспечения требуемого по градусосуткам сопротивления теплопередаче совмещенного покрытия R0 треб =2,67 м²°С /Вт определим толщину утеплителя в многослойной конструкции покрытия, термическое сопротивление пароизоляции и рулонного ковра отнесены в запас. Схема покрытия приведена на рис.2.
Рисунок 2 - Схема совмещенного покрытия. Условия эксплуатации А 1. Железобетонная монолитная плита: плотность γ = 2500 кг/м³, коэффициент теплопроводности λ= 1,92 Вт/ (м ºС). 2.2 слоя изола: плотность γ=1400 кг/м3; теплопроводность λ=0,27 Вт / м°С. 3. Утеплитель - пенополистирол плотность γ = 40 кг/м³, коэффициент теплопроводности λ = 0,041 Вт/ (м°С). R0 = Rв + R1 + R2 + R3 + Rн. 1/8,7+0,16/1,92+0,005/0,27+0,1/0,041+1/23=2,70 Для обеспечения требуемого по градусосуткам сопротивления теплопередаче R0 треб = 2,24 (м²°С) /Вт перекрытия над неотапливаемым техническим подпольем без световых проемов в стенах выше уровня земли, определимся конструкцией перекрытия и рассчитаем толщину утеплителя. Условия эксплуатации А 1. Паркет - хвоя: плотность γ=500 кг/м3; теплопроводность λ=0,18 Вт / м°С. 2. Цементно-песчаный раствор: плотность γ = 1800 кг/м³, коэффициент теплопроводности λ = 0,76 Вт/ (м ºС). 3. Утеплитель - пенополистирол: плотность γ = 40 кг/м³, коэффициент теплопроводности λ= 0,041 Вт/ (м ºС). 4. Железобетонная плита: плотность γ = 2500 кг/м³, коэффициент теплопроводности λ = 1,92 Вт/ (м ºС). R0 = Rв + R1 + R2 + R3 + R4 + Rн. 1/8,7+0,02/0,18+0,03/0,76+0,09/0,041+0,16/1,92+1/23=2,59 Приведенный трансмиссионный коэффициент теплопередачи здания: Km tr =β (Aw / Rw r + AF / RF r + Aed / Red r + nхAc / Rc r + nхAf / Rf r ) / Ae sum , (Вт/ (м² ºС)). где: β - коэффициент, учитывающий дополнительные теплопотери, связанные с поступлением холодного воздуха черз входы в здание: для жилых зданий β =1,13; для прочих зданий β =1,1. Aw , AF , Aed , Ac , Af - площадь соответственно стен, заполнений светопроемов (окон, фонарей), наружных дверей и ворот, покрытий (чердачных перекрытий), цокольных перекрытий; Rw r , RF r , Red r , Rc r , Rf r - приведенное сопротивление теплопередаче соответственно стен, заполнений светопроемов, наружных дверей и ворот, покрытий (чердачных перекрытий, цокольных перекрытий, (м² ºС) /Вт, полов по грунту, исходя из разделения их на зоны); n - коэффициент, принимаемый в зависимости от положения наружной поверхности ограждающей конструкции по отношению к наружному воздуху (табл.3* СНиП II-3-79*); Ae sum - общая площадь наружных ограждающих конструкций, включая покрытие (перекрытие) верхнего этажа и перекрытие пола нижнего отапливаемого помещения, м². Km tr = [1,13х (453513.93/2.43+173.25/0.4+9.45/1.2+1х177,26/2,7+0,6х177,26/2,59)] /1051,15=0,80 (Вт/ (м² ºС)). Воздухопроницаемость наружных ограждений принимается по табл.12* СНиП II-3-79*. Согласно этой таблице воздухопроницаемость стен, покрытия, перекрытия 1-го этажа Gmw = Gmc = Gmf = 0,5 кг/ (м²хч), окон в пластмассовых переплетах и балконных дверей GmF = 5 кг/ (м²хч). Требуемая краткость воздухообмена жилого здания na , 1/ч, согласно СниП 2.08.01, устанавливается из расчета 3м³/ч удаляемого воздуха на 1м² полезной площади; определяется по формуле: na = 3*Al / (βv *Vh ), (1/ч). где: Al - полезная площадь, м²; βv - коэффициент, учитывающий долю внутренних ограждающих конструкций в отапливаемом объеме здания, принимаемый равным 0,85; Vh - отапливаемый объем здания, м³. na = 3х705,13/ (0,85х2131) =1,16 (1/ч). Приведенный инфильтрационный (условный) коэффициент теплопередачи здания определяется по формуле: Km inf = 0,28*c*na *βv *Vh * γa ht *k/ Ae sum, (Вт/ (м² ºС)). где: с - удельная теплоемкость воздуха, равная 1 кДж/ (кг ºС); na - средняя кратность воздухообмена здания за отопительный период (для жилых зданий 3м³/ч, для других зданий согласно СНиП 2.08.01 и СниП 2.08.02); βv - коэффициент снижения объема воздуха в здании, учитывающий наличие внутренних ограждающих конструкций, при отсутствии данных принять 0,85; Vh - отапливаемый объем здания; γa ht =353/ (273+ text av) =353/ (273+6.4) =1,263 где: text av - средняя температура наружного воздухаза отопительный период (таблица 3.1 СНКК 23-302-2000 или СНиП 2.01.01.82 - Строительная климатология и геофизика); k - коэффициент учета влияния встречного теплового потока в конструкциях, равный 0,8 - для окон и балконных дверей с двумя раздельными переплетами; Ae sum - общая площадь наружных ограждающих конструкций. Km inf = 0,28*1*1,16*0,85*2131*1,263*0,8/1051,15=0,566 (Вт/ (м² ºС)). Общий коэффициент теплопередачи здания, Вт/ (м² ºС), определяемый по формуле: Km = Km tr + Km inf , (Вт/ (м² ºС)). где: Km tr - приведенный трансмиссионный коэффициент теплопередачи; Km inf - приведенный инфильтрационный коэффициент теплопередачи здания. Km = 0,80+0, 566=1,366 (Вт/ (м² ºС)). Теплоэнергетические показатели Общие теплопотери через ограждающую оболочку здания за отопительный период, МДж: Qh = 0.0864хKm хDd х Ae sum , (МДж) где: Km - общий коэффициент теплопередачи; Dd - количество градусосуток отопительного периода определяется по таблице 3.3 (СНКК 23-302-2000) или по формуле 1а СНиП II-3-79*; Ae sum - общая площадь наружных ограждающих конструкций. Qh = 0,0864х1,366х979х1051,15=121454 (МДж) Удельные бытовые тепловыделения qint , Вт/м², следует устанавливать исходя из расчетного удельного электро - и газопотребления здания, но не менее 10 Вт/м². Принимаем 10 Вт/м². Бытовые теплопоступления в здание за отопительный период, МДж: Qint = 0,0864хqint хZht хAL где: qint - величина бытовых тепловыделений на 1м² полезной площади (площади жилых помещений), но не менее 10Вт/м²; Zht - средняя продолжительность отопительного периода, принимаемая по таблице 3.3 (СНКК 23-302-2000) или СНиП 2.01.01.82 - Строительная климатология и геофизика; AL - для общественных зданий - полезная площадь здания, м². Qint = 0,0864х10х72х705,13=43865 (МДж). Теплопоступления в здание от солнечной радиации за отопительный период, МДж: Qs = τF х kF * (AF1 I1 + AF2 I2 +AF3 I3 + AF4 I4 ) + τscy хkscy хAscy хIhor, (МДж). где: τF , τscy - коэффициенты, учитывающие затенение светового проема, соответственно окон и зенитных фонарей непрозрачными элементами заполнения, принимаемые по проектным данным, а при их отсутствии по таблице 3.8 (СНКК 23-302-2000); kF , kscy - коэффициенты относительного проникания солнечной радиации, соответственно для светопропускающих заполнителей окон и зенитных фонарей, принимаемые по паспортным данным, при отсутствии данных следует принимать по таблице 3.8 (СНКК 23-302-2000); AF1 , AF2 , AF3 , AF4 - площадь светопроемов фасадов здания, соответственно ориентированных по четырем направлениям, м²; Ascy - площадь светопроемов зенитных фонарей, м²; I1 , I2 , I3 , I4 - средняя за отопительный период величина солнечной радиации на вертикальные поверхности, соответственно ориентированные по четырем фасадам здания, МДж/м², принимается по таблице 3.4 (СНКК 23-302-2000) или по СНиП 2.01.01.82. Qs = 0,75х0,8х (42,75х220+87,75х220+42,75х546) =31230,9 (МДж). Потребность в тепловой энергии на отопление здания за отопительный период, МДж, определяют по формуле: Qh y = [Qh - ( Qint + Qs ) *Y] *βh , (МДж). где: Qh - общие теплопотери здания через наружные ограждающие конструкции; Qint - бытовые теплопоступления в течение отопительного периода; Qs - теплопоступления через окна от солнечной радиации в течение отопительного периода; Y - коэффициент, учитывающий способность ограждающих конструкций помещений зданий аккумулировать и отдавать тепло, рекомендуемое значение 0,8; βh - коэффициент, учитывающий дополнительное теплопотребление системы отопления (дополнительные потери через зарадиаторные участки ограждений, теплопотери трубопроводов, проходящих через неотапливаемые помещения). Для протяженных зданий βh =1,13, для зданий башенного типа βh =1,11. Qh y = [121454- (43865+31230,9) *0,8] *1,11=68128,8 (МДж). Удельный расход тепловой энергии на отопление здания qh des , кДж/ (м² ºС сут): qh des = 1000* Qh y /Ah *Dd, кДж/ (м² ºС сут) где: Qh y - потребность в тепловой энергии на отопление здания за отопительный период, МДж; Ah - отапливаемая площадь здания, м²; Dd - количество градусосуток отопительного периода. qh des = 1000*68128,8 / (770,13 *979) =90,36 кДж/ (м² ºС сут). что меньше на 4,88% требуемого (95 кДж/ (м² ºС сут)). Следовательно, запроектированное здание соответствует требованиям настоящих норм СНКК 23-302-2000. 4. Расчетно-конструктивная часть4.1 Расчет фундаментов существующего здания и пристроенного лестнично-лифтового узла4.1.1 Проверочный расчет фундамента существующего зданияСбор нагрузок на фундамент приведен в таблице 4.1. Таблица 4.1 - Сбор нагрузок на фундамент
С учетом коэффициента надежности по назначению здания γn = 0,95, нагрузка на 1 м 2 фундамента составит q=132,47∙103 ∙0,95 = 125,85 кПа Грузовую площадь фундамента Агр =6м2 . Вертикальная нагрузка на фундамент от стен и перекрытия равна N= q∙Агр., где q - нагрузка на 1 м2 фундамента, q=125,85 кПа, Агр. - грузовая площадь, Агр. = 6 м2 . N= 125,85∙6= 855,1 кН Размер стороны подошвы фундамента определим по формуле: А = ΣNII / (R0 - γф d) = 851,1/ (1000-20∙1,7) =0,88м где ΣNII - . - сумма нагрузок на фундамент Ro =1000 кПа - расчётное сопротивление грунта основания; gm =20 кН/м3 - усреднённый объёмный вес материала фундамента и грунта на его ступенях; d-глубина заложения фундамента Полученное значение ширины подошвы меньше ширины существующей подошвы (1 м), поэтому усиление фундамента не требуется 4.1.2 Расчет монолитного фундамента пристроенного лестнично-лифтового узлаРасчет фундамента выполнен на программе "STARKESВерсия 2.2".
Max Ms=675.111 kNm (Elem N 4199), Min Ms=-325.352 kNm (Elem N 4199)
Max Qt=648.087 kN (Elem N 4199), Min Qt=-631.985 kN (Elem N 4199)
Расчет железобетонных сечений по СНиП 2.03.01-84 Проект yant23 Элемент N 4198 (ригель) Тип сечения - прямоугольник ширина b = 195 см высота h = 60 см Расстояние от верхней арматуры до верхней грани сечения hв = 4 см Расстояние от нижней арматуры до нижней грани сечения hн = 8 см Расстояние от арматуры до боковой грани сечения hб = 5.5 см Схема армирования - 1 Вид бетона - тяжелый Класс бетона B15 Коэффициент условий работы бетона Gb2 = 0.9 Коэффициент условий работы бетона Mkrb = 1 Арматура класса A III Коэффициент условий работы стали Gs2 = 1 Коэффициент условий работы стали Mkrs = 1 Признак подбора арматуры 4 (0, 3 - выбирается максимальное значение; 1, 2, 4 - оптимизация для всех РСУ) Тип унификации 0 Сечение N 1 Расчетные сочетания усилий
п - полные д - длительные * - с учетом сейсмических воздействий Теоретическая площадь арматуры
Теоретическая поперечная арматура Интенсивность поперечной арматуры Asw = 27.59 cм2/м Дополнительная арматура от учета кручения
Площадь арматуры с учетом кручения
Поперечная арматура с учетом кручения 27.6 см2/м Поперечная арматура у грани сечения 0.0 см2/м Примечание. Расчет на кручение проводится без учета продольной силы Сечение N 2 Расчетные сочетания усилий
п - полные д - длительные * - с учетом сейсмических воздействий Теоретическая площадь арматуры
Теоретическая поперечная арматура Интенсивность поперечной арматуры Asw = 0.00 cм2/м Дополнительная арматура от учета кручения
Площадь арматуры с учетом кручения
Поперечная арматура с учетом кручения 0.0 см2/м Поперечная арматура у грани сечения 0.0 см2/м Примечание. Расчет на кручение проводится без учета продольной силы Сечение N 3 Расчетные сочетания усилий
п - полные д - длительные * - с учетом сейсмических воздействий Теоретическая площадь арматуры
Теоретическая поперечная арматура Интенсивность поперечной арматуры Asw = 27.59 cм2/м Дополнительная арматура от учета кручения
Площадь арматуры с учетом кручения
Поперечная арматура с учетом кручения 27.6 см2/м Поперечная арматура у грани сечения 0.0 см2/м Примечание. Расчет на кручение проводится без учета продольной силы Элемент N 4199 (ригель) Тип сечения - прямоугольник ширина b = 195 см высота h = 60 см Расстояние от верхней арматуры до верхней грани сечения hв = 4 см Расстояние от нижней арматуры до нижней грани сечения hн = 8 см Расстояние от арматуры до боковой грани сечения hб = 5.5 см Схема армирования - 1 Вид бетона - тяжелый Класс бетона B15 Коэффициент условий работы бетона Gb2 = 0.9 Коэффициент условий работы бетона Mkrb = 1 Арматура класса A III Коэффициент условий работы стали Gs2 = 1 Коэффициент условий работы стали Mkrs = 1 Признак подбора арматуры 4 (0, 3 - выбирается максимальное значение; 1, 2, 4 - оптимизация для всех РСУ) Тип унификации 0 Сечение N 1 Расчетные сочетания усилий
п - полные д - длительные · с учетом сейсмических воздейств Теоретическая площадь арматуры
Теоретическая поперечная арматура Интенсивность поперечной арматуры Asw = 57.13 cм2/м Дополнительная арматура от учета кручения
Площадь арматуры с учетом кручения
Поперечная арматура с учетом кручения 57.1 см2/м Поперечная арматура у грани сечения 0.0 см2/м Примечание. Расчет на кручение проводится без учета продольной силы Сечение N 2 Расчетные сочетания усилий
п - полные д - длительные * - с учетом сейсмических воздействий Теоретическая площадь арматуры
Теоретическая поперечная арматура Интенсивность поперечной арматуры Asw = 0.00 cм2/м Дополнительная арматура от учета кручения
Площадь арматуры с учетом кручения
Поперечная арматура с учетом кручения 0.0 см2/м Поперечная арматура у грани сечения 0.0 см2/м Примечание. Расчет на кручение проводится без учета продольной силы Сечение N 3 Расчетные сочетания усилий
п - полные д - длительные * - с учетом сейсмических воздействий Теоретическая площадь арматуры
Теоретическая поперечная арматура Интенсивность поперечной арматуры Asw = 58.84 cм2/м Дополнительная арматура от учета кручения
Площадь арматуры с учетом кручения
Поперечная арматура с учетом кручения 58.8 см2/м Поперечная арматура у грани сечения 0.0 см2/м Примечание. Расчет на кручение проводится без учета продольной силы Элемент N 4200 (ригель) Тип сечения - прямоугольник ширина b = 195 см высота h = 60 см Расстояние от верхней арматуры до верхней грани сечения hв = 4 см Расстояние от нижней арматуры до нижней грани сечения hн = 8 см Расстояние от арматуры до боковой грани сечения hб = 5.5 см Схема армирования - 1 Вид бетона - тяжелый Класс бетона B15 Коэффициент условий работы бетона Gb2 = 0.9 Коэффициент условий работы бетона Mkrb = 1 Арматура класса A III Коэффициент условий работы стали Gs2 = 1 Коэффициент условий работы стали Mkrs = 1 Признак подбора арматуры 4 (0, 3 - выбирается максимальное значение; 1, 2, 4 - оптимизация для всех РСУ) Тип унификации 0 Сечение N 1 Расчетные сочетания усилий
п - полные д - длительные * - с учетом сейсмических воздействий Теоретическая площадь арматуры
Теоретическая поперечная арматура Интенсивность поперечной арматуры Asw = 57.13 cм2/м Дополнительная арматура от учета кручения
Площадь арматуры с учетом кручения
Поперечная арматура с учетом кручения 57.1 см2/м Поперечная арматура у грани сечения 0.0 см2/м Примечание. Расчет на кручение проводится без учета продольной силы Сечение N 2 Расчетные сочетания усилий
п - полные д - длительные * - с учетом сейсмических воздействий Теоретическая площадь арматуры
Теоретическая поперечная арматура Интенсивность поперечной арматуры Asw = 0.00 cм2/м Дополнительная арматура от учета кручения
Площадь арматуры с учетом кручения
Поперечная арматура с учетом кручения 0.0 см2/м Поперечная арматура у грани сечения 0.0 см2/м Примечание. Расчет на кручение проводится без учета продольной силы Сечение N 3 Расчетные сочетания усилий
п - полные д - длительные * - с учетом сейсмических воздействий Теоретическая площадь арматуры
Теоретическая поперечная арматура Интенсивность поперечной арматуры Asw = 58.84 cм2/м Дополнительная арматура от учета кручения
Площадь арматуры с учетом кручения
Поперечная арматура с учетом кручения 58.8 см2/м Поперечная арматура у грани сечения 0.0 см2/м Примечание. Расчет на кручение проводится без учета продольной силы Элемент N 4201 (ригель) Тип сечения - прямоугольник ширина b = 195 см высота h = 60 см Расстояние от верхней арматуры до верхней грани сечения hв = 4 см Расстояние от нижней арматуры до нижней грани сечения hн = 8 см Расстояние от арматуры до боковой грани сечения hб = 5.5 см Схема армирования - 1 Вид бетона - тяжелый Класс бетона B15 Коэффициент условий работы бетона Gb2 = 0.9 Коэффициент условий работы бетона Mkrb = 1 Арматура класса A III Коэффициент условий работы стали Gs2 = 1 Коэффициент условий работы стали Mkrs = 1 Признак подбора арматуры 4 (0, 3 - выбирается максимальное значение; 1, 2, 4 - оптимизация для всех РСУ) Тип унификации 0 Сечение N 1 Расчетные сочетания усилий
п - полные д - длительные * - с учетом сейсмических воздействий Теоретическая площадь арматуры
Теоретическая поперечная арматура Интенсивность поперечной арматуры Asw = 27.59 cм2/м Дополнительная арматура от учета кручения
Площадь арматуры с учетом кручения
Поперечная арматура с учетом кручения 27.6 см2/м Поперечная арматура у грани сечения 0.0 см2/м Примечание. Расчет на кручение проводится без учета продольной силы Сечение N 2 Расчетные сочетания усилий
п - полные д - длительные * - с учетом сейсмических воздействий Теоретическая площадь арматуры
Теоретическая поперечная арматура Интенсивность поперечной арматуры Asw = 0.00 cм2/м Дополнительная арматура от учета кручения
Площадь арматуры с учетом кручения
Поперечная арматура с учетом кручения 0.0 см2/м Поперечная арматура у грани сечения 0.0 см2/м Примечание. Расчет на кручение проводится без учета продольной силы Сечение N 3 Расчетные сочетания усилий
п - полные д - длительные * - с учетом сейсмических воздействий Теоретическая площадь арматуры
Теоретическая поперечная арматура Интенсивность поперечной арматуры Asw = 27.59 cм2/м Дополнительная арматура от учета кручения
Площадь арматуры с учетом кручения
Поперечная арматура с учетом кручения 27.6 см2/м Поперечная арматура у грани сечения 0.0 см2/м Примечание. Расчет на кручение проводится без учета продольной силы Элемент N 4202 (ригель) Тип сечения - прямоугольник ширина b = 195 см высота h = 60 см Расстояние от верхней арматуры до верхней грани сечения hв = 4 см Расстояние от нижней арматуры до нижней грани сечения hн = 8 см Расстояние от арматуры до боковой грани сечения hб = 5.5 см Схема армирования - 1 Вид бетона - тяжелый Класс бетона B15 Коэффициент условий работы бетона Gb2 = 0.9 Коэффициент условий работы бетона Mkrb = 1 Арматура класса A III Коэффициент условий работы стали Gs2 = 1 Коэффициент условий работы стали Mkrs = 1 Признак подбора арматуры 4 (0, 3 - выбирается максимальное значение; 1, 2, 4 - оптимизация для всех РСУ) Тип унификации 0 Сечение N 1 Расчетные сочетания усилий
п - полные д - длительные * - с учетом сейсмических воздействий Теоретическая площадь арматуры
Теоретическая поперечная арматура Интенсивность поперечной арматуры Asw = 27.59 cм2/м Дополнительная арматура от учета кручения
Площадь арматуры с учетом кручения
Поперечная арматура с учетом кручения 27.6 см2/м Поперечная арматура у грани сечения 0.0 см2/м Примечание. Расчет на кручение проводится без учета продольной силы Сечение N 2 Расчетные сочетания усилий
п - полные д - длительные * - с учетом сейсмических воздействий Теоретическая площадь арматуры
Теоретическая поперечная арматура Интенсивность поперечной арматуры Asw = 0.00 cм2/м Дополнительная арматура от учета кручения
Площадь арматуры с учетом кручения
Поперечная арматура с учетом кручения 0.0 см2/м Поперечная арматура у грани сечения 0.0 см2/м Примечание. Расчет на кручение проводится без учета продольной силы Сечение N 3 Расчетные сочетания усилий
п - полные д - длительные * - с учетом сейсмических воздействий Теоретическая площадь арматуры
Теоретическая поперечная арматура Интенсивность поперечной арматуры Asw = 27.59 cм2/м Дополнительная арматура от учета кручения
Площадь арматуры с учетом кручения
Поперечная арматура с учетом кручения 27.6 см2/м Поперечная арматура у грани сечения 0.0 см2/м Примечание. Расчет на кручение проводится без учета продольной силы Элемент N 4203 (ригель) Тип сечения - прямоугольник ширина b = 195 см высота h = 60 см Расстояние от верхней арматуры до верхней грани сечения hв = 4 см Расстояние от нижней арматуры до нижней грани сечения hн = 8 см Расстояние от арматуры до боковой грани сечения hб = 5.5 см Схема армирования - 1 Вид бетона - тяжелый Класс бетона B15 Коэффициент условий работы бетона Gb2 = 0.9 Коэффициент условий работы бетона Mkrb = 1 Арматура класса A III Коэффициент условий работы стали Gs2 = 1 Коэффициент условий работы стали Mkrs = 1 Признак подбора арматуры 4 (0, 3 - выбирается максимальное значение; 1, 2, 4 - оптимизация для всех РСУ) Тип унификации 0 Сечение N 1 Расчетные сочетания усилий
п - полные д - длительные * - с учетом сейсмических воздействий Теоретическая площадь арматуры
Теоретическая поперечная арматура Интенсивность поперечной арматуры Asw = 27.59 cм2/м Дополнительная арматура от учета кручения
Площадь арматуры с учетом кручения
Поперечная арматура с учетом кручения 27.6 см2/м Поперечная арматура у грани сечения 0.0 см2/м Примечание. Расчет на кручение проводится без учета продольной силы Сечение N 2 Расчетные сочетания усилий
п - полные д - длительные * - с учетом сейсмических воздействий Теоретическая площадь арматуры
Теоретическая поперечная арматура Интенсивность поперечной арматуры Asw = 0.00 cм2/м Дополнительная арматура от учета кручения
Площадь арматуры с учетом кручения
Поперечная арматура с учетом кручения 0.0 см2/м Поперечная арматура у грани сечения 0.0 см2/м Примечание. Расчет на кручение проводится без учета продольной силы Сечение N 3 Расчетные сочетания усилий
п - полные д - длительные * - с учетом сейсмических воздействий Теоретическая площадь арматуры
Теоретическая поперечная арматура Интенсивность поперечной арматуры Asw = 27.59 cм2/м Дополнительная арматура от учета кручения
Площадь арматуры с учетом кручения
Поперечная арматура с учетом кручения 27.6 см2/м Поперечная арматура у грани сечения 0.0 см2/м Примечание. Расчет на кручение проводится без учета продольной силы Элемент N 4204 (ригель) Тип сечения - прямоугольник ширина b = 195 см высота h = 60 см Расстояние от верхней арматуры до верхней грани сечения hв = 4 см Расстояние от нижней арматуры до нижней грани сечения hн = 8 см Расстояние от арматуры до боковой грани сечения hб = 5.5 см Схема армирования - 1 Вид бетона - тяжелый Класс бетона B15 Коэффициент условий работы бетона Gb2 = 0.9 Коэффициент условий работы бетона Mkrb = 1 Арматура класса A III Коэффициент условий работы стали Gs2 = 1 Коэффициент условий работы стали Mkrs = 1 Признак подбора арматуры 4 (0, 3 - выбирается максимальное значение; 1, 2, 4 - оптимизация для всех РСУ) Тип унификации 0 Сечение N 1 Расчетные сочетания усилий
п - полные д - длительные * - с учетом сейсмических воздействий Теоретическая площадь арматуры
Теоретическая поперечная арматура Интенсивность поперечной арматуры Asw = 27.59 cм2/м Дополнительная арматура от учета кручения
Площадь арматуры с учетом кручения
Поперечная арматура с учетом кручения 27.6 см2/м Поперечная арматура у грани сечения 0.0 см2/м Примечание. Расчет на кручение проводится без учета продольной силы Сечение N 2 Расчетные сочетания усилий
п - полные д - длительные * - с учетом сейсмических воздействий Теоретическая площадь арматуры
Теоретическая поперечная арматура Интенсивность поперечной арматуры Asw = 0.00 cм2/м Дополнительная арматура от учета кручения
Площадь арматуры с учетом кручения
Поперечная арматура с учетом кручения 0.0 см2/м Поперечная арматура у грани сечения 0.0 см2/м Примечание. Расчет на кручение проводится без учета продольной силы Сечение N 3 Расчетные сочетания усилий
п - полные д - длительные * - с учетом сейсмических воздействий Теоретическая площадь арматуры
Теоретическая поперечная арматура Интенсивность поперечной арматуры Asw = 27.59 cм2/м Дополнительная арматура от учета кручения
Площадь арматуры с учетом кручения
Поперечная арматура с учетом кручения 27.6 см2/м Поперечная арматура у грани сечения 0.0 см2/м Примечание. Расчет на кручение проводится без учета продольной силы Элемент N 4205 (ригель) Тип сечения - прямоугольник ширина b = 195 см высота h = 60 см Расстояние от верхней арматуры до верхней грани сечения hв = 4 см Расстояние от нижней арматуры до нижней грани сечения hн = 8 см Расстояние от арматуры до боковой грани сечения hб = 5.5 см Схема армирования - 1 Вид бетона - тяжелый Класс бетона B15 Коэффициент условий работы бетона Gb2 = 0.9 Коэффициент условий работы бетона Mkrb = 1 Арматура класса A III Коэффициент условий работы стали Gs2 = 1 Коэффициент условий работы стали Mkrs = 1 Признак подбора арматуры 4 (0, 3 - выбирается максимальное значение; 1, 2, 4 - оптимизация для всех РСУ) Тип унификации 0 Сечение N 1 Расчетные сочетания усилий
п - полные д - длительные * - с учетом сейсмических воздействий Теоретическая площадь арматуры
Теоретическая поперечная арматура Интенсивность поперечной арматуры Asw = 27.59 cм2/м Дополнительная арматура от учета кручения
Площадь арматуры с учетом кручения
Поперечная арматура с учетом кручения 27.6 см2/м Поперечная арматура у грани сечения 0.0 см2/м Примечание. Расчет на кручение проводится без учета продольной силы Сечение N 2 Расчетные сочетания усилий
п - полные д - длительные * - с учетом сейсмических воздействий Теоретическая площадь арматуры
Теоретическая поперечная арматура Интенсивность поперечной арматуры Asw = 0.00 cм2/м Дополнительная арматура от учета кручения
Площадь арматуры с учетом кручения
Поперечная арматура с учетом кручения 0.0 см2/м Поперечная арматура у грани сечения 0.0 см2/м Примечание. Расчет на кручение проводится без учета продольной силы Сечение N 3 Расчетные сочетания усилий
п - полные д - длительные * - с учетом сейсмических воздействий Теоретическая площадь арматуры
Теоретическая поперечная арматура Интенсивность поперечной арматуры Asw = 27.59 cм2/м Дополнительная арматура от учета кручения
Площадь арматуры с учетом кручения
Поперечная арматура с учетом кручения 27.6 см2/м Поперечная арматура у грани сечения 0.0 см2/м Примечание. Расчет на кручение проводится без учета продольной силы Элемент N 4206 (ригель) Тип сечения - прямоугольник ширина b = 195 см высота h = 60 см Расстояние от верхней арматуры до верхней грани сечения hв = 4 см Расстояние от нижней арматуры до нижней грани сечения hн = 8 см Расстояние от арматуры до боковой грани сечения hб = 5.5 см Схема армирования - 1 Вид бетона - тяжелый Класс бетона B15 Коэффициент условий работы бетона Gb2 = 0.9 Коэффициент условий работы бетона Mkrb = 1 Арматура класса A III Коэффициент условий работы стали Gs2 = 1 Коэффициент условий работы стали Mkrs = 1 Признак подбора арматуры 4 (0, 3 - выбирается максимальное значение; 1, 2, 4 - оптимизация для всех РСУ) Тип унификации 0 Сечение N 1 Расчетные сочетания усилий
п - полные д - длительные * - с учетом сейсмических воздействий Теоретическая площадь арматуры
Теоретическая поперечная арматура Интенсивность поперечной арматуры Asw = 27.59 cм2/м Дополнительная арматура от учета кручения
Площадь арматуры с учетом кручения
Поперечная арматура с учетом кручения 27.6 см2/м Поперечная арматура у грани сечения 0.0 см2/м Примечание. Расчет на кручение проводится без учета продольной силы Сечение N 2 Расчетные сочетания усилий
п - полные д - длительные * - с учетом сейсмических воздействий Теоретическая площадь арматуры
Теоретическая поперечная арматура Интенсивность поперечной арматуры Asw = 0.00 cм2/м Дополнительная арматура от учета кручения
Площадь арматуры с учетом кручения
Поперечная арматура с учетом кручения 0.0 см2/м Поперечная арматура у грани сечения 0.0 см2/м Примечание. Расчет на кручение проводится без учета продольной силы Сечение N 3 Расчетные сочетания усилий
п - полные д - длительные * - с учетом сейсмических воздействий Теоретическая площадь арматуры
Теоретическая поперечная арматура Интенсивность поперечной арматуры Asw = 27.59 cм2/м Дополнительная арматура от учета кручения
Площадь арматуры с учетом кручения
Поперечная арматура с учетом кручения 27.6 см2/м Поперечная арматура у грани сечения 0.0 см2/м Примечание. Расчет на кручение проводится без учета продольной силы Элемент N 4207 (ригель) Тип сечения - прямоугольник ширина b = 195 см высота h = 60 см Расстояние от верхней арматуры до верхней грани сечения hв = 4 см Расстояние от нижней арматуры до нижней грани сечения hн = 8 см Расстояние от арматуры до боковой грани сечения hб = 5.5 см Схема армирования - 1 Вид бетона - тяжелый Класс бетона B15 Коэффициент условий работы бетона Gb2 = 0.9 Коэффициент условий работы бетона Mkrb = 1 Арматура класса A III Коэффициент условий работы стали Gs2 = 1 Коэффициент условий работы стали Mkrs = 1 Признак подбора арматуры 4 (0, 3 - выбирается максимальное значение; 1, 2, 4 - оптимизация для всех РСУ) Тип унификации 0 Сечение N 1 Расчетные сочетания усилий
п - полные д - длительные * - с учетом сейсмических воздействий Теоретическая площадь арматуры
Теоретическая поперечная арматура Интенсивность поперечной арматуры Asw = 57.13 cм2/м Дополнительная арматура от учета кручения
Площадь арматуры с учетом кручения
Поперечная арматура с учетом кручения 57.1 см2/м Поперечная арматура у грани сечения 0.0 см2/м Примечание. Расчет на кручение проводится без учета продольной силы Сечение N 2 Расчетные сочетания усилий
п - полные д - длительные * - с учетом сейсмических воздействий Теоретическая площадь арматуры
Теоретическая поперечная арматура Интенсивность поперечной арматуры Asw = 0.00 cм2/м Дополнительная арматура от учета кручения
Площадь арматуры с учетом кручения
Поперечная арматура с учетом кручения 0.0 см2/м Поперечная арматура у грани сечения 0.0 см2/м Примечание. Расчет на кручение проводится без учета продольной силы Сечение N 3 Расчетные сочетания усилий
п - полные д - длительные * - с учетом сейсмических воздействий Теоретическая площадь арматуры
Теоретическая поперечная арматура Интенсивность поперечной арматуры Asw = 58.84 cм2/м Дополнительная арматура от учета кручения
Площадь арматуры с учетом кручения
Поперечная арматура с учетом кручения 58.8 см2/м Поперечная арматура у грани сечения 0.0 см2/м Примечание. Расчет на кручение проводится без учета продольной силы 4.2 Расчет металлического ригеля каркасаСбор нагрузок на ригель Рм7 приведен в таблице 10. Таблица 4.2 - Сбор нагрузок на ригель
Расчетная нагрузка на ригель Рм7 от чердачного перекрытия составляет q1 = 6149,4 Н/м2 ∙6м = 36,89∙103 Н/м Расчетная нагрузка от собственного веса ригеля q2 = 48,0∙9,8∙1,05 = 0,493∙103 Н/м Полая нагрузка на ригель qп = q1 +q2 = 36,89∙103 +0,493∙103 =37,38∙103 Н/м С учетом коэффициента надежности по назначению здания γn = 0,95, нагрузка на ригель составит q= 37,38∙103 ∙0,95 = 35,51∙103 (Н/м). Ригель рассчитываем как однопролетную балку с наибольшим изгибающим моментом М = q∙ℓ0 2 /8, где q - расчетная нагрузка на ригель, q= 37,38∙103 Н/м; ℓ0 - расчетный пролет ригеля, ℓ0 = 4,74 м; М = 37,38∙103 ∙4,742 /8 = 94,9∙103 (Н∙м). Требуемый момент сопротивления сечения балки определяется по формуле Wx = M/R, где М - изгибающий момент в середине пролета ригеля Рм7 М = 94,9∙103 Н∙м; R - расчетное сопротивление стали, R= 206 МПа. Wx = 94,9∙103 Н∙м /206∙106 = 4,61∙10-4 м3 = 461 см3 . По сортаменту прокатных профилей ближайшее значение Wx = 242∙2 = 484 см3 соответствует двум швеллерам № 24. Проверка жесткости ригеля сводится к определению относительности прогиба, который не должен превышать нормативный. Предельный прогиб для главных балок, покрытий и чердачных перекрытий (f/l) пред. = 1/250. Относительный прогиб определяется по формуле f/l= (5/384) ∙ (qn ∙l3 /E∙Jx ), где qn - нормативная нагрузка на ригель, qn = 5827,4 Н/м; l0 - расчетный пролет ригеля, l0 = 4,74м; E - модуль упругости стали, Е = 2,1∙105 МПа; Jx - момент инерции сечения ригеля, Jx = 2∙2900 = 5800 cм4 = 5,8∙10-5 м4 ; (5/384) ∙ (5827,4∙4,743 /2,1∙105 ∙106 ∙5,8∙10-5 ) =1/263,1/263 < 1/250, Окончательно принимаем сечение ригеля Рм7 из двух швелеров № 24. 4.3 Расчет металлической колонны каркасаСбор нагрузок на колонну приведен в таблице 10. Принимаем грузовую площадь колонны Агр =21,0 м2 . Вертикальная нагрузка на колонну от кровли и чердачного перекрытия равна N= q∙Агр., где q - нагрузка на 1 м2 кровли и чердачного перекрытия, q= 7413,4 Н/м2, Агр. - грузовая площадь, Агр. = 21,0 м2 . N= 7413,4∙21,0= 155681 Н Нагрузка от стойки Ст2 и ригелей Рм3, Рм5, Рм7, Рм8 равна N= 460∙1,05+ (273,6/2+278,4/2+227,52/2+86,4/2) ∙9,8∙1,05= 4938,2 Н Нагрузка от собственного веса колонны К1 N= 1275∙1,05= 1338,8 Н Таблица 4.3 - Сбор нагрузок на колонну
Ввиду малости усилий расчет проводим по предельной гибкости для сжато-изогнутой колонны λпред. = 120. Сечение принимаем из двух швеллеров №24. Полная нагрузка на колонну составит N=155681.4+4938.2+1338.8 = 161.96∙103 Н С учетом коэффициента надежности по назначению здания γn = 0,95, нагрузка на колонну составит 161,96∙103 ∙0,95 = 153,86∙103 (Н/м2 ). Проверка сечения. Определяем геометрические характеристики принятого сечения, рисунок 4.1.
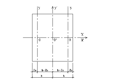
Рисунок 4.1 - Поперечное сечение стойки Определим моменты сечения относительно оси о'x' и о'у'. Момент инерции относительно оси x' J'x = 2∙Jx , где Jx - момент инерции относительно оси о'x' швеллера № 24,Jx = 2900 см4 . J'x = 2∙2900 = 5800 см4 . Момент инерции сечения относительно оси о'у' J'у = 2∙А∙ (в - Z0), где А - площадь сечения швеллера № 24, А = 30,6 см2 ; в - ширина полки швеллера № 24, в = 9 см; Z0 - расстояние от оси оу до наружной грани, Z0 =2,42 см. J'у = 2∙30,6∙ (9 - 2,42) = 402,7 см4 . Минимальный радиус инерции составного сечения ί'у = √ (J'у /2А), А = 30,6 см2 . ί'у = √ (402,7/2∙30,6) = 2,27 см. Гибкость стержня определяем по формуле λу. = ℓ/ί∙у', где ℓ - длина стойки, ℓ = 2,55 м; ί∙у' = 2,27 см., λу. = 2,55/2,27∙10-2 = 112,3 < 120. Проверку общей устойчивости стойки проведем по формуле σ = N/ (φ∙2A) R, σ - напряжение в стойке, Па; N - продольная сила, N= 153,86∙103 Н; φ - коэффициент продольного изгиба, при гибкости λу. = 112,3 φ = 0,304 см. приложение 17 [15]; А - площадь поперечного сечения швеллера № 24, А = 13,3 см2; R - расчетное сопротивление стали, R= 210 МПа. σ = 153,86∙103 / (0,304∙2∙30,6∙10-4 ) = 124,4∙106 Па < 210∙106 Па. Большой запас прочности, но сечение из двух швеллеров № 22 не проходит, т.к. λу. = 131,65 > 120. Окончательно принимаем все колонны с сечением из двух швеллеров №24. Расположение колонн и узлы см. лист 9 графической части. 4.4 Антисейсмические мероприятияНесущие кирпичные и каменные стены должны возводиться, как правило, из кирпичных или каменных панелей или блоков, изготавливаемых в заводских условиях с применением вибрации, или из кирпичной или каменной кладки на растворах со специальными добавками, повышающими сцепление раствора с кирпичом или камнем. При расчетной сейсмичности 7 баллов допускается возведение несущих стен зданий из кладки на растворах с пластификаторами без применения специальных добавок, повышающих прочность сцепления раствора с кирпичом или камнем. Выполнение кирпичной и каменной кладок вручную при отрицательной температуре для несущих и самонесущих стен (в том числе усиленных армированием или железобетонными включениями) при расчетной сейсмичности 9 и более баллов запрещается. При расчетной сейсмичности 8 и менее баллов допускается выполнение зимней кладки вручную с обязательным включением в раствор добавок, обеспечивающих твердение раствора при отрицательных температурах. Расчет каменных конструкций должен производиться на одновременное действие горизонтально и вертикально направленных сейсмических сил. Значение вертикальной сейсмической нагрузки при расчетной сейсмичности 7-8 баллов следует принимать равным 15%, а при сейсмичности 9 баллов - 30% соответствующей вертикальной статической нагрузки. Направление действия вертикальной сейсмической нагрузки (вверх или вниз) следует принимать более невыгодным для напряженного состояния рассматриваемого элемента. Для кладки несущих и самонесущих стен или заполнения каркаса следует применять следующие изделия и материалы: а) кирпич полнотелый или пустотелый марки не ниже 75 с отверстиями ра колонн многоэтажных каркасных зданий по возможности следует укрупнять на несколько этажей. Стыки сборных колонн необходимо располагать в зоне с меньшими изгибающими моментами. Стыкование продольной арматуры колонн внахлестку без сварки не допускается. В предварительно напряженных конструкциях, подлежащих расчету на особое сочетание нагрузок с учетом сейсмического воздействия, усилия, определяемые из условий прочности сечений, должны превышать усилия, воспринимаемые сечением при образовании трещин не менее чем на 25%. Кладки в зависимости от их сопротивляемости сейсмическим воздействиям подразделяются на категории. Категория кирпичной или каменной кладки, выполненной из материалов, предусмотренных п.3.38, определяется временным сопротивлением осевому растяжению по неперевязанным швам (нормальное сцепление), значение которого должно быть в пределах: для кладки I категории - для кладки II категории - (1,2 кгс/кв. см). Для повышения нормального сцепления Требуемое значение При невозможности получения на площадке строительства (в том числе на растворах с добавками, повышающими прочность их сцепления с кирпичом или камнем) значения Проектом производства каменных работ должны предусматриваться специальные мероприятия по уходу за твердеющей кладкой, учитывающие климатические особенности района строительства. Эти мероприятия должны обеспечивать получение необходимых прочностных показателей кладки. Высота зданий с несущими стенами из кирпичной или каменной кладки, не усиленной армированием или железобетонными включениями, не должна превышать при расчетной сейсмичности 7, 8 и 9 баллов соответственно 5; 4 и 3,5 м. При усилении кладки армированием или железобетонными включениями высоту этажа допускается принимать соответственно равной 6; 5 и 4,5 м. При этом отношение высоты этажа к толщине стены должно быть не более 12. В зданиях с несущими стенами, кроме наружных продольных стен, как правило, должно быть не менее одной внутренней продольной стены. Расстояния между осями поперечных стен или заменяющих их рам должны проверяться расчетом и быть не более приведенных в табл.4.9. Таблица 4.4
Размеры элементов стен каменных зданий следует определять по расчету. Они должны удовлетворять требованиям, приведенным в табл.4.5. В уровне перекрытий и покрытий должны устраиваться антисейсмические пояса по всем продольным и поперечным стенам, выполняемые из монолитного железобетона, или сборными с замоноличиванием стыков и непрерывным армированием. Антисейсмические пояса верхнего этажа должны быть связаны с кладкой вертикальными выпусками арматуры. В зданиях с монолитными железобетонными перекрытиями, заделанными по контуру в стены, антисейсмические пояса в уровне этих перекрытий допускается не устраивать. Антисейсмический пояс (с опорным участком перекрытия) должен устраиваться, как правило, на всю ширину стены; в наружных стенах толщиной 500 мм и более ширина пояса может быть меньше на 100-150 мм. Высота пояса должна быть не менее 150 мм, марка бетона - не ниже 150. Таблица 4.5
Антисейсмические пояса должны иметь продольную арматуру 4d10 при расчетной сейсмичности 7-8 баллов и не менее 4d12 - при 9 баллах. В сопряжениях стен в кладку должны укладываться арматурные сетки сечением продольной арматуры не менее 1 кв. см, длиной 1,5 м через 700 мм по высоте при расчетной сейсмичности 7-8 баллов и через 500 мм - при 9 баллах. Кирпичные столбы допускаются только при расчетной сейсмичности 7 баллов. При этом марка раствора должна быть не ниже 50, а высота столбов - не более 4 м. В двух направлениях столбы следует связывать заанкеренными в стены балками. Сейсмостойкость каменных стен здания следует повышать сетками из арматуры, созданием комплексной конструкции, предварительным напряжением кладки или другими экспериментально обоснованными методами. Вертикальные железобетонные элементы (сердечники) должны соединяться с антисейсмическими поясами. Железобетонные включения в кладку комплексных конструкций следует устраивать открытыми не менее чем с одной стороны. Перемычки должны устраиваться, как правило, на всю толщину стены и заделываться в кладку на глубину не менее 350 мм. При ширине проема до 1,5 м заделка перемычек допускается на 250 мм. Балки лестничных площадок следует заделывать в кладку на глубину не менее 250 мм и заанкеривать. Необходимо предусматривать крепления ступеней, косоуров, сборных маршей, связь лестничных площадок с перекрытиями. Устройство консольных ступеней, заделанных в кладку, не допускается. Дверные и оконные проемы в каменных стенах лестничных клеток при расчетной сейсмичности 8-9 баллов должны иметь, как правило, железобетонное обрамление. 5. Технологическая часть5.1 Объем ремонтно-строительных работПодсчет объемов строительных работ осуществляется в соответствии с правилами исчисления объемов работ технической части каждого сборника ЭСН. Подсчет объемов работ производим последовательно по всем конструкциям и видам работ в технологической последовательности их выполнения. При подсчете объемов максимально используем спецификации идругие данные проекта. Подсчет объемов работ производится в таблице 5.1. 5.2 Разработка технологической карты на монтаж каркасно-обшивных перегородок системы "Кнауф"5.2.1 Общие сведенияРазработка технологической карты на монтаж каркасно-обшивных перегородок системы "Кнауф" В процессе реконструкции в связи с перепланировкой помещений и обеспечением сейсмостойкости здания в проекте предусмотрено устройство каркасно-обшивных перегородок. Применение комплектных систем "Кнауф" позволяет избежать "мокрых" процессов, сократить сроки строительства. Неоспоримым преимуществом также является возможность быстрого демонтажа конструкций при необходимости, В данном проекте применяются перегородки С 111 и С 112 на металлическом каркасе с изоляцией и двусторонней обшивкой гипсокартонными листами толщиной 12,5 мм соответственно в 1 и 2 слоя. Для организации поточного метода определяем размер захватки 1 этаж. Объем работ по монтажу перегородок типа С 111, С112 на типовом этаже составляет: S111=117,4х2,5-0,91х2,1х24-0,71х2,1х12=239,6 м2. S112=110,9х2,5-0,91х2,1х13-1,31х2,1=249,8 м2. Работы по устройству перегородок должны выполнять специалисты по монтажу комплексных систем "Кнауф" для краткости в данном разделе именуемые монтажниками. 5.2.2 Описание технологии и организации возведения перегородокТаблица 5.1 - Ведомость объемов работ
5.2.2.1 Перед монтажом перегородок необходимо: закончить все строительные работы, включая подготовку под полы и специальные работы, которые могут вызвать увлажнение или загрязнение рабочего места; смонтировать в пределах конструкции пола разводки электроснабжения, автоматики, слабых токов и др.; подготовить площадку для складирования материалов, оснастить бригаду монтажников такелажными и монтажными приспособлениями, средствами подмащивания, инвентарем и инструментом, предусмотренными проектом производства работ; создать необходимый запас материалов и изделий для устройства перегородок. При монтаже гипсокартонных перегородок необходимо соблюдать следующую последовательность выполнения работ: провести разбивку мест расположения перегородок; провести крепление к перекрытию нижних, а затем верхних направляющих; установить стойки каркаса; произвести обшивку каркаса гипсокартонными листами с одной стороны; пропустить через отверстия в стенках каркаса силовую и слаботочную проводку, вывести их концы наружу; установить с внутренней стороны обшивки минераловатные плиты; провести обшивку каркаса гипсокартонными листами с другой стороны и вывести наружу концы проводки; установить дверные коробки; произвести заделку мест примыкания листов к конструкциям пола, перекрытия и стен, а также швов между листами, установить распаячные коробки и розетки. 5.2.2.2 Разбивку мест расположения перегородок выполнять в следующей последовательности: очищают от мусора поверхность пола; в соответствии с архитектурно-планировочным чертежом с помощью рулетки производят разбивку осей перегородок на перекрытии с точностью ±3 мм. Положение разбитых осей отмечают на поверхности перекрытия прочерчивавшем карандашом рисок; с помощью шаблона, представляющего собой отрезок направляющей длиной 4-5 см:, отмеряют в обе стороны от осевых рисок половину ширины направляющей; разметочным шнуром, окрашенным сухим пигментом, производят отбивку линий на перекрытии, обозначающих положение краев нижней направляющей; производят разбивку положения коробок; с помощью отвеса, спущенного с потолка, переносят на потолок положение нижней направляющей, фиксируя его рисками; с помощью шаблона и разметочного шнура, окрашенного сухим пигментом, производят разметку линий для установки верхней направляющей; наносят краской на перекрытии риски, фиксирующие положение нижних направляющих и дверных коробок, а также места пересечения перегородок. 5.2.2.3 Установка направляющих. Нижние направляющие устанавливать, соблюдая следующий порядок работ: В соответствии с выполненной разбивкой замеряют длину нижних направляющих (с учетом разрывов в местах дверных проемов; ввода электропроводок и др.) и нарезают их по размерам; крепят дюбель-гвоздями с шагом до 1000 мм. К установке верхних направляющих приступают после закрепления нижних направляющих. Работы выполняют в следующей последовательности: замеряют и нарезают на нужный размер направляющие, наклеивают звукоизолирующую ленту и крепят дюбелями. 5.2.2.4 Установку стоек производить соблюдая следующий порядок производства работ: с помощью шаблона или рулетки производят на нижних направляющих разметку мест установки стоек (шаг между стойками должен составлять 600 мм); с помощью шаблона производят замер фактических расстояний между нижней и верхней направляющими в местах установки стоек; производят резку стоек по размерам (длина стойки на 10 мм меньше высоты помещения); устанавливают стойки по разметке и выверяют их вертикальность в плоскости перегородки; вслед за выверкой стоек производят их крепление: к нижней и верхней направляющим просекателем. 5.2.2.5 Установку дверных коробок выполнять в следующем порядке: проверяют и производят разметку положения дверной коробки и стоек каркаса; подготавливают и устанавливают стойки каркаса, примыкающие к коробке; устанавливают коробку с креплением ее к стойкам; устанавливают перемычку и промежуточную стойку над дверной коробкой; устанавливают стойки усиления. При установке стоек, примыкающих к дверной коробке, монтажники с помощью шаблона замеряют фактический размер между нижней и верхней направляющими в месте установки стоек, по полученному размеру подбирают и отрезают вертикальные стойки. При установке дверной коробки сначала выверяют ее положение по высоте, затем в центре коробки устанавливают шаблон-распорку, фиксирующую проектный размер между ее стойками, после чего с помощью магнитного уровня проверяют вертикальность стоек и горизонтальность ригеля. Постоянное крепление коробки производится к стойкам каркаса при помощи самосверлящих самонарезающих винтов. 5.2.2.6 Обшивку каркасов гипсокартонными листами производить с соблюдением следующих требований: При раскрое гипсокартонных листов их резку следует производить на ровной поверхности ножом для ГКЛ, которым подрезают картон и часть гипсового сердечника. Для отрезания полос шириной до 120 мм может быть использован резак для ГКЛ малый, а для полос шириной до 630 мм - резак для ГКЛ большой. Надрезанный лист укладывают на край стола и надламывают надрезанный сердечник, после чего ножом для ГКЛ разрезают картон на обратной стороне листа. Отрезанную кромку необходимо обработать ровно, без изломов обдирочным рубанком. Если обрезанные кромки образуют шов с них следует снять фаску при помощи кромочного рубанка для возможности шпаклевания. Чтобы выполнить швы менее заметными, не обнажая сердечник, следует удалить картон вдоль кромки в области укладки армирующей ленты. Монтаж гипсокартонных листов должен вестись в направлении со стороны стенки стоечных профилей каркаса. При двухслойной обшивке (перегородка С-112) рекомендуется второй слой устанавливатьв тот же день, что позволит увеличить шаг между шурупами первого слоя до 750 мм. Шаг шурупов наружного 250 мм. При монтаже гипсокартонные листы плотно подгоняют друг к другу и потолку, закрепляют к каркасу самонарезающими шурупами, установку которых следует вести от угла гипсокартонного листа в двух взаимно-перпендикулярных направлениях или от середины его к краям. Самонарезающие шурупы следует устанавливать с отступлением открая облицованной картоном кромки не менее 10 мм и от края необлицованной кромки не менее чем на 15 мм. В местах примыкания гипсокартонных листов обшивки к полу между кромкой листа и поверхностью пола следует оставлять зазор в 10-20 мм с последующей заделкой его герметиком. Самонарезающие шурупы должны входить в гипсокартонный лист под прямым углом и проникать в полку профиля на глубину не менее 10 мм, а головки винтов должны быть утоплены в поверхность гипсокартонного листа на глубину около 1 мм, после чего эти места зашпаклевывают. Деформированные или ошибочно установленные шурупы быть удалены и заменены новыми с размещением их на расстоянии 50 мм от предыдущих. 5.2.2.7 К устройству звукоизоляции приступать после обшивки с одной стороны каркаса гипсокартонными листами и прокладки скрытой проводки. 5.2.2.8 Работы по заделке стыков необходимо выполнять с соблюдением следующих правил: На внешних углах перегородки для их защиты от механических повреждений устанавливают перфорированные металлические угловые профили, вдавливая их в предварительно нанесенный слой шпаклевки. Обработка швов между гипсокартонными листами должна производиться при стабильной температуре и влажности воздуха в помещении, соответствующих режиму эксплуатации. При этом температура воздуха в помещении должна быть не ниже 10°С. На стык, образованный утоненными кромками типа УК гипсокартонных листов, шпателем наносят слой шпаклевки, выравнивают уложенную массу, снимая излишки, после чего сразу укладывают армирующую ленту, плотно вдавливая ее в слой шпаклевки, и накрывают ее тонким слоем шпаклевки. После высыхания армированного слоя широким шпателем (200-300 мм) наносят накрывочный выравнивающий слой шпаклевки. Заделку швов первого слоя в двухслойной обшивке допускается производить без армирующей ленты. На стык, образованный утоненными кромками типа ПЛУК гипсокартонных листов шпателем наносят сначала один слой шпаклевки, а после высыхания его накрывают выравнивающим слоем. При формировании шва между листами с кромками ПЛУК без армирующей ленты следует использовать шпаклевку "Унифлот". В обоих случаях шпаклевочная масса первого и второго слоя не должна оседать, выступая из шва. 5.2.3 Рекомендации по транспортированию и хранению материаловМеталлические тонкостенные профили должны поставляться на объект строительства пакетами, стянутыми лентами, любым видом транспорта при условии защиты от механических повреждений. Пакеты с профилем должны храниться под навесом. Поставщик профилей должен гарантировать соответствие их нормативным документам при соблюдении потребителем условий транспортировки и хранения. Транспортирование ГКЛ должно выполняться централизованно в пакетированном виде в условиях, исключающих увлажнение, загрязнение и механическое повреждение листов. Габариты пакетов не должны превышать по длине 4100 мм, по ширине 1300 мм, по высоте800 мм; масса пакета не должна быть более 3000 кг. При транспортировке ГКЛ должны находиться в горизонтальном положении, пакеты должны быть уложены на прокладки или поддоны. Для предотвращения увлажнения и загрязнения ГКЛ рекомендуется пачки (50-80 листов в пачке) упаковывать в водостойкие материалы (упаковочная бумага, полиэтиленовая пленка). Хранить ГКЛ следует в сухом закрытом помещении при температуре окружающего воздуха не ниже +5°С, на расстоянии 1,6 м от отопительных приборов. Пакеты могут быть установлены друг на друга в штабели общей высотой не более 3,5 м. Перевозить звукоизоляционные материалы можно любыми видами транспорта При условии их защиты от увлажнения. Хранение звукоизоляционных материалов должно производиться в закрытых складах. Крепежные изделия могут перевозиться любым видом транспорта, упакованными в ящики или коробки, снабженные ярлыками. 5.2.4 Основные положения по технике безопасности при монтажеМонтаж перегородок следует выполнять с соблюдением требований СНиП 111-4-80 "Техника безопасности в строительстве". К устройству ограждающих конструкций с применением гипсокартонных листов допускаются лица не моложе 18 лет, прошедшие инструктаж на рабочем месте по технике безопасности, производственной санитарии, обученные приемам работ и имеющие удостоверение на право производства работ. Рабочие должны быть обеспечены спецодеждой с средствами индивидуальной защиты. Работы по устройству перегородок осуществлять специализированными бригадами при наличии специального инструмента, обеспечивающего механизацию процесса сборки конструкций и их высокое качество. Используемое при производстве работ оборудование, оснастка и приспособления для монтажа конструкций должны отвечать условиям безопасности выполнения работ. Электроинструмент должен удовлетворять следующим требованиям: быстро включаться и отключаться от электросети (но не самопроизвольно); быть безопасным в работе, все токоведущие части должны быть хорошо изолированы. Перед выдачей рабочему электроинструмента необходимо проверить исправность заземляющего провода и отсутствие замыкания на корпус. Перед началом работы с электроинструментом рабочий должен: получить инструктаж о безопасных способах производства работ с электроинструментом; проверить исправность средств индивидуальной защиты; осмотреть и проверить электроинструмент на холостом ходу. При монтаже ограждающих конструкций из гипсокартонных листов не следует: работать электроинструментом с приставных лестниц; передавать электроинструмент другим лицам; разбирать и производить самим ремонт электроинструмента; держаться при работе за питающий электропровод; оставлять без надзора электроинструмент, присоединенный к электросети. 5.2.5 Составление калькуляции трудовых затрат и расчет состава комплексной бригадыКалькуляцию сведем в таблицу 5.2. Принимаем продолжительность процесса t=9 см. Требуемое количество человек в комплексной бригаде: Nтр =Tн / (tх8) =883,9/ (9х8) =12,3 чел., принимаем N=12чел., тогда проектируемая трудоемкость процесса составит: T=Nхtх8=12х9х8=864 чел. - ч. Установим проектируемый уровень производительности труда: Упр = Tн / Tх100%=883,9/864х100%=102% Для расчета состава комплексной бригады по калькуляции определим трудоемкость процессов на которых заняты только монтажники 3 и 4 разряда T3 =109,7 чел. - ч. Трудоемкость процессов на которых заняты монтажники 3 и4 разряда T3,4 =764,2 чел. - ч. Тогда требуемое количество монтажников 3 разряда: n3 треб = (T3 +T3,4 /2) / (tх8) = (109,7+764,2/2) / (9х8) =6,83 чел. n4 треб = (T3,4 /2) / (tх8) = (764,2/2) / (9х8) =5.45 чел. Принимаем n3 =6 чел., n4 =6 чел., для организации работы звеньями по2 чел, с учетом того, что монтажник более высокой квалификации может выполнять и работу более низкой квалификации. 5.2.6 Расчет потребности в материальных ресурсахРасчет потребности в материалах производим в таблице 5.3. 6. Сметная стоимость строительстваДля расчета технико-экономической эффективности и технико-экономических показателей проекта производства работ в составе дипломного проекта разрабатывается сметная документация. Сметная стоимость строительства является основой для расчетов за выполненные строительные работы, оплаты расходов по приобретению и доставке конструкций, материалов и оборудования, необходимого для производства строительно-монтажных работ, а так же оплаты проектно-изыскательских работ, и для возмещения других затрат. В состав проектно-сметной документации, в соответствии с "Инструкцией о составе, порядке разработки и согласования проектно-сметной документации", входят: сводный сметный расчет, определяющий общую стоимость проектируемого строительства, таблица 6.1; объектная смета, определяющая общий объем затрат по объекту, таблица 6.2; локальные сметы на общестроительные и специальные работы, таблицы 6.3, 6.4, 6.5. Сметная стоимость строительства рассчитывается в базисном уровне цен 1984 г. Локальные сметы на санитарно-технические и электромонтажные работы составляем по укрупненным показателям в расчете на объем здания. 7. Организация строительного производства7.1 Описание принятых методов организации строительства7.1.1 Подготовительный периодДо начала производства основных работ пореконструкции должны быть выполнены следующие мероприятия: уборка мусора из здания и с территориистроительной площадки; устройство временного водоснабжения,канализации, электроснабжения, пожарного гидранта; устройство временных зданий и сооружений; ограждение строительной площадки; оборудование площадки первичными средствами пожаротушения. 7.1.2 Работы основного периодаРаботы по разработке грунта производятся для обеспечения возможности возведения пристройки. Рекомендуется использовать экскаватор Э-652Б. Доработка грунта вручную выполняется непосредственно перед началом работ по возведению пристройки. Работы по демонтажу и монтажу несущих конструкций кровли, каркаса, лестниц, стен выполнять с соблюдением требований по технике безопасности. Демонтируемые конструкции необходимо вывозить с территории строительной площадки. Монтаж производить "с колес", ввиду ограниченных габаритов строительной площадки. Подачу материалов для реконструкции кирпичных стен, перегородок, перекрытий осуществлять мачтовым подъемником. Отделка фасада производится снаружи с лесов с соблюдением требований по безопасности. Работы по усилению конструкций требуется производить особенно тщательно, соблюдая технологию, поскольку от этого зависит эффективность усиления. При усилении конструкций перегородок, участков перекрытий, заделке отверстий бетоном, перед нанесением слоя бетона усиливаемую конструкцию необходимо хорошо очистить от ослабленных участков и мусора, насечь, после установки арматуры обеспылить и увлажнить. Для нанесения торкрет - бетона используется торкрет-установка с растворонасосом СО-29В. Разборка перегородок выполняется последовательно с применением ручного пневматического или электрифицированного инструмента. Последовательность разборки должна обеспечить устойчивость и геометрическую неизменяемость остающихся конструкций здания, запрещается выполнять разборку конструкций методом их обрушения на перекрытие. На всех уровнях по высоте разбираемых конструкций должны быть установлены инвентарные подмости для обеспечения безопасной работы. Строительный мусор от разборки перегородок необходимо опустить по специальным закрытым желобам непосредственно в автотранспорт, не допуская его распыления. Работы по монтажу гипсокартонных перегородок, штукатурные, отделочные работы, работы по устройству полов и заполнению проемов организованы поточным методом с максимальным использованием средств малюй механизации для сокращения сроков реконструкции и исключения простоев. Принимаем в качестве захватки этаж здания. Используется схема развертывания потоков сверху вниз. Рекомендации по монтажу перегородокиз гипсокартонных листов см. раздел 6. Закладка проемов кирпичом выполняется в строгом соответствии требований проекта. Для обеспечения надлежащего сцепления вновь возводимой кладки со старыми поверхностями, последние должны быть очищены от штукатурки, произведена насечка, промыты водой и продуты. Подача материалов на этаж выполняется с помощью мачтового подъемника с перемещением материалов в пределах реконструируемого этажа ручными тележками на резиновом ходу. Отделочные работы, имеющие большую трудоемкость, необходимо выполнять готовыми отделочными составами и индустриальными отделочными материалами, поставляемыми централизованно с максимальным использованием средств большой и малой механизации, а также электрифицированного инструмента. При выполнении отдельных этапов и операций в отделочных работах должны выдерживаться технологические перерывы, обеспечивающие качество выполняемых работ. Специальные (сантехнические, электротехнические, вентиляционные) работы выполняются специализированными организациями. Благоустройство площадки выполняется после окончания монтажных работ специализированной организацией, для данного проекта реконструкции включает: ремонт существующего асфальтового покрытия, тротуарной плитки, озеленение. Схема деления здания на захватки приведена на листе графической части. 7.2 Составление таблицы исходных данных для сетевого графикаНа основании подсчитанных объемов работ, принятой организационно - технологической схемы возведения объекта, принятых методов производства работ составляем таблицу работ и ресурсов сетевого графика (карточку определитель) являющуюся в целом таблицей исходных данных (таблицу 7.1). Продолжительность выполнения работ определяем по формулам: для случая, когда организация и темп работ определяются ведущей машиной: ti =Mi / (ni nм I ki ), где ti - продолжительность i-ой работы, рассчитанная по нормативам, Mi - количество машиносмен по нормам, ni - сменность работы, nм i - количество машин, участвующих в работе, ki - коэффициент выполнения норм, для немеханизированного процесса: ti =Qi / (ni Ni ki ), где ti - продолжительность i-ой работы, рассчитанная по нормативам, Qi - нормативная трудоемкость работы, ni - сменность работы, Ni - количество рабочих, выполняющих работу, ki - коэффициент выполнения норм. Подготовленные исходные данные служат основой для расчета сетевого графика строительства. 7.3 Расчет и оптимизация сетевого графикаНа основании таблицы 7.1 составляем сетевой график производства работ. После расчета параметров сетевого графика (см. лист 9 графической части) производим оптимизацию по трудовым ресурсам. В качестве характеристики используем коэффициент неравномерности движения рабочей силы Кр , показывающий отношение среднесписочного состава рабочих в сутки Nср ( сут) к максимальному количеству рабочих в сутки Nmax ( сут) Kр = Nср ( сут) / Nmax ( сут) =33,8/52=0,65 7.4 Материально-технические и трудовые ресурсы строительстваПотребность в основных строительных материалах, механизмах и трудовых ресурсах определяем на основании таблицы 7.1. Расчет потребность в материалах и изделиях приведен в таблицах 7.2, 7.3. Линейные графики движения материалов, механизмов и рабочих по специальностям составлены на основании линейной диаграммы производства работ и таблиц раздела 7. 7.5 Организация строительной площадки7.5.1 Расчет численности персонала строительстваОпределение площадей временных служебных зданий и санитарно-бытовых помещений производят исходя из численности персонала строительства, соотношения категорий работающих, различных нормативных показателей и систем поправочных коэффициентов. Число рабочих устанавливаем по графикам движения рабочей силы. Удельный вес различных категорий работающих (рабочих, ИТР, служащих, МОП,охраны) принимаем по приложению 5 методических указаний. Для жилищно-гражданского строительства: Рабочие 85%; ИТР 8%; Служащие 5%; МОП и охрана 2%. В расчетах численность рабочих принимается по наиболее многочисленной смене с увеличением этого количества на 5% за счет учеников и практикантов, проходящих производственную практику. Такой сменой принимается первая. Численность работающих в первую смену определяется суммой числа рабочих - 70% от максимальной суточной и 80% остальных категорий работающих. Общая численность работающих определяется по формуле: Nобщ = (Nраб + Nитр + Nслуж + Nмоп +Nуч ) ∙k, Для наиболее точного определения мощности подсобных зданий общая расчетная численность работающих распределяется на отдельные категории: численность посещающих столовые и буфеты распределяется в соотношении 2: 1 исходя из числа работающих в наиболее многочисленную смену. Исходные данные: по графику движения рабочих максимальное количество рабочих - 52 человека. Таким образом, численность рабочих: N общ = (52 +4+4+2+4) ∙1,05 = 70 чел. так как Nитр = 52 8/85 = 4 чел.; Nслуж = 52 5/85 = 4 чел; NМОП = 62 2/85 = 2 чел; Nуч =52 ' 5/100 = 4 чел.; k= 1,05 - коэффициент учитывающий отпуска, болезни. В том числе по категориям работающих: Число женщин - 30% - 21 чел.; Число мужчин - 70% - 49 чел.; Число пользующихся буфетом - 23 чел.; Число пользующихся буфетом - 47 чел.; 7.5.2 Определение состава и площадей временных зданийОпределение площадей временных зданий и сооружений производим на основании нормативных данных. Номенклатуру зданий и сооружений бытовых городков принимаем в соответствии с рекомендациями приложения 6 методических указаний. Площадь подсобных помещений различного назначения Птр определяем по формуле: Птр = Пн х N, или Птр = Пн х В где Пн - нормативный показатель площади зданий, м2 /чел. или м2 /млн. руб. N - число работающих (или отдельных их категорий) в наиболее многочисленную смену, чел. В - объем строительно-монтажных работ, млн. руб. Расчет приводим в таблице 7.4. 7.5.3 Расчет площади складских помещенийНа стадии ППР решается вопрос организации приобъектных складов для временного хранения материалов, полуфабрикатов, деталей и конструкций и оборудования. При объектные склады устраивают на строительной площадке. Они состоят из открытых площадок в зоне действия монтажного механизма, навесов и закрытых отапливаемых помещений. Площадь каждого тина склада зависит от вида, способа хранения и количества материалов. Общая площадь (м2 ) определяется по формуле: Sобщ
= Q где Q - количество материала, необходимое для строительства;
Tсм - продолжительность расчетного периода (потребления) материалов; t - норма запаса материала в днях; k=1,3 - коэффициент неравномерности потребления материалов; Н - количество материала, укладываемого на 1 м2 площади склада;
Расчет приобъектных складских площадей выполняем в таблице 7.5. Если подлежащий хранению материал расходуется менее чем за рекомендованный срок запаса t, то расчет производим из условия хранения всего ресурса (100%). После суммируем площади складов каждого вида отдельно по периодам совпадения во времени использования материалов на графике поступления на объект строительных конструкций, изделий, материалов и оборудования, принимаем для размещения на стройгенплане наибольшую из выявленных площадей по каждому виду склада. Открытый - монтаж с колес; Навес - 54 м2 ; Закрытый отапливаемый - 18 м2 ; Закрытый не отапливаемый - 36 м2 . Ввиду проведения реконструкции в стесненных условиях складирование материалов организовать в реконструируемом здании. Монтаж конструкций кровли и других конструкций рекомендуется производить "с колес". 7.6 Расчет потребности в воде для нужд строительства и определение диаметра труб временного водопроводаИсточником временного водоснабжения являются существующие водопроводные сети. Потребность в воде определяется по формуле Qтр = Qпр + Qхоз + Qпож , (79) где Qпр - расход воды для обеспечения производственных нужд, л/с, определяется по формуле Qпр = Кн. у ∑qn nn kч / (3600t), (79) где Кн. у - коэффициент неучтенного расхода воды, Кн. у = 1,2; ∑qn - суммарный удельный расход воды на производственные нужды, л; nn - число производственных потребителей (установок, машин и др.) каждого вида в наиболее загруженную смену; kч - коэффициент часовой неравномерности потребления воды - ,5; t - число учитываемых расчетом часов в смену; Qхоз - расход воды для обеспечения хозяйственно-бытовых нужд строительства площадки, л/с, равный Qхоз = ∑qх nр kч / (3600t) + qд ∙nд / (60tI ), (79) где qх - суммарный расход воды на хозяйственно-бытовые нужды (по ведомственным районным нормам), л; qд - расход воды на прием душа одного работающего; nр - число работающих в наиболее загруженную смену, nр = 44 чел; nд - число пользующихся душем до 80% nр ; tI - продолжительность использования душевой установки 45 мин.; kч - коэффициент часовой неравномерности водопотребления, равен 1,5… 3; Qпож - расход воды для наружного пожаротушения, л/с, может приниматься исходя из трехчасовой продолжительности тушения одного пожара и обеспечения расчетного расхода воды на другие производственно-хозяйственные нужды (кроме расхода на поливку территории и прием душа). Расчетные данные потребления воды на производственные и хозяйственно-бытовые нужды сводятся в таблицу 7.6. Таблица 7.6 - Расчетные данные потребления воды на производственные и хозяйственно-бытовые нужды
Потребность в воде Qпр определяем по формуле Qпр = (8640 + 1920) /3600∙16 + (1253 + 1647) /3600∙8 = 0,28 л/с. Потребность в воде Qхоз определяем по формуле Qхоз = 25∙44∙3/ (3600∙8) + 30∙35/ (60∙45) = 0,5 л/с. Qпр + Qхоз = 0,28 + 0,5 = 0,78 л/с. Диаметр трубопроводов определяется по формуле Д = 2√ (1000∙Qтр /π∙υ), где υ - скорость движения воды в трубах, υ = 0,7 м/с; Qтр - потребность в воде, Qтр - 0,78 л/с. Д = 2√ (1000∙0,78/3,14∙0,7) = 37,7 мм. Расход воды для наружного пожаротушения принимаем с учетом ширины здания, степени его огнестойкости и категории пожарной опасности при объеме здания до 20 тыс. м3 , равным 15 л/с (приложение 3 []). Гидрант проектируется на постоянной линии водопровода. 7.7 Расчет потребности в электроэнергии, выбор трансформаторов и определение сечения проводов временных электросетейПроектирование, размещение и сооружение сетей электроснабжения (или их отдельных элементов) производится в соответствии с "Правилами устройства электроустановок" ПУЭ, главой СниП 3.05.06-85, СН 85-74, СН 174-75, СН 465-74, СН 305-77, СН 102-76, ГОСТ 12.1.013-78, ГОСТ 23274-84 и др. Расчетный показатель требуемой мощности Ртр для строительной площадки определяем по формуле Ртр = (к1 ∑Рм /cosφ1 + к2 ∑Рт /cosφ2 + к3 ∑Ров + к4 ∑Рон + к5 ∑Рсв ), где φ - коэффициент потери мощности в сетях в зависимости от протяженности, сечения и др., равен 1,1; ∑Рм - сумма нормальных мощностей всех установленных в сети электромоторов, кВт; ∑Рт - сумма потребляемой мощности для технологических потребностей (электропрогрев бетона, оттаивание грунта и т.п.), Вт, ∑Рт = 0; ∑Ров - суммарная мощность осветительных приборов и устройств для внутреннего освещения объектов, кВт; ∑Рон - то же, для наружного освещения объектов и территории, кВт; ∑Рсв - то же, всех установленных сварочных трансформаторов, кВт; cosφ1 - коэффициент мощности для групп силовых потребителей электромоторов (в среднем 0,7); cosφ2 - то же, для технологических потребителей (в среднем 0,8); к1 - коэффициент одновременности работы электромоторов (до 5 шт - 0,6; 6…8 шт. - 0,5 и более 8 шт. - 0,4); к2 - то же, для технологических потребителей (в среднем - 0,4); к3 - то же, для внутреннего освещения (в среднем 0,8); к4 - то же, для наружного освещения (в среднем 0,9); к5 - то же, для сварочных трансформаторов (до 3 шт. - 0,8). Требуемая мощность электросети для производственных нужд, внутреннего и наружного освещения рабочих мест на территории производства работ сводится в таблицу 7.7. Таблица 7.7 - Мощность электросети
Суммарная требуемая мощность Ртр для выбора трансформатора составит Ртр = 0,6∙20,8/0,7 + 0,8∙4,18 + 0,8∙20 = 37,2 кВт. Принимаем трансформатор ТМ 50/6, мощностью 50 кВт. Сечение проводов принимаем площадью 16 мм2 (минимальная площадь сечения алюминиевых проводов с учетом механической прочности). 7.8 Расчет потребности в сжатом воздухеСуммарная потребность Qсв , м3 /мин в сжатом воздухе определяется по формуле Qсв = n1 ∙Q1 ∙k1 + n2 ∙Q2 ∙k2 + … + nn ∙Qn ∙kn , где n1 , n2 …, nn - число однородных потребителей; Q1 , Q2 , …,∙Qn - расход сжатого воздуха на одного потребителя, м3 /мин; k1 ,∙k2 , …,∙kn - коэффициенты, учитывающие одновременность работы однородных потребителей (при двух потребителях 1,4…0,85; при шести - 0,8). Расчетная мощность компрессорной установки Qкомп , м3 /ч, определяется по формуле Qкомп = Qсв ∙ (100 + Пк + П0 + Пн + Пп ) /100, где Пк - потери воздуха в компрессоре (до 10%); П0 - то же, при охлаждении в трубопроводе (до 30%); Пн - то же, от неплотности соединений в трубопроводах (5… 30%); Пп - расход сжатого воздуха на продувку (4… 10%). Qсв = 1,4∙0,8 + 0,4∙0,8 + 0,7∙0,8 + 0,3∙0,8 = 2,24 (м3 /мин). Qкомп определяем по формуле (85). Qкомп = 2,24∙ (100 + 10 + 30 + 30 + 10) /100 (м3 /мин). Принимаем компрессор С - 39А производительностью 15 м3 /мин. Диаметр воздухопровода ориентировочно определяется по формуле α = 3,18√ Qсв , где Осв - то же, что в формуле (84), Qсв = 2,24 м3 /мин; α = 3,18√ 2,24 = 4,75 (см). Принимаем диаметр трубы 80 мм. 7.9 Технико-экономические показатели проектаТаблица 7.9.1 - Технико-экономические показатели
8. Безопасность жизнедеятельности на производстве8.1 Обеспечение безопасных условий труда при выполнении каменных работ8.1.1 Организация работПри выполнении каменных работ необходимо предусматривать мероприятия по предупреждению воздействия на работающих следующих опасных и вредных производственных факторов: расположение рабочих мест вблизи перепада по высоте 1,3 м и более; падение вышерасположенных материалов, конструкций и инструмента; самопроизвольное обрушение элементов конструкций; движущиеся части машин и передвигаемые ими конструкции и материалы. При наличии опасных и вредных производственных факторов, безопасность каменных работ должна быть обеспечена на основе выполнения содержащихся в организационно-технологической документации (ПОС, ПНР и др.) следующих решений по охране труда: организация рабочих мест с указанием конструкции и места установки необходимых средств подмащивания, грузозахватных устройств, средств контейнеризации и тары; последовательность выполнения работ с учетом обеспечения устойчивости возводимых конструкций; определение конструкции и мест установки средств защиты от падения человека с высоты и падения предметов вблизи от здания; дополнительные меры безопасности по обеспечению устойчивости каменной кладки в холодное время года. Кладка стен каждого вышерасположенного этажа многоэтажного здания должна производиться после установки несущих конструкций междуэтажного перекрытия, а также площадок и маршей в лестничных клетках. При необходимости возведения каменных стен вышерасположенного этажа без укладки перекрытий или покрытий необходимо применять временные крепления этих стен. При кладке наружных стен зданий высотой более 7 м с внутренних подмостей необходимо по всему периметру здания устраивать наружные защитные козырьки, удовлетворяющие следующим требованиям: ширина защитных козырьков должна быть не менее 1,5 м, и они должны быть установлены с уклоном к стене так, чтобы угол, образуемый между нижележащей частью стены здания и поверхностью козырька, был 110°, а зазор между стеной здания и настилом козырька не превышал 50мм; защитные козырьки должны выдерживать равномерно распределенную снеговую нагрузку, установленную для данного климатического района, и сосредоточенную нагрузку не менее 1600 Н (160 кгс), приложенную в середине пролета; первый ряд защитных козырьков должен иметь защитный настил на высоте не более 6 м от земли и сохраняться до полного окончания кладки стен, а второй ряд, изготовленный сплошным или из сетчатых материалов с ячейкой не более 50х50 мм, должен устанавливаться на высоте 6 - 7м над первым рядом, а затем по ходу кладки переставляться через 6 - 7м. 8.1.2 Организация рабочих местКладку необходимо вести с междуэтажных перекрытий или средств подмащивания. Высота каждого яруса стены назначается с таким расчетом, чтобы уровень кладки после каждого подмащивания был не менее чем на два ряда выше уровня нового рабочего настила. Средства подмащивания, применяемые при кладке, должны отвечать требованиям СНиП 12-03. Конструкция подмостей и допустимые нагрузки должны соответствовать предусмотренным в ППР. Запрещается выполнять кладку со случайных средств подмащивания, а также стоя на стене. Кладку карнизов, выступающих из плоскости стены более чем на 30 см, следует осуществлять с наружных лесов или навесных подмостей, имеющих ширину рабочего настила не менее 60 см. Материалы следует располагать на средствах подмащивания, установленных с внутренней стороны стены. При кладке стен здания на высоту до 0,7 м от рабочего настила и расстоянии от уровня кладки с внешней стороны до поверхности земли (перекрытия) более 1,3 м необходимо применять ограждающие (улавливающие) устройства, а при невозможности их применения - предохранительный пояс. При перемещении и подаче на рабочие места грузоподъемными кранами кирпича, керамических камней и мелких блоков необходимо применять поддоны, контейнеры и грузозахватные устройства, предусмотренные в ППР, имеющие приспособления, исключающие падение груза при подъеме и изготовленные в установленном порядке. Рабочие, занятые на установке, очистке или снятии защитных козырьков, должны работать с предохранительными поясами. Ходить по козырькам, использовать их в качестве подмостей, а также складывать на них материалы не допускается. 8.1.3 Порядок производства работКладка стен ниже и на уровне перекрытия, устраиваемого из сборных железобетонных плит, должна производиться с подмостей нижележащего этажа. Не допускается монтировать плиты перекрытия без предварительно выложенного из кирпича бортика на два ряда выше укладываемых плит. Расшивку наружных швов кладки необходимо выполнять с перекрытия или подмостей после укладки каждого ряда. Запрещается находиться рабочим на стене во время проведения этой операции. Установка креплений карниза, облицовочных плит, а также опалубки кирпичных перемычек должна выполняться в соответствии с рабочей документацией. Снимать временные крепления элементов карниза, а также опалубки кирпичных перемычек допускается после достижения раствором прочности, установленной ППР. При кладке или облицовке наружных стен многоэтажных зданий запрещается производство работ во время грозы, снегопада, тумана, исключающих видимость в пределах фронта работ, или при скорости ветра более 15 м/с. 9. Защита населения и территории в чрезвычайных ситуациях9.1 Проведение эвакуационных мероприятий при пожаре9.1.1 Общие положенияТребования настоящего раздела направлены на: своевременную и беспрепятственную эвакуацию людей; спасение людей, которые могут подвергнуться воздействию опасных факторов пожара; защиту людей на путях эвакуации от воздействия опасных факторов пожара. Эвакуация представляет собой процесс организованного самостоятельного движения людей наружу из помещений, в которых имеется возможность воздействия на них опасных факторов пожара. Эвакуацией также следует считать несамостоятельное перемещение людей, относящихся к маломобильным группам населения, осуществляемое обслуживающим персоналом. Эвакуация осуществляется по путям эвакуации через эвакуационные выходы. Спасение представляет собой вынужденное перемещение людей наружу при воздействии на них опасных факторов пожара или при возникновении непосредственной угрозы этого воздействия. Спасение осуществляется самостоятельно, с помощью пожарных подразделений или специально обученного персонала, в том числе с использованием спасательных средств, через эвакуационные и аварийные выходы. Защита людей на путях эвакуации обеспечивается комплексом объемно-планировочных, эргономических, конструктивных, инженерно-технических и организационных мероприятий. Эвакуационные пути в пределах помещения должны обеспечивать безопасную эвакуацию людей через эвакуационные выходы из данного помещения без учета применяемых в нем средств пожаротушения и противодымной защиты. 9.1.2 Эвакуационные и аварийные выходыВыходы являются эвакуационными, если они ведут: а) из помещений первого этажа наружу: непосредственно; через коридор; через вестибюль (фойе); через лестничную клетку; через коридор и вестибюль (фойе); через коридор и лестничную клетку; б) из помещений любого этажа, кроме первого: непосредственно в лестничную клетку или на лестницу 3-го типа; в коридор, ведущий непосредственно в лестничную клетку или на лестницу 3-го типа; в холл (фойе), имеющий выход непосредственно в лестничную клетку или на лестницу 3-го типа; в) в соседнее помещение (кроме помещения класса Ф5 категории А или Б) на том же этаже, обеспеченное выходами, указанными в а и б; выход в помещение категории А или Б допускается считать эвакуационным, если он ведет из технического помещения без постоянных рабочих мест, предназначенного для обслуживания вышеуказанного помещения категории А или Б. Выходы из подвальных и цокольных этажей, являющиеся эвакуационными, как правило, следует предусматривать непосредственно наружу обособленными от общих лестничных клеток здания. Выходы, не отвечающие требованиям, предъявляемым к эвакуационным выходам, могут рассматриваться как аварийные и предусматриваться для повышения безопасности людей при пожаре. Аварийные выходы не учитываются при эвакуации в случае пожара. К аварийным выходам также относятся: а) выход на открытый балкон или лоджию с глухим простенком не менее 1,2 м от торца балкона (лоджии) до оконного проема (остекленной двери) или не менее 1,6 м между остекленными проемами, выходящими на балкон (лоджию); б) выход на открытый переход шириной не менее 0,6 м, ведущий в смежную секцию здания класса Ф1.3 или в смежный пожарный отсек через воздушную зону; в) выход на балкон или лоджию, оборудованные наружной лестницей, поэтажно соединяющей балконы или лоджии; г) выход непосредственно наружу из помещений с отметкой чистого пола не ниже - 4,5 м и не выше + 5,0 м через окно или дверь с размерами не менее 0,75х1,5 м, а также через люк размерами не менее 0,6х0,8 м; при этом выход через приямок должен быть оборудован лестницей в приямке, а выход через люк лестницей в помещении; уклон этих лестниц не нормируется; д) выход на кровлю здания I, II и III степеней огнестойкости классов С0 и С1 через окно, дверь или люк с размерами и лестницей по "г". Из технических этажей, предназначенных только для прокладки инженерных сетей, допускается предусматривать аварийные выходы через двери с размерами не менее 0,75х1,5 м, а также через люки с размерами не менее 0,6х0,8 м без устройства эвакуационных выходов. В данном проекте эвакуация предусмотрена через 2 лестничные клетки. Схема эвакуации людей при пожаре приведена на рис.9.1. 10. Противопожарные мероприятияДо начала основных строительно-монтажных работ на строительной площадки необходимо выполнить прокладку проектируемой сети водопровода с установкой пожарных гидрантов для обеспечения требуемого радиуса их обслуживания до 100,00 метров и возможности подъезда к ним пожарных машин, а также установить пожарные щиты из расчета один на 200 кв. территории. Комплектация пожарного щита должна соответствовать требованиям. На гидрантах должны быть четко нанесены цифры, указывающие расстояние до водоисточника. Во всех санитарно-бытовых помещениях и складских помещениях должны находиться первичные средства пожаротушения. У въезда на строительную площадку должен быть установлен план пожарной защиты с нанесением стоящимися и вспомогательными зданиями, въездами, подъездами, направлением движения транспортных средств, местонахождением водоисточников, средств пожаротушения и связи. Противопожарные мероприятия выполнены в соответствии со СНиП 2.01.02-85* “Противопожарные нормы" и СНиП 2.08.027-89 “Общественные здания. ” Помещения всех этажей имеют по два рассредоточенных выхода. Лестницы отделены от других помещений и коридоров перегородками и дверями с уплотнением и самозакрыванием. Технические помещения имеют противопожарные двери. Ширина наружных дверей не менее ширины лестничного марша. Выходы первого этажа сосредоточены по периметру, то есть исключены тупиковые коридоры. В качестве извещателей пожарной сигнализации приняты извещатели пожарные тепловые магнитные ИП 103-5, извещатели пожарные тепловые во взрывобезопасном исполнении ИП 103-1В/70, извещатели пожарные дымовые ДИП-3СУ /ИП 212-5СУ) и извещатели пожарные ручные ИПР-3СУ. Автоматические пожарные извещатели тепловые и дымовые устанавливаются в помещениях на потолках. Извещатели пожарные ручные устанавливаются на стенах на высоте 1,5 м от уровня пола на путях эвакуации людей. В качестве приемного устройства принят прибор приемно-контрольный ППК-2М (на 20 сигнальных линий) с блоком линейным БЛ-20М, которые устанавливаются в помещении гардероба верхней одежды (п.1 на первом этаже). Питание прибора ППК-2М напряжением 22В 50 Гц осуществляется от ящика управления и сигнализации ЯУС (см. шифр 01346-1-АК). В качестве аварийного источника питания прибора ППК-2М напряжением 24В постоянного тока предусмотрен блок резервного питания БРП-24-03Л (емкость аккум.42 Ач). Помещение, в котором устанавливается прибор пожарной сигнализации, обеспечено телефонной связью (см. шифр 01346-1-СС). 11. Охрана окружающей средыПри выполнении комплекса работ по реконструкции автовокзала, строительству наружных сетей, выполнению работ по благоустройству, озеленению и малым формам предусматривается осуществление ряда мероприятий по охране окружающей природной среды. Производственные и бытовые стоки, образующиеся на строительной площадке, должны очищаться и обезвреживаться. Работа строительных машин и механизмов должна быть отрегулирована на минимально допустимый уровень шума и выбросы выхлопных газов. Разборка строительных конструкций не должна образовывать запыленности окружающей территории. Отходы строительного производства должны регулярно собираться в металлические контейнеры и вывозиться в места их утилизации. Выезд машин со строительной площадки без их очистки от грязи не допускается. Временные подъездные дороги и пути перемещения строительных машин и механизмов должны устраиваться с учетом требований по предотвращению повреждений существующей древесно-кустарниковой растительности. ЗаключениеДипломный проект на тему "Реконструкция спального корпуса пансионата "Янтарь"в г. Сочи" выполнен в соответствии с заданием на проектирование и действующими нормами: СНиП и ГОСТами. В пояснительной записке выполнены следующие работы: технико-экономическое сравнение вариантов конструктивного решения и выбор основного варианта; теплотехнический расчет наружных ограждений; расчет основных несущих конструкций; сводный сметный расчет, объектная и локальные сметы; расчет складских помещений; расчет временных помещений; расчет численности персонала. Литература1. СНиП 2-01-82-89. Жилые здания. М., 1983. 2. СНиП П-3-79. Строительная теплотехника. М., 1982. 3. СНиП 11-12-77. Защита от шума. М., 1978. 4. СНиП 2.01.07-85. Нагрузки и воздействия. Нормы проектирования. М., 1988. 5. СНиП 11-22-81. Каменные и армокаменные конструкции. Нормы проектирования. М., 1982. 6. СНиП 11-7-89*. Строительство в сейсмических районах. Нормы проектирования. М., 1982. 7. СНиП 2-03.01-84* Бетонные и железобетонные конструкции. Нормы проектирования. М., 1985. 8. СНиП 2.01.01 - 82 Строительная климатология и геофизика. Стройиздат, 1983. 9. СНиП П-3-79** Строительная теплотехника. Нормы проектирования. М., 1986. 10. СНиП 2.01.02-85 Противопожарные нормы. Нормы проектирования. М., 1986. 11. Архитектура гражданских и промышленных зданий: Учебник для вузов. В 5-ти т. / Моск. инж.-строит. ин-т им. В.В. Куйбышева. - М.: Стройиздат, 1983. 12. Т. З Жилые здания / Л.Б. Великовский, А.С. Ильяшев, Т.Г. Маклакова и др.; Под общ. ред.К. К. Шевцова. - 2-е изд., перераб. и доп., 239 с. 13. Л.Г. Дикман. Организация жилищно-гражданского строительства. Справочник строителя. М.: Стройиздат, 1990-495 с. 14. Веселов В.А. Проектирование оснований и фундаментов: (основы теории и примеры расчета): Учеб. пособ. для вузов - 5 изд. M.: Стройиздат, 1990-304с. 15. Байков В.Н., Сигалов Э.Е. Железобетонные конструкции: Общий курс: Учеб. для ВУЗов - 5 изд. М.: Стройиздат, 1991-767 16. Бондаренко В.М., Судницын А.И., Назаренко В.Г. Расчет железобетонных и каменных конструкций: Учеб. пособие для строит. вузов/ Под ред. В.М. Бондаренко. - М.: Высш. шк., 1988-304 с., ил. 17. Генеральные планы гражданских и промышленных зданий. Методические указания по составлению генеральных планов в курсовом и дипломном проектировании для студентов всех форм обучения специальностей 29.03 - Промышленное и гражданское строительство / Кубан. гос. технол. ун-т; Н.Т. Пивень, В.А. Солодухин, Л.П. Флягана. Краснодар. 1995-34с. 18. Маклакова Т. Г, Нанасова С.М., Шараленко В.Г. Проектирование жилых и общественных зданий: Учеб. пособие для вузов / Под ред. Т.Г. Маклаковой. - М.: Высш. шк., 1998-400с. 19. Методические указания к курсовому проектированию по технологии строительного производства "Монтаж строительных конструкций" для студентов всех форм обучения специальностей 29.03 - Промышленное и гражданское строительство. - 2-е изд.; B. C. Дрешпак, P. P. Степанов, И.М. Степанов. Краснодар. / Кубан. гос. технол. ун-т; 1989-52с. 20. Методическое указания к выбору средств механизации монтажных работ для студентов всех форм обучения специальности 12,02 - Промышленное и гражданское строительство. Краснодар. КПИ, 1986 - 32 с. 21. Методическое указания к курсовому и дипломному проектам по возведению монолитных железобетонных конструкций по дисциплинам "Технология строительных процессов" и "Технология возведения зданий и сооружений" для студентов всех обучения специальностей 29.03 - Промышленное и гражданское строительство / Краснодар. КПИ; P. P. Степанов, И.М. Степанов. Краснодар. 1993 - 63с. 22. Методическое указания по разработке курсового проекта по дисциплине "Организация и планирование строительного производства" и раздела дипломного проекта "Организация строительства" для студентов всех форм обучения специальностей 29.03 - Промышленное и гражданское строительство специализации "Технология и организация строительства" / Кубан. гос. технол. ун-т; С.П. Король, В.М. Яковлев. Краснодар. 1995-38 с. 23. Методическое указания по выполнению технико-экономических расчетов в составе курсового проекта по дисциплине "Организация и планирование строительного производства" и раздела дипломного проекта "Организация строительства" для студентов всех форм обучения специальностей 29.03 - Промышленное и гражданское строительство специализации "Технология и организация строительства" / Кубан. гос. технол. ун-т; С.П. Король, В.М. Яковлев; В.А. Пархоменко; В.А. Кириченко. Краснодар. 1995-38с. 24. Методическое указания по разработке строительного генерального плана расчетов в составе курсового проекта по дисциплине "Организация и планирование строительного производства" и раздела дипломного проекта "Организация строительства" для студентов всех форм обучения специальностей 29.03 - Промышленное и гражданское строительство специализации "Технология и организация строительства" / Кубан. гос. технол. ун-т; С.П. Король. Краснодар. 1995-34 с. 25. Методические указания для проведения практических занятий по дисциплине "Организация и планирование строительного производства" для студентов всех форм обучения специальностей 29.03 - Промышленное и гражданское строительство специализации "Технология и организация строительства" / Кубан. гос. технсг, ун-т; С.П. Король, В.М. Яковлев. Краснодар. 1995-44 с. 26. Методическое указания по разработке экономической части дипломного проекта длястудентов специальности 12.02 - "Промышленное и гражданское / Краснодар. КПИ, 1984-48 с. 27. Теплотехнический расчет ограждающих конструкций зданий. Методические указания к курсовому и дипломному проектированию для студентов всех форм обучения специальностей 29.03 - Промышленное и гражданское строительство / Кубан. Гос. технол. ун-т; Краснодар. 1987-50 с. |
|||||||||||||||||||||||||||||||||||||||||||||||||||||||||||||||||||||||||||||||||||||||||||||||||||||||||||||||||||||||||||||||||||||||||||||||||||||||||||||||||||||||||||||||||||||||||||||||||||||||||||||||||||||||||||||||||||||||||||||||||||||||||||||||||||||||||||||||||||||||||||||||||||||||||||||||||||||||||||||||||||||||||||||||||||||||||||||||||||||||||||||||||||||||||||||||||||||||||||||||||||||||||||||||||||||||||||||||||||||||||||||||||||||||||||||||||||||||||||||||||||||||||||||||||||||||||||||||||||||||||||||||||||||||||||||||||||||||||||||||||||||||||||||||||||||||||||||||||||||||||||||||||||||||||||||||||||||||||||||||||||||||||||||||||||||||||||||||||||||||||||||||||||||||||||||||||||||||||||||||||||||||||||||||||||||||||||||||||||||||||||||||||||||||||||||||||||||||||||||||||||||||||||||||||||||||||||||||||||||||||||||||||||||||||||||||||||||||||||||||||||||||||||||||||||||||||||||||||||||||||||||||||||||||||||||||||||||||||||||||||||||||||||||||||||||||||||||||||||||||





