Курсовая работа: Математическая модель цифрового вольтметра
|
Название: Математическая модель цифрового вольтметра Раздел: Рефераты по математике Тип: курсовая работа | ||||||||||||||||||||||||||||||||||||||||||||||||||||||||||||||||||||||||||||
Аннотация измерительный техника интегратор компаратор В данном курсовом проекте разработан цифровой вольтметр (ЦВ), работающий по принципу двойного интегрирования и имеющий следующие технические характеристики: Вид измеряемого напряжения – постоянное; Пределы измерения-10-0 В Точность измерения0.008 % Время измерения0.05 с Основная элементная база цифрового вольтметра – цифровые микросхемы ТТЛ логики. Схема ЦВ предусматривает выбор одного из двух пределов измерения (для более точного измерения малых напряжений), защиту входной цепи от перенапряжения и подачи напряжения обратной полярности. Для питания ЦВ разработана схема блока питания, вырабатывающего все необходимые для вольтметра напряжения Содержание Введение 1. Структурная схема цифрового вольтметра 2. Расчет основных параметров вольтметра 3. Схемотехника узлов цифрового вольтметра 3.1 Расчет входного устройства. Рассчитаем делитель: 3.2 Электронный переключатель 3.3 Интегратор 3.4 Компаратор 3.5 Триггер 3.8Генератор счетных импульсов и устройство управления 4 Расчет погрешности вольтметра 5 Расчет потребляемой мощности ЦВ 6 Блок питания Заключение Литература Приложение А Приложение Б Приложение В Измерительная техника - один из важнейших факторов ускорения научно-технического прогресса практически во всех отраслях народного хозяйства. При описании явлений и процессов, а также свойств материальных тел используются различные физические величины, число которых достигает нескольких тысяч: электрические, магнитные, пространственные и временные; механические, акустические, оптические, химические, биологические и др. При этом указанные величины отличаются не только качественно, но и количественно и оцениваются различными числовыми значениями. Установление числового значения физической величины осуществляется путем измерения. Результатом измерения является количественная характеристика в виде именованного числа с одновременной оценкой степени приближения полученного значения измеряемой величины к истинному значению физической величины. Нахождение числового значения измеряемой величины возможно лишь опытным путем, т.е. в процессе физического эксперимента. Измерительная техника начала свое развитие с 40-х годов XVIIв. и характеризуется последовательным переходом от показывающих (середина и вторая половина XIXв.), аналоговых самопишущих (конец XIX– начало XXв.), автоматических и цифровых приборов (середина XXв. – 50-е годы) к информационно-измерительным системам. Конец XIXв. характеризовался первыми успехами радиосвязи и радиоэлектроники. Ее развитие привело к необходимости создания средств измерительной техники нового типа, рассчитанных на малые входные сигналы, высокие частоты и высокоомные входы. В этих новых средствах измерительной техники использовались радиоэлектронные компоненты - выпрямители, усилители, модуляторы и генераторы (ламповые, транзисторные, на микросхемах), электронно-лучевые трубки (при построении осциллографов) и др. Развитие дискретных средств измерительной техники в настоящее время привело к созданию цифровых вольтметров постоянного тока, погрешность показаний которых ниже 0,0001%, а быстродействие преобразователей напряжение-код достигает нескольких миллиардов измерений в секунду. Широкие возможности открылись перед измерительной техникой в связи с появлением микропроцессоров и микроЭВМ. Благодаря им значительно расширились области применения средств измерительной техники, улучшились их технические характеристики, повысились надежность и быстродействие, открылись пути реализации задач, которые ранее не могли быть решены. По широте и эффективности применения микропроцессоров одно из первых мест занимает измерительная техника, причем все более широко применяются микропроцессоры в системах управления. Трудно переоценить значение микропроцессоров и микроЭВМ при создании автоматизированных средств измерений, предназначенных для управления, исследования, контроля и испытаний сложных объектов. Развитие науки и техники требует постоянного совершенствования средств измерительной техники, роль которой неуклонно растет. 1. Структурная схема цифрового вольтметра Структурная схема цифрового вольтметра с двойным интегрированием приведена на рисунке 1. Цикл преобразования состоит из двух интервалов времени Т1 и Т2 . В начале цикла устройство управления вырабатывает прямоугольный импульс калиброванной длительности Т1 , который подается на электронный переключатель. И за время Т1 с входного устройства через электронный переключатель на интегратор подается входное напряжение постоянного тока. Начинается первый такт интегрирования “вверх”, при котором выходное напряжение интегратора растет по линейному закону:
где Uвых – напряжение на выходе интегратора, В; R– сопротивление, Ом; C– емкость конденсатора, Ф; Uвх – входное напряжение, В; t1 – начальный момент интегрирования (момент появления фронта импульса Т1 ); t2 – конечный момент интегрирования. Крутизна этого напряжения пропорциональна входному напряжению Ux. В момент t1 (рисунок 2), когда наступило окончание первого импульса, триггер из состояния «0» перебрасывается в состояние «1» , а электронный переключатель отключает входное напряжение от интегратора и к интегратору подключается источник опорного напряжения. Напряжение на компараторе остается равным «1». И начинается второй такт интегрирования “вниз”, т.к. источник опорного напряжения имеет противоположную полярность по отношению к измеряемому напряжению. Напряжение на выходе интегратора линейно убывает. И в момент t2 , когда напряжение на выходе интегратора будет равно «0», тогда компаратор переключится из состояния «1» в состояние «0». И в этот же момент триггер закроется, т.е. на его выходе будет состояние «0» Во время второго такта, когда триггер открыт, через него проходят импульсы высокой частоты на временной селектор, т.е. во временном селекторе импульс, который приходит с триггера, заполняется импульсами высокой частоты, приходящих с генератора тактовой частоты. Это количество импульсов пропорционально измеряемому напряжению. Начало следующего цикла задается фронтом импульса Т1 . Рис.
Рисунок 2 - Графики, поясняющие принцип работы вольтметра 2 Расч ет основных параметров вольтметра Напряжение на выходе интегратора при интегрировании «вверх» в произвольный момент времени (начало отсчета времени – момент появления фронта импульса длительностью Т1 ):
где RC– постоянная времени интегратора; t– независимая переменная величина (время). В конце интервала интегрирования напряжение на выходе интегратора:
При интегрировании “вниз”:
В момент
Так как процесс интегрирования опорного напряжения заканчивается когда выходное напряжение интегратора становится равным нулю, то, положив в формуле (2)
Перепишем (3) в виде: где tи - время управляющего импульса. Так как у нас время измерения равно 0,05с., то время первого такта интегрирования равно : Для более точного расчёта примем Для обеспечения заданной точности измерения (0.008%), входное напряжение должно измеряться с точностью 0,0008В. Следовательно в схеме индикации мы используем 5 индикаторов. Одному вольту входного напряжения у нас соответствует Nx=10000 импульсов. Так как максимальное время измерения Т1=0,02с., то частота счётных импульсов поступающих с генератора равна:
|
||||||||||||||||||||||||||||||||||||||||||||||||||||||||||||||||||||||||||||
|
3.7 Генератор счетных и управляющих импульсов
Рассмотрим схему генератора с кварцевым резонатором, выполненным на логических элементах ИЛИ-НЕ. Элемент DD14.1 охвачен здесь 100 %-ной отрицательной обратной связью и, следовательно, представляет собой просто усилитель с коэффициентом передачи 1. Элемент DD14.2 представляет собой логический инвертор, который в моменты переключения из одного состояния в другое вносит в цепь небольшое усиление, достаточное для компенсации потерь в кварцевом резонаторе и, значит, для возникновения незатухающего колебательного процесса. Напряжение на выходе генератора имеет вид последовательности прямоугольных импульсов.
Основная задача генератора с кварцевым резонатором - получение колебаний с весьма стабильной частотой. Для этого, нужно в максимально возможной степени уменьшить влияние на работу кварцевого резонатора подсоединяемой к нему внешней электрической цепи. Для этой цели добавлен элемент DD14.3.Частота автогенератора будет определяться только частотой кварца.
Так как нам требуется частота импульсов 500 кГц и 20 Гц, то воспользуемся кварцевым генератором на 500 кГц. Используя два 4-х разрядных счетчика К155ИЕ5 и элемент К555ИЕ19 (два 4-х разрядных счетчика). Разделим частоту на 25000 и получим 20 Гц – для управляющего импульса.

Рисунок 14 – Генератор управляющих импульсов
4. Расчет погрешности вольтметра
Погрешность дискретности возникает при измерении интервала времени заполняемого счетными импульсами. Она возникает вследствие того, что моменты появления счетных импульсов не синхронизированы с фронтом заполняемого ими временного интервала. В реальной схеме непосредственно подсчитываются счетные импульсы, а не временные интервалы их следования, поэтому округление может производиться как в сторону большего, так и в сторону меньшего значения, не обязательно до ближайшего целого.
Максимальное значение абсолютной погрешности составляет "плюс-минус" один период следования счетных импульсов.
Так при частоте F0
=500 кГц период следования ![]()
т.е. максимум абсолютной погрешности составляет ![]()
Полная погрешность вольтметра определяется как корень из суммы погрешностей отдельных блоков вольтметра. В данном случае это: погрешность входного делителя напряжения, погрешность индикации, погрешность дискретности и погрешность задающего генератора.
![]()
sвх – погрешность входного делителя, так как в делителе используются прецизионные резисторы, то погрешность делителя определяется погрешностью этих резисторов и составляет 0.002%.
sинд - погрешность индикации равна 0,001%
– погрешность дискретизации равная
%
![]()
Данная погрешность не превышает заданную.
5. Расчет потребляемой мощности ЦВ
В разработанном устройстве применены различные цифровые и аналоговые микросхемы, питание микросхем осуществляется от различных источников напряжения, они потребляют различные токи. Для удобства расчета сведем все параметры в таблицу (см. таблицу 2).
| Таблица 2 – Параметры микросхем | ||||
| Микросхема | Кол-во | Uпит, В | Iпотр, мА | Рпотр, мВт |
| КР544УД1 | 1 | 15 | 3,5 | 52,5 |
| К554СА3 | 2 | 15 | 6 | 180 |
| К155ТВ1 | 1 | 6 | 15 | 90 |
| К155ИЕ5 | 1 | 5 | 20 | 100 |
| К555ИЕ19 | 4 | 5 | 26 | 520 |
| К555ИД2 | 4 | 5 | 10 | 200 |
Таким образом: для напряжения +5В потребляемая мощность составляет 820 мВт или 0.82 Вт; для напряжения ±15В потребляемая мощность составляет 232,5 мВт или 0.232 Вт. Следовательно все устройство потребляет 1,052 Вт. Для большей надежности увеличим потребляемую мощность на 30%, она составит 1,368 Вт.
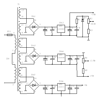
Источник питания имеет выводы с напряжением: +15, -15, +5, -5, -12.5, +10.1. Суммарная потребляемая мощность элементов, используемых в вольтметре, питающихся от различных напряжений равна:
при Uпит=+15 В »0.3Вт(»0.02А)
при Uпит=-15 В »0.3Вт(»0.02А)
при Uпит=+10.1 В »1.385Вт(»0.277А)
Исходя из этого наиболее подходящим является трансформатор ТПП258-127/220-50. Исходя из его характеристик можно сделать вывод, что допустимый ток вторичных обмоток трансформатора больше (для Uпит=±15 В более, чем в 20 раз, а для U=±5 В – почти в 1.5 раза) максимально возможного потребляемого тока элементами вольтметра для каждого из Uпит, а это значит, что данный трансформатор можно применять для питания элементов в схеме. Особенностью трансформатора типа ТПП является то, что у него, как правило, низкое напряжение вторичных обмоток, поэтому данный тип трансформатора применяется в основном для питания устройств в радиоэлектронике.
В качестве выпрямительных элементов используем микросхемы К142НД1 - набор диодов. Нумерация выводов приведена на рисунке 13.

Рисунок 13 - Выпрямительный элемент К142НД1
В блокепитаниятакжеприменяютсясхемыделителейнапряжениядляполучения+10.1внарезисторахс2-29вравныхr2=1комиr3=2ком;-12.5внарезисторахr4=1комиr5=0.2комсдопусками 0.05%.
Для сглаживания пульсаций применены конденсаторы конденсаторы типов К50-20 на 2000мкФ (С1, С3, С5, С7, С9, С11) для сглаживания пульсаций, К40У-9 на 1мкФ (С2, С4, С6, С8, С10, С12) для борьбы с ВЧ помехами.
Схемы стабилизации напряжения служат для стабилизации в цепи выходного напряжения и выполнена согласно требованиям нашего вольтметра на стабилизаторах К142ЕН5А и К142ЕН8Б.
Схема включения приведена на рисунке 14.

Рисунок 14- Схема включения стабилизатора напряжения
Основные параметры трансформатора ТПП258-127/220-50 приведены в таблице 3, стабилизаторов К142ЕН5А и К142ЕН8Б – в таблице 4.
Таблица 3 – Параметры трансформатора
| Номинальная мощность, ВА | Напряжение вторичных обмоток, В | Допустимый ток вторичных обмоток, А | ||||
31,0 |
11-12 | 13-14 | 15-16,17-18 | 19-20 | 21-22 | 0,475 |
| 10 | 9,98 | 20 | 2,6 | 2,6 | ||
Таблица 4 – Параметры стабилизаторов
| Тип стабилизатора | Кн U ,% | Кн I ,% | Uвых , В | Iпот , мА |
| К142ЕН5А | 0,05 | 3 | 4,9..5,1 | 10 |
| К142ЕН8Б | 0,05 | 1 | 14,55..15,45 | 10 |

Рисунок 15- Блок питания
Заключение
В данном курсовом проекте был разработан цифровой вольтметр (ЦВ), работающий по принципу двойного интегрирования и имеющий следующие технические характеристики:
Вид измеряемого напряжения – постоянное;
Пределы измерения0-10 В
Точность измерения0.1%
Время измерения0.01 с
Для питания цифрового вольтметра был разработан блок питания, вырабатывающий все необходимые напряжения.
Литература
1. В.Л. Шило «Популярные цифровые микросхемы»; Справочник. Челябинск. «Металлургия», 1989 г.
2. «Резисторы». Справочник. М. «Радио и связь», 1993г.
3. «Конденсаторы». Справочник. М. «Радио и связь», 1993г.
4. «Цифровые и аналоговые интегральные схемы». Справочник. М. «Радио и связь», 1990г.
5. «Диоды». Справочник. М. «Радио и связь», 1990г.
6. «Полупроводниковые приборы: диоды, выпрямители, стабилитроны, тиристоры». Справочник. М «КУБ-а». 1994г.
7. В.С Гутников «Операционные усилители». М. «Энергия». 1975г.
8. Б.Л. Лисицын «Отечественные приборы индикации и их зарубежные аналоги».
9. «Резисторы, конденсаторы, трансформаторы, дроссели, коммутационные устройства РЭА». Справочник. Минск. «Беларусь». 1994г.
10. Вуколов Н.И, Михайлов А.Н., «Знакосинтезирующие индикаторы». Справочник. М. «Радио и связь», 1993г.
11. А.В. Шилейко «Электронные устройства железнодорожной автоматики, телемеханики и связи», 1989 г.
12. Цифровые интегральные микросхемы; Справочник. Минск. «Беларусь», 1991г. 13 В.С. Кострома, В.Я. Яцкевич «Электронные устройства в железнодорожной автоматике, телемеханике и связи». Методические указания по курсовому проектированию. Часть I. Разработка цифрового вольтметра.


;(1)
;
;(2)
,






