Курсовая работа: Зварювальний станок AKS 560
|
Название: Зварювальний станок AKS 560 Раздел: Промышленность, производство Тип: курсовая работа | ||||||||||||||||||||||||||||||||||||||||||||||||||||||||||||||||||||||||||||||||||||||||||||||||||||||||||||||||||||||||||||||||||||||||||||||||||||||||||||||||||||||||||||||||||||||||||||||||||||||||||||||||||||||||||||||||||||||||||||||||||||||||||||||||||||||||||||||||||||||||||||||||||||||||||||||||||||||||||||||||||||||||||||||||||||||||||||||||||||||||||||||||||||||||||||||||||||||||||||||||||||||||||||||||||||||||||||||||||||||||||||||||||||||||||||||||||||||||||||||||||||||||||||||||||||||||||||||||||||||||||||||||||||||||||||||||||||||||||||||||||||||||||||||||||||||||||||||||||||||||||||||||||||||||||||||||||||||
І. ЗАГАЛЬНА ЧАСТИНА 1.1 Вступ Чудасія початку 90-х – металопластикові вікна і двері - перетворилися на звичний атрибут сучасного будівництва і ремонту, що надав нові можливості для будівників і архітекторів. У всі часи при проектуванні будівель вікнам надавалося велике значення. Розміщення вікон на поверхні стін, їх ритм, розміри отворів, форма перемичок завжди залишалися важливими задачами архітектора в процесі проектування. Для масштабного сприйняття будівель особливе значення надавалося розчленовуванням віконних палітурок. Так створювалися фасади, які завдяки загальному гармонійному враженню відображали смак часу, а в наших сьогоднішніх поняттях представляють певний стиль. Крім сильного впливу на зовнішній вигляд будівель, вікна вирішальним чином впливають на якість інтер'єрів і комфортність житла. Ні для кого не секрет, що в інтер'єрі вікно займає найважливіше місце. Воно може бути байдужим статистом і підкреслювати загальний стиль, а може стати однією з центральних фігур, задаючих загальну лінію дизайну. У будь-якому випадку роль вікна вельми важлива, оскільки воно неодмінне впливає на атмосферу приміщення, зумовлюючи ритм його життя і зв'язок із зовнішнім світом. Вікна можуть бути виготовлені з різних матеріалів: дерева, металу, полівінілхлориду (ПВХ), з їх комбінацій. Проте серед всієї цієї різноманітності все більшою популярністю користуються вікна, виготовлені з полівінілхлориду (ПВХ). Цей матеріал енергійно витісняє традиційні дерев'яні вікна не тільки в Європі, але і в нашій країні. Достатньо сказати, в Німеччині, країні, де народжується "віконна мода", в житлових будинках встановлено. А в Україні кожне третє вікно, вироблюване сьогодні, виготовлено з ПВХ. 1.2 Конструкція, робота та експлуатаційні особливості станка Зварювальний станок AKS 560 призначений для зварювання встик з обмеженням зварочного наплаву в 2,0 мм за допомогою якого можливе зварювання віконного профілю під кутом 30-180º.
Рис. 1. Загальний вид зварювального станка. 1. Станина. 2. Рейка для пересування зварювального супорта. 3. Пульт управління. 4. Стиковочний стіл. 5. Кутові напрямні. 6. Зварювальний супорт 7. Зварювальна головка 8. Пневмопровід. 9. Показуючий пристрій температури. 10. Показуючий пристрій тиску. 11. Пневмоприжим. Технічні характеристики станка. Діапазон завдання часу оплавлення 0,1-300с Діапазон завдання часу остигання 0,1-300c Напруга живлення ~220 +10-15%, 50 Гц 1-фазної електромережі Максимальна споживана потужність - 1,1 кВт Споживання повітря -250 л/хв. Тиск повітря - 6-8 бар Кут зварювання профілю: Мінімальний - 30° Максимальний - 180° Габаритні розміри: Довжина - 1680 мм Ширина - 580 мм Висота - 1350 мм Маса - 300 кг Робота зварювального станка. Для початку роботи робітник повинен виставити зварювальний супорт на потрібну йому відстань по пересувній рейці. Після встановлення супорта потрібно виставити потрібний кут на кутових напрямних для задання потрібного куту зварювання. Після цього вмикаються станок відповідними кнопками на пульті управління. Робітник встановлює металопрофілі для зварювання в стиковочний стіл, де ці заготовки після їх встановлення фіксуються пневмозатискачем. Разом з притискачем встановлюється зазор між кутовим стиком металопрофілей в 2,0 мм для проходження зварювальної головки яка своїм нагрівом розігріває стик профілей і через деякий час після опускання зварювальної головки пневматика здійснює стикування розігрітих профілей для формування зварювального шва елементів. Після виходу часу остигання пневмоприжим відпускає виріб і робітник забирає його з робочого столу для виконання слідую чого зварювання в такій ж самій послідовності.
Рис. 2. Схема електрична принципова управління до модернізації.
Рис. 3 Схема електрична силова до модернізації. зварювання наплив станок тиск Електрична схема працює таким чином: Для роботи силової частини станка використовуються кнопки SB2 та SB3, де SB2 – вмикає пневмосистему, а SB3 – нагрівний елемент. Після усіх налаштувань та встановлення заготовок робітник натискає на кнопку SB4 вмикаючи таким чином пневмоприжим . Кнопкою SB5 вмикається пневматичний привід зварювальної головки через електромагніт YA2. Час зварювання контролюється реле часу КТ1. Після спрацювання КТ1 спрацьовує ланка контролю часу на остигання заготовки, спрацювавши вимикає пневмоприжим заготовки контактом KT2. 1.3 Огляд основних напрямків на автоматизацію технологічної роботи станка При вивченні принципу роботи і конструкції роботи зварювального станка мною було виявлено ряд недоліків які пов‘язані в першу чергу з відсутністю автоматизованих приводів, відсутністю контролю режимів роботи обладнання і аварійних режимів . Таким чином основні напрямки на модернізацію являються: 1. Оптимізація та модернізація механічних частин станка. 2. Контроль і регулювання температури зварювання. 3. Контроль робочого тиску в пневмосистемі. 4. Аварійна сигналізація роботи станка. Виходячи з загального виду та конструктивних особливостей станка було виявлено, що він є повністю з ручним встановленням та закріпленням рухомого супорту та заготовок, тому здійснюю модернізацію шляхом встановлення автоматизованого приводу пересування супорта з фіксуванням. Переміщення супорту здійснюється асинхронним двигуном через черв‘ячну передачу. Також для збільшення функціональності та зручності роботи слід встановити до станини станка допоміжний стіл. Таким чином конструкція станка буде нагадувати букву „Т” і таким чином досягнеться швидкодія та точність зварювання (Рис. 4.). Де 1. Супорт. 2. Рейки для переміщення супорту. 3. Допоміжний стіл. 4. Пневмовідділ. 5. Двигун приводу переміщення супорту 6. Пульт управління
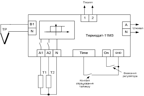
Рис. 4. Розміщення допоміжних складових станка вид зверху. Перш за все потрібно контролювати температуру нагрівних елементів. Для цього потрібно встановити датчик температури з пропорційним законом регулювання котрий має вхідний канал для підключення датчика температури та вихідний канал для керуючої дії, тобто вмикати чи вимикати нагрівальний елемент. Тому обираю регулятор температури Термодат-11М3. Даний датчик в своєму наборі має вихідне реле з максимальним струмом навантаження в 8 А та напругою 220В на який під‘єднано нагрівальний тен. На вхід регулятора підключається термопара. (основні данні регулятора наведені в додатку )
Рис. 5 Схема підключення регулятора. Схема електрична принципова автоматично запускає таймер роботи коли температура тену дійшла до робочої, адже для зварювання потрібний діапазон температури від 220 до 240 ºС, для цього використовується контакт вихідного реле Тnorm. Для пневмосистеми станка потрібний робочий тиск в 6 атм. Обираю датчик тиску РА9020 котрий має робочий тиск до 400 бар та вихідний контактний сигнал
Рис.6.Електрична схема підключення датчика: Досить не сучасним є використання електричних схем на реле. Тому, з використанням сучасних технологій та мінімізації буде використано логічні ІМС Контроль операцій схемою управління буде виконуватися світлодіодними лампами індикації, котрі будуть підключені через логічну розв‘язку мікросхем . Так , як силова схема захищається автоматичними вимикачами, то слід застосувати захист від КЗ шляхом під єднання до логічних мікросхем контактів автоматів. Таким ж чином буде під‘єднуватися реле напруги. Спрацювання цих елементів буде фіксуватися електричною схемою захисту , а та в свою чергу вимикатиме роботу установки та вмикатиме світлову сигналізацію.
Рис.7 Схема сигналізації аварійних режимів. 2 ПРОЕКТНО-РОЗРАХУНКОВА ЧАСТИНА 2.1 Технічні умови на проектування Комутація двигунів симісторами. Елементи схеми управління на ІМС з узгодженням з оптронами Точне завдання й можливість корекції необхідних параметрів процесу зварювання: - температури - часу оплавлення - часу остигання Кількість ресиверів – 1 шт Ємність одного ресивера – 1 м2 Робочий тиск на виході – 6+/-0,1 атм Забезпечити захист: - перенавантаженні - короткого замикання - обриву фаз Напруга живлення силової частини - 380В Схеми управління – 5 В Допоміжний блок живлення – 24 В ηред=0,8 Швидкість переміщення – 0,1 м/с Відстань переміщення – 2,3 м 2.2 Розробки схеми функціональної автоматизації В даному курсовому проекті при розробці автоматизації процесу зварювання металопрофілю мною було використано комплекти: - контроль переміщення супорта вправо. Комплект складається: – В якості датчика та перетворювача вхідного сигналу слугує кінцевий вимикач. – В якості впливу на схему управління використовую контактний вихід що подається в принципову схему. - контроль переміщення супорта вліво. Комплект складається з: – В якості датчика та перетворювача вхідного сигналу слугує кінцевий вимикач. – В якості впливу на схему управління використовую контактний вихід що подається в принципову схему. - контроль тиску в пневмосистемі . Комплект складається з: – В якості датчика та перетворювача вхідного сигналу слугує датчик РА9020. – В якості впливу на схему управління використовую вихід аналогового сигналу що подається в принципову схему контроль температури . Комплект складається з: – В якості датчика та перетворювача вхідного сигналу слугує термопара. – В якості впливу на схему управління використовую вихід аналогового сигналу що подається до нагрівного елементу через регулятор Термодат-11М3
Рис. 8. Функціональна схема станка. 2.3 Розробка і розрахунок циклограми робочих органів Схемою електричною принциповою передбачено автоматичне вмикання тену за допомогою регулятора температури релейним законом управління
Рис.9 Циклограма роботи Час на підйом та опускання траверси
2.4 Розробка циклограми вхідних та вихідних елементів Вхідні елементи SB1 – Загальний стоп SB2 – Вмикання установки і запуск пневмодвигуна SB3 – Рух суппорта вправо SB4 – Рух суппорта вліво SB5 – Режим зварювання SP – датчик контролю тиску Tнорм – Датчик температури тену QF2 – автомат несправності двигуна М1 QF3 - автомат несправності двигуна М2 KU – реле напруги КТ1 – контакт реле часу з терморегулятора Вихідні елементи. VS1-3 – Привод двигуна М1. VS4-6 – Привід двигуна М2 переміщення супорту вправо . VS7-9 – Привід двигуна М2 переміщення супорту вліво. T1 – Вмикання тену. YA1-3 – Електромагнітні пневмоклапани. Cхема захисту і сигналізації спрацьовує при спрацюванні одного з автоматів або реле обриву фаз і відключає всю схему управління.
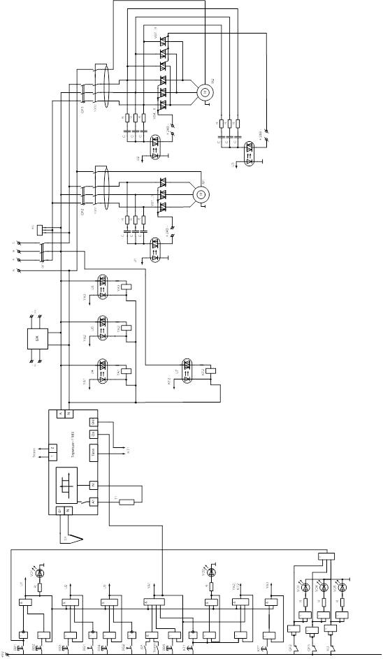
Рис. 10 Циклограма вхідних та вихідних елементів . 2.5 Розробка математичної моделі схеми управління Y=SB1KV8([(SB2+KV1)KV1VD1+(SB3+KM1)KM1SQ1+(SB4+KM2)KM2SQ2+ SPTnor(KV2+SB5)KV3KV2YA1+KV2TMYA2+KT1KV3YA3+(KV3+KV4)KM4KT2VD2)+ (QF2+KV5)KM5VD3+(QF3+KV6)KM6VD4+(KU+KV7)KM7VD7+(KV5+KV6+KV7)KV8 2.6 Розробка схеми електричної принципової Принцип роботи схеми: При натисканні на кнопку SB2 – вмикається рабочий режим станка і запускається двигун пневмонасосу. Робітник натискає на кнопку SB3 – якою при натисненні пересувається супорт вправо через черв’ячну передачу. Крайнє верхнє положення траверси контролюється кінцевим вимикачам SQ1. Кнопкою SB4 – переміщення супорта вліво до спрацювання кінцевого вимикача SQ2. Коли тиск в пневмосистемі має заданий рівень і заготовки вже встановлені в робочій зоні, то робітник натискає на кнопку SB5 – вмикається регулятор температури, котрий вмикає тен та спрацьовує пневмоклапан YA1- пневмозатискач заготовок. Коли нагрівник достатньо нагрітий, то автоматично здійснюється спрацювання пневмоклапана YA2, який піднімає зварювальну головку в місце стику на деякий час, який регулюється реле часу КТ1. Після спрацювання реле часу КТ1 автоматично вимикається пневмоклапан YA2 і вмикається режим стикування заготовок через пневмоклапан YA3 на час охолодження, що регулюється реле часу КТ2. При неполадці чи перевищенні одного з параметрів вмикається сигналізація та вимикається схема управління, а елемент, котрий необхідно полагодити чи перевірити буде сигналізуватися своїм індикатором на світлодіоді.
2.7 Розрахунок та вибір елементів контролю та регулювання , силового обладнання та захисту на базі ПК з використанням електронної бази даних 2.7.1 Розрахунок пневмодвигуна:
Q – продуктивність = P*V/t t=1000c P=6 атм V=1м3 ηк=0,8 ηп=0,9 kз=1.1 A=280дж/м3
Вибираємо тип двигуна 4АХД100S2 Рн = 3 кВт, n = 2880 об/хв , Ін.=5,7А. 2.7.2 Розраховуємо двигун переміщення супорту Потужність двигуна розраховується за формулою (2.ст56);
де F – сила, яку повинен подолати двигун, Н. V – швидкість обертання, об/хв. η – ККД приводу kт=1,6 F=mрух частин х 9,8 х kт =147*9,8*1,6=2320 Н
Обираємо двигун на 0,37 кВт типу 4АХД56М2 Iн=0,7А n=2850об/хв Cos φ 0.80 ККД=83%(див додатки, табл.1.) 2.7.3 Вибір автомата двигуна пневмонасоса Для розрахунку струму спрацювання автомата , використовується формула (2. с 87. IV.4): Іавт=k х Iн/а, А. (2). де а – 0,8...3. Ін- номінальний струм двигуна k – кратність пускового струму до номінального. Іавт=7 х 5,7/1=40А Струм теплового розчеплювача автомата розраховується за формулою (2. с 89. IV.7): Ітепл= 1,1...2,5Ін (3). Ітепл=1,5 х 5,7=9А. Обираю автомат типу BA88 - 35 Iт=9А Iел=40А(струм спрацювання виставляється вручну) 2.7.4 Вибір автомата двигуна переміщення супорту Для розрахунку струму спрацювання автомата , використовується формула (2. с 87. IV.4): Іавт=k х Iн/а, А. (2). де а – 0,8...3. Ін- номінальний струм двигуна k – кратність пускового струму до номінального. Іавт=7 х 0,7/1=5А Струм теплового розчеплювача автомата розраховується за формулою (2. с 89. IV.7): Ітепл= 1,1...2,5Ін (3). Ітепл=1,5 х 0,7=1А. Обираю автомат типу BA88 - 32 Iт=1А Iел=5А(струм спрацювання виставляється вручну) 2.7.5 Вибір силових симісторів двигуна пневмонасосу Для нормального запуску двигуна потрібно обирати симістори у яких робочий струм повинен перевищувати пусковий струм двигуна, щоб симістор в момент запуску не вийшов з ладу. Робочий струм симістора розраховується за формулою (3. с 51). Ісим=(k*Ін)*X, A. (8). де k – кратність пускового струму двигуна. Ін – номінальний струм двигуна, А. X – коефіцієнт запасу по струму (1,1...1,5). Ісим=(7 х 5,7) х 1,5=60 А. Обираємо силові симістори типу ТС142-63. 2.7.6 Вибір силових симісторів двигуна супорту Ісим=(7 х 0,7) х 1,5=7,5 А. Обираємо силові симістори типу ТС112-10. 2.7.7 Розрахунок резисторів та конденсаторів в колі оптронів та вибір оптронів Рспр=1Вт – потужність спрацювання симісторів Uж=24В – напруга живлення в колі симісторів В колі оптрона потрібно погасити напругу : Uгас=380-Uж=380-24=356В. Ігас=Рспр/Uгас=1/356=0,0028А – струм гасіння в колі управління симісторів. Розраховуємо опір гасіння: R=Uгас/Iгас=356/0,0028=127кОм. Обираю конденсатор ємністю 0,1мкФ з робочою напругою 500В котрий має опір частоті 50Гц: Хс=1/2πfc=1/2 х 3,14 х 50 х 0,1 х 10-6=32 кОм. Опір резисторів рівний: 127-32=95кОм. Найближчий номінал резистора рівний 100 кОм. Потужність розсіювання резистора: Рроз=І2 х R=0.00282 х 100000=0,78 Вт Найближчий номінал потужності росіювання рівний 1 вт. Тому виходячи з робочих струмів в колі управління симісторами обираю оптрони типу МОС3081 для всіх двигунів (див.додатки табл. 5). 2.7.8 Вибір реле обриву фаз Для захисту обладнання необхідно контролювати зміну напруги в три-фазному колі. Для цього використовую реле контролю трифазних кіл, яке повинно мати велику швидкодію, просліджувати любі зміни напруги в колі. Згідно необхідних вимог обираю реле контролю трифазних кіл типу TRW400VN4X U=200…400B (див додатки табл. 6). 2.7.9 Вибір блоку живлення Для схеми управління необхідне живлення 5 В та 24 В. Тому вибираю стабілізований здвоєнний блок живлення типу ABL-7RE2405 P=60Вт(див. додатки табл. 2). 2.7.10 Для схеми управління необхідно 5 кнопок тому я обираю кнопки 21 типу U=25B Ik=0,5A . 2.7.11 Вибір світлодіодів індикації Для індикації потрібні світлодіоди з напругою живлення 5В, червоного кольору. Світлодіоди повинні бути підключені послідовно з опором номінал якого лежить в межах 1-5 кОм. 2.8 Розрахунок надійності системи автоматики На практиці використовють орієнтований розрахунок надійності по середньогруповій інтенсивності відказів елементів. В цьому випадку в якості вихідних данних використовуються значення інтенсивності відказів λі елементів різних груп і чисел Nі елементів які входять в систему. Сутність розрахунку зводиться до знаходження То і вірогідності безвідказної роботи Р(t). Рекомендується слідуючий порядок розрахунку; 1 Елементи зпроектованої системи розбивають на групи приблизно з однаковими інтенсивностями відказів і підрахунку кількості елементів Nі в кожній групі. 2 По табличним інтенсивностям відказів встановлюють значення λі кожної групи елементів. 3 Розраховують добуток λіNі які характеризують долю відказів вносимих елементами кожної групи в загальну інтенсивність відказів системи. 4 Визначають загальну інтенсивність відказів системи 5 Розраховуємо час напрацювання на відказ То То=1/λс. 6 Визначаємо вірогідність безвідмовної роботи системи
Розрахунок надійності схеми (див. додаток табл 12): Мікросхем – 8шт*0,3 *10-6=2,4*10-6 Опорів постійного струму – 5шт*3*10-6=15*10-6 Опорів змінного струму –9шт*13*10-6=107*10-6 Оптронів – 9шт*1,5*10-6=13,5*10-6 Двигунів –2шт*30*10-6=60*10-6 Реле обриву фаз – 1шт*13*10-6=13*10-6 Автоматів - 3 шт*8*10-6=24*10-6 Кнопки –5шт*6*10-6=30*10-6 Світлодіодів – 5шт*0,8*10-6=4*10-6 Ел магніти –3шт*12*10-6=36*10-6 ΣλіNі=304,9*10-6 То=1/304,9*10-6=3279 год.
Будуємо номограму
Рис. 12 Номограма роботи обладнання 3. Доцільність прийнятих рішень Використовуючи сучасні новітні технології та розробки де основною характеристикою є мінімізація схем та енергоекономія ресурсів можливо забезпечити в декілька разів більшу стійкість системи в порівнянні з релейними схемами, котрі характеризуються порівняно високою електричною споживчою потужністю та порівняно малим сроком служби , що викликане наявністю контактів та частим їх підгорянню. Тому використавши ІМС одночасно було вирішено в габаритних розмірах самої схеми управління, мінімізація елементів, мала споживча потужність схеми. Симісторні пускачі також мають ряд переваг перед магнітними пускачами, насамперед відсутність підгоряння контактів, бо симістор є безконтактним елементом, ще відкривається малою потужністю (близько 1-2Вт). Прийняті рішення в даному курсовому проекті дають змогу значно продовжити роботу елементів, зменшити споживчу потужність, зменшити собівартість, упростити використання, полегшити управління та забезпечити контроль силового обладнення. Література 1. Терещук Р. М. та ін. Напівпровідникові сприймаючо – підсилюючі пристрої: Довідник радіолюбителя.- 3-є видання, перероб., і доповн. – Київ : наукова думка, 1987. – 800 с. 2. Збірник типових інструкцій по охороні праці/сост. В. Л. Михайлова, З. П. Гуляєв, - 3-е видання, виправлене – М.: «Недра», 1978. – 735с. 3. Електротехнічний справочник. Т.1. Под общ. Є45 ред. П. Г.Грудниского та ін. Вид 5 – е, виправл. М., «Енергія», 1974. 4 Каталог SV_ALTERA 2003/2005 року (www.svaltera.kiev.ua). 5. Електронна бібліотека ELCOM 2003. Додатки Таблиця 1 Номінали потужностей двигунів.
Таблиця 2 Блоки живлення
Таблиця 3 Номінали автоматів.
Таблиця 4 Номінали симісторів.
Таблиця 5 Номінали оптронів.
Таблиця 6 Електромагнітні клапани ПВДФ
|
||||||||||||||||||||||||||||||||||||||||||||||||||||||||||||||||||||||||||||||||||||||||||||||||||||||||||||||||||||||||||||||||||||||||||||||||||||||||||||||||||||||||||||||||||||||||||||||||||||||||||||||||||||||||||||||||||||||||||||||||||||||||||||||||||||||||||||||||||||||||||||||||||||||||||||||||||||||||||||||||||||||||||||||||||||||||||||||||||||||||||||||||||||||||||||||||||||||||||||||||||||||||||||||||||||||||||||||||||||||||||||||||||||||||||||||||||||||||||||||||||||||||||||||||||||||||||||||||||||||||||||||||||||||||||||||||||||||||||||||||||||||||||||||||||||||||||||||||||||||||||||||||||||||||||||||||||||||













.


