Курсовая работа: Проектирование участка и разработка технологического процесса изготовления детали № КБПА 451164.011 "Экран"
|
Название: Проектирование участка и разработка технологического процесса изготовления детали № КБПА 451164.011 "Экран" Раздел: Промышленность, производство Тип: курсовая работа | |||||||||||||||||||||||||||||||||||||||||||||||||||||||||||||||||||||||||||||||||||||||||||||||||||||||||||||||||||||||||||||||||||||||||||||||||||||||||||||||||||||||||||||||||||||||||||||||||||||||||||||||||||||||||||||||||||||||||||||||||||||||||||||||||||||||||||||||||||||||||||||||||||||||||||||||||||||||||||||||||
1.ОБЩАЯ ЧАСТЬ 1.1 Введение Тема дипломного проекта:”Спроектировать участок и разработать технологический процесс изготовления детали № КБПА 451164.011 “Экран”. Данную деталь получают холодной листовой штамповкой, которая является одним из наиболее прогрессивных технологических методов производства; она имеет ряд преимуществ перед другими видами обработки металлов , как в техническом , так и в экономическом отношении. В техническом отношении холодная штамповка позволяет: 1. получать детали весьма сложных форм, изготовление деталей другими методами обработки невозможно или затруднено; 2. создавать простые и жёсткие, но легкие по массе конструкции деталей при небольшом расходе материала; 3. получать взаимозаменяемые детали с достаточно высокой точностью размеров, преимущественно без последующей механической обработкой. В экономическом отношении холодная штамповка обладает преимуществами: 1.экономичным использованием материала и сравнительно небольшими отходами; 2. весьма высокой производительностью оборудования, с применением механизации и автоматизации производственных процессов; 3. массовым выпуском и низкой стоимостью изготавливаемых изделий; Наибольший эффект от применения холодной штамповки может быть обеспечен при комплексном решении технических вопросов на всех стадиях подготовки производства , начиная с создания технологичных конструкций или форм деталей , допускающее их экономичное изготовление. По характеру деформаций холодная штамповка расчленяется на две основные группы: деформация с разделением материала и пластические деформации. Первая группа объединяет деформации, которые приводят к тесному разделению материала путем среза и отделения одной его части от другой. Группа пластических деформаций холодной листовой штамповки включает операции по изменению формы гнутых и полых листовых деталей. Штамповка деталей путем выполнения нескольких раздельных операций в большинстве случаев технологически не выгодно , и по этому применяют методы комбинированной штамповки, одновременно сочетающее две или несколько из указанных деформаций и отдельных операций. Кроме того, на производстве используют сборочно-штамповачные операции, основанные на применении деформации гибки, формовки или отбортовки . Кроме штамповочных операций в холодной штамповке применяют заготовительные, давильно-накатные, вспомогательные, термические и отделочные операции. 1.2 Общие сведения об изготавливаемой детали и анализ ее технологичности Деталь № КБПА 451164.011 “Экран” изготавливается из стали 12Х18Н10Т ГОСТ 4986-79. Данная сталь является тонколистовой, легированной, конструкционной, качественной, с содержанием углерода до 0,12%. “Экран” применяется в турбокомпрессоре ТКР 7.1. Данная деталь имеет цилиндрическую форму с пробитым в центре дна отверстием диаметром 21,5 мм. Деталь является технологичной, так как форма детали простая без узких и широких прорезей и выступов.
Рисунок 1.1 - Эскиз детали Механические свойства и химический состав стали 12Х18Н10Т приведены в таблице 1.1 и 1.2. Таблица 1.1 – механические свойства стали 12Х18Н10Т.
Таблица 1.2 – химический состав стали 12Х18Н10Т.
Технологические свойства стали 12Х18Н10Т 1. Температура закалки ,0 C:1050-1080 0 C ,охлаждение водой. 2. Сворачиваемость - сворачивается без ограничений. Способы сварки: РДС, ЭШС и КТС. 3. Обрабатываемость резанием - в закаленном состоянии при HB=169 и σв =610 Мпа, Кυ тв. спл. =0,85, Кυ б. спл. =0,35. 4. Флокеночувствительность - не чувствительна. 2. ТЕХНОЛОГИЧЕСКАЯ ЧАСТЬ 2.1 Анализ существующего технологического процесса изготовления детали и предложение по его усовершенствованию Деталь № КБПА 451164.011 “Экран” в настоящее время изготавливается по следующему технологическому процессу: 1.Отрезка 2. Последовательная штамповка 3. Промывка 4. Контроль В качестве исходного материала используют стальной лист. Подача заготовок и удаление отхода производится вручную. В разработанном технологическом процессе в качестве исходного материала применяется рулонная лента. Подача ленты в штамп осуществляется валковой подачей. Последовательная штамповка производится в штампах простого действия на прессе автомате К 2130; удаление детали производится по склизу, а удаление отхода – пневмосдувом. Применение автоматической подачи заготовок и удаление их из зоны штамповки повышает культуру производства, и обеспечивают технику безопасности производства. 2.2 Расчёт размеров исходной заготовки, выбор переходов штамповки Деталь № КБПА 451164.011 “Экран” получается вытяжкой. Диаметр заготовки для вытяжки детали круглой формы определяется по формуле:
где FД – площадь детали, мм2 ; Диаметр детали определяется в соответствии с рисунком 2.1.
Рисунок. 2.1. – Расчётная схема
где в - диаметр детали, мм; h –высота детали, мм;
Принимаем Расчетный коэффициент вытяжки цилиндрической детали с фланцем определяется по формуле
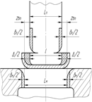
Так как 1)Вырубка, вытяжка. 2)Вытяжка, формовка. 2.3 Раскрой материала и определение коэффициента использования материала Деталь № КБПА 451164.011 “Экран” имеет круглую форму, поэтому применяется прямой тип раскроя. Ширина ленты рулона определяется в соответствии с рисунком 2.2 по формуле:
где H = 124 мм – диаметр исходной заготовки; b = 3 мм – величина перемычки.
Рисунок 2.2 – Схема раскроя
Принимается ширина ленты рулона 130 мм. Шаг подачи определяется по формуле:
где а = 3 мм – величина перемычки; H = 124 мм – диаметр исходной заготовки.
Принимается шаг подачи 127 мм. В качестве исходного материала применяется рулон:
Масса рулона определяется по формуле:
где
Объем рулона определяется по формуле:
где D = 1200 мм – наружный диаметр рулона; d = 600 мм – внутренний диаметр рулона; В =130 мм ширина ленты рулона.
Длина ленты определяется по формуле:
где S = 1 мм – толщина материала.
Количество деталей из рулона определяется по формуле:
Принимается 6675 штук. Масса нормы расхода определяется по формуле:
Коэффициент использования материала определяется по формуле:
где
2.4 Расчет технологических усилий 2.4.1 Расчет усилия штамповки в вырубном штампе Усилие вырубки определяется по формуле:
где k = 1,2 – коэффициент затупления режущих кромок; l – периметр среза; S = 1 мм – толщина материала;
Периметр среза равен:
Усилие снятия полосы с пуансона определяется по формуле:
где
Общее усилие штампа составляет:
2.4.2 Расчет усилия вытяжки в вытяжном штампе Усилие вытяжки определяется по формуле:
Где S = 1 мм – толщина материала;
Усилие вытяжки на втором переходе определяется по формуле:
Где S = 1 мм – толщина материала;
Общее усилие вытяжки определяется по формуле
Усилие прижима определяется по формуле:
где q = 0,25 кгс/мм2 – давление прижима.
Общее усилие штампа составляет:
2.4.3 Расчет усилия штамповки в совмещенном штампе Усилие вырубки определяется по формуле:
где l – периметр среза. Периметр среза равен:
Усилие снятия полосы с пуансона определяется по формуле:
где
Общее усилие штампа составляет:
Усилие пробивки определяется по формуле:
где l – периметр среза. Периметр среза равен:
Усилие снятия полосы с пуансона определяется по формуле:
где
Усилие проталкивания детали через матрицу с цилиндрической шейкой определяется по формуле:
где n = 6.
Общее усилие штампа составляет:
Общее усилие пресса определяется по формуле:
По рассчитанному усилию и габаритным размерам принимается многопозиционный пресс – автомат К 2130, технические характеристики которого приведены в таблице 2.1. Таблица 2.1 – Технические характеристики пресса – автомата К 2130
2.5 Механизация и автоматизация процесса штамповки Механизация – полная и частичная замена физического труда человека работой машины, механизмов, приспособлений. Если рабочий не только управляет машиной, но и выполняет часть производственной операции вручную, то механизация называется частичной. Механизация процессов холодной листовой штамповки заключается либо в объединении нескольких технологических операций в одном комбинированном штампе, либо в установке дополнительных приспособлений к штампам и прессам, так называемых подач. Механизация кроме легко учитываемой экономии на прямой заработок дает трудно учитываемую эффективность от сокращения производственного цикла, ускорение оборачиваемости оборотных средств, уменьшение складских площадей. При автоматизации, машина по заданной программе выполняет подачу заготовки в штамп, удаление готовых деталей и отходов, рабочий – оператор, только контролирует ее работу. Автоматизация листовых штамповочных работ позволяет в несколько раз увеличить производительность труда, а также обеспечивает полную безопасность работы на прессах, так как отпадают ручные операции в рабочей зоне штампа. Автоматизация меняет характер труда, сближает физический труд с умственным, повышает культурно – технический уровень трудящихся. Без автоматизации невозможны высокие темпы дальнейшего роста производительности труда и прогресса в машиностроении. Механизации и автоматизации удаления отходов и отштампованных деталей из штампов необходимо уделять наибольшее внимание, т.к. при ручной подаче заготовки и ручном удалении готовой детали наиболее часто наблюдаются случаи травматизма. Степень возможной автоматизации и механизации процессов штамповки зависит от типа и масштаба производства, а также от экономической целесообразности ее применения. При автоматической подаче ленты многооперационные последовательные штампы представляют собой полный автомат, применение которого позволяет сократить количество оборудования до одного пресса. Стремление максимально автоматизировать процесс штамповки и увеличить производительность процессов привело к созданию прессов – автоматов, производящих на одном прессе несколько операций – от первой до последней. Для осуществления этого процесса применяются грейферные подачи, позволяющие перемещение полуфабрикатов при помощи зажимных пластин (линеек), имеющих возвратно-поступательное движение, по линии передвижения заготовки. Грейферные подачи можно использовать не только для транспортирования полуфабрикатов между позициями штамповки, но и для загрузки исходной заготовки и выгрузки готового изделия. Деталь № КБПА 451164.011 “Экран” изготавливается из рулонной ленты. Учитывая многопозиционность изготовления детали целесообразно применить штамповку на многопозиционном пресс-автомате, которая обеспечивает подачу, перемещение и удаление заготовок в автоматическом режиме. Пресс оснащён устройством для принудительного разматывания рулона, правильным устройством, валковой подачей для подачи материала в зону штамповки. Схема валковой подачи представлена на рисунке 2.3.
Рис. 2.3 – Схема валковой подачи 1- тяга; 2-ролик; 3-падающий валок; 4-прижимной валок; 5-лента Основой привода является клинороликовая муфта рабочего и холостого хода. При движении тяги 1 вверх происходит заклинивание роликов, сцепление с наружной обоймой 3, поворот валков 4 и перемещение ленты на величину шага подачи. При движении тяги вниз ролики соскальзывают, сцепления с наружной обоймой не происходит и валки не вращаются. Валки, тянущей и толкающей подачи, расположены по обе стороны штампа, синхронно поворачиваются и протягивают ленту через рабочую зону. Зазор между валками регулируется специальным устройством. Привод валков осуществляется от коленчатого вала с помощью рычагов и крановых или фрикционных устройств. При движении ползуна вверх валки поворачиваются и перемещают ленту на шаг подачи. 2.6 Отделочные операции Отделочными считаются такие технологические операции, при которых устраняются мелкие дефекты детали. Отделочные операции применяются для подготовки, улучшения качества поверхности детали, удаления и зачистки заусенца. В зависимости от формы детали и свойства материала применяют механические, электрохимические и другие способы отделочных операций. После вырубки и пробивки на материале появляется заусенец, который удаляется при помощи ручной шлифовальной машины. 3 КОНСТРУКТОРСКАЯ ЧАСТЬ 3.1 Описание конструкции и работы спроектированных штампов Штамп для вырубки и вытяжки состоит из нижней (1) и верхней (8) плит, соединенных между собой направляющими колонками (18) и втулками (17). К верхней плите (8) винтами (14) и штифтами (15) крепиться державка 9 в которой установлена пуансон – матрица (7). В пуансон – матрице установлен толкатель (6). К нижней плите (1) Винтами (13) крепиться державка (4) и матрица (5). В матрице установлен упор (3) и пуансон (2) а также система толкателей (19). Штамп работает следующим образом. Заготовка подается валковой подачей на позицию вырубки и вытяжки, устанавливается по упорам (21) на пуансон (2) и прижим (3). При движении верхней части штампа вниз, под действием толкателя (20) пуансон - матрица (7) сначала вырубает заготовку из ленты а затем прижимает заготовку к прижиму (3), тем самым, опуская его и высвобождая вытяжной пуансон (2). Происходит вытяжка детали. При возвращении верхней части штампа в исходное положение толкатель (19) поднимает прижим (5) и снимает деталь с пуансона (2).
Штамп для обрезки и пробивки состоит из нижней плиты 1, верхней плиты 10 соединенных между собой направляющими колонками 25 и втулками 24. К нижней плите 1 через подкладку 15 крепиться державка 2 винтами 19. В державке установлена матрица 14. В матрице установлен толкатель 16 с пробкой 21 и пружиной 26. К верхней плите 10 крепиться державка 8 и 12 винтами 20 и штифтами 23.Пуансон 7 установлен в державке 8. В державке 12 установлена матрица 4. В матрице установлен съемник 6 и выталкиватель 5. Съемник действует от толкателя 27, 28 траверсы 29. Заготовка для обрезки и пробивки на матрицу 14 подается пинцетом. При ходе верхней части штампа вниз пуансоном 13 и матрицей 4 осуществляется обрезка края а матрицей 14 и пуансоном 7 пробивка отверстия. При обратном ходе выталкиватель и съемник удаляют деталь из матрицы 4. Отход при пробивке удаляется на провал . При помощи толкателя 16 деталь снимается с матрицы 14.
3.2 Определение закрытой высоты штампа Штамп проектируется в его нижнем рабочем положении. В этом положении наилучшим образом увязывается взаимодействие рабочих, прижимающих и удаляющих деталей штампа. Высота штампа в нижнем рабочем положении называется закрытой высотой штампа; она должна быть увязана с закрытой высотой пресса. Закрытая высота пресса называется расстояние от плиты до ползуна пресса в его нижнем положении при максимальном ходе и укороченной длине шатуна. Закрытая высота пресса указывает на предельную высоту штамп, который может быть установлен на данном прессе. Закрытая высота штампа должна находиться между наибольшей и наименьшей закрытой высотой пресса. Наименьшая закрытая высота пресса определяется по формуле:
где Н = 400 мм – наибольшая закрытая высота пресса; М = 100 мм – величина регулируемой длины шатуна.
Определяем закрытую высоту вырубного и вытяжного штампа в соответствии с рисунком 3.1. Принимаем закрытую высоту штампа для вырубки и вытяжки H шт. = 220 мм
Так как Закрытая высота штампа для обрезки и пробивки определяется по формуле:
где
Так как
Рисунок 3.1 – Схема закрытой высоты h – Величина хода ползуна; М – величина регулировки длины шатуна; Н – наибольшая закрытая высота пресса (расстояние от плиты до ползуна в его нижнем положении при максимальном ходе и наименьшей длине ползуна); L – расстояние от стола до направляющих; R – вылет от оси ползуна до станины; А1 × В1 – размеры стола (не показан); a × b – размеры отверстия в столе; А × В – размеры подкладной плиты; H 1 – толщина подкладной плиты; D – диаметр отверстия в подкладной плите; K × S – размеры нижней площади ползуна; F × F – размеры квадратного отверстия в ползуне; l – глубина квадратного отверстия в ползуне;N – расстояние от выталкивателя до нижней поверхности ползуна; с – ход выталкивателя; H 2 – наименьшая закрытая высота пресса (Н – М ); Ншт. – закрытая высота пресса. 3.3 Расчет исполнительных размеров рабочих частей штампов При вырубке наружного контура диаметр вырубной матрицы определяют по формуле в соответствии с рисунком 3.2.
Где
При вырубке наружного контура диаметр вырубного пуансона:
Где
При пробивке отверстия диаметр матрицы определяется по формуле в соответствии с рисунком 3.2.
Где
При пробивке отверстия диаметр пуансона определяется по формуле в соответствии с рисунком 3.2.
Где
. При вытяжке диаметр матрицы определяется по формуле
При вытяжке диаметр пуансона определяется по формуле
Где
Где
Расчет опорной поверхности головки пуансона на смятие определяется по формуле
где F = 615,44 мм- опорная поверхность головки пуансона;
Расчет пуансона на сжатие в наименьшем сечении производится по фор муле:
где F - площадь наименьшего сечения пуансона мм2 ;
Тогда
Расчет свободной длины пуансона на продольный изгиб производится по формуле
Где
а) Рисунок 3.2. Схема построения допусков на изготовление вырубных, вытяжных, и пробивных пуансонов и матриц: а) при вырубке наружного контура; б) при вытяжке; в) при пробивке отверстия. 3.4 Выбор материалов деталей штампов Рабочие детали штампов (пуансоны и матрицы) подвергаются ударной нагрузке с сильной концентрацией напряжений на рабочих кромках или на рабочей поверхности. Поэтому к материалу пуансонов и матриц предъявляется требование высокой или повышенной твердости и износостойкости при наличии достаточной вязкости. Материалы, применяемые для изготовления пуансонов и матриц приведены в таблице 3.1. Таблица 3.1 – Материалы, применяемые для изготовления пуансонов и матриц
Марки материалов и сталей, применяемые для изготовления различных деталей штампа приведены в таблице 3.2. Таблица 3.2 – Марки материалов и сталей, применяемые для изготовления различных деталей штампа
Продолжение таблицы 3.2 – Марки материалов и сталей, применяемые для изготовления различных деталей штампа
4 ОРГАНИЗАЦИОННАЯ ЧАСТЬ 4.1 Определение типа производства В зависимости от количества штампованных деталей выпускаемых в течение года различают листоштамповочные цехи с массовым и различной серийности производством. Типовые признаки серийности в листоштамповочном производстве приведены в таблице 4.1 из источника Таблица 4.1. – Типовые признаки серийности в листоштамповочном производстве
Годовая производственная программа для детали представителя составляет 810000 штук в год. За единицей оборудования на участке закреплено 20 деталей. Суммарная годовая программа для данного оборудования составляет 9720000 штук в год. Проанализировав вышеперечисленные признаки, можно сделать вывод, что тип производства крупносерийный. 4.2 Нормирование операций деталь экран технологический изготовление Расчет нормы штучного времени определяется по формуле:
где То – основное (машинное) время, мин; Тв – вспомогательное время, мин; k = 1,1 – коэффициент, учитывающий затраты на организационно-техническое обслуживание. Расчет нормы штучного времени при вырубке, вытяжке на 100 деталей. Исходные данные: Операция – вырубка с последующей вытяжкой. Материал – сталь 12Х18Н10Т. Масса рулона –852 кг. Способ установки рулона ленты - спецтележка. Способ удаления детали - по склизу. Штамповать в автоматическом режиме. Таблица 4.2 – Расчет нормы штучного времени при вырубке, вытяжке на 100 деталей.
Норма штучного времени на вырубку, вытяжку 100 деталей:
Норма штучного времени на одну деталь:
Таблица 4.3.-Расчет нормы штучного времени на штамповку детали из индивидуальной заготовки
Норма штучного времени на обрезку, пробивку 100 деталей:
Норма штучного времени на одну деталь:
Таблица 4.4. Норма времени по операциям
4.3 Расчет количества оборудования и его загрузка Цех листовой штамповки оснащается прессами-автоматами К 2130, которые имеют автоматическую подачу ленты. Необходимое количество оборудования данного вида определяется по формуле:
где Нвр. – норма времени на годовую программу, час; F д.с. = 3890 часов – действительный годовой фонд времени работы оборудования.
где Тшт . = 0,016 мин – штучное время на одну деталь; N = 9720000 шт – годовая производственная программа выпуска деталей.
Тогда: Принимается Спр1. = 1.
Тогда:
Принимается Спр2. = 7. Коэффициент загрузки оборудования рассчитывается по формуле:
где Ср – необходимое количество оборудования; Спр. – принятое количество оборудования.
4.4 Расчет численности производственного персонала участка Определение численности работающих на участке производится отдельно по категориям: 1) производственные рабочие; 2) вспомогательные рабочие; 3) инженерно-технические рабочие. Количество производственных рабочих, выполняющих технологические операции основного производства, определяется по формуле:
где F д.р. = 2016 часов – действительный годовой фонд времени рабочего; Кв.н . = 1,1 – коэффициент выполнения норм.
Принимается на участке 2 производственных рабочих.
Принимается на участке 11 производственных рабочих. Количество вспомогательных рабочих определяется исходя из норм обслуживания по формуле:
где Q = 8 – количество обслуживаемых объектов; Ксм . = 2 – коэффициент сменности; Ксп. = 1,12 – коэффициент, учитывающий планируемые потери; Нобсл. = 1,5 – норма обслуживания.
Принимается на участке 12 вспомогательных рабочих: 4 наладчик V разряда; 2 крановщик III разряда; 4 контролер III разряда; 2 кладовщика. Остальные работы по обслуживанию участка выполняются цеховым персоналом. Для руководства участком вводится должность бригадира, который назначается из числа высококвалифицированных рабочих, вошедших в состав производственных рабочих. В соответствии с расчитанным количеством человек на участке мы также принимаем 3-х человек ИТР, а также 2-х человек МОП – уборщиц 1-ой и 2-ой смены. Таблица 4.4 – Сводная ведомость списочного состава на участке
4.5 Организация транспорта на участке В холодно–штамповочных цехах используются мостовые краны, кран-балки, электрорельефы, подвесные конвейера, напольные и наземные транспортеры, колесные транспортные машины и рельсовые приводные тележки. Краны применяются для монтажа и демонтажа оборудования, транспортировки узлов и деталей прессов, подачи заготовок на рабочие места, а также для наладки крупных и средних штампов. Широко используются подвесные конвейеры с несущей цепью, толкающие. Транспортеры напольного типа (непрерывного действия или шаговые) используются для межоперационной транспортировки заготовок на поточных линиях. Подпольные транспортеры применяются для уборки производственных отходов. Широко используются колесные транспортеры. Поворотные краны разделяются на две группы: 1) краны, грузоподъемность которых не зависит от вылета стрелы; 2) стреловые краны, грузоподъемность которых для обеспечения требуемой устойчивости изменяется с изменением вылета стрелы. На своем участке я принимаю мостовой кран грузоподъемностью Q = 20/5 т.с. и электрокар. 4.6 Расчет площади участка и его планировка Производственная площадь участка определяется по количеству установленного оборудования и удельной площади на один пресс. Удельная производственная площадь на многопозиционные пресс-автоматы составляет Для вырубки, вытяжки с применением валковой подачи - 50 м2 (q = 50 м2 ). Для обрезки, пробивки - 40 м2 (q = 40 м2 ).
Где q = 1 – количество установленного оборудования; S=50 м2 – удельная производственная площадь.
Где q = 7 – количество установленного оборудования; S=40 м2 – удельная производственная площадь.
Вспомогательная площадь – это площадь, занимаемая складами материалов, заготовок и деталей. Она определяется в размере 50 % от производственной.
Площадь, занимаемая сантехническими и энергетическими устройствами составляет 20 % от производственной.
Общая площадь участка определяется по формуле:
Высота здания до головки рельса подкранового пути: h = 11,740 м. Высота здания : H = 14,4 м. Объем здания, занятого участком, определяется по формуле:
Планировка и организация рабочего места зависит от вида и размера заготовки, степени механизации работ и способа подачи заготовки, способа удаления деталей, типа пресса, мощности (усилия) пресса и размеров штампуемых деталей. В организацию рабочего места штамповщика входят: 1) правильная и наиболее удобная планировка рабочего места, включая способы и места укладки заготовок, готовых изделий и отходов; 2) необходимая подготовка материалов и полуфабрикатов; 3) обеспечение рабочего места вспомогательным инструментом; 4) содержание в исправности и рабочей готовности пресса и штампа; 5) содержание рабочего места в чистоте и порядке. Планировка оборудования штамповочных цехов должна предусматривать соответствующую площадь около пресса для укладки заготовок, готовых деталей и отходов, а также необходимые проходы и проезды для внутрицехового транспорта. 4.7 Организация штампо-инструментального хозяйства Основными задачами организации инструментального хозяйства являются: полное и своевременное обеспечение рабочих мест нужным и качественным инструментом; своевременный ремонт и организация работ по восстановлению изношенного инструмента. Инструментальное хозяйство в соответствии со своими задачами выполняет следующие функции: 1) планирует производство и потребление технологической оснастки по ее видам; 2) организует ремонт и восстановление технологической оснастки, ее хранение и выдачу; 3) осуществляет технический надзор за эксплуатацией оснастки. Организация планово-предупредительного ремонта штампов и другой оснастки включает межремонтное обслуживание, малый, средний, капитальный и внеплановый ремонты. Межремонтное обслуживание включает в себя профилактический осмотр штампа, наблюдение за правильной установкой и эксплуатацией штампа, устранение мелких дефектов, затяжку ослабленных креплений, замену легкозаменимых частей, очистку, смазку и регулировку штампа, а также устройств механизации и автоматизации. Малый ремонт – один из основных видов планово-предупредительного ремонта, благодаря которому оборудование цеха поддерживается в работоспособном состоянии. Он заключается в замене и восстановлении отдельных изношенных деталей оборудования. Малый ремонт производиться без демонтажа оборудования и не требует полной разборки штампа. Средний ремонт – вид планово-предупредительного ремонта, при котором без снятия оборудования с фундамента производят частичную разборку машины, ремонт отдельных сборочных единиц (узлов), замену и восстановление до 50% основных изношенных деталей, сборку, регулирование и испытание машины. Капитальный ремонт – самый большой по объему ремонт, при котором полностью разбирают ремонтируемую машину, восстанавливают все ее механизмы, узлы, проверяют нормы точности данного оборудования в соответствии с первоначальными характеристиками. При этом штамп подлежит списанию, так как ремонту он не подлежит. Внеплановый ремонт осуществляется после аварии или при непредвиденной поломке отдельных сборочных единиц (узлов) и деталей машины или вследствие наличия внутренних дефектов при изготовлении машины. В штампо-ремонтном отделении цехов листовой штамповки в большинстве случаев выполняются малый и средний ремонты штампов и приспособлений. Капитальный ремонт и изготовление новых штампов и приспособлений производится в штампо – механическом, штампо – ремонтном и инструментальном цехах завода. 4.8 Организация технического контроля При разработке технологического процесса холодной листовой штамповки обязательно предусматриваются операции технического контроля. В цехах холодной штамповки технический контроль предусматривает: 1) контроль материала, поступающего в цех; 2) контроль за установкой и наладкой штампов перед началом работы; 3) контроль полуфабрикатов в процессе изготовления детали; 4) контроль готовой продукции. Контроль продукции осуществляют рабочие – штамповщики и контролеры технического контроля. Для производства данной детали на участке используют следующие виды контроля: 1) входной контроль – задачей является проверка качества материала для штамповки. При входном контроле проверяется соответствие марки материала по сопровождающим документам. Проверяется толщина материала при помощи штангенциркуля или микрометра. Проверяется отсутствие внешних дефектов: трещин, закатов, зажимов, заусенцев, надрезов и так далее. Контроль производится визуальным осмотром, при необходимости вырезается образец для лабораторных исследований; 2) операционный контроль – производится для контроля размеров после каждой операции. Размеры контролируются универсальным или специальным измерительным инструментом: штангенциркулем, микрометром, набором радиусных шаблонов, рулеткой. Внешним осмотром проверяется отсутствие трещин, заусенцев, надрывов, гофры; 3) контроль готовой продукции – осуществляется после завершающей операции технологического процесса. Проверяется также соответствие изделия техническим требованиям, указанным на чертеже. При большом количестве изделий в партии, в технологическом процессе необходимо указывать периодичность контроля и качества изделий, контролируемых из партии. Современная организация производства предполагает безусловную ответственность каждого исполнителя за качество выпускаемой продукции. Работники ОТК тщательно анализируют все факторы производства и осуществляют предупредительный контроль, исключающий возможность выпуска недоброкачественной продукции. Рабочие-штамповщики и мастера обязательно контролируют изготовление детали или полуфабриката перед предъявлением их контролерам ОТК. Если при приеме контролер ОТК обнаруживает дефекты в партии деталей, то вся партия деталей возвращается исполнителю. 4.9 Организация ремонта и обслуживания оборудования Планово-предупредительный ремонт оборудования на участке производится по определенной системе, включающей в себя совокупность различного вида работ по техническому уходу и ремонту оборудования. Мероприятия межремонтного обслуживания, включающие наблюдение за правилами эксплуатации оборудования, своевременное устранение мелких неисправностей и осмотры между плановыми ремонтами, выполняют как рабочие, обслуживающие данное оборудование, так и дежурный персонал ремонтной службы цеха. Межремонтное обслуживание выполняется во время перерывов в работе оборудования, без нарушения технологического процесса. Межремонтное обслуживание грузоподъемных машин, управляемых из кабины (мостовые краны) производится крановщиком совместно с дежурными слесарями и электромонтерами ежемесячно, а грузоподъемных машин, управляемых с пола (кран-балки) рабочими, допущенными к их эксплуатации. Ремонтные работы подразделяются на малый, средний и капитальный ремонты. При малом ремонте производится замена или восстановление изношенных деталей, промывка, смазка и регулировка агрегата. При капитальном ремонте производится полная разборка агрегата, замена или ремонт всех изношенных частей и деталей, сборка и регулировка агрегата. Малый ремонт осуществляется ремонтно-механическими отделениями, средний и капитальный ремонты – ремонтно-механическим цехом завода. Ремонтный цикл планово-предупредительного ремонта включает: проведение нескольких осмотров и нескольких малых и средних ремонтов между двумя капитальными ремонтами. Внеплановые ремонты – это ремонты, не предусмотренные графиком планово-предупредительного ремонта. При соблюдении правил эксплуатации и хорошо организованной системы ремонта, внеплановых ремонтов не должно быть. 4.10 Охрана труда, техника безопасности Охрана труда – система технических, санитарно-гигиенических, организационных и правовых мероприятий, направленных на создание наиболее благоприятных условий для работы, обеспечение безопасности для жизни и здоровья персонала предприятия, предотвращение травматизма и профессиональных заболеваний. Техника безопасности – система организационных и технических мероприятий и средств, предотвращающих воздействие на рабочего опасных производственных факторов. Задача охраны труда – это создание условий труда, при которых полностью устраняется производственный травматизм и профессиональные заболевания. Основным нормативным документом, регламентирующим санитарно-технические и санитарно-гигиенические условия в цехах других производственных, вспомогательных и служебно-бытовых помещениях, являются санитарные нормы проектирования промышленных предприятий. Технологические процессы и оборудование не должны выделять в воздух помещений, в атмосферу и водоемы вредные или неприятнопахнущие вещества, не производить или не допускать выше предельно установленных нормами шума, вибраций, ультразвука, инфразвука, электромагнитных волн, статического электричества, электрических излучений. В холодноштамповочных цехах травматизм может возникнуть вследствие несовершенства конструкций штампов или прессов, нарушения технологического процесса, отсутствия или неправильной конструкции предохранительных и ограждающих устройств, а также вследствие плохой организации труда в цехе. Согласно правилам техники безопасности каждый вновь принимаемый рабочий должен пройти инструктаж по технике безопасности. Общие правила техники безопасности при работе на прессах: В начале работы: 1) необходимо убедиться в хорошем состоянии пресса и рабочего места и выяснить, были ли в предыдущей смене неполадки в работе пресса и как они были устранены; 2) обеспечить необходимую смазку пресса; 3) при необходимости отрегулировать местное освещение; 4) проверить исправность пресса на холостом ходу. Во время работы: 1) внимательно относиться к сигналам, подаваемым с грузоподъемных устройств и движущегося транспорта, и не находиться под поднятым и движущимся грузом. 2) Во время выполнения работы быть внимательным и не отвлекаться на посторонние дела и разговоры; 3) при ремонте, смазке пресса у пусковых устройств вывешивается надпись “Не включать – ремонт”; 4) запрещается прикасаться к электрооборудованию и электроустройствам, обслуживание которых рабочему не поручено. По окончании работы: 1) выключить электромотор и запереть включающие устройства; 2) привести в порядок рабочее место: сложить в тару заготовки и убрать отходы, сдать готовую продукцию, инструмент и приспособления; 3) сдать рабочее место и оборудование сменщику, сообщив обо всех имеющихся неполадках в работе пресса и штампа. Для предупреждения попадания рук штамповщика в рабочую зону штампа применяются устройства, закрывающее штамповое пространство во время рабочего хода, устройства, предотвращающие включение пресса при нахождении рук в такой зоне, устройства, принудительно удаляющие руки рабочего из опасной зоны. Механизация и автоматизация включает необходимость в непосредственном соприкосновении производственного персонала с оборудованием во время его работы, предотвращая этим проникновение рук рабочего в опасные зоны оборудования при его работе. |
|||||||||||||||||||||||||||||||||||||||||||||||||||||||||||||||||||||||||||||||||||||||||||||||||||||||||||||||||||||||||||||||||||||||||||||||||||||||||||||||||||||||||||||||||||||||||||||||||||||||||||||||||||||||||||||||||||||||||||||||||||||||||||||||||||||||||||||||||||||||||||||||||||||||||||||||||||||||||||||||||



, (2.8)
, (2.11), [ ]


б)
в)
, (4.4), [ ]
, (4.5), [ ]
, (4.6), [ ]