| Введение
Основная цель данного курсового проекта это разработка тиристорного электропривода на базе комплектного электропривода БТУ 3601, в процессе выполнения будет необходимо: рассчитать и выбрать элементы силовой части электропривода, построить статические характеристики разомкнутого электропривода, синтезировать и рассчитать параметры регуляторов и смоделировать переходных процессов скорости и тока электропривода с помощью программного пакета MATLAB 6.5. Это позволит приобрести навыки самостоятельного принятия инженерных решений на базе современной полупроводниковой техники при расчете и проектирование систем автоматического управления.
1.
Система электропривода и его функциональная схема
По заданию на курсовой проект был выбрана система электропривода по схеме «тиристорный преобразователь – двигатель» которая, реализована комплектным тиристорным электроприводом БТУ-3601
2.
Расчет и выбор элементов силовой части электропривода
2.1
Выбор силового трансформатора тиристорного преобразователя
Приведем сопротивление обмоток двигателя к нагретому состоянию учтя, что максимальная рабочая температура для изоляции класс B = 90 C:
Сопротивление обмотки возбуждения:

Сопротивление якорной цепи:
Рассчитаем номинальную скорость двигателя:

Трансформатор в управляемом вентильном электроприводе необходим для согласования напряжения сети с напряжением двигателя [1].
Фазное напряжение вторичной обмотки трансформатора определяется выражением:

где – коэффициент запаса по напряжению сети, – коэффициент запаса по напряжению, учитывающий неполное открытие вентилей при максимальном управляющем сигнале, – коэффициент запаса по напряжению, учитывающий падение напряжения в вентиле, в обмотках трансформатора, – коэффициент пропорциональности между средневыпрямленным напряжением и действующим значением фазного напряжения вторичной обмотки для трехфазной мостовой схемы выпрямления, – номинальное напряжение двигателя
Коэффициент трансформации трансформатора:

Так, как коэффициент трансформации равен единице воспользуемся бестрансформаторным варианте схемы, где силовые цепи преобразователя тиристорного электропривода подключаются к сети через анодный реактор. Анодный реактор выбирают по действующему значению номинального тока фазы преобразователя , где коэффициент b схемы выпрямления (b=0,817 для мостовой схемы), и номинальному напряжению сети.
Номинальный ток двигателя равен:

электропривод силовой регулятор matlab
где – номинальная мощность двигателя, – номинальное напряжение обмотки возбуждения, – номинальный КПД двигателя, – сопротивление обмотки возбуждения в нагретом состоянии.
Ток фазы первичной обмотки трансформатора:

Ток фазы вторичной обмотки трансформатора:

Выбираем анодный реактор типа РС 40/1,4 [2]. Его параметры, взятые из справочных данных:

.
2.2
Проверка и выбор тиристоров
Выбор и проверка тиристоров, принятых к установке в преобразователе, производятся, по трем параметрам: по среднему току, максимальному амплитудному значении напряжения на тиристоре и ударному току внутреннего короткого замыкания [2].
Среднее значение тока, протекающего через тиристор:

где: – допустимый ток двигателя, для общепромышленной серии машин – = , для серии двигателей 2ПФ; – для трехфазной мостовой схемы.
Значение тока, приведенное к классификационным параметрам тиристоров:

где – коэффициент запаса по току, – коэффициент, зависящий от схемы выпрямления, угла проводимости и от формы тока, – коэффициент, учитывающий условия охлаждения.
Найденный ток должен быть меньше действующего значения прямого тока:

Максимальное амплитудное напряжение на тиристоре:

где – коэффициент запаса по напряжению, учитывающий возможность перенапряжений на тиристорах; – линейное действующее значение напряжения вторичной обмотки трансформатора, . должно быть меньше повторяющегося напряжения тиристора.
Для нахождения ударного тока внутреннего короткого замыкания (КЗ на стороне постоянного тока, якорная цепь двигателя и реактора вне цепи) определяется амплитуда базового тока:

где - амплитуда фазного напряжения вторичной обмотки трансформатора.
Ударный ток внутреннего короткого замыкания находится по формуле:

где , определяется по кривым [3, рис. 1.128, с. 106] в зависимости от в зависимости от при .

Тиристор будет удовлетворять требованиям, если ток внутреннего короткого замыкания в преобразователе будет меньше ударного тока тиристора, то есть:

По выше найденным соотношениям выбираем тип тиристора [2], типа Т171–200 с техническими данными представленными в табл. 1.
Таблица 1
| Тип
|
Uпор
, В
|
Umax
, В
|
Imax
cp
, A
|
Iy
д
, kA
|
I2
tтир
, A2
c
|
(du/dt), мкс
|
| Т171–200
|
1,15
|
500…1200
|
200
|
5,2
|
135000
|
160
|
2.3
Выбор катодного дросселя
Так, как пульсации выпрямленного тока существенно ухудшают режим коммутации в двигателе и увеличивают его нагрев, для их сглаживания в схему добавляют катодный дроссель. Для этого необходимо найти амплитудные значения выпрямленного напряжения основной гармоники:


где – средневыпрямленное напряжение при угле регулирования, равном нулю; р = 6 – для трехфазной мостовой; k
= 1 – кратность гармоники, т.е. отношение порядкового номера гармоники к числу пульсации. В симметричной мостовой и нулевых схемах наибольшую амплитуду имеет основная гармоника k
= 1. Гармоники более высокой кратности имеют малую амплитуду, и действие дросселя на них эффективнее, поэтому расчет индуктивности дросселя ведется только по первой гармонике.
По известной амплитуде переменной составляющей и допустимому действующему значению основной гармоники тока н1
(1)% необходимая величина индуктивности цепи выпрямленного тока рассчитывается по формуле:

где – для машин без компенсационной обмотки; – номинальный ток двигателя.
Индуктивность сглаживающего ректора:


где – индуктивность анодного реактора,

Так, как по расчету получилась отрицательная величина , то это свидетельствует о том, что при принятом уровне пульсации тока катодный дроссель не нужен. Тогда действительный уровень пульсации тока первой гармоники с учетом приведенной индуктивности трансформатора или анодного реактора можно определить по формуле:


Значение гранично-непрерывного тока якоря двигателя в этом случае можно найти, используя соотношение:

где – граничное значение коэффициента:


Рассчитаем максимальный угол регулирования :


где – конструктивная постоянная на номинальный поток:

Рассчитаем скорость двигателя при максимальном угле управления:

При угле регулирования значение гранично-непрерывного тока больше, чем , значит влиянием прерывистого режима тока электроприводе нельзя пренебречь.
3.
Расчет параметров силовой цепи электропривода

Эквивалентная индуктивность якорной цепи двигатель – преобразователь:

d – Коэффициент из табл. 1 [2].
Напряжение преобразователя при работе электропривода в номинальном режиме

Угол регулирования, соответствующий номинальному режиму работы:

Минимальный угол регулирования должен превышать для надежного включения вентиля, значит запас напряжения доступный преобразователю равен отношению: 
Электромагнитная постоянная времени якорной цепи двигатель – преобразователь:

Электромеханическая постоянная времени электропривода:

где: –приведенное значение момента инерция привода;
4.
Построение статических характеристик разомкнутого электропривода
4.1
Естественные характеристики двигателя
Найдем номинальное значение момента двигателя:

Естественная механическая характеристика двигателя постоянного тока описывается выражением [3]:

Естественную характеристику построим по двум точкам:
1. Точка идеального холостого хода при :

2. Точка работы при номинальной частоте вращения .
4.2
Основные характеристики электропривода
Основная механическая характеристика электропривода описывается уравнением:

Основную характеристику построим по двум точкам:
1. Точка идеального холостого хода при :

2. Точка работы при номинальной частоте вращения .
4.3
Характеристики, обеспечивающие минимальную скорость работы электропривода
Минимальную скорость работы электропривода будет обеспечивать
напряжение преобразователя равное:



1. Точка идеального холостого хода при :

2. Точка работы при минимальной частоте вращения .
4.4
Характеристики аварийного динамического торможения
Механическая характеристика динамического торможения описывается выражением:

где – добавочное сопротивление якоря двигателя при динамическом торможении.
Все полученные характеристики построены на рис. 2 и рис. 3.
Рис. 2
Рис. 3
5.
Синтез и расчет параметров регуляторов в линеализованных системах управления частотой вращения электропривода
5.1
Структурная схема автоматизированного электропривода
При проектировании электропривода двухконтурной схемой с контурами регулирования скорости и тока, линеаризованная структурная схема двухконтурного автоматизированного электропривода регулирования частоты вращения представлена на рис. 4.
Рис. 4
Где передаточные функции звеньев двигателя:
W
1
(р),
W
2
(р),
W
3
(р)
; преобразователя
W
П
(
p
)
и передаточные функции фильтров W
ОС
(
p
),
W
ОТ
(
p
)
, положительная обратная связь с передаточной функцией W
4
(р)
служит для компенсация внутренней обратной связи по ЭДС двигателя, передаточные функции регуляторов W
РС
(
p
),
W
РТ
(
p
)
и их параметры будут определен в процессе синтеза методом подчиненного регулирования.
Тиристорный преобразователь является звеном, передаточная функция которого:

где – коэффициент усиления управляемого вентильного преобразователя, который определяется выбранной точкой линеаризации; Тn
= 0,009 с – постоянная времени системы управления преобразователем.
Коэффициент обратной связи по току:

где – напряжение насыщения выхода регулятора скорости.
Расчетное значение коэффициента обратной связи по скорости определяется выражением:

где – максимальное значение напряжения задания.
Синтез начинаем с внутреннего контура – контура тока.
5.2
Синтез контура регулирования тока (КРТ) якоря двигателя
Структурная схема контура тока представлена на рис. 5, на которой: k
Т
– коэффициент обратной связи по току; W
РТ
(р)
– передаточная функция регулятора тока, которая подлежит определению.

Рис. 5
При синтезе прими следующие допущения:
· Пренебрежем влиянием ЭДС вращения в контуре тока якоря.
· Не учитывается влияние внутренней обратной связи по ЭДС двигателя
Настройку регулятора тока будем осуществлять на технический оптимум, следовательно, разомкнутый контур тока должен имеет передаточную функцию:

Следовательно, передаточная функция регулятора тока по схеме рис 4 определится из условия:

и при получим передаточную функцию регулятора тока:

где - коэффициент передачи пропорциональной части регулятора тока, – постоянная времени интегральной части регулятора тока.
5.3
Синтез контура регулирования скорости (КРС) электропривода
Контур скорости будем настраивать на симметричный оптимум для обеспечения астатизма САУ.
Контур скорости является внешним по отношению к контуру тока. Структурная схема контура скорости электропривода при тех же допущениях показана на риc. 6.

Рис. 6
Примем некомпенсируемую постоянную времени в контуре скорости:

При настройке на симметричный оптимум, разомкнутый контур скорости должен имеет передаточную функцию:

Следовательно, передаточная функция регулятора скорости определится из условия:

Следовательно, передаточная функция регулятора скорости при настройке контура скорости на симметричный оптимум:

где – коэффициент передачи пропорциональной части регулятора скорости при настройке контура скорости на симметричный оптимум, – постоянная времени интегральной части регулятора скорости при настройке контура скорости на симметричный оптимум


При настройке на симметричный оптимум для уменьшения перерегулирования на вход системы необходимо установить фильтр с передаточной функцией:

Частота пропускания системы подчиненного регулирования скорости электропривода при настройке его на симметричный оптимум и наличии фильтра на входе равна 
6.
Моделирование переходных процессов скорости и тока электропривода на ЭВМ с помощью пакета MATLAB
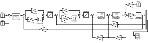
Для проверки расчетов регуляторов делаем моделирование системы электропривода в прикладном пакете программ MATLAB6.5.
Структурная схема электропривода представлена на рис. 7.

Рис. 7
Переходные процессы по скорости и току при пуске вхолостую, разгоне до минимальной скорости, с последующим разгоном до номинальной скорости, далее торможением до минимальной скорости и остановкой на рис. 8.

Рис. 8
Переходные процессы по скорости и току при пуске вхолостую с последующим реверсом и остановкой на рис. 9.

Рис. 9
Переходные процессы по скорости и току при разгоне до номинальной скорости с последующими набросом и сбросом нагрузки на рис. 10.
Рис. 10
7.
Расчет параметров регуляторов тока, скорости, и выбор их элементов
Расчёт параметров регуляторов тока, скорости в системе подчиненного регулирования выполняется по расчетной схеме рис. 11 и передаточным функциям регуляторов. В расчётной схеме рис. 6.1 приняты следующие обозначения: ВА – датчик тока, (UВА
=kВА
I); BR – датчик скорости вращения (UBR
=kBR
щ); УП – управляемый преобразователь совместно с системой управления им; kВА
, kBR
– коэффициенты передачи датчиков тока и скорости; R’зс
– сопротивление в обратной связи усилителя при реализации на нем П-регулятора скорости.

Рис. 11
Принимая величину сопротивления , и kba
=1 [2], находим остальные величины:



Сопротивление по не инвертирующему входу усилителя выбирается из условия равенства нулю напряжения смещения на выходе от входных токов усилителя [2]:


По расчетным значениям выбираем типовые резисторы и конденсаторы [4]. Выбираем резистор С5–42В соответственно ряду Е96 на 4.99 кОм, 787 Ом, 69,8 кОм и 681 Ом. Выбираем конденсатор типа К73–1б емкостью 0.15 мкФ [5].
Полностью аналогично для регулятора скорости:
Принимая величину сопротивления , и kbr
=1 [2], находим остальные величины:



Сопротивление по неинвертирующему входу усилителя выбирается из условия равенства нулю напряжения смещения на выходе от входных токов усилителя [2]:


По расчетным значениям выбираем типовые резисторы и конденсаторы [4]. Выбираем резистор С5–42В соответственно ряду Е96 на 4.99 кОм, 16,9 кОм, 78,7 кОм и 370 Ом. Выбираем конденсатор типа К73–1б емкостью 3,9 мкФ [5].
8.
Описание датчика проводимости вентилей БТУ-3601
Поскольку в мостовой схеме выпрямления для протекания тока в проводящем состоянии должны находиться минимум два тиристора из разных групп (один из анодный и другой из катодный), достаточно контролировать проводящее состояние тиристоров какой либо группы. В преобразователе осуществляется контроль состояния тиристоров катодной группы комплекта «Н» (соответственно – анодной группы комплекта «В»). Принципиальная схема ДПВ приведена на рис. 12.

Рис. 12
В непроводящем состоянии на переходах анод – катод тиристоров существует переменное напряжение, равное фазному напряжению вторичной обмотки силового трансформатора. Параллельно тиристорам подключены RC-цепочки, выполняющие функцию защиты тиристоров от перенапряжений. Величина сопротивления RC-цепочки при указанных на схеме номиналах R и С составляет около 13 кОм на частоте сети, т.е. оказывается вполне достаточной, чтобы обеспечить входной ток оптрону. Напряжение каждой RC-цепочки через согласующие резисторы подается на диодные мосты V4, V5, V6, нагруженные на светодиоды оптронов V7, V8, V9. непроводящее состояние тиристоров соответствует засвеченному состоянию фотодиодов в оптронах, имеющих в этом случае малую величину сопротивления, достаточную для того, чтобы транзисторы V10, V11 находились в закрытом состоянии, т.е. ДПВ вырабатывает логический сигнал единичного уровня Uб.а.
=1.
Если какой-либо из тиристоров находится в проводящем состоянии, падение напряжения на соответствующей RC-цепочке равно нулю, поэтому через светодиод одного из оптронов не будет проходить ток. Фотодиод этого оптрона будет иметь большую величину сопротивления, приводящую к открытию транзисторов V10 и V11. Таким образом, во время проводящего состояния какого-либо из тиристоров ДПВ формирует логический сигнал нулевого уровня Uб.в.
=0.
В зависимости от номинального выпрямленного напряжения преобразователя (напряжения вторичной обмотки силового трансформатора) на сопротивлениях, согласующих силовое напряжение на тиристорах с входным токов оптронов, устанавливаются следующие перемычки: для номинального выпрямленного напряжения 115 В 3–9, 4–10, 5–11; для номинального выпрямленного напряжения 230 В 3–6, 4–7, 5–8.
Практически ДПВ имеет зону нечувствительности, проявляющуюся в виде провалов в сигнале Uб.в.
в моменты перехода через нуль напряжений на RC-цепочках. Поэтому в случае, если ни один тиристор моста не проводит, в сигнале Uб.в
все равно имеются короткие импульсы нулевого уровня [1].
Заключение
В процесс выполнения курсового проекта был разработан тиристорный электропривод на базе комплектного электропривода подачи БТУ-3601. Были рассчитаны и выбраны по справочной литературе силовые элементы привода. Осуществлен синтез регуляторов на основе метода подчиненного регулирования и выполнено проверочное моделирование. Проверка показала, что система отвечает заданным требованиям по диапазону регулирования и относительной погрешности регулирования на малой скорости. В заключении был описан процесс работы датчика проводимости вентилей.
Литература
1) Чернов Е.А., Кузьмин В, П., Синичкин С Г. Электроприводы подач станков с ЧПУ: Справочное пособие. – Горький: Волго-Вятское книжн. изд-во, 1986. – 234 с.
2) Симаков Г.М., Гринкевич Д.Я. Системы управления электроприводами: метод пособие. – Новосибирск: Изд-во НГТУ, 2001. – 78 с
3) Справочник по проектированию автоматизированного электропривода и систем управления технологическими процессами / Под ред. В.И. Круповича, Ю.Г. Барыбина, М.Л. Самовера. – 3-е изд., перераб. и доп. – М.: Энергоиздат, 1982 – 416 с.
4)
Резисторы: Справочник / Ю.Н. Андреев. А.И, Антонян, Д.М. Иванов и др.; Под ред. И.И. Четверткова. – М.: Энергоиздат, 1981. –352 с.
5) Справочник по электрическим конденсаторам / М.Н. Дьяков, В.И. Каратанов, В.И. Присняков и др.; Под ред. И.И. Четверткова и В.Ф, Смирнова. – М.: Радио и связь, 1983. – 576 с.
|