Контрольная работа: Кола з розподіленими параметрами
|
Название: Кола з розподіленими параметрами Раздел: Рефераты по физике Тип: контрольная работа | |||||||||||||||||||||||||||||||||||||||||||||||||||||||||||||||||||||||||||||||||||||||||||||||||||||||||||||||||||||||||||||||||||||||||||||||||||
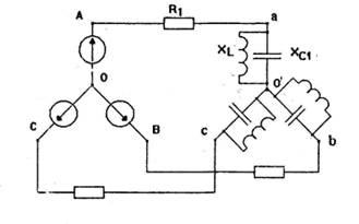
Міністерство освіти науки, молоді і спорту УкраїниІФНТУНГ Кафедра електротехнікиРозрахункова робота №3Тема “Кола з розподіленими параметрами”Виконала:студентка групи ЕТ-09-2 Онуфрик Мар’яна Івано-Франківськ 2011 Трифазні кола Нарис.3.17 зображені схеми трифазних кіл, в кожному з яких є трифазний генератор, що створює трифазну симетричну систему ЕРС і симетричне навантаження. Діюче значення ЕРС фази генератора Е, період Г і параметри пасивних елементів кола задані в табл. 3.1. Початкову фазу ЕРС ЕА прийняти нульовою. Необхідно: 1.Розрахувати струми у вітках кола. 2.Визначити миттєве значення напруги між заданими точками. 3.Визначити активну, реактивну та повну потужності кола. 4.Побудувати топографічну векторну діаграму напруг і векторну діаграму струмів. Виконати завдання за п. 1,2,3,4 при короткому замиканні між точками А і О' при з'єднанні фаз навантаження зіркою чи між точками а і b при з’єднанні фаз навантаження трикутником
Рис 3.3 трифазний генератор струм напруга
Визначаю частоту f, та w :
Визначаю реактивні опори Визначаю фазні напруги Визначаю еквівалентний комплексний опір: Визначаю струми у вітках кола Визначаю миттєве значення напруги між заданими точками а і с. Визначаю активну, реактивну та повну потужності кола Будую топографічну векторну діаграму напруг і векторну діаграму струмів
![]() ![]()
![]()
![]()
![]() Розглядаю випадок при короткому замиканні між точками А і О' Визначаю струми у вітках кола: Визначаю миттєве значення напруги між заданими точками а і с.
Визначаю активну, реактивну та повну потужності кола Будую топографічну векторну діаграму напруг і векторну діаграму струмів
![]()
![]() |







