Курсовая работа: Описание конструкции и назначения детали, анализ ее технологичности
|
Название: Описание конструкции и назначения детали, анализ ее технологичности Раздел: Промышленность, производство Тип: курсовая работа | |||||||||||||||||||||||||||||||||||||||||||||||||||||||||||||||||||||||||||||||||||||||||||||||||||||||||||||||||||||||||||||||||||||||||||||||||||||||||||||||||||||||||||||||||||||||||||||||||||||||||||||||||||||||||||||||||||||||||||||||||||
Содержание Введение 1.1 Описание детали, анализ технологичности детали 1.4 Выбор схемы базирования детали 1.5 Выбор оборудования для операции (характеристика и модель станка) 1.6. Расчет сил резания для операции 2.1 Определение погрешности базирования 2.2 Расчет необходимой силы зажима обрабатываемой детали 3. Конструкторская часть 3.1 Выбор установочных элементов приспособления 3.2 Выбор зажимных устройств 3.3 Выбор и обоснование силового привода 4. Конструкторская часть 4.1 Установка приспособления на станке Заключение ВведениеИнтенсификация производства в машиностроении неразрывно связана с техническим перевооружением и модернизацией средств производства на базе применения новейших достижений науки и техники. Техническое перевооружение, подготовка производства неизбежно включают процессы проектирования средств технологического оснащения и их изготовления. В общем объеме средств технологического оснащения примерно 50% составляют станочные приспособления. Применение станочных приспособлений позволяет: - надежно базировать и закреплять обрабатываемую деталь с сохранением ее обработки; - стабильно обеспечивать высокое качество обрабатываемых деталей при минимальной зависимости качества от квалификации рабочего; - повысить производительность и облегчить условия труда рабочего в механизации приспособлений; - расширить технологические возможности используемого оборудования. В зависимости от вида производства технический уровень и структура станочных приспособлений различны. Для массового и крупносерийного производства в большинстве случаев применяют специальные станочные приспособления одноцелевого назначения для выполнения определенных операций механической обработки конкретной детали. Эти приспособления наиболее трудоемки и дороги при изготовлении. В условиях единичного и мелкосерийного производства широкое распространение получила система универсально-сборных приспособлений, основанная на использовании стандартных деталей и узлов. Этот вид приспособлений более мобилен в части подготовки производства и не требует значительных затрат. деталь втулка станок приспособление Создание любого вида станочных приспособлений, отвечающих требованием производства, неизбежно сопряжено с применением квалифицированного труда. В последнее время в области проектирования станочных приспособлений достигнуты значительные спехи. Разработаны методики расчета точности обработки деталей в станочных приспособлениях, созданы прецизионные патроны и оправки, улучшены зажимные механизмы и усовершенствованна методика их расчетов, разработаны различные приводы с элементами, повысившими их эксплуатационную надежность. В представленной пояснительной записке изложена информация необходимая для того, чтобы рассчитать, спроектировать и изготовить по возможности простое, надежное и удобное, в обращении, отвечающее стандартам и требованиям производства станочное приспособление для получения сквозного резьбового отверстия в детали "Втулка" в условиях среднесерийного производства. 1. Общая часть1.1 Описание детали, анализ технологичности деталиДеталь "Втулка" относится к группе тел вращения с габаритными размерами 120мм×130мм. Деталь состоит из цилиндрического основания и двух расположенных симметрично цилиндрических бобышек. Цилиндрическое основание является черной базой и имеет диаметр 120мм и высотой 40мм. На цилиндрической поверхности бобышки диаметром 96h14 имеется сквозное резьбовое, отверстие диаметром 8мм и глубиной 20мм На цилиндрической поверхности бобышки диаметром 96h9 имеется технологическая канавка шириной 2.5мм. Деталь "Втулка" имеет центральное, гладкое, ступенчатое, сквозное отверстие диаметром 56мм на глубину 40мм, диаметром 35Н11мм, диаметром 56мм на глубину 40мм. Деталь типа "Втулка" применяются в сверлильных приспособлениях (для центрирования и исключения возможности отвода сверла); для установки в шарикоподшипниковых соединениях, закрепления, ограничения износа и вылета сопрягаемых конструкций.
Рис.1 3D модель детали В результате анализа чертежа детали "Втулка" определенно, что чертеж содержит все необходимые сведенья о размерах, точности, качестве обрабатываемых поверхностей, допускаемые отклонения от правильной геометрической формы. Дано указания о материале Сталь 25 ГОСТ 1050-88 Конструкция детали технологична: - допускается обработка поверхностей детали на проход; - Для обработки используются стандартные режущие и измерительные инструменты. - Выполнения всех поверхностей обеспечивает удобный подвод стандартного режущего инструмента - Деталь имеет хорошие базовые поверхности. - Имеется возможность соблюдения принципа и совмещения базовых поверхностей. - При выборе установочных технологических базовых поверхностей соблюдается принцип совмещения конструкторской и технологической баз. Элементов увеличивающих трудоёмкость детали не имеется. В конструкции детали имеется центральное гладкое ступенчатое отверстие, которое усложняет визуальное наблюдение за процессом резания и отводом стружки. 1.2 Характеристика материалаМатериал детали сталь 25 ГОСТ 1050-88 - конструкционная углеродистая качественная сталь Таблица 1 Химический состав
Таблица 2 Механические свойства
Таблица 3 Физические свойства
Физические свойства стали 25 (СТ 25, СТ25): T - Температура, при которой получены данные свойства, [Град] E - Модуль упругости первого рода, [МПа] a - Коэффициент температурного (линейного) расширения (диапазон 20o - T), [1/Град] l - Коэффициент теплопроводности (теплоемкость стали), [Вт/ (м·град)] r - Плотность стали, [кг/м3] C - Удельная теплоемкость стали (диапазон 20o - T), [Дж/ (кг·град)] R - Удельное электросопротивление, [Ом·м] Технологические свойства Оси, валы, соединительные муфты, собачки, рычаги, вилки, шайбы, валики, болты, фланцы, тройники, крепежные детали и другие неответственные детали; После ХТО - винты, втулки, собачки и другие детали, к которым предъявляются требования высокой поверхностной твердости и износостойкости при невысокой прочности сердцевины. Заменители сталь 30, сталь 25Н 1.3 Маршрут обработки Таблица 4
Установочные технологические базы
Рис.2 (У.Т. Б.) Таблица 5
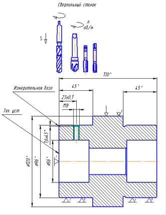
1.4 Выбор схемы базирования деталиПри проектировании технологического процесса механической обработки выбираются установочные базы обрабатываемой детали для каждой операции, от которых зависит точность обработки детали. Установка обрабатываемой детали базовыми поверхностями в приспособлении определяет ее положение относительно режущего инструмента. Поэтому при выборе базовых поверхностей будет руководствоваться правилом "совмещения баз", а именно стремиться к совмещению технологических установочных баз с конструкторскими и измерительными базами. Способ установки детали для обработки на станке, выбирается с учетом типа производства. Для серийного, среднесерийного, производства деталь для обработки на станке устанавливают непосредственно в приспособление. Согласно маршруту обработки на операции 035 Сверлильная, требуется сверлить сквозное отверстие под резьбу М8-7H, снять фаску, нарезать резьбу М8-7H. Операция будет выполняться на вертикально-сверлильном станке модели 2М112, спиральным сверлом Ø6.7 Т5К10 ГОСТ 20695-75 (рис.4) Зенкер ГОСТ 14953-80 (рис.3)
(Рис.3)
(Рис.4) Короткий метчик с шейкой для метрической резьбы (крупный шаг) ГОСТ-3266-81 (Рис.5)
(Рис.5) Черновой:
Чистовой:
Для базирования детали на сверлильной операции выбираются следующие базирующие поверхности: торец диаметра 96h14 и на два наружных диаметра 96h14 и 96h9. Данное базирование обеспечивает лишение заготовки пяти степеней свободы. Используемое приспособление - специальное. Схема базирования.
(Рис.6) Схема базирования детали 1.5 Выбор оборудования для операции (характеристика и модель станка)Сверлильный станок модели Rapidrill 450
(Рис.7) Особенности станка Мощный быстрый сверлильный и резбонарезающий центр с ускоренным ходом 48 м/мин Высокая точность и скорости подачи благодаря линейным направляющим, комбинированным с шариковыми винтами Быстрый сменщик инструмента с 12-тью инструментами, время смены инструмент/инструмент 1,4 сек (Rapidrill 450) Главный шпиндель с частотой вращения до 8000 мин - 1 (стандарт) или до 12000мин - 1 (опционально) Мощный АС-сервопривод главного шпинделя с производит.5,5 кВт Стандартная комплектация транспортером для стружки обеспечивает беспроблемный отвод стружки Малая вибрация станка благодаря тяжелой конструкции Ввод и вывод данных через RS-232 интерфейс или Memory Card, конструктивные группы оптимально составлены Ременная передача у модели Rapidrill 450 Таблица.6
1.6. Расчет сил резания для операцииСилы резания будут рассчитываться только для сверления, так как при обработке используется комбинированный инструмент сверло-зенковка и наибольшая осевая сила будет при сверлении отверстия. Общемашиностроительные нормативы времени и режимов резания для нормирования работ, выполняемых на универсальных и многоцелевых станках с числовым программным управлением. [4] Табличные значения режимов резания при сверлении. Sот =0,19 мм/об Vт =25.5 м/мин Рт =1885 Н Nт =0.64 кВт Sот - подача табличная мм/об; Р т - осевая сила резания табличная, Н [стр.126, карта 46, лист 1]; Vт - скорость табличная м/мин; Nт - мощность табличная, кВт [стр.126, карта 46, лист 1]; Подача S, мм/об: S = Sот · KSM , мм/об Sот - подача табличная мм/об KSM - 1,3поправочный коэффициент на подачу, в зависимости от материала заготовки [стр.143, карта 53, лист 1]; S = 0, 19· 1,3 = 0,247 мм/об; Скорость при сверлении V, м/мин: V = Vт · Kv м · Kv з · Kv ж · Kv т · Kv п · Kv и · KvL · Kvw , м/мин Vт - скорость табличная м/мин Kvм - 1,3 поправочный коэффициент на скорость, в зависимости от материала заготовки [стр.143, карта 53, лист 1]; Kvж - 0,8 поправочные коэффициенты на скорость для измененных условий работы в зависимости от применения охлаждения [стр.145, карта 53, лист 3]; Kvw - 0,8 - поправочные коэффициенты на скорость для измененных условий работы в зависимости от состояния поверхности заготовки [стр.145, карта 53, лист 3]; Kvз - 1,0 поправочные коэффициенты на скорость формы и заточки инструмента [стр.146, карта 53, лист 4]; Kvт - 1,0 поправочные коэффициенты на скорость для измененных условий работы в зависимости от отношения фактического периода стойкости к нормативному [стр.148, карта 53, лист 6]; Kvп - 1,0 поправочные коэффициенты на скорость для измененных условий работы в зависимости от покрытия инструментального материала [стр.147, карта 53, лист 5]; Kvн - 1.43 поправочные коэффициенты на скорость инструментального материала [стр.146, карта 53, лист 4]; KvL - 1,0 поправочные коэффициенты на скорость длины рабочей части сверла [стр.146, карта 53, лист 4]; V = 25.5 ·1,3· 0.8· 0,8· 1,0· 1,0· 1.43· 1,0 ·1.0 = 30,33 м/мин Скорость при резьбонарезании V, м/мин: V = Vт · Kv м · Kvk , м/мин Vт - скорость табличная, м/мин; KV м - 1,3 поправочный коэффициент на скорость [стр.143, карта 53, лист 1]; Kvk - 1,0 поправочные коэффициенты на скорость для измененных условий работы в зависимости от степени точности резьбы [стр.149, карта 53, лист 7]; V = 25.5 ·1,3· 1,0 = 33.15 м/мин Мощность резания при сверлении N, кВт: N = Nт / KN м , кВт Nт - мощность табличная, кВт [стр.126, карта 46, лист 1], KN м - 1,3 поправочный коэффициент на мощность [стр.143, карта 53, лист 1]; N = 0.64/1,3 = 0,49 кВт Осевая сила при сверлении Р, Н: Р = Рт /КРм , Н Р т - осевая сила резания табличная, Н [стр.126, карта 46, лист 1] К Рм - поправочный коэффициент на осевую силу [стр.143, карта 53, лист 1]; К Рм = 1,3 Р = 1885/1,3 = 1450 Н 2. Расчетная часть2.1 Определение погрешности базированияПогрешностью базирования
(Рис.8) Схема базирования Вследствие того, что установочная и измерительная базы совмещены по торцу 130мм, то погрешность для размера 23±0,1 будет равна 0. 2.2 Расчет необходимой силы зажима обрабатываемой детали
(Рис.9) Так как сила резания и сила зажима направлены в одно направление они совпадают. В данном случае сила резания - это осевая сила при сверлении равна
Расчет силы зажима. η - кпд, учитывающий потери от трения между прижимной планкой 3 и ее опорой (η = 0,95) За исходное усилие Ро принимаем: исходное усилие Ро перемножить на длину рукоятки (L) и диаметр винта (d) Ро - исходное усилие 140…200 Н ; L - Длина рукоятки 14, мм d - Диаметр винта 5мм
(Рис.10) 1)
|











; мм









