Курсовая работа: Подбор насосного оборудования
|
Название: Подбор насосного оборудования Раздел: Промышленность, производство Тип: курсовая работа | ||||||||||||||||||||||||||||||||||||||||||||||||||||||||||||||||||||||||||||||||||||||||||||||||||||||||||||||||||||||||||||||||||||||||||||||||||||||||||||||||||||||||||||||||||||||||||||||||||||||||||||||||||||||||||||||||||||||||||||||||||||||||||||||||||||||||||||||||||||||||||||||||||||||||||||||||||||||||||||||||||||||||||||||
Введение Задачей данного курсового проекта является расчёт насосной станции, в которую входят подбор насосного оборудования, а также проектирование машинного зала здания насосной станции. Насосная станция представляет собой комплекс сооружений и оборудования, предназначенного для перекачки воды. Здание насосной станции включает в себя следующие помещения: ¾ трансформаторная подстанция ¾ диспетчерская ¾ кабинет начальника станции ¾ ремонтные мастерские ¾ складские помещения ¾ санузел ¾ т.д. В состав насосной станции входят рабочие и резервные насосные агрегаты, регулирующая и предохранительная арматура, контрольно-измерительное и сигнализирующее оборудование, электрооборудование и автоматика, подъемно-транспортное и другое вспомогательное оборудование. По надежности действия станции делятся на 3 класса: · I класс – не допускается перерывов; · II класс – допускается кратковременный перерыв на период запуска резервных насосов; · III класс – перерыв в работе на время ликвидации аварии (не более 1 сут.). По расположению в системе водоснабжения насосные станции подразделяются на станции IиII подъема, повысительные и циркуляционные. Станции I подъема предназначены для подачи воды из источника на очистные сооружения. Если водоподготовка не требуется, то насосная стация I подает воду в накопительный резервуар. Станции II подъема подают воду из резервуаров чистой воды к потребителям. Повысительные насосные станции предназначены для повышения напора в водопроводной сети. Циркуляционные насосные станции применяют для обеспечения циркуляции воды в замкнутых. В зависимости от положения отметки чистого пола машинного зала относительно поверхности земли насосные станции подразделяются на наземные, полузаглубленные, заглубленные. В плане насосные станции бывают прямоугольные и круглые. Раздел 1. Подбор насосного оборудования 1.1 Определение расчетных расходов водопотребления населенного пункта и диапазона подач насосной станции Потребление воды населенного пункта неравномерно как в течение года, так и в течение суток. Среднегодовой суточный расход воды определяется как сумма среднегодовых суточных расходов воды на нужды различных потребителей (м3 /сут):
где Qсут.ср.н и Qсут.ср.п – среднесуточное потребление на хозяйственно-питьевые нужды населения и производства соответственно. Qсут.ср. =2200+220=2420(м3 /сут) Расчетные расходы воды в сутки наибольшего и наименьшего водопотребления определяются по формуле (м3 /сут):
где коэффициенты суточной неравномерности, учитывающие уклад жизни населения, режим работы предприятий, степень благоустройства зданий, изменения водопотребления по сезонам года и дням недели, надлежит принимать Kсут. max =1,1–1,3; Kсут. min =0,7–0,9. Qсут. max =2420. 1,3=3146(м3 /сут) Qсут. min =2420. 0,7=1694(м3 /сут) Расчетные часовые расходы воды определяются по формуле (м3 /ч):
Коэффициенты часовой неравномерности водопотребления Kч определяется по формуле:
где α – коэффициент, учитывающий степень благоустройства зданий, режим работы предприятий и другие местные условия, принимаемый αmax =1,2–1,4; αmin =0,4–0,6; βmin , βmax – коэффициенты, учитывающие число жителей в населенном пункте и принимаются по таблице:
Оценить число жителей Nж можно, пользуясь формулой:
где qж – удельное водопотребление (принимаем qж =230 л/сут).
По таблице при числе жителей 9566 - βmin =0,4; βmax =1,3. Определим расчетные часовые расходы воды: Кч. max =1,4. 1,3=1,82 Кч. min =0,4. 0,4=0,16 qч. max =1,82. 3146/24=238,5 (м3 /ч) qч. min =0,16. 1694/24=11,2 (м3 /ч) Насосная станция должна обеспечить подачу воду в диапазоне от qч. min до qч. max . Тогда Qн.с. min =qч. min =11,2м3 /ч. Кроме того должен обеспечиваться расчетный противопожарный расход, т.е.
где Qп – расход воды на наружное пожаротушение (л/с), определяемый в соответствии с нижеприведенной таблицей в зависимости от количества жителей в населенном пункте и типа зданий (предполагаем застройку населенного пункта зданиями высотой три этажа и выше).
Qп =15л/с Qн.с. max =238,5+3,6. 15=292(м3 /ч) Результаты расчетов сводим в таблицу 1.
1.2 Построение характеристики водопроводной сети и определение диапазонов напоров насосной станции Требуемый напор насосной станции связан с характеристикой водопроводной сети, которая представляет собой зависимость Hв.с = f(Q) и определяется уравнением:
где Hг – геометрический напор; hн.с. = 2…2,5 м – потери напора в коммуникациях насосной станции; B – гидравлическое сопротивление водопроводной сети; Q – расход воды в сети. Зная из предыдущих расчетов значение подачи насосной станции при максимальном водопотреблении (Qн.с.max , = 292 м3 /ч), значение требуемого напора при максимальном водопотреблении (Hн.с = 36 м) и геометрический напор (Hг = 21 м), можно определить гидравлическое сопротивление водопроводной сети:
Зная гидравлическое сопротивление В, рассчитываем характеристику водопроводной сети. Расчет характеристики водопроводной сети Hв.с = f(Q) удобно вести в табличной форме. Причем значения расходов Q должны охватывать весь диапазон подач насосной станции от Qн.с.min = 22,7 м3 /ч до Qн.с.max = 424 м3 /ч. Таблица зависимости Q от Н
На основании этой таблицы строим графическую характеристики водопроводной сети Hв.с. = f(Q) (рис.1.1).
По характеристике сети определяем напоры насосной станции при Qн.с.min = 11,2 м3 /ч и Qн.с.max = 292 м3 /ч, которые соответственно равны Hн.с.min = 23 м и Hн.с.max = 36 м. 1.3 Вариантный подбор насосов Предварительно подбираются несколько вариантов насосов для обеспечения подач в диапазоне от Qн.с.min до Qн.с.max и, соответственно, напоров от Hн.с.min до Hн.с.max . Насосные станции систем водоснабжения характеризуются большим диапазоном подач от Qн.с.min до Qн.с.max , который, как правило, невозможно обеспечить одним насосом. Поэтому насосные станции комплектуются группой насосов, соединенных параллельно. При этом производительность одного насоса определяется приблизительным равенством
где n–количество однотипных рабочих насосов. Можно укомплектовать насосную станцию однотипными насосами, что упрощает их эксплуатацию и техническое обслуживание. Однако такой вариант может приводить к необходимости гашения больших избыточных напоров в области минимальных подач, так как насосы подбираются по параметру Hн.с.max . Другим вариантом подбора насосного оборудования является выбор группы насосов одного типоразмера для обеспечения подач в области средних и максимальных значений, и использования насосов другого типа размера с меньшей производительностью для обеспечения подач в области Qн.с.min и соответствующего напора Hн.с.min . Для каждого выбранного варианта определим табличные и построим графические характеристики H = f(Q), η = f(Q), N = f(Q), которые отражают одиночную и групповую работу насосов. Характеристики насосных агрегатов совмещаются с характеристикой водопроводной сети Hв.с . При параллельном соединении насосов их характеристики определяются формулами
где Qi , Hi , Ni и ηi – параметры, характеризующие работу одного насоса; Qn , Hn ,Nn и ηn – параметры, характеризующие работу группы насосов; n– количество рабочих насосов. Далее на основании анализа совмещенных графических характеристик насосов водопроводной сети устанавливаются рабочие диапазоны насосных агрегатов. Рабочий диапазон каждого насоса должен находиться в пределах рабочей области его характеристик: I. рабочий диапазон насоса типа К45/55 - (31-62 м3 /ч) II. рабочий диапазон насоса типа К90/55 – (65-112 м3 /ч) и рабочий диапазон насоса типа К20/30 – (12-28 м3 /ч) Также избыточные напоры во всем диапазоне от Qн.с.min до Qн.с.max не должны превышать 60 м. При несоответствии одного из параметров рассматривается возможность применения насосов другого типоразмера или комплектации насосов преобразователем частоты тока (ПЧТ). При пересчете характеристики регулируемого насоса допускается использовать приблизительные соотношения
где Q1 , H1 , N1 и η1 – параметры, характеризующие работу насоса при частоте вращения n1 ; Q2 , H2 , N2 и η2 – параметры, характеризующие работу насоса при частоте вращения n2 . Технические данные насосов: Таблица 3. I вариант
Таблица 4 II вариант
На первом графике отражены характеристики насосов и водопроводной сети и анализ их совместной работы: А – диапазон работы насоса К 45/55 с ПЧТ; Б – 2 насоса К 45/55; В – 3 насоса К 45/55;Г – 4 насоса К 45/55; Д – 5 насосовК45/55.На втором графике отражены характеристики насосов и водопроводной сети и анализ их совместной работы: А – диапазон работы насоса К 20/30; Б – 2 насоса К 20/30; В – 3 насоса К 20/30;Г – насос К 90/55; Д – 2 насоса К90/55; Е – 3 насоса К90/55. На отдельном графике построим характеристики N = f(Q) всех рассматриваемых вариантов насосов с учетом их рабочих диапазонов и методов регулирования. На основании сопоставления характеристики N = f(Q) устанавливается наиболее экономичный вариант с точки зрения энергоэффективности. Если характеристики пересекаются и однозначно невозможно отдать предпочтение одному из вариантов необходимо осуществить сопоставление вариантов с учетом вероятного графика водопотребления в данном населенном пункте. Для проведения анализа для каждого из вариантов определяется зависимость N= f(T), где T– время суток. Для этого вначале по графику водопотребления определяется расходы воды в конкретные часы суток, после чего по характеристикам N = f(Q) определяется мощность, потребляемая насосами в это время. Суммируя значения мощностей, определяем суточное потребление электроэнергии насосами. Вариант с меньшим энергопотреблением является предпочтительным с точки зрения энергоэффективности. Определяем мощность насосных агрегатов во всем диапазоне от Qн.с.min до Qн.с.max с учетом предусмотренных методов регулирования. При дроссельном методе регулировании характеристики насосов не изменяются, и их мощность N определяется по сводным характеристикам. При частотном регулировании подачи насоса в соответствии с соотношениями , приведенными ниже, получаем:
где Н1 и Н2 – соответственно напоры развиваемый насосом и требуемый при определенном расходе Q. Данные сводим в табл.4 и представляем графически на рис.3. Таблица 4
Рисунок 3 Таблица 6
Для окончательного вариантного выбора насосов необходимо учесть капитальные затраты на строительство насосной станции и затраты на обслуживание оборудования. С учетом выше сказанного мы предварительно подбрали 2 варианта насосов: - вариант I – 5 насосов К45/55 для обеспечения требуемых подач и напоров; - вариант II –3 насос К 20/30 для обеспечения в области минимального водопотребления и 3 насосов К 90/55 для обеспечения подач в остальном диапазоне и напора Hн.с.max . Анализ совместных характеристик насосов по варианту I: избыточные напоры не превышают 60 м, в интервале подач от 31 до 62 м3 /ч рабочие характеристики не соответствуют рекомендованным заводом-изготовителем для насоса К 45/55. Для решения этой проблемы предусматриваем комплектование одного насоса ПЧТ. Таким образом, окончательно вариант I включает: 1 насос К 45/55 с ПЧТ и 4 насоса К 45/55. Анализ совместных характеристик насосов по варианту II:в интервале подач от 12 до 28 м3 /ч рабочие характеристики соответствуют рекомендованным заводом-изготовителем для насоса К 20/30; в интервале подач от 65 до 112 м3 /ч рабочие характеристики соответствуют рекомендованным заводом-изготовителем для насоса К 20/30 Таким образом, окончательно вариант II включает: 3 насоса К 20/30 и 3 насоса К 90/55. На основании сопоставления энергетических характеристик насосных агрегата выбираем наиболее эффективный вариант (рис.3). В нашем случае это II вариант, т.е. 3 насоса типа К20/30 и 3 насоса типа К90/55: если определить суточное потребление электроэнергии насосам по каждому из вариантов в данном населенном пункте (табл.6), то получим II вариант (632<699). Следовательно по всем нашим подсчетам мы выбираем II вариант, т.е. это 3 насоса типа К20/30 и 3 насоса типа К90/55. Раздел 2. Проектирование машинного зала здания насосной станции 2.1 Разработка конструктивной схемы и компоновка оборудования Габариты машинного зала насосной станции в основном зависят от числа насосных агрегатов и их расположения. В прямоугольных зданиях агрегаты располагают в 1 ряд,
или 2 ряда параллельно,
или в 2 ряда в шахматном порядке.
Для выбранного числа насосных агрегатов (основных и резервных) с учетом схемы их расположения подбирают трубопроводы, запорно-регулирующие и защитно-гидроарматурные соединения и другую арматуру. Схема размещения запорно-регулирующей арматуры должна обеспечивать возможность переключения основных и резервных насосов, а также отключение всасывающего и нагнетательного трубопроводов каждого насоса, с целью проведения ремонтных и профилактических работ. Выбор типа насосов и количество рабочих агрегатов подлежит производить на основе расчетов совместной работы насосов, водоводов, сетей, регулирующих емкостей, суточного и часового графика водопотребления, условий пожаротушения и т.д. В машинном зале допускается устанавливать группы насосов различного назначения. Количество рабочих агрегатов 1 группы должно быть не менее 2-х. При установлении группы насосов с разными характеристиками количество резервных агрегатов следует принимать: для насосов большой производительности – табл.32; а резервные насосы меньшей производительности хранить на складе.
В разделе 1 определили количество рабочих агрегатов – 3 насоса типа К90/55 и 3 насоса типа К20/30. Проектируемая насосная станция относится к 1 категории надежности, тогда количество резервных насосов принимаем – 2 насоса типа К90/55. Следовательно, общее количество насосов составит 3 насоса типа К20/30 и 5 насосов типа К90/55. Выбираем расположение насосов в 1 ряд параллельно. По всем найденным данным можно составить конструктивную схему машинного зала насосной станции. Схема 1
2.2 Расчет коммуникаций и подбор гидравлической арматуры Выбор соединительно арматуры зависит от диаметров всасывающих и нагнетательный патрубков насосов и диаметра выбранных трубопроводов. Диаметр трубопровода определяется в зависимости от нормальной скорости движения воды и количества труб. Диаметры всасывающих и нагнетательных труб отдельных насосов рассчитываются на пропуск максимального расхода, приходящего на данный насос. Диаметр труб с учетом соответственного расхода определяется по формуле:
где vэк – экономически наивыгодная скорость движения воды в трубопроводах.
Трубы внутри насосной станции принимают стальные с соединением на сварке. Для конкретных участков трубопровода подбирают необходимую запорно-регулирующую, защитную и соединительную арматуру. Напорные и всасывающие трубопроводы в пределах машинного зала насосной станции размещают в углубленных каналах с водосборными приямками или укладывают на полу машинного зала, обеспечивая уклон пола к приямку. Над трубами устраивают переходы. Подберем диаметр трубопроводов:
Выполним проверку:
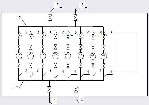
Подберём гидравлическую арматуру. Далее позиции арматуры будут обозначаться в соответствии с позициями, указанными на формате А1. Позиция 1: dу =300мм ¾ задвижка 30ч6бр НЗТА Украина m=242кг L=500мм h=1505мм Позиция 2: dу =100мм ¾ задвижка 30ч6бр ЧАРЗ Россия m=38кг L=230мм h=523мм Позиция 3: d100/65мм ¾ переходник фланцевый m=8,7кг L=200мм Позиция 4: Насос К20/30 m=92кг(агрегат) L=832мм h=345мм b=300мм dу.вс. =65мм dу.н. =50мм Позиция 5: d80/50мм ¾ переходник фланцевый m=7,2кг L=120мм Позиция 6: dу =80мм ¾ клапан (затвор) фланцевый НЗТА 19ч16бр m=33кг(агрегат) L=310мм h=265мм Позиция 7: dу =80мм ¾ задвижка 30ч6бр ЧАРЗ Россия m=28кг L=210мм h=440мм Позиция 8: dу =250мм ¾ задвижка 30ч6бр НЗТА Украина m=168кг L=450мм h=1280мм Позиция 9: d250/100мм ¾ переходник фланцевый Позиция 10: Насос К90/55 m=370кг(агрегат) L=1430мм h=585мм b=515мм dу.вс. =100мм dу.н. =65мм Позиция 11: d65/150мм ¾ переходник концентрический DIN 2616 m=2,5кг L=140мм Позиция 12: dу =150мм ¾ клапан (затвор) фланцевый НЗТА 19ч16бр m=72кг(агрегат) L=460мм h=375мм Позиция 13: dу =150мм ¾ задвижка 30ч6бр НЗТА Украина m=74кг L=280мм h=860мм Позиция 14: dу =250мм ¾ задвижка 30ч6бр НЗТА Украина m=168кг L=450мм h=1280мм 2.3 Определение габаритных размеров машинного зала Размер машинного зала определяется количеством и габаритами насосных агрегатов, а также размещением трубопроводов, запорно-регулирующей и предохранительной арматурой. Определение основных размеров машинного зала в плане сводим к установлению ширины и длины помещения. Ширина здания (расчётный пролёт) определяется, исходя из габарита наибольшего насосного агрегата (К90/55), строительной длины арматуры и фасонных частей. Стандартный пролёт здания равен 6, 9, 12 и 15 м. Определим ширину здания: В=250мм*6+500мм+450мм+250мм+1430мм+140мм+460мм+280мм+ +311мм+261мм=5582мм=6м Длина здания определяется, исходя из количества основных и вспомогательных насосов, их габаритов, а также размеров монтажной площадки. Проход между насосными агрегатами, а также между агрегатами и строительными конструкциями должен быть не менее 1 м.Размер монтажной площадки в плане равен монтажному пятну наибольшего насосного агрегата (К90/55). Длина машинного здания принимается кратной 6 м при каркасном здании и кратной 1,5 м для бескаркасных зданий. В нашем случае здание построено из кирпича, поэтому длину здания принимаем кратной 1,5 м. Определим длину здания: L=1м*10+300мм*3+515мм*5+515мм=1000мм*10+300мм*3+515мм*6= =13990мм=13,99м=15м Высотное положение ремонтно-машинной площадки должно обеспечивать возможность погрузки-разгрузки оборудования на транспортные средства. Высота машинного зала насосной станции от чистого пола до нижней плоскости конструкции покрытия должна составить:
водопотребление насосный помпа гидравлический hоб - высота установленного оборудования вместе с фундаментом (берётся агрегат К90/55) 0,5 – минимальное расстояние (в метрах) между установленным и hгр – высота перемещаемого груза (К90/55) hст – высота страповки (1,5м) hкр – минимальная высота подъёмно – транспортного оборудования (1 м) Вертикальный размер от отметки пола монтажной площадки до нижней плоскости конструкции покрытия должен составлять:
hтр – высота грузовой платформы транспортного средства (0,7м) 0,1м – конструктивный запас Если монтажная площадка находится на одной отметке с уровнем чистого пола машинного зала, то высота здания назначается по наибольшему из значений, то есть высота машинного зала будет равна 3,89м. Заключение Задачей данного курсового проекта было рассчитать насосную станцию, в которую входят подбор насосного оборудования, а также проектирование машинного зала здания насосной станции. Таким образом, был сделан подбор насосного оборудования, в который входят: ¾ Определение расчётных расходов водопотребления населённого пункта и диапазона подач насосной станции ¾ Построение характеристики водопроводной сети и определение диапазона напоров насосной станции ¾ Вариантный подбор насосов Также было осуществлено проектирование машинного зала здания насосной станции, в которое входят: ¾ Разработка конструктивной схемы и компоновка оборудования ¾ Расчёт коммуникаций и подбор гидравлической арматуры ¾ Определение габаритных размеров машинного зала Также курсовой проект содержит формат А1, который включает план машинного зала здания насосной станции, чертёж одного из насосных агрегатов и необходимые таблицы. Литература 1. Карелин В.Я., Минаев А.В. Насосы и насосные станции. М. Стройиздат, 1986. 2. Карасев Б.В. Насосные и воздуходувные станции. Мн.: Выш. шк., 1990. 3. Насосы и насосные станции. Под. ред. В.Ф.Чебаевского. М.: Агропромиздат, 1989. 4. СНиП 2.04.02-84. Водоснабжение. Наружные сети и сооружения, 1985. 5. Карасев Б.В. Методическое руководство к выполнению курсового проекта по насосным станциям для студентов специальности Т.1906 "Водоснабжение, водоотведение, очистка природных и сточных вод". Брест, 1995. 6. Свистунов В.К. Задания и методические указания к курсовому проекту "Насосные и воздуходувные станции". Мн., 1986. 7. Каталоги насосов. 8. Справочник проектировщика. Мн., 1990. 9. Шевелёв Ф.А. Таблицы для гидравлического расчёта водопроводных труб: справочное пособие / Ф.А. Шевелёв, А.Ф. Шевелёв. – 6-е изд., доп. и перераб. - М. Стройиздат, 1984. |
||||||||||||||||||||||||||||||||||||||||||||||||||||||||||||||||||||||||||||||||||||||||||||||||||||||||||||||||||||||||||||||||||||||||||||||||||||||||||||||||||||||||||||||||||||||||||||||||||||||||||||||||||||||||||||||||||||||||||||||||||||||||||||||||||||||||||||||||||||||||||||||||||||||||||||||||||||||||||||||||||||||||||||||
,

















