Курсовая работа: Энергооборудование вагонов
|
Название: Энергооборудование вагонов Раздел: Рефераты по транспорту Тип: курсовая работа | |||||||||||||||||||||||||||||||||||||||||||||||||||||||||||||||||||||||||||||||||||||||||||||||||||||||||||||||||||||||||||||||||||||||||||||||||||||||||||||||||||||||||||||||||||||||||||
Содержание Введение1. Краткое описание электрооборудования вагона2. Система электроснабжения пассажирских вагонов3. Определение мощности потребителей электроэнергии пассажирского вагона3.1 Определение мощности электродвигателей приводов вентиляторов, водяного насоса и компрессора3.2 Определение мощности электродвигателя привода компрессора установки охлаждения воздуха3.3 Выбор двигателей по каталогу3.5 Определение мощности осветительной нагрузки3.6 Перечень потребителей электроэнергии пассажирского вагона и их характеристики4. Определение расчетных нагрузок5. Определение пиковых нагрузок6. Определение мощности источника электроэнергии пассажирского вагона7. Выбор защитной аппаратуры8. Выбор проводов сети электроснабжения пассажирского вагона9. Выбор коммутационной аппаратуры10. Расчет мощности электродвигателя привода грузоподъемного механизмаЗаключениеСписок использованных источниковВведениеЭлектрооборудование применяемое в современных пассажирских вагонах используется для освещения салонов, купе, коридоров, туалетов; вентиляции помещений вагона; отопления вагона и подогрева подаваемого в него воздуха зимой; охлаждение подаваемого воздуха летом; охлаждение продуктов питания и питьевой воды; радиовещания и работы устройств связи; создания комфортных условий для перевозки пассажиров и облегчения обслуживания поездной бригадой. Кроме того, для обеспечения работы устройств сигнализации и контроля безопасности. По назначению вагонное электрооборудование делится на источники электрической энергии, преобразователи и потребители. Электрооборудование пассажирского вагона сложно и работает в тяжелых условиях. В процессе эксплуатации на него действует значительные динамические усилия, оно подвержено атмосферным воздействиям. Поэтому к нему предъявляют высокие требования, которые гарантируют его надежность. 1. Краткое описание электрооборудования вагонаПассажирские вагоны с автономной системой электроснабжения характеризуются тем, что имеют собственные источники электрической энергии, обеспечивающие питание низковольтных потребителей электроэнергии при движении и на стоянках. Преимуществом этой системы является ее независимость от внешнего источника питания, что позволяет эксплуатировать вагоны в любом поезде, в любом направлении, и не зависимо от типа поездного локомотива. В этой системе для низковольтных потребителей применяется исключительно постоянный ток. Это объясняется тем, что на вагоне установлена аккумуляторная батарея, которая служит резервным и аварийным источником питания. Кроме того, в системах с приводом от оси колесной пары генератор работает с переменной частотой вращения, пропорциональной скорости движения поезда. Генератор переменного тока вырабатывал бы при этих условиях электрический ток переменной частоты, что недопустимо для целого ряда потребителей. При использовании генератора постоянного тока стабилизировать его напряжение при изменении частоты вращения проще, чем частоту тока. Постоянный ток для питания системы электроснабжения может быть получен не только от генератора постоянного, но и от генератора переменного тока. Однако в этом случае потребители и аккумуляторную батарею подключают к источнику через выпрямитель. На вагоне применяется генератор с приводом от оси колесной пары вырабатывающий напряжение 110 В. Как резервный и аварийный источник энергии используется аккумуляторная батарея, которая питает основные потребители поезда при неработающем генераторе (при его неисправности, на стоянке), а также при малой скорости движения поезда, когда генератор не развивает необходимую мощность. Кроме того, аккумуляторная батарея воспринимает пики нагрузки, возникающие при одновременном включении нескольких потребителей большой мощности, пуске электрических двигателей, кратковременных перегрузках и др. Емкость аккумуляторной батареи выбирают такой, чтобы можно было обеспечить энергией потребители при малой скорости движения, на промежуточных станциях и при аварийном режиме с уменьшенной нагрузкой. Во время отстоя вагон подключается к стационарному источнику энергии, с помощью которого производится питание основных потребителей и подзарядка аккумуляторной батареи. 2. Система электроснабжения пассажирских вагоновПри автономной системе электроснабжения источники электроэнергии расположены только непосредственно на вагоне. На пассажирских вагонах в качестве источников электроэнергии используются генераторы с приводом от оси колесной пары и аккумуляторные батареи. На вагонах без системы кондиционирования воздуха в электрической сети вагона номинальное напряжение 50 В, на вагонах с кондиционированием воздуха с целью снижения потерь мощности в сети при больших токах нагрузки номинальное напряжение повышено до 110 В. Принципиальная схема силовых цепей автономной системы электроснабжения с индукторным генератором переменного тока и с системой кондиционирования воздуха показана на рисунке 1. Мощность генератора у вагонов с системой кондиционирования воздуха составляет 30-35 кВт, при номинальном напряжении в сети вагона – 110 В. Основным преимуществом системы электроснабжения с приводом генератора от оси колесной пары является то, что питание электрических потребителей в каждом вагоне не зависит от внешних источников электрической энергии. Вследствие этого обеспечивается высокая эксплуатационная маневренность пассажирских вагонов (возможность передачи вагонов из одного поезда в другой и их отцепки от локомотива и от поезда без нарушения нормального электроснабжения других вагонов, легкость переформирования поездов и т.д.). Автономная система электроснабжения обеспечивает также резервирование электроснабжения. В случае выхода из строя собственного генератора электрическую сеть вагона можно подключить к сети соседнего вагона. При скорости поезда выше 35-40 км/ч все потребители получают питание от подвагонного генератора G, а аккумуляторная батарея GВ находится в режиме зарядки от зарядного устройства А3. На современных вагонах устанавливаются генераторы переменного тока, которые проще по конструкции и более надежны в эксплуатации по сравнению с генераторами постоянного тока. В связи с этим электропотребители подключены через выпрямительный мост V1. При изменении скорости движении и тока нагрузки напряжение генератора остается неизменным за счет регулирования тока в обмотке возбуждения Wо.в. регулятором напряжения генератора А1. Во время стоянки и при низкой скорости движения потребители получают питание от аккумуляторной батареи СВ. Когда вагон находится на длительной стоянке – в отстое, потребители получают питание от внешнего источника питания через блок внешнего источника электроэнергии А4, преобразующий переменное трехфазное напряжение внешней сети 380/220 В в переменное трехфазное напряжение 142 В, которое выпрямляется так же, как и переменное напряжение генератора через трехфазный выпрямительный мост V1. Основными потребителями электроэнергии являются: 1 электродвигатели приводов компрессора, вентилятора вагона, вентилятора конденсатора, водяного насоса М1 – М4; 2 лампы накаливания Н; 3 люминесцентные лампы L; 4 нагревательные элементы электрокалорифера ЕК1 – ЕК2; 5 электропечи Е1 – Е12; 6 электрокипятильник ЕН1; 7 электронагреватели баков горячей воды ЕН2 – ЕН3. Для коммутации силовых цепей используются электромагнитные контакторы К1 – К10 и выключатели S1 и S2. Защита электрических цепей от перегрузки осуществляется автоматическими выключателями Q1 – Q5, а от короткого замыкания – плавкими предохранителями F1 – F5. Основным видом отопления при данной системе является водяное. Электропечи и электрокалорифер в переходный период времени года (весной, осенью) используются в качестве электрического отопления, а зимой служат для поддержания постоянства температурного режима, компенсируя инерционность водяного отопления. Повышенное напряжение 142 В необходимо для зарядки аккумуляторной батареи, при этом сеть освещения лампами накаливания Н подключена через регулятор напряжения А2, обеспечивающий питание сети освещения номинальным напряжением 110 В. Автономная система электроснабжения с приводом генератора от оси колесной пары кроме преимуществ автономности имеет ряд существенных недостатков, ограничивающих перспективность ее развития. Основной недостаток – это энергозатратность системы в целом. Вращение генераторов от оси колесной пары осуществляется за счет силы тяги локомотива. Если учесть потери энергии в электроприводе локомотива, потери энергии в приводе генератора, потери мощности в самом генераторе, то в пассажирском поезде с вагонами, оборудованными климатической установкой, затраты тяги локомотива на работу генераторов вагонов составляют 20-25 %. Мощность подвагонного генератора ограничена моментом, который можно передать от колесной пары, так как он определяется силой сцепления колеса с рельсом. С учетом затрат на техническое обслуживание и ремонт машин и аппаратов системы автономного энергоснабжения с приводом генератора от оси колесной пары стоимость электроэнергии в 5-10 раз выше, чем при системе централизованного электроснабжения. Привод от оси колесной пары увеличивает необрессоренную массу ходовых частей, ухудшая этим динамические качества вагона и увеличивая изнашиваемость колес колесной пары с приводом генератора, появляется большая вероятность заклинивания колесной пары при торможении. 3. Определение мощности потребителей электроэнергии пассажирского вагона3.1 Определение мощности электродвигателей приводов вентиляторов , водяного насоса и компрессора
где
Производительность вентилятора системы вентиляции вагона определяется с учетом расчетной нормы подачи свежего наружного воздуха на одного пассажира,
где
Подставим имеющиеся значения в формулу (2) и получим:
Полученное значение подставим в (1) и получим:
Мощность электродвигателя привода вентилятора конденсатора воздухоохладительной установки определяется по формуле:
где
Подставим имеющиеся значения в формулу (3) и получим:
Мощность электродвигателя привода водяного насоса отопления определяется по формуле:
где
Подставим имеющиеся значения в формулу (4) и получим:
3.2 Определение мощности электродвигателя привода компрессора установки охлаждения воздуха Мощность электродвигателя привода компрессора установки охлаждения воздуха определяется по формуле:
где
Общий (полный) тепловой поток складывается из шести тепловых потоков: 1 тепловой поток, поступающий через поверхность кузова вагона, Вт определяется по формуле:
где
Подставим имеющиеся значения в формулу (5) и получим:
2 тепловой поток от инфильтрации для летнего периода эксплуатации определяется по формуле:
По расчету:
3 тепловой поток, приносимый наружным воздухом при вентиляции вагона определятся по формуле:
где
По расчету получим:
4 тепловой поток за счет солнечной радиации определяем по формуле:
где
Подставим в формулу (8) и получим:
5 тепловой поток, выделяемый пассажирами вагона, определяется по формуле:
где
По расчету:
6 мощность теплового потока от электродвигателей, расположенных внутри вагона, осветительных и других электроприборов, принимается:
Таким образом, общий тепловой поток определяется по формуле:
Подставим полученные ранее значения тепловых потоков в формулу (11) и получим:
Подставим полученное в формуле (11) значение в (4) и получим:
3.3 Выбор двигателей по каталогу По найденным мощностям и с учетом условий работы по каталогу выбираем необходимые электродвигатели и определяем номинальный ток. Так как электродвигатели постоянного тока, то номинальный ток определяем по формуле:
где
Для вентилятора системы вентиляции выбираем электродвигатель типа П32 с номинальной мощностью 1,0 кВт и КПД 0,79. По расчету номинальный ток равен:
Для вентилятора конденсатора выбираем электродвигатель типа П41 с номинальной мощностью 1,5 кВт и КПД 0,75. Номинальный ток 18,2 А. Для привода водяного насоса отопления выбираем электродвигатель типа П22 с номинальной мощностью 0,5 кВт и КПД 0,72. По расчету номинальный ток равен:
Для привода компрессора выбираем электродвигатель типа П62 с номинальной мощностью 8 кВт и КПД 0,85. По расчету номинальный ток равен:
Выбранные электродвигатели и их характеристики сведены в таблицу 1. Таблица 1 – Электродвигатели, устанавливаемые в вагоне
3.5 Определение мощности осветительной нагрузки Мощность осветительной нагрузки для каждого из помещений вагона определяем по формуле, Вт:
где р – удельная мощность осветительной нагрузки для данного вида помещения, т.е. мощности на единицу площади этого помещения, Вт/м2; Fn – площадь помещения, для которого определяется мощность осветительной нагрузки, м2. Расчет осветительной нагрузки по каждому типу помещения приведен в таблице 2. Таблица 2 – Расчет мощности осветительной нагрузки вагона
Мощность сигнальных, служебных и других специальных ламп принимаем равной 350 Вт. [принимаем по источнику 1.] Мощность осветительной нагрузки всего вагона определяем по формуле:
Мощность преобразователя для люминесцентного освещения вагона вычисляем по формуле, Вт:
электроснабжение пассажирский вагон электродвигатель где ηпр – кпд статического полупроводникового преобразователя, ηпр =0,8.
3.6 Перечень потребителей электроэнергии пассажирского вагона и их характеристики Перечень потребителей электроэнергии пассажирского вагона и их характеристики, приведены в таблице 3. Таблица 3 – Перечень потребителей электроэнергии вагона
4. Определение расчетных нагрузокРасчетные нагрузки позволяют определить сечение проводов сети электроснабжения вагона, выбрать защитные аппаратуры и аппаратуру управления. Под расчетными нагрузками понимают некоторую неизменную нагрузку, которая вызывает такой же нагрев проводов, двигателей, что и действительная нагрузка, непрерывно меняющаяся по величине во времени. Определяют расчетные нагрузки для зимнего и летнего периодов эксплуатации вагона и используют для последующих расчетов большие значения. В зимний период используется следующее оборудование: - электрокипятильник (Р=2,4 кВт; kн=0,27); - электропечи (Р=6 кВт; kн=0,9); - электрокалорифер (Р=3 кВт; kн=0,85); - двигатель вентилятора системы вентиляции вагона (Р=0,8 кВт; kн=0,85); - двигатель насоса отопления (Р=0,42 кВт; kн=0,3); - лампы накаливания (Р=0,1 кВт; kн=0,8); - преобразователь для люминесцентных ламп (Р=0,6 кВт; kн=0,7); - лампы люминесцентные (Р=0,5 кВт; kн=0,8); - Водонагреватель (Р=1,3 кВт; kн=0,6); - Цепи управления (Р=0,5 кВт; kн=0,9). В летний период используется следующее оборудование: - двигатель вентилятора системы вентиляции вагона (Р=0,8 кВт; kн=0,85); - двигатель вентилятора конденсатора (Р=1,5 кВт; kн=0,8); - двигатель компрессора (Р=7,5 кВт; kн=0,6); - лампы накаливания (Р=0,1 кВт; kн=0,8); - преобразователь для люминесцентных ламп (Р=0,6 кВт; kн=0,7); - водоохладитель (Р=0,36 кВт; kн=0,35); - цепи управления (Р=0,5 кВт; kн=0,9). Для системы электроснабжения постоянного тока активную мощность вычисляем по формуле, кВт:
где kм – коэффициент максимума зависящий от эффективного числа электроприемников и группового коэффициента использования; kи – коэффициент использования отдельного потребителя электроэнергии вагона; Pн – номинальная мощность потребителя. Эффективное число электроприемников определяем по формуле:
Групповой коэффициент использования определяем по формуле:
а) Зимний период:
Принимаем 6 электроприемников.
Принимаем km=1,23.
в) Летний период:
Принимаем 4 электроприемника.
Принимаем km=1,29.
Для дальнейших расчетов принимаем Pр=14,2 кВт. Расчетный ток для потребителей при системе электроснабжения на постоянном токе определяется по формуле, А:
где
5. Определение пиковых нагрузокПиковая нагрузка – это наибольшая нагрузка длительностью от 5 до 10 с. Пиковые токи возникают, например, при пуске двигателя наибольшей мощности при работающих остальных потребителях электроэнергии. Пиковый ток определяем по формуле:
Где IР – расчетный ток нагрузки всей группы приемников; IНнаиб – номинальный ток двигателя, имеющего наибольший ток; ки – коэффициент использования двигателя; IПуск. наиб – пусковой ток двигателя, вычисляется по формуле
где Зимний период:
Летний период:
6. Определение мощности источника электроэнергии пассажирского вагонаПри автономной системе электроснабжения пассажирских вагонов основным источником электроэнергии является вагонный генератор с приводом от оси колесной пары. По найденному большему расчетному току находят требуемую мощность источника электроэнергии. Эта мощность для генератора постоянного тока определяется по формуле:
Мощность генератора из условия нагрузки его пиковым током вычисляем
где kпер – коэффициент кратковременной перегрузки для генератора, kпер =2.
Из расчетов видно, что наибольшая мощность при питании всех потребителей через выпрямители, принимаем мощность генератора РГ =15 кВт. 7. Выбор защитной аппаратурыК защитной аппаратуре, применяемой на пассажирских вагонах, относятся предохранители и автоматические выключатели. Предохранители применяются для защиты от токов короткого замыкания или весьма больших перегрузок, действующих продолжительное время (предохранители не должны отключать участки сети электроснабжения при пиковых токах, действие которых кратковременно). Автоматические выключатели предназначены для защиты как от токов короткого замыкания (с помощью мгновенно действующих электромагнитных расцепителей), так и от токов перегрузки (с помощью тепловых или другого типа расцепителей). В цепях привода электродвигателя применяются автоматические выключатели с комбинированным расцепителем. В других цепях – автоматические выключатели мгновенного действия. Для защиты электрической цепи вагона применяем предохранитель: - номинальное напряжение предохранителя должно быть равно или больше номинального напряжения сети, UНпред ≥ UНсети = 110 В; - плавкая вставка не должна плавится при расчётном токе, IНпред ≥ Iр = 129,1 А; - плавкая вставка не должна плавиться при пиковых токах. Номинальный ток плавкой вставки определяется по формуле:
где α – коэффициент зависящий от числа потребителей, α=1,8.
Выбираем предохранитель типа ПР-2-200. Ток вставки IНвставки=160 А. Для защиты двигателя компрессора применяем автоматический выключатель с комбинированным расцепителем: - номинальное напряжение автоматического выключателя должно быть равно или больше номинального напряжения сети, UНавт ≥ UНсети = 110 В; - номинальный ток мгновенно действующего расцепителя должен быть равен или больше номинального тока двигателя, IНавт ≥ Iн = 68,18 А; - номинальный ток теплового расцепителя должен быть равен или больше номинального тока двигателя, Iтепл ≥ Iн = 68,18 А; - ток установки мгновенно действующего электромагнитного расцепителя автомата должен быть равен или больше пускового тока,
где kавт – коэффициент запаса на неточность срабатывания автомата, kавт=1,25.
Выбираем автоматический выключатель типа А-3130 с техническими характеристиками: IНавт =250 А; Iтепл = 150 А; Iэл.магн =1050 А. 8. Выбор проводов сети электроснабжения пассажирского вагонаПровода выбираются в соответствии с требованиями, которые предъявляются к сетям электроснабжения пассажирских вагонов. В курсовой работе выберем следующие провода: - от генератора до пульта управления; - от пульта управления до двигателя компрессора. Провод от генератора: - нагрев проводов не должен превышать допустимого значения. Это будет выполнено, если номинальный ток провода равен или больше номинального тока, IНпров ≥ IР = 129,1 А; - при коротких замыканиях или больших перегрузках, когда происходит срабатывание защитного аппарата, не должна нарушаться термическая устойчивость проводов. Это требование будет выполнено, если номинальный ток провода соответствует току защитного аппарата
где IЗ – ток защитного аппарата, IЗ =200 А; kЗ – коэффициент защиты, kЗ=1,25.
Выбираем провод с сечением 95 мм2 проложенный в трубе. - потери напряжения в проводах не должны превышать допустимого значения ∆Uл ≤ ∆Uдоп (∆Uдоп=10%), определяемого по формуле
где IПик – суммарный пиковый ток провода, IПик = 200 А; UН – номинальное напряжение сети электроснабжения, UН=110 В; rН – активное сопротивление линии, Ом. Активное сопротивление линии электроснабжения определяем по формуле:
где lл – длина линии, lл = 10 м; Fл – сечение провода данного участка линии электроснабжения, Fл=95мм2; γл – удельная проводимость проводов,
Провод двигателя компрессора: - нагрев проводов не должен превышать допустимого значения. Это будет выполнено, если номинальный ток провода равен или больше номинального тока двигателя, IНпров ≥ IН = 100 А; - при коротких замыканиях или больших перегрузках, когда происходит срабатывание защитного аппарата, не должна нарушаться термическая устойчивость проводов. Это требование будет выполнено, если номинальный ток провода соответствует току защитного аппарата
где IЗ – ток защитного аппарата, IЗ =250 А; kЗ – коэффициент защиты, kЗ=1.
Выбираем провод с сечением 95 мм2 проложенный в трубе. - потери напряжения в проводах не должны превышать допустимого значения ∆Uл ≤ ∆Uдоп (∆Uдоп=10%), определяемого по формуле
где IПик – суммарный пиковый ток провода, IПик = 200 А; UН – номинальное напряжение сети электроснабжения, UН=110 В; rН – активное сопротивление линии, Ом. Активное сопротивление линии электроснабжения определяем по формуле:
где lл – длина линии, lл = 15 м; Fл – сечение провода данного участка линии электроснабжения, Fл=95мм2; γл – удельная проводимость проводов,
9. Выбор коммутационной аппаратурыК коммутационным аппаратам, служащим для включения и отключения цепей, относятся рубильники, контакторы и реле. Рубильники служат для ручного включения и отключения цепей, контакторы и реле – дистанционного, автоматического и неавтоматического включения цепей и потребителей электроэнергии. Рубильники, реле, контакторы защитных устройств от токов перегрузок и токов короткого замыкания не имеют. Для этого последовательно с ними включаются защитные аппараты. Для подключения генератора к сети вагона и включения электродвигателя компрессора применяем контактор КПВ-600. Таблица 4 – Технические характеристики контакторов
10. Расчет мощности электродвигателя привода грузоподъемного механизмаМощность на валу электродвигателя привода передвижения тележки обусловлена только силами трения и равна:
где k1-коэффициент,учитывающий силу трения реборд колес о рельсы, (1,85-2,5); Gм(т)- сила тяжести моста с тележкой или только тележки, Н; µ- коэффициент трения в опорах ходовых колес, (0,15-0,08); r-радиус шейки оси ходового колеса,м; f- коэффициент трения качения ходовых колес по рельсам,(0,0005-0,0012); vм(т)- скорость движения моста или тележки,м/c; Rк- радиус ходовых колес,м; ŋм(т)- КПД механизма передвижения моста или тележки. Номинальная скорость движения моста 2,0-2,3 м/c.
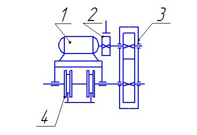
По рассчитанной мощности выбираем электродвигатель механизма передвижения моста крана типа П41,мощностью 1,5кВт и напряжением 110В. Кинематическая схема электроприводов передвижения моста представлена на рисунке 1.
1-электродвигатель; 2-соединительная муфта с тормозом; 3-редуктор; 4-ходовые колеса. Рисунок 1 - Кинематическая схема электроприводов передвижения моста. ЗаключениеВ курсовой работе дано краткое описание смешанной системы электроснабжения, показано расположение основного электрооборудования пассажирского купированного вагона с установкой кондиционирования воздуха, разработана и вычерчена принципиальная схема электроснабжения вагона. Рассчитаны мощности основных электропотребителей вагона и выбран электродвигатель по каталогу, определены расчетные и пиковые токи в элементах сети электроснабжения вагона: Расчетная мощность генератора составила 19 кВт. Для участков сети выбраны провода с сечением 95 мм, коммутационный аппарат – КПВ-600, защитные аппаратура: предохранитель ПР-2-200 и автоматический выключатель А-3130. Электродвигатель механизма передвижения моста крана выбран типа П41,мощностью 1,5кВт и напряжением 110В. Список использованных источников1 Зыков Ю.В. Расчет и выбор энергетического оборудования пассажирского вагона и вагоноремонтного предприятия: Методическое пособие УрГУПС - Екатеринбург, 2009. 66 с. 2 Вагоны и вагонное хозяйство: Методическое руководство к дипломному проектированию /В.Ф. Лапшин, М.В. Орлов, А.Г. Пяткова и др.; Под общ. ред. проф. М.В. Орлова. 2-е изд., доп. и испр. Екатеринбург: Изд-во УрГУПС, 2005.–120 с. |
|||||||||||||||||||||||||||||||||||||||||||||||||||||||||||||||||||||||||||||||||||||||||||||||||||||||||||||||||||||||||||||||||||||||||||||||||||||||||||||||||||||||||||||||||||||||||||
, (1)
.
.
.
.
, (16)
Вт.
(17)
, (18)
, (19)
.
А.
, (24)
А.
, (28)
, (29)
Ом
, (31)
, (32)
(33)
кВт;