Курсовая работа: Расчет ректификационной колонны
|
Название: Расчет ректификационной колонны Раздел: Рефераты по химии Тип: курсовая работа | |||||||||||||||||||||||||||||||||||||||||||||||||||||||||||||||||||||||||||||||||||||||||||||||||||||||||||||||||||||||||||||||||||||||||||||||||||||||||||||||||||||||||||||||||||||||||||||||||||||||||||||||||||
Содержание 1. Задание на проектирование 2. Теоретическая часть 3. Схема ректификационной колонны 4. Расчет ректификационной колонны 4.1 Материальный баланс. Уравнения рабочих линий 4.2 Определение скорости пара и диаметра колонны 4.3 Гидравлический расчет тарелок 4.4 Определение числа тарелок и высоты колонны 4.5 Тепловой расчет установки Вывод Список использованных источников 1. Задание на проектирование Рассчитать и спроектировать колонну ректификации (тарельчатую) для разделения смеси уксусной кислоты – вода поступающей в количестве 10 тонн в час. Состав исходной смеси 10% (масс.) уксусной кислоты и 90% (масс.) воды. Требуемое содержание уксусной кислоты в дистилляте 0,5% (масс.), а в кубовом остатке 70% (масс.). Ректификация производится под атмосферном давлении. Греющий пар имеет давление Ризб =3 атм. Техническая характеристика 1. Аппарат предназначен для разделения смеси уксусная кислота – вода концентрацией 10% (масс). 2. Греющий пар имеет давление Р=3атм. 3. Температура среды в кубе до 105°С. 4. Среда в аппарате не токсичная. 5. Тип тарелок - ситчатые. 6. Число тарелок - 33. Технические требования 1. При изготовлении, испытания и поставки аппарата должны выполняться требования: А) ГОСТ 12.2.003-74 "Оборудование производственное. Общие требования безопасности" Б) ГОСТ 26-291-79 "Сосуды и аппараты стальные сварные. Технические требования" 2. Материал тарелок или частей колонны, соприкасающимися с разделяемыми жидкостями или их парами, из стали Х18НЮТ ГОСТ 5949-75, остальные элементы колонны из стали ВСт Зсп. ГОСТ 380-71. 3. Аппарат испытать на прочность и плотность гидравлически: А) в горизонтальном положении - давлением 0,2 Мпа; Б) в вертикальном положении - наливом. 4. Сварные соединения должны соответствовать требованиям ОН 26-01-71-68 "Сварка в химическом машиностроении." Сварку В Ст Зсп. Произвести электродом марки АНО-5-4,5-2 по ГОСТ 9467-75. 5. Сварные швы в объеме 100% контролировать рентгенопросвечиванием. 6. Прокладки из паронита ПОН-1 ГОСТ 481-71. 7. Неуказанный вылет штуцеров 150мм. 8. Размеры для справок. 2. Теоретическая часть Ректификация представляет собой процесс многократного частичного испарения жидкости конденсации паров. Процесс осуществляется путем контакта потоков пара и жидкости, имеющих различную температуру, и проводятся обычно в колонных аппаратах. При каждом контакте и жидкости испаряется преимущественно низкокипящий компонент, которым обогащаются пары из паров конденсируется преимущественно высококипящий компонент, переходящий в жидкости. Такой двусторонний обмен компонентами, повторяемый многократно, позволяет получить, в конечном счете, пары, представляющие собой почти чистый низкокипящий компонент. Эти пары после конденсации в отдельном аппарате дают дистиллят (ректификат) и флегму – жидкость, возвращаемую для орошения колонны и взаимодействия с поднимающимися нарами. Пар получают путем частичного испарения снизу колонны остатка, являющегося почти чистым высококипящим компонентом. Ректификация известна с начала XIX века как один из важнейших технологически процессов главным образом спиртовой и нефтяной промышленности. В настоящее время ректификацию все шире применяют в самых различных областях химической технологии, где выделение компонентов в чистом виде имеет весьма важное значение (в производства органического синтеза, изотопов, полимеров, полупроводников и различных других веществ высокой чистоты). Процесс ректификации осуществляется путем многократного контакта между неравновесными жидкой и паровой фазами, движущимися относительно друг друга. При взаимодействии фаз между ними происходит массо- и теплообмен обусловлены стремлением системы к состоянию равновесия. В результате каждого контакта компонент перераспределяются между фазами: пар несколько обогащается низкокипящим компонентом, жидкость - высококипящим. Многократное контактирование приводит к практически полном разделению исходной смеси. Устройство ректификационных аппаратов.
Рис. 1 Ректификационная колонна непрерывного действия. 1 – колонна; 2 – кипятильник; 3 – дефлегматор Таким образом, отсутствие равновесия (и соответственно наличие разности температур фаз при движении фаз с определенной относительной скоростью и многократном их контактированиии являются необходимыми условиями проведения ректификации. Процессы ректификации осуществляются периодически или непрерывно при различны давлениях: при атмосферном давлении, под вакуумом (для разделения смесей высококипящих веществ), а также под давлением больше атмосферного (для разделения смесей, являющихся газообразными при нормальных температурах). Для проведения процессов ректификации применяют аппараты разнообразных конструкций основные типы которых не отличаются от соответствующих типов абсорберов. В ректификационных установках используют главным образом аппараты двух типов: насадочные и тарельчатые ректификационные колонны. Кроме того, для ректификации. вакуумом применяют пленочные и роторные колонны различных конструкций Насадочные, барботажные, а также некоторые пленочные колонны по конструкции внутренних устройств (тарелок, насадочных тел и т. д.) аналогичны абсорбционным колоннам. Однако в отличие от абсорберов ректификационные колонны снабжен теплообменными устройствами - кипятильником (кубом) и дефлегматором (рис. 1). Кроме того, для уменьшения потерь тепла в окружающую среду ректификационные аппараты покрывают тепловой изоляцией.
Рис- 2. Варианты установки дефлегматоров а - на колонне: б - ниже верха колонны; 1 -дефлегматоры; 2 - колонны: 3 - насос. Кипятильник или куб, предназначен для превращения в пар части жидкости, стекающей из колонны, и подвода пара в ее нижнюю часть (под насадки или нижнюю тарелку). Кипятильники имеют поверхность нагрева в виде змеевика или представляют собой кожухотрубчатый теплообменник, встроенный в нижнюю часть колонны. Более удобны для ремонта и замены выносные кипятильники, которые устанавливают ниже колонны с тем, чтобы обеспечить естественную циркуляцию жидкости. Дефлегматор, предназначенный для конденсация паров и подачи орошения (флегмы) колонну, представляет собой кожухотрубчатый теплообменник, в межтрубном пространстве которого обычно конденсируются пары, а в трубах движется охлаждающий агент (вода).
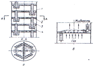
Рис. 3. Сетчатая колонна. а - схема устройства колонны; б – схема устройства тарелки; 1 - корпус; 2 - тарелка; 3 - переливная труба; 4 - стакан. В случае частичной конденсации паров дефлегматоре его располагают непосредственно над, колонной, чтобы обеспечить большую компактность установки, либо вне колонны (рис 2). При этом конденсат (флегму) из нижней части дефлегматор подают непосредственно через гидравлический затвор на верх колонны, так как в данном случае отпадав необходимость в делителе флегмы. В случае полной конденсации паров в дефлегматоре его устанавливают выше колонны, непосредственно на колонне или ниже верха колонны для того, чтобы уменьшить общую высоту установки. В последнем случае флегму из дефлегматора 1 подают в колонну 2 насосом. Такое размещение дефлегматора часто применяют при установке ректификационных колонн вне зданий, что более экономично в условиях умеренного климата. Барботажные (тарельчатые) колонны. (Рис 3). Эти аппараты в процессах ректификации наиболее широко распространены. Они применимы для больших производительностей, широкого диапазона изменения нагрузок по пару и жидкости могут обеспечить весьма четкое разделение смесей Недостаток барботажных аппаратов – относительное высокое гидравлическое сопротивление - в условия ректификации не имеет существенного значения. При ректификации повышение гидравлического сопротивления приводит лишь к некотором увеличению давления и соответственно повышению температуры кипения жидкости кипятильнике колонны. Однако тот же недостаток сохраняет свое значение для процессов ректификации под вакуумом. В таких колоннах используют различные виды тарелок: ситчатые, колпачковые, провальные, клапанные, пластинчатые и др. Ситчатые тарелки. (Рис. 3) . Колонна с ситчатыми тарелками представляет собой вертикальный цилиндрический корпус с горизонтальными тарелками, в которых равномерно по всей поверхности просверлено значительное число отверстий диаметром 1-5 мм. Газ проходи сквозь отверстия тарелки и распределяется в жидкости в виде мелких струек и пузырьков. Ситчатые тарелки отличаются простотой устройства, легкостью монтажа, осмотра и ремонт. Гидравлическое сопротивление этих тарелок невелико. Ситчатые тарелки устойчиво работают довольно широком интервале скоростей газа, причем в определенном нагрузок по газу и жидкость эти тарелки обладают высокой эффективностью. Вместе с тем ситчатые тарелки чувствительны загрязнителям и осадкам, которые забивают отверстия тарелок. Колпачковые тарелки . Менее чувствительны к загрязнениям, чем ситчатые, и отличаются более высоким интервалом устойчивой работы колонны с колпачковыми тарелками. Газ на тарелку поступает по патрубкам, разбиваясь затем прорезями колпачка на большое число отдельных струй. Далее газ проходит через слой жидкости, перетекающей по тарелки от одного сливного устройства к другому.
Рис. 4. Схема работы колпачковой тарелки При движении через слой значительная часть мелких струй распадается и газ распределяется в жидкости в виде пузырьков. Интенсивность образования пены непосредственно на колонне или ниже верха колонны для того, чтобы уменьшить общую высоту установки. В последнем случае флегму из дефлегматора 1 подают в колонну 2 насосом. Такое размещение дефлегматора часто применяют при установке ректификационных колонн вне зданий, что более экономично в условиях умеренного климата. Барботажные (тарельчатые) колонны. (Рис 3). Эти аппараты в процессах ректификации наиболее широко распространены. Они применимы для больших производительностей, широкого диапазона изменения нагрузок по пару и жидкости и могут обеспечить весьма четкое разделение смесей. Недостаток барботажных аппаратов – относительно – высокое гидравлическое сопротивление - в условия, ректификации не имеет существенного значения. При ректификации повышение гидравлического сопротивления приводит лишь к некоторому, повышению температуры кипения жидкости в кипятильнике колонны. Однако тот же недостаток сохраняет свое значение для процессов ректификации под вакуумом. В таких колоннах используют различные виды тарелок: ситчатые, колпачковые, провальные, клапанные, пластинчатые и др. Ситчатые тарелки. (Рис. 3). Колонна с ситчатыми тарелками представляет собой вертикальный цилиндрический корпус с горизонтальными тарелками, в которых равномерно по всей поверхности просверлено значительное число отверстий диаметром 1-5 мм. Газ проходи сквозь отверстия тарелки и распределяется в жидкости в виде мелких струек и пузырьков ситчатые тарелки отличаются простотой устройства, легкостью монтажа, осмотра и ремонта. Гидравлическое сопротивление этих тарелок невелико. Ситчатые тарелки устойчиво работают в довольно широком интервале скоростей газа, причем в определенном нагрузок по газу и жидкости эти тарелки обладают высокой эффективностью. Вместе с тем ситчатые тарелки чувствительны к загрязнителям и осадкам, которые забивают отверстия тарелок. Колпачковые тарелки. Менее чувствительны к загрязнениям, чем ситчатые, и отличаются более высоким интервалом устойчивой работы колонны с колпачковыми тарелками. Газ на тарелку поступает по патрубкам, разбиваясь затем прорезями колпачка на большое число отдельных струй. Далее газ проходит через слой жидкости, перетекающей по тарелке от одного сливного устройства к другому. При движении через слой значительная часть мелких струй распадается и газ распределяется в жидкости в виде пузырьков. Интенсивность образования пены и брызг на колпачковых тарелках зависит от скорости движения газа и глубины погружения колпачка в жидкость. Колпачковые тарелки изготовляют с радиальным или диаметральным переливами жидкости. Колпачковые тарелки устойчиво работают при значительных изменениях нагрузок по газу и жидкости. К их недостаткам следует отнести сложность устройства и высокую стоимость, низки предельные нагрузки ею газу, относительно высоко гидравлическое сопротивление, трудность очистки. Клапанные тарелки. (рис. 5). Принцип действия клапанных тарелок состоят в том, что свободно лежащий что свободно лежащий над отверстием в тарелке круглый клапан с изменением расхода газа своим весом автоматически регулирует величину площади зазора между клапаном и плоскостью тарелки для прохода газа и тем самым поддерживает постоянной скорость газа при его истечении в барботажный слой.
Рас. 5. Клапанные тарелки. а, б - с круглыми колпачками; в, с пластинчатым клапаном; г - балластная; 1 - клапан; 2 - кронштейн- ограничитель; 3 - балласт. При этом с увеличением скорости газа в колонне гидравлическое сопротивление клапанной тарелки увеличивается незначительно. Высота подъема клапана ограничивается высотой кронштейна ограничителя и обычно не превышает 8 мм. Достоинства клапанных тарелок: сравнительно высокая пропускная способность по газу и гидродинамическая устойчивость, постоянная высокая эффективность в широком интервале нагрузок по газу. Насадочные колонны . В этих колоннах используются насадки различных типов, но в промышленности наиболее распространены колонны с насадкой из колец Рашига. Меньшее гидравлическое сопротивление насадочных колонн по сравнению с барботажными особенно важно при ректификации под вакуумом. Даже при значительном вакууме в верхней части колонны вследствие большого гидравлического сопротивления ее разрежение в кипятильнике может оказаться недостаточным для требуемого снижения температуры кипения исходной смеси. Для уменьшения гидравлического сопротивления вакуумных колонн в них применяю насадки с возможно большим свободным объемом. В самой ректификационной колонне не требуется отводить тепло. Поэтому трудность отвода тепла из насадочных колонн является скорее достоинством, чем недостатком насадочных колонн в условиях процесса ректификации. Однако и при ректификации следует считаться с тем, что равномерное распределение жидкости по насадке в колоннах большого диаметра затруднено. В связи с этим диаметр промышленных насадочных ректификационных колонн обычно не превышает 0,8-1 м. Пленочные аппараты . Эти аппараты применяется для ректификации под вакуумом смесей обладающих малой термической стойкостью при нагревании (например, различные мономеры полимеры, а также другие продукты органического синтеза). В ректификационных аппаратах пленочного типа достигается низкое гидравлического сопротивление. Кроме того, задержка жидкости в единице объема работающего аппарата мала. К числу пленочных ректификационных аппаратов относятся колонны с регулярной насадкой в виде пакетов вертикальных трубок диаметром 6-20 мм (многотрубчатые колонны), а также пакетов плоскопараллельной или сотовой насадки с каналами различной формы, изготовленной и перфорированных металлических листов или металлической сетки. Недостатки роторных колонн: ограниченность их высоты и диаметра (из-за сложности изготовления и требований, предъявляемых к прочности и жесткости ротора), а также высоки эксплуатационные расходы. 3. Схема ректификационной установки
Принципиальная схема ректификационной установки Описание ректификационной установки Принципиальная схема ректификационной установки представлена на рис. Исходная смесь из промежуточной емкости 9 центробежным насосом 10 подается в теплообменник 5, где подогревается до температуры кипения. Нагретая смесь поступает на разделение в ректификационную колонну / на тарелку питания, где состав жидкости равен составу исходной смеси ХF. Стекая вниз по колонне, жидкость взаимодействует с поднимающимся вверх паром, образующимся при кипении кубовой жидкости в кипятильнике 2. Начальный состав пара примерно равен составу кубового остатка Xw, т.е. обеднен легколетучим компонентом. В результате массообмена с жидкостью пар обогащается легколетучим компонентом. Для более полного обогащения верхнюю часть колонны орошают в соответствии с заданным флегмовым числом жидкостью (флегмой) состав ХР, которая получается в дефлегматоре 3 путем конденсации пара, выходящего из колонны. Затем жидкость направляется в делитель флегмы 4. Часть конденсата выводится из дефлегматора в виде готового продукта разделения дистиллята, который охлаждается в теплообменнике 6, и направляется в сборник дистиллята 11 при помощи насоса 10. Из кубовой части колонны насосом 10 непрерывно выводится кубовая жидкость - продукт, обогащенный труднолетучим компонентом, который охлаждается в холодильнике остатка 7 и направляется в емкость 8. Таким образом, в ректификационной колонне осуществляется непрерывный неравномерный процесс разделения исходной бинарной смеси на дистиллят с высоким содержанием легколетучего компонента и кубовой остаток, обогащенный труднолетучим компонентом. 4. Расчет ректификационной колонны 4.1 Расчет материального баланса Уравнения материального баланса ректификационной колонны непрерывного действия, учитывающее количество поступающих и уходящих потоков, имеет следующий вид: GF = GD +GW (1) где GF – количество поступающей на разделение смеси, кг/с; GD – массовый расход дистиллята, кг/с; GW – массовый расход кубового остатка, кг/с; GF ∙ХF = GD ∙ХD +GW ∙ХW (2) где ХD – концентрация низкокипящего компонента в дистилляте, массовые доли; ХW – концентрация низкокипящего компонента в кубовом остатке, массовые доли; ХF – концентрация низкокипящего компонента в исходной смеси, массовые доли. Для того, чтобы найти массовый расход дистиллята ХD и массовый расход кубового остатка ХW подставим исходные данные в уравнение (1) и в уравнение (2). Затем решим эти уравнения совместно. GD +GW = 10000 GD ∙ 0,995 + GW ∙ 0,3 = 10000 ∙ 0,9 GD ∙ 0,995 + (1000-GD )∙ 0,3 = 9000 0,695 ∙ GD = 9000 − 3000 0,695 ∙ GW = 6000 GD =8633 кг/ч GD = 10000 − 8633 = 1367 кг/ч Массовый расход дистиллята: GD = 8633 кг/ч Массовый расход кубового остатка: GW =1367 кг/ч Для дальнейших расчетов выразим концентрации питания, дистиллята и кубового остатка в мольных долях. Содержание низкокипящего компонента в питании вычисляют по формуле:
где ХF – концентрация низкокипящего компонента в питании, мольные доли; Мв – мольная масса низкокипящего компонента, кг/моль; Мукс – мольная масса высококипящего компонента, кг/моль; Мукс = 60 кг/кмоль; Мв = 18 кг/кмоль; Содержание низкокипящего компонента в дистилляте вычисляют по формуле:
где ХD - концентрация низкокипящего компонента в дистилляте, мольные доли Содержание низкокипящего компонента в кубовом остатке вычисляют по формуле:
где ХW - концентрация низкокипящего компонента в кубовом остатке, мольные доли. Подставим в формулу(3), в формулу (4) и в формулу (5) исходные данные и найдем содержание уксусной кислоты в смеси (питании), в дистилляте и в кубовом остатке. ХF
= ХD
= ХW
= Относительный мольный расход питания определяется по уравнению:
Для проведения дальнейших расчетов нам необходимо построить кривую равновесия в координатах Здесь РБ и РТ – давление насыщенного пара воды и уксусной кислоты соответственно П- общее давление
Все необходимые данные для построения кривой равновесия приведены в таблице 1. Таблица 1. Равновесные составы жидкости и пара для системы Уксусная кислота - вода
По данным таблицы 1 построим кривую равновесия
Рис.2. Кривая равновесия в координатах Минимальное число флегмы
где уF * - концентрация низкокипящего компонента в паре, равновесном с жидкостью питания. Определим содержание уксусная кислота в паре, равновесном с жидкостью питания уF *,по кривой равновесия, представленной на рис.2. УF *=0.977 Подставим в уравнение (7) все необходимые данные и найдем минимальное число флегмы Rmin
Рабочее число флегмы R определяется по уравнению:
Подставим числовое значение минимального числа флегмы Rmin в уравнение (8) и определим рабочее число флегмы R.
Коэффициент избытка флегмы равен:
Уравнения рабочих линий А) в верхней (укрепляющей) части колонны
где R – флегмовое число
Б) в нижней (исчерпывающей) части колонны
где R – флегмовое число F– относительный мольный расход питания
Далее нам необходимо определить средний массовый расход по жидкости для верхней и нижней части колонны. Определяем по соотношению:
Где Md и Mf-мольные массы дистилята и исходной смеси; Mверх и Mн- средние мольные массы жидкости в верхней и нижней части колоны. Мольные массы в верхней и нижних частях колоны соответственно равны: Где Xсрн и Xсрв – средний мольный состав жидкости в нижней и верхней частях колонны.
Тогда: Mcp
в
= Mcp
н
= Мольная масса исходной смеси: MF
= Мольная масса дистиллята: MD
= Подставив, получим:
Средние массовые потоки пара в верхней Gв и Gн частях колонны соответственно равны:
Здесь M’в и M’н – средние мольные массы паров в верхней и нижней частях колонны: M’верх = Мв yсрв + Мукс (1-yсрв ) M’н = Мв yсрн + Мукс (1-yсрн ) yсрн и yсрв – средний мольный состав пара в нижней и верхней частях колонны.
Значение yD , yF и yW получаем из уравнений рабочей линии. Тогда: M’cp
в
= M’cp
н
= Отсюда:
тарельчатый колонна ректификация дефлегматор 4.2 Определение скорости пара и диаметра колонны По данным таблицы 1строим диаграмму t-x,y.
Рисунок 2 Диаграмма t-x,y для определения состава равновесия пара в зависимости от температуры По диаграмме, представленной на рисунке 2, определяем средние температуры: А) ycp в = 0.9397 tcp = 100.1 o C Б) ycp н = 0.7346 tcp = 102.3 o C Зная средние мольные, определяем массы и плотности пара: M’cp
в
= M’cp
н
=
M’в и M’н средние мольные массы пара в верхней и нижней части колонны соответственно; ρув и ρун плотности пара в в верхней и нижней части колонны соответственно. Температура в верхней части колонны при Хсрв =0.9831 равна 100.01°С, а в нижней при Xсрн = 0.77795 равна 101.5°С. Отсюда tср = 100.9755°С. Эти данные определены по диаграмме t-х,у, представленной на рисунке 2. Плотность воды при t = 100 °С ρв =958 кг/м3 , а уксусной кислоты при ρукс =958 кг/м3 . Принимаем среднюю плотность жидкости в колонне: Определяем скорость пара в колонне по уравнению:
Диаметр ректификационной колонны рассчитываем по формуле:
Берем диаметр колонны в = 3600 мм. Тогда скорость пара в колонне будет равна:
4.3 Гидравлический расчет тарелок Выбираем тарелку типа ТС - Р [приложение 2, стр. 118]. Принимаем следующие размеры ситчатой тарелки: Диаметр отверстий do = 4 мм Высота сливной перегородки hП = 40 мм Свободное сечение тарелки (суммарная площадь отверстий) 8% от общей площади тарелки. Площадь, занимаемая двумя сегментными переливными стаканами, составляет 20% от общей площади тарелки. Периметр слива П = 3.1 м. Рассчитаем гидравлическое сопротивление тарелки в верхней части и в нижней части колонны по уравнению:
где Δpсух - сопротивление сухой тарелки; Δpб - сопротивление, вызываемое силами поверхностного натяжения; Δpгж - сопротивление газожидкостного слоя на тарелке. А) в верхней (укрепляющей) части колонны: Гидравлическое сопротивление сухой тарелки:
где
Сопротивление, обусловленное силами поверхностного натяжения:
где
Сопротивление парожидкостного слоя на тарелке:
где hпж - высота парожидкостного слоя (пены) вычисляется по формуле:
где Δh высота слоя над сливной перегородкой рассчитывается по формуле:
где П - периметр сливной перегородки. Объемный расход жидкости в верхней части колонны:
где Мср средняя мольная масса жидкости, кг/кмоль; МD мольная масса дистиллята, кг/кмоль.
Ширину переливного порога находим, решая систему уравнений:
где R=1.8 м радиус тарелки; П=3.1 м - периметр сливной перегородки. Найдем ширину переливного порога b:
Находим Δh:
Высота парожидкостного слоя на тарелке: Сопротивление парожидкостного слоя на тарелке:
Общее гидравлическое сопротивление тарелки в верхней части колонны:
Б) в нижней (исчерпывающей) части колонны: Гидравлическое сопротивление сухой тарелки:
Сопротивление, обусловленное силами поверхностного натяжения:
где Объемный расход жидкости в нижней части колонны, рассчитывается по формуле:
где МF мольная масса жидкости питания, кг/кмоль Мср средняя мольная масса жидкости, кг/кмоль
Высота слоя над сливной перегородкой:
Высота парожидкостного слоя на тарелке:
Сопротивление парожидкостного слоя на тарелке:
Общее гидравлическое сопротивление тарелки в нижней части колонны:
Проверим, соблюдается ли при расстоянии между тарелками h = 0.5 м необходимое условие для нормальной работы тарелок:
Для тарелок нижней части, у которых общее гидравлическое сопротивление больше, чем у тарелок верхней части:
Следовательно, вышеуказанное условие соблюдается. Проверим равномерность работы тарелок - рассчитаем минимальную скорость пара в отверстиях
Рассчитанная скорость 4.4 Определение числа тарелок и высоты колонны Число тарелок рассчитывается по уравнению:
где η =средний К.П.Д. тарелок Для определения среднего К.П.Д. тарелок находим коэффициент относительной летучести разделяемых компонентов:
и коэффициент динамической вязкости исходной смеси ц при средней температуре в колонне, равной
При этой температуре давление насыщенного пара воды Рв = 867.88 мм.рт.ст., уксусной кислоты Рук = 474.15 мм.рт.ст, откуда
Динамический коэффициент вязкости воды при 101°С равен 0.2838 мПа*с , уксусной кислоты 0.4916 мПа*с. Принимаем динамический коэффициент вязкости исходной смеси
Тогда По графику [Рис. 7.4, стр. 323] находим значение
По графику [рис. 7.5, стр. 324] находим значение поправки на длину пути Δ=0.2375 Средний К.П.Д. тарелок находим по уравнению:
Число тарелок определяем аналитическим методом, используя табличный процессор Excel. Система уравнений позволяющая определить число тарелок, а также составы пара и жидкости, покидающих каждую из тарелок, включает в себя уравнение равновесия
где α коэффициент относительной летучести разделяемых компонентов: уравнения рабочих линий для верхней части колонны для нижней части колонны выражение для коэффициента обогащения Расчет состоит в последовательном определении в сечении колонны между тарелками составов пара и жидкости (yi , xi ). Нижние индексы у составов пара и жидкости отвечают номеру сечения. Номер тарелки совпадает с номером расположенного под нею сечения. Примем, что коэффициент летучести постоянен, коэффициент обогащения постоянен, куб-испаритель не обладает разделяющим действием, выходящий из него пар имеет тот же состав, что и кубовый остаток. Блок схема расчета
Результат расчета
Число тарелок: А) в верхней части колонны: Б) в нижней части колонны: Общее число тарелок n = 29, с запасом n = 33, из них в верхней части колонны 18, в нижней - 15. Высота тарельчатой части колонны:
Общее гидравлическое сопротивление тарелок:
4.5 Тепловой расчет установки Расход теплоты, отдаваемой охлаждающей воде в дефлегматоре-конденсаторе, находим по уравнению:
Здесь
где
Расход теплоты, получаемой в кубе-испарителе от греющего пара находим по уравнению:
Здесь тепловые потери
Расход теплоты в паровом подогревателе исходной смеси:
Здесь тепловые потери приняты в размере 5%, удельная теплоемкость исходной смеси
Взята при средней температуре
Расход теплоты, отдаваемой охлаждающей воде в водяном холодильнике дистиллята:
где удельная теплоемкость дистиллята взята при средней температуре (100+25)/2=62.50 С.
Расход теплоты, отдаваемой охлаждающей воде в водяном холодильнике кубового остатка:
где удельная теплоемкость кубового остатка
взята при средней температуре (105+25)/2=650 С.
Расход греющего пара, имеющего давление рабс = 3 атм = 3 кгс/см и влажность 5 % : А) в кубе-испарителе:
где
Б) в подогревателе исходной смеси:
Всего 12.0211кг/с или 43.276 т/ч Расход охлаждающей воды при нагреве ее до 20°С: А) в дефлегматоре
Б) в водяном холодильнике дистиллята:
В) в водяном холодильнике кубового остатка:
Всего: Вывод Ректификация это процесс, который осуществляется в противоточных колонных аппаратах с контактными элементами в виде тарелок. Процесс ректификации обладает рядом особенностей. Различное соотношение нагрузок по жидкости и пару в нижней и верхней части колонны. Совместное протекание процессов массо и теплопереноса. Всё это осложняет расчет тарельчатых ректификационных колонн. Большое разнообразие тарельчатых контактных устройств затрудняет выбор колонны. В данном случае мы выбираем колонну с тарелками типа ТС-Р, потому что она соответствует общим требованиям таким как: высокая интенсивность единицы объема аппарата, его стоимость. Диаметр и высота колонны определяются нагрузками по пару и жидкости и физическими свойствами взаимодействующих фаз. Список литературы 1. Дытнерский Ю.И. " Основные процессы и аппараты химической технологии. Курсовое проектирование" 2. Павлов К.Ф., Романков П.Г., Носков А.А. "Примеры и задачи по курсу процессов и аппаратов химической технологии" 3. Дытнерский Ю.И." Процессы и аппараты химической технологии" |






(3)
(4)
(5)




(7)


отношение плотности парожидкостного слоя (пены) к плотности жидкости, принимаемое приближенно равным 0.5.






