Дипломная работа: Автоматизація процесу очистки води у другому контурі блоку 3 Рівненської АЕС
|
Название: Автоматизація процесу очистки води у другому контурі блоку 3 Рівненської АЕС Раздел: Промышленность, производство Тип: дипломная работа | ||||||||||||||||||||||||||||||||||||||||||||||||||||||||||||||||||||||||||||||||||||||||||||||||||||||||||||||||||||||||||||||||||||||||||||||||||||||||||||||||||||||||||||||||||||||||||||||||||||||||||||||||||||||||||||||||||||||||||||||||||||||||||||||||||||||||||||||||||||||||||||||||||||||||||||||||||||||||||||||||||||||||||||||||||||||||||||||||||||||||||||||||||||||||||||||||||||||||||||||||||||||||||||||||||||||||||||||||||||||||||||||||||||||||||||||||||||||||||||||||||||||||||||||||||||||||||||||||||||||||||||||||||||||||||||||||||||||||||||||||||||||||||||||||||||||||||||||||||||||||||||||||||||||
| Міністерство освіти і науки України Національний університет водного господарствата природокористуванняКафедра електротехніки та автоматикиПОЯСНЮВАЛЬНА ЗАПИСКАдо дипломного проекту на тему:« АВТОМАТИЗАЦІЯ ПРОЦЕСУ ОЧИСТКИ ВОДИ У ДРУГОМУ контурі БЛОКУ №3 РІВНЕНСЬКОЇ АЕС» Виконала: студентка 6-го курсу заочного відділення факультету ПМ і КІС спеціальності АУТП Гіс О.В. Керівник дипломного проекту: к.т.н. Стець С.Є. Рівне - 2008Зміст Вступ Розділ 1. Технічна характеристика об’єкта 1.1 Коротка характеристика підприємства 1.2 Характеристика об’єкта регулювання 1.3 Опис конструкції і технологічної схеми СВО-3 1.4 Опис конструкції випарного аппарата 1.5 Опис процесу випарювання на випарних аппаратах Розділ 2. Аналаз структури існуючої система автоматизації та розробка функціональної системи автоматизації 2.1 Характеристики регуляторів 2.2 Розробка функціональної схеми автоматизації 2.3 Основні рішення з автоматизації об’єкта управління 2.3.1 Вибір технічних засобів автоматизації 2.3.2 Автоматичне регулювання й керування Розділ 3. Дослідження математичної моделі САР 3.1 Вимоги до якісних показників функціонування САР 3.2 Апроксимація перехідної характеристики ОР 3.3 Розрахунок регулятора САР 3.4 Моделювання і аналіз чутливості САР 3.5 Перевірка САР на жорсткість Розділ 4. Комплексна автоматизація виробництва очищеної води 4.1 Характеристика скада-системи „TRACE MODE” 4.2 Організація бази каналів 4.3 Розробка FBD-програм 4.4 Відображення технологічного процесу у редакторі представлення даних Розділ 5. Розрахунок економічної ефективності запроектованих заходів з автоматизації Розділ 6. Заходи з охорони праці та захисту навколишнього середовища Висновки Додаток А Додаток В Вступ Сучасний період розвитку енергетичної промисловості характеризується прагненням досягнути дуже високих експлуатаційних характеристик для обладнення і систем автоматизації для підвищення показників і зменшення затрат на виробництво.[1] На самих перших етапах автоматизації людина започаткувала технологічний процес, вона знаходилась біля встановлених контрольно-вимірювальних приладів, встановлених безпосередньо на обладнанні та працюючих в прямому контакті з матеріальними потоками. Ці засоби допомагали точніше оцінити хід протікання технологічного процесу.[2] Але нарощених все більших потужностей вимагає більш складніших вимірювань, а головне регулювання ходу протікання технологічного процесу. Тому поступово впроваджувались дуже прості регулятори, і в подальшому регулятори складного принципу дії і обробки сигналів. Це дало поштовх до утворення вже цілих програмно- технічних комплексів. Були розв'язані проблеми з отримання, збору та представлення інформації про стан технологічного процесу та щодо дистанційного керування технологічними параметрами. Нерозв'язаною залишилась проблема автоматизації прийняття рішень. В результаті розв'язку цієї проблеми виникли автоматизовані системи управління (АСУ). Подальший розвиток автоматизації дав зрозуміти, що існуючі технічні засоби автоматизації не досконалі і тому зараз швидко впроваджуються засоби автоматизації на мікропроцесорній основі, які мають великі обчислювальні можливості і високу надійність.[3] Атомними електростанціями (АЕС) виробляється практично половина всієї електроенергії виробленої в Україні (48%). Робота сучасних атомних енергоблоків неможлива без широкого впровадження автоматизованих систем керування. Особлива увага приділяється для системи очищення трапних вод АЕС від радіоактивних забруднень , механічних і хімічних домішок з метою зменшення об'єму радіоактивних відходів , що підлягають тривалому зберіганню.[4] Проведення реконструкції обумовлене необхідністю заміни морально застарілої апаратури «Каскад-2» на нові засоби автоматизації, в яких використовуються прогресивні інформаційні технології і сучасні електронні компоненти. Метою реконструкції (САР ТП) для СВО-3 є : - підвищення безвідмовності функціонування; - підвищення ремонтопридатності; - уніфікація технічних і програмних засобів; - організація захисту від помилкових дій персоналу; -підвищення точності і якості регулювання. Дипломний проект планується здійснювати за робочими документами. До складу робочих документів проектів по автоматизації виробничих процесів входять: 1. Структурні схеми контролю і керування, що визначають основні функціональні частини системи автоматизації, їх призначення і взаємозв'язки. 2. Функціональні схеми автоматизації виробничих процесів, що роз'ясняють визначені процеси, які протікають в окремих функціональних ланцюгах системи. 3. Принципові електричні схеми автоматичного регулювання, керування, захисту, блокування, сигналізації і живлення. Ці схеми визначають повний склад елементів і зв'язків між ними, а також детальне представлення про принципи роботи системи. 6. Схеми зовнішніх електричних і проводок. 7. Плани розташування засобів автоматизації, електричних проводок. 8. Нетипові креслення установок засобів автоматизації. 9. Інші робочі документи і матеріали . У даній дипломній роботі планується здійснити проектування і реалізацію окремих елементів САУ процесу очистки води у другому контурі блоку №3 Рівненської АЕС. При цьому необхідно вирішити наступні задачі: 1. Дослідити технологічний процес та існуючу САР. 2. Розробити ФСА дослідженого технологічного процесу і скласти карту технологічних параметрів. 3. Запроектувати сучасні технічні засоби для систем автоматичного керування. 4. Скласти і дослідити модель системи автоматичного регулювання. 5. Розробити проект комплексної автоматизації процесу очистки води. 6. Запроектувати заходи з охорони праці та провести техніко-економічний розрахунок доцільності запроектованих засобів з автоматизації. Розділ 1. Технічна характеристика об’єкта 1.1 Коротка характеристика підприємства Реактор ВВЕР-1000 є реактором корпусного типу з водою під тиском, яка виконує функцію теплоносія і сповільнювача. Технологічна схема енергоблока
Технологічна схема енергоблоків з реакторами ВВЕР440 і ВВЕР1000 має два контури. Перший контур - радіоактивний. Він включає реактор типа ВВЕР і циркуляційні петлі охолоджування. Кожна петля містить головний циркуляційний насос (ГЦН), парогенератор і дві головні замочні засувки (ГЗЗ). До однієї з циркуляційних петель першого контура приєднаний компенсатор тиску, за допомогою якого в контурі підтримується заданий тиск води, що є в реакторі одночасно і теплоносієм і сповільнювачем нейтронів. На енергоблоках з ректором ВВЕР-440 є по 6 циркуляційних петель, на енергоблоці з реактором ВВЕР-1000 - 4 циркуляційні петлі.[5] Другий контур - нерадіоактивний. Він включає парогенератори, паропроводи, парові турбіни, сепаратори-пароперегрівачі, живильні насоси і трубопроводи, деаератори і регенеративні підігрівачі. Парогенератор є загальним устаткуванням для першого і другого контурів. У ньому теплова енергія, вироблена в реакторі, від першого контура через теплообмінні трубки передається другому контуру [6]. Насичена пара, що виробляється в парогенераторі, по паропроводу поступає на турбіну, яка приводить в обертання генератор, що виробляє електричний струм. У системі охолоджування конденсаторів турбін на АЕС використовуються баштові градірні і водосховище-охолоджувач. 1.2 Характеристика об’єкта регулювання Система призначена для очищення трапних вод АЕС від радіоактивних забруднень, механічних і хімічних домішок з метою зменшення об'єму радіоактивних відходів (РАО), що підлягають тривалому зберіганню. Система трапних вод складається з наступних підсистем: 1. Підсистеми збору і попереднього очищення трапних вод; 2. Підсистеми переробки трапних вод на випарних апаратах; 3. Підсистеми очищення дистиляту випарних апаратів на іонообмінних фільтрах Система водоочистки (СВО-3), в частині очищення трапних вод, є системою нормальної експлуатації важливої для безпеки і відноситься до групи З по ПН АЕ Г-7-008-89 [1], класу безпеки 3 по ПН АЕ Г-1-011- 89 (ОПБ-88) [2], категорії сейсмостійкості IIб по ПН АЕ Г-5 - 006 -87 [3]. Устаткування і трубопроводи цієї частини системи конструктивно виконані відповідно до вимог НТД по безпеці, діючих на момент розробки проекту [4-7]. СВО-3, в частині іонообмінного очищення дистиляту, відноситься до класу безпеки 4 по ОПБ-88 . Трапні води поступають на СВО-3 через систему спецканалізації по трубопроводах і включають: 1. Неорганізовані утічки I контура; води дезактивації устаткування і приміщень; 2. Регенераціонні і відмивні води іонообмінних фільтрів СВО; 3. Взрихлюючі води механічних фільтрів; скидання з лабораторій; 4. Дренажні води при спорожненні устаткування і трубопроводів перед ремонтом; 5. Поворотні води з проміжного вузла зберігання рідких радіоактивних відходів (РРВ) (декантат з місткостей сховища після гідровигрузки відпрацьованих фільтруючих матеріалів фільтрів СВО); 6. Регенерації води фільтрів блокової установки (БОУ), що знесолює, при питомій активності >7,4х104 Бк/м3 (>2,00х10-10 Ки/л); 7. Води хімічних промивок випарних апаратів СВО-3, 6, 7; скидання конденсату з установки глибокого упарювання (УГУ), з редукційно-охолоджувальної установки (РОУ); 8. Протічки з ущільнень насосів. Води, які поступають на очищення, мають, як правило, високий солевміст (до 10 г/л), усереднений солевміст - 5 г/л. Високий солевміст зумовив вибір методу очищення: попередній відстій, очищення на механічних фільтрах, упарювання на випарних установках з отриманням концентрату солей (кубового залишку) і дистиляту (конденсату пари). Після випарної установки кубовий залишок прямує в місткості сховища рідких відходів (СРВ) для тимчасового зберігання. Дистилят очищається на іонообмінних фільтрах і може бути використаний на власні потреби СВО. При недостатньому ступені очищення дистиляту передбачена можливість його повернення на доочистку на фільтрах. 1.3 Опис конструкції і технологічної схеми СВО-3 Очищення всіх видів вод, що поступають на СВО-3, виробляється з метою їх повторного використання. Принцип дії системи СВО-3 заснований на використовуванні процесів упарювання, конденсації, дегазації, механічної фільтрації і іонного обміну. В результаті переробки трапних вод виходить чистий конденсат і упарений високоактивний концентрат (кубовий залишок), що направляється в ХЖО. Система трапних вод складається з наступних підсистем: 1. Підсистеми збору і попереднього очищення трапних вод; 2. Підсистеми переробки трапних вод на випарних апаратах; 3. Підсистеми очищення дистиляту випарних апаратів на іонообмінних фільтрах. Підсистема збору і попереднього очищення трапних вод. У цю підсистему входить система спецканалізації (TZ) і механічне очищення трапних вод. Система TZ призначена для збору, транспортування і відстоювання трапних вод спецкорпусу, естакади, реакторного відділення з метою подальшої їх переробки і повернення в цикл АЕС. До складу системи TZ [[9]] входить наступне устаткування: 1. Трапи спецканалізації; 2. Бак-приямок; 3. Насоси бака-приямка; 4. Бак-відстійник; 5. Бак декантата; 6. Насоси бака декантата; 7. Монжюс; 8. Вакуумні насоси; 9. Зливні трубопроводи трапів і дренажні трубопроводи установок. У кожному приміщенні блоку СВО спецкорпусу встановлюються трапи спецканалізації для прийому в них вод, що потрапляють на підлогу приміщення. З метою зниження загазованості приміщень, для виключення зв'язку по повітрю через систему спецканалізації кожен трап забезпечується гидрозатвором і замочним вентилем. Управління вентилями дистанційне або місцеве, залежно від умов обслуговування приміщень.[8] Бак-приямок 0TR10B01 служить для прийому трапних вод і попереднього відстоювання з метою подальшого перекачування в бак-відстійник 0TR20B01. Бак-приямок є правильним паралелепіпедом розмірами 5000х3600х1850мм, розташований на відмітці мінус 2,500. Бак-приямок складається з шламового відсіку V=6,5м3 і основного відсіку V=23,5 м3. Для розпушування шламу Насоси бака-приямка 0TR10D01,D02 служать для відкачування трапних вод з бака приямка 0TR10B01 в бак-відстійник 0TR20B01. Тип насоса - ХВС 45/54 Е-СП. Хімічний вертикальний самовсмоктуючий насос, проточна частина якого виконана із сталі 1Х1713М2Т, призначений для перекачування хімічних і радіоактивних середовищ вод з температурою до 800С. Бак-відстійник 0TR20В01 призначений для подальшого гравітаційного осадження грубодисперсних домішок з трапних вод, які з бака-приямка самовсмоктуючими насосами прямують на відстій в бак-відстійник. Бак-відстійник є циліндровою судиною зовнішнім діаметром 6008 мм з конічним днищем. Діаметр верхньої конусної частини 5200 мм, а діаметр нижньої конусної частини 1000 мм. Висота циліндрової частини 3600 мм, а висота конічної частини 2945 мм. Бак декантата 0TR20В02 є вертикальним циліндровим баком діаметром 2200 мм, заввишки 2400 мм. У бак декантата заведені переливи з місткостей фільтруючих матеріалів, переливши з бака-відстійника. Насоси декантата 0TR20D01,D02 служать для напряму трапних вод на фільтри передочищення трапних вод. Насос АХ(О) 65-40-200 - відцентровий, горизонтальний, консольний, одноступінчатий з відкритим робочим колесом, призначений для перекачування хімічних і нейтральних рідин густиною не більш 1850 кг/м3, кінематичною в'язкістю до 30х10-6 м2/с, що мають тверді включення розміром не більш 1,0 мм. Монжюс 0TR11B01 служить для видалення шламу з шламового відсіку бака-пріямка 0TR10B01. Монжюс рис. 1.1. є циліндром з приварними еліптичними кришками.
Рис. 1.1. Монжюс кубового залишку Вакуум-насос 0TW61D01,D02 призначений для створення розрідження в монжюсі 0TR11B01 з метою видалення шламу з бака приямка 0TR11B01. Насос ВВН-3Н - водокільцевий, простої дії, горизонтальний, з осьовим напрямом газу через всмоктуючі і нагнітальні вікна. Баки трапних вод 0TR30В01-В03 служать для прийому і зберігання освітленої трапної води перед подачею її на випарний апарат СВО-3. Бак є циліндровою судиною із зовнішнім діаметром 6400 мм, заввишки 6400 мм. Всі баки СВО-3 циліндрової форми, з плоскими днищами і дахом. Кожен бак забезпечений люками і сходами для можливості внутрішнього огляду і ремонту. На кожному "брудному" баку встановлені зрівняльний гидрозатвор (для запобігання створенню в баку вакууму або надмірного тиску при прийомі-видачі води) і переливний гидрозатвор для запобігання переповнюванню бака. Переливи баків (окрім відстійника) заведені в спецканалізацію Фільтри передочищення трапних вод 0 TR 30 N 01- N 03 служать для очищення трапних вод від механічних домішок і дрібнодисперсної суспензії з метою поліпшення роботи баків трапних вод і випарної установки. Фільтри передочищення завантажені керамічними кульками розміром 5-6 мм, об'їм завантаження 0,8 м3. Коефіцієнт очищення фільтрів по механічних домішках рівний 2,5 -3,0, по колоїдних (масла) -2,0-2,5, по іонних ~~ 10. Фільтр передочищення є вертикальною циліндровою судиною з кришкою і днищем сферичної форми, виготовлений з коррозіонностійкої стали 8Х18Н10Т. Зовнішній діаметр 1000 мм, висота фільтру 2487 мм, фільтр лазів не має, але обладнаний знімною кришкою. Пристрій фільтру показаний на рис. 1.2.
Рис. 1.2. Фільтр передочистки Фільтр забезпечений верхнім і нижнім дренажними розподільними пристроями, має обв'язування трубопроводів з арматурою для здійснення необхідних операцій при експлуатації фільтру. Верхній розподільний пристрій (типу "зірки") є колектором діаметром 80 мм із заглушеним кінцем, що має бічні отвори (вікна), до якого приєднуються в одній площині дірчасті труби, з розміром щілин 2,5 мм. У плані така конструкція має вид проміння, що розходиться з одного центру, у зв'язку з чим її називають "зіркою". Число проміння в "зірці" всього шість. При ударі струменів води, що виходять з отворів верхньої розподільної системи, об верхнє днище і зміні напряму руху відбувається гасіння кінетичної енергії потоку, що поступає з трубопроводу у фільтр. Пристрій забезпечує рівномірний розподіл потоку води через весь об'єм завантаження. Крім того, дренажна система гасить кінетичну енергію потоку і, тим самим, захищає завантаження від руйнування. Очищена вода покидає фільтр через нижній розподільний пристрій (типу "копіююче днище"), що складається з чотирьох колекторів (хрестовина), до яких приєднані розподільні труби з одним заглушеним кінцем, що мають отвори. Для запобігання винесенню фарфорових кульок в очищену воду отвори в трубах мають щілини шириною 2,5 -3,0 мм. З метою використовування сферичної частини фільтру щілисті труби розташовуються похило, отвори в трубках обернуті вниз. Діаметр вихідного колектора 50мм Підсистема переробки трапних вод на випарних апаратах Підсистема включає наступне устаткування : 1. Випарний апарат; 2. Конденсатор-дегазатор; 3. Дефлегматор сдувок; 4. Монжюс кубового залишку; 5. Насоси деаерованої води. Випарний апарат OTR 40 W 01, OTR 60 W 01 призначений для упарювання трапних вод і очищення вторинної пари від краплинного віднесення. При випаровуванні сильномінералізованних розчинів досягається найвищий коефіцієнт очищення ( до 5-6 порядків). Монжюс OTR44B01, OTR64B01 служить для прийому і передавлювання кубового залишку в місткості ХЖО. Монжюс є вертикальним циліндровим апаратом, забезпеченим трубою, через яку кубовий залишок передавлюється в ХЖО. Передавлювання здійснюється стислим повітрям. У верхньому днищі розміщені штуцери (технологічні і КІП) і люк для можливості обстеження і ремонту усередині апарату. Труба видачі опущена до нижнього днища для повного спорожнення монжюса. Монжюс забезпечений сигналізаторами верхнього і нижнього рівнів. Для забезпечення спорожнення лінії скидання кубового залишку з монжюса в ХЖО вентиль на лінії стислого повітря закривається через одну хвилину після початку надходження сигналу від сигналізатора рівня монжюса. Конденсатор-дегазатор OTR50W01, OTR50W01 призначений: * для конденсації вторинної пари, що утворюється при випаровуванні радіоактивних розчинів; * для запобігання розчиненню в дистиляті і видаленню з дистиляту радіаційних благородних газів (РБГ), що забруднюють пару; * для запобігання розчиненню в дистиляті і видаленню з дистиляту вуглекислого газу, аміаку і кисню, що скорочує цикл міжрегенерації іонообмінних фільтрів, погіршуючих умови доочистки дистиляту; * для зниження ступеня забруднення дистиляту легко летючими органічними продуктами. Він є горизонтальним кожухотрубний теплообмінником і вертикальним випарником, сполученими дегазацією колонним, заповненим кільцями Рашига. Охолоджуюча технічна вода поступає по трубах, вторинна пара - в міжтрубний простір. Конденсатор-дегазатор працює таким чином. Вторинна пара після випарного апарату подається в приймальну камеру, розміщену під конденсуючим пучком. Причому, основний потік пари (~~90%) вводиться у верхню приймальну камеру, а другий потік - в нижню камеру під дірчасту провальну тарілку. Потік струменів конденсату, що стікає з конденсаційних трубок, обдувається стрічним потоком пари. За рахунок цього практично усувається можливість переохолодження конденсату і, отже, і здатність газів розчинятися в конденсаті. Гарячий конденсат, що потрапляє на дірчасту тарілку, додатково пронизується струменями пари, барботуємого через шар конденсату. Конденсат переливається через край тарілки і поступає на десорбціонну колонку, заповнену кільцями Рашига. Проходячи кільця Рашига, конденсат аеріруєтся стрічним потоком чистої пари, безперервно генерується в нижньому конденсатозбірнику, в якому є вбудований змійовик, що обігрівається парою II контура. Продегазований конденсат відкачується з конденсатозбірника насосами. Гази, що не конденсуються, накопичувані в спеціально організованому для цього відсіку, виводяться разом з частиною пари в систему парогазових здувок, а переохолодженний конденсат зливається через три отвори в міжтрубний простір, де він прогрівається і деаеріруєтся. Дефлегматор здувок OTR53W01, OTR73W01 служить для конденсації пари, що відноситься з конденсатора-дегазатора газами, що не конденсуються, і для охолоджування газів перед подачею їх на спецгазоочистку. Є вертикальним двоходовим теплообмінником. Підсистеми очищення дистиляту випарних апаратів на іонообмінних фільтрах . Кожна випарна установка має свою групу фільтрів. Дистилят випарних установок очищається від залишків солей і радіоактивності на іонообмінних фільтрах. Очищений дистилят поступає в контрольні баки, де виробляється радіохімічний аналіз дистиляту. До складу СВО-3 входять два контрольні баки дистиляту. Місткість кожного бака 70м3 Гидровигрузка фільтрів доочистки дистиляту здійснюється в ємність фільтруючих матеріалів або в резервну ємність ХЖО. При задовільній якості (при активності ЈЈ 7,4х104 Бк/м3 (ЈЈ2,0х10-10 Ки/л) очищений дистилят перекачується насосом контрольного бака в баки власних потреб СВО, в бризкаючі басейни. Скидання води в бризкаючий басейн здійснюється після виконання аналізів і заповнення паспорта. При незадовільній якості, при активності >>7,4х104 Бк/м3 (>>2,0х10-10) Ки/л, дистилят з контрольних баків повторно може подаватися на доочистку на іонообмінні фільтри, а також в баки трапних вод для повторної переробки на СВО-3. За наявності дебалансних вод вода з контрольних баків при відповідній якості прямує в хозфекальную каналізацію або в дренажні баки машзала для підживлення II контура блоку №3. Технологічна схема роботи системи водоочистки трапних вод Трапні води приміщень поступають в трапи, встановлені в нижніх точках полови. З трапів за системою трубопроводів, ізольованих від інших систем, води поступають в бак - приямок OTR10B01 трапних вод. Все води спочатку поступають в шламовий відсік бака - приямка OTR10B01, де важкі механічні домішки осідають, а вода через перегородку переливається в основний відсік. У міру накопичення води в основному відсіку при рівні 1600 мм включаються насоси OTR10D01 (D02) і відкачують воду в бак відстійник OTR20B01. У баку-відстійнику відбувається більш тривале відстоювання зважених частинок за рахунок довшого часу відстою. Вода з приямків С-146 і С-164 відкачується монжюсами OTR11B01, OTW60В01. Шлам, що накопичився в шламовому відсіку бака-приямка OTR10B01, віддаляється за допомогою монжюса OTR11B01 і вакуумних-насосів OTW61D01, D02 в ємкості фільтруючих матеріалів або резервну ємкість. Трапні води спецкорпусу поступають в бак-приямок трапних вод спецкорпусу або безпосередньо в бак-відстійник. З бака-приямка трапних вод самовсмоктуючі насоси направляють трапні води на відстій в бак-відстійник. Трапні води з реакторного відділення прямують безпосередньо в бак-відстійник трапних вод. Ця місткість використовується як проміжна для відділення грубодисперсних домішок. Оскільки води установки СВО-2 (очищення організованих протечек і зливу I контура), розташованої в обстройці реакторного відділення, мають велику активність, то вони прямують в місткості фільтруючих матеріалів для витримки і далі декантат по трубопроводах переливу прямує в бак декантата. У бак декантата поступає і перелив бака-відстійника. З бака декантата насосом декантата трапні води прямують на фільтри передочищення трапних вод. Після очищення від механічних домішок на фільтрах передочищення трапні води поступають в баки трапних вод. Баки трапних вод призначені для збору трапних вод двох блоків АЕС. Проектом передбачена установка трьох баків трапних вод об'ємом 200м3 кожен. Трапні води одного бака переробляються на випарній установці, трапні води другого бака контролюються по активності,загальному солевмісту, рН, хімічному складу, третій бак заповнюється. З баків трапних вод освітлена трапна вода насосами подається на одну (або дві одночасно) випарні установки СВО-3. Трапна вода подається в нижню циркуляційну трубу випарного апарату, приєднану до гріючої камери, де закипає і потім в парорідкому стані по верхній циркуляційній трубі поступає в сепаратори. Вторинна пара, що утворюється, проходить в сепараторі очищення і поступає в конденсатор-дегазатор, де конденсується і дегазується, а потім одержаний дистилят насосами дегазованої води перекачується через фільтри доочистки дистиляту в контрольні баки. Пара, що не сконденсувалася, і газова суміш з конденсатора-дегазатора поступають в дефлегматор здувок, звідки охолоджений конденсат зливається в спецканалізацію, а газова суміш подається на газоочистку. Кубовий залишок періодично скидається в монжюс, звідки стислим повітрям передавлюється в місткості кубового залишку ХЖО. Основна маса розчинених забруднень віддаляється на випарних апаратах і конденсаторі-дегазаторі. Завершальним етапом очищення трапних вод (після вузла випарних апаратів) є доочистка вторинного конденсату до якості, що дозволяє практично незалежно від хімічного складу початкової води, що поступає на випарний апарат, одержати дистилят, що відповідає якості води, яка використовується для підживлення I контура. Процес доочистки включає: видалення масла, органічних домішок, тонкодисперсних механічних домішок з вторинного конденсату на вугільних фільтрах (БАУ);очищення вторинного конденсату від розчинених домішок в іонному вигляді на іонообмінних фільтрах. Кожна випарна установка має свою групу фільтрів. Дистилят випарних установок очищається від залишків солей і радіоактивності на іонообмінних фільтрах. Очищений дистилят поступає в контрольні баки, де здійснюється радіохімічний аналіз дистиляту. До складу СВО-3 входять два контрольні баки дистиляту. Місткість кожного бака 70м3. Гідровигрузка фільтрів доочистки дистиляту здійснюється в ємність фільтруючих матеріалів або в резервну ємність ХЖО. При задовільній якості (при активності ЈЈ 7,4х104 Бк/м3 (ЈЈ2,0х10-10 Ки/л) очищений дистилят перекачується насосом контрольного бака в баки власних потреб СВО, в бризкаючі басейни. Скидання води в бризкаючий басейн здійснюється після виконання аналізів і заповнення паспорта. При незадовільній якості, при активності >>7,4х104 Бк/м3 (>>2,0х10-10) Ки/л, дистилят з контрольних баків повторно може подаватися на доочистку на іонообмінні фільтри, а також в баки трапних вод для повторної переробки на СВО-3. За наявності дебалансних вод вода з контрольних баків при відповідній якості прямує в каналізацію або в дренажні баки машзала для підживлення II контура блоку №3. 1.4 Опис конструкції випарного аппарата Випарний апарат OTR40W01, OTR60W01 рис. 1.3. призначений для упарювання трапних вод і очищення вторинної пари від краплинного віднесення. При випаровуванні сильномінералізованних розчинів досягається найвищий коефіцієнт очищення ( до 5-6 порядків). Випарний апарат є збірною конструкцією розміром 9600см в висоту, що складається з виносної гріючої камери, сепаратора з вбудованим скрубером і циркуляційних труб Гріюча камера 9 виконана у вигляді вертикального теплообмінника поверхневого типу має розміри в довжину 5615 см і в діаметрі 1000*8см та 1200*6 см зміні діаметру зумовлене розвитком поверхні нагріву гріючої секції в висоту,виготовлений з високоякісної сталі, в міжтрубний простір якого підводиться гріюча пара, по трубах подається трапна вода. Через верхню циркуляційну трубу парорідиниста суміш поступає в сепаратор 2 ,сепаратор має довжину, внутрішньокорпусний пристрій якого забезпечує рівномірність висхідного потоку, що поступає під шар води (сконденсованої пари), що стікає зверху. Циркуляція упарюваного розчину у випарному апараті - природна. Для боротьби з піноутворенням при випаровуванні розчинів, що містять органічні поверхнево-активні речовини (ЛІГШИ), в циркуляційному контурі випарного апарату передбачені спеціальні шайби 11 , за допомогою яких здійснюється гидромеханічне руйнування піни в сепараторі. Для зменшення небезпеки викиду упарюваного розчину передбачається введення хімічного піногасителя. 1%-ний розчин піногасителя подається на промивальну тарілку випарного апарату. При переробці трапних вод на випарній установці слід підтримувати лужний водно-хімічний режим (ВХР). Це визначається наступними причинами: 1. Необхідністю зниження небезпеки утворення накипних відкладень у випарному апараті; 2. Необхідністю збільшення ступеня очищення початкової води по радіоізотопах; 3. Необхідністю зниження ступеня забруднення дистиляту вуглекислотою з метою зниження небезпеки хлорідной корозії; 4. З метою підвищення допустимого ступеня упарювання .
Рис. 1.3. Випарний апарат 1. Відвід вторинного пару 2. Жалюзійний сепаратор 3. Подача конденсата для промивки пара 4. Промивочний щит (жалюзійна пастка, барботажно-промивальна тарілка шар насадки з кілець Рашига) 5. Вивід безперервної продувки 6. Подача живильної води 7. Дренаж із корпуса 8. Вивід конденсата гріючого пару 9. Гріюча камера 10. Вхід гріючого конденсату Усередині сепаратора для очищення вторинної пари від краплинного віднесення передбачені: - жалюзійна пастка (відбійник); - барботажно-промивальна тарілка; - шар насадки з кілець рашига виготовлені з сталі. Очищення пари здійснюється промивальною рідиною (флегмою), яка самоплив проходить зверху вниз через шар насадки, гідрозатвор , барботажну тарілку, зливну трубу і змішується з розчином в нижній частині сепаратора. Передбачена подача флегми з натиску насосів деаерірованной води на тарілки скрубера випарного апарату при піноутворенню Щоб уникнути появи мікронеплотностей і виникнення мікропротечек розчину в міжтрубний простір гріючої камери, з'єднання труб з трубними дошками виконане на зварці. Для зниження температурних напруг в з'єднаннях гріючих труб з трубними дошками на корпусі гріючої камери передбачений лінзовий компенсатор. 1.5 Опис процесу випарювання на випарних аппаратах Трапна вода , яка пройшла попередню очистку в баку-відстійнику і на механічних фільтрах вузла передочистки збирається в баках трапних вод і далі подається на випарний апарат. Випарний апарат – складається з 2 х частин гріючої камери і сепаратора. Гріюча камера призначена випаровування обробленої води , а сепаратор для очистки пара концентрує мого розчину від вологи. Гріюча камера і сепаратор з’єднані між собою верхньою і нижньою перепускними трубами. Гріюча камера представляє собою кожухообмінник з лінзовим компенсатором, в якості гріючого середовища використовується пар із колектора особистих потреб АЕС тиском 3.5 кгс/м2, який подається в між трубний простір граючої камери. Початкова вода подається в нижню частину трубного простору гріючої камери змішується з циркулюючою водою і направляється в гріючу секцію,піднімається по трубам ,нагрівається до насищення і частково випаровується .Самогальмування випаровування , як і для любого контуру звичайної циркуляції ,забезпечується за рахунок гідростатичного тиску і висотою підпору. Гріючий пар входить по лінії 10 ,обмиває трубки граючої секції ззовні і у вигляді конденсату відводиться по лінії 8. Пар поступає в паровий об*єм,а вода вниз – і змішавшись з живильною знову циркулює через гріючу секцію. Так як в гріючій секції пар не утворюється , а зрозуміло ,що вода не упарюється, то утворення накипу практично відсутнє. Випадання солей ймовірне при закипанні води над грібчою секцією. Необхідно ,щоб воно проходило не на поверхні корпусу і других деталей апарата, а в самій гущі води, і домішки могли б інтенсивно виводитися з продувкою. Для цього разом з живильною водою в випарювач вводиться затравка, наприклад мілко подрібнений вуглекислий кальцій. Поверхня затравки cорбує всі солі ,випадаючі при закипанні води і створює можливість виводу їх з продувкою. Паро–газ–водяна суміш через верхню перепускну трубу подається в сепаратор в якому в результаті різкого зниження швидкості і зміни напряму руху виникає об*ємна сепарація основної маси капель води. В результаті укрупнення і злиття вода стікає в нижню частину сепаратора і по нижній перепускній трубі повертається в гріючу камеру. Вторинний пар піднімається вверх і проходить через жалюзійний відбійник на якому в результаті багаторазової зміни напряму потоку пара проходить подальше розділення капель вологи від пара. Після проходження жалюзійного відбійника пар промивається на барботажній тарілці завдяки барботажу через неперервно оновлюючий шар води. Кінцева очистка пару здійснюється шляхом промивки його на насадці із кілець Рашига. Насадка представляє собою дирчатий лист на якому знаходиться шар кілець із нержавіючої сталі довжиною 20-25 мм. В верхню частину насадки проводиться промив очна флегма вода. В якості флегми використовується частина конденсату вторинного пару. При збільшенні тиску в випарному апараті і температури кипіння води виникає зменшення розміру крапель води ,в результаті чого погіршується об*ємна сепарація капель в паровому просторі сепаратора. Крім того , збільшується виніс органічних примесів і масел. Підтримання потрібного нам рівня в випарному апараті рівним 1.1 м забезпечується мінімальна висота парового простору сепаратора , при якому основна маса капель води , які відносяться з паром не встигають досягти промив очних приборів і попадають в нижню частину сепаратора. При досягненні критичного солевмісту концентрує мого розчину спостерігається різкий скачок солевмісту пару і коефіцієнта уносу. Для попередження даного явища кратність упарювання розчину не повинна перевищувати 20-40. Більш глибоке упарювання розчину здійснюється в доупарювальних апаратах (ДА). Технічна характеристика устаткування Таблиця 1.1.
Розділ 2. Аналаз структури існуючої система автоматизації та розробка функціональної системи автоматизації. 2.1 Характеристики регуляторів Основний регулятор тиску до випарних апаратів. Регулятор призначений для підтримки заданого значення тиску 1,6кгс/см2 у випарних апаратах. Підтримка заданого тиску пари здійснюється за рахунок зміни витрати пари від КВП в випарному апараті впливом регулятора по сигналу датчика тиску у випарних апаратах на регулюючі клапани ОRQ11S05 (рис. 2.1.) типи И68051-500-01, Dу‑500. Два клапани ОRQ12S05 керуються від одного регулятора за схемою паралельної синхронізації. Якщо регулятор підключений тільки до одного з клапанів, схема синхронізації блокується. При знеструмлені одного з клапанів, схема синхронізації блокується, а регулятор підключається до другого клапана.
Д1, Д2 датчики, БУ-блок управління ,ВМ – виконавчий механізм ,ДП – датчик положення ACL-блок регулюючий VD1-VD3- захисний діодний прилад АСН – захисний прилад A1 – блок включення регулятора SAH- блок управління А2- блок управління клапаном АСЕ – вказівник положення А3 – блок ключів МАМ – виконавчий механізм UA – датчик положення UG – блок сигналізації положення SQ – кільцевий вимикач AMS – пускач безконтактний реверсивний Основні регулятори тиску в випарному апараті призначені для підтримки заданого тиску в гріючій камері випарного апарату. Готовність регулятора формується по наступних умовах: - відсутність сигналу «відмовлення виміру»; - відсутність сигналу «утрата живлення РК». Регулятори впливають на РК ОRQ11S05, ОRQ12S05, змінюючи витрату пари в випарному апараті із КВП. Вхідним сигналом для основних регуляторів тиску є: - тиск пари до випарного апарату - положення регулюючого клапану Регулятори підтримують задане значення тиску – 1,6 кгс/см2. Команди керування видаються на обох РК паралельно при включених обох регуляторах і: - різниці положень РК ОRQ11S05 і ОRQ12S05 менш 5%; - відхиленні тиску в деаераторах більш ±0.25 кгс/см2 від заданого значення (уставка може уточнюватися в процесі експлуатації); - відмовленні кожного з датчиків положення РК ОRQ11S05 і ОRQ12S05 (контроль справності здійснюється по швидкості зміни вхідного сигналу більш 20%); При відсутності приведених вище умов і різниці положень РК ОRQ11S05 і ОRQ12S05 більш 5% і включених обох регуляторах, команда додати (зменшити) видається на менш (більш) відкритий РК; При включеному одному з регуляторів команди керування видаються тільки на відповідний РК. Регулятори підтримує рівним нулеві неузгодженість: EPS = Рзад – Рд, де:EPS - неузгодженість регулятора; Рд - поточне значення тиску в випарному апараті, кгс/см2; Рзад - задане значення тиску в випатному апараті, кгс/см2. При пониженні тиску в гріючій камері випарного апарату вентиль на лінії здувки відкривається , при підвищенні тиску в гріючій камері випарного апарату вентиль на лінії здувки з випарного апарату відкривається. Управляючий вплив : зміна витрати пару шляхом впливу на регулюючий клапан , встановлений на трубопроводі подачі пару до випарного апарату Основний регулятор рівня в сепараторі випарного апарата Регулятор призначений для підтримки заданого значення рівня 900мм у сепараторі випарного апарату. Підтримка заданого рівня очищеної води в випарному апараті в усіх експуатаційних режимах здійснюється за рахунок зміни витрати ХОВ у конденсатор, впливом регулятора, по сигналі датчика рівня в випарному апараті на регулюючі клапани: OTR40S02 (див. рисунок 2.2.) типи 60-9-2, Dу-100, F-18см2 і OTR60SO2 типи 60-9-3, Dу-150, F-50см2, встановлених паралельно. Вентиль на підводі гріючого пару до випарної установки закривається : - при підвищенні рівня упарюваємої рідини в випарному апараті до гранично можливого значення <1000 мм - при пониженні рівня упарюваємої рідини в випарному апараті до гранично допустимого значення 500мм - при збільшенні тиску вторинного пару на виході з випарного апарату <0.08 МПа
Задане значення 100 мм вхідним сигналом регулятора: - рівень очищеної води в випарному апараті - положення регулюючого клапану Регулятор рівня у випарному агрегаті 0TR40S02 Перелік і характеристики сигналів регулятора приведені в таблицях Всі аналогові сигнали поступають після первинних перетворювачів. Таблиця 2.1 - Перелік і характеристики вхідних аналогових сигналів регулятора Таблиця 2.1.
Перелік і характеристики вхідних дискретних сигналів регулятора Таблиця 2.2.
Перелік і характеристики вихідних дискретних сигналів регулятора Таблиця 2.3.
Управляюча дія : зміна витрати води шляхом впливу на регулюючий клапан, встановлений на лінії подачи води до випарного апарату. Регулятор тиску пару до доупарювача Регулятор призначений для підтримки заданого значення тиску 1,6кгс/см2 у випарних апаратах. Підтримка заданого тиску рис 2.3. пари здійснюється за рахунок зміни витрати пари від КВП в випарному апараті впливом регулятора по сигналу датчика тиску у випарних апаратах на регулюючі клапани ОRQ11S08 рис.2.1 типи И68051-500-01, Dу‑500. Два клапани ОRQ12S08 керуються від одного регулятора за схемою паралельної синхронізації.
Рис. 2.3. Схема функціональна і структурна регулятора тиску на доупарювач Задане значення рівня 1,6 кгс/см2 Основні регулятори тиску в доупарювачі призначені для підтримки заданого тиску до доупарювачів в усіх експлуатаційних режимах . Готовність регулятора формується по наступних умовах: - відсутність сигналу «відмовлення виміру»; - відсутність сигналу «утрата живлення РК». Регулятори впливають на РК ОRQ11S08, ОRQ12S08, змінюючи витрату пари в доупарювачііз КВП. Вхідним сигналом для основних регуляторів тиску є: - тиск пари до доупарювача - положення регулюючого клапану Регулятори підтримують задане значення тиску – 1,6 кгс/см2. Команди керування видаються на обох РК паралельно при включених обох регуляторах і: - різниці положень РК ОRQ11S08 і ОRQ12S08 менш 5%; - відхиленні тиску в деаераторах більш ±0.25 кгс/см2 від заданого значення (уставка може уточнюватися в процесі експлуатації); - відмовленні кожного з датчиків положення РК ОRQ11S08 і ОRQ12S08 (контроль справності здійснюється по швидкості зміни вхідного сигналу більш 20%); При відсутності приведених вище умов і різниці положень РК ОRQ11S05 і ОRQ12S05 більш 5% і включених обох регуляторах, команда додати (зменшити) видається на менш (більш) відкритий РК; При включеному одному з регуляторів команди керування видаються тільки на відповідний РК. Регулятор тиску пари до доупарювача 0RQ11S08. Перелік і характеристики сигналів регулятора приведені в таблицях Всі аналогові сигнали поступають після первинних перетворювачів. Перелік і характеристики вхідних аналогових сигналів регулятора Таблиця 2.4.
Перелік і характеристики вхідних дискретних сигналів регулятора Таблиця 2.5.
Перелік і характеристики вихідних дискретних сигналів регулятора Таблиця 2.6.
Управляючий вплив : зміна тиску пару шляхом впливу на регулюючий клапан , встановлений на трубопроводі подачі пару до доупарювача Регулятор рівня до доупарювача Регулятор рівня рис. 2.4. в доупарювачі здійснює підтримку рівня в у всіх експлуатаційних режимах. Задане значення 130 см. Вхідні сигнали регулятора: - рівень упарюваємої рідини в доупарювачі - положення регулюючого клапана - температура вторинного пару випарного апарату - температура розчину в доупарювачі
Рис. 2.4. Схема функціональна і структурна регулятора рівня на доупарювач Регулятор рівня в доупарювачах 0TR40S04, перелік і характеристики сигналів регулятора приведені в таблицях Всі аналогові сигнали поступають після первинних перетворювачів. Перелік і характеристики вхідних аналогових сигналів регулятора Таблиця 2.7.
Перелік і характеристики вхідних дискретних сигналів регулятора Таблиця 2.8.
Перелік і характеристики вихідних дискретних сигналів регулятора Таблиця 2.9.
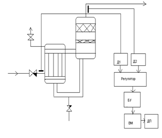
Управляюча дія: зміна витрати упарюючої рідини ,яка подається з випарного апарату, шляхом впливу на регулюючий клапан ,встановлений на трубопроводі подачі упарюючої рідини перед доупарювачем. 2.2 Розробка функціональної схеми автоматизації На основі технологічної карти параметрів та технологічної схеми автоматизації розробляється функціональна схема автоматизації. Схема автоматизації повинна забезпечити всі вимоги і функції, які передбачені в технологічній карті. Функціональна схема систем автоматизації технологічних процесів є документом, що показує функціональну і блокову структуру систем автоматизації технологічних процесів, а також оснащення об’єкта керування приладами і засобами автоматизації. На функціональній схемі дано спрощене зображення агрегатів, що підлягають автоматизації, а також приладів, засобів автоматизації і керування, які зображенні умовними позначеннями за діючими стандартами, а також лінії зв'язку між ними. Функціональна схема автоматизації систем очистки води у другому контурі блоку №3 РАЕС (див. лист 1) складається з 4 контури регулювання та 6 контурів контролю. Сигнали з давачів подаються на модуль вхідних аналогових сигналів, після обробки та перетворення через модулі виводу аналогових сигналів сигнали керування подаються на виконавчі механізми.
Рис.2.4.1. Схема автоматизації систем водоочистки в контурі 2 блоку №3 РАЕС передбачає: 1) 4 контури регулювання, індикації, реєстрації, сигналізації параметрів: - автоматичного регулювання, індикації, реєстрації, сигналізації ступеня забруднення води на виході з випарного апарату; - автоматичного регулювання, індикації, реєстрації, сигналізації забруднення води на вході в фільтри доочистки; - автоматичного регулювання, індикації, реєстрації, сигналізації рівня в середині випарних апаратів; - автоматичного регулювання, індикації, реєстрації, сигналізації забруднення води на виході з фільтрів доочистки. 2) 6 контурів індикації та реєстрації параметрів: - контур індикації та реєстрації температури води на вході в випарний апарат; - контур індикації та реєстрації витрати води на виході у випарний апарат; - контур індикації та реєстрації витрати води на вході в фільтри доочистки; - контур індикації та реєстрації тиску води на вході в фільтри доочистки; - контур індикації та реєстрації висоти піни у випарному апараті; - контур індикації та реєстрації температури в доупарювачі. Контроль параметрів технологічного процесу В процесі очищення води газу здійснюють контроль за такими параметрами: рівень води у випарному апараті,температура води на вході в випарний апарат, об’ємна витрата води в випарному апараті, об’ємна витрати води на вході в фільтри доочистки, тиску води на вході в фільтри доочистки, рівень піни у випарний апарат, температури у доупарювачі. Для контролю за основними параметрами використовують прилад ЦР-03 (далі по тексту ЦР-03) призначений для роботи в складі програмно-технічного комплексу цифрового регулювання в системах автоматичного регулювання параметрів технологічних процесів АЕС, ТЕС й інших промислових підприємств. Температура вимірюється за допомогою термометра термоелектричного ТХА-01719 із класом точності 1 і шкалою (0...400) ˚С, далі сигнал поступає на нормуючий перетворювач ЕП-4700-01-АС із класом точності 0,5 і шкалою (0-400) ˚С і вихідним сигналом (4-20)мА і далі на ІОС. Вимір рівня в випарювальному апараті здійснюється за допомогою «Сапфір 22ДИ 2150» із класом точності 0,5 з вихідним сигналом (4 - 20) мА після яких сигнал по тиску надходить на БГРТ-ДПИ, далі на реєструючий прилад РП160-09 із класом точності 0,5 і шкалою (0...25) кгс/см2 , а також сигнал після БГРТ-ДПИ поступає на модуль вводу контролера і на ІОС. Вимір витрати здійснюється за допомогою камерної діафрагми ДК16-400 метеріала Ст. 12Х18Н10Т далі сигнал поступає на вимірювальний перетворювач «Сапфір 22ДД-2430» з класом точності 0,5 і далі сигнал поступає на ІОС. Вимір рівня в доупарювачі здійснюється за допомогою «Сапфір 22ДУ 2630» із класом точності 0,5 з вихідним сигналом (4 - 20) мА, після датчиків сигнал по рівні надходить на ІОС. 2.3 Основні рішення з автоматизації об’єкта управління 2.3.1 Вибір технічних засобів автоматизації Для надання інформації про протікання технологічного процесу, світлової і звукової сигналізації при відхиленні параметра від заданого значення, автоматизації технологічного процесу, запобігання розвитку перед аварійної ситуації в аварію і локалізації у випадку її виникнення, запобігання ушкодження основного і допоміжного технологічного устаткування, перекладу в разі потреби технологічного процесу на новий режим, передбачені наступні засоби сигналізації, автоматики захисту і блокувань. Регулювання. Таблиця 2.10.
Захист і сигналізація. Таблиця 2.11.
Технологічний контроль. Таблиця 2.12.
Вимір рівня Вимір рівня в випарювальному апараті здійснюється за допомогою «Сапфір 22ДУ 2630» із класом точності 0,5 з вихідним сигналом (4 - 20) мА, після датчиків сигнал по рівні надходить на блок розмноження токового сигналу БГРТ-ДПИ , далі на показуючий прилад РП160-10-14-АД із класом точності 0,5 , а також сигнал після БГРТ-ДПИ поступає на модуль вводу контролера і на інформаційно обчислювальну систему (ІОС). Вимір рівня в доупарювачі здійснюється за допомогою «Сапфір 22ДУ 2630» із класом точності 0,5 з вихідним сигналом (4 - 20) мА, після датчиків сигнал по рівні надходить на ІОС.
Рис. 2.5. Схема Сапфір - 22ДУ Сапфір - 22ДУ (рис 2.5.) складається з тензопреобразователя 4 типу мембранно-важеля розміщеної всередині підстави 9 в замкнутій порожнини 11, заполненой кремнійорганічною рідиною, і відокремлений від вимірюваної середовища металевими гофрованими мембранами 8. Мембрани 8 приварені по зовнішньому контуру до підстави 9 і сполучені між собою центральним штоком 6, який пов'язаний з кінцем важеля тензопреобразователя 4 за допомогою тяги 5.Фланці 10 ущільнені прокладками 3. Дія вимірюваної різниці тиску (більший тиск подається в камеру 7, менше - в камеру 12) викликає прогинання мембран 8, вигин мембрани тензопреобразователя 4 і зміна опору тензорезісторов. Електричний сигнал від тензопреобразователя передається з вимірювального блоку в електричний пристрій 1 по дротах через гермовивод Вимір тиску Вимір тиску в випарювальному апараті здійснюється за допомогою «Сапфір 22ДИ 2150» із класом точності 0,5 з вихідним сигналом (4 - 20) мА після яких сигнал по тиску надходить на БГРТ-ДПИ, далі на реєструючий прилад РП160-09 із класом точності 0,5 і шкалою (0...25) кгс/см2 , а також сигнал після БГРТ-ДПИ поступає на модуль вводу контролера і на ІОС.
Рис 2.6. Схема перетворювачів: Cапфір-22М-ДА моделей 2050, 2060. Сапфир 22М-ДИ моделей 2150, 2160, 2170. Cапфір-22М-ДИ модели 2350. 1. Електронний перетворювач; 2. Гермоввід; 3. Мембранний тензоперетворювач; 4. Внутрішня область; 5. Фланець; 6. Мембрана; 7. Камера. 8. Прокладка; 9. Основа; 10. Порожнина. Мембранний тензопеорезтворювач 3 розміщений усередині підстави 9. Внутрішня порожнина 4 тензопеорезтворювача заповнена кремнійорганічною рідиною і відокремлена від вимірюваного середовища металевої гофрованої мембраною 6, привареної по зовнішньому контуру і підставі 9. Порожнина 10 повідомлена з навколишньою атмосферою. Вимірюваний тиск подається в камеру 7фланця 5, який ущільнений прокладкою 8. Вимірюваний тиск впливає на мембрану 6 і через його рідину на мембрану тензопреобразователя, викликаючи її прогинання і зміну опір тензорезісторов. Електричний сигнал від тензопреобразователя передається з вимірювального блоку в електронний перетворювач. Вимір температури Температура вторинного пара від КВП, після випарного апарату, після ПВТ, після ПНТ і температура теплоносія від реактора і на реактор вимірюється за допомогою термометра термоелектричного ТХА-01719 із класом точності 1 і шкалою (0...400) ˚С, далі сигнал поступає на нормуючий перетворювач ЕП-4700-01-АС із класом точності 0,5 і шкалою (0-400) ˚С і вихідним сигналом (4-20)мА і далі на ІОС. Вимір витрати Вимір витрати здійснюється за допомогою камерної діафрагми ДК16-400 метеріала Ст. 12Х18Н10Т далі сигнал поступає на вимірювальний перетворювач «Сапфір 22ДД-2430» з класом точності 0,5 і далі сигнал поступає на ІОС. 2.3.2 Автоматичне регулювання й керування. Данна система автоматизації розроблена на базі контролера „ЦР- 03”, до складу якого входять такі елементи: - Модуль центрального процесора FX2N-32MT-ESS/UL. - Інтерфейсный модуль FX2N-485-BD. - Модуль введення аналогових сигналів FX-8AD. Основний регулятор. Головний сигнал про регулювання рівня в парогенераторі в випарному апараті, що виміряється гідростатичним способом за допомогою вимірювального перетворювача Сапфір 22ДИ 2630, у вигляді уніфікованого струмового сигналу (0-5) мА подається на модуль уведення аналогових сигналів FX-8AD, звідки сигнал надходить на контролер, де формується відповідно до закону регулювання керуючий сигнал. - температура вторинного пару на виході з випарного апарату вимірюється за допомогою перетворювача термоелектричного ТХА 1087, , після чого сигнал подається на нормуючий перетворювач ЭП-4700-01, а потім на блок обчислювальних операцій А-35. Вихід - уніфікований струмовий сигнал (0-5) ма, що подається на блок введення аналогових сигналів FX-8AD, і надходить на програмований логічний контролер ЦР-03, де формується відповідно до закону регулювання керуючий сигнал; - температура в доупарювачі вимірюється за допомогою перетворювача термоелектричного ТХА 1087, після чого сигнал подається на нормуючий перетворювач ЭП-4700-01, а потім на блок обчислювальних операцій А-35. Вихід - уніфікований струмовий сигнал (0-5) ма, подається на блок введення аналогових сигналів FX-8AD, після якого сигнал надходить на програмувальний логічний контролер ЦР-03, де формується відповідно до закону регулювання керуючий сигнал; Тиск гріючого пару від вимірювального перетворювача тисків Сапфір-22ДИ-2160 надходить на блок обчислювальних операцій А-35. Вихід - уніфікований струмовий сигнал (0-5) ма, подається на блок введення аналогових сигналів FX-8AD, після якого сигнал надходить на програмувальний логічний контролер ЦР-03, де формується відповідно до закону регулювання керуючий сигнал Програмований логічний контролер ЦР-03 обробляє подану на його вхіди інформацію відповідно до заданого закону регулювання й видає дискретний керуючий сигнал для керування регулюючим органом. У цьому випадку інформація про витрату живильної води, що надходить у парогенератор ПГ 1000М для збільшення або зменшення рівня в парогенераторі, подається на модуль центрального процесору FX2N-32MT-ESS/U, після якого дискретний сигнал подається на блок керування й сигналізації БУ-21, позиція 15в, що призначений для проведення перемикання (за потребою)з автоматичного регулювання на ручне (і навпаки). Вихід із блоку керування й сигналізації заводять на позиціонер PRECIGAM, після якого сигнал подається на електропривід регулюючого органу. Пусковий регулятор. Головний сигнал за рівнем води в випарному апараті, що виміряється за допомогою перетворювача, що вимірює, Сапфір 22ДИ-2430, надходить на вхід регулятора від вимірювального перетворювача Сапфір22ДГ-2530. У регуляторі виконується порівняння сигналу від датчика із сигналом завдання ( який вводиться за допомогою ручного задатчика ) і формування керуючого сигналу, після регулятора сигнал надходить на блок вмикання регулятора БВР-1 і БВР-2, що здійснюють комутацію ланцюгів керування виконавчим механізмом регулюючого органа при керуванні клапаном від БУ-21 (регулятор у положенні ДУ), а також видає інформацію про крайні положення ВМ Керуючий сигнал (імпульси амплітудою 24 В) подаються через блок керування БУ-21, на пускач У-23, після якого сигнал подається на виконавчий механізм привод. При відключеному регуляторі керування позиціонером здійснюється по командах "Більше" і "Менше" від БУ-21, після якого сигнал подається на виконавчий механізм. Аварійний регулятор. Головний сигнал за рівнем води в випарному апараті, що виміряється за допомогою перетворювача, що вимірює, Сапфір 22ДИ-2430, надходить на вхід регулятора від вимірювального перетворювача Сапфір22ДГ-2530. У регуляторі виконується порівняння сигналу від датчика із сигналом завдання ( який вводиться за допомогою ручного задатчика ) і формування керуючого сигналу. Керуючий сигнал (імпульси амплітудою 24 В) подаються через блок керування БУ-21, на пускач У-22, після якого сигнал подається на виконавчий механізм. Живлення засобів автоматизації. Живлення електроенергією засобів виміру й автоматизації здійснюється від мережі змінного електричного струму 220 В, 50 Гц від розподільного щита, до якого підключається навантаження (електродвигуни). У лініях живлення встановлюють автоматичний вимикач або рубильник. Їх встановлюють у місцях приєднання до мережі живлення, а також на входах до щитів і збірника, у яких змонтовані засоби виміру й автоматизації. У мережах електродвигунів виконавчих механізмів встановлюють автоматичний вимикач або запобіжник і рубильник. Автоматичні вимикачі призначені для захисту електричних установок при перевантаженнях і коротких замиканнях у ланцюгах постійний і змінний токи, а також для короткочасних оперативних включень і відключень електричних ланцюгів. Автоматичні вимикачі вибираються по струму споживання й по струму розриву, що може бути електромагнітний і тепловий. Живлення від автоматичного вимикача подається на клеми й відтіля на засоби виміру й автоматизації. При необхідності на прилади може бути представлена стабілізована напруга від спеціальних джерел. Контролер ЦР-03 1. Опис та работа приладу ЦР-03. Прилад ЦР-03 (далі по тексту ЦР-03) призначений для роботи в складі програмно-технічного комплексу цифрового регулювання в системах автоматичного регулювання параметрів технологічних процесів АЕС, ТЕС й інших промислових підприємств. Режим роботи ЦР-03 цілодобовий, безперервний. ЦР-03 експлуатується в закритих приміщеннях із природною вентиляцією при наступних параметрах навколишнього середовища: - температура повітря в процесі експлуатації від 5 °С до 30 °С; - вологість від 5% при температурі 15 °С до 75% при температурі 30 °С; - потужність поглиненої дози іонізуючого випромінювання - 0,4- 10-4 Гр/год; - висота установки над рівнем моря до 1000 м. Навколишнє середовище не повинно бути вибухонебезпечним, містити струмопровідний пил, агресивні гази й пари в концентраціях, що руйнує метали й ізоляцію. ЦР-03 повинні бути стійкими до механічних впливів уздовж вертикальної осі: - сінусоідальної вібрації з параметрами: - амплітуда переміщення (у діапазоні частот від 1 Гц до 9 Гц) - 1,5 мм; - амплітуда прискорення (у діапазоні частот від 9 Гц до 150 Гц) 5 м/с; - механічних ударів з параметрами: - форма ударного імпульсу – напівхвиля синусоїди. - пікове ударне прискорення - 40 м/с2 ; - тривалість ударного імпульсу -100 мс; - частота ударів - 0,1 Гц; - число ударів - 1000. ЦР-03 інтегрується до складу виробничого устаткування без установки додаткових датчиків, виконавчих механізмів, без доробок кабельних ліній зв’зку. 2. Основні технічні характеристики ЦР-03 ставиться до класу ремонтуємих, відновлюваних, програмувальних виробів. ЦР-03 керує виконавчими механізмами, як в автоматичному, так й в автоматизованому режимі, при якому забезпечує можливість дистанційного управління від АРМ оператора. ЦР-03 забезпечує: - автоматична, програмувальна підтримка в заданих межах технологічних параметрів відповідно до алгоритмів керування; - можливість дистанційного керування від АРМ; - самодіагностику й контроль стану підключеного устаткування; - збереження інформації про події за останні 24 години; - передачу інформації про хід процесів регулювання, що течуть значення параметрів технологічного процесу на АРМ оператора по стандартному цифровому каналу на базі інтерфейсів RS-422, RS-485; - світлову індикацію про стан приладу й живильних напруг. Первинне живлення ЦР-03 здійснюється від мережі 220в/50 Гц. Параметри мережі повинні відповідати табл. 2.13. Табл. 2.13.
Період обміну інформацією з технологічної ПЕВМ не більше 2 с; Характеристики каналів прийому аналогових струмових сигналів: - постійний струм 0...20 ма; - вхідний опір RBX- 250 Ом; - максимальний час перетворення - 500 мкс/канал; - розв'язна здатність - 2,5 мка. - основна погрішність виміру - не більше ±0,6%; Характеристики каналів видачі дискретних сигналів: - напруга 24В; - струм навантаження до 0,2 А; - напруга гальванічної розв'язки 500 В. У стандартному комплекті ЦР-03 використовується цифровий канал передачі даних RS-422/485 у відповідності із стандартом EIA RS-422A. Швидкість передачі - 9600 бод. Всі зовнішні ланцюги мають захист від впливу мікросекундних і наносекундних перешкод з амплітудою до 1 кВ. ЦР-03 забезпечує схоронність інформації при аварійних ситуаціях, зберігання інформації відбувається в енергонезалежній пам'яті. 3. Опис і робота складових частин приладу ЦР-03 ЦР-03 ставиться до класу пристроїв обчислювальної техніки, що працюють по програмах, занесених у резидентну енергонезалежну пам'ять, має однопроцесорну структуру. ЦР-03 виконаний на базі промислового програмувального логічного контролера (ПЛК) серії FX2N фірми Mitsubishi Electric (Японія), контролю, що перенастроює гнучко для рішення завдань, і управления. До складу приладу входять наступні функціональні модулі й платы: - модуль центрального процесора FX2N-32MT-ESS/UL з мезонинним модулем FX2N-485-BD; - модулі уведення аналогових сигналів FX2N-8AD; - джерело вторинного живлення DR-4524; - плати гальванічної розв'язки й захисту вихідних дискретних сигналів ПТР-01; - плати гальванічної розв'язки й захисту аналогових вхідних сигналів ППТ-02 плати гальванічної розв'язки й захисту дискретних вхідних сигналів ПНР-плата індикації ПНР-02; Живлення вхідних/вихідних ключів, організованих за принципом «сухий контакт» у каналах прийому/видачі дискретних сигналів з боку ПЛК здійснюється від зовнішніх джерел постійного струму з напругою 24 В ±10%, або від внутрішнього джерела живлення DR-4524. Модуль центрального процесора FX2N-32MR-ESS/UL виконує функції контролю й керування, покладені на апаратно-програмні засоби приладу, забезпечує інформаційний обмін із ШМ сумісним комп'ютером по послідовному інтерфейсу. Центральний процесор модуля працює по прикладній програмі, занесеної у внутрішню резидентну енергонезалежну пам'ять типу EEPROM. Модуль FX2N-8AD у складі приладу забезпечує прийом аналогових сигналів. Фізичне підключення модуля аналогового введення FX2N-8AD до процесорного модуля FX2N-32MT-ESS/UL здійснюється за допомогою кабелю межмодульного цифрового інтерфейсу контролерів серії FX2N. Плати ПТР-01, ППТ-02 і ПНР-01 містять елементи гальванічної разв’язки модулів приладу й периферійних комунікаційних ланцюгів. Плата ПНР-2 містить еліементи індикації працездатності джерела живлення DR-4524, процесорного модуля FX2N-32MT-ESS/UL, захист лінії зв'язку по інтерфейсі RS-422/485. До складу кожної плати входять елементи захисту вхідних і вихідних ланцюгів від впливу імпульсних мікросекундних і наносекундних перешкод з амплітудою до 1 кв. Прилад ЦР-03 виконаний у вигляді закінченого конструктива. 4. Опис модуля центрального процесора FX2N-32MT-ESS/UL Модуль центрального процесора FX2N-32MT-ESS/UL є базовим модулем для побудови програмувальних логічних контролерів мал і середньої продуктивності, застосовуваних для виконання функцій контролю й керування. Модуль окремо або із додатковими модулями вводу-виводу сигналів й інтерфейсними модулями може використстовуватись автономно або в складі автоматизованих систем керування різних технологічних процесів. Модуль має наступні основні технічні характеристики: - підтримувана кількість каналів введення виводу з урахуванням розширення(для дискретних сигналів) до 256; - кількість інтегрованих каналів введення дискретних сигналів з нормованими параметрами 0/24 В - 16; - кількість інтегрованих каналів виводу дискретних сигналів з нормованими параметрами 0/24 В - 16; - наявність убудованого таймера, що перебудовує; - кількість інструкцій користувальницької програми в пам'яті до 16К програмних кроків; - вбудований порт RS-422/485; - споживана потужність - не більше 25 Вт; - мінімальний вхідний струм у каналах уведення дискретних сигналів для сигналуа логічної одиниці - 4,5 ма для входів Х0.. .Х7 і 3,5 мА для входів Х10...Х17; - максимальний вхідний струм у каналах уведення дискретних сигналів для сигналу логічного нуля - 1,5 ма для всіх входів; - убудовані функції контролю стану монітора, пам'яті, батареї живлення, вводу-виводу, обчислювального процесу; - маса модуля не більше 650 м; - габаритні розміри -90x150x87 (висота х ширина х глибина). Підключення проводів зовнішніх комунікацій до модуля здійснюється через індивідуальні, для кожного вхідного або вихідного ланцюга, гвинтові затискні контакты, розміщені під прозорими, що відкидаються кришками з боку передньої панелі. Гвинтові затискачі можуть зніматися з модуля, що забезпечує зручність при заміні модуля. На передній панелі модуля розмішені світлодіодні індикаторы: - «IN0»...«IN7» й «IN10»...«IN17», які індикують стан інтегрованих каналів введення дискретних сигналів; - «OUT0»...«OUT7» й «OUT10»...«OUT17», які індикують стан інтегованих каналів виведення дискретних сигналів; - «POWER», індикуючий наявність живлячої напруги модуля; - «RUN», індикуючий режим виконання програми; - «BATTV», індикуючий відмову батареї пам'яті; - «PROG-E»/«CPU-E», індикуючий режим, у якому працює модуль програмування пам'яті програм контролера, або режим роботи мікропроцесора по реалізації записаної програми. 5. Опис інтерфейсного модуля FX 2 N -485- BD Комунікаційний модуль FX2N-485-BD, є мезониним модулем, встановленим у спеціалізований слот під кришкою на корпусі FX2N-32MT- ESS/UL з боку передньої панелі, забезпечує для даного базового мікропроцесорного модуля зовнішній комунікаційний канал зі стандартним інтерфейсом RS-422/485 у повнодуплексном режимі. Конструктивно модуль виконаний у вигляді друкованої плати, на якій розташовані: електронні компоненти його електричної схеми, з'єднувач для стикування зі слотом FX2N-32MT-ESSAJL і з'єднувач для зовнішнього кабелю. 6. Опис модуля введення аналогових сигналів FX-8AD Модуль 8-канального АЦП FX2N-8AD має 8 каналів введення аналогових сигналів з нормованими, прийнятими для засобів автоматизації технологічних процесів, параметрами. Канали модуля індивідуально можуть бути застосовані для прийому наступного виду сигналів: - напруги, з діапазоном зміни (- 10...+10) В; - струму, з діапазоном зміни (- 20.. .+20) ма; - струму, з діапазоном зміни (+4.. .+20) ма; Для кожного з перерахованих видів сигналів додатково можуть задаватися рівні дозволу. Модуль має наступні основні технічні характеристики каналів прийому аналогових сигналів: струмових: - постійний струм 4.. .20 ма, -20.. .+20 ма; - вхідний опір RBx= 250 Ом; - максимальний вхідний струм – 30 ма; - розв'язна здатність - 2,5 мка (діапазон -20..+20ма), 2,0 мка (діапазон 4-20мА). - основна похибка виміру: - при температурі 25+ 5 °С - не більше ±0,3%; - при температурі 0-55 °С - не більше +0,6%; напруги: - постійна напруга -10...+10 В; - вхідний опір RBX= 200 Ком; - максимальна напруга на вході +15 В; - розв'язна здатність - 0,63 мв; - основна похибка виміру: - при температурі 25 + 5 °С - не більше ±0,3%; - при температурі 0-55 °С - не більше +0,6%; - діапазон вимірюваної температури -100.. .+1200 °С; - розв'язна здатність - 0,1 °С; - основна похибка виміру при температурі 0...55 °С - не більше ±1,0%; - діапазон вимірюваної температури -100.. .+600 °С; - розв'язна здатність - 0,1 °С; - основна погрішність виміру при температурі 0.. .55 °С - не більше +1,0%. 7. Опис джерела живлення DR-4524 До складу приладу ходить блок живлення DR-4524 фірми MEAN WELL (Тайвань). Блок живлення призначений для живлення оптоізольованих вихідних ключів у каналах видачі дискретних сигналів. Блок забезпечує постійна стабілізована напруга +24 В ±10% при вихідному струмі до 2 А. Блок живлення має захист від короткого замикання по ланцюзі +24В. 8. Опис плат гальванічної розв'язки й захисту До складу приладу входять наступних платы: - плати гальванічної розв'язки й захисту вихідних дискретних сигналів ПТР-01; - плати гальванічної розв'язки й захисту аналогових вхідних сигналів ППТ-02; - плати гальванічної розв'язки й захисту дискретних вхідних сигналів ПНР-01; - плата індикації ПНР-02. Плати релейної гальванічної розв'язки виконані на базі оптореле PVT412 (вихідні сигнали) і LDA200 (вхідні сигнали); Плати струмової гальванічної розв'язки аналогових сигналів виконані на базі модулів DATAFORTH DSCL20. До складу кожної плати входять елементи захисту вхідних і вихідних ланцюгів від впливу імпульсних мікросекундних і наносекундних перешкод з амплітудою так 1 кв. Розділ 3.Дослідження математичної моделі САР3.1 Вимоги до якісних показників функціонування САРРівень упарюваємої рідини в випарній установці є дуже важливим параметром його роботи. Рівнем води в випарному апараті керують шляхом зміни витрати подачі води з гріючої камери в сепаратор випарювального апарату . За технологічними вимогами система автоматичного регулювання повинна забезпечити відхилення значення по рівню від заданого значення, що не перевищує 40% та тривалість перехідного процеса, що не перевищує 1800 с (30 мин). Так як об’єкт дуже інерційний [5]. У даній частині розрахунку необхідно визначити параметри настройки регулюючого блоку РС29, який працює в режимі ПІ-регулятора. Розрахунок ведеться для контуру САР рівня упарюваємої рідини в випарній установці. З ряду причин було б доцільно визначати настройки регулятора для збурення за навантаженням (технологічно це збурення більш реальне і є більш важким ніж збурення λвн; перехідний процес збігається зі збурення за завданням для неузгодженості ε). Однак, історично склалося так, що як типове збурення був прийнятий саме скачок з боку Р.О. (це збурення по характеру збігалося з основним регулюючим каналом об’єкта: “u→y”; разом з тим збурення λн могли бути найрізноманітнішими по походженню). Інженерні методи розрахунку настроювань регуляторів орієнтовані саме на скачок з боку Р.О. У замкненій САР розрізняють такі типові перехідні процеси : а) аперіодичний (Апер); б) із 20%-перерегулюванням (20%-η ); в) із мінімумом лінійного інтегрального критерію (min Iкв). Аперіодичний процес рекомендований тоді, коли несуттєвим є динамічний викид, а потрібно досягти малого часу регулювання. Процес із 40% - перерегулюванням (мінімумом лінійного інтегрального квадратичного критерію) вибирають тоді, коли треба зменшити динамічний викид, але при цьому несуттєвими є підвищена коливальність процесу та його тривалість. Найбільш поширеним є процес із 20% - перерегулюванням, тому що він забезпечує невеликий динамічний викид, достатньо малу тривалість процесу та всього 2 півперіоди коливання. У якості типу перехідного процесу оберемо перехідний процес із 20% - перерегулюванням, так як це підрозумівається специфікою об’єкту управління, а саме: як буде показано нижче, обрана для досліду ділянка регулювання є не дуже інерційною для використання процесу із 40% - перерегулюванням, та неприпустимі довгі коливання тиску. Також суттєвим є динамічний викид, так як збільшення тиску пари поверх норми може призвести до порушення роботи споживачів пари низького тиску. Вважаючи на ці фактори і обирається процес із 20% -перерегулюванням, який характеризується: - динамічним відхиленням – y1; - тривалістю перехідного процесу (тривалість регулювання) – τр. 3.2 Апроксимація перехідної характеристики ОР В роботі розглядається об’єкт регулювання який схематично зображений на рисунку 3.1.
Рис. 3.1. Об’єкт регулювання Цей об’єкт належить до об’єктів з самовирівнюванням. Такий об’єкт апроксимується послідовним з’єднанням ланки транспортного запізнення та аперіодичної ланки першого порядку передавальні функції яких Wт(s) та Wап(s) відповідно:
Послідовному з'єднанню ланок відповідає перемноження передавальних функцій, тоді передавальна функція об'єкта має вигляд представлений в формулі:
де s – оператор Лапласа. Під час ідентифікації об’єкта, на його вхід (витрата упарюваємої рідини) подавали ступінчасте збурення в результаті якого отримали криву розгону, яку ми потім повинні перерахувати в перехідну характеристику (реакція об’єкта на одиничне ступінчасте збурення). Після потрібних операцій фільтрації, згладжування була отримана така крива розгону рис. 3.2.
Рис. 3.2. Крива розгону по каналу „витрата рідини на вході – рівень рідини на виході” Після приведення наведеної вище кривої розгону до одиничного збурення, отримуємо перехідну характеристику об’єкта, яку апроксимуємо аперіодичною ланкою першого порядку із ланкою запізнення (рис. 3.3.).
Рис. 3.3. Перехідна характеристика об’єкта керування. В результаті ідентифікації об’єкту, як об’єкту з самовирівнюванням, отримана його модель, параметри якої наведені нижче. Параметри передавальної функції моделі:
Передавальна функція моделі:
По отриманій передавальній функції моделюємо перехідний процес в середовищі Матлаб. Перехідна характеристика моделі та реального об’єкту зображена на рис. 3.4.
Рис. 3.4.Перхідні характеристики об’єкту та моделі. 3.3 Розрахунок регулятора САР Одноконтурна САР тиску пари після РОУ, що розраховується, призначена для автоматичної підтримки заданого значення тиску пари після РОУ при нанесенні збурень в роботі об’єкта. Структурна схема замкненої АСР з вказівкою типових видів збурень приведена на рис. 3.5.
Рис. 3.5. Структурна схема замкненої АСР де e = ( у* - у ) - розузгодження (розбаланс); lвн - внутрішнє збурення (збурення зі сторони РО); lз - зовнішні збурення (збурення по навантаженню); Wp (s) - передавальна функція регулятора; Wоб (s) - передавальна функція об'єкта. Типовим збуренням в інженерних розрахунках САР береться скачок зі сторони РО, так як в цьому випадку збурення наноситься по основному регулюючому каналу об'єкта, отже будемо розглядати збурення зі сторони РО. Враховуючи, що в якості об¢єкту маємо статичний об¢єкт, а в якості регулятору - ПІ-регулятор, розрахуємо настройки регулятора за наведеними нижче спрощеними (інженерними) формулами:
де Кр - коефіцієнт передачі регулятора, %РО / кПа ; Ті - час інтегрування, сек. Інженерні формули для розрахунку настройок регулятору мають вигляд:
У ці формули підставимо значення параметрів об¢єкту управління:
Таким чином параметри настройки регулятора: Кр = 0,75 %РО/кПа; Ти = 21 с. Розраховуємо передбачувані параметри Y1 и tр, за формулами:
Rg - динамічний коефіцієнт регулювання, з таблиці Rg=0,15
Після підстановки отримаємо: припустимий час регулювання, З розрахованку видно що У1 має не припустимо велике значення, тому знайдемо оптимальні настройки регулятора за допомогою програми „GAMMA”. В якій отимальний регулятор розраховується за заданним значенням устойчивості. При розрахунку оптимального регулятору програма видала такий результат: Кр = 0,765 %РО/кПа; Ти = 6,35 с. Отримані дані про значення настройок регулятору примемо за оптимальні. Тобто передавальна функція регулятору:
3.4 Моделювання і аналіз чутливості САР Отримаємо перехідний процес в замкненій САР з використанням пакету Matlab та розрахуємо показники якості перехідного процесу. За допомогою програми Matlab знімемо перехідні процеси в замкненій САР по каналам: “завдання - тиск на виході РОУ”, “збурення із сторони РО –рівень в випарювальному апараті”. В якості параметрів об¢єкту та настройок регулятору будемо використовувати значення, які були отримані вище.
Графіки отриманих перехідних процесів наведені на рисунках 3.6 – 3.7.
Рис. 3.6. Перехідний процес за каналом „завдання – вихід”.
Рис. 3.7. Перехідний процес за каналом „збурення із сторони РО – вихід”. За отриманими процесами визначимо прямі критерії якості, які занесені до таблиці 3.1: Таблиця 3.1.
За отриманими результатами можна зробити висновок, що обрані коефіцієнти настрoйок регулятору є оптимальними, а час регулювання та динамічна похибка не більше ніж вимагалось. 3.5 Перевірка САР на жорсткість Під жорсткістю одноконтурної САР розуміють малу чутливість критерію функціонування до варіацій параметрів розімкненої САР. Для дослідження системи були зняті 6 перехідних характеристик: при змінному
Рис. 3.8. Перехідний процес за каналом „збурення із сторони РО–вихід” (
Рис. 3.9. Перехідний процес за каналом „збурення із сторони РО – вихід” (
Рис. 3.10. Перехідний процес за каналом „збурення із сторони РО– вихід” ( За отриманими процесами визначимо прямі критерії якості, які занесені до таблиці 3.2: Таблиця 3.2
Нижче приведені графіки залежностей У1= f (Коб), τр= f (Коб); У1= f (Тоб), τр= f (Тоб); У1= f ( τ о), τр= f ( τ о):
Рис. 3.11. Графіки залежностей У1= f (Коб), τр= f (Коб).
Рис. 3.12. Графіки залежностей У1= f (Тоб), τр= f (Тоб).
Рис. 3.13. Графіки залежностей У1= f ( τ о), τр= f ( τ о). Далі розрахуємо відносні коефіціенти чутливості за наступною формулою:
де kz - відносний коефіцієнт чутливості для змінного параметра Z; Z - поточне значення параметра; Zopt - оптимальне значення параметру; R, Ropt - відповідно поточне значення критерію якості та значення при оптимальних параметрах. Для Коб отримаємо такі розрахунки:
Далі розрахунок проводиться аналогічно, розраховані значення відносних коефіцієнтів чутливості зведені до таблиці 3.3. Таблиця 3.3
Аналізуючи отримані результати дослідження впливу зміни параметрів системи на прямі критерії якості, можна відмітити, що дана САР не є грубою, так як для грубої САР значення коефіцієнтів чутливості не повинні перевищувати 0,1. Отже, приходимо до наступних висновків: 1. Апроксимація перехідної характеристики об’єкту управління аперіодичною ланкою першого ступеню та ланкою транспортного запізнення була виконана з достатньою якістю, що відображає відповідний рис 3.6; 2. Розраховані за інженерними методиками параметри налагоджування регулятора задовольнили висунутим вимогам до якості перехідних процесів в САР рідини в випарному апараті ; 3. Проведені розрахунки параметрів налагодження промислового регулюючого блоку також є вірними, так як отримане значення швидкості зв'язку Vзв не виходить за припустимі межі. 4. За результатами дослідження отриманої системи на грубість можна сказати, що система є не грубою, і малі зміни якогось з параметрів об’єкту управління викличуть достатньо великі зміни критерію якості функціонування САР. Розділ 4. Комплексна автоматизація виробництва очищеної води 4.1 Характеристика скада-системи „ TRACE MODE ” Для реалізації автоматизованої системи керування випарною установкою будемо використовувати одну з найбільш розповсюджених SCADA cистем – TRACE MODE (ТРЕЙС МОУД). TRACE MODE призначена для розробки великих розподілених АСКТП широкого призначення. Ця система створена в 1992 році фірмою AdAstra Research Group Ltd.(Росія) і до теперішнього часу має більш ніж 4500 інсталяцій. Системи які розроблені на базі ТРЕЙС МОУД працюють в енергетиці, металургії, нафтовій, газовій, хімічній і іншій галузях промисловості та у комунальному господарстві . По числу впроваджень ТРЕЙС МОУД значно випереджає закордонні пакети подібного класу. ТРЕЙС МОУД - заснована на інноваційних, що не мають аналогів технологіях. Серед них: розробка розподіленої АСУТП як єдиного проекту, автопобудова, оригінальні алгоритми обробки сигналів і керування, об'ємна векторна графіка мнемосхем, єдиний мережевий час. ТРЕЙС МОУД - це перша інтегрована SCADA- і softlogic-система, що підтримує наскрізне програмування операторських станцій і контролерів за допомогою єдиного інструменту. Основними функціями ТРЕЙС МОУД являються наступні: - Модульна структура - від 128 до 64000х16 I/O. - Кількість тегів необмежена; - Мінімальний цикл системи рівний 0.001 с; - Відкритий формат драйвера для зв'язку з будь-яким УСО. - Відкритість для програмування (Visual Basic, Visual C++ і т.д.); - Вбудовані бібліотеки з більш ніж 150 алгоритмами обробки даних і керування в т.ч. фільтрація, PID, PDD, нечітке, адаптивне, позиційне регулювання, ШІМ, керування пристроями ( клапан, засувка, привод і т.д.), статистичні функції і довільні алгоритми; - Багато інших можливостей Суть автопобудови полягає в автоматичній генерації баз каналів операторських станцій і контролерів, що входять у проект АСУТП на основі інформації про число точок введення/виведення, номенклатурі використовуваних контролерів і УСО, наявності і характері зв'язків між ПК і контролерами. У ТРЕЙС МОУД 5 реалізовані наступні процедури автопобудови: Автопобудова баз каналів для зв'язку з УСО в РС-контролерах - автоматичне формування баз каналів кожного контролера і его настроювання на УСО на основі інформації про число і марку РС-контролерів, використовуваних у проекті. Технологія автопобудови підтримується в контролерах Micro PC, Круїз, МФК, MIC2000, Advantech PCL і д.р.; Автопобудова баз каналів для зв'язку зі звичайними контролерами - автоматичне генерування бази каналів операторських станцій і настроювання на найбільш розповсюджені в Росії контролери, наприклад Реміконт, Ломіконт, Ш-711, ТСМ, ЭК-2000, ADAM 4000, ADAM5000, Allen Bradley, Siemens і ін.; Автопобудова зв'язків між вузлами: "ПК-ПК", "ПК-контролери" - автоматичне створення, підтримка і відновлення комунікацій (наприклад мережевих, RS-232/485, Profibus і т.д.) між вузлами розподіленої АСУТП; Автопобудова при імпорті баз технологічних параметрів. При роботі в реальному часі технологія автопобудови відслідковує зміни бази каналів на різних вузлах розподіленої АСКТП (на операторських станціях і в контролерах) і автоматично проводить необхідні зміни. Так наприклад, якщо додати( видалити ) датчик, ТРЕЙС МОУД автоматично додасть(видалить) і настроїть канали на усіх вузлах розподіленої АСУ. АСКТП реалізовується на контролерах Lagoon, а також комунікаційних модулях, модулях аналогового вводу/виводу, модулях дискретного вводу/виводу серії I-7000. Базовим процесорним модулем, що використовуються при розробці АСКТП є контролер І-7188 (І-7188 – аналог контролера Lagoon). Власне кажучи І-7188 - це маленький PC- сумісний комп'ютер. У ньому є процесор АМВ 188-40МГЦ, 256 кбайт SRAM пам'яті (ОЗУ), електронний Flash-диск (аналог твердого диска) обсягом 512кбайт, годинник реального часу, 4 послідовних порти, тобто майже всі необхідні атрибути звичайного комп'ютера. Технічні характеристики контролера І-7188. Процесор : AMD 188-40МГЦ SRAM: 256кб Flash-диск: 512кб Максимальний обсяг програми користувача : 448кб Операційна система : - Datalіght's ROM-DOS, сумісна з MS-DOS 6.2 - підтримує RAM-DІSK і Flash ROM-DІSK - завантаження програм з вилученого комп'ютера Годинник реального часу : - відсутня "Проблема 2000 року (Y2K)", - рахує секунди, хвилини, годинник, дні, місяці, роки від 1980 до 2079, - NVSRAM (енергонезалежна пам'ять): 31 байт, час збереження даних не менш 10 років, - літієва батарея для годин реального часу і NVSRAM EEPROM: 1024 байта, більш 1,000,000 циклів перезапису
Послідовні порти : 4 - максимальна швидкість обміну 115.2кбод - СОМ1: RS-232 чи RS-485 (вибирається перемичкою) - СОМ2: RS-485 - COM3: RS-232 - COM4: RS-232 Буфер FІFO: 16 байт (СОМ1, СОМ2) Буфер черги : 1кб на кожен порт Індикатор : світодіодний 5-розрядний семисегментний Живлення : +10 ... +30В Споживана потужність : 2.2 Вт максимум Температура роботи : від -20°С до +75°С. 4.2 Організація бази каналівУ Редакторі бази каналів створюється математична основа системи керування: описуються конфігурації всіх робочих станцій, контролерів і УСО, використовуваних у системі керування, набудовуються інформаційні потоки між ними. Тут же описуються вхідні і вихідні сигнали і їхній зв'язок із пристроями збору даних і керування. У цьому редакторі задаються періоди чи опитування формування сигналів, набудовуються закони первинної обробки і керування, технологічні границі, структура математичної обробки даних. Тут установлюється, які дані, і при яких умовах зберігати в різних архівах, набудовується мережний обмін, описуються задачі керування архівами, документуванням, корекції тимчасових характеристик системи керування, а також зважуються деякі інші задачі. Для реалізації проекту автоматизації процесу фільтрування створимо 2 вузли: - ARM – автоматизоване робоче місце; - Lagoon – вузол керування; Головне вікно бази каналів має наступний вигляд:
Канали , які входять до AWP:
4.3 Розробка FBD -програм Для реалізації програмного забезпечення в базі каналів створюєм FBD програми . У цьому вікні редактора бази каналів здійснюється створення і редагування задач обробки даних і керування, оформлених у виді окремих FBD-програм мовою Техно FBD. Вхід у це вікно здійснюється або по команді з головного меню, або натисканням ЛК на відповідній іконці панелі інструментів. Створена FBD програма регулювання рівня
Створена FBD програма вимірювання температури
Створена FBD програма для вимірювання рівня
Створена FBD програма вимірювання витрати
4.4 Відображення технологічного процесу у редакторі представлення даних У редакторі представлення даних розробляється графічна частина проекту системи керування. При цьому створюється статичний рисунок технологічного об'єкта, а потім поверх нього розміщаються динамічні форми відображення і керування. Серед цих форм присутні такі, як графіки, гістограми, кнопки, області введення значень і переходу до інших графічних фрагментів і т.д. Крім стандартних форм відображення, ТРЕЙС МОУД дозволяє вставляти в проекти графічні форми представлення даних керування, розроблені користувачами. Для цього можна використовувати стандартний механізм Active-X Усі форми відображення інформації, керування й анімаційні ефекти зв'язуються з інформаційною структурою, розробленою в редакторі бази каналів. Графічні бази вузлів проекту, створені в редакторі представлення даних, зберігаються у файлах з розширенням dbg . Їхнє збереження здійснюється у відповідній директорії проектів. Екран “схема” має такий виглдяд
На ньому показана схема випарної установки, доупарювача, монжюса кубового залишку, основні кнопки керування, а також індикатори параметрів технологічного процесу. Також я створив екрани на яких за допомогою графіків намагався показати хід технологічного процесу ,а також зміну технологічних процесів
Тренд на якому зображено зміну рівня в випарному апараті. Мінімальний рівень 500 мм, а максимальний 900 мм, в випарному апараті ми піддержуєм рівень 550мм.
Графіки на ,яких зображено зміну витрати та температури Номінальна температура вторинного пару на виході з випарного апарату повинна не перевищувати 104 °С , витрата коливається від 4-6кг/м3
Розділ 5. Розрахунок економічної ефективності запроектованих заходів з автоматизації Розрахунок очікуваного економічного ефекту від упровадження розробленої АСР Метою економіко-організаційної частини дипломного проекту є визначення економічної ефективності розробленої АСР, побудова, розрахунок і оптимізація сітьового графіка на монтаж системи автоматизації. Так як автоматизація була проведена на об'єкті шляхом заміни застарілих регуляторів Р.27 комплексу «Каскад» на нові контролери ЦР-03, був складений кошторис вартості робіт з розробки системи рівня в випарному апараті. Розрахунок витрат на розробку системи Для виконання розробки і монтажних робіт АСР випарного апарату був складений договір. Відповідно до договору, термін виконання роботи складає 4 місяці. У роботі беруть участь наступні співробітники: Таблиця 5.1.
Матеріальні витрати таблиця 5.2. Таблиця 5.2.
Витрати на оплату праці Таблиця 5.3.
Премія складає 30% від основної зарплати. Відрахування на соціальне страхування Загальна сума: 6838.05 грн, у тому числі: 5835.14 грн – у пенсійний фонд; 528.81 грн – обов'язкове соціальне страхування; 382.93 грн – страхування на випадок безробіття; 91.17 грн – страхування на від нещасних випадків. Витрати на додаткове устаткування Таблиця 5.4.
Накладні витрати Загальна сума: 12763.8 грн. Прибуток Встановлюється в розмірі 9839.03 грн. Кошторис № 1 Вартості робіт з розробки системи рівня в випарному апараті Замовник: ОП РАЕС Виконавець: ЕЮЗМ Таблиця 4.5.
Розрахунок витрат на придбання, експлуатацію і монтаж системиРозрахунок витрат на придбання і монтаж системи Складається кошторис на придбання і монтаж АСК. Загальна вартість кошторису складає 96491.24 грн. Розрахунок витрат на експлуатацію системи Витрати розраховуються за формулою:
де Иа - амортизаційні витрати; Итр - витрати на поточний ремонт; Иел.ен. - витрати на електричну енергію; Изп - витрати на заробітну плату. Таблиця 5.6. Витрати на електроенергію. Таблиця 5.6.
- Амортизація:
Витрати на поточний ремонт:
Витрати на обслуговуючий персонал відсутні, тому що чисельність обслуговуючого персоналу не змінилася И S = 115.5+14473.69+2894.7 = 17483.89 грн/рік (5.5) Розрахуємо приведені витрати: Зпр= ИS+ЕнК=17483,89 +0,15*96491.24 =31957.58 грн/рік (5.6) Визначення ефективності розробленої системиАвтоматизація, що була проведена на об'єкті шляхом заміни застарілих регуляторів Р.27 комплексу «Каскад» і приладів системи на новий контролер ЦР-03, дозволила значно зменшити споживання електроенергії, а також витрати на ремонт та наладку системи за рахунок встановлення надійного та сучасного обладнання: Загальні приведені витрати для нової системи: Зпрн=Зпр+ЕнЦд=17483,89+0,15*(65000+96491.24)=41707,57грн/рік (5.7) де Цд – договірна ціна, грн. Економічна ефективність: АСУТП вважається ефективною, якщо Ер≥Ен.в.т
., де Ен.в.т
.=0,12 Е=Зпрс-Зпрн=60000.00-41707.57 =18292.43 грн/рік (5.8) де Зпрс - загальні приведені витрати для старої системи.
Оскільки Ер≥Ен.в.т., то АСУТП є ефективною. Термін окупності капітальних вкладень:
Розділ 6 Заходи з охорони праці та захисту навколишнього середовища Охорона праці – це система правових, соціально-економічних, організаційно-технічних, санітарно-гігієнічних та лікувально-профілактичних заходів та засобів, що спрямовані на збереження життя та здоров’я працюючих. Організація робіт по охороні праці на підприємствах повинна здійснюватися згідно Законам України “Про охорону праці”, “Про пожежну безпеку”, “Про забезпечення санітарного та епідемічного благополуччя населення” та діючими положеннями о службі охорони праці та службі пожежної безпеки. Охорона праці в Україні є невід’ємною частиною організації праці та виробництва. Питання охорони праці враховуються при організації усіх виробничих процесів. Правова основа охорони праці базується на на Конституції України, Законах України “Про охорону праці”. Одним з основних принципів державної політики в сфері охорони праці є пріоритет життя та здоров’я по відношенню до трудової діяльності. Темою дипломного проєкту є “Автоматизація процесу очистки води у другому контурі блоку №3 Рівненської АЕС”. В проекті проведений розрахунок автоматизованої системи рівня живильної води в парогенераторі. В даному розділі будуть розглянені технічні рішення щодо безпечної експлуатації засобів автоматизації, технічні рішення з гігієни праці та виробничої санітарії, а також питання пожежної безпеки. Розрахункові параметри внутрішнього повітря в робочій зоні прийняті згідно з технологічним завданням. Спроектована в даному проекті система (автоматизація рівня живильної води в парогенераторі) передбачає перш за все роботу з ЕОМ та візуальними дисплейними терміналами (ВДТ), так як оператор слідкує за проходженням технологічного процесу за допомогою візуальних дисплейних терміналів, а керування процесом відбувається з ЕОМ. Розміщення приміщень для роботи з ВДТ ЕОМ і ПЕОМ (операторська, кімната управління) визначаються з врахуванням особливостей технологічного процесу, норм і протипожежних потреб будівельного проектування, компонувальних і будівельних рішень, зручності управління об’єктом, що автоматизується, простоти обслуговування системи і економічних факторів (довжини комунікації і т.д.). Вибір приміщення і організація робочого місця здійснюється згідно СН 245-71. Розміщення робочих місць з ВДТ ЕОМ і ПЕОМ у підвальних приміщеннях, на цокольних поверхах заборонено. Мінімальна площа на одну людину відповідно до вимог СН 245-71 становить 4,5 м2 вільного від обладнання місця, а об’єм робочої зони на людину – 15 м3. Віконні прорізи приміщень для роботи з ВДТ мають бути обладнані регульованими пристроями (жалюзі, завіски, зовнішні козирки). Покриття підлоги повинне бути матовим з коефіцієнтом відбиття 0,3-0,5. Поверхня підлоги має бути рівною, неслизькою, з антистатичними властивостями. Виробничі приміщення можуть обладнуватись шафами для зберігання документів, магнітних дисків, полицями, стелажами, тумбами тощо з урахуванням вимог до площі приміщень. У приміщеннях з ВДТ слід щоденно робити вологе прибирання. Приміщення з ВДТ мають бути оснащені аптечками першої медичної допомоги. Технічні рішення щодо безпечної експлуатації засобів автоматизаціїТехнічні рішення передбачені відповідно ГОСТ 12.2.061-81 ССБТ “Общие требования безопасности рабочих мест” і ГОСТ 12.2.003-91 ССБТ “Оборудование производственное. Ограждение защитное”. Обладнання системи автоматизації встановлені в легко доступних місцях доступні для експлуатації. Для полегшення експлуатації обладнання споруджені сходи й площадки обслуговування, обгороджені поруччям висотою не менше 1 м з бортовим елементом по низі поруччя не менше 0,14м. Відстань від рівня площадки до верхнього перекриття - не менше 2 м. Сходи виконані з листовою просіченою постійні товщиною 5 мм. По периметру парогенератора споруджені площадки обслуговування.[10-12] Елементи обладнання, арматури й прилади, розміщені в місцях, зручних для обслуговування. Для контролю за параметрами живильної води встановлені діафрагми, які реєструють сигнал по витраті, і термопари, що реєструють сигнал по температурі на трубопроводі. Нормований сигнал від цих датчиків надходить у прилад, що реєструє. Контрольні прилади парогенератора згруповані на блочному щиті керування. Засувки й вентилі, для відкривання яких потрібно велике зусилля, забезпечені обвідними лініями й механічними або електричними приводами. Частини виробничого устаткування, які рухаються (запірні клапани, засувки й ін.), до яких можливий доступ персоналу, мають механічні щити огородження. Такими огородженнями оснащені всі сполучні напівмуфти електродвигунів і механізмів. Всі гарячі частини устаткування, трубопроводи, баки доторкання до яких може викликати опік, мають теплову ізоляцію. Матеріал ізоляції підібраний так, щоб температура його поверхні не перевищувала 45 0С при температурі навколишнього повітря 25 0С [10]. Всі трубопроводи обладнані у верхній крапці воздухоуловителем, а в нижній й у застійних зонах - дренажними пристроями, з'єднаними безпосередньо з атмосферою. Установлене на станції електроустаткування відповідає галузевим стандартам, СНиП і ПУЕ. Питання електробезпекиПроектування електроустановок здійснюється відповідно [2;5], будівництво й монтаж з дотриманням вимог [4], експлуатація відповідно [6]. На станції розміщене наступне устаткування; · електроспоживачі на напругу 380/220 В з мережею із глухозаземленою нейтраллю (двигуни засувок і т.ін.); · електродвигуни на напругу 6,3 кв із мережею із ізольованою нейтраллю (живильний електронасос). По небезпеці електротравматизму станцію ставиться до 3 категорії приміщень (“особливо небезпечні”), тому що присутні два фактори небезпеки - струмопровідна підлога й можливість одночасного доторкання до корпуса й електроспоживачів металоконструкції, які мають контакт із землею. Прийняте в проекті електротехнічне устаткування: апаратури, кабелі й керівництва, розподільні пристрої всіх видів і напруг по своїх номінальних параметрах задовольняє умовам роботи як при нормальних режимах, так і при коротких замиканнях, перенапругах, перевантаженнях. Технічні рішення щодо запобігання електротравм від контакту з нормально струмовідними елементами обладнання1. Забезпечено недоступність струмопровідних частин (застосована схована проводка, кабель прокладений у спеціальних ринвах). 2. Забезпечено ізолювання струмопровідних частин з використанням поліхлорвінілової й іншої ізоляції, опір якої не нижче 1кОм/В, передбачені постійний контроль і профілактика ізоляції. 3. Розподільні шафи, пускові пристрої й клемні коробки закритого типу (розміщаються в спеціальних кожухах) - для забезпечення недоступності неізольованих струмопровідних частин [2]. 4. Пускові апаратури електродвигунів, витяжних вентиляторів установлені поза приміщенням парогенератора. 5. Електродвигуни технологічних механізмів керуються дистанційно із БЩУ. 6. Використовуються маленькі (знижені) напруги (мережа змінного й аварійного освітлення - 12 В, а також для переносного освітлення). Допускається освітлення усередині топок акумуляторними й батарейними ліхтарями. Для ручного електроінструмента й місцевого стаціонарного освітлення – 42В [6]. 7. Світильники розташовані на висоті не менше 2,5 м над робочими місцями [6]. 8. Напруга освітлювальної мережі приймається 220 В із заземленою нейтраллю. 9. В електроустановках забезпечена орієнтація за рахунок застосування знаків і міток. Всі струмопровідні частини обгороджені й вивішені плакати (“Стій! Напруга!”, “Не лізь, уб'є!”, “Не включати - працюють люди!”). Установлено блокування, які знімають напругу при знятті огороджень. 10.У парогенераторному відділенні зпроектований поперечний тунель для прокладки кабелів, на площадці димососів і вентиляторів, прокладка кабелів здійснюється в трубах [2]. Міри щодо запобігання електротравм при переході напруги на нормально неструмоведучі елементи електроустановок 1. Застосування захисних заземлень для усунення небезпеки при замиканні на корпус, шляхом зниження до безпечних значень струму, що проходить через людину. Захисне заземлення виконується навмисним електричним з'єднанням металевих частин електроустановки з “землею” чи еквівалентом. Заземленню підлягають всі електроустановки напругою > 380 В змінного й > 440 В постійного струму [19]. Воно передбачається для мереж з ізольованою нейтраллю до 1000 В й при будь-якій напрузі нейтралі з напругою вище 1000 В. Електродвигуни напругою 6,3 кв із живленням від мережі з ізольованою нейтраллю заземлюються за допомогою з/б фундаментів будинків і споруджень, металевих і з/б конструкцій, які утворюють безперервний електричний ланцюг по металу. У парогенераторному відділенні для заземлення використовується штучний контур заземлення. 2. Застосовується зануленння в трифазних чотирипровідних мережах, електроспоживачі на напругу 380/220 В з мереже із глухозаземленою нейтраллю, що перетворює пробій на корпус у коротке замикання фази, у результаті чого відпрацьовує захист й установка відключається від мережі. У якості зануляючих провідників використають нульові робочі провідники, металеві труби електропроводки, металеві конструкції для прокладки кабелю. Захисне занулення виконують при номінальній напрузі від 42 В до 380 В змінного струму, і від 110 В до 440 В постійного струму при роботах в умовах з підвищеною небезпекою й особливо небезпечних роботах. Згідно «Вказівкам по проектуванню блискавкозахисту» СН-305-77 від прямих ударів блискавки захищаються наступні об'єкти: · димар; · резервуари мазуту й масла; Для захисту зазначених споруджень встановлюються безпосередньо на них (чи окремо розташованих) блискавкоприймачі, які з'єднуються з контурами заземлення. Для блискавкозахисту інших будинків на їхню покрівлю накладається блискавкозахисна сітка з осередками 6х6 м, і виконуються спуски, які належать до загального контуру заземлення. Заземлюються також всі металеві баки й резервуари. Для захисту від статичної електрики всі металеві підземні конструкції на введеннях у дома переварюються між собою й належать до контуру заземлення. Естакади трубопроводів заземлюються через кожні 250 м і на кінцях. Обслуговуючий персонал забезпечується ізолюючими захисними засобами: гумові рукавички, коврики, інструмент із ізольованими ручками, покажчиками напруги, переносними заземленнями й т.ін. Технічні рішення щодо гігієни праці та виробничої санітаріїОсновні виробничі фактори, що визначають санітарно-гігієничні умови праці [8]: 1) мікроклімат; 2) склад повітря робочої зони; 3) виробниче освітлення; 4) виробничий шум; 5) виробничі вібрації. Виробнича санітарія включає до себе питання з забезпечення здорових умов праці персоналу, чистоти повітря і робочої середи, зменшення шкідливого впливу виробничих шумів та випромінювань, створення комфортних умов для повноцінної праці людині. МікрокліматОсновними показниками повітря в робочій зоні виробничих приміщень є: температура, вологість і рухливість повітря. Оптимальні й припустимі величини температури, відносної вологості та швидкості руху повітря встановлюється для робочої зони виробничих приміщень з обліком надлишка тепла, ваги виконуємої роботи та сезонів року. Усі три параметри повинні відповідати нормам: температура в холодний період року: а) оптимальна 26-280С ; б) припустима 25-320С. У теплий період року: а) оптимальна 29-310С; б) припустима 26-350С. Відносна вологість у холодний період року: а) оптимальна 40-60 %; б) припустима 75 %. У теплий період року відносна вологість: а) оптимальна 40-60 %; б) припустима 65 %. Для приміщень другого контуру (машинного залу енергоблоку), розглянутих у даному дипломному проекті, характерні наступні несприятливі для організму людини явища. Для захисту оператора від дії високих, а також і низьких температур, повинні передбачатися спеціальні будівельні заходи, обігрів, вентиляція приміщення та ін. Однак необхідно в усіх випадках старатися наблизитися до повної ізоляції оператора від впливу високих і низьких температур. В приміщеннях пультів управління температура повинна бути не нижча +15оС і більше +23оС. Комфортні умови для більшості людей визначаються температурою +21оС (фізіологічно нейтральна температура) при вологості повітря в межах 30 – 70%. Вплив температури на організм, як правило, співвідноситься з впливом відносної вологості повітря. Вологість повітря впливає головним чином на терморегуляцію організму. Особливо несприятливо впливає висока відносна вологість, яка перевищує 75% при температурі навколишнього середовища близько до +30оС і вище. В таких умовах віддача тепла з поверхні тіла дуже утруднена, що призводить до перегріву організму. Рідше в робочих умовах доводиться зустрічатися з пониженою відносною вологістю повітря. Оптимальне значення відносної вологості повітря знаходиться в межах 40 – 60%. Рух повітря має велике значення для теплорегуляції організму. При русі повітря (навіть при незмінній його температурі) різко збільшується віддача тепла з поверхні тіла шляхом конвекції, що понижує температуру шкіри. Людина починає відчувати повітряні потоки при швидкості 0,25 м/с. Рекомендована швидкість повітря для приміщення пульта управління 0,25 –0,5 м/с. Для вентиляції приміщень пультів управління застосовується переважно механічна вентиляція, основним елементом якої є витяжний вентилятор. Останнім часом дуже поширеним є кондиціонер, який охолоджує (підігріває) і вентилює повітря приміщення, очищуючи його від пилу і відбираючи вологу. Склад повітря робочої зониПрилади та методи виміру температури повітря робочої зони не повинні мати похибку більш + 0,5 оС та при вимірі вологості більш + 5 оС. Прилади й методи виміру рухливості повітря не повинні мати похибку більш + 0,1 м/с. Для визначення змісту шкідливих речовин, добір проб повинний проводитися в зоні подиху при характерних виробничих умовах з обліком основних технологічних процесів, джерел виділення шкідливих речовин і функціонування технологічного устаткування. Протягом зміни повинна бути відібрана така кількість проб (але не менше п'яти), щоб було достатнім для достовірної гігієнічної характеристики стану повітряного середовища. При періодичному санітарному контролі змісту шкідливих речовин у повітрі робочої зони допускається обмежуватися визначенням максимально-разової концентрації. Ступінь поглинання шкідливої речовини фільтром або поглиначем повинна бути не менше 95 % . Метод повинний забезпечувати виборче визначення - зміст шкідливої речовини у відібраній пробі повітря на рівні не більше 0,5 гранично-припустимой концентрації (ГПК). Тривалість добору проб при визначенні максимально-разової ГПК не повинна перевищувати 30 хв. Метод повинний забезпечувати визначення змісту шкідливих речовин у проточному повітрі на рівні 0,3 ГПК при необмеженому часі добору проби. Метод визначення повинний забезпечувати специфічне визначення змісту шкідливої речовини в пробі в присутності інших речовин, що знаходяться в цей час у повітрі робочої зони. Результати визначення концентрацій шкідливих речовин у повітрі робочої зони приводяться до нормальних умов : t = 30 оС; Р = 760 мм.рт.ст. ; φ = 50 % . Виробниче освітленняПрироднє освітлення Відповідно до [10], природнє освітлення нормується коефіцієнтом природного освітлення (КПО) - відношенням природної освітленості всередині приміщення до одночасно виміряного значення зовнішньої природної освітленості, створеної світлом всього небосхилу:
Природне освітлення здійснюється через світлові прорізи, орієнтовані переважно на північ чи північний схід і забезпечувати коефіцієнт природної освітленості (КПО) не нижче ніж 1,5%. Розраховується КПО за методикою, викладеною в СНиП П-4-79. Штучне освітлення В якості критерієв оцінки штучного освітлення прийняті [10]: - освітленість Е, лк; - показник дискомфорту М (для приміщень управління, конструкторських, проектних, научно-досліджувальних закладів та приміщень цивільних будинків); - коефіцієнт пульсації освітленості кп, % (при освітленні приміщень газорозрядними лампами); - показник осліплення Р. Штучне освітлення в приміщеннях з робочими місцями, обладнаними ВДТ ЕОМ та ПЕОМ, має здійснюватись системою загального рівномірного освітлення. Значення освітленості на поверхні робочого столу в зоні розміщення документів має становити 300-500 лк. Якщо ці значення освітленості неможливо забезпечити системою загального освітлення, допускається використовувати місцеве освітлення. При цьому світильники місцевого освітлення слід встановлювати таким чином, щоб не створювати бліків на поверхні екрана, а освітленість екрана має не перевищувати 300 лк. Як джерела світла в разі штучного освітлення мають застосовуватись переважно люмінесцентні лампи типу ЛБ. У разі застосування відбитого освітлення у виробничих та адміністративно-громадських приміщеннях допускається застосування метало галогенних ламп потужністю 250 Вт. Допускається застосування ламп розжарювання у світильниках місцевого освітлення. Система загального освітлення має становити суцільні або переривчасті лінії світильників, розташовані збоку від робочих місць (переважно ліворуч), паралельно лінії зору працюючих. Для загального освітлення слід застосовувати світильники серії ЛПО 3б із дзеркальними гратами, укомплектовані високочастотними пускорегулювальними апаратами (ВЧ ПРА). Яскравість світильників загального освітлення в зоні кутів випромінювання від 50 до 90 град. з вертикаллю в повздовжній та поперечній площинах має становити не більше ніж 200 кд/м2, захисний кут світильників - не менше ніж 40 град. Світильники місцевого освітлення повинні мати просвічуючий відбивач із захисним кутом, не меншим ніж 40 град. Слід передбачити обмеження прямої блискості від джерел природного та штучного освітлення. При цьому яскравість світлих поверхонь (вікна, джерела штучного освітлення ), що розташовані в полі зору повинна бути не більше ніж 200 кд/м2. Для забезпечення нормованих значень освітленості у приміщеннях з ВДТ ЕОМ та ПЕОМ слід чистити шибки і світильники принаймні двічі на рік і вчасно замінювати лампи, що перегоріли. Виробничий шум Для нормування шумів застосовують наступні варіанти оцінки шуму [12,13]: - встановлюють допустимі рівні звукового тиску - допустимі рівні звуку Устаткування, що становить джерело шуму (АЦП, принтери тощо), слід розташовувати поза приміщенням для роботи ВДТ ЕОМ і ПЕОМ. Перелічимо заходи щодо зниження рівня шуму. Для боротьби із шумом передбачене поліпшення режиму роботи й експлуатації устаткування, центрування й балансування механізмів. Для зниження рівня шуму передбачено, також, застосування звукоізоляції. Теплова ізоляція, у сполученні з обшиванням, відіграє роль поглинача шуму. Як засоби індивідуального захисту передбачене застосування вкладишів, навушників. Припустимі значення рівня звукового тиску для щитових наведені в табл. 6.1. Таблиця 6.1. Допустимі рівні звукового тиску і рівні звуку Припустимі значення рівня звукового тиску Таблиця 6.1
Звукоізоляція огороджувальних конструкцій приміщень з ВДТ має забезпечувати параметри шуму, що відповідають вимогам СН 3223-85, ГОСТ 12.1.003-83, ГОСТ 12.1.012-90 Виробничі вібрації Відповідно [14] нормуються: - допустима величина віброшвидкості – V, м/c; - допустима величина віброприскорення – W, м/с2. або логарифмічний рівень віброшвидкості - де Vі – середньоквадратичне значення віброшвидкості за повний період часу, м/с; V0 – 5*10-8, м/с – вихідне значення віброшвидкості Параметри вібрацій нормуються в залежності від частоти та напрямку коливань, їх виду, часу дії протягом зміни. Під час виконання робіт з ВДТ ЕОМ і ПЕОМ у виробничих приміщеннях значення характеристик вібрації на робочих місцях мають не перевищувати допустимі відповідно до СН 3044-84, ГОСТ 12.1.012-90. Гранична частота вібрації складає 18 Гц, при меншій частоті вібрація сприймається як окремі поштовхи. Верхня границя частоти вібрації, яка сприймається, знаходиться на рівні 1500 Гц. При подальшому підвищенні частоти вібрації виникає відчуття рівномірного дотику певної сили. Найменша амплітуда, яка сприймається, складає близько 0,2 мм. По мірі збільшення амплітуди відчуття стає все більш неприємним, а коли амплітуда вібрації досягає 1,3 мм, настає фізіологічний поріг перенесення. · Для зменшення, усунення найбільш поширених причин вібрації, вживаються заходи по зменшенню вібрації технологічного і енергетичного обладнання, ряд будівельних заходів та ін. Розрахунок захисного заземлення. Захисне заземлення – це навмисне з’єднання з землею частин обладнання, які не знаходяться під напругою в нормальних умовах експлуатації, але які можуть знаходитись під напругою в результаті порушення ізоляції електроустановки. Заземлюючий пристрій розташовується за межами ділянки, на якій розміщене обладнання, що заземлюється. Приміщення хімічного цеху де знаходиться система водоочистки СВО-3 де і знаходиться електрична система, обладнується контуром-шиною, яка з’єднується із заземленням. Контур-шина виготовляється з мідного проводу і вкладається по периметру приміщення. Для під’єднання заземлюючих проводів на шину наварюються гвинти М8. Конструктивними елементами захисного заземлення є заземлювачі (металеві провідники, які знаходяться в землі) і провідники, які з’єднують обладнання з заземлювачем (рис. 6.1).
Рис. 6.1. Принципова схема захисного заземлення Розрахунки заземлюючого контуру будемо вести у відповідності до порядку розрахунку захисного заземлення згідно ПУЕ. Для розрахунку штучного заземлюючого контуру приймаємо наступні вихідні дані: контур складається з стальних заземлювачів та з’єднувальної штаби. Грунт - суглинок з питомим електричним опором r = 100 Ом·м ; заземлювачі – вертикальні електроди довжиною l в=2,5м , діаметром d =0,012м , середина яких розміщена на глибині t =2,05м , а верхні кінці на глибині h =0,8м . Заземлювачі з’єднані між собою горизонтальною з’єднувальною штабою зі стрічки перерізом 40х4мм , відстань між вертикальними заземлювачами 2l в , тобто а=2*2,5=5м . Допустимий опір контурного заземлюючого пристрою згідно ПУЕ R доп≤4 Ом . Розрахунок: 1. Визначаємо розрахунковий опір грунту.
де Ф – коефіцієнт сезонності, який враховує коливання питомого опору при зміні вологості грунту протягом року. (Ф=1,1÷1,2). 2. Визначаємо опір розтікання струму одиночного вертикального заземлювача Rв, (Ом):
Визначаємо приблизну кількість заземлювачів nприб, шт:
3. Знаходимо із таблиць коефіцієнт використання вертикальних заземлювачів
Із по значенню k знаходимо 4. Уточнена кількість заземлювачів n:
6. Визначаємо довжину горизонтальної штаби Lшт, м:
2. Обчислюємо опір горизонтальної штаби Rшт, Ом: Розрахунковий питомий опір грунту r грг при використанні горизонтальної штаби r грг =100· 1,3 = 13 0 Ом·м .
де В – ширина штаби. 8. Визначаємо загальний опір заземлюючого пристрою з врахуванням коефіцієнта використання горизонтальної штаби:
Оскільки розрахований загальний опір заземлюючого пристрою менший допустимого згідно ПУЕ
Рис. 6.2. Схема розташування заземлюючих електродів. Розрахунок штучного освітлення Завдання світлотехнічного розрахунку полягає у визначенні потужності джерел світла за заданою освітленістю або у визначенні за заданим розміщенням світильників і відомій потужності джерел світла освітленості на розрахунковій площі і розподілу яскравості в полі зору. Розрахуємо освітлення за методом коефіцієнта використання світлового потоку. Вихідні дані: розміри приміщення A=6 м – довжина приміщення; В=4 м ширина приміщення; Н=4 м – висота приміщення. Висота розміщення світильників над робочою поверхнею hcв: h св=Н- H зс-Нрп =4-0,7-0,8=2,5 м, де H зс =0,7 м – висота звису світильника від перекриття; Нрп =0,8 м – висота робочої поверхні над підлогою. Визначимо світловий потік лампи світильника за формулою:
де Ен=300 лк – нормована освітленість, приймається відповідно до СНИП ІІ.4-79 (табл. 3.1); S=A*B=6*4=24 м2; Кз=1,3 – коефіцієнт запасу, що враховує зниження освітленості; Z=1,1 – коефіцієнт нерівномірності освітлення для люмінесцентних ламп; N – кількість світильників; n=2 – кількість ламп у світильнику; η=0,6 – коефіцієнт використання світлового потоку, визначається за світлотехнічними таблицями, в залежності від індекса приміщення і . Світильники будемо розміщувати за паралельною схемою, тоді відстань між світильниками буде Визначимо кількість світильників по довжині приміщення:
ширині приміщення:
Загальна кількість світильників Визначаємо індекс приміщення:
Визначаємо світловий потік необхідної лампи:
По ФН
з довідника вибираємо люмінесцентну лампу ЛХБЦ60-4 з Проводимо перевірочний розрахунок:
Пожежна безпекаНебезпека виникнення пожежі на станції пов'язана з наявністю великої кількості горючих речовин (пальне, масло, системне змащення), розгалудженого кабельного господарства з більшими струменевими навантаженнями, високих температур теплоносіїв і вихідних газів, поверхні тепломеханічного устаткування, водню в системі охолодження генератора й т.ін. Відповідно до вимог будівельних норм і правил [9,10], і у зв'язку з характером речовин, які використовуються у виробництві і їхньої кількості, надбудови, що проектується ставиться до виробництва категорії Г, вогнестійкість будинків характеризується 2-їм ступенем вогнестійкості. Архітектурно-будівельні рішення прийняті, виходячи з того, що ступінь вогнетривкості зали станції - ІІІ А, етажерки електротехнічних пристроїв - ІІ, відповідно [18]. Таблиця 6.2. - Категорії приміщень по пожежній небезпеці Таблиця 6.2.
На станції передбачається комплекс заходів, які передбачають як профілактику, так і спеціальні системи для знаходження й гасіння пожежі [5]. Протипожежна профілактика забезпечується дотриманням норм і правил пожежної безпеки. Технічні рішення системи протипожежного захисту Оснащення приміщень автоматичними установками пожежогасіння здійснюється відповідно до [16]. У якості вогнегасного засобу застосовується розпилена вода. Установкою автоматичного водного пожежогасіння захищаються кабельні приміщення, маслогосподарства турбоагрегатів. На розподільній мережі АПГ кабельних приміщень встановлюються зрошувачі ДВ-10; для гасіння трансформаторів і маслогосподарства застосовані зрошувачі ОПДР-15.Автоматичний пуск системи пожежогасіння виконується: · для кабельних приміщень від датчиків пожежної сигналізації типу ДИП-2 з пультами ППС-3; · для блокового трансформатора й трансформаторів в.п. від релейного захисту трансформаторів; Керування всіма системами пожежогасіння здійснюється від панелей. Пожежогасіння, які встановлені в приміщенні ЦЩУ й кнопками керування засувками пожежогасіння на місцях. Протипожежний водопровід. Відповідно “Інструкції із проектування протипожежного захисту енергетичних підприємств” РД 34.49.101-84 і СНиП 2.04.09-84 “Протипожежна автоматика будинків і споруджень” у приміщеннях передбачається створення системи автоматичного водного пожежогасіння, для цього передбачається створення протипожежного водопроводу. При цьому: · розрахункові витрати води – 68,2 л/с; 245,5 м3/ч; · потрібний тиск води в системі – 6,5 кгс/см2; · відповідно до вимог норм передбачається окремий протипожежний водопровід високого тиску; · протипожежний водопровід забезпечує зовнішне пожежогасіння й одночасна дія внутрішніх пожежних кранів, лафетних стовбурів і стаціонарних установок автоматичного пожежогасіння; · зовнішна мережа протипожежного водопроводу проектується кільцевою. Протипожежні гідранти виконані відповідно до [2], пожежні крани в парогенераторному відділенні розташовані на основних оцінках обслуговування для інших приміщень - біля опалювальних сходових кліток й у коридорах. Об'ємно-планувальні й конструктивні рішення приміщення. При перетинанні повітропроводами огороджувальних конструкцій приміщень категорії В на них встановлюються протипожежні клапани. Транзитні повітропроводи покриваються протипожежною ізоляцією. Рішеннями генплану передбачається створення необхідних протипожежних розривів між будинками й спорудженнями, передбачені необхідні проїзди. Для захисту від прямих ударів блискавки передбачається виконання блискавкозахисних заходів. Методи захисту були визначені на попередніх стадіях проектування. У приміщеннях станції передбачається пристрої робочого й аварійного освітлення з організацією окремої групової лінії для освітлення проходів, сходових кліток, позначення виходів. У приміщеннях станції передбачається автоматична пожежна сигналізація згідно “Переліку будинків, приміщень і споруджень підприємств Міністерства енергетики, які підлягають оснащенню установками автоматичної пожежної сигналізації”. Автоматичні пожежні оповіщувачі, передбачені проектом, обрані з обліком можливості раннього викриття пожежі, умов навколишнього середовища, місця їхнього розташування, а також забезпечення зручності їхньої експлуатації. Цивільна оборона Оцінка стійкості роботи об'єкту енергетики до дії землетрусів і вибухів. Під стійкістю функціонування об'єкту розуміється здатність об'єкту продовжити свою діяльність в надзвичайних ситуаціях, тобто виконати свої функції відповідно до призначення, а у разі аварії відновити свої функції в мінімально короткі терміни. На стійкість функціонування об'єкту в надзвичайних ситуаціях впливають наступні чинники: - надійність захисту персоналу від наслідків стихійних лих, аварій, катастроф, а також дії первинних і вторинних чинників зброї масового ураження і інших сучасних засобів нападу; - здатність інженерного комплексу об'єкту протистояти певною мірою цим діям; - надійність системи постачання паливом, електроенергією, теплом, водою і так далі; - стійкість і безперервність управління цивільною обороною і об'єктом в цілому; - підготовленість до ведення рятувальних робіт і робіт по відновленню функціонування об'єкту. Особливого значення в даний час набувають вимоги до стійкості функціонування об'єктів з ядерними установками в умовах надзвичайних ситуаціях мирного часу, щоб в майбутньому виключити катастрофи типу Чорнобильської. Ці вимоги закладені в «Нормах проектування інженерний - технічних заходів цивільної оборони», а також в розроблених на їх основі відомчих нормативних документах, доповнюючих і розвиваючих вимоги норм, що діють, стосовно конкретної галузі. Оцінка стійкості об'єкту до дії вражаючих чинників. Шляхи і способи підвищення стійкості функціонування об'єкту в умовах надзвичайних ситуацій в мирний і військовий час вельми різноманітні і визначаються конкретними специфічними особливостями кожного окремого елементу і об'єкту в цілому. Оцінка ступеня стійкості об'єкту до дії сейсмічної хвилі полягає в: - виявленні основних елементів об'єкту, від якого залежить його функціонування; - визначення стійкості кожного елементу (по нижній межі діапазону балів, що викликають середні руйнування) і об'єкту в цілому (по мінімальній межі, вхідних в його склад елементів); - складання знайденої межі стійкості об'єкту з очікуваним максимальним значенням сейсмічної хвилі і полягає його стійкість. У висновках і пропозиціях, на основі аналізу результатів оцінки стійкості кожного елементу і об'єкту в цілому, робляться рекомендації по доцільності підвищення надійності найуразливіших елементів і об'єкту в цілому. Доцільною межею стійкості прийнято вважати значення сейсмічної хвилі, при якому відновлення пошкодженого об'єкту в можливо короткі терміни і економічно виправдано (зазвичай при отриманні об'єктом слабких і середніх руйнувань). Однією з причин крупних виробничих аварій і катастроф є вибухи, які на промислових підприємствах зазвичай супроводжуються обваленнями і деформаціями споруд, пожежами і виходами з лад енергосистеми. Найчастіше спостерігаються вибухи казанів котельних, газів, апаратів, продукції на хімічних підприємствах, пари бензину і інших компонентів палива, лакофарбної пари, нерідкі вибухи побутового газу. Причинами вибухів газу, промисловому (вугільною, деревинною, мучной) пилу, газо - повітрям сумішей можуть служити відкритий вогонь, електричні іскри, зокрема від статичної електрики. Вражаючим чинником будь-якого вибуху є ударна хвиля. Дія ударної хвилі на елементи споруд характеризуються складними комплексом навантажень: прямий тиск, тиск відображений, тиск обтікання, тиск затікання, навантаження від сейсмовзривних хвиль. Дію ударної хвилі прийнято оцінювати надмірним тиском у фронті ударної хвилі, позначеними Дрф (кпа). Надмірний тиск Дрф використовується як характеристика опірності елементів споруд дії ударної хвилі і для визначення ступеня їх руйнувань і пошкоджень. Ступінь і характер поразки споруд при вибухах під час виробничих аварій залежить від: - потужності (тротиловий еквівалент) вибуху; - технічної характеристики споруди об'єкту (конструкція, міцність, розмір, форма - капітальні, тимчасові, наземні, підземні та інші); - планування об'єкту, характеристика забудови; - характер місцевості; - метеорологічних умов. При прогнозуванні наслідків можливого вибуху передбачаються три кругові зони: I зона детонаційної волні знаходиться в межах хмари вибуху газо - повітряній суміші. В межах I зони діє надмірний тиск, який можна приймати постійним PI = 1700 кпа. Радіус зони може бути визначений по формулі: r1 = 17.5 · (м) - зона I де - кількість зрідженого газу, тонн. II зона дії продуктів охоплює всю площу размета продуктів газо - повітряній суміші в результаті її детонації. Радіус цій зони: r2 = 1,7· r1 (м) - зона II Надмірний тиск в межах II зони (ДРII) змінюється від 1350кПа до 300кПа. Для будь-якої точки, розташованої в II зоні: ДРII =1300· (r1/ r) + 50 (кпа) де r = R - відстань від центру вибуху до даної крапки в II зоні (м); III зона дії повітряної ударної хвилі в ній формується фронт ударної хвилі, що розповсюджується по поверхні землі. Надмірний тиск в цій зоні залежно від відстані до центру, може бути визначено по графіку, таблицям і розраховано по формулах. Для цього заздалегідь визначається відносна величина: Ш = 0,24· r2/ r1 = 0,24·R/ r1 де r1 - радіус зони або відстань від центру вибуху до крапки, в якій потрібно визначити надмірний тиск повітряної ударної хвилі при Ш 2 ДРIII =700/(3·) при Ш > 2 ДРIII =22/( Ш · ) Для визначення надмірного тиску на певній відстані від центру вибуху необхідно знати кількість вибухової суміші, що зберігається в місткості або агрегаті. Одночасно з проходженням ударної хвилі відбувається переміщення повітря з великою швидкістю. Динамічні навантаження, що створюються потокам повітря називаються швидкісним натиском, вимірюване в тих же одиницях, що і вимірюваний тиск. Опірність будівель і споруд до дії ударної хвилі залежить від їх конструкції розмірів і інших параметрів. Найбільшими руйнуваннями від ударної хвилі піддаються будівлі і споруди великих розмірів з великими несучими конструкціями, що значно підносяться над поверхнею землі, а також масивні безкаркасні споруди з несучими стінами з цеглини і блоків. Будівлі антисейсмічної конструкції, а також масивні малорозмірні будівлі і споруди з жорсткими несучими конструкціями володіють значним опором ударній хвилі. При дії ударної хвилі на будівлі, споруди, устаткування і комунікації - енергетичні мережі (КЕС) об'єкту можуть бути зруйновані в різному ступені. Руйнування прийнято ділити на повні, сильні, середні і слабкі. Повні руйнування. У будівлях і спорудах зруйновані всі основні несучі конструкції і обрушені перекриття. Відновлення неможливе. На технологічних трубопроводах розриви кабелів, руйнування трубопроводів, опор повітряних ліній електричних передач і тому подібне. Сильне руйнування . У будівлях і спорудах значні деформації несучих конструкцій, зруйнована велика частина перекриттів і стін. Устаткування і механізми переважно зруйновані. На трубопроводах розриви і деформації на окремих ділянках підземних мереж, деформації опор повітряних ліній елекропередач і зв'язки. Середні руйнування. У будівлях і спорудах зруйновані головним чином, що несуть другорядні конструкції (легкі стіни, перегородки, дахи, вікна, двері). Можливі тріщини в зовнішніх стінах і завали в окремих місцях. Перекриття і підвали на зруйновані, частина приміщень придатна до експлуатації. Деформовані окремі вузли устаткування, техніка. Техніка вийшла з ладу і вимагає капітального ремонту. Для відновлення об'єкту, отримання середні руйнування потрібний капітальний ремонт. Слабкі руйнування. У будівлях і спорудах частина внутрішніх перегородок, двері і скління зруйновані. Устаткування має незначні деформації другорядних елементів. Аналіз аварії і розрахунки показують, що переважну більшість виробничих будівель і споруд отримують слабкі руйнування при надмірному тиску від 10 до 20кПа, середні, - при 20.30кПаЮ, сильні, - при 30.50кПа, повні при 50кПа і більш. Навантаження від ударної хвилі на окрему частину елементу залежить від положення їх щодо розповсюдження ударної хвилі. Дії навантаження від ударної хвилі, поверхні землі, що розповсюджується уподовж, можна розділити на навантаження обтікання, визначувані головним чином, максимальним надмірним тиском в ударній хвилі і навантаження гальмування швидкості натиску, що виникає під дією. При розрахунках стійкості елементів об'єкту великих розмірів визначальним впливаючим навантаженням є навантаження обтікання, тобто та сила, яка прагне зрушити споруду у напрямі ударної хвилі. Із зменшенням розмірів елементу всього більшого значення набуває навантаження гальмування. Невеликі елементи, розміри яких (у плані) значного менше в порівнянні з довжиною ударної хвилі, наприклад опори ЛЕП, антени, вимірювальна апаратура, щогли і тому подібне майже не випробовують навантаження обтікання оскільки швидко охоплюються хвилею. Дія швидкісного натиску повітряної ударної хвилі може привести до зсуву, падіння (перекиданню) і угону елементів, які розташовані на колесах, катках, що у свою чергу може привести до падіння і удару елементів об стрічні предмети. Для деяких елементів конструкцій представляють небезпеку сили прискорення, що мають місце при ударі хвилі. Прискорення будівель і споруд не перевершує одного g (м/с2). Висновки Досвід створення АСУТП показав, що при впровадженні у виробництво автоматизованих систем зростає ефективність виробництва, знижується собівартість продукції, підвищується її якість. Тому створення таких систем є дуже важливим і перспективним напрямком розвитку. На основі дослідження технологічного процесу була складена карта технологічних параметрів і розроблена система автоматичного керування. Запроектувано сучасні технічні засоби для систем автоматичного керування. Скласдено і досліджено модель системи автоматичного регулювання. Розроблено проект комплексної автоматизації процесу очистки води. Розроблений проект АСКТП в SCADA системі TRACE MODE дає змогу повністю автоматизувати процес випарювання рідини в випарному апараті. Проект розроблений в TRACE MODE дає змогу постійно слідкувати за процесом при необхідності швидко вносити зміни,коригувати параметри. З економічної точки зору використвння запропонованих мікропроцесорних систем є доцільним ,з погляду на їх дешевість,надійнїсть та простоти в використані. В процесі виконання дипломної роботи були одержані знання і навички по постановці задач керування, проектування функціональних схем АСУТП і схем функціонування основних задач АСУТП, вивчений технологічний процес очистки води, вибрано структуру і тип АСУТП, засоби автоматизації і описано функціональні схеми, надходження сигналів в АСУТП і їх обробку. Додаток А 1. СНіП ІІ-58-75. Електростанції теплові. Норми проектування. 2. Правила технічної експлуатації електричних станцій та мереж. - НЦ ЭНАС, М.:ЭНАС; 2006 р. 3. Баховець Б.О. Автоматизований електропривод:Навч. посібник. - Рівне:НУВГП,2008. - 96с. 4. ГОСТ 12.2.003-74 ССБТ. Устаткування виробниче. Загальні вимоги безпеки. 5. Автоматичне регулювання об’єктів теплоенергетики. Липатников Г.А., Гузеев М.С. – 2003 р. 6. Автоматичне регулювання теплових процесов на електростанціях /Добкин В.М., Дулєєв Е.М. і Фельдман Е.П. - М.: Госенергоїздат, 1995. 7. Клепач М.І. Теорія автоматичного керування. Лабораторні роботи. Навчальний посібник. Рівне: НУВГП, 2007. - 206 с. 8. СН 245-71. Будівельні норми. Санітарні норми проектування промислових підприємств. 9. ГОСТ 12.1.009-79 ССБТ. Електробезпека. Терміни і визначення. 10.ГОСТ 12.4.026-76. Кольори сигнальні і знаки безпеки. 11.ГОСТ 12.1.005-91 ССБТ. Повітря робочої зони. Загальні санітарно-технічні вимоги. 12.СНіП 2.04.05-86. Опалювання, вентиляція і кондиціонування повітря. 13.СНіП ІІ-4-79. Природне і штучне освітлення. Норми проектування. 14.ГОСТ 26279-84. Загальні вимоги до шумопоглінання. Блоки енергетичні для ТЕС на органічному паливі. 15.ДСН 3.3.6.037-99. Санітарні норми виробничого шуму, інфра- і ультразвука . 16.ДСН 3.3.6.039-99. Санітарні норми виробничих вібрацій. 17.ДСН.3.3.6.039-99. Санітарні нормі віробнічих вібрацій. 18.ГОСТ 12.1.004-91 ССБТ. Пожежна безпека. Загальні вимоги. 19.РД 34.49.101-87. Інструкція по проектування протипожежного захисту енергетичних підприємств. 20.Перелік будинків, споруд і приміщень підприємств Міністерства палива і енергетики України, які підлягають устаткуванню установками пожежогасінні. 21.СНіП 2.01.02-85. Будівельні норми і правила. Протипожежні норми проектування будинків і споруд. 22.ПР 34-00-006-84. Правила вибухової безпеки установок при використовуванні мазуту в трансформаторніх установках. 23.Методичні вказівки до розробки питань пожежної безпеки в дипломних проектах для студентів спеціальності ТЕФ (ськл. М.А.Халімовський, Д.Н. Поспелов - До: КПІ). 24.Налаштування електрообладнання. Довідник. Кисаримов Р.А. - М: Радиософт, 2003р 25.ОІТП 24-86. Визначення категорій приміщень і будинків по протипожежній безпеці. 26. Правила технічної експлуатації електроустановок споживачів. В. Кузнєцов – М: Фактор, 2007р. 27. Демченко В.А. Автоматизація і моделювання технологічних процесов АЕС і ТЕС: Одеса, «Астропринт»,2001-305 c. 28. Правила устройства электроустановок.Изд.7. - Омега-Л, 2007р. 29. Кулаков Г.Т. Інженерні експресс-методи розрахунку промислових систем регулювання: Спр. Допомога. - Мн.: Виш. Шк., 1984. - 192 з., мул. 30. Методичні рекомендації щодо оформлення курсовіх та діпломніх проектів для студентів теплоєнергетічного факультету усіх спеціальностей очної та заочної форм навчання: Навчальній посібник / Укл. Баган Т.Г., Батюк Г.С., Бунь В.П., Ізгорєв М.Ю., Кисельов Ю.Є. - ДО.: НТУУ "КПІ". 2000. - 47 з. 31. Электроснабжение в промышленности: практическое руководство. Кок Ж., Страусс К. – М. ИД "Технологии", 2007г 32. Ротач В.Я. Теорія автоматичного управління теплоенергетичними процесами: Підручник для вузів. - М.: Енергоатоміздат. 1991. 33. Справочник по эксплуатации электро-оборудования (под. Ред.. Зименкова Л.В.) – АСТ, 2006р. Додаток В 1. ГОСТ 12.2.003-74 ССБТ. Оборудования производственное. Общие требования безопасности. 2. СНиП ІІ-58-75. Электростанции тепловые. Нормы проектирования. 3. Правила пристроек и безопасной эксплуатации парогенераторов – М: Энергоиздат, 1989. 4. СН 245-71. Строительные нормы. Санитарные нормы проектирования промышленных предприятий. 5. ГОСТ 12.1.009-79 ССБТ. Электробезопасность. Сроки и определения. 6. Правила технической эксплуатации электростанций и тепловых сетей. – М:Энергоиздат, 1985. 7. ГОСТ 12.4.026-76. Цвета сигнальные и знаки безопасности. 8. ГОСТ 12.1.005-91 ССБТ. Воздух рабочей зоны. Общие санитарно-технические требования. 9. СНиП 2.04.05-86. Отопления, вентиляция и кондиционирования воздуха. 10. СНиП ІІ-4-79. Естественное и искусственное освещение. Нормы проектирования. 11. ГОСТ 26279-84. Общие требования к шумопоглинання. Блоки энергетические для ТЭС на органическом топливе. 12. ДСН 3.3.6.037-99. Санитарные нормы производственного шума, інфра- и ультразвука . 13. ДСН 3.3.6.039-99. Санитарные нормы производственных вибраций. 14. ДСН.3.3.6.039-99. Санітарні норми виробничих вібрацій. 15. ГОСТ 12.1.004-91 ССБТ. Пожарная безопасность. Общие требования. 16. РД 34.49.101-87. Инструкция по проектирование противопожарной защиты энергетических предприятий. 17. Перечень домов, сооружений и помещений предприятий Министерства топлива и энергетики Украины, которые подлежат оборудованию установками пожаротушения. 18. СНиП 2.01.02-85. Строительные нормы и правила. Противопожарные нормы проектирования домов и сооружений. 19. ПР 34-00-006-84. Правила взрывной безопасности установок при использовании мазута в трансформаторніх установках. 20. Методические указания к разработке вопросов пожарной безопасности в дипломных проектах для студентов специальности ТЕФ (скл. М.А.Халімовський, Д.Н. Поспелов – К: КПІ). 21. Указания по определению категорий производств по взрывной, вибухопожежній и пожарной опасности СН-463-14. – М: Стройиздат, 1976. 22. Правила устроения электроустановок. – М: Электроатомиздат, 1986. 23. ОІТП 24-86. Определения категорий помещений и домов по противопожарной безопасности. |
||||||||||||||||||||||||||||||||||||||||||||||||||||||||||||||||||||||||||||||||||||||||||||||||||||||||||||||||||||||||||||||||||||||||||||||||||||||||||||||||||||||||||||||||||||||||||||||||||||||||||||||||||||||||||||||||||||||||||||||||||||||||||||||||||||||||||||||||||||||||||||||||||||||||||||||||||||||||||||||||||||||||||||||||||||||||||||||||||||||||||||||||||||||||||||||||||||||||||||||||||||||||||||||||||||||||||||||||||||||||||||||||||||||||||||||||||||||||||||||||||||||||||||||||||||||||||||||||||||||||||||||||||||||||||||||||||||||||||||||||||||||||||||||||||||||||||||||||||||||||||||||||||||||





Рис. 2.1. Схема функціональна і структурна регулятора тиску гріючого пару на випарний апарат.
Рис. 2.2. Схема функціональна і структурна регулювання рівня в випарному апараті









;

;
- таблична оцінка tр, 












,




.
(p).
Ом