Курсовая работа: Редуктор двухступенчатый
|
Название: Редуктор двухступенчатый Раздел: Промышленность, производство Тип: курсовая работа | ||||||||||||||||||||||||||||||||||||||||||||||||||||||||||||||||||||||||||||||||||||||||||||||
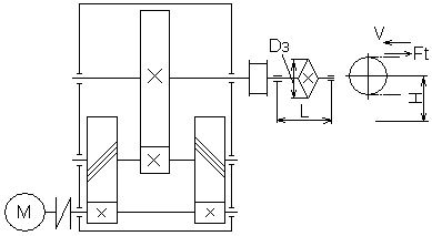
| Омский государственный технический университет Кафедра «Детали машин» Редуктор двухступенчатый Пояснительная записка 2005 г. Содержание Задание на курсовой проект Введение 1. Предварительный расчёт привода 1.1 Определение недостающих геометрических размеров И.М 1.2 Определение потребной мощности и выбор электродвигателя 1.3 Разбивка общего передаточного числа редуктора по ступеням передач 1.4 Составление таблицы исходных данных 2. Проектирование редуктора 2.1 Расчёт первой ступени редуктора 2.2 Расчёт второй ступени редуктора 2.3 Расчёт валов редуктора 2.3.1 Проверка сечений валов 2.3.2 Расчет валов редуктора на статическую прочность 2.3.3 Расчёт тихоходного вала на сопротивление усталости 2.3.4 Расчет тихоходного вала на жесткость 2.4 Расчет подшипников редуктора 2.5 Расчет шпоночных соединений 3. Эскизное проектирование 3.1 Проектные расчёты валов 3.2 Определение расстояние между деталями передач 3.3 Выбор типа и схемы установки подшипников 4. Выбор посадок 5. Выполнение рабочих чертежей деталей 6. Выбор смазки Заключение Литература Задание на курсовой проект Шифр КП.15.Д1.6.1.9 Студенту факультет гр. Спроектировать редуктор ленточного конвейера Кинематическая схема График нагрузки
Срок службы – 5 лет
Исходные данные 1. Окружное усилие на звёздочке – Ft, кН 3,5 2.Скорость цепи конвейера – V, м/с 0,65 3.Шаг цепи по ГОСТ 588-81- Р, мм 100 4.Число зубьев ведущей звёздочки- Z 7 5.Высота установки ведущего вала – Н, мм 350 6.Установочный размер И.М.- L, мм 400 Разработать 1.Сборочный чертёж редуктора 27.04.05 2.Рабочие чертежи деталей 11.05.05 Задание получил 9.02.05. разработчик Введение В данной работе произведена разработка конструкции цилиндрического двухступенчатого редуктора. Выполнен расчет и проверка основных его элементов: зубчатых передач, валов, подшипников, шпоночных соединений. Расчет производился на основании критериев, обеспечивающих надёжность данного устройства на всех этапах эксплуатации. На первом этапе расчетов были определены необходимые параметры привода (частота вращения двигателя, моменты на валах, передаточное отношение редуктора). Далее, на этапе расчета передач, были найдены допускаемые напряжения, геометрические и кинематические параметры передач и произведена их проверка на выносливость и прочность. Все валы рассчитаны на статическую прочность, а тихоходный вал проверен на сопротивление усталости и на жесткость. Далее производится проверка подшипников выбранной серии. Затем следует проверка шпонок и выбор смазки. В конце дается обоснование выбора посадок и сведения по выполнению рабочих чертежей. Данный редуктор может применяться в различных отраслях промышленности. Техническая характеристика редуктора: мощность на входном валу – 3 кВт; частота вращения быстроходного вала – 700 об/мин; общее передаточное число редуктора – 12,6; крутящий момент на выходном валу – 403,2 Нм. Работа выполнена на основании задания на курсовой проект. 1. Предварительный расчёт привода 1.1 Определение недостающих геометрических размеров И.М Расчёт диаметра делительной окружности приводной звёздочки производим по формуле:
где P – шаг тяговой цепи, мм; Z- число зубьев звёздочки;
1.2 Определение потребной мощности и выбор электродвигателя Номинальный вращающий момент на валу И. М. найдём по формуле:
где
Расчёт эквивалентного вращающего момента производим следующим образом:
где t- общее время работы под нагрузкой.
Угловая скорость вращения вала И.М.:
где V- скорость цепи конвейера, м/с.
Общий КПД привода найдём как произведение КПД отдельных звеньев кинематической цепи:
где
Расчётная мощность электродвигателя в киловаттах определяется по зависимости:
Частота вращения вала И.М.:
Возможный диапазон общего передаточного числа кинематической схемы привода:
где
Твёрдость зубьев <HRC 56
Возможный диапазон асинхронной частоты вращения вала электродвигателя:
где
Выбираем электродвигатель по условиям:
где
Проверку выбранных двигателей на перегрузку производим по условию:
где
Общее передаточное число привода находим по формуле:
Проверяем 1-й двигатель:
Проверяем 2-й двигатель:
1.3 Разбивка общего передаточного числа редуктора по ступеням передач
Разбивку производим с использованием формул: где
где Точность разбивки общего передаточного числа проверяем условием:
При использовании 1-го двигателя:
С учётом стандартного ряда передаточных чисел имеем:
При использовании 2-го двигателя:
С учётом стандартного ряда передаточных чисел имеем:
Принимаем 2-й двигатель. Зарисовываем эскиз выбранного электродвигателя с указанием его основных характеристик.
Рисунок 1
1.4 Составление таблицы исходных данных Номинальная расчётная мощность электродвигателя:
Проводим проверку правильности расчётов с использованием примерных равенств:
2. Проектирование редуктора 2.1 Расчёт первой ступени редуктора. Предварительные расчёты 2.1.1 Номинальное значение вращающего момента на валу шестерни
2.1.2 Выбор материала для зубчатых колёс Марка стали шестерни: 40ХН; колеса: 40Х. Выбираем второй режим термообработки: шестерня – ТВЧ; колесо – У. 2.1.3 Допускаемые контактные напряжения определяем раздельно для шестерни и колеса по формуле:
В качестве допускаемого контактного напряжения передачи для косозубых передач принимаем:
при выполнении условия: где
где
где
где
При нагрузке на передачу, изменяющейся по ступенчатой циклограмме,:
где V- окружная скорость передачи, м/с. При проектировочном расчёте принимаем
2.1.4 Допускаемые напряжения изгиба зубьев определяем раздельно для шестерни и колеса по формуле:
где
При нагрузке на передачу, изменяющейся по ступенчатой циклограмме,:
Произведя аналогичные преобразования, что и в пункте 2.1.3, получим:
Для зубчатых колёс с однородной структурой материала, включая закалённые при нагреве ТВЧ со сквозной закалкой,
При проведении проектировочного расчёта принимаем
2.1.5 Допускаемое напряжение изгиба зубьев для расчёта на изгиб максимальной нагрузкой определяют раздельно для зубчатых колёс пары по формуле:
где Принимаем при
При вероятности неразрушения 0,99
2.1.6 Параметр
2.1.7 Выбираем угол наклона зуба
2.1.8 Определяем начальный диаметр шестерни по формуле, мм:
где
U- передаточное число передачи; U=4;
Для косозубых передач
2.1.9 Определяем ширину зубчатого венца и полученные значения округляем до ближайшего значения по ГОСТ 6636-69: колеса
шестерни
2.1.10 Ориентировочное значение модуля вычисляем по формуле:
где
2.1.11 Определяем число зубьев шестерни по формуле:
число зубьев колеса:
Расчёт геометрических и кинематических параметров передачи 2.1.12 Делительное межосевое расстояние, мм:
Принимаем 2.1.13 Угол наклона зуба:
где 2.1.14 Основной угол наклона зуба:
2.1.15 Делительный угол профиля в торцевом сечении:
2.1.16 Начальный диаметр, мм: шестерни
колеса
2.1.17 Делительный диаметр, мм: шестерни
колеса
2.1.18 Диаметр вершин зубьев, мм: шестерни
колеса
2.1.19 Диаметр впадин, мм: шестерни
колеса
2.1.20 Основной диаметр, мм: шестерни
колеса
2.1.21 Коэффициент торцевого перекрытия:
где 2.1.22 Коэффициент осевого перекрытия:
2.1.23 Суммарный коэффициент перекрытия:
2.1.24 Эквивалентное число зубьев: шестерни
колеса
2.1.25 Окружная скорость, м/с:
Проверочные расчёты передачи 2.1.26 Проверочный расчёт на контактную выносливость:
где Для стальных передач при
где
Для прямозубых и косозубых передач
где
Для косозубых передач:
при условии, что
Учтём коэффициенты
2.1.27 Расчёт на контактную прочность при действии максимальной нагрузки:
где
Для зубьев, подвергнутых цементации или контурной закалке:
Для зубчатых колёс, подвергнутых нормализации, улучшению или сквозной закалке с низким отпуском:
Где Для стали 40Х
2.1.28 Расчёт зубьев на выносливость при изгибе:
где
где
где
где СТ – степень точности передачи.
При
2.1 29 Расчёт на прочность при изгибе максимальной нагрузкой Прочность зубьев, необходимую для предотвращения остаточных деформаций, хрупкого излома или образования первичных трещин в поверхностном слое, определяют сопоставлением расчётного и допускаемого напряжений изгиба в опасном сечении при действии максимальной нагрузки:
где
2.1.30 Расчёт усилий зубчатого зацепления Окружное усилие, Н:
Радиальное усилие, Н:
Осевое усилие, Н:
2.2 Расчёт второй ступени редуктора. Предварительные расчёты 2.2.1 Номинальное значение вращающего момента на валу шестерни
2.2.2 Выбор материала для зубчатых колёс Марка стали шестерни: 40ХН; колеса: 40Х. Выбираем второй режим термообработки: шестерня – ТВЧ; колесо – У. 2.2.3 Допускаемые контактные напряжения:
При проектировочном расчёте принимаем 2.2.4 Допускаемые напряжения изгиба зубьев:
При нагрузке на передачу, изменяющейся по ступенчатой циклограмме,:
При проведении проектировочного расчёта принимаем
2.2.5 Допускаемое напряжение изгиба зубьев для расчёта на изгиб максимальной нагрузкой: Принимаем при При вероятности неразрушения 0,99
2.2.6 Проектировочный расчёт 2.2.7 Определяем начальный диаметр шестерни:
U=3,15; Для прямозубых передач
2.2.8 Определяем ширину зубчатого венца и полученные значения округляем до ближайшего значения по ГОСТ 6636-69: колеса шестерни 2.2.9 Ориентировочное значение модуля:
Для прямозубых передач
2.2.10 Число зубьев шестерни:
Расчёт геометрических и кинематических параметров передачи 2.2.11 Делительное межосевое расстояние, мм:
Принимаем 2.2.12 Угол наклона зуба:
2.2.13 Основной угол наклона зуба:
2.2.14 Делительный угол профиля в торцевом сечении:
2.2.15 Угол зацепления при выполнении передачи со смещением:
2.2.16 Коэффициент суммы смещений:
2.2.17 Начальный диаметр, мм: шестерни колеса 2.2.18 Коэффициент воспринимаемого смещения:
2.2.19 Коэффициент уравнительного смещения:
2.2.20 Делительный диаметр, мм: шестерни колеса 2.2.21 Диаметр вершин зубьев, мм: шестерни колеса 2.2.22 Диаметр впадин, мм: шестерни колеса 2.2.23 Основной диаметр, мм: шестерни колеса 2.2.24 Коэффициент торцевого перекрытия:
2.2.25 Коэффициент осевого перекрытия:
2.2.26 Суммарный коэффициент перекрытия:
2.2.27 Эквивалентное число зубьев: шестерни колеса 2.2.28 Окружная скорость:
Проверочные расчёты передачи 2.2.28 Проверочный расчёт на контактную выносливость: Для стальных передач при
При
Для прямозубых передач: Учтём коэффициенты
2.2.29 Расчёт на контактную прочность при действии максимальной нагрузки:
Для зубьев, подвергнутых цементации или контурной закалке:
Для зубчатых колёс, подвергнутых нормализации, улучшению или сквозной закалке с низким отпуском: 2.2.30 Расчёт зубьев на выносливость при изгибе:
где
При
2.2.31 Расчёт на прочность при изгибе максимальной нагрузкой
2.2.32 Расчёт усилий зубчатого зацепления
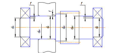
2.3 Расчёт валов редуктора 2.3.1 Проверка сечений валов Быстроходный вал
Рисунок 2
Эпюра изгибающего момента для вертикальной плоскости
Эпюра изгибающего момента для горизонтальной плоскости
Эпюра изгибающего момента для произвольной плоскости
Эпюра крутящего момента
Расчёт 1-го сечения
Расчёт 2-го сечения
Расчёт 3-го сечения
Расчёт 4-го сечения
Расчёт 5-го сечения
Промежуточный вал
Эпюра изгибающего момента для вертикальной плоскости
Рисунок 3 Эпюра изгибающего момента для горизонтальной плоскости
Эпюра крутящего момента
Расчёт 1-го сечения
Расчёт 2-го сечения
Расчёт 3-го сечения
Тихоходный вал
Эпюра изгибающего момента для вертикальной плоскости
Рисунок 4
Эпюра изгибающего момента для горизонтальной плоскости
Эпюра изгибающего момента для произвольной плоскости
Эпюра крутящего момента
Расчёт 1-го сечения
Расчёт 2-го сечения
Расчёт 3-го сечения
Расчёт 4-го сечения
2.3.2 Расчет валов редуктора на статическую прочность Проверку статической прочности выполняют в целях предупреждения пластических деформаций в период действия кратковременных перегрузок (например, при пуске, разгоне). Коэффициент перегрузки
где
А – площадь поперечного сечения, м
где
где Принимаем Быстроходный вал Расчёт 1-го сечения
Моменты сопротивления сечения вала с одним шпоночным пазом:
где b – ширина шпонки, h – высота шпонки.
Расчёт 2-го сечения
Моменты сопротивления сечения вала:
Расчёт 3-го сечения
Расчёт 4-го сечения
Моменты сопротивления вала-шестерни в сечении по зубьям:
где J – момент инерции,
где Х=0, Z=25 (эквивалентное число зубьев), d – диаметр делительной окружности, м. d=0,044 м.
Расчёт 5-го сечения
Промежуточный вал Расчёт 1-го сечения
Расчёт 2-го сечения
Х=0,29, Z=21, d=0,0735 мм.
Расчёт 3-го сечения
Тихоходный вал Расчёт 1-го сечения
Расчёт 2-го сечения
Расчёт 3-го сечения
Расчёт 4-го сечения
2.3.3 Расчёт тихоходного вала на сопротивление усталости Для каждого из установленных опасных сечений вычисляем коэффициент запаса прочности:
где
где
В расчёте валов принимаем, что нормальные напряжения изменяются по симметричному циклу:
Напряжения в опасных сечениях вычисляем по формулам:
где (
Пределы выносливости вала в рассматриваемом сечении:
где
где Коэффициент влияния асимметрии цикла для рассматриваемого сечения вала
где Для 1-го сечения
Для 2-го сечения
Для 3- го сечения
Для 4- го сечения
2.3.4 Расчет тихоходного вала на жесткость Определение прогиба тихоходного вала в зубчатом зацеплении. Для валов зубчатых передач стрела прогиба под колесом:
Приведем вал к эквивалентному валу с постоянным сечением по формуле:
где
Для расчета прогиба воспользуемся интегралом Мора (см.[9], стр.199):
где
E – модуль Юнга (для стали
В точке, где нам необходимо найти прогиб, прикладываем единичную нагрузку и составляем уравнения моментов от этой нагрузки. Рисунок 5 Уравнение изгибающего момента для вертикальной плоскости:
Уравнение изгибающего момента для горизонтальной плоскости:
Уравнение изгибающего момента для произвольной плоскости
Используя уравнения изгибающих моментов от реальной нагрузки, полученные в пункте 2.3.1, найдём прогиб для каждой из указанных плоскостей. Расчёт прогиба для вертикальной плоскости:
Расчёт прогиба для горизонтальной плоскости:
Расчёт прогиба для произвольной плоскости:
Суммарный прогиб найдём по формуле:
Определение углового перемещения тихоходного вала в зубчатом зацеплении Допускаемое угловое перемещение вала в опорах: для однорядных шарикоподшипников Дважды проинтегрируем по длине вала уравнения изгибающих моментов от реальной нагрузки, полученные в пункте 2.3.1. Расчёт углового перемещения вала для вертикальной плоскости:
Начальные условия:
Для опоры A:
Для опоры B:
Расчёт углового перемещения вала для горизонтальной плоскости:
Начальные условия:
Для опоры A:
Для опоры B:
Расчёт углового перемещения вала для произвольной плоскости:
Начальные условия:
Для опоры A:
Для опоры B:
Суммарное угловое перемещение найдём по формуле:
Для опоры А:
Для опоры B:
Все условия выполняются. Вал проходит по расчёту на жёсткость. 2.4 Расчет подшипников редуктора Тихоходный вал. Расчет на статическую грузоподъемность. Шариковые радиальные однорядные подшипники легкой серии, обозначение 211. Базовая статическая радиальная грузоподъемность
где
Расчет на заданный ресурс. Исходные данные:
d - диаметр посадочной поверхности, d=55
X, Y – коэффициенты радиальной и осевой нагрузок. Эквивалентная динамическая нагрузка:
где V – коэффициент вращения кольца, V=1 при вращении внутреннего кольца;
Для подшипников, работающих при переменных режимах нагружения, вычисляют эквивалентную радиальную где
Определение скорректированного по уровню надежности и условиям применения расчетного ресурса подшипника, ч:
где С – базовая динамическая грузоподъемность, Н;
Р – эквивалентная динамическая нагрузка, Н; k – показатель степени, k=3 для шариковых подшипников; n – частота вращения кольца,
181148>7227, ресурс подшипника больше необходимого. Промежуточный вал Расчет на статическую грузоподъемность
Расчет на заданный ресурс. Исходные данные:
Эквивалентная динамическая нагрузка:
Эквивалентная радиальная динамическая нагрузка:
Определение расчетного ресурса подшипника:
Быстроходный вал Расчет на статическую грузоподъемность Шариковые радиальные однорядные подшипники легкой серии, обозначение 207. Базовая статическая радиальная грузоподъемность
Расчет на заданный ресурс. Исходные данные:
Эквивалентная динамическая нагрузка: V=1;
Эквивалентная радиальная динамическая нагрузка:
Определение расчетного ресурса подшипника:
2.5 Расчет шпоночных соединений Шпонки проверяют на смятие.
где
Для неподвижных соединений допускают: при переходной посадке и стальной ступице при посадке с натягом и стальной ступице
Рисунок 6
где Т – крутящий момент на валу, Нм; d – диаметр ступицы, м;
Промежуточный вал. Т=65,977 Н∙м; d=0,038 м;
Тихоходный вал. Проверяем шпонку на участке вала диаметром d=0,045 (м). Т=403,245 Н∙м;
Проверяем шпонку на участке вала диаметром d=0,064 (м). Т=403,245 Н∙м;
Быстроходный вал. Т=34,694 Н∙м;
Шпонки подходят. 3. Эскизное проектирование При эскизном проектировании определяют расположение деталей передач, расстояния между ними, ориентировочные диаметры ступеней валов, выбирают типы подшипников и схемы их установки. 3.1 Проектные расчёты валов Определение предварительных значений диаметров различных участков валов. Быстроходный вал:
Рисунок 7
где ТБ – номинальный момент на быстроходном валу,
Вследствие необходимости согласования с валом электродвигателя принимаем d=32 мм,
принимаем
принимаем Промежуточный вал:
Рисунок 8
где
Тихоходный вал: Рисунок 9
где
3.2 Определение расстояние между деталями передач Чтобы поверхности вращающихся колес не задевали за внутренние поверхности стенок корпуса, между ними оставляют зазор «
где L – расстояние между внешними поверхностями деталей передач, мм.
Рисунок 10 Расстояние между торцовыми поверхностями колес двухступенчатого редуктора, выполненного по развернутой схеме, принимают
3.3 Выбор типа и схемы установки подшипников Для опор валов цилиндрических прямозубых и косозубых колес редукторов применяют чаще всего шариковые радиальные подшипники. Первоначально назначают подшипники легкой серии. Для опор плавающих валов шевронных передач принимают радиальные подшипники с короткими цилиндрическими роликами, первоначально также легкой серии. Обычно используют подшипники класса точности 0. Применение подшипников более высоких классов точности повышает стоимость изделия. Выбираем: для тихоходного вала – подшипники 211; для промежуточного вала – подшипники 2207; для быстроходного вала – подшипники 207. В большинстве случаев валы должны быть зафиксированы в опорах от осевых перемещений. По способности фиксировать осевое положение вала опоры разделяют на фиксирующие и плавающие. Используя рекомендации выбираем для тихоходного и быстроходного валов схему фиксации «враспор». Промежуточный вал делаем плавающим.
Рисунок 11 Определение толщины стенки корпуса. Для редукторов толщину стенки, отвечающую требованиям технологии литья, необходимой прочности и жесткости корпуса, вычисляют по формуле:
где Т – вращающий момент на тихоходном валу,
Определение диаметра болтов для крепления крышки к корпусу редуктора. Диаметр в (мм) винтов крепления крышки принимают в зависимости от вращающего момента Т (
Определение диаметра штифтов. При сборке редуктора нужно точно фиксировать положение крышки относительно корпуса. Необходимую точность фиксирования достигают штифтами, которые располагают на возможно большем расстоянии друг от друга. Диаметр штифтов:
где в – диаметр крепежного винта.
Определение диаметра болтов для крепежа редуктора к фундаменту. Диаметр болтов для крепежа редуктора к фундаменту
где в – диаметр крепежного винта.
Диаметр отверстия под болт крепления к плите: 4. Выбор посадок Посадки подшипников ([5], с. 113). Различают три типа нагружения колец подшипников: циркуляционное, местное и колебательное нагружения. В зависимости от вида нагружения, типа подшипника и режима работы выбирают посадку подшипника.
Посадки зубчатых колес ([5], с. 78). По рекомендациям для колес, момент которым передается шпоночным соединением, принимаем: для колеса поз.9 – Н7/p6; для колёс поз. 10, 11 – Н7/r6. Для облегчения сборки предусматриваем направляющие цилиндрические участки валов с полем допуска d11 в местах установки колёс с натягом. Посадки колец выбираем по рекомендациям. (см.[5], с.163) 5. Выполнение рабочих чертежей деталей При обработке деталей возникают погрешности не только линейных размеров, но и геометрической формы, а также погрешности в относительном расположении осей, поверхностей и конструктивных элементов деталей. Это может вызывать вибрации, динамические нагрузки, шум. Рабочий чертёж вала-шестерни (поз.4) На чертеже вала задают необходимые требования точности изготовления отдельных его элементов. 1) Допуск цилиндричности посадочных поверхностей для подшипников качения задают, чтобы ограничить отклонения геометрической формы дорожек качения колец подшипников. Допуск цилиндричности посадочных поверхностей валов в местах установки на них с натягом зубчатых колес задают, чтобы ограничить концентрацию давлений. 2) Допуск соосности посадочных поверхностей для подшипников качения относительно их общей оси задают, чтобы ограничить перекос колец подшипников качения.
3) Допуск соосности посадочной поверхности для зубчатого колеса задают, чтобы обеспечить нормы кинематической точности и нормы контакта зубчатой передачи.
4) Допуск перпендикулярности базового торца вала назначают, чтобы уменьшить перекос колец подшипников и искажение геометрической формы дорожки качения внутреннего кольца подшипника. 5) Допуск перпендикулярности базового торца вала для зубчатого колеса не назначаем, т.к. не выполняется условие l=28,5 (мм); d=38 (мм); 6) Допуски симметричности и параллельности шпоночного паза задают для обеспечения возможности сборки вала с устанавливаемой на нем деталью и равномерного контакта поверхностей шпонки и вала. Допуск шпоночного паза призматической шпонки - Р9. Рабочий чертёж зубчатого колеса (поз. 10) Допуск цилиндричности посадочной поверхности назначают, чтобы ограничить концентрацию контактных давлений.
Допуск перпендикулярности торца ступицы задают, чтобы создать точную базу для подшипника качения уменьшить перекос колец подшипников и искажение геометрической формы дорожки качения внутреннего кольца. На глубину шпоночного паза задают предельные отклонения в зависимости от сечения шпонки. От 6×6 до 32×18: +0,2 мм. На ширину шпоночного паза отверстия для призматической шпонки при неподвижном соединении нереверсивной передачи задается поле допуска Js9. Рабочий чертёж крышки (поз. 21) Допуск параллельности торцов задают, если по торцу крышки базируют подшипник качения. Допуск назначают, чтобы ограничить перекос колец подшипников. По рекомендациям выбираем посадки размера В и диаметра D. (см. [5], с.150) Для всех деталей по рекомендациям выбираем шероховатости поверхностей в зависимости от их назначения. (см. [5], с.348) 6. Выбор смазки Для смазывания передач широко применяют картерную смазку. Преимущественное применение имеют масла. Причем чем выше окружная скорость колеса, тем меньше должна быть вязкость масла и чем выше контактные давления в зацеплении, тем большей вязкостью должно обладать масло. Поэтому требуемую вязкость масла определяют в зависимости от контактного напряжения и окружной скорости колес. По таблице выбираем масло марки И-Г-А-32 с кинематической вязкостью 29…35 Допустимые уровни погружения колес цилиндрического редуктора в масляную ванну вычисляем по формуле:
где m – модуль зацепления, m=2,5 (мм);
Погружаем в масло колеса обеих ступеней.
принимаем Рисунок 12 Заключение В целом, данный редуктор представляет собой неплохую конструкцию, имеющую достаточный запас прочности, высокую жёсткость корпуса и удовлетворяющую современным требованиям технической эстетики. Но возможно внесение некоторых изменений: 1. крышку люка можно заменить составной крышкой – отдушиной; 2. пробку для маслосливного отверстия с цилиндрической резьбой можно заменить на пробку с конической резьбой; 3. если редуктор будет расположен достаточно высоко над уровнем пола, то жезловый маслоуказатель можно заменить на круглый; Литература 1. Анурьев В.И. Справочник конструктора- машиностроителя. В 3-х т. Т.1.- 5-е изд., перераб. и доп.- М.: Машиностроение, 1978.-728 с., ил. 2. Анурьев В.И. Справочник конструктора- машиностроителя. В 3-х т. Т.2.- 5-е изд., перераб. и доп.- М.: Машиностроение, 1980.- 559 с., ил. 3. Анурьев В.И. Справочник конструктора- машиностроителя. В 3-х т. Т.3.- 5-е изд., перераб. и доп.- М.: Машиностроение, 1980.- 557 с., ил. 4. Добровольский В.П. Расчёт цилиндрических зубчатых передач внешнего зацепления: Методические указания.- Омск, 1994.- 22 с., ил. 5. Дунаев П.Ф., Леликов О. П. Конструирование узлов и деталей машин: Учебное пособие для техн. спец. Вузов.- 7-е изд., испр.- М.: Высш. шк., 2001.- 447 с.: ил. 6. Дунаев П. Ф., Леликов О. П., Варламова Л. П. Допуски и посадки. Обоснование выбора: Учебное пособие для студентов машиностроительных вузов.- М.: Высш. шк., 1984.-112 с., ил. 7. Иванов М.Н. Детали машин: Учеб. для студентов втузов/Под ред. В.А. Финогенова. – 6-е изд., перераб. – М.: Высш. шк., 2000.- 383 с.: ил. 8. Мехаев М.Б. Предварительный расчёт привода: Методические указания к курсовому проекту по деталям машин.- Омск, 1999.- 32 с., ил. 9. Феодосьев В.И. Сопротивление материалов: Учебник для втузов – 9-е изд., перераб. – М.: Наука. Гл. ред. физ.-мат. лит. 1986. – 512 с.
|


, 
,
.

. 





при
при
.


. 

, 
, 
,
;
при
,
, 

.


, 































,
(мм)











.
(ч).
(ч).





