Курсовая работа: Привод пластинчатого конвейера Кинематическая схема
|
Название: Привод пластинчатого конвейера Кинематическая схема Раздел: Промышленность, производство Тип: курсовая работа | |||||||||||||||||||||||||||||||||||||||||||||||||||||||||||||||||||||||||||||||||||
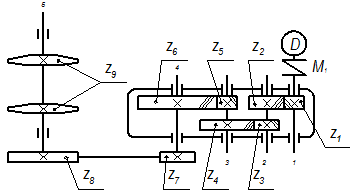
Московский Государственный Технический Университет имени Н. Э. Баумана Калужский филиал Факультет : Конструкторско-механический (КМК) Кафедра: «Деталей машин и подъёмно-транспортного оборудования» (К3-КФ) Расчётно-пояснительная записка к курсовому проекту по дисциплине: Детали машин на тему: Привод пластинчатого конвейера вариант: 38.02 Калуга 2008 г. Содержание 1. Кинематическая схема механизма 2. Выбор электродвигателя 3. Определение общего передаточного числа привода и разбивка его по ступеням 4. Определение мощности, крутящего момента и частоты вращения каждого вала привода 5. Определение допускаемых напряжений для расчета косозубой цилиндрической передачи редуктора. 6. Определение основных параметров закрытой косозубой цилиндрической передачи 7. Расчет валов 8. Размеры конструктивных элементов косозубых колёс . 9. Расчёт цепной передачи. . 10. Выбор и проверка подшипников качения по динамической грузоподъёмности 11. Проверочный расчёт наиболее нагруженного вала на усталостную прочность и жесткость 12. Проверочный расчёт вала по перегрузкам 13. Проверочный расчёт вала на жёсткость. 14. Выбор и расчет шпоночных соединений Литература 1. Кинематическая схема механизма
2. Выбор электродвигателя Расчет КПД привода:
Где
Определение требуемой мощности электродвигателя:
Частота вращения приводного вала:
определение передаточного числа:
Принимаем
Принимаем Выбираем двигатель АИР100SА4
3. Определение общего передаточного числа привода и разбивка его по ступеням
По табл. 2.3
4. Определение мощности, крутящего момента и частоты вращения каждого вала привода Определим мощности:
Определим частоту вращения:
Определим крутящие моменты:
Сводная таблица
5. Определение допускаемых напряжений для расчета косозубой цилиндрической передачи редуктора Быстроходная ступень Исходные данные Материалы и термическая обработка: Шестерня Z1 Колесо Z2 Сталь 35ХМ, улучшение и закалка ТВЧ Сталь 35ХМ, улучшение сквозная с охватом впадин
Передаточное число Режим нагружения 3 Решение Коэффициент приведения для расчетов на контактную выносливость:
на изгибную выносливость:
Числа циклов выносливости для расчетов на контактную выносливость:
на изгибную выносливость:
Суммарное время работы передачи:
Суммарное число циклов перемены напряжений:
Эквивалентное число циклов перемены напряжений для расчёта на контактную выносливость:
на изгибную выносливость:
Предельные допускаемые напряжения для расчётов на прочность при действии пиковых нагрузок на контактную прочность:
на изгибную прочность:
Допускаемые напряжения для расчёта на контактную выносливость:
Так как разница твердостей
Принимаем меньшее значение Допускаемые напряжения для расчёта на изгибную выносливость:
Промежуточная ступень Исходные данные Материалы и термическая обработка: Шестерня Z3 Колесо Z4 Сталь 35ХМ, улучшение и закалка ТВЧ Сталь 35ХМ, улучшение сквозная с охватом впадин
Передаточное число Режим нагружения 3 Решение Коэффициент приведения для расчетов на контактную выносливость:
на изгибную выносливость:
Числа циклов на контактную выносливость:
на изгибную выносливость:
Суммарное время работы передачи:
Суммарное число циклов перемены напряжений:
Эквивалентное число циклов перемены напряжений для расчёта на контактную выносливость:
на изгибную выносливость:
Предельные допускаемые напряжения для расчётов на прочность при действии пиковых нагрузок на контактную прочность:
на изгибную прочность:
Допускаемые напряжения для расчёта на контактную выносливость:
Так как разница твердостей
Принимаем меньшее значение Допускаемые напряжения для расчёта на изгибную выносливость:
Тихоходная ступень Исходные данные Материалы и термическая обработка: Шестерня Z5 Колесо Z6 Сталь 35ХМ, улучшение и закалка ТВЧ Сталь 35ХМ, улучшение сквозная с охватом впадин
Передаточное число Режим нагружения 3 Решение Коэффициент приведения для расчетов на контактную выносливость:
на изгибную выносливость:
Числа циклов на контактную выносливость:
на изгибную выносливость:
Суммарное время работы передачи:
Суммарное число циклов перемены напряжений:
Эквивалентное число циклов перемены напряжений для расчёта на контактную выносливость:
на изгибную выносливость:
Предельные допускаемые напряжения для расчётов на прочность при действии пиковых нагрузок на контактную прочность:
на изгибную прочность:
Допускаемые напряжения для расчёта на контактную выносливость:
Так как разница твердостей
Принимаем меньшее значение Допускаемые напряжения для расчёта на изгибную выносливость:
6. Определение основных параметров закрытой косозубой цилиндрической передачи Быстроходная ступень
Типовой режим нагружения 3 Расчетный ресурс:
Предварительное значение межосевого расстояния:
Рекомендуемая степень точности – 8 (табл.5.5)
Рабочая ширина венца колеса:
Рабочая ширина шестерни:
Модуль передачи:
Принимаем Промежуточная ступень
Типовой режим нагружения 3 Расчетный ресурс:
Предварительное значение межосевого расстояния:
Рекомендуемая степень точности – 8 (табл.5.5)
Рабочая ширина венца колеса:
Рабочая ширина шестерни:
Модуль передачи:
Принимаем Тихоходная ступень
Типовой режим нагружения 3 Расчетный ресурс:
Предварительное значение межосевого расстояния:
Рекомендуемая степень точности – 8 (табл.5.5)
Рабочая ширина венца колеса:
Рабочая ширина шестерни:
Модуль передачи:
Принимаем Исходя из конструктивных особенностей редуктора, принимаем:
Быстроходная ступень: Рабочая ширина венца колеса:
Рабочая ширина шестерни:
Модуль передачи:
Принимаем Промежуточная ступень Рабочая ширина венца колеса:
Рабочая ширина шестерни:
Модуль передачи:
Принимаем Тихоходная ступень Рабочая ширина венца колеса:
Рабочая ширина шестерни:
Модуль передачи:
Принимаем Диаметры делительных окружностей d :
Суммарное число зубьев и угол наклона зуба: Быстроходная ступень:
Промежуточная ступень
Тихоходная ступень
Окончательные диаметры делительных окружностей d :
Диаметры окружностей вершин da и впадин зубьев df :
Расстояния между деталями передач:
7. Расчет валов Быстроходный I
Промежуточный II
Промежуточный III
Тихоходный IV
8. Размеры конструктивных элементов косозубых колёс Быстроходная ступень:
Промежуточная ступень
Тихоходная ступень
9. Расчёт цепной передачи Исходные данные:
Назначим однорядную роликовую цепь типа ПР. Предварительное значение шага цепи
Ближайшие значения шагов по стандарту: Р=38,1 мм; значение А=394,3 мм2 ; Р=31,75 мм; значение А=262 мм2 ; Выбираем ПР-38,1-12700 А=394,3 мм2 . Назначение основных параметров: а) число зубьев ведущей звёздочки:
б) межосевое расстояние:
Определение давления в шарнире:
Окружная сила, передаваемая цепью:
Давление в шарнире однорядной цепи:
Выбранная цепь ПР-38,1-12700 подходит. Её параметры: шаг Число зубьев ведомой звёздочки
Частота вращения ведомой звездочки:
Делительный диаметр ведущей звездочки:
Диаметр окружности выступов ведущей звездочки:
Делительный диаметр ведомой звездочки:
Диаметр окружности выступов ведомой звездочки:
Диаметр обода ведущей звездочки:
Диаметр обода ведомой звездочки:
Ширина зуба звездочки:
Межосевое расстояние:
Потребное число звеньев цепи:
Принимаем W=135 Уточненное межосевое расстояние:
Полученное значение
Окончательное значение межосевого расстояния:
Нагрузка на валы звездочек:
10. Выбор и проверка подшипников качения по динамической грузоподъёмности Для тихоходного вала №4 редуктора выберем роликоподшипники конические однорядные легкой серии Для него имеем:
Требуемый ресурс работы
Определяем консольную нагрузку на вал отцепной передачи:
Определим реакции опор подшипников:
Определим реакции опор в вертикальной плоскости. 1. Отсюда находим, что 2. Получаем, что Выполним проверку:
Следовательно вертикальные реакции найдены верно. Определим реакции опор в горизонтальной плоскости. 3. 4. Проверим правильность нахождения горизонтальных реакций:
Судя по реакциям опор наиболее нагруженной точкой будет являться точка А. Суммарная реакция опор для точки А
Определяем эквивалентную нагрузку для опоры:
Следовательно, X = 1, Y = 0. Определяем эквивалентную радиальную динамическую нагрузку
Рассчитаем ресурс принятых подшипников,
11. Проверочный расчёт наиболее нагруженного вала на усталостную прочность и жёсткость Проведём расчёт тихоходного вала.
По эпюрам видно что самое опасное сечение в точке В. Суммарный изгибающий момент равен:
Нормальные напряжения изменяется по симметричному циклу, а касательные по пульсирующему. Для симметричного цикла амплитуду нормальных напряжений можно найти по формуле:
где М – изгибающий момент, W – момент сопротивления изгибу для данного опасного сечения равен:
Для определения касательных напряжений воспользуемся формулой:
где Т- крутящий момент, а
Амплитуда нормальных напряжений изгиба:
Среднее напряжение Амплитуда и среднее напряжение цикла касательных напряжений в опасном сечении:
Коэффициент запаса прочности по нормальным и касательным напряжениям
Где Коэффициенты чувствительности к асимметрии цикла примем равными: Коэффициент влияния поверхностного упрочнения, для закалки в ТВЧ По таблицам приложения выбираем:
Общий коэффициент усталостной прочности:
А допустимое значение для S=1.5..2.5 . Можно сделать вывод, что запас прочности вала позволяет нормально работать валу при данных нагрузках. 12. Проверочный расчёт вала по перегрузкам Проверим статическую прочность при перегрузках, определим её по формуле:
При
Эквивалентное напряжение в опасном сечение:
13. Проверочный расчёт вала на жёсткость По условиям работы зубчатого зацепления опасным является прогиб вала под шестерней. Учитывая, что диаметр вала тихоходного колеса, намного больше требуемого, из-за конструктивных особенностей редуктора, и запас прочности также превосходит требуемое значение, то расчёт вала на жёсткость проводить нецелесообразно. 14. Выбор и расчёт шпоночных соединений Расчёт шпоночных соединений заключается в проверке условия прочности материала шпонки на смятие. 1. Соединение быстроходного вала с муфтой. Имеем:
Условие прочности:
2. Соединение промежуточного вала с зубчатым колесом. Имеем: Определяем рабочую длину шпонки :
Условие прочности:
3. Соединение промежуточного вала с зубчатым колесом. Имеем: Определяем рабочую длину шпонки :
Условие прочности:
4. Соединение тихоходного вала и звездочки. Имеем: Определяем рабочую длину шпонки :
Условие прочности:
1. П.Ф. Дунаев, О.П. Леликов, “Конструирование узлов и деталей машин”, Москва, “Высшая школа”, 1985 г. 2. Д.Н. Решетов, “Детали машин”, Москва, “Машиностроение”, 1989 г. 3. Р.И. Гжиров, “Краткий справочник конструктора”, “Машиностроение”, Ленинград, 1983 г. 4. Атлас конструкций “Детали машин”, Москва, “Машиностроение”, 1980 г. 5. Л.Я. Перель, А.А. Филатов, справочник “Подшипники качения”, Москва, “Машиностроение”, 1992 г. 6. А.В. Буланже, Н.В. Палочкина, Л.Д. Часовников, методические указания по расчёту зубчатых передач редукторов и коробок скоростей по курсу “Детали машин”, часть 1, Москва, МГТУ им. Н.Э. Баумана, 1980 г. 7. В.Н. Иванов, В.С. Баринова, “Выбор и расчёты подшипников качения”, методические указания по курсовому проектированию, Москва, МГТУ им. Н.Э. Баумана, 1981 г. |
|||||||||||||||||||||||||||||||||||||||||||||||||||||||||||||||||||||||||||||||||||
; 


→











; 






































































миллионов оборотов, или

; 
; 