Реферат: Анализ перекрестка улиц Болейко и проспект Победы, г Челябинск
|
Название: Анализ перекрестка улиц Болейко и проспект Победы, г Челябинск Раздел: Рефераты по транспорту Тип: реферат | |||||||||||||||||||||||||||||||||||||||||||||||||||||||||||||||||||||||||||||||||||||||||||||||||||
Содержание. 2. Место расположения перекрестка. 7 3. Характеристика проезжей части. 8 4. Определение интенсивности движения. 10 5. Анализ конфликтных точек. 14 6. Структура светофорного цикла. 18 Обеспечение и поддержание безопасности дорожного движения на автомобильных дорогах нашей страны является очень важной задачей. Особого внимания требуют перекрестки дорог, ведь именно на них происходит очень большое число дорожно-транспортных происшествий (ДТП). Для уменьшения количества ДТП следует выявить их причины, одной из которых может быть неправильная организация движения на перекрестке. Основным способом исследования движения на перекрестке является визуальное наблюдение. В свою очередь визуальное наблюдение может производится несколькими способами. Наиболее простой способ – с помощью наблюдателей. Второй способ – с применением автоматического оборудования. Самый распространенный набор – видеокамеры, датчики скорости и компьютерная база, обрабатывающая результаты. Второй способ наиболее предпочтительнее, так как наиболее выгоден экономически (требуются затраты лишь на разовую установку оборудования и довольно маленькие расходы на поддержание работоспособности оборудование). Сейчас наблюдается тенденция к оборудованию перекрестков Челябинска подобным оборудованием. Что позволяет выбрать наиболее удобную схему разъезда ТС на перекрестке.
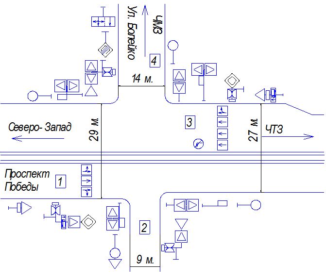
Светофоры: 1 – транспортный светофор для направления 1. 2 – дублирующий транспортный светофор для направления 1. 4 – транспортный светофор для направления 3. 3 – дублирующий транспортный светофор для направления 3 5 – транспортный светофор для направления 2. 6 – дублирующий транспортный светофор для направления 2. 7 – транспортный светофор для направления 4. 8 – дублирующий транспортный светофор для направления 4. 9, 10, 13, 14 – пешеходные светофоры для направлений 2 и 4. 11, 12, 15, 16 – пешеходные светофоры для направлений 1 и 3. Дорожные знаки: 17, 18 – знак 2.4 - «уступите дорогу». Знаки установлены в направлениях 2 и 4. 19, 20 – знак 2.1 – «главная дорога». Знаки установлены в направлениях 1 и 3. 21 – знак 2.2 – «конец главной дороги». Знак установлен в направлении 4. 22, 23, 24, 25, 26, 27, 28, 29 – знак 5.19.1 – «пешеходный переход». Знаки установлены во всех направлениях. 30, 31, 32, 33, 34, 35, 36, 37 – знак 5.19.2 – «пешеходный переход». Знаки установлены во всех направлениях. 38 – знак 3.18.2 – «поворот налево запрещен». Знак установлен в направлении 3. 39, 40, 41, 42 – знак - 3.4 – «движение грузовых автомобилей запрещено. Знак установлен в каждом напралении. Для направлений 1,3 и 4 введено ограничение по максимальной массе грузового автомобиля – 8т. 43, 44, 45 – знак – 1.23 – «дети». Знак установлен перед перекрестком в направлениях 1, 3 и 4. 46, 47, 48 – знаки 5.15.2 – «направления движения по полосе». Знаки установлены в направлениях 1 и 3. 49, 50 – знак 8.2.1 – «зона действия». Знак установлен в направлениях 1 и 3. 51,52 – знак 6.15.1 – «Направление движения для грузовых автомобилей». Установлен для направлений 1 и 3. 2. Место расположения перекрестка В данном семестровом задании рассматривается организация движения на пересечении улицы Болейко и проспекта Победы. Перекресток расположен в центральной части Калининского района города Челябинска. Примем направление движений на перекрестке: 1–е направление – пр. Победы, в сторону ЧТЗ; 2–е направление – Болейко, выезд из дворов; 3–е направление – пр. Победы, в сторону Курчатовского района; 4–е направление – Болейко, во дворы. В данной работе подробно рассмотрено 2-е направление движения. На этом направлении было подсчитано количество автомобилей, выезжающих на перекресток, проведен анализ конфликтных точек, рассмотрены фазы работы светофора регулирующего движение автомобилей и пешеходов, рассмотрена реальная ситуация, сложившаяся в данном направлении. Реальная ситуация, складывающаяся на рассматриваемом направлении, в целом удовлетворяет требованиям правил дорожного движения, регламентирующих проезд регулируемого светофора. Однако выявлено следующее распространенное нарушение – при подъезде к перекрестку и последующем ожидании зеленого сигнала светофора водители останавливают автомобиль в зоне действия знака 5.19.1 – «Пешеходный переход», что приводит к затрудненному пересечению проезжей части пешеходами, следующими на разрешающий сигнал светофора. 3. Характеристика проезжей части Перекресток улицы Болейко и Проспекта Победы является регулируемым. Проспект Победы, согласно дорожным знакам является главной дорогой, об этом предупреждает знак 2.1 «главная дорога», расположенный с обеих сторон перекрестка. В направлениях 2 и 4 установлены знаки приоритета 2.4 «Уступите дорогу», также в направлении 4 также присутствует знак 2.2 «Конец главной дороги». На исследуемом перекрестке расположены 4 пешеходных перехода, обозначенные знаками 5.19.1 и 5.19.2 «Пешеходный переход». На въезде во дворы (ул. Болейко) и направлениях 1 и 3 установлен предупреждающий знак 1.23 «Дети». На перекрестке также установлены запрещающие знаки. В направлениях 2 и 4 установлен знак 3.4 «Движение грузовых автомобилей запрещено». В направлениях 3 и 1 установлен аналогичный знак с ограничением максимально допустимой массы – 8 тонн. По направлению 3 установлен знак 3.18.2 «Поворот налево запрещен». На Проспекте Победы в обоих направлениях, а также в направлении 4 установлены знаки особых предписаний: 5.15.1 "Направления движения по полосам". В направлении 3 установлен информационный знак 6.15.1 «Направление движения для грузовых автомобилей». Возможные конфликты, возникающие на направлении 2. Рассмотрим максимальное количество конфликтов, возникающих в случае когда перекресток становится нерегулируемым. При повороте направо сначала происходит отклонение от потока автомобилей, продолжающих прямолинейное движение и совершающих поворот налево. Двукратное слияние с потоком автомобилей, двигающихся прямолинейно в направлении 1. Пересечение пешеходных переходов расположенных в направлениях 1-3 и 2-4. При прямолинейном движении происходит двукратное пересечение пешеходных переходов в направлении 2-4. Семикратное пересечение потоков, движущихся прямо в направлении 1-3. Двукратное пересечение трамвайных путей, расположенных в направлении 1-3. Происходит отклонение потока автомобилей, совершающих левый поворот на направление 1-3. происходит слияние с потоком, поворачивающих налево с направления 1. При повороте налево происходит пересечение 2-х пешеходных переходов, расположенных в направлениях 1-3 и 2-4. Трехкратное пересечение потоков автомобилей, движущихся прямо с направления 1. Слияние с потоком, движущимся прямо с направления 3 по крайней левой полосе. Двойное пересечение трамвайных путей, расположенных в направлении 1-3. Двойное пересечение потоков автомобилей движущихся прямолинейно и поворачивающих налево с направления 4. 4. Определение интенсивности движения Для определения интенсивности движения на перекрестке был следующим образом: Сначала был произведен подсчет транспортных средств за 15 минут в за 3 различных дня. Затем из этих показателей было получено среднее значение количества автомобилей, проехавших перекресток. Чтобы учесть в фактическом составе транспортного потока влияние размеров различных ТС на загрузку дороги применяют коэффициент приведения (Кпр ). С помощью Кпр можно получить показатель интенсивности движения в условных приведенных единицах.
где Ni – интенсивность движения автомобилей данного типа, Кпрi – коэффициент приведения данной группы, n – число типов автомобилей. Расчет интенсивности движения для направления 2 в простых и приведенных единицах приведен в таблице 1. Таблица 1 – интенсивность движения по направлениям
Результаты расчета интенсивности движения в условных приведенных единицах для всех направлений приведены в таблице 2. Таблица 2 – Интенсивность движения ТС по направлениям
Интенсивность потоков представлена в виде картограммы на рисунке 2.
Рисунок 2 – Картограмма интенсивности. Исследование ДТП показали, что наибольшее их число происходит в конфликтных точках, то есть месте где в одном уровне пересекаются траектории движения ТС или ТС и пешеходов, а также места отклонения или слияния транспортных потоков. Возможность оценивать потенциальную опасность тех или иных участков дорожной сети рассчитывается по числу конфликтных точек.
где n О – количество точек отклонения, n С – количество точек слияния, n П – количество точек пересечения. На рисунках 3, 4 и 5 показаны расположения конфликтных точек при зеленом сигнале светофора для направлений 1-3, для напралений 2-4 и при неработающем светофоре.
Рисунок 3 – конфликтные точки при зеленом сигнале светофоре для направлений 1-3 Степень опасности на 1 и 3 направлениях:
Зеленый сигнал светофора для направлений 2 – 4.
Рисунок 4 – конфликтные точки при зеленом сигнале светофоре для направлений 2-4 Степень опасности на 2 и 4 направлениях:
Судя по степени опасности при пофазном разъезде можно сказать, что при зеленом сигнале светофора в любом направлении перекресток имеет среднюю сложность (m =40…80)
Степень опасности для нерегулируемого перекрестка:
Так как степень опасности m > 150, то перекрёсток считается очень сложным. 6. Структура светофорного цикла В рассматриваемом направлении установлены пешеходные и транспортные светофоры. Работают они в следующем режиме. Транспортные светофоры. Разрешающий сигнал для направления 2 включается одновременно на 2-х светофорах – основном и дублирующем. Также включается и дублируется разрешающий сигнал для направления 4. Так как на рассматриваемом направлении отсутствуют дополнительные секции, то движение разрешается в любом направлении. Разрешающий сигнал для направления 2-4 включен на протяжении 27 секунд. Затем включается желтый сигнал светофора, продолжительностью 3 секунды. После него включается запрещающий сигнал светофора. Время работы сигнала – 46 секунд. Далее на 3 секунды включаются красный и желтый сигнал светофоров. После этого – опять зеленый. Цикл замкнулся. Итого суммарное время цикла – 79 секунд. Пешеходные светофоры. Разрешающий сигнал включается одновременно с разрешающим сигналом транспортного направления. Горит на протяжении 27 секунд. После включается запрещающий сигнал, одновременно с желтым сигналом транспортного светофора. Время работы запрещающего сигнала – 49 секунд. Так же пешеходные светофоры оборудованы счетчиком времени, который указывает на оставшееся время, в течении которого будет работать разрешающий сигнал. Схема циклов работы транспортного и пешеходного светофоров показана на рисунке 6.
Проанализировав движение транспортного и пешеходного потока на направлении 2 выявил, что необходимо нанесение таких элементов горизонтальной дорожной разметки, как 1.14.1 – «пешеходный переход» и 1.12 – «Стоп-линия». Это поможет обеспечить должный уровень безопасности и удобства для пешеходов в момент их пересечения проезжей части. |
|||||||||||||||||||||||||||||||||||||||||||||||||||||||||||||||||||||||||||||||||||||||||||||||||||
Рисунок 1 – подробная схема перекрестка



Рисунок 5 – конфликтные точки при нерегулируемом перекрестке
Рисунок 6 – светофорные циклы