Сочинение: Рассчет корректирующих цепей широкополосных усилительных каскадов на биполярных транзисторах
|
Название: Рассчет корректирующих цепей широкополосных усилительных каскадов на биполярных транзисторах Раздел: Рефераты по коммуникации и связи Тип: сочинение | ||||||||||||||||||||||||||||||||||||||||||||||||||||||||||||||||||||||||||||||||||||||||||
ВВЕДЕНИЕ 1. ИСХОДНЫЕ ДАННЫЕ ДЛЯ РАСЧЕТА 2. РАСЧЕТ НЕКОРРЕКТИРОВАННОГО КАСКАДА С ОБЩИМ ЭМИТТЕРОМ 3. РАСЧЕТ КАСКАДА С ВЫСОКОЧАСТОТНОЙ ИНДУКТИВНОЙ КОРРЕКЦИЕЙ 4. РАСЧЕТ КАСКАДА С ЭМИТТЕРНОЙ КОРРЕКЦИЕЙ 5. КОРРЕКЦИЯ ИСКАЖЕНИЙ ВНОСИМЫХ ВХОДНОЙ ЦЕПЬЮ 6. СОГЛАСОВАННЫЕ КАСКАДЫ С ОБРАТНЫМИ СВЯЗЯМИ 7. РАСЧЕТ УСИЛИТЕЛЬНЫХ КАСКАДОВ С ЧЕТЫРЕХПОЛЮСНЫМИ КОРРЕКТИРУЮЩИМИ ЦЕПЯМИ 8. РАСЧЕТ УСИЛИТЕЛЕЙ С ЧАСТОТНО-РАЗДЕЛИТЕЛЬНЫМИ ЦЕПЯМИ СПИСОК ИСПОЛЬЗОВАННЫХ ИСТОЧНИКОВ РАСЧЕТ КОРРЕКТИРУЮЩИХ ЦЕПЕЙ ШИРОКОПОЛОСНЫХ УСИЛИТЕЛЬНЫХ КАСКАДОВ НА БИПОЛЯРНЫХ ТРАНЗИСТОРАХ Цель работы – получение законченных аналитических выражений для расчета коэффициента усиления, полосы пропускания и значений элементов корректирующих цепей наиболее известных и эффективных схемных решений построения усилительных каскадов на биполярных транзисторах (БТ). Основные результаты работы – вывод и представление в удобном для проектирования виде расчетных соотношений для усилительных каскадов с простой индуктивной и истоковой коррекциями, с четырехполюсными диссипативными межкаскадными корректирующими цепями четвертого порядков, для входной и выходной корректирующих цепей. Для всех схемных решений построения усилительных каскадов на БТ приведены примеры расчета. ВВЕДЕНИЕВ теории усилителей нет достаточно обоснованных доказательств преимущества использования того либо иного схемного решения при разработке конкретного усилительного устройства. В этой связи проектирование широкополосных усилителей во многом основано на интуиции и опыте разработчика. При этом, разные разработчики, чаще всего, по-разному решают поставленные перед ними задачи, достигая требуемых результатов. Данная работа предназначена для начинающих разработчиков широкополосных усилителей и содержит: наиболее известные и эффективные схемные решения построения широкополосных усилительных каскадов на БТ; соотношения для их расчета по заданным требованиям; примеры расчета. Поскольку, как правило, широкополосные усилители работают в стандартном 50 либо 75-омном тракте, соотношения для расчета даны исходя из условий, что оконечные каскады усилителей работают на чисто резистивную нагрузку, а входные каскады усилителей работают от чисто резистивного сопротивления генератора. 1 ИСХОДНЫЕ ДАННЫЕ ДЛЯ РАСЧЕТА В соответствии с [1, 2, 3], приведенные ниже соотношения для расчета усилительных каскадов основаны на использовании эквивалентной схемы замещения транзистора приведенной на рисунке 1.1, либо на использовании его однонаправленной модели [2, 3] приведенной на рисунке 1.2.
Рисунок 1.1- Эквивалентная схема Джиаколетто
Рисунок 1.2 - Однонаправленная модель Значения элементов схемы Джиаколетто могут быть рассчитаны по паспортным данным транзистора по следующим формулам [1]:
=3 - для планарных кремниевых транзисторов,
где В справочной литературе значения
где Поскольку Элементы схемы замещения приведенной на рисунке 1.2 могут быть рассчитаны по следующим эмпирическим формулам [4]:
где При расчетах по эквивалентной схеме, приведенной на рисунке 1.2, вместо
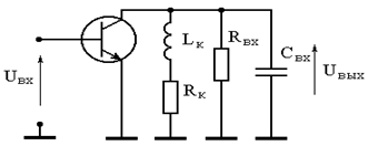
где 2 РАСЧЕТ НЕКОРРЕКТИРОВАННОГО КАСКАДА С ОБЩИМ ЭМИТТЕРОМ 2.1 ОКОНЕЧНЫЙ КАСКАД Схема каскада по переменному току приведена на рисунке 1.3, где
Рисунок 2.1 - Схема оконечного некорректированного каскада. При отсутствии реактивности нагрузки, полоса пропускания каскада определяется параметрами транзистора. В соответствии с [1] коэффициент усиления каскада в области верхних частот можно описать выражением:
где
При заданном уровне частотных искажений
верхняя частота
Входное сопротивление каскада может быть аппроксимировано параллельной RC цепью [1]:
Пример 1.1.
Рассчитать Решение.
По известным 2.2 ПРОМЕЖУТОЧНЫЙ КАСКАД Схема каскада по переменному току приведена на рисунке 1.4, где
Рисунок 2.2 - Схема промежуточного некорректированного каскада. В соответствии с [1] коэффициент усиления каскада в области верхних частот описывается выражением:
где
Значения Пример 2.
Рассчитать Решение.
По известным 3 РАСЧЕТ КАСКАДА С ВЫСОКОЧАСТОТНОЙ ИНДУКТИВНОЙ КОРРЕКЦИЕЙ 3.1 ОКОНЕЧНЫЙ КАСКАД Схема каскада по переменному току приведена на рисунке 3.1.
Рисунок 3.1 - Схема оконечного каскада с высокочастотной индуктивной коррекцией. При отсутствии реактивности нагрузки высокочастотная (ВЧ) индуктивная коррекция вводится для коррекции искажений АЧХ вносимых транзистором. В соответствии с [1] коэффициент усиления каскада в области верхних частот, при оптимальном значении
описывается выражением
где
и При заданном
Значения Пример 3
Рассчитать Решение.
По известным 3.2 ПРОМЕЖУТОЧНЫЙ КАСКАД Схема каскада по переменному току приведена на рисунке 3.2.
Рисунок 3.2 - Схема промежуточного каскада с высокочастотной индуктивной коррекцией В соответствии с [1] коэффициент усиления каскада в области верхних частот, при оптимальном значении
определяется выражением:
где
и Пример 4.
Рассчитать Решение.
По известным 4 РАСЧЕТ КАСКАДА С ЭМИТТЕРНОЙ КОРРЕКЦИЕЙ 4.1 ОКОНЕЧНЫЙ КАСКАД Схема каскада по переменному току приведена на рисунке 4.1.
Рисунок 4.1. Схема оконечного каскада с эмиттерной коррекцией При отсутствии реактивности нагрузки эмиттерная коррекция вводится для коррекции искажений АЧХ, вносимых транзистором, увеличивая амплитуду напряжения эмиттер-база с ростом частоты. В соответствии с [1], модуль коэффициента усиления каскада в области верхних частот, при выборе элементов коррекции
где
При заданном значении
Подставляя
где Входное сопротивление каскада с эмиттерной коррекцией может быть аппроксимировано параллельной RC-цепью [1].
Пример 5.
Рассчитать Решение.
По известным 4.2 ПРОМЕЖУТОЧНЫЙ КАСКАД Схема каскада по переменному току приведена на рисунке 1.10.
Рисунок 4.2. Схема промежуточного каскада с эмиттерной коррекцией В соответствии с [1] модуль коэффициента усиления каскада в области верхних частот, при выборе элементов коррекции соответствующими оптимальной по Брауде АЧХ, описывается выражением (1.23). В данном случае, при заданном значении
где Значения Пример 6.
Рассчитать Решение.
По известным 5 КОРРЕКЦИЯ ИСКАЖЕНИЙ ВНОСИМЫХ ВХОДНОЙ ЦЕПЬЮ 5.1 РАСЧЕТ ИСКАЖЕНИЙ ВНОСИМЫХ ВХОДНОЙ ЦЕПЬЮ Схема входной цепи каскада по переменному току приведена на рисунке 5.1, где
Рисунок 5.1. Схема входной цепи некорректированного каскада При условии аппроксимации входного сопротивления каскада параллельной RC-цепью, коэффициент передачи входной цепи в области верхних частот описывается выражением [1]:
где
Значение Пример 7.
Рассчитать Решение.
Из примера 1 имеем: 5.2 РАСЧЕТ ВХОДНОЙ КОРРЕКТИРУЮЩЕЙ ЦЕПИ Из приведенных выше примеров расчета видно, что наибольшие искажения АЧХ обусловлены входной цепью. Для расширения полосы пропускания входных цепей в [5] предложено использовать схему. Работа схемы основана на увеличении сопротивления цепи
где
При заданном значении
где Пример 1.8.
Рассчитать Решение.
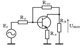
Из примера 7 имеем: 5.3 РАСЧЕТ КАСКАДА С ПАРАЛЛЕЛЬНОЙ ОТРИЦАТЕЛЬНОЙ ОБРАТНОЙ СВЯЗЬЮ Для исключения потерь в усилении, обусловленных использованием входной корректирующей цепи (см. раздел 5.2), в качестве входного каскада может быть использован каскад с параллельной ООС, схема которого приведена на рисунке 5.3.
Рисунок 5.3 Схема каскада с параллельной ООС Особенностью схемы является то, что при большом значении
где
При заданном значении
где Формулой (1.47) можно пользоваться в случае, если Если окажется, что при
где
Оптимальная по Брауде АЧХ достигается при условии:
При заданном значении
где При известном значении
Пример 9.
Рассчитать Решение.
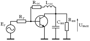
По известным 6 СОГЛАСОВАННЫЕ КАСКАДЫ С ОБРАТНЫМИ СВЯЗЯМИ 6.1 РАСЧЕТ КАСКАДА С КОМБИНИРОВАННОЙ ООС Схема каскада по переменному току приведена на рисунке 6.1 [6].
Рисунок 6.1 Схема каскада с комбинированной ООС Достоинством схемы является то, что при условиях:
схема оказывается согласованной по входу и выходу с КСВН не более 1,3 в диапазоне частот, где выполняется условие При выполнении условий (1.53), коэффициент усиления каскада в области верхних частот описывается выражением:
где
Из (1.53), (1.55) не трудно получить, что при известном значении
При заданном значении
где В [8] показано, что при выполнении условий (1.53) ощущаемое сопротивление нагрузки транзистора, каскада с комбинированной ООС, равно Пример 10.
Рассчитать Решение.
По известным 6.2 РАСЧЕТ УСИЛИТЕЛЬНЫХ КАСКАДОВ С ПЕРЕКРЕСТНЫМИ ООС Схема усилительных каскадов по переменному току приведена на рисунке 6.2 [9].
Рисунок 6.2 Схема усилительных каскадов с перекрестными ООС По идеологии построения рассматриваемая схема похожа на усилитель, в котором использованы каскады с комбинированной ООС. Однако при заданном коэффициенте усиления схема обладает большей полосой пропускания, которая практически не сокращается при увеличении числа каскадов, что объясняется комплексным характером обратной связи на высоких частотах. Также как и каскад с комбинированной ООС схема оказывается согласованной по входу и выходу с КСВН не более 1,5 и 1,3 соответственно, при условиях [9, 10]:
При выполнении условий (1.60) и при пренебрежении величинами второго порядка малости, коэффициент усиления двухтранзисторного варианта усилителя изображенного на рисунке 6.2 описывается выражением:
где
При заданном значении
где При увеличении числа каскадов усилителя, верхняя граничная частота всего усилителя
где Подключение дополнительных каскадов усиления к двухтранзисторному варианту усилителя приводит к возрастанию усиления в
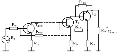
Для повышения выходной мощности рассматриваемого усилителя можно воспользоваться его модифицированной схемой приведенной на рисунке 6.3 [11].
Рисунок 6.3 Схема усилителя с повышенной выходной мощностью. Для схемы приведенной на рисунке 6.3 справедливы все соотношения приведенные выше, однако она имеет вдвое большую величину выходной мощности благодаря параллельному включению выходных транзисторов [9 Пример 11.
Рассчитать Решение.
Подставляя в (1.62) различные значения 6.3 РАСЧЕТ КАСКАДА СО СЛОЖЕНИЕМ НАПРЯЖЕНИЙ Схема каскада по переменному току приведена на рисунке 6.4 [10].
Рисунок 6.4 Схема каскада со сложением напряжений При условии:
напряжение, отдаваемое транзистором каскада, равно входному, ток же, отдаваемый предыдущим каскадом, практически равен току нагрузки. Поэтому ощущаемое сопротивление нагрузки каскада равно половине сопротивления При выполнении условия (1.67) коэффициент усиления каскада в области верхних частот описывается выражением:
где
Оптимальная по Брауде АЧХ каскада реализуется при расчете
а значение
Пример 12.
Рассчитать Решение.
По формулам (1.68), (1.69) получим 7 РАСЧЕТ УСИЛИТЕЛЬНЫХ КАСКАДОВ С ЧЕТЫРЕХПОЛЮСНЫМИ КОРРЕКТИРУЮЩИМИ ЦЕПЯМИ 7.1 РАСЧЕТ ВЫХОДНОЙ КОРРЕКТИРУЮЩЕЙ ЦЕПИ В рассматриваемых выше усилительных каскадах расширение полосы пропускания было связано с потерей части выходной мощности в резисторах корректирующих цепей, либо цепей ООС. Этого недостатка лишены усилители, построенные по принципу последовательного соединения корректирующих цепей (КЦ) и усилительных элементов [2]. Пример построения такой схемы усилителя по переменному току приведен на рисунке 7.1.
Рисунок 7.1 Схема усилителя с корректирующими цепями При этом расчеты входных, выходных и межкаскадных КЦ ведутся с использованием эквивалентной схемы замещения транзистора приведенной на рисунке 1.2. Из теории усилителей известно [3], что для получения максимальной выходной мощности в заданной полосе частот необходимо реализовать ощущаемое сопротивление нагрузки, для внутреннего генератора транзистора, равное постоянной величине во всем рабочем диапазоне частот. Это можно реализовать, включив выходную емкость транзистора (см. рисунок 1.2) в фильтр нижних частот, используемый в качестве выходной КЦ. Схема включения выходной КЦ приведена на рисунке 7.2.
Рисунок 7.2 Схема выходной корректирующей цепи При работе усилителя без выходной КЦ, модуль коэффициента отражения | | где При этом уменьшение выходной мощности относительно максимального значения, обусловленное наличием
где
Описанная в [3] методика Фано позволяет при заданных Таблица 7.1 Нормированные значения выходной КЦ
Истинные значения элементов рассчитываются по формулам
Пример 13.
Рассчитать выходную КЦ для усилительного каскада на транзисторе КТ610А ( Решение.
Найдем нормированное значение 7.2 РАСЧЕТ КАСКАДА С РЕАКТИВНОЙ МЕЖКАСКАДНОЙ КОРРЕКТИРУЮЩЕЙ ЦЕПЬЮ ТРЕТЬЕГО ПОРЯДКА
Схема каскада по переменному току приведена на рисунке 7.3 [4, 14]. Рисунок 7.3 Каскад с межкаскадной корректирующей цепью третьегопорядка Используя однонаправленную эквивалентную схему замещения транзистора, схему (рисунок 7.3) можно представить в виде приведенном на рисунке 7.4.
Рисунок 7.4 Эквивалентная схема каскада Согласно [2, 14], коэффициент прямой передачи каскада на транзисторе Т2, при условии использования выходной КЦ, равен:
где
При заданных значениях
где
В теории фильтров известны табулированные значения коэффициентов Таблица 3
Для выравнивания АЧХ в области нижних частот используется резистор
При работе каскада в качестве входного, в формуле (1.81) значение После расчета
Пример 15.
Рассчитать Решение.
По таблице 3 для 8 РАСЧЕТ УСИЛИТЕЛЕЙ С ЧАСТОТНО-РАЗДЕЛИТЕЛЬНЫМИ ЦЕПЯМИ При разработке усилителей с рабочими частотами от нуля либо единиц килогерц до единиц гигагерц возникает проблема совмещения схемных решений построения низкочастотных и сверхвысокочастотных усилителей. Например, использование больших значений разделительных конденсаторов и дросселей питания для уменьшения нижней граничной частоты, связано с появлением некорректируемых паразитных резонансов в области сверхвысоких частот. Этого недостатка можно избежать, используя частотно-разделительные цепи (ЧРЦ). Наибольший интерес представляет схема усилителя с ЧРЦ, предназначенного для усиления как периодических, так и импульсных сигналов [15,16,17]. Схема усилителя с ЧРЦ приведена на рисунке 8.1.
1 - первый канальный усилитель 2 - второй канальный усилитель Рисунок 8.1 Схема усилителя с ЧРЦ Принцип работы схемы заключается в следующем. Усилитель с ЧРЦ состоит из двух канальных усилителей. Первый канальный усилитель является высокочастотным и строится с использованием схемных решений построения усилителей сверхвысоких частот. Второй канальный усилитель является низкочастотным и строится с использованием схемных решений построения усилителей постоянного тока либо усилителей низкой частоты. При условии согласованных входов и выходов канальных усилителей, выборе значения резистора Если обозначить нижнюю и верхнюю граничные частоты первого высокочастотного усилителя
В этом случае расчет усилителя с ЧРЦ сводится к следующему. Значения резисторов
По заданному коэффициенту усиления первого канального усилителя
где Значения элементов ЧРЦ рассчитываются по формулам:
Пример 16.
Рассчитать значения элементов Решение.
В соответствии с формулами (1.84) и (1.85) выберем Список использованных источников 1. Мамонкин И.Г. Усилительные устройства. Учебное пособие для вузов. - М.: Связь. 1977 г. 2. Шварц Н.З. Линейные транзисторные усилители СВЧ. - М.: Сов. радио. 1980 г. 3. Широкополосные радиопередающие устройства /Алексеев О.В., Головков А.А., Полевой В.В., Соловьев А.А.; Под ред. О.В. Алексеева.- М.: Связь. 1978 г. 4. Титов А.А., Бабак Л.И., Черкашин М.В. Расчет межкаскадной согласующей цепи транзисторного полосового усилителя мощности //Электронная техника. Сер. СВЧ-техника. 2000 Вып. 1. 5. Ангелов И., Стоев И., Уршев А. Широкополосный малошумящий усилитель для диапазона 0,7-2 ГГц //ПТЭ. 1985. № 3. 6. Никифоров В.В., Терентьев С.Ю. Синтез цепей коррекции широкополосных усилителей мощности с применением методов нелинейного программирования. - Сб. статей. Полупроводниковая электроника в технике связи. Выпуск 26. /Под ред. И.Ф. Николаевского. - М.: Радио и связь. 1986 г. 7. Эгенштафер Ф. Электроника. 1971. т.44. № 16. 8. Мелихов С.В., Колесов И.А. Влияние нагружающих обратных связей на уровень выходного сигнала усилительных каскадов. - Сб. статей. Широкополосные усилители. Выпуск 4. - Томск: Изд-во Том. ун-та. 1975 г. 9. Титов А.А. Упрощенный расчет широкополосного усилителя. //Радиотехника. 1979. № 6. 10. Абрамов Ф.Г., Волков Ю.А., Вонсовский Н.Н. и др. Согласованный широкополосный усилитель. //ПТЭ. 1984. № 2. 11. Якушевич Г.Н., Мозгалев И.А. Широкополосный каскад со сложением выходных токов транзисторов. - Сб. статей. Радиоэлектронные устройства СВЧ./Под ред. А.А. Кузьмина. - Томск: Изд-во Том. ун-та. 1992 г. 12. Бабак Л.И. Анализ широкополосного усилителя по схеме со сложением напряжений. - Сб. статей. Наносекундные и субнаносекундные усилители. /Под ред. И.А. Суслова. - Томск: Изд-во Том. ун-та. 1976. 13. Дьячко А.Н., Бабак Л.И. Расчет сверхширокополосного усилительного каскада с заданными частотными и временными характеристиками. //Радиотехника. 1988. № 10. 14. Бабак Л.И., Дергунов С.А. Расчет цепей коррекции сверхширокополосных транзисторных усилителей мощности СВЧ.- Сб. статей. Радиотехнические методы и средства измерений. - Томск: Изд-во Том.ун-та. 1985 г. 15. Ильюшенко В.Н., Титов А.А. Многоканальные импульсные устройства с частотным разделением каналов. //Радиотехника, 1991. № 1. 16. Пикосекундная импульсная техника. /В.Н. Ильюшенко, Б.И. Авдоченко, В.Ю. Баранов и др. /Под ред. В.Н. Ильюшенко.- М.: Энергоатомиздат. 1993 г. 17. Авторское свидетельство № 1653128 СССР, МКИ НОЗF 1/42. Широкополосный усилитель /В.Н. Ильюшенко, А.А. Титов //Открытия, Изобретения, 1991, №20. |






;
;
;
,
,
,
; (1.4)
; (1.5)
.
. (1.6)
; (1.7)
(1.8)
,
. (1.11)
,
; 1.14)
; (1.15)
. (1.17)

; (1.20)
; (1.21)
, (1.23)
; (1.24)
; (1.26)
. (1.29)
, (1.30)
; (1.31)
. (1.32)
, (1.33)
,
(1.34)
; (1.35)
,
;
; (1.43)
, (1.44)
.
, (1.45)
;
.
, (1.47)
.
, (1.48)
;
;
,(1.51)
.
, (1.54)
; (1.55)
;
;
. (1.56)
, (1.57)
.
; (1.61)
; (1.62)
;
;
; (1.63)
, (1.64)
.

,
;
;
. (1.70)

, (1.71)
, (1.72)
(1.73)

, (1.80)
(1.81)
. (1.82)
,
,
. (1.83)
, (1.86)
(1.87)