Дипломная работа: Расчет электроснабжения станкостроительного завода
|
Название: Расчет электроснабжения станкостроительного завода Раздел: Промышленность, производство Тип: дипломная работа | |||||||||||||||||||||||||||||||||||||||||||||||||||||||||||||||||||||||||||||||||||||||||||||||||||||||||||||||||||||||||||||||||||||||||||||||||||||||||||||||||||||||||||||||||||||||||||||||||||||||||||||||||||||||||||||||||||||||||||||||||||||||||||||||||||||||||||||||||||||||||||||||||||||||||||||||||||||||||||||||||||||||||||||||||||||||||||||||||||||||||||||||||||||||||||||||||||||||||||||||||||||||||||||||||||||||||||||||||||||||||||||||||||||||||||||||||||||||||||||||||||||||||||||||||||||||||||||||||||||||||||||||||||||||||||||||||||||||||||||||||||||||||||||||||||||||||||||||||||||||||||||||||||||||||||||||||||||||||||||||||||||||||||||||||||||||||||||||||||||||||||||||||||||||||||||||||||||||||||||||||||||||||||||||||||||||||||||||||||||||||||||||||||||||||||||||||||||||||||||||||||||||||||||||||||||||||||||||||||||||||||||||||||||||||||||||||||||||||||||||||||||||||||||||||||||||||||||||||||||||||||||||||||||||||||||||||||||||||||||||||||||||||||||||||||||||||||||||||||||||
| содержание Аннотация Список сокращений Введение 1 Исходные данные для проектирования 1.1 ХАРАКТЕРИСТИКА ИСТОЧНИКА ПИТАНИЯ 1.2 ХАРАКТЕРИСТИКА РЕЖИМА РАБОТЫ ПРОЕКТИРУЕМОГО ОБЪЕКТА 1.3 ХАРАКТЕРИСТИКА ВЫСОКОВОЛЬТНЫХ ПОТРЕБИТЕЛЕЙ 2.1 РАСЧЕТ СИЛОВЫХ ЭЛЕКТРИЧЕСКИХ НАГРУЗОК 2.2 РАСЧЕТ ОСВЕТИТЕЛЬНЫХ НАГРУЗОК ЦЕХОВ 2.2.1 ВЫБОР НОРМИРУЕМОЙ ОСВЕЩЕННОСТИ 2.2.2. ВЫБОР СВЕТИЛЬНИКОВ ОБЩЕГО ОСВЕЩЕНИЯ 2.2.3. РАЗМЕЩЕНИЕ СВЕТИЛЬНИКОВ ОБЩЕГО ОСВЕЩЕНИЯ 2.2.4. РАСЧЕТ ПАРАМЕТРОВ ИСКУССТВЕННОГО ОСВЕЩЕНИЯ 2.3. РАСЧЕТ НАРУЖНОГО ОСВЕЩЕНИЯ 2.4 РАСЧЕТ ОХРАННОГО ОСВЕЩЕНИЯ 3.1 ВЫБОР РЕКОМЕНДОВАННОГО КОЭФФИЦИЕНТА ЗАГРУЗКИ ТРАНСФОРМАТОРОВ 3.2 ВЫБОР ЦЕЛЕСООБРАЗНОЙ МОЩНОСТИ ТРАНСФОРМАТОРОВ В СООТВЕТСТВИИ С НАГРУЗКАМИ ЦЕХОВ 3.3 ОПРЕДЕЛЕНИЕ ЧИСЛА ТРАНСФОРМАТОРОВ Минимальное число трансформаторов одной мощности Оптимальное число трансформаторов Число трансформаторов мощностью 250 кВ•А 3.4 ВЫБОР МЕСТОПОЛОЖЕНИЯ ТП И РАСПРЕДЕЛЕНИЕ НАГРУЗОК ПО ТП 3.5 ВЫБОР НИЗКОВОЛЬТНЫХ КОМПЕНСИРУЮЩИХ УСТРОЙСТВ 3.6 РАСЧЕТ ПОТЕРЬ МОЩНОСТИ В ТРАНСФОРМАТОРАХ ЦЕХОВЫХ ТП И ОПРЕДЕЛЕНИЕ РАСЧЕТНОЙ НАГРУЗКИ НА ШИНАХ 10 КВ 3.7 РАСЧЕТ И ПОСТРОЕНИЕ КАРТОГРАММЫ ЭЛЕКТРИЧЕСКИХ НАГРУЗОК, ОПРЕДЕЛЕНИЕ ЦЕНТРА ЭЛЕКТРИЧЕСКИХ НАГРУЗОК 4.1. ОПРЕДЕЛЕНИЕ РАСЧЕТНОЙ АКТИВНОЙ МОЩНОСТИ, ПРЕДПРИЯТИЯ И РЕАКТИВНОЙ МОЩНОСТИ, ПОЛУЧАЕМОЙ ОТ ЭНЕРГОСИСТЕМЫ 4.2. ВЫБОР ЧИСЛА И МОЩНОСТИ ТРАНСФОРМАТОРОВ НА ГПП 4.3. РАСЧЕТ ПОТЕРЬ МОЩНОСТИ И ЭНЕРГИИ В ТРАНСФОРМАТОРАХ 6.1. РАСЧЕТ И ПРОВЕРКА ПИТАЮЩИХ ЛЭП 6.2. ОПРЕДЕЛЕНИЕ ПОТЕРЬ ЭНЕРГИИ В ЛЭП 6.3. ТЕХНИКО-ЭКОНОМИЧЕСКОЕ ОБОСНОВАНИЕ НАПРЯЖЕНИЯ ПИТАЮЩИХ ЭП С УЧЕТОМ СТОИМОСТИ ГПП 8.1. УТОЧНЕНИЕ СХЕМЫ ЭЛЕКТРОСНАБЖЕНИЯ С УЧЕТОМ ВЫСОКОВОЛЬТНОЙ НАГРУЗКИ И РАСЧЕТ СЕЧЕНИЙ КАБЕЛЬНЫХ ЛИНИЙ 10.1. КОМПОНОВКА РП 10.2. КОМПОНОВКА ЦТП 10.3. ПРОВЕРКА АППАРАТОВ 10.3.1. ПРОВЕРКА ОБОРУДОВАНИЯ НА СТОРОНЕ 110 КВ 10.3.1 ПРОВЕРКА ВЫКЛЮЧАТЕЛЕЙ 10.3.2 ВЫБОР ПРЕДОХРАНИТЕЛЕЙ НА ТП СО СТОРОНЫ 10 КВ 11.1 ОБЩИЕ ПОЛОЖЕНИЯ ПО ПРОЕКТИРОВАНИЮ ЭЛЕКТРОПЕЧНЫХ УСТАНОВОК 11.2 ТИП И ОСОБЕННОСТИ ВЫПОЛНЕНИЯ ЗАЩИТЫ 11.3 РАСЧЕТ ЗАЩИТ 12.1 ПОСТРОЕНИЕ ГРАФИКОВ ЭЛЕКТРИЧЕСКИХ НАГРУЗОК 12.2 ВЫБОР ТРАНСФОРМАТОРОВ 12.3 РАСЧЕТ ТОКОВ КОРОТКОГО ЗАМЫКАНИЯ 12.4 ВЫБОР КАБЕЛЬНЫХ ЛИНИЙ К РП 12.5 ВЫБОР ШИН НА НН 12.6 ВЫБОР ГИБКИХ ПРОВОДОВ НА ВН И СН 12.7 ВЫБОР ЭЛЕКТРИЧЕСКИХ АППАРАТОВ 13.1 РАСЧЕТ СТОИМОСТИ ЭЛЕКТРОЭНЕРГИИ, ПОТРЕБЛЕННОЙ ПРОМЫШЛЕННЫМ ПРЕДПРИЯТИЕМ ЗА ГОД 13.2 ОПРЕДЕЛЕНИЕ ГОДОВОЙ ЗАРАБОТНОЙ ПЛАТЫ РАБОЧИХ И ИТР ЭЛЕКТРОХОЗЯЙСТВА ПРЕДПРИЯТИЯ 13.3 ОПРЕДЕЛЕНИЕ ГОДОВЫХ ОТЧИСЛЕНИЙ НА СОЦИАЛЬНЫЕ НУЖДЫ 13.4 ОПРЕДЕЛЕНИЕ ГОДОВЫХ АМОРТИЗАЦИОННЫХ ОТЧИСЛЕНИЙ НА РЕНОВАЦИЮ 13.5 ОПРЕДЕЛЕНИЕ ГОДОВЫХ ОТЧИСЛЕНИЙ В РЕМОНТНЫЙ ФОНД 13.6 РАСЧЕТ СТОИМОСТИ МАТЕРИАЛОВ, РАСХОДУЕМЫХ ПРИ ТЕКУЩЕМ РЕМОНТЕ И ОБСЛУЖИВАНИИ ЭЛЕКТРОХОЗЯЙСТВА ПРЕДПРИЯТИЯ ЗА ГОД 13.7 ОПРЕДЕЛЕНИЕ ПРОЧИХ ЕЖЕГОДНЫХ ЗАТРАТ 13.8 РАСЧЕТ ЭЛЕКТРОЭНЕРГЕТИЧЕСКОЙ СОСТАВЛЯЮЩЕЙ СЕБЕСТОИМОСТИ ПРОДУКЦИИ ПРОМЫШЛЕННОГО ПРЕДПРИЯТИЯ 13.9 РАСЧЕТ УДЕЛЬНОЙ ВЕЛИЧИНЫ ЭНЕРГЕТИЧЕСКОЙ СОСТАВЛЯЮЩЕЙ СЕБЕСТОИМОСТИ ПРОДУКЦИИ 14.1 НАЗНАЧЕНИЕ И ПРИНЦИП ДЕЙСТВИЯ ЗАЩИТНОГО ЗАЗЕМЛЕНИЯ 14.2 ВЫБОР ПРЕДВАРИТЕЛЬНОЙ СХЕМЫ ЗАЗЕМЛЯЮЩЕГО УСТРОЙСТВА НА ГПП 14.3 РАСЧЕТ СЛОЖНОГО ЗАЗЕМЛИТЕЛЯ В ДВУХСЛОЙНОЙ ЗЕМЛЕ 14.4. ПОРЯДОК ПОЛЬЗОВАНИЯ СРЕДСТВАМИ ЗАЩИТЫ 14.5.МОЛНИЕЗАЩИТА ГПП ЗАКЛЮЧЕНИЕ СПИСОК ИСПОЛЬЗОВАННЫХ ИСТОЧНИКОВ Аннотация В настоящем дипломном проекте рассмотрены вопросы электроснабжения завода тяжелого машиностроения в следующей последовательности: определение нагрузок, составление графиков нагрузок, определение центра электрических нагрузок, выбор схемы электроснабжения, выбор мощности конденсаторных установок, выбор мощности трансформаторов, выбор напряжений, расчет сетей завода, расчет токов к.з., релейная защита трансформаторов ДСП, экономическая часть и охрана труда. Список сокращениЙ СД - синхронный двигатель АД - асинхронный двигатель РП - распределительный пункт ИС - источник света ЛН - лампы накаливания ГЛ - газоразрядные лампы ОУ - осветительная установка КСС - кривая силы света ТП - трансформаторная подстанция ГПП - главная понизительная подстанция НБК - низковольтные батареи конденсаторов КРУ - комплектное распределительное устройство ЛЭП - линия электропередач ВБК - высоковольтные батареи конденсаторов РУ - распределительное устройство КЗ - короткое замыкание КТП - комплектная трансформаторная подстанция ВН - высокое напряжение СН - среднее напряжение НН - низкое напряжение ЗРУ - закрытое распределительное устройство ОРУ - открытое распределительное устройство ЦП - цеховые подстанции. Электроснабжение является одной из составных частей обеспечения народного хозяйства страны. Без электроснабжения в настоящее время не обходится ни одна промышленность, город и т.д. Одной из задач электроснабжения является обеспечение электроэнергией какого-либо объекта для нормальной работы и жизнедеятельности. Энергетическая программа, разработанная на длительную перспективу, предусматривает прежде всего широкое внедрение энергосберегающей техники и технологии. В связи с этим важное значение принимает рационализация энергосбережения, включающая в себя уменьшения удельного расхода электроэнергии и увеличения электровооруженности отрасли народного хозяйства. Важным условием этой задачи является организация доступной и качественной системы учета электроэнергии, потребляемой промышленным предприятием. Основной задачей в электроснабжении является автоматизация с целью обеспечения бесперебойной работы предприятия. Автоматизация позволяет перевести большинство подстанций на работу без постоянного дежурного персонала, что уменьшает эксплуатационные расходы и способствует сокращению числа аварий по вине персонала. В данном дипломном проекте произведен полный расчет системы электроснабжения промышленного предприятия с учетом специфики его работы. 1 Исходные данные для проектирования Исходными данными для проектирования системы электроснабжения завода тяжелого машиностроения является: · генеральный план предприятия; · установленная мощность по цехам таблица 1.1.; · характеристика технологического процесса; · характеристика режима работы проектируемого объекта; · характеристика высоковольтных потребителей. Таблица 1.1 Наименование цехов и их установленные мощности
1.1 Характеристика источника питания Источником питания для проектируемого предприятия является районная подстанция энергосистемы, расположенная на расстоянии 27 км от завода. Данные системы: мощность системы Sc * = 1400 МВА, Хс* = 0,32. На подстанции установлены два трехобмоточных трансформатора, работающих параллельно со следующими параметрами: тип и мощность трансформаторов – ТРДЦН-63000/110, напряжения – Uвн =110 кВ, Uсн =35 кВ, Uнн =10 кВ. 1.2 Характеристика режима работы проектируемого объекта Развернутая характеристика проектируемого предприятия с точки зрения надежности электроснабжения отдельных цехов приведена в таблице 1.2. Таблица 1.2 Характеристика сред и помещений
Годовое число часов работы силовых приемников определяется по выражению: Тг = (365 – m)×n×Tсм ×kпр – Тпр , (1.1) где m – число выходных и праздничных дней, m = 111; n – число смен, n = 2; Tсм – продолжительность смены, Tсм = 8 ч; kпр – коэффициент, учитывающий аварийные простои предприятия в течении года, принимается в диапазоне 0,96 – 0,98, kпр = 0,97; Тпр - общее время, на которое сокращается рабочий день перед праздниками, Тпр =7 ч. Тогда Тг = (365 – 114)×2×8×0,97 – 7 = 3935,08 ч.
Рисунок 1.1 Типовой суточный график электрических нагрузок завода тяжелого машиностроения
Рисунок 1.2 Годовой график электрических нагрузок по продолжительности завода тяжелого машиностроения По годовому графику нагрузок по продолжительности рассчитаем годовое число часов использования максимума активной мощности Тmax
, ч и время максимальных потерь годовое число часов использования максимума нагрузки, ч: Tmax
= где Pi – мощность i-ой ступени графика, %; Ti – продолжительность i-ой ступени графика, ч.
время максимальных потерь,ч: 1.3 Характеристика высоковольтных потребителей К высоковольтным электроприемникам относятся синхронные двигатели, а также индукционные и дуговые электропечи. Синхронные двигатели (СД) напряжением 6 – 10 кВ устанавливаются, в компрессорных, а асинхронные двигатели (АД) – в насосной 2-го подъема. Как правило, двигатели подключаются к РП, расположенным в цехах, где установлены высоковольтные потребители. Допускается питание высоковольтных электроприемников от шин ГПП, если они расположены недалеко от нее. Защита двигателей может осуществляться при помощи предохранителей или релейной защиты (РЗ), действующей на отключающие аппараты (автоматы, контакторы, выключатели). На СД устанавливают РЗ от следующих видов повреждений: многофазных коротких замыканий в двигателе и на его вводах; однофазных замыканий на землю; токов перегрузки; снижения напряжения; асинхронного режима работы. Для защиты двигателей применяют максимальную токовую отсечку или продольную диф. защиту. Дуговые сталеплавильные печи (ДСП) – это трехфазные электроприемники, работающие циклично в повторно – кратковременном режиме с резкими колебаниями тока. ДСП устанавливаются в литейных и сталеплавильных цехах. Основное назначение ДСП – выплавка стали из металлического лома. Такой процесс очень энергоемок: на 1 т выплавленной стали расходуется от 500 до 1000 кВт×ч электроэнергии. Горящая в печи дуга между электродами и металлом нестабильна, длина ее невелика. Небольшие изменения в положении электрода или металла вызывают либо обрыв дуги, либо короткое замыкание. Мощные ДСП являются причиной возникновения высших гармоник тока и напряжения и колебания напряжения в системе электроснабжения предприятия. Поэтому схема внутризаводской сети должна строиться так, чтобы свести к минимуму неблагоприятные последствия, что достигается питанием этих потребителей от отдельных РП или секций шин ГПП, разделением ДСП и других потребителей с помощью сдвоенных реакторов или трансформаторов с расщепленными обмотками низшего напряжения. При наличии в цехе ДСП нельзя использовать в качестве компенсирующих устройств статические конденсаторы, на которые отрицательно влияют высшие гармоники. ДСП питаются от трехфазных печных трансформаторов со встроенными реакторами. Напряжение питания для печных трансформаторов 6, 10, 35 и 110 кВ. Выключатели трансформаторов должны отключать до 2 – 3 эксплуатационных к.з. за каждую плавку. ДСП относятся к потребителям 2 категории, так как они не критичны к кратковременным перерывам подачи энергии. Для литейного цеха выбираем дуговые сталеплавильные печи типа ДСП-6 и печной трансформатор со следующими параметрами: Рн = 2,5 МВА; cosj = 0,84; ПВ=75%. Для компрессорной по исходным данным к дипломному проектированию выбираем синхронные двигатели со следующими параметрами: тип двигателя СДН-14-44-10, Uн =10кВ, n=600 об/мин, Рн = 630 кВт, Qном = 325 квар, К1 = 5,6 кВт, К2 = 4,06 кВт Для насосной 2-го подъема по исходным данным к дипломному проектированию выбираем асинхронные двигатели со следующими параметрами: тип двигателя А4-85/49-4У3, Рн = 800 кВт; hн = 94,9%, сosj = 0,88. 2 Расчет электрических нагрузок проектируемого объекта 2.1 Расчет силовых электрических нагрузок Нагрузка потребителей задана суммарным значением без указания числа и мощности отдельных приемников, максимальная расчетная нагрузка определяется по формуле
Qмс = Рмс ∙tgj (2.2) где Кс - коэффициент спроса, принимается по справочным данным; Рн - установленная мощность цехов. Все расчеты сводятся в таблицу 2.1 и 2.2. Таблица 2.1 Расчетные силовые нагрузки 0,4 кВ
Таблица 2.2 Расчетные силовые нагрузки 10 кВ
2.2 Расчет осветительных нагрузок цехов 2.2.1 Выбор нормируемой освещенности Тип источника света (ИС) должны производиться с учетом световой отдачи, срока службы, спектральных и электрических характеристик. Для внутреннего и внешнего освещения возможно применение лампы накаливания (ЛН), а также газоразрядных источников света (ГЛ), такие как ЛЛ, ДРЛ, МГЛ и другие. Люминесцентные лампы обязательны при повышенных требованиях к светоотдаче и рекомендуется применение при большей протяженности рабочих мест и при работе с блестящими предметами. Также при низких помещениях 6 - 8 м наиболее экономичны ОУ с ЛЛ. При освещении системой одного общего освещения помещений в которых выполняются работы зрительных разрядов 1 - 5, целесообразно применять ЛЛ. Лампы накаливания для общего освещения рекомендуется применять в помещениях, где проводятся зрительные работы 6 - 8 разрядов, а также если установка других ИС технически и экономически не целесообразна, помещений с тяжелыми условиями среды, если отсутствуют ОУ с ГЛ предназначенные для данных условий. При выборе типа источника света необходимо учитывать, что в низких помещениях (не выше 6 - 8 м) наиболее экономичны ОУ с ЛЛ, в помещениях высотой от 8 - 10 до 20 м наименьшие затраты имеют место для ОУ с ДРЛ Выбор системы освещения При технической невозможности или нецелесообразности устройства местного освещения допускается использование системы общего освещения. Система общего освещения должна использоваться для помещений, в которых выполняются зрительные работы 5 - 8 разрядов. Общее освещение, в том числе и в системе комбинированного, выполняется равномерным распределением источников света. Локализованное освещение используется для освещения вертикального освещения, выполняется в помещениях относящихся к 1, 2а, 2б, а также к 2в, 2г, 3 и 4 разрядами зрительных работ. Во вспомогательных помещениях применяется обычно система общего освещения с равномерным распределением светильников. Выбор уровня освещенности. Норма освещенности при проектировании устанавливается по отраслевым нормативным документам. При отсутствии указанных документов уровень нормативной освещенности устанавливается в соответствии со СНиП 23-05-95. При этом необходимо учитывать разряд зрительных работ, выбранный источник света, используемую систему освещения, отсутствие или наличие естественного света, особые случаи, требующие изменения освещенности на одну ступень. При наличии комбинированного освещения, общее должно составлять 10% всей нормируемой освещенности. При этом наибольшее значение не должно превышать 500 лк при газоразрядных и 100 лк при лампах накаливания. 2.2.2. Выбор светильников общего освещения Светотехнический выбор светильника Одной из основных характеристик светильника является его светораспределение, которое характеризуется классами и видами кривых силы света (КСС). Для освещения производственных предприятий в основном используются кривые К, Г, Д, Л. Чем выше помещение и чем выше нормируется освещенность, тем более концентрированными КСС должны обладать световые приборы. Выбор светильников по конструктивному исполнению Конструктивное исполнение светильников должно обеспечивать, пожарную безопасность, взрывобезопасность при установке во взрывоопасных помещениях, электробезопасность, надежность, долговечность, стабильность характеристик в данных условиях среды, удобство обслуживания. 2.2.3. Размещение светильников общего освещения Светильники должны быть размещены таким образом чтобы обеспечивать: безопасность и удобный доступ к светильникам для обслуживания; создания нормируемой освещенности наиболее экономичным путем; соблюдение качества освещения; наименьшая протяженность и удобство монтажа групповых сетей; надежность применения светильников; соблюдением типа ИС, рекомендуемой КСС, строительных параметров здания. Размещение светильников может быть комбинированным или локализованным. Равномерность распределения освещенности по освещаемой горизонтальной поверхности зависит от схемы расположения светильников, размещение их по длине и ширине помещения, расстояния крайних рядов светильников от стен или ряда колон, которое стоит принимать равным 0,3 -0,5 от расстояния между рядами светильников. 2.2.4. Расчет параметров искусственного освещения Светотехнический расчет осветительных установок выполняется методом удельных мощностей. Расчет производится на примере компрессорной. Задается высота производственного помещения и определяется расчетная высота по формуле: где h – высота помещения, м; hc – высота свеса светильника, для ЛЛ прикрепленной к потолку, hc =0 м; hг – высота плоскости нормирования освещенности. hр = 6,0-0-0,8=5,2 м. Рассчитывается индекс помещения по формуле: где a и b – длина и ширина модуля, м.
Выбираются коэффициенты отражения: потолка – 50%, стен – 30%, рабочей поверхности – 10%. Выбирается тип светильника и источника света в зависимости от характеристики среды, а также от кривых светораспределения. Выбирается осветительная установка с ЛЛ, тип светильников ЛСП 06. Светильник ЛСП 06 имеет КСС – Г-1 Удельная мощность где
Максимальную активная мощность равна: Руст = wрасч ∙Fцеха ,, (2.6) где Fцеха – площадь цеха. Руст = 10,15∙1944∙10-3 = 19,73 кВт. Активная расчетная мощность определяется по коэффициенту спроса, который для данного цеха принимается 0,85. Учитываются потери в ПРА равные 10% для ламп ДРЛ, для ЛЛ потери в ПРА равны 20%. Реактивная мощность определяется по коэффициенту мощности, для ламп ДРЛ cosj=0,5, tgj=1,73; для ламп ЛЛ cosj=0,95, tgj=0,33. Расчет для остальных цехов производится аналогично и сводится в таблицу 2.3. Таблица 2.3 Расчетные осветительные нагрузки цехов
2.3. Расчет наружного освещения При проектировании освещения дорог используются типовые решения. Расчет ведем для светильников типа РКУ 01-250-011 с лампами ДРЛ мощностью 250Вт, которые установлены на опорах в ряд освещаемого проезда. Схема расположения светильников – односторонняя. Ширина дороги – 10 м. Нормативная минимальная освещенность Ен = 2 лк, выбирается по таблице 1.7 /16/, в зависимости от интенсивности движения транспорта от 10 до 50 ед./ч для основных дорог. Светораспределение светильника – широкое, КСС – «Ш». Коэффициент запаса светильников с газоразрядными лампами Кз =1,5 Для лампы ДРЛ мощностью 250 Вт световой поток равен 13500 лм, КСС светильника - «Ш», тогда по таблице 1.8 /16/ определяем наименьшую высоту установки светильника 9,5м. Для определения относительной освещенности предварительно необходимо определить коэффициент ρ3
, для этого рассчитывается отношение Сумма относительных освещенностей:
Учитывая, что минимальная освещенность в точке А, (см. рисунок 2.1) создается одновременно двумя ближайшими светильниками, получаем:
d b = x
A a = y =D/2 Рисунок 2.1 Расположение точки минимальной освещенности А относительно расположения светильников на освещаемой поверхности По графикам условных изолюкс (рисунок 1.7 /16/) по величинам ε и ξ = Так как Округляя до ближайшего целого, получаем в = 44 м. Протяженность дорог L = 3,3 км. Количество светильников: N = L/D = 3300/44 = 75 шт. Активная мощность нагрузки наружного освещения определяется по формуле Р = Рл
∙N∙ Р = 0,25∙75∙1,1= 20,625 кВт Q = 20,625∙1,73 = 35,68 квар. Для второстепенных дорог и проездов – расчет аналогичен. Расчет ведем для светильников типа РКУ 01-250-011 с лампами ДРЛ мощностью 250Вт, которые установлены на опорах в ряд освещаемого проезда. Схема расположения светильников – односторонняя. Ширина дороги – 6 м. Нормативная минимальная освещенность Ен = 1 лк, выбирается по таблице 1.7 /16/, в зависимости от интенсивности движения транспорта менее 10 ед./ч для второстепенных дорог. Светораспределение светильника – широкое, КСС – «Ш». Коэффициент запаса светильников с газоразрядными лампами Кз =1,5 Для лампы ДРЛ мощностью 250 Вт световой поток равен 12500 лм, КСС светильника - «Ш», тогда по таблице 1.8 /16/ определяем наименьшую высоту установки светильника 9,5м. Для определения относительной освещенности предварительно необходимо определить коэффициент ρ3
, для этого рассчитывается отношение Сумма относительных освещенностей:
Учитывая, что минимальная освещенность в точке А, (см. рисунок 2.1) создается одновременно двумя ближайшими светильниками, получаем:
По графикам условных изолюкс (рисунок 1.7 /16/) по величинам ε и ξ = Так как Округляя до ближайшего целого, получаем в = 59 м. Шаг опор для светильников получился большим. Целеесообразнее для уменьшения шага использовать лампы мощностью 125 Вт. Протяженность дорог L = 1,605 км. Количество светильников: N = L/D = 1605/59 = 27 шт. Активная мощность нагрузки наружного освещения определяется по формуле Р = Руд
∙N∙ Р = 0,125∙27∙1,1= 3,713 кВт Q = 3,713∙1,73 = 6,423 квар. 2.4 Расчет охранного освещения По СНиП 23-05-95 охранное освещение (при отсутствии специальных технических средств охраны) должно предусматриваться вдоль границ территорий, охраняемых в рабочее время, освещенность должна быть равна 0,5 лк на уровне земли в горизонтальной плоскости. Расчет ведем для светильников типа СПО-200, мощность лампы 200 Вт. Ширина освещаемой зоны 10 м. Нормированная минимальная освещенность Ен =0,5лк. Высота расположения светильников 6 м. Коэффициент запаса светильников с лампами накаливания Кз =1,3. Световой поток лампы 2920 лм.
периметр b – ширина охраняемой зоны d A Рисунок 2.2 Расположение светильников и контрольной точки Учитывая, что минимальная освещенность в точке А, (см. рисунок 2.2) создается одновременно двумя ближайшими светильниками, получаем:
По рис. 1.6 /16/ определяется отношение h/d = 0,37, откуда расстояние до освещаемой точки в = 1622 м, тогда шаг светильника:
Округляя до ближайшего целого, получаем в = 26 м. Протяженность охранной зоны L = 2,505 км. Количество светильников: N = L/D = 2505/26 = 87 шт. Активная мощность нагрузки наружного освещения определяется по формуле Р = Рл ∙N Р = 0,2∙87 = 19,2 кВт 3. Выбор числа и мощности цеховых ТП и компенсирующих устройств 3.1 Выбор рекомендованного коэффициента загрузки Наивыгоднейшая загрузка цеховых трансформаторов зависит от категорийности питаемых электроприемников, от числа трансформаторов и способа резервирования. Рекомендовано, как правило применять следующие коэффициенты загрузки (Кз): а) при преобладании нагрузок 1-й категории при двухтрансформаторных подстанциях Кз=0,65-0,7; б) при преобладании нагрузок 2-й категории при однотрансформаторных подстанциях и взаимном резервировании трансформаторов по связям вторичного напряжения Кз=0,7-0,8; в) при преобладании нагрузок 2-й категории при наличии централизованного (складского) резерва трансформаторов, а также при нагрузках 3-й категории Кз=0,9-0,95. 3.2 Выбор целесообразной мощности трансформаторов в соответствии с нагрузками цехов В качестве ТП используем комплектные трансформаторные подстанции, которые располагаем в помещениях цехов. Крупные цеха имеют свои ТП, а мелкие получают питание от ТП ближайших крупных цехов через низковольтные РП. Распределение нагрузок по цехам показано в таблице 3.1. Таблица 3.1 Определение расчетной нагрузки на напряжении 0,4 кВ
Таблица 3.2 Определение расчетной нагрузки на напряжении 10 кВ
Число трансформаторов на цеховых подстанциях определяется в зависимости от категории надежности электроснабжения, удельной плотности нагрузки, числа рабочих смен, размеров цеха и др. Двухтрансформаторные подстанции рекомендуется выбирать: при преобладании нагрузки 1-й категории; при наличии электроприемников особой группы; для сосредоточенной цеховой нагрузки и отдельно стоящих объектов общезаводского назначения (насосные и компрессорные станции, газовое хозяйство и т.п.). При системе двухтрансформаторных подстанций также необходим складской резерв для быстрого восстановления нормального питания потребителей в случае выхода из работы одного из трансформаторов на длительный срок. Цеховые подстанции с числом трансформаторов более двух, как правило, экономически нецелесообразны и на новых предприятиях применяются в виде исключения только при надлежащем обосновании, например: если имеются мощные электроприемники, сосредоточенные в одном месте; если нельзя рассредоточить подстанции по условиям технологии или окружающей среды, например на текстильных фабриках, на некоторых предприятиях химии и в других аналогичных случаях; при питании совмещенных территориально цеховых нагрузок различного характера: силовые, электросварочные и другие, которые нельзя питать от общих трансформаторов. Работа трансформаторов как на цеховых подстанциях, так и на ГПП почти всегда бывает раздельная. Это упрощает релейную защиту и уменьшает токи КЗ в сети вторичного напряжения. Последнее особенно важно для выбора коммутационных аппаратов на напряжении до 1000 В, которые имеют недостаточную коммутационную способность и электродинамическую стойкость при трансформаторах мощностью 1000 кВА и более. При выборе трансформаторов следует иметь в виду, что в связи с ростом удельных плотностей электрических нагрузок во всех отраслях промышленности повысились наивыгоднейшие мощности цеховых подстанций по сравнению с теми, которые были рекомендованы в начале внедрения принципа разукрупнения цеховых подстанций. • при плотности нагрузки до 0,2 кВА/м2 целесообразно применять трансформаторы мощностью до 1000 кВА включительно; • при плотности 0,2—0,3 кВА/м2 и мощности цеха более 3000 Вт — мощностью 1600 кВА; • при плотности более 0,3 кВА/м2 целесообразность применения трансформаторов мощностью 1600 или 2500 кВА следует определять технико-экономическими расчетами. При технико-экономическом сопоставлении следует учитывать возрастание токов КЗ на вторичном напряжении при применении трансформаторов большей мощности. По условиям надежности действия защиты от однофазных коротких замыканий в сетях напряжением до 1000 В с глухозаземленной нейтралью следует применять на цеховых ТП трансформаторы со схемой соединения обмоток треугольник-звезда. Плотность нагрузки по цехам представлена в таблице 3.3. Таблица 3.3 Плотность нагрузки по цехам
В результате анализа мощности, площади и месторасположения цехов предполагается установка трансформаторов мощностью 250 кВ·А и 400 кВ·А. 3.3 Определение числа трансформаторов Минимальное число трансформаторов одной мощности
где РМ S - суммарная мощность цехов, где установлены трансформаторы одной мощности, кВт; Кз – коэффициент загрузки трансформаторов; Sн.т. – номинальная мощность трансформатора, кВА. DN – добавка до ближайшего целого числа. Оптимальное число трансформаторов где m – дополнительное число трансформаторов, определяется по рисунку 9.2 /17/. Число трансформаторов мощностью 400 кВ·А
Число трансформаторов мощностью 250 кВ·А
3.4 Выбор местоположения ТП и распределение нагрузок по ТП На проектируемом заводе устанавливаются КТП с трансформаторами ТМЗ 250/10 и ТМЗ 400/10. При питании от ТП нескольких РУ – 0.4 кВ ТП устанавливается в цехе с наибольшей нагрузкой. Если ТП необходимо ставить в цехе со взрыво-пожароопасной средой, то необходимо выполнять его отдельно стоящим, на расстоянии 12 –25 м от цеха. Если Sуд ³(0,2¸0,3) кВ·А/м2 , то рекомендуется разносить трансформаторы по цеху, с целью уменьшения потерь. В таблице 3.4 приведено распределение нагрузки по ТП. Таблица 3.4 Распределение нагрузки по ТП
Используются трансформаторные подстанции типа КТП-250/10/0,4 и КТП-400/10/0,4. При выборе числа и мощности трансформаторов учитывается необходимость максимального приближения полученного коэффициента загрузки трансформаторов Кз к выбранному ранее по /3/ значению 0,8. 3.5 Выбор низковольтных компенсирующих устройств Суммарную расчетную мощность компенсаторных батарей низкого напряжения (НБК), устанавливаемых в цеховой сети, определяют по формуле
где Qнк1 - суммарная мощность НБК, которую находим по формуле
где Qmax m - наибольшая реактивная мощность, которую целесообразно передавать через трансформаторы данной номинальной мощности, в сеть напряжением 0,38 кВ, определяемая по формуле , (3.6) где Nопт , Кз , Sн.тр - соответственно оптимальное число, коэффициент загрузки трансформаторов единой мощности Sн тр ; Pp , Qp - соответственно расчетные максимальные активная и реактивная мощности нагрузок трансформаторов единой мощности; Qнк2 - дополнительная мощность, которую рассчитывают по формуле
где g - коэффициент, который для двухступенчатой схемы питания трансформаторов от распределительных пунктов определяется по /17/ по формуле (3.8) где Кр1 = 9 - коэффициент, который определяется по /17/ в зависимости от числа смен работы предприятия и района его размещения; коэффициент g для магистрали с числом трансформаторов более трех находим по формуле (3.9) Для ТП, питающихся от РП с синхронными высоковольтными двигателями, Qнк2 не рассчитывается. Кроме того, в случае, если Qнк2 < 0 , то принимается Qнк2 = 0 . По табл. 4 - 34 /8/ подбираются комплектные конденсаторные установки напряжением Uн = 0,38 кВ с таким расчетом, чтобы их стандартная мощность Qнк ст была максимально приближена к расчетному значению Qнк . Определяем число и мощность НБК ТП1. Коэффициент g определяется по формуле (3.9)
Находится наибольшая реактивная мощность, которую целесообразно передавать через трансформатор мощностью Sн тр = 400 кВА по (3.6)
Определяется суммарная мощность НБК Qнк1 S для данного цеха по формуле (3.5)
Дополнительная мощность НБК Qнк2 для ТП1 по формуле (3.7)
Суммарную расчетную мощность конденсаторных батарей низкого напряжения, устанавливаемых в цеховой сети, определяем по формуле (3.4)
Выбираются конденсаторная установка типа 4хУКМ 58-04-300-33,3 УЗ суммарной мощностью 1200 квар. Тогда недокомпенсированная мощность: Qн =1190,79–1200=-9,21 квар. Для остальных ТП расчет аналогичен. Результаты расчета сведены в таблицу 3.5. Таблица 3.4 Выбор компенсирующих устройств на напряжении 0,4 кВ
3.6 Расчет потерь мощности в трансформаторах цеховых ТП и определение расчетной нагрузки на шинах 10 кВ В цеховых КТП установлены трансформаторы ТМЗ - 250 и ТМЗ – 400 со следующими пасортными данными по таблице 5.2.1 /15/: Таблица 3.5 Паспортные данные трансформаторов
Определяются потери активной мощности в трансформаторах ТП по формуле , (3.11) где DPх , DPк - потери активной мощности соответственно холостого хода и короткого замыкания в трансформаторе ТП; Кз - коэффициент загрузки трансформатора с учетом мощности НБК, который определяется по формуле , (3.12) где Sр тп - расчетная максимальная мощность ТП, рассчитываемая по формуле
Потери реактивной мощности в трансформаторах ТП определяются по формуле , (3.14) где DQхх , DQк , - потери реактивной мощности в трансформаторах ТП определяемые по формуле
где Iхх% , Uк% - соответственно ток холостого тока и напряжение короткого замыкания трансформатора, определяемые по таблице 5.2.1 /15/. Определяются приведенные потери активной мощности в трансформаторах ТП по (3.11), где за потери мощности принимаем приведенные потери холостого хода DP’х и короткого замыкания DP’к , которые определяем по формулам , (3.17) , (3.18) где Кип - коэффициент изменения потерь, который для цеховых ТП равен 0,07, для ГПП равен 0,05. Определяются потери мощности в трансформаторах ТП1. Рассчитывается максимальная мощность нагрузки этого ТП по (3.13)
Коэффициент загрузки рассчитывается по (3.12)
Потери активной мощности в трансформаторах ТП1 по (3.11)
Потери холостого хода в одном трансформаторе ТП1 по (3.15)
Потери короткого замыкания в одном трансформаторе ТП1 по (3.16)
Полные реактивные потери в трансформаторах ТП1 определяются по формуле (3.14)
Приведенные потери активной мощности холостого хода и короткого замыкания по (3.17), (3.18)
Полные активные потери в трансформаторах ТП1 по (3.11)
Расчет потерь мощности в трансформаторах остальных ТП аналогичен. Результаты расчета приведены в таблице 3.6. Таблица 3.6 Расчет потерь мощности в цеховых ТП
Активная мощность нагрузки на шинах 10 кВ с учетом потерь в трансформаторах ТП определяется по формуле
Расчетная силовая нагрузка цеха на шинах 10 кВ с учетом потерь мощности в трансформаторах ТП определяется по формуле
Определяется расчетная силовая нагрузка цеха по формулам (3.19), (3.20)
Расчет для остальных цехов аналогичен. Результаты сведены в таблицу 3.7. Таблица 3.7 Расчетная мощность нагрузки на шинах 10 кВ цеховых ТП
3.7 Расчет и построение картограммы электрических нагрузок, определение центра электрических нагрузок Для нахождения места размещения ГПП и ТП на генеральном плане предприятия наносится картограмма нагрузок Рi , представляющих собой окружности, площади которых равны pR2 и в выбранном масштабе М равны расчетной нагрузке Рi данных цехов.
Круг делится на сектора, каждый из которых равен нагрузке осветительной, силовой на низкой и высокой стороне. Площадь круга равна расчетной мощности цеха
где R - радиус круга данного цеха, мм; m - масштаб, принимаем к расчету 1 кВт = 0,1 мм2 .
Находятся углы секторов, соответствующие силовой нагрузке на низкой и высокой сторонам, осветительной нагрузкам
Все результаты расчетов приведены в таблицу 3.6. Центром электрических нагрузок является точка с координатами Хо , Уо , где сосредоточенна основная нагрузка , (3.28)
где Хi , Yi - геометрические координаты i - го цеха; Рi - активная мощность нагрузки i - го цеха; SРi - суммарная активная мощность нагрузки всего предприятия, кВт. , (3.30) где Рм S - сумма активных силовых и осветительных нагрузок; Рв/в - сумма активных нагрузок напряжением 10 кВ; n - количество цехов. Результаты расчета картограммы нагрузок приведены в таблице 3.8. Таблица 3.8 Расчет картограммы электрических нагрузок
Результаты определения центра электрических нагрузок сведены в таблицу 3.9. Таблица 3.9 Определение центра электрических нагрузок предприятия
4. Выбор числа и мощности трансформаторов на ГЛАВНОЙ ПОНИЗИТЕЛЬНОЙ ПОДСТАНЦИИ Основными требованиями при выборе числа трансформаторов ГПП являются: надежность электроснабжения потребителей, а также минимум приведенных затрат на трансформаторы. Надежность электроснабжения потребителей II категории обеспечивают резервами, вводимым автоматически или действиями дежурного персонала. Применяются двух трансформаторные подстанции, которые экономически более целесообразны чем подстанции с одним или большим числом трансформаторов. 4.1. Определение расчетной активной мощности, предприятия и реактивной мощности, получаемой от энергосистемы Расчетная активная мощность , (4.1) где Рм å (0,4кВ) - суммарная активная мощность цеховых трансформаторных подстанций с учетом потерь, кВт; Рм å в/в - суммарная активная высоковольтная мощность Рм å в/в = 8130 кВ
Определение оптимальной реактивной мощности Qэ1 , передаваемой из энергосистемы в сеть в период максимальных нагрузок энергосистемы. Расчет Qэ1 производится двумя способами. I способ (4.2) где a = 0,25 при Uн = 110 кВ и 0,2 при Uн = 35 кВ. Расчет приводится для напряжений 110 и 35 кВ
II способ , (4.3) где Qм S - суммарная реактивная мощность, квар; Qсд.э S - мощность вырабатываемая СД, квар; Nсд - количество установленных СД , (4.4) где Qр - суммарная мощность цеховых ТП с учетом потерь Qв/в - суммарная мощность высоковольтной нагрузки 10 кВ.
Экономически целесообразную загрузку по реактивной мощности определяют по формуле:
где Qн.сд - номинальная мощность СД; Звк - удельная стоимость 1 квар конденсаторной батареи; К1сд , К2сд - потери в СД, при его номинальной реактивной мощности; Срп - расчетная стоимость потерь, принимается 557,8 руб (за год умножается на 12).
где Ен , Еа , Етр - нормативные коэффициенты для линий, оборудования и НБК, приведены в таблице 4.1; DРуд - удельные потери мощности, равные 0,003 кВт; Qбат - мощность НБК, принятая равной 330 квар из условия Qбат ³ Qн. сд ; Кяч , Кбат - стоимость ячейки КРУ и НБК мощностью 330 квар, с учетом НДС принимаемые Кбат = 132,2 тыс. руб. (прайс-лист ООО «Энергопромавтоматика»), Кяч = 264,65 тыс. руб. (прайс-лист «Волготехкомплект»). Таблица 4.1 Нормативные коэффициенты
Определение Звк производится по формуле (4.6)
= 0,256 тыс. руб. Определение Qсд.э S производится по формуле (4.5)
Если окажется, что Qсд.э S > Qсд , то принимаем Qсд.э S = Qсд ,определяемый по формуле , (4.7) где Ксд - коэффициент загрузки СД по активной мощности , (4.8) где Рнз , Рн - заданная и номинальная мощности СД, соответственно 1417,5 и 630 кВт,
При дальнейшем расчете используются наименьшее значение Qэ1 , т.е. значение Qэ1 рассчитанное I способом по формуле (4.2)
4.2. Выбор числа и мощности трансформаторов на ГПП Как было отмечено выше, основную долю нагрузки предприятия составляют потребители II категории, для питания которых используются два масляных трансформатора. Выбор мощности производится для двух напряжений: 110кВ и 35 кВ. Определение полной мощности производится по формуле
где Крм - коэффициент разновременности максимума нагрузок, равный 0,95; РS - принимается равной Рр S = 14497,05 кВт; Qэ1
- принимается равной Для 110 кВ
Если на ГПП устанавливается два трансформатора, то номинальная мощность каждого из них определяется по условию
где Кз - коэффициент загрузки равный 0,8. Выбор силового трансформатора производится по таблице 5.2.2 /15/. Расчет и выбор силового трансформатора на 35 кВ производится аналогично и сводится в таблицу 4.2. Таблица 4.2 Паспортные данные силового трансформатора
4.3. Расчет потерь мощности и энергии в трансформаторах Данный расчет производится аналогично п. 3.5. Результаты расчетов сведены в таблицу 4.3 Потери энергии в трансформаторе DWтр определяются по следующей формуле:
где Твкл - время включения, принимаемое равным 8760 ч. tм - время максимальных потерь, равное 4573,8 ч.
Определение потерь мощности и энергии, в трансформаторах на 35 кВ производится аналогичным образом и сводится в таблицу 4.3. Таблица 4.3 Потери мощности и энергии в трансформаторах
5. Выбор принципиальной схемы подстанции Выбирается схема ГПП с перемычкой с высокой стороны, что повышает надежность электроснабжения. При нормальном режиме перемычка разомкнута. ГПП выполнена на основе блочного типа КТПБ-110/10. Упрощенная схема ГПП приведена на рисунке 5.1.
Рисунок 5.1 Типовая схема подстанции 110/10кВ. 6. Выбор рационального напряжения питающих ЛЭП 6.1. Расчет и проверка питающих ЛЭП Выбор питающих ЛЭП производится по экономической плотности тока. Определение экономического сечения производится по формуле , (6.1) где Iм - допустимый ток, А; Jэ - экономическая плотность тока, принимаемая по таблице 1.3.36 /6/ , (6.2) где Sм - суммарная полная мощность с учетом потерь.
Производится расчет на наряжение110 кВ
Принимается провод АС-70/11 с допустимым током Iдоп =265 А, Ro = 0,43 Ом/км Проверка по допустимому току
Данный провод удовлетворяет условиям короны – сечение провода должно быть не меньше 70 мм2 Расчет на 35 кВ производится аналогично данные сведены в таблицу 6.1. При строительстве ЛЭП принимается железобетонные опоры с двусторонним питанием. 6.2. Определение потерь энергии в ЛЭП Расчет потерь энергии в ЛЭП DWа производится по формуле
где n - число питающих линий, равное 2; R - сопротивление линии, Ом , (6.5) где L - длина ЛЭП, принимаемая равной 27 км, см.п. 1.1; Rо - удельное сопротивление линии. Расчеты для ЛЭП на 110 и 35 кВ сводятся в таблице 6.1. Таблица 6.1 Технико-экономические характеристики ЛЭП.
6.3. Технико-экономическое обоснование напряжения питающих Схема подключения завода к шинам районной подстанции
Рис. 6.1. а) Электроснабжение предприятия на U = 110 кВ б) Электроснабжение предприятия на U = 35 кВ Окончательное решение о принятии варианта напряжения питающих линий должно обосновываться технико-экономическими показателями системы в целом. Схема внешнего электроснабжения приведена на рис. 6.1. Минимум приведенных затрат
где Стоимость сооружения ЛЭП рассчитывается по формуле: где Стоимость оборудования ГПП рассчитывается по формуле: где Издержки на потери в ЛЭП рассчитываются по формуле: где Издержки на потери в трансформаторах рассчитываются по формуле: Стоимость 1 кВт заявленной мощности рассчитывается по формуле: где 1) Рассчитаем капитальные затраты для напряжения 35 кВ: Издержки на потери в ЛЭП: - издержки на потери в трансформаторах: - стоимость сооружения ЛЭП:
Стоимость оборудования ГПП: - стоимость разъединителей РНДЗ – 35/400 УХЛ 1
- стоимость выключателей ВВС-35-20/630 УХЛ1
- стоимость ОПН -35/40,5/10/1 – III УХЛ 1
- стоимость короткозамыкателей КЗ – 35
- стоимость отделителей ОД – 35/600
- стоимость трансформаторов ТМ – 10000/35
- стоимость ГПП Капитальные затраты на 35 кВ:
2) Рассчитаем капитальные затраты на 110 кВ: - издержки на потери в ЛЭП: - издержки на потери в трансформаторах: - стоимость сооружения ЛЭП:
Стоимость оборудования ГПП: - стоимость разъединителей РДЗ-110/1000 - УХЛ1
- стоимость выключателей ВВС-110-20/630 УХЛ1
- стоимость ОПН 110/73/10 400 1 УХЛ 1
- стоимость короткозамыкателей КЗ-110
- стоимость отделителей ОД-110/600
- стоимость трансформаторов ТДН-10000/110
- стоимость ГПП
Капитальные затраты на 110 кВ:
Сравнение приведенных затрат показывает, что стоимость варианта электроснабжения на напряжение 110 кВ с учетом ГПП меньше варианта на 35 кВ. Поэтому для дальнейших расчетов принимается схема внешнего электроснабжения на напряжение 110 кВ. 7. Составление баланса реактивной мощности для внутризаводской схемы электроснабжения Расчетная реактивная нагрузка в сетях 6-10 кВ промышленных предприятий Qвбк определяется по формуле
где SQвк(тп) - суммарная реактивная мощность нагрузки на шинах 10 кВ с учетом потерь в ТП; SQв/в - суммарная реактивная мощность высоковольтной нагрузки, без учета СД.
Выбирается ВБК типа 2хУКЛ(П)56-6,3(10,5)-900 У1 Итоговая мощность Qвбк с учетом выбранных батарей составляет
8. Расчет сети внутризаводского электроснабжения 8.1. Уточнение схемы электроснабжения с учетом высоковольтной нагрузки и расчет сечений кабельных линий. Расчет сечения кабельных линий выбирается по экономической плотности тока с последующей проверкой по длительно допустимым токовым нагрузкам нормального и аварийного режима и по термической стойкости к токам КЗ. Для расчета сечений кабельных линий, соединяющих ТП, необходимо знать рабочий максимальный ток, который протекает по рассматриваемому участку и определяется по формуле.
где Sм - полная мощность проходящая по рассматриваемому участку кабельной линии, кВА; Uн - напряжение на шинах РП, равное 10 кВ; n - количество кабелей в нормальном или аварийном режиме. Участок ГПП – РП , (8.2) Участок РП – ТП , (8.3) где Ррп S , Qрп S - суммарная активная и реактивная мощность приходящая на шины РП; Ркл , Qкл - активная и реактивная мощность проходящая по рассматриваемому участку кабельной линии; Расчет сечений кабельной линии ведется для наиболее загруженных одиночных магистралей отходящих от одной секции РП. Расчет проводится на примере РП1. , (8.4)
где Ртп S , Qвк S - суммарная активная и реактивная мощности рассматриваемого ТП; n- число трансформаторов на данном ТП. ТП8:
ТП3:
ТП1:
Активная Ркл и реактивная Qкл мощности проходящие по данному участку, определяется по формулам , (8.6) , (8.7) Тогда для участков (см. рисунок 8.1, 8.2): ТП1в-ТП1а:
Принимается стандартное сечение Производится проверка кабеля при работе в аварийном режиме, при котором должно соблюдаться условие: где
Расчеты для остальных РП и их участков производятся аналогично и результаты расчетов сводятся в таблицы 8.1 и 8.2. Расчеты для РУ-0.4 кВ также производятся аналогично, выбор сечений производится только по допустимому току, результаты выбора сведены в таблицу 8.3. Таблица 8.1 Расчет нагрузок по участкам кабельных линий напряжением 10 кВ
Рисунок 8.1 Схема соединения ТП от РП1
Таблица 8.2 Расчет сечений кабельных линий напряжением 10 кВ
Таблица 8.3 Расчет сечений кабельных линий напряжением 0,4 кВ
9 Расчет ТОКОВ КОРОТКОГО ЗАМЫКАНИЯ Проверка правильности выбора аппаратов и проводников напряжением 6 - 35 кВ производится по току трехфазного короткого замыкания (к.з.), а напряжением 110 кВ и выше - по току трехфазного или однофазного к.з. Расчет токов к.з. производят в основных коммутационных узлах схемы электроснабжения. Для определения наибольшего возможного тока к.з. в каждом узле следует считать включенными все генераторы в системе, все трансформаторы и линии электропередачи (ЛЭП) подстанции. Схема замещения для расчета токов к.з. представлена на рисунке 9.1. Расчет токов к.з. осуществляется в относительных единицах. Принимается за базисные величины Sб = 1200 МВА и среднее напряжение ступени с точками к.з. Uб1 = 115 кВ, Uб2 = 10,5 кВ. Базисный ток определяется по формуле:
Тогда для ступеней напряжений:
Сопротивления элементов схемы замещения: - индуктивное сопротивление ВЛ в о.е. приведенное к базисной мощности: Хвл
= Худвл
×L× где Худвл =0,444 Ом/км – индуктивное сопротивление ВЛ 110 кВ /18/. Х2 = 0,444×27× - активное сопротивление ВЛ в о.е. приведенное к базисной мощности: rвл
= rудвл
×L× где rудвл =0,428 Ом/км – активное сопротивление ВЛ 110 кВ /18/. r2 = 0,428×27× - полное сопротивление ВЛ в о.е. приведенное к базисной мощности: z2 = zвл
= z2 = zвл
= - трансформатор мощностью 10МВА: Хтр
= rтр
= Х3 = r3 = - кабельные линии: Хкл
= rкл
= где n – количество кабельных линий. Х4 = r4 = Расчеты для остальных кабельных линий аналогичны и сведены в таблицу 9.1.
Рисунок 9.1. Схема замещения для расчета токов к.з. Таблица 9.1 Расчет сопротивлений кабельных линий
Расчет токов к.з. для точки К1 Iк1
= где Х1 S - суммарное сопротивление до точки к.з. Х1 S = Х1 + Х2 Х1 S = 0,32 + 1,09 = 1,41 r1 S = r2 r1 S = 1,05 Суммарное сопротивление определяется по формуле 9.4 z1
S
= Iк1
= Определяем ударный ток в точке К1
где Ку – ударный коэффициент, зависящий от постоянной времени Та апериодической составляющей тока к.з.
где w = 2×p×f = 2×p×50 = 314 – уголовая частота
Тогда ударный ток в точке К1 составляет:
Наибольшее действующее значение ударного тока к.з.
Токи к.з. для остальных точек рассчитываются аналогично. Результаты расчетов сведены в таблицу 9.2. Таблица 9.1 Расчет токов короткого замыкания
При определении токов к.з. учитывается подпитка от двигателей высокого напряжения: подпитку от синхронных двигателей учитывают как в ударном, так и в отключаемом токе к.з; подпитку от асинхронных двигателей – только в ударном токе к.з. Сверхпереходный ток синхронного двигателя определяется по выражению:
где
где n – число двигателей.
Максимальный ток подпитки от асинхронных двигателей определяется по выражению:
Тогда с учетом подпитки от токов к.з. - для точки К2: Iкп
= Iкп сист
+2× - для точки К3: - для точки К4: Iкп
= Iкп сист
+ Таблица 9.2 Расчет токов короткого замыкания с учетом подпитки от двигателей
Схема снабжения предприятия имеет два РП. РП укомплектованы камерами типа КСО-285. Все РП, включая РП ГПП, выполнены двухсекционными на напряжении 10 кВ. От РП ГПП запитаны РП1 и РП2. От РП1 запитаны ТП1, ТП3 и ТП8. От РП2 запитаны ТП2, ТП4, ТП5, ТП6 и ТП7. На каждой секции сборных шин РП установлены трансформаторы напряжения, служащие для подключения измерительных приборов учета, контроля электроэнергии и релейной защиты. В проекте к установке предусматриваются комплектные ТП предприятия «Волготехкомплект» с трансформаторами по 400 и 250 КВА. Тип - КТПГ-250/10, КТПГ-400/10. На стороне 10 кВ установлены шкафы ввода ШВВ-3 в которых установлены выключатели нагрузки типа ВНМ, а так же силовые предохранители типа ПКТ 101-10. На стороне 0,4 кВ прием и распределение энергии со шкафов ШНВ-3У3 в которых установлены выключатели ВА 55-43. Для секционирования шин 0,4 кВ применяются шкафы типа ШНС-2 с секционными выключателями ВА 55-41. 10.3.1. Проверка оборудования на стороне 110 кВ Результаты расчетов и номинальные параметры аппаратов сводятся в таблицу 10.1. При проверке на термическую стойкость используется выражение теплового импульса: Вк = (Iп0 )2 (tоткл + Ta ), кА2 сЅ (10.1) tоткл = tрз max + tпв - время отключения короткого замыкания, с, tрз max = 1 с – максимальное время действия релейной защиты, tпв = 0,04 с – полное время отключения выключателя, Ta = 0,045 с – постоянная затухания апериодической составляющей тока КЗ. Вк = (3,42)2 (1+0,04 + 0,004) = 12,69 кА2 сЅ Таблица 10.1 Сводная таблица по выбору высоковольтных аппаратов
Результаты расчета и номинальные параметры выключателей сведены в таблицу 10.2. - для ВВЭ-М-10-20: tпо = 0,04 с; t = tрз min + tпо = 0,01+0,04 = 0,05 с b » 32%. ia
t
=
Вк
= ( Таблица 10.2 Сводная таблица по выбору выключателей
По результатам проверки выключатели проходят по всем параметрам. Окончательно устанавливаются на вводах ГПП выключатель ВВЭ-М-10-20 с Iном = 1000 А. В ячейках РУ ГПП устанавливаются выключатели того же типа с Iном = 630 А 10.3.2 Выбор предохранителей на ТП со стороны 10 кВ ПКТ 101-10 Предохранители проверяются по следующим параметрам: 1. номинальное напряжение сети Uc ном ≤ Uном Uc ном = 10 кВ Uном = 10 кВ 2. номинальный ток плавкой вставки и номинальный ток патрона предохранителя для защиты трансформатора со стороны высокого напряжения должны удовлетворять условию
где Кн – коэффициент надежности для отстройки от броска тока намагничивания при включении трансформатора, Кн = 1,5 – 2 при Sн.тр. ³ 160 кВА.
3. начальное значение периодической составляющей тока к.з. за предохранителем. Iкп ≤ Iоткл (10.3) где Iоткл – предельный симметричный ток отключения патрона предохранителя. 4,66 ≤ 20 кА. 11 релейная защита трансформаторов дсп В литейном цехе установлены две дуговые сталеплавильные печи. Паспортные данные трансформатора: Sн = 2500 кВА, Р = 2100 кВт, Uн = 10 кВ, ПВ = 75%, cosj = 0,84. 11.1 Общие положения по проектированию электропечныхустановокНа линиях, питающих электропечные установки (трансформаторы), и самих трансформаторах должны предусматриваться устройства релейной защиты, действующие при: многофазных замыканиях в линии, питающей электропечную установку, и в трансформаторе; всех видах к.з. в трансформаторе; сверхтоках перегрузки. Несмотря на значительную мощность трансформаторов электропечных установок, дифференциальная защита не предусматривается. Ее выполнение затруднено тем, что трансформаторы тока со стороны низшего напряжения отсутствуют или имеют характеристики, резко отличающиеся от характеристик трансформаторов тока со стороны питания. 11.2 Тип и особенности выполнения защитыЗащита от многофазных замыканий на в линии и трансформаторе представляет собой максимальную токовую защиту без выдержки времени в двухфазном двух- или трехрелейном исполнении, установленную со стороны высшего напряжения за кабельной линией. Для защиты трансформатора от всех видов повреждений внутри кожуха трансформатора используется газовая защита, которая выполняется аналогично соответствующей защите трансформаторов с обмоткой высшего напряжения 6 кВ и выше. Защита от сверхтоков перегрузки представляет собой максимальную токовую защиту в трехфазном трехрелейном исполнении , выполненную на реле с зависимой от тока характеристикой выдержки времени и установленную со стороны низкого напряжения электропечного трансформатора. Защиты действуют на отключение короткого замыкания ближайшим к месту повреждения выключателем. 11.3 Расчет защитМаксимальная токовая защита от многофазных замыканий. Ток срабатывания зашиты
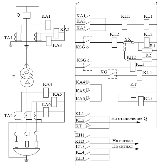
где
Выбирается трансформатор тока с коэффициентом трансформации:
где Iт.ном – номинальный ток трансформатора на стороне ВН; Iнн.тт – номинальный ток трансформатора тока на стороне НН (Iнн.тт = 5 А); Ксх – коэффициент схемы (для ТТ соединенных в звезду Ксх = 1)
Выбирается трансформатор с Определяется ток срабатывания реле по формуле:
Защита выполняется на реле типа РТ-40 в 3-х релейном исполнении (рисунок 11.1). Газовая защита от повреждений внутри бака электропечного трансформатора. Газовая защита от повреждений внутри кожуха, сопровождающихся выделением газа, и от понижения уровня масла должна быть предусмотрена: - для трансформаторов мощностью 6,3 МВА и более; - для внутрицеховых понижающих трансформаторов мощностью 630 кВА и более. Газовую защиту можно устанавливать также на трансформаторах мощностью 1-4 МВА. Газовая защита должна действовать на сигнал при слабом преобразовании и понижении уровня масла и на отключение при интенсивном газообразовании и дальнейшем понижении уровня масла. Защита от повреждений внутри кожуха трансформатора, сопровождающихся выделением газа, может быть выполнена также с использованием реле давления. Принимается для установки – газовое реле РГЧЗ-66. Сигнальный орган защиты срабатывает, когда объем газа в реле достигнет 400 см3 . Чувствительность отключающего элемента может изменяться в зависимости от скорости потока масла - 0,6 м/сек, 0,9 м/сек, 1,2 м/сек. Выдержка времени отключающего элемента составляет 0,1ч0,15 с при скорости потока масла, превышающего его уставку в 1,5 раза. Схема газовой защиты предусматривает перевод ее действия только на сигнал, переводом контактной накладки с цепи отключения в цепь сигнализации (рисунок 11.1). Токовая защита от перегрузки включается через трансформаторы тока, установленные на стороне низшего напряжения. Учитывая возможность несимметрии токов фаз, защиту от перегрузки выполняют трехфазной. Параметры ее срабатывания выбирают таким образом, чтобы при токе срабатывания Iс.з.
= (1,4... 1,5) выдержка времени составляла tс.з. » 10 с. При этом также обеспечивается отстройка от токов эксплуатационных к.з.
Iс.з.
= (1,4... 1,5) Выбирается трансформатор тока с Кт = 6000/5 типа ТЛШ-10. Ток срабатывания реле:
Т – электропечной трансформатор Q – выключатель ТА1, ТА2 – трансформаторы тока КА1 – КА3 – реле тока типа РТ-40 КА4 – КА6 – реле тока типа РТ-84 KL1 – KL5 – реле промежуточное типа РП-23 КТ – реле времени типа ЭВ-132 КН1 – КН2 – реле указательные типа РУ-21 KSG – контакт газового реле типа РГЧЗ-66 SX – накладка контактная R1 – R2 – сопротивления Рисунок 11.1 Принципиальная схема. защиты ДСП 12 Проектирование районной подстанции 12.1 Построение графиков электрических нагрузок Электрическая подстанция предназначена для электроснабжения промышленного района. На напряжении 35 кВ от электрической подстанции будут питаться 4 ЛЭП, а на напряжении 10 кВ 7 РП. Мощность энергосистемы и относительное сопротивление току к.з. в системе соответственно равны: Sc = 3000 МВА и Хс = 1,1 о.е. при заданном Ubh = 110 кВ. Принципиальная схема положения электрической подстанции в энергосистеме
L=75 км Электрические нагрузки подстанции определяют для выбора силовых трансформаторов, электрических аппаратов и токопроводов. Данные для построения суточных графиков электрических нагрузок на среднем и низком напряжениях указаны в задании отдельно для летнего и зимнего периодов.
Рисунок 12.2 Суточный график нагрузок, 35 кВ, лето
Рисунок 12.3 Суточный график нагрузок, 10 кВ, зима
Рисунок 12.4 Суточный график нагрузки, 10 кВ, лето Для построения суточных графиков нагрузок подстанции на высшем напряжении найдем суммарные значения Р и Q нагрузок на среднем и низком напряжении для каждой ступени графика. Затем определим полную мощность. Для зимнего периода (по рис.1 и 3): t = 0-8 час Р1 S = Р1СН +Р1НН = 10+15 = 25 МВт В задании указаны значения cosj1 = cosj2 = 0,9, следовательно j1 = j2 = 25,8° Q1 S = 25×tg25,8° = 12 Мвар
t = 8 - 12 час Р1 S = Р1СН +Р1НН = 15 + 25 = 40 МВт Q1 S = 40×tg25,8° = 19,2 Мвар
t = 12 - 16 час Р1 S = Р1СН +Р1НН = 15 + 30 = 45 МВт Q1 S = 45×tg25,8° = 21,6 Мвар
t = 16 - 20 час Р1 S = Р1СН +Р1НН = 20 + 35 = 55 МВт Q1 S = 55×tg25,8° = 26,4 Мвар
t = 20 - 24 час Р1 S = Р1СН +Р1НН = 20 + 45 = 65 МВт Q1 S = 65×tg25,8° = 31,2 Мвар
Для летнего периода (по рис.2 и 4): t = 0-8 час Р1 S = Р1СН +Р1НН = 8+10 = 18 МВт Q1 S = 18×tg25,8° = 8,64 Мвар
t = 8 - 12 час Р1 S = Р1СН +Р1НН = 10 + 15 = 25 МВт Q1 S = 25×tg25,8° = 12 Мвар
t = 12 - 16 час Р1 S = Р1СН +Р1НН = 10 + 20 = 30 МВт Q1 S = 30×tg25,8° = 14,4 Мвар
t = 16 - 20 час Р1 S = Р1СН +Р1НН = 15 + 22 = 37 МВт Q1 S = 37×tg25,8° = 17,76 Мвар
t = 20 - 24 час Р1 S = Р1СН +Р1НН = 17 + 30 = 47 МВт Q1 S = 47×tg25,8° = 22,56 Мвар
Результаты расчетов сведем в таблицу. Таблица 1.1 – Суточные графики электрических нагрузок на высшем напряжении
Построение годового графика нагрузки по продолжительности производится на основании известных графиков за летние и зимние сутки. При построении годового графика по оси ординат откладываются нагрузки, кВт, по оси абсцисс - часы года от 0 до 8760 ч. Нагрузки на графике располагаются в порядке убывания от Рmax до Рmin . Продолжительность потребления нагрузки Тi определяется по длительностям ступеней суточных графиков ti и количеству календарных дней зимы Nзим = 210 и лета Nлет = 155, причем STi = 8760 ч.
Рисунок 12.5 Суточные графики нагрузок, 110 кВ Годовой график по продолжительности на стороне ВН: T1 = t1 ×Nзим = 4×210=840 ч.; T2 = t2 ×Nзим = 4×210=840 ч.; T3 = t3 ×Nлет = 4×155=620 ч; T4 = t4 ×Nзим = 4×210=840 ч.; T5 = t5 ×Nзим = 4×210=840 ч.; T6 = t6 ×Nлет = 4×155=620 ч.; T7 = t7 ×Nлет = 4×155=620 ч.; T8 = t8 ×Nзим + t9 ×Nлет = 8×210+4×155=2300 ч.; T9 = t10 ×Nлет = 8×155=1240 ч.
Рисунок 12.6 Годовой график по продолжительности, 110 кВ По построенному графику определяем следующие показатели и коэффициенты: годовое потребление активной энергии W; годовое число часов использования максимума активной мощности Тmax; время максимальных потерь t. Годовое потребление активной энергии, МВт·ч: где Si – мощность i-й ступени графика, МВА; ti – продолжительность i-й ступени графика, ч. Wгод = 72,1×840+61,07×840+52,13×620+49,22×840+44,37×840+41,04×620+33,28×620+ +27,7×2300+19,97×1240 = 357350,2 МВт·ч. Годовое число часов использования максимума активной мощности Smax нагрузки, ч. Время максимальных потерь, ч, Годовой график по продолжительности на стороне СН: T1 = t1 ×Nзим = 8×210=1680 ч.; T2 = t2 ×Nлет = 4×155=620 ч.; T3 = t3 ×N лет + t4 ×Nзим = 4×155+8×210=2300 ч.; T4 = t5 ×(Nзим +N лет ) = 8×(210+155)=2920 ч.; T5 = t6 ×N лет = 8×155=1240 ч.
Годовое потребление активной энергии, МВт·ч по формуле (1.1): Wгод = 20×1680+17×620+15×2300+10×2920+8×1240 = 117760 МВт·ч. Годовое число часов использования максимума активной мощности Рmax нагрузки, ч. согласно (1.2):
Время максимальных потерь, ч. по формуле (1.3):
Годовой график по продолжительности на стороне НН: T1 = t1 ×Nзим = 4×210=840 ч.; T2 = t2 ×Nзим = 4×210=840 ч.; T3 = t3 ×(Nлет + Nзим ) = 4×(155+210)=1460 ч.; T4 = t4 ×Nзим = 4×210=840 ч.; T5 = t5 ×Nлет = 4×155=620 ч.; T6 = t6 ×Nлет = 4×155=620 ч.; T7 = t7 ×Nлет +t8 ×Nзим = 4×155+8×210=2300 ч.; T8 = t9 ×Nлет = 8×155=1240 ч.
Рисунок 12.8 Годовой график по продолжительности, 10 кВ Годовое потребление активной энергии, МВт·ч , Wгод = 45×840+35×840+30×1460+25×840+22×620+20×620+15×2300+10×1240= 204940 МВт·ч. Годовое число часов использования максимума активной мощности Рmax нагрузки, ч.
Время максимальных потерь, ч,
При выборе числа трансформаторов (автотрансформаторов) на подстанции следует руководствоваться требованиями к надежности электроснабжения, определяемыми категориями потребителей. На подстанциях с высшим напряжением 35 - 750 кВ рекомендуется устанавливать два трансформатора (автотрансформатора). При соответствующем технико-экономическом обосновании или при наличии двух средних напряжений допускается установка более двух трансформаторов (автотрансформаторов). Мощность трансформаторов выбирается так, чтобы при отключении наиболее мощного из них на время ремонта или замены, оставшиеся в работе, с учетом их допустимой перегрузки и резерва по сетям среднего и низшего напряжений, обеспечивали питание нагрузки. Согласно ГОСТ в аварийном режиме допускается работа трансформатора с перегрузом на 40% не более 5 суток, и временем перегрузки не более 6 часов в сутки. Расчетная мощность трансформатора (автотрансформатора) определяется на основании построенных суточных графиков нагрузок, по которым находят максимальную нагрузку подстанции. Обычно мощность каждого трансформатора (автотрансформатора) двухтрансформаторной подстанции выбирают равной (0,65-0,7) суммарной максимальной нагрузки подстанции. Суммарная максимальная нагрузка подстанции согласно рисунку 12.5: Smax = 72,1 МВА Мощность одного трансформтора: SНТ = 0,7×Smax = 0,7×72,1 = 50,47 МВА По стандартной шкале номинальных мощностей трансформаторов выбираем трансформатор: 2хТРДЦН – 63000/110 SНОМ = 63 МВА, UВН = 115 кВ, UСН = 36,5 кВ, UНН = 10,5 кВ, uкВ-С = 16,2%, uкВ-Н = 28,8%, uкС-Н = 12,6%, Рк ВН-СН = 220 кВт, Рх = 74 кВт, Iх% = 0,5, С=150 тыс.р. После выбора номинальной мощности трансформатора производится проверка на допустимость систематических перегрузок. Допускаемые систематические перегрузки трансформатора в основном зависят от конфигурации графика нагрузок, системы охлаждения трансформатора, постоянной времени трансформатора t и температуры окружающего воздуха и определяются по двухступенчатому суточному графику нагрузок. Если исходный суточный график нагрузок многоступенчатый, то его необходимо преобразовать в эквивалентный (в тепловом отношении) двухступенчатый. Для этого из графика выделяют первую и вторую ступени. Переменную нагрузку в пределах каждой ступени заменяют неизменной нагрузкой, создающей потери такой же величины, как и переменная нагрузка. Величина этой эквивалентной нагрузки может быть определена по выражению, кВ*А: где n - число ступеней многоступенчатого графика; ti - длительность i-й ступени графика, ч; Si - нагрузка i-й ступени графика, кВ×А. Преобразование заданного графика нагрузок в эквивалентный двухступенчатый: - проводим на заданном графике горизонтальную линию с ординатой, равной номинальной мощности трансформатора, предполагаемого к установке; - пересечением этой линии с исходным графиком выделяем участок наибольшей перегрузки продолжительностью h'=4ч;
Рисунок 12.9 Построение двухступенчатого графика по суточному графику нагрузок трансформатора - оставшуюся часть исходного графика разбиваем на m интервалов Dti с нагрузкой в каждом интервале Si ; - определяем начальную нагрузку SЭ1 эквивалентного графика (мощность первой ступени) из выражения, кВ×А:
Коэффициент начальной нагрузки
Предварительный коэффициент максимальной нагрузки
Коэффициент максимальной нагрузки
Т.к. К’2 >0.9×КMAX , 1.14>1,026, принимаем К2 = К’2 = 1,14. Определяем продолжительность перегрузки:
Используя [2] по средней эквивалентной температуре окружающей среды t°= -10° и продолжительности перегрузки, определяем допустимость относительной нагрузки: К2ДОП = 1,35 К2ДОП ³ К2 , 1,35 > 1,14. Систематические перегрузки являются допустимыми. 12.3 Расчет токов короткого замыкания Согласно [3] проверка правильности выбора аппаратов и проводников напряжением 6 - 35 кВ производится по току трехфазного к.з., а напряжением 110 кВ и выше - по току трехфазного или однофазного к.з. Расчет токов к.з. производят в основных коммутационных узлах подстанции. Для определения наибольшего возможного тока к.з. в каждом узле следует считать включенными все генераторы в системе, все трансформаторы и линии электропередачи (ЛЭП) подстанции. Расчет сопротивлений элементов схемы замещения подстанции в относительных единицах: сопротивление системы Х*с = Хс ×(Sб /Sс ) = 1,1×(3000/3000) = 1,1, где Хс - заданное эквивалентное сопротивление системы, отнесенное к мощности системы Sc ; Sб - принятое значение базисной мощности, МВ×А; Sб = Sс = 3000 МВ×А. сопротивление воздушной линии Х*Л = Х0 ×l×(Sб /U2 ) = 0.4×75×(3000/1102 ) = 7,43, где Х0 - сопротивление 1км линии, Ом/км; 1 - длина линии, км; U - напряжение ступени, где находится воздушная линия, кВ. сопротивления трехобмоточного трансформатора Х*В = 0,005×(uкВН-СН + uк ВН-НН -uк СН-НН )×(Sб /SНТ ); Х*С = 0,005×(uк ВН-СН + uк СН-НН -uк ВН-НН )×(Sб /SНТ ); (12.5) Х*Н = 0,005×(uк ВН-НН +uк СН-НН - uк ВН-СН )×(Sб /SНТ ), где uкВН-СН ,, uк ВН-НН ,-uк СН-НН - соответственно напряжения к.з, между обмотками высшего и среднего, высшего и низшего, среднего и низшего напряжений для выбранного трансформатора, %; Х*В = 0,005×(16,2+ 28,8 - 12,6)×(3000/63) = 7,71; Х*С = 0,005×(16,2 + 12,6 - 28,8)×(3000/63) = 0; Х*Н = 0,005×(28,8 + 12,6 - 16,2)×(3000/63) = 6. На схеме замещения все сопротивления обозначены порядковыми номерами, под чертой указана величина сопротивления. Определение периодической составляющей тока к.з. В общем случае значение периодической составляющей равно, кА: IП
= где Е*э - эквивалентная ЭДС источников питания, о.е.; Х*э - эквивалентное сопротивление схемы до точки к.з., о.е.; базисное значение тока, кА
Рисунок 12.10 Схема замещения для расчета токов к.з. В дипломном проекте можно принять Е*э = 1, тогда IП
= 1) для точки К-1
Х*Э1 = Х*с + Х*Л /2 = 1,1+7,43/2 = 4,82 По формуле (12.8) определим ток к.з. IП1
= 2) для точки К-2
Х*Э2 = Х*Э1 + Х*В /2 = 4,82+7,71/2 = 8,68 По формуле (3.4) определим ток к.з. IП2
= 3) для точки К-3 4)
а) выключатель разомкнут Х*Э3 = Х*Э2 + Х*Н = 8,68+6 = 14,68 I’П3
= б) выключатель замкнут Х*Э3 = Х*Э2 + Х*Н /2 = 8,68+6/2 = 11,68 I’’П3
= Для дальнейшего расчета будем использовать I’П3 = 11,24 кА. 12.4 Выбор кабельных линий к РП Сечение кабелей должно удовлетворять следующим требованиям: экономичность, стойкость к нагреву в форсировочном режиме, термической стойкости при к.з. Сечение кабелей рассчитывается по экономической плотности тока. Для кабелей с алюминиевыми жилами при Тmax = 4554,22 час jэк =1,4 А/мм2 . где Iр.м. – ток расчетный максимальный, А где n – число кабелей, проложенных в земле, При проверке кабелей на длительно допустимый ток учитывают число рядом проложенных в земле кабелей Iр.ф. £ I’дл.доп I’дл.доп = КN *Iдл.доп , где КN – поправочный коэффициент на число работающих кабелей.При проверке на термическую стойкость необходимо, чтобы выполнялось условие: С=92; tф = tРЗ + tПО + Та = 0,8+0,12+0,05=0,97 с Например, для первого РП: n = 6 Выбираем стандартное сечение 3-х жильного кабеля с алюминиевыми жилами. qст = 185 мм2 Для этого сечения длительно допустимый ток Iдл.доп. = 340 А Iр.ф = Iр.м. ·2 = 71,28×2 = 142,56 А КN = 0,75 142,56 £ 255. Выбранное сечение кабеля удовлетворяет условиям проверки на нагрев. Выбор сечения кабелей на остальных РП осуществляется аналогично, поэтому результаты расчетов сведем в таблицу. Таблица 12.2 Расчет сечения кабелей, отходящих от РП
Сечение шин выбирается по экономической плотности тока и проверяется на стойкость к нагреву в форсировочном режиме и электродинамическую стойкость. Определим расчетный максимальный ток нормального режима:
Iр.ф. =2×Iр.м. =2749,28 А.
jЭ = 1,1 для алюминиевых шин при Тmax = 4554,22 час. Выбираем шины коробчатого сечения qст = 2440 мм2 Iдл.доп. = 6430 А > Iр.ф = 2749,28 А. Основные параметры шин: h =175 мм, b=80 мм, с=8мм, r=12 мм; моменты сопротивления Wх-х = 122 см3 , Wy - y = 25 см3 , Wy 0- y 0 = 250 см3 , моменты инерции Jx - x = 1070 см4 , Jy - y = 114 см4 , Jy 0- y 0 = 2190 см4 . Проверка шин на электродинамическую стойкость производится по значению ударного тока трехфазного к.з.
где Ку = 1+е –0,01/Та = 1+е –0,01/0.05 = 1.8 – ударный коэффициент. При этом должно соблюдаться условие sдоп = 70 МПа Усилие между фазами при протекании тока к.з.:
где l = 1,2 м – длина шины между изоляторами, а = 0,2м – расстояние между осями соседних фаз. Напряжение в материале шин при взаимодействии фаз, МПа:
т.е. условие (12.13) соблюдается. 12.6 Выбор гибких проводов на ВН и СН Сечение шин выбирается по экономической плотности тока и проверяется на стойкость к нагреву в форсировочном режиме, термическую стойкость и по условиям коронирования. Выбор проводов на ВН
jЭ = 1,1 для сталеалюминевых проводов при Тmax = 4956,31 час. Выбираем провод АС-185/24, Iдл.доп. = 520 А Iр.ф. = 2×Iр.м = 378,44 А, т.е. условие Iр.ф. £ Iдл.доп выполняется. Проверка на термическую стойкость выполняется по условию: Iн.т. ³ IП1, где IП1 = 3,12 кА – см. расчет токов к.з. для точки К-1.
С=90; tф = tРЗ + tПО + Та = 0,2+0,06+0,05=0,31с 29,9 > 3,21 кА, т.е. выбранное сечение термически стойко. При проверке проводов по условиям коронирования должно выполняться условие: 1,07×Е £ 0,9×Е0 (12.14) где Е – напряженность электрического поля около поверхности нерасщепленного провода, кВ/см; Е0 – критическая начальная напряженность поля, при которой возникает разряд в виде короны, кВ/см. где r0 – радиус провода, см; r0 = DПР /2=1,89/2 = 0,945 DПР – диаметр провода, /15/; Dср – среднегеометрическое расстояние между проводами фаз, см, Dср = 1,26×D =1,26×400 = 504 D = 400 расстояние между проводами фаз, см. где m=0,82 – коэффициент, учитывающий шероховатость поверхности провода. Определим значения Е и Е0 :
условие (12.14) 1,07×15,11 = 16,17 £ 0,9×32,49 = 29,24 не выполняется. В РУ 110 кВ для уменьшения коронирования применяют расщепление проводов фаз. Напряженность электрического поля около поверхности расщепленного провода, кВ/см: где К – коэффициент, учитывающий число проводов n в фазе; rЭ – эквивалентный радиус расщепленного провода, см. Возьмем число проводов в фазе n=4, тогда
где а= 20 см – расстояние между расщепленными проводами.
условие (12.14) 1,07×6,08 = 6,51 £ 0,9×32,49 = 29,24 выполняется Выбор проводов на СН
jЭ = 1 для сталеалюминевых проводов при Тmax = 5888 час. При выборе проводов до шин СН ток Iдл.доп сравниваем с форсированным током Выбираем провод сечение120/27 Iдл.доп. = 375 А Iр.ф. = 2×Iр.м = 366,58 А, т.е. условие Iр.ф. £ Iдл.доп выполняется. При выборе проводов после шин СН ток Iдл.доп сравниваем с рабочим максимальным.
где n=4 – количество отходящих линий.
Выбираем сечение 16/2,7 Iдл.доп. = 111 А условие Iр.м. £ Iдл.доп выполняется. 12.7 Выбор электрических аппаратов В РУ 110 кВ и 35кВ установим маломасляные выключатели. Условия выбора выключателей: Uуст £ Uном, Iр.ф. £ Iном In £ Iн . д ., iу £ iскв In £ Iн . откл , ia t £ ia н Вк £ I2 н . т . ·tн . т . Условия выбора разъединителей: Uуст £ Uном , Iфорс £ Iном , iу £ iскв , Вк £ I2 н.т. ·tн.т. Выбор выключателей и разъединителей на ВН Выберем тип выключателя: ВМТ – 110Б – 20/1000 УХЛ1 Номинальные параметры: Uном =110 кВ; Iном = 1000 А; Iн.д. = 20 кА; iскв = 52 кА; Iн.откл =20 кА; βн =25%; Iн.т. /tн.т =20кА/3с; tпо = 0,08с; tс.в = 0,05с;
I2 н.т. ·tн.т = 202 ×3=1200 кА2 ×с Расчетные параметры:
где t - время от момента возникновения к.з. до начала размыкания контактов выключателя, с t = tрз min + tс.в = 0,01 + 0,05 = 0,06 с; Та = 0,03 с – постоянная времени для ВЛ 110 кВ. Тепловой импульс, кА2 ×с:
где tотк - время отключения к.з. tотк = tрз max + tпо = 0,2 + 0,08 = 0,28 с. Таблица 12.3 Условия выбора и проверки выключателей
Выберем тип разъединителей: РНДЗ – 1 - 110/630 Т1, РНДЗ – 2 - 110/630 Т1, тип привода ПР – Т1 Номинальные параметры: Uном = 110 кВ; Iном = 630 А; iскв = 100кА; Iн.т. /tн.т =40кА/3с; I2 н.т. ·tн.т = 402 ×3=4800 кА2 ×с. Расчетные данные такие же, как для выключателей. Таблица 12.4 Условия выбора и проверки разъединителей
Выбор выключателей и разъединителей на СН Выберем тип выключателя: ВМКЭ – 35А – 16/1000 У1 Номинальные параметры: Uном =35 кВ; Iном = 1000 А; Iн.д. = 26 кА; iскв = 45 кА; Iн.откл =16 кА; βн =21%; Iн.т. /tн.т =16,5кА/4с; tпо = 0,11с; tс.в = 0,08с;
I2 н.т. ·tн.т = 16,52 ×4=1089 кА2 *с Расчетные параметры:
где t - время от момента возникновения к.з. до начала размыкания контактов выключателя, с t = tрз min + tс.в = 0,01 + 0,05 = 0,06 с; Та = 0,02с – постоянная времени для ВЛ 35 кВ. Тепловой импульс, кА2 ×с:
где tотк - время отключения к.з. tотк = tрз max + tпо = 0,2 + 0,08 = 0,28 с. Таблица 12.5 Условия выбора и проверки выключателей
Выберем тип разъединителей: РНДЗ –1–35/1000 ХЛ1, РНДЗ–2– 35/1000 ХЛ1, тип привода ПВ – 20 У2 Номинальные параметры: Uном =35 кВ; Iном = 1000 А; iскв = 63кА; Iн.т. /tн.т =25кА/4с; I2 н.т. ·tн.т = 252 *4=2500 кА2 ×с. Расчетные данные такие же, как для выключателей. Таблица 12.6 Условия выбора и проверки разъединителей
13 определения удельной величины энергетической составляющей себестоимости продукции 13.1 Расчет стоимости электроэнергии, потребленной промышленным предприятием за год Полная стоимость потребленной электроэнергии рассчитывается по формуле
где И’ Э – стоимость потребленной электроэнергии; ИПОТ.Э
– стоимость потерь электроэнергии в трансформаторах (ИПОТ.Э
=ИΔ
W
(ТР-РА)
= = Стоимость потребленной электроэнергии определяется по формуле где а – основная ставка (а=557,8 руб/кВт – для U=20-1кВ); в – дополнительная ставка (в=1,05 руб/кВт∙ч – для U=20-1кВ); ΣР – суммарная активная мощность предприятия (ΣР= ЭГОД – количество потребленной электроэнергии предприятием за год. Потребленная электроэнергия предприятием за год вычисляется по формуле потребленная электроэнергия предприятием за год
стоимость потребленной электроэнергии
полная стоимость потребленной электроэнергии
13.2 Определение годовой заработной платы рабочих и ИТР Для определения численности эксплуатационного и ремонтного персонала необходимо привести годовой баланс рабочего времени, а также рассчитать суммарную величину единиц ремонтной сложности по электрохозяйству предприятия и суммарную трудоемкость по текущему и среднему ремонту объектов электрохозяйства. Годовой баланс рабочего времени предоставлен в таблице 13.1. Таблица 13.1 Годовой баланс рабочего времени
Трудоемкость текущих ремонтов определяется по формуле
где Ni – количество единиц i-го оборудования; ЕРСi – единица ремонтной сложности i-ой единицы оборудования; nТ i – количество текущих ремонтов для i-ой единицы оборудования за год; tТ – количество времени, приходящееся на одну ЕРС для текущего ремонта (tТ =1,2ч). Трудоемкость средних ремонтов вычисляется по формуле
где nС i – количество текущих ремонтов для i-ой единицы оборудования за год; tС – количество времени, приходящееся на одну ЕРС для текущего ремонта (tТ =7ч). Число рабочих мест для эксплуатационного персонала рассчитывается по следующей формуле где ΣЕРС – суммарная ремонтная сложность электрохозяйства предприятия (ΣЕРС=2733,604); К – норма обслуживания единицы ремонтной сложности, приходящиеся на одного человека (К принимается равным 800). Таблица 13.2 Расчетные трудоемкости элементов схемы электроснабжения
Явочная численность эксплуатационного персонала вычисляется как
где nСМ – количество рабочих смен в течении суток для расчетного предприятия (для данного промышленного предприятия nСМ принимается равным 2). явочная численность эксплуатационного персонала
Суточная численность обслуживающего персонала определяется по формуле
где КИРГ – коэффициент использования рабочего года (КИРГ =0,812 – см. таблицу 13.1). суточная численность обслуживающего персонала
Требуемое количество рабочих для проведения текущих ремонтов рассчитывается по формуле
где ΣТ – суммарная трудоемкость электрохозяйства предприятия (ΣТ приведена в таблице 13.2 и равна 52020,955 ч); ФД – действительный фонд рабочего времени (ФД =1629,64 ч – см. таблицу 13.1); КВН – коэффициент выполнения нормы (КВН принимается равным 1,1). требуемое количество рабочих для проведения текущих ремонтов
Основная заработная плата рабочих эксплуатационников вычисляется по формуле
где βПР – коэффициент, учитывающий премиальные выплаты (bПР = 1,1); КТ =30% - для г.Владивостока; Зi – часовая тарифная ставка (для 4-го разряда Зi составляет 17 руб за час). основная заработная плата рабочих эксплуатационников
Дополнительная заработная плата составляет 50% от основной заработной платы дополнительная заработная плата
Основная заработная плата ремонтных рабочих будет определяться по формуле где Зi – часовая тарифная ставка (для 4-го разряда Зi составляет 16 руб за час). Основная заработная плата ремонтных рабочих
Дополнительная заработная плата ремонтных рабочих берется из расчета 50%-ов от основной заработной платы дополнительная заработная плата ремонтных рабочих
Общий годовой фонд по рабочим рассчитывается как общий годовой фонд по рабочим
Полный годовой фонд заработной платы ИТР вычисляется по формуле где ОК i – должностные оклады (на предприятии работают главный энергетик и два мастера: главный энергетик – ОК =5300руб, мастер ОК =4000руб). полный годовой фонд заработной платы ИТР
Общий годовой фонд заработной платы по электрохозяйству предприятия определяется по формуле общий годовой фонд заработной платы по электрохозяйству предприятия
13.3 Определение годовых отчислений на социальные нужды Отчисления на социальные нужды производятся в соответствии с существующими параметрами во внебюджетные социальные фонды. Расчет отчислений на социальные нужды производится по следующей формуле где aСН – норма отчислений на социальные нужды (aСН принимается равной 26,2%). отчисления на социальные нужды
13.4 Определение годовых амортизационных отчислений на Амортизационные отчисления рассчитываются по установленным нормам на реновацию в процентах от первоначальной стоимости электротехнического оборудования и внутризаводских электрических сетей по следующей формуле где НРЕН А i – норма амортизационных отчислений на реновацию: - для силового электротехнического оборудования U до 150 кВ– НРЕН А =3,5 %; - для синхронных и асинхронных двигателей – НРЕН А =5,3 %; - для силовых кабелей – НРЕН А =4 %; - Кi – капитальные затраты на электротехническое оборудование и внутризаводские электрические сети. Расчет данных капитальных затрат приведен в таблице 13.3. Таблица 13.3 Расчет капитальных затрат на электротехническое оборудование и внутризаводские электрические сети
Годовые амортизационные отчисления на реновацию
13.5 Определение годовых отчислений в ремонтный фонд Годовые отчисления в ремонтный фонд определяются по формуле где НК.РЕМ А – норма амортизационных отчислений в ремонтный фонд (принимается равной 2,9%). ∑К – общие капиталовложения в электротехническое оборудование и внутризаводские сети (∑К=14519,417 тыс.руб). годовые отчисления в ремонтный фонд
Стоимость затрат на материалы определяется в процентах к основной заработной плате рабочих по ремонту и обслуживанию оборудования где αМ – норма отчислений на расходуемые материалы при текущем ремонте и обслуживании электрохозяйства предприятия (αМ принимается равной 60%); ИО З.П.І – годовые отчисления на основную заработную плату эксплуатационных и ремонтных рабочих. Годовые отчисления на основную заработную плату вычисляются по формуле годовые отчисления на основную заработную плату эксплуатационных и ремонтных рабочих
Стоимость материалов
13.7 Определение прочих ежегодных затрат Величина прочих затрат определяется по формуле где αПР. – норма отчислений на прочие затраты (αПР. принимается равной 25%). прочие ежегодные затраты
13.8 Расчет электроэнергетической составляющей себестоимости продукции промышленного предприятия Электроэнергетическая составляющая полной себестоимости продукции промышленного предприятия определяется формулой Электроэнергетическая составляющая полной себестоимости продукции промышленного предприятия
13.9 Расчет удельной величины энергетической составляющей Результаты расчетов и затрат сводятся в таблицу 13.4 и определяются суммарные затраты промышленного предприятия, обусловленные использованием электроэнергии. Таблица 13.4 Расчет суммарных затрат
Удельная величина энергетической составляющей себестоимости продукции рассчитывается по формуле удельная величина энергетической составляющей себестоимости продукции
14 РАСЧЁТ ЗАЗЕМЛЕНИЯ ГПП. СРЕДСТВА ЗАЩИТЫ 14.1 Назначение и принцип действия защитного заземления Заземление электроустановок осуществляется преднамеренным соединением их с заземляющим устройством. Заземляющим устройством называется совокупность заземлителя -металлических проводников (электродов), соединенных между собой и находящихся в непосредственном соприкосновении с землёй и заземляющих проводников, соединяющие заземляемые части электроустановок с заземлителем. Назначение защитного заземления — устранение опасности поражения током в случае прикосновению к корпусу электроустановки и другим нетоковедущим металлическим частям, оказавшимся под напряжением вследствие замыкания на корпус и по другим причинам. Принцип действия защитного заземления — снижение до безопасных значений напряжений прикосновения и шага, обусловленных замыканием на корпус и другими причинами. Это достигается путем уменьшения потенциала заземленного оборудования (уменьшением сопротивления заземлителя), а также путем выравнивания потенциалов основания, на котором стоит человек, и заземленного оборудования (подъемом потенциала основания, на котором стоит человек, до значения, близкого к значению потенциала заземленного оборудования). 14.2 Выбор предварительной схемы заземляющего устройства на В установках напряжением выше 1000 В с эффективно заземленной нейтралью при выполнении заземляющего устройства с соблюдением требований, предъявляемых к его сопротивлению, размещение электродов должно обеспечить возможно полное выравнивание потенциала на площадке, занятой электрооборудованием. С этой целью заземлитель должен быть выполнен в виде горизонтальной сетки из продольных и поперечных проводников, уложенных в земле на глубине 0,5-0,7 м, и вертикальных электродов. При этом контурный электрод, образующий периметр сетки, должен охватывать все сооружения защищаемого объекта. Продольные проводники сетки прокладывают вдоль осей электрооборудования и конструкций со стороны обслуживания на расстоянии 0,8-1,0 м от фундамента или основания оборудования. Поперечные заземлители следует прокладывать в удобных местах между оборудованием на глубине 0,5-0,7 м от поверхности земли. Расстояния между ними рекомендуется принимать увеличивающимся от периферии к центру заземляющей сетки. Если контур заземляющего устройства располагается в пределах внешнего ограждения электроустановки, то у входов и въездов на ее территорию следует выравнивать потенциал путем установки двух вертикальных заземлителей у внешнего горизонтального заземлителя напротив входов и въездов. Вертикальные заземлители должны иметь длину 3-5 м, а расстояние между ними должно быть равно ширине входа или въезда. Заземляющее устройство, которое выполняется с соблюдением требований, предъявляемых к напряжению прикосновения, также должно иметь заземлитель в виде сетки. При этом размещение продольных и поперечных заземлителей должно определяться требованиями ограничения напряжений прикосновения до нормированных значений и удобством присоединения заземляемого оборудования. Расстояния между продольными и поперечными горизонтальными искусственными заземлителями не должно превышать 30 м, а глубина заложения их в грунт должна быть не менее 0,3 м. У рабочих мест допускается прокладка заземлителей на меньшей глубине, если необходимость этого подтверждается расчетом, а наличие их не снижает удобства обслуживания электроустановки и срока службы заземлителей. Для снижения напряжения прикосновения у рабочих мест в обоснованных случаях может быть сделана подсыпка щебня слоем толщиной 0,1 - 0,2 м. Во всех случаях следует: Заземляющие проводники, присоединяющие оборудование или конструкции к заземлителю, прокладывать в земле на глубине не менее 0,3 м. Вблизи мест расположения заземляемых нейтралей силовых трансформаторов, короткозамыкателей прокладывать продольные и поперечные горизонтальные заземлители (в четырех направлениях); При выходе заземляющего устройства за пределы ограждения электроустановки горизонтальные заземлители, находящиеся вне территории электроустановки, прокладывать на глубине не менее 1 м. Внешний контур заземляющего устройства в этом случае рекомендуется выполнять в виде многоугольника с тупыми или скругленными углами. Внешнюю ограду электроустановок не рекомендуется присоединять к заземляющему устройству. Если от электроустановки отходят воздушные линии электропередачи напряжением 110 кВ и выше, то ограду следует заземлять с помощью вертикальных заземлителей длиной 2-3 м, установленных у ее стоек по всему периметру через 20-50 м. Такие заземлители не требуются для ограды с металлическими стойками и со стойками из железобетона, арматура которых электрически соединена с металлическими звеньями ограды. Не следует устанавливать на внешней ограде электроприемники напряжением до 1000 В, которые питаются непосредственно от понижающих трансформаторов, расположенных на территории электроустановки. При размещении электроприемников на внешней ограде их питание следует осуществлять через разделяющие трансформаторы. Эти трансформаторы не допускается устанавливать на ограде. Линия, соединяющая вторую обмотку разделяющего трансформатора с электроприемником, расположенным на ограде, должна быть изолирована от земли исходя из расчетного значения напряжения на заземляющем устройстве. Во избежание выноса потенциала не допускается питание электроприемников, находящихся за пределами заземляющих устройств электроустановок напряжением выше 1000 В сети с эффективно заземленной нейтралью, от обмоток напряжением до 1000 В с заземленной нейтралью трансформаторов, находящихся в пределах контура заземляющего устройства. 14.3 Расчет сложного заземлителя в двухслойной земле Цель расчета защитного заземлителя: определить основные параметры заземления - число, размеры и порядок размещения одиночных заземлителей и заземляющих проводников, при которых напряжения прикосновения и шага в период замыкания фазы на заземленный корпус не превышают допустимых значений. Данные для расчета: Расчет ведем для понижающей подстанции ГПП, которая имеет два трансформатора 110/10 кВ с эффективно заземленной нейтралью со стороны 110 кВ; Территория подстанции занимает площадь S = 1645,2 м2 ; Заземлитель предполагаем выполнить из горизонтальных полосовых электродов сечением 4 х 40 мм и вертикальных стержневых электродов длиной lв = 5 м, диаметром в = 12 мм, глубина заложения электродов в землю t = 0,8 м; Удельное сопротивление верхнего слоя земли в месте сооружения заземления (торф) по таблице 3.10 /15/ принимаем r1 = 20 Ом×м; удельное сопротивление нижнего слоя (глина каменистая) принимаем r1 =100 Ом×м, мощность верхнего слоя земли h1 = 2,8 м; В качестве естественного заземлителя принимается металлическая оболочка кабеля – Rкаб = 1 Ом. Расчетный ток замыкания на землю на стороне 110 кВ определяем по формуле:
где Е* - ЭДС энергосистемы, принимаем 1;
Расчетный ток замыкания на землю составит:
Требуемое сопротивление искусственного заземлителя рассчитывается по формуле
где RE - сопротивление растеканию естественного заземлителя (RЕ = RKAB =1); R3 - требующееся сопротивление заземлителя (согласно /6/ для U=110 кВ - R3 = 0,5 Ом). Требуемое сопротивление искусственного заземлителя
Составляем предварительную схему заземлителя, приняв контурный тип заземлителя, то есть в виде сетки из горизонтальных полосовых и вертикальных стержневых (длиной lв =5 м) электродов. Вертикальные электроды размещаем по периметру заземлителя (см. рисунок 14.1).
Рисунок 14.1 Предварительная схема заземлителя По предварительной схеме определяем суммарную длину горизонтальных и количество вертикальных электродов: LГ = 708,4 м; n = 32 шт. Составляем предварительную расчетную модель заземлителя в виде квадратной сетки площадью S = 1645,2 м2
. Длина одной ее стороны
Принимаем m = 8. Уточняем суммарную длину горизонтальных электродов по формуле:
Длина стороны ячейки в модели
Расстояние между вертикальными электродами
Суммарная длина вертикальных электродов Lв = n×lb (14.8) Lв =32×5 = 160 м. Относительная глубина погружения в землю вертикальных электродов
Относительная длина верхней части вертикального электрода, то есть части, находящейся в верхнем слое земли:
Расчетное эквивалентное удельное сопротивление грунта rэ определяем по формуле: rэ = r2 ×(r1 /r2 )k , (14.11) где r1 и r2 - удельные сопротивления верхнего и нижнего слоев земли соответственно, Ом×м; k - показатель степени.
Рисунок 14.2 Расчетная модель заземлителя Предварительно находим значения r1 /r2 и k: r1 /r2 = 20/100 = 0,2. Поскольку 0,1 <r1 /r2 <1, значение k находим по формуле:
Определяем rэ по формуле (14.11): rэ = 100×(20/100)0,272 = 64,44 Ом. Общее сопротивление заземлителя определяем по формуле:
Значение коэффициента А при 0,1 < tотн < 0,5 будет рассчитываться по формуле: А = 0,385 – 0,25×tотн (14.14) А = 0,385 – 0,25×0,14 = 0,35 Вычисляем общее сопротивление заземлителя:
Определяем потенциал заземляющего устройства в аварийный период:
Этот потенциал допустим, так как он меньше 10 кВ. Таким образом, искусственный заземлитель подстанции должен быть выполнен из горизонтальных пересекающихся полосовых электродов сечением 4 х 40 мм общей длиной не менее 730,1 м и вертикальных стержневых в количестве не менее 32 штук диаметром 12 мм, длиной по 5 м, размещенных по периметру заземлителя, по возможности равномерно, то есть на одинаковом расстоянии один от другого, глубина погружения электродов в землю 0,8 м. При этих условиях сопротивление искусственного заземлителя подстанции Rи будет не более 0,5 Ом . 14.4. Порядок пользования средствами защиты. Персонал, обслуживающий электроустановки, должен быть снабжен всеми необходимыми средствами защиты, обеспечивающими безопасность его работы. Средства защиты должны находится в качестве инвентарных в распределительных устройствах, в цехах электростанций, на трансформаторных подстанциях и распределительных пунктах электросетей или входить в инвентарное имущество оперативно-выездных бригад, бригад централизованного ремонта, передвижных лабораторий и пр., а также выдаваться для индивидуального использования. Инвентарные средства защиты распределяются между объектами, оперативно-выездными бригадами и пр., в соответствии с системой организации эксплуатации, местными условиями и нормами комплектования. Такое распределение с указанием мест хранения должно быть зафиксировано в списках, утвержденных главным инженером предприятия или начальником сетевого района. Ответственность за своевременное обеспечение персонала и комплектование электроустановок испытанными средствами защиты в соответствии с нормами комплектования, организацию правильного хранения и создание необходимого резерва, своевременное производство периодических осмотров и испытаний, изъятие непригодных средств и за организацию учета средств защиты несут начальник цеха, службы, подстанции, участка сети, мастер участка, в ведении которого находится электроустановки или рабочие места, а в целом по предприятию - технический руководитель предприятия. Таблица 14.1 Нормы комплектования средствами защиты
Согласно /20/ расчет зоны защиты молниеотводов сводится к построению пространства вблизи их. Объекты открытых распределительных устройств станций и подстанций, которые располагаются на большой территории, защищаются несколькими молниеотводами. Внутренняя часть зоны защиты нескольких молниеотводов не строится. Объект высотой hx , находящийся внутри треугольника или прямоугольника, образуемого молниеотводами будет защищен в том случае, если диаметр окружности, проходящей через вершины молниеотводов, или диагональ прямоугольника, в углах которого находятся молниеотводы, не будет больше по приведенному неравенству на высоте hх , т.е. D £ 8р(h - hx ). (14.16) или выполнение неравенства rcx > 0 для всех попарно взятых молниеотводов. Зона защиты многократного стержневого молниеотвода определяется как зона защиты попарно взятых соседних стержневых молниеотводов высотой h £ 150 м. Торцевые области зоны защиты двойного стержневого молниеотвода определяются как зоны одиночных стержневых молниеотводов, габаритные размеры которых определяются по формулам: h0 = 0,85h, (14.17) r0 = (1,1 — 0,002h)h, (14.18) rx = (1,1 — 0,002h)(h — hx /0,85), (14.19) где h – полная высота молниеотвода, м; hх – высота защищаемого объекта, м. Внутренние области зон защиты двойного стержневого молниеотвода имеют следующие габаритные размеры (при h < L £ 2h):
Габаритные размеры внутренней области зоны защиты пары молниеотводов разной высоты определяются по формулам:
Результаты расчетов для каждой пары молниеотводов сведены в таблицу 14.2. В соответствии с проведенными расчетами система молниеотводов обеспечивает требуемую надежность оборудования ГПП от поражения грозовыми разрядами. Таблица 14.2 Результаты расчета зон защиты молниеотводов
ЗАКЛЮЧЕНИЕ Разработанный дипломный проект несет учебный характер. В результате проектирования разработана схема электроснабжения завода, рассчитано уличное освещение территории завода и внутренне освещение цехов; выбраны сечения кабелей; выбрано два трансформатора на ГПП; цеховые комплектные трансформаторные подстанции; выбраны аппараты. СПИСОК ИСПОЛЬЗОВАННЫХ ИСТОЧНИКОВ 1. Айзенберг Ю.Б. Справочная книга по светотехнике – М.: Энергоатомиздат, 1983. 2. Кнорринг Г.М. Справочная книга для проектирования электрического освещения. – Л.: Энергия, 1976. 3. Федоров А.А., Старкова Л.Е. Учебное пособие для курсового и дипломного проектирования по электроснабжению промышленных предприятий. – М.: Энегоатомиздат, 1987. 4. Справочник по электроснабжению и электрооборудованию /Под редакцией А.А. Федорова/ - М.: Энергоатомиздат, 1986. 5. Ермилов А.А. Основы электроснабжения промышленных преприятий. – М.: Энергоатомиздат, 1983. 6. Правила устройства электроустановок /Минэнерго СССР. – М: Энегроатомиздат, 1985. 7. Справочные материалы Главэнергонадзора – М.: Энергоатомиздат, 1986. 8. Справочник по электроснабжению промышленных предприятий. Промышленные электрические сети /Под редакцией А.А. Федорова и Г.В. Сербиновского/ - М.: Энегроатомиздат, 1973. 9. Справочник по электрическим установкам высокого напряжения /Под редакцией И.А. Баумштейна и М.В. Хомякова/ - М.: Энергоатомиздат, 1981. 10. Справочник по электроснабжению промышленных предприятий. Электрооборудование и автоматизация /Под редакцией А.А. Федорова и Г.В. Сербинского/ - М.: Энергоатомиздат, 1974. 11. Князевский Б.А., Липкин Б.Ю. Электроснабжение промышленных преприятий. – М.: Высшая школа, 1986. 12. Справочник по проектированию электроснабжения /Под редакцией Ю.Г. Барыбина и др./ - М.: Энергоатомиздат, 1990. 13. Методические указания «Электрическая часть станций и подстанций» - Владивосток, 1987. 14. Неклепаев Б.Н., Крючков И.П. Электрическая часть станций и подстанций.: Справочные материалы для курсового и дипломного проектирования: Учебное пособие для вузов – 4-ое изд. перераб. и доп. – М.: Энергоатомиздат, 1989. 15. Алиев И.И. Электротехнический справочник. – 4-е изд., испр. – М.: ИП РадиоСофт, 2001. – 384 с.: ил. 16. Методические указания «Проектирование электрического освещения» - Владивосток, 1987. 17. Иванов В.С., Соколов В.И. Режимы потребления и качества электроэнергии систем электроснабжения промышленных предприятий. – М.: Энергоатомиздат, 1987 18. РД 153-34.0-20.527-98 Руководящие указания по расчету токов короткого замыкания и выбору электрооборудования. Утверждены Департаментом стратегии развития и научно-технической политики 23.03.1998 г. 19. Андреев В.А. Релейная защита и автоматика систем электроснабжения: Учеб. пособие для вузов по спец. «Электроснабжение». – 3-е изд., перераб. и доп. – М.: Высш. шк., 1991 – 446 с., ил. 20. РД 34.21.122-87 Инструкция по устройству молниезащиты зданий и сооружений Утверждена Главтехуправлением Минэнерго СССР 12 октября 1987г. |
|||||||||||||||||||||||||||||||||||||||||||||||||||||||||||||||||||||||||||||||||||||||||||||||||||||||||||||||||||||||||||||||||||||||||||||||||||||||||||||||||||||||||||||||||||||||||||||||||||||||||||||||||||||||||||||||||||||||||||||||||||||||||||||||||||||||||||||||||||||||||||||||||||||||||||||||||||||||||||||||||||||||||||||||||||||||||||||||||||||||||||||||||||||||||||||||||||||||||||||||||||||||||||||||||||||||||||||||||||||||||||||||||||||||||||||||||||||||||||||||||||||||||||||||||||||||||||||||||||||||||||||||||||||||||||||||||||||||||||||||||||||||||||||||||||||||||||||||||||||||||||||||||||||||||||||||||||||||||||||||||||||||||||||||||||||||||||||||||||||||||||||||||||||||||||||||||||||||||||||||||||||||||||||||||||||||||||||||||||||||||||||||||||||||||||||||||||||||||||||||||||||||||||||||||||||||||||||||||||||||||||||||||||||||||||||||||||||||||||||||||||||||||||||||||||||||||||||||||||||||||||||||||||||||||||||||||||||||||||||||||||||||||||||||||||||||||||||||||||||||




, (2.5)
D
L
(3.29)


Рисунок 8.2 Схема соединения ТП от РП2
(9.10)
=
= 1,18 кА

Рисунок 12.1 Суточный график нагрузок, 35 кВ, зима




Рисунок 12.7 Годовой график по продолжительности, 35 кВ
, (12.4)


(12.15)
(12.16)
, (12.17)

