Контрольная работа: Расчет настройки токарно затыловочного станка модели 96
|
Название: Расчет настройки токарно затыловочного станка модели 96 Раздел: Промышленность, производство Тип: контрольная работа |
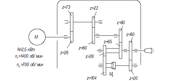
Министерство образования и наук Украины Сумский государственный университет Кафедра «Технология машиностроения, станки и инструменты» Расчет настройки токарно – затыловочного станка модели 96 Индивидуальное задание по дисциплине «Металлообрабатывающие оборудование » Сумы 2007 Настройка токарно – затыловочного станка модели К96 для затылования червячной фрезы с винтовыми канавками. 1. Цепь главного движения 1.1 Ротор э/д М; шпиндель V; 1.2 nэ об/мин ротора э/д М → nш об/мин шпинделя V;
где V – скорость резанья при зубодолблении, м/мин; D – диаметр обработки; Принимаю ближайшее значение оборотов шпинделя [1 с.58] n = 12 об /мин. УКБ:
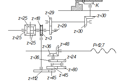
2. Цепь деления и обката. 2.1 Шпиндель V; кулачок. 2.2 nш об/мин шпинделя V → z/к об. кулачка.
где z – число канавок; к – число заходов. iп – передаточное отношение перебора(iп =1/16).
Проверка:
2.3 УКБ:
3. Цепь движения подач. 3.1 Шпиндель V; ходовой винт VIII; 3.2 nш об/мин шпинделя V → sмм прод. перемещения суппорта;
где m –модуль нормальный;
Где β – угол наклона винтовой канавки (50 43/ )
Проверка:
3.3 УКБ:
4. Цепь дифференциала 4.1 Ходовой винт; кулачок; 4.2
где Т – шаг винтовой линии. При
Проверка:
4.3 УКБ:
Рисунок 1 – Кинематическая схема цепи главного движения
Рисунок 2 – Кинематическая схема цепь деления и обката
Рисунок 3 – Кинематическая схема цепи подачи
Рисунок 4 – Кинематическая схема радиальной подачи Литература 1. Металлорежущие станки (альбом общих видов, кинематических схем и узлов) / А.М. Кучер, М.М. Покровський. – 3-е изд., перераб. и доп. – М.: Машиностроение, 1972. – 308 с. 2. Методические указания к лабораторной работе «Изучение принципа действия, конструкции и кинематики затыловочного станка модели 1Е811» по курсу «Металлорежущие станки и роботы» / Сост. Н.Н. Коротун. – Харьков: Харьк. политехн. ин-т, 1990. – 16 с. 3. Металлорежущие станки: Учебник для машиностроительных вузов / Под ред. В.Э. Пуша. – М.: Машиностроение, 1985. – 256 с. |









