Дипломная работа: Современное сварочное оборудование
|
Название: Современное сварочное оборудование Раздел: Промышленность, производство Тип: дипломная работа | |||||||||||||||||||||||||||||||||||||||||||||||||||||||||||||||||||||||||||||||||||||||||||||||||||||||||||||||||||||||||||
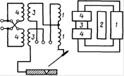
План 1. Назначение и конструкция изделия 2. Материал детали и его свойства 3. Разработка технологического процесса сборки и сварки 2. Техника безопасности на строительно-монтажной площадке 3. Рациональная организация рабочего места 4. Требования НОТ к производственным условиям Современное сварочное оборудование. Основные требования. Важным условием получения сварного шва высокого качества является устойчивость процесса сварки. Для этого источники питания дуги должны обеспечивать возбуждение и стабильное горение дуги. Возбуждение сварочной дуги начинается с короткого замыкания сварочной цепи - контакта между электродом и деталью. При этом происходит выделение теплоты и быстрое разогревание места контакта. Эта начальная стадия требует повышенного напряжения сварочного тока. В дальнейшем происходит некоторое уменьшение сопротивления дугового промежутка (вследствие эмиссии электронов с катода и появления объемной ионизации газов в дуге), что вызывает снижение напряжения до предела, необходимого для поддержания устойчивого горения дуги. При переходе капель электродного металла в сварочную ванну происходят частые короткие замыкания сварочной цепи. Вместе с этим изменяется длина сварочной дуги. При каждом коротком замыкании напряжение падает до нулевого значения. Для последующего восстановления дуги необходимо напряжение порядка 25...30 В. Такое напряжение должно обеспечиваться за время не более 0,05 с, чтобы поддерживать горение дуги в период между короткими замыканиями. Следует учесть, что при коротких замыканиях сварочной цепи развиваются большие токи (токи короткого замыкания), которые могут вызвать перегрев в проводке и обмотках источника тока. Эти условия процесса сварки в основном и определяют требования, предъявляемые к источникам питания сварочной дуги. Для обеспечения устойчивого процесса сварки источники питания дуги должны удовлетворять следующим требованиям: напряжение холостого хода должно быть достаточным для легкого возбуждения дуги и в то же время не должно превышать нормы безопасности. Максимально допустимое напряжение холостого хода установлено для источников постоянного тока - 90 В, а для источников переменного тока - 80 В; напряжение устойчивого горения дуги (рабочее напряжение) должно быстро устанавливаться и изменяться в зависимости от длины дуги. С увеличением длины дуги напряжение должно быстро возрастать, а с уменьшением - быстро падать. Время восстановления рабочего напряжения от О до 30 В после каждого короткого замыкания (при капельном переносе металла от электрода к свариваемой детали) должно быть менее 0,05 с; ток короткого замыкания не должен превышать сварочный ток более чем на 40...50%. При этом источник тока должен выдерживать продолжительные короткие замыкания сварочной цепи. Это условие необходимо для предохранения обмоток источника тока от перегрева и повреждения; мощность источника тока должна быть достаточной для выполнений сварочных работ. Кроме того, необходимы устройства, позволяющие регулировать сварочный ток в требуемых пределах. Промышленностью выпускаются следующие типы источников питания сварочной дуги; сварочные преобразователи, сварочные аппараты переменного тока, сварочные выпрямители. Сварочные аппараты переменного тока. Сварочные аппараты переменного тока, применяемые на заводах и строительно-монтажных площадках, подразделяют на четыре основные группы: сварочные аппараты с отдельным дросселем; сварочные аппараты со встроенным дросселем; сварочные аппараты с подвижным магнитным шунтом; сварочные аппараты с увеличенным магнитным рассеянием и подвижной обмоткой. Они отличаются по конструкции и по электрической схеме. Сварочные аппараты состоят из понижающего трансформатора и устройства-дросселя, подвижного магнитного шунта, подвижной обмотки для создания падающей внешней характеристики и регулирования сварочного тока. Трансформатор обеспечивает питание дуги переменным током напряжением 60...70 В. Сварочные аппараты с отдельным дросселем (рис. 1) состоят из понижающего трансформатора и дросселя (регулятора тока). Трансформатор Тр имеет сердечник (магнитопровод) 2 из пластин, отштампованных из тонкой трансформаторной стали толщиной 0,5 мм. На сердечнике расположены первичная / и вторичная 3 обмотки. Первичная обмотка из изолированной проволоки подключается к сети переменного тока напряжением 220 или 380 В. Во вторичной обмотке, изготовленной из медной шины, индуцируется напряжение 60...70 В. Небольшое магнитное рассеивание и малое омическое сопротивление обмоток обеспечивают незначительное внутреннее падение напряжения и высокий к. п. д. трансформатора. Последовательно с вторичной обмоткой в сварочную цепь включена обмотка 4 (из голой мерной шины) дросселя Др. Обмотка имеет асбестовые прокладки, пропитанные теплостойким лаком. Сердечник дросселя также набран из пластин тонкой трансформаторной стали и состоит из двух частей: неподвижной 5, на которой расположена обмотка дросселя, и подвижной 6, перемещаемой с помощью винтовой пары 7. При вращении рукоятки по часовой стрелке воздушный зазор а увеличивается, против часовой стрелки - уменьшается. При возбуждении дуги (при коротком замыкании) большой ток, проходя через обмотку дросселя, создает мощный магнитный поток, наводящий э. д. с. дросселя, направленную против напряжения трансформатора. Вторичное напряжение, развиваемое трансформатором, полностью поглощается падением напряжения в дросселе. Напряжение в сварочной цепи почти достигает нулевого значения.
Рис. 1 Рис. 2 При возникновении дуги сварочный ток уменьшается; вслед за ним уменьшается э. д. с. самоиндукции дросселя, направленная против напряжения трансформатора, и в сварочной цепи устанавливается рабочее напряжение, необходимое для устойчивого горения дуги, меньшее, чем напряжение холостого хода. Изменяя зазор а между Неподвижным, и подвижным магнитопроводами, изменяют индуктивное сопротивление дросселя и тем самым ток в сварочной цепи. При увеличении зазора магнитное сопротивление магнитопровода дросселя увеличивается, магнитный поток ослабляется, уменьшается э. д. с. самоиндукции катушки и ее индуктивное сопротивление. Это приводит к возрастанию сварочного тока. При уменьшении зазора сварочный ток уменьшается. Один оборот рукоятки винтовой пары изменяет сварочный ток примерно на 20 А. По этой схеме изготовлены сварочные трансформаторы типа СТЭ. Трансформаторы СТЭ-24-У и СТЭ-34-У не сложны по устройству и безопасны в работе и поэтому их широко применяют при ручной дуговой сварке. На рис. 2 представлен трансформатор СТЭ-34 с регулятором (дросселем) РСТЭ-34. Трансформатор и регулятор 2 заключены в отдельные кожухи из тонкой листовой стали с жалюзи для естественного охлаждения и установлены на колесики для перемещения. Первичная обмотка из изолированной проволоки размешена на двух. катушках. Для включения трансформатора в сеть с напряжением 220 В обмотки катушек соединяют параллельно, а Для сети напряжением 380 В - последовательно. Вторичная обмотка из голой медной шины расположена поверх первичной обмотки на тех же катушках. При этом вторичная обмотка соединена всегда последовательно. На торцовой стенке Кожуха на клеммовой доске расположены выводы первичной обмотки, на Другой торцовой стенке - выводы вторичной обмотки.
Рис. 3 Рис.4 Сварочные аппараты со встроенным дросселем (рис.3) имеют электромагнитную схему, разработанную акад.В.П. Никитиным. Магнитопровод трансформатора состоит из основного сердечника 1, на котором расположены первичная 2 и вторичная 6 обмотки собственно трансформатора, и добавочного сердечника 4 с обмоткой 5 дросселя (регулятора тока). Добавочный магнитопровод расположен над основным и состоит из неподвижной и подвижной частей, между которыми с помощью винтовой пары 3 устанавливается необходимый воздушный зазор а. Магнитный поток, создаваемый обмоткой дросселя, может иметь попутное или встречное направление с потоком, создаваемым вторичной обмоткой трансформатора, в зависимости от того, как включены эти обмотки. При встречном соединении магнитные потоки, возникающие при прохождении тока во вторичной обмотке трансформатора Фт и обмотке дросселя Фд, будут направлены навстречу друг другу. При этом напряжение холостого хода Uхх = Uтх-Uдх, где Uтх - напряжение во вторичной обмотке трансформатора, В; Uдх - напряжение в обмотке дросселя, В. При попутном включении магнитные потоки Фт и Фд будут иметь одинаковое направление и напряжение холостого хода Uхх=Uтх+Uдх. Сварочный ток регулируют, изменяя воздушный зазор а; чем больше зазор а, тем больше сварочный ток. Сварочный аппарат СТН-500, представленный на рис.4, предназначен для ручной дуговой сварки. Здесь применено встречное включение вторичной обмотки трансформатора и обмотки дросселя. Обмотки трансформатора размещены на двух катушках для включения в сеть с напряжением 220 и 380 В. Сварочный ток регулируют вращением рукоятки, как и в регуляторе типа РСТЭ. На торцах кожуха сварочного аппарата установлены клеммовые доски, к которым выведены с одной стороны концы первичной обмотки, а с другой - один конец вторичной обмотки и один конец обмотки дросселя. Для облегчения перемещения аппарат устанавливают на тележку. Сварочные аппараты СТН-500-1 отличаются от СТН-500 тем, что имеют алюминиевые обмотки. Сварочные аппараты ТСД, применяемые главным образом при автоматической сварке, имеют дистанционное управление регулированием сварочного тока. Подвижная часть сердечника перемещается с помощью червячной передачи от электродвигателя, управляемого двумя магнитными пускателями. При включении одного из них сварочный ток возрастает, при включении другого - уменьшается. Для охлаждения аппарата установлен вентилятор с электродвигателем трехфазного тока мощностью 0,25 кВт.
Рис. 5 Сварочные аппараты с увеличенным магнитным рассеянием и подвижным магнитным шунтом (рис. 5) имеют целый замкнутый магнитопровод, у которого на одном стержне расположены первичная 4 и вторичная 3 обмотки трансформатора, а на другом - реактивная обмотка /. Между ними находится стержень - магнитный шунт '2. Шунт замыкает магнитные потоки, создаваемые первичной и реактивной обмотками. При этом образуются магнитные потоки рассеяния, которые создают значительное индуктивное сопротивление. Таким образом обеспечивается падающая внешняя характеристика трансформатора. Сварочный ток регулируют, перемещая магнитный шунт вдоль направления магнитного потока. При выдвижении шунта рассеяние магнитных потоков первичной и реактивной обмоток уменьшается, вследствие чего уменьшается индуктивное сопротивление трансформатора. При этом сварочный ток возрастает. По такому принципу работают сварочные аппараты типа СТАН и СТШ. Сварочные аппараты типа СТШ имеют магнитный шунт, состоящий из двух половин, которые могут сдвигаться и раздвигаться. При полностью сдвинутых половинах шунта сварочный ток будет минимальный. Если раздвигать половины шунта, то магнитный поток рассеяния уменьшается и поэтому сварочный ток возрастает. В строительстве и промышленности применяют сварочные аппараты СТШ-300, СТШ-500 и СТШ-500-80. Аппарат СТШ-500-80 отличается от первых двух типов тем, что имеет два диапазона сварочных токов (катушки обмоток могут переключаться с последовательного соединения для малых сварочных токов на параллельное соединение для больших сварочных токов). Для монтажных работ рекомендуются аппараты легкого типа СТШ-250 массой 44 кг. Характеристика сварочных аппаратов с подвижным магнитным шунтом приведена в табл.1. Сварочные аппараты с увеличенным магнитным рассеянием и подвижной обмоткой. Трансформатор имеет магнитопровод, на обоих стержнях которого расположены по две катушки: одна с первичной обмоткой, а вторая - со вторичной обмоткой. Катушки первичной обмотки закреплены неподвижно в нижней части сердечника, а катушки вторичной обмотки перемещаются по стержню с помощью винтовой пары. Сварочный ток регулируют изменением расстояния между первичными и вторичными обмотками. При увеличении этого расстояния магнитный поток рассеяния возрастает, а сварочный ток уменьшается. Таблица 1.
Рис.6 По этому принципу изготовлены трансформаторы типа ТС (Рис.6), ТСК и ТД с алюминиевыми обмотками. Сварочные аппараты ТСК имеют конденсаторы, которые включены параллельно первичным обмоткам. Они способствуют повышению коэффициента мощности. Трансформаторы типа ТД имеют два диапазона сварочных токов: большие токи - при параллельном соединении первичных и вторичных обмоток и малые токи - при последовательном их соединении. Переключение обмоток производится одновременно пакетным переключателем. В каждом диапазоне ток плавно регулируют, изменяя расстояние между катушками первичной и вторичной обмоток. Удобны для работы в условиях строительно-монтажной площадки трансформаторы ТД-304, отличающиеся от ТД-300 наличием устройства в виде дополнительной приставки для дистанционного регулирования сварочного тока. Характеристика сварочных аппаратов с подвижной обмоткой приведена в табл.2. Для строительно-монтажных работ очень удобны облегченные переносные сварочные аппараты ТСП-1 и ТСП-2. Они предназначены для сварки коротких швов, прихваток, т.е. при сварке с большими перерывами. Вторичная обмотка трансформатора ТСП-1 секционирована, что позволяет ступенчато регулировать сварочный ток переключением секций с помощью перемычки на броневой доске трансформатора. Масса сварочного аппарата ТСП-1 - 35 кг. Пределы сварочного тока 105...180 А. Масса аппарата ТСП-2 - 63 кг. Номинальный ток - 300 А.
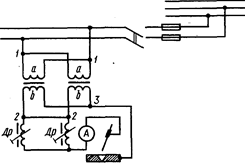
Трехфазные сварочные аппараты применяют при сварке трехфазной дугой спаренными электродами. Процесс сварки осуществляется сварочными дугами, которые возбуждаются между каждым электродом и свариваемой деталью и между электродами. Аппарат (рис.7) состоит из трехфазного трансформатора /, регулятора сварочного тока и магнитного контактора 3. Первичная обмотка включается в силовую сеть напряжением 220 В (соединение обмоток в треугольник) или 380 В (соединение обмоток в звезду). Вторичная обмотка имеет по две катушки на каждом стержне и выполнена из голой медной шины. Регулятор сварочного тока состоит из двух дросселей и трех обмоток. Две обмотки 5 и 6 расположены на одном магнитопроводе и подключены к спаренным в едином электрододержателе, но изолированным друг от друга электродам 7 и 8. Третья обмотка 4 расположена на втором магнитопроводе и подключена к свариваемой детали 9. Регулятор вмонтирован в общий корпус и снабжен двумя рукоятками, с помощью которых (изменением воздушных зазоров в магнитопроводах) регулируется сварочный ток. Одной рукояткой регулируют ток одновременно в обеих фазах, подключенных к электродам, а второй рукояткой - в фазе, подсоединенной к изделию. Таблица 2
Магнитный контактор 3 служит для включения цепи спаренных электродов. В начальный момент при возбуждении дуги сварочная цепь замыкается через свариваемую деталь и один из электродов (на рисунке электрод 8). Ток проходит по обмотке 4 регулятора и обмотке 2 контактора. Контактор включает обмотку 5 регулятора. Возникает вторая дуга. При отводе электродов от детали ток в обмотках 4 и 2 прекращается и контактор 3 выключает цепь обмотки 5, гасит дугу между электродами. Трехфазный сварочный аппарат ЗСТ конструкции проф.Н.С. Силунова имеет мощность 45 кВ-А, вторичное напряжение - 60 В, сварочный ток - 450 А. Заводом "Электрик" для ручной сварки выпущены трехфазные сварочные аппараты ТТС-400 на 400 А, состоящие из двух спаренных трансформаторов СТН в едином корпусе. Схема питания трехфазной сварочной дуги приведена на рис. 8. Для автоматической сварки заводом "Электрик" выпущены трехфазные сварочные аппараты ТТСД-1000 на 1000 А, состоящие из двух спаренных трансформаторов ТСД-1000-4. Трехфазные сварочные аппараты обеспечивают высокую производительность, экономию электроэнергии (к. п. д. достигает 0,9) и равномерную загрузку фаз сети при высоком коэффициенте мощности (соs φ= 0,8), однако ввиду сложности сварочного оборудования и трудностей при сварке потолочных вертикальных швов применяются ограниченно.
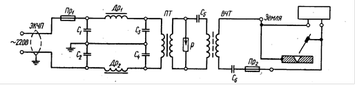
Рис. 9 При необходимости обеспечить большой сварочный ток и при отсутствии сварочных аппаратов достаточной мощности можно применять параллельное включение трансформаторов. Схема такого включения сварочных аппаратов представлена на рис.9. Для параллельной работы нужно применять трансформаторы с одинаковыми внешними характеристиками и напряжениями первичной и вторичной цепей. Одноименные концы первичных обмоток а соединяют между собой и общие клеммы включают в силовую сеть переменного тока. Одноименные концы вторичной обмотки b также соединены между собой: клеммы 2 подключают к дросселям Др, а клеммы 3 - к детали. Дроссели соединяют между собой также параллельно. Сварочный ток регулируют вращением рукояток дросселей так, чтобы обеспечить равенство нагрузок на трансформаторы. Равенство нагрузок проверяют амперметром. В некоторых случаях для повышения устойчивости горения дуги, питаемой переменным током, применяют способ наложения на сварочный ток частотой 50 Гц токов высокой частоты (150...500 кГц) и высокого напряжения (1500...6000 В). Такие меры предпринимают при сварке тонкостенных изделий дугой малой мощности и при сварочном токе 20...40 А, а также при сварке в защитных газах, сварке специальных сталей и некоторых цветных металлов. Для получения токов высокой частоты и высокого напряжения применяют осцилляторы, параллельного и последовательного включения. Принципиальная схема осциллятора параллельного включения ОСПЗ-2М и его включения в сварочную цепь показана на рис.10. Осциллятор ОСПЗ-2М включают непосредственно в питающую сеть напряжением 220 В. Он состоит из повышающего (с 220 В до 6000 В) трансформатора ПТ и колебательного контура. Колебательный контур, состоящий из высокочастотного трансформатора ВЧТ, конденсатора С5 и разрядника Р, вырабатывает высокочастотный ток. Контур связан со сварочной цепью индуктивно через трансформатор ВЧТ, выводы вторичной обмотки которого присоединяют: один - к клемме "земля" выводной панели, а другой - ко второй клемме через конденсатор С6 и предохранитель Пр2. Конденсатор С6 препятствует прохождению тока высокого напряжения и низкой частоты в сварочную цепь и служит для защиты сварщика в случае пробоя конденсатора С5. Предохранитель Пр2 выключает осциллятор в случае пробоя конденсатора С6. Для устранения радиопомех в питающей сети осциллятор снабжен фильтром из двух защитных дросселей Др1 и Др2. и четырех конденсаторов С1, С2, С3 и с4. Фильтр защищает цепь питания от токов высокой частоты. Для общей защиты от радиопомех осциллятор имеет экранирующий металлический кожух. Осцилляторы последовательного включения (М-3, ОС-1) применяют в установках для дуговой сварки в защитных газах. Они обеспечивают более надежную защиту генератора (или силового выпрямительного блока) от пробоя высокочастотным напряжением осциллятора. При применении осциллятора дуга загорается легко, даже без прикосновения электрода к изделию (при зазоре 1...2 мм), что объясняется предварительной ионизацией воздушного промежутка между электродом и свариваемой деталью.
Рис. 10 Институтом электросварки им. Е.О. Патона разработан импульсный генератор ГИ-1, который подает ток высокого напряжения (200...300 В) импульсами в те моменты, когда напряжение в сварочной цепи переходит через нулевое значение. Такие генераторы более надежны в работе и более экономичны, чем осцилляторы, так как требуют меньше энергии. Сварочные выпрямители. Сварочные выпрямители получили большое распространение. Основные их преимущества следующие: высокий к. п. д. и относительно небольшие потери холостого хода; высокие динамические свойства при меньшей электромагнитной индукции; отсутствие вращающихся частей и бесшумность в работе; равномерность нагрузки фаз; небольшая масса; возможность замены медных проводов алюминиевыми. Однако следует иметь в виду, что для выпрямителей продолжительные короткие замыкания представляют большую опасность, так как могут выйти из строя диоды. Кроме того, сварочные выпрямители чувствительны к колебаниям напряжения в сети. Все же по основным технико-экономическим показателям сварочные выпрямители являются более прогрессивными, чем, например, сварочные преобразователи.
Рис. 11 Сварочные выпрямители состоят из двух основных блоков: понижающего трехфазного трансформатора с устройствами для регулирования напряжения или тока и выпрямительного блока. Кроме того, выпрямитель имеет пускорегулирующее и защитное устройства, обеспечивающие нормальную его эксплуатацию. Для выпрямления тока используется свойство полупроводникового вентиля проводить ток только в одном направлении. Наибольшее применение получили селеновые и кремниевые вентили. Селеновые вентили дешевы и выдерживают перегрузки. Кремниевые вентили обладают высокими энергетическими показателями и высоким к. п. д., но очень чувствительны к перегрузкам по току и поэтому требуют защитных устройств и интенсивного охлаждения. Выпрямление тока осуществляется по трехфазной мостовой схеме Ларионова. Мост состоит из шести плеч, в каждом из которых установлены вентили, обеспечивающие выпрямление обоих полупериодов переменного тока в трех фазах (рис.11). Сварочные выпрямители с жесткой внешней характеристикой типа ВС и ВДГ предназначены для сварки в защитном газе плавящимся электродом, автоматической и полуавтоматической сварки под флюсом, порошковой проволокой и др. Они просты в устройстве и надежны в работе. Имея общую принципиальную схему, выпрямители этого типа отличаются в основном мощностью и числом ступеней регулирования. Выпрямители состоят из понижающего трехфазного трансформатора, выпрямительного блока, двух универсальные, переключателей для переключения витков первичной обмотки трансформатора (для грубой и точной регулировки), дросселя (для обеспечения нарастания тока короткого замыкания и сглаживания пульсаций) и вентилятора. Сварочные выпрямители с падающей внешней характеристикой выпускаются типа ВСС, ВКС и ВД. Сварочные выпрямители типа ВСС состоят из понижающего трехфазного трансформатора с подвижными обмотками, выпрямительного селенового блока с вентилятором, пускорегулирующей и защитной аппаратурой. Понижающий трансформатор выполнен с повышенным магнитным рассеянием, которое регулируется изменением расстояния между первичной и вторичной обмотками. Два диапазона регулирования сварочного тока получают, Соединяя первичную и вторичную обмотки звездой (малые токи) и треугольником (большие токи). В пределах каждого диапазона ток плавно регулируют, изменяя расстояние между катушками первичной (нижней подвижной) и вторичной (верхней неподвижной) обмоток с помощью рукоятки. При вращении рукоятки по часовой стрелке катушки обмоток сближаются, индуктивность рассеяния уменьшается, сварочный ток увеличивается. Обмотки трансформатора выполнены из алюминия. Выпрямительный блок собран из селеновых пластин 100Х400 мм, охлаждается вентилятором. Сварочные выпрямители типа ВКС имеют следующие основные отличия от типа ВСС: выпрямительный блок составлен из кремниевых вентилей ВК-200; сварочный ток регулируют, перемещая катушки обмоток с помощью асинхронного двигателя с дистанционным управлением. Широкое применение получили сварочные выпрямители ВД-101 и ВД-301 с кремниевыми вентилями и ВД-102 и ВД-302 с селеновыми вентилями. Они несложны по устройству, обладают достаточно высоким коэффициентом полезного действия и имеют небольшую массу. Сварочные выпрямители типа ВСУ, и ВДУ являются универсальными источниками питания дуги. Они предназначены для питания дуги при автоматической и полуавтоматической сварке под флюсом, в защитных газах, порошковой проволокой, а также при ручной сварке. Выпрямители ВСУ, кроме обычных - блока трехфазного понижающего трансформатора и выпрямительного блока, имеют дроссель насыщения с четырьмя обмотками. Переключением этих обмоток можно получать жесткую, пологопадающую и крутопадающую внешние характеристики. Выпрямители ВДУ основаны на использовании в выпрямляющих силовых обмотках управляемых вентилей-тиристоров. Схема управления тиристорами позволяет получать необходимый для сварки вид внешней характеристики, обеспечивает широкий диапазон регулирования сварочного тока и стабилизацию режима сварки при колебаниях напряжения, питающей сети. Для сантехнических монтажных сварочных работ Институт электросварки им. Е.О. Патона разработал переносный сварочный выпрямитель ВЖ-2М, предназначенный для питания полуавтоматов и автоматов при сварке открытой дугой и в защитном газе стыков труб диаметром 20...100 мм. Внешняя характеристика - пологопадающая; число ступеней регулирования - 9; масса - 50 кг. Раздел 11. Назначение и конструкция изделияБатарея отопления из труб, предназначена для поддерживания теплового баланса (тепла), в холодное время года в рабочих помещениях, а так же на фермах, колхозных постройках, теплицах, производственных и гражданских зданиях, и. т.д. Сварка батареи отопления из труб Ø 63 мм: патрубок 32 мм, длина труб 1500 мм и стали ст. 3.
2. Материал детали и его свойстваСТ 3 - это сталь углеродистая обыкновенного качества. Основным металлом в этой стали, является железо
К физическим свойствам стали относятся: удельный вес, плотность, температура плавления, теплопроводность, тепловое расширение, удельная теплоемкость, электропроводность и способность намагничиваться. Плотностью называется количество вещества содержащегося в единице объема V. Температура плавления - это температура, при которой металл полностью переходит из твердого состояния в жидкое. Теплопроводность - это свойство тел проводить с той или иной скоростью тепло при нагреве. Тепловое расширение - свойство металлов расширяться при нагревании. б) Химические свойства Химические свойства характеризуют способность металлов и сплавов сопротивляться окислению или вступать в соединение с различными веществами: кислородом воздуха, растворами кислот, щелочей и др. Чем легче металл вступает в соединение с другими элементами, тем быстрее он разрушается. К химическому воздействию активных сред относятся: окисляемость, растворимость, коррозийная стойкость. Металлы, стойкие к окислению при сильном нагреве, называют жаростойкими или окалиностойкими. Сопротивление коррозии, окалинообразованию и растворению, определяют по изменению массы испытуемых образцов на единицу поверхности за единицу времени. Таблица 4
в) Технологические свойства. Из технологических свойств наибольшее значение имеют обрабатываемость, свариваемость, ковкость, прокаливаемость. Обрабатываемость - комплексное свойство материала, в частности металла, характеризующее способность его подвергаться обработке резанием. Обычно обрабатываемость определяется по скорости резания и по чистоте обработки. Свариваемость- свойство металла, давать доброкачественное соединение при сварке, характеризующееся отсутствием трещин и других пороков металла в швах и к прилегающим к шву зонах. Ковкость - способность металлов и сплавов без разрушения изменять свою форму при обработке давлением. Прокаливаемость - способность стали воспринимать закалку на определенную глубину от поверхности. Жидкотекучесть способность расплавленного металла хорошо заполнять полость литейной формы. Оборудование, приспособления, инструменты и их характеристика. Трансформатор ТСК-500 с повышенным магнитным рассеянием. Трансформатор имеет две обмотки: первичную и вторичную. Первичная закреплена неподвижно, а вторая подвижная. Каждая из обмоток состоит из двух катушек. Сварочный ток регулируется изменением расстояния между обмотками. Таблица 5
вторичная обмотка (подвижная) первичная обмотка (неподвижная) провод подведенный к электродержателю провод подведенный к изделию электродержатель изделие 3. Разработка технологического процесса сборки и сваркиПлавящийся электрод представляет собой металлический стержень из электродной проволки, на поверхность которого нанесен слой покрытия. Электродные покрытия предназначены для стабилизации горения дуги, защиты расплавленного металла от кислорода и азота воздуха и легирования металла шва. В состав электродных покрытий входят стабилизирующие, шлакообразующие, газообразующие, раскисляющие, легирующие и связующие группы компонентов. Для сварки батареи отопления я использую электроды типа Э42 марка ВСП-1 и ОМА-2. Эти электроды содержат целлюлозное (ц) покрытие. Содержит органические составляющие, образующие защитные газы, в основном электродную целлюлозу марки ЭЦ. В качестве раскислителей вводятся ферросплавы марганца. Шлакообразующие добавки: рутил, карбонаты, алюмосиликаты и др. Легирование металла шва осуществляется через проволоку, а так же, введением в состав покрытия металлических порошков и ферросплавов. Эти покрытия образуют на шве тонкий слой шлака. Электроды с целлюлозными покрытиями удобны для монтажных работ, когда необходимо накладывать швы во всех пространственных положениях. Они хорошо обеспечивают провар корня и формирования обратной стороны шва. Выбор режима сварки. Режимом сварки называется группа показателей, определяющих характер протекания процесса сварки. Эти показатели влияют на количество теплоты, вводимой в изделие при сварке. Основными показателями режима сварки являются: диаметр электрода, сварочный ток, напряжение на дуге и скорость сварки. Дополнительными показателями режима сварки являются: род и полярность тока, тип и марка покрытого электрода, угол наклона электрода, температура предварительного нагрева металла. Диаметр электрода выбирается в зависимости от толщины свариваемого металла, типа сваренного соединения, типа шва и. т.д. При сварке встык в нижнем положении диаметр электрода должен равняться толщине свариваемого металла. В многослойных становых и угловых швах первый слой выполняется электродом диаметром 2-4 мм, последующие слои выполняются электродами большего диаметра. В вертикальном и потолочном положении сварку производят электродами диаметром не более 4 мм. Ток выбирают в зависимости от диаметра электрода по формуле: J =Кd, где К=35: 60А/мм, d - диаметр электрода. Малый сварочный ток ведет к неустойчивому горению дуги, непровару и малой производительности. Чрезмерно большой ток ведет к сильному нагреву электрода при сварке, увеличению скорости плавления электрода и непровару. При сварке в вертикальном и горизонтальном положении ток должен быть уменьшен против принятого для сварки в нижнем положении примерно на 5-10%, для потолочных на 10-15% с тем, чтобы жидкий металл не вытекал из сварочной ванны. Уменьшение диаметра электрода при постоянном сварочном токе повышает плотность тока в электроде и глубину проварки. С уменьшением диаметра электрода ширина шва уменьшается, вследствие уменьшения катодного и анодного пятен. С изменением тока меняется глубина провара. Повышение напряжения дуги за счет увеличения ее длины приводит к снижению сварочного тока и глубины провара. Ширина шва при этом повышается независимо от полярности сварки. С увеличением скорости ручной сварки глубина провара и ширина шва понижаются. J = Kd K = 40 A/MM в = 4MM J = 40 x 4 = 160A Подготовка металла к сварке. Подготовка металла под сварку заключается в очистке, разметке, резке и сборке. Правка в моем узле не применяется. Очистка применяется для того, чтобы очистить металл от ржавчины, краски, шлака, и. т.д. Перенос размеров детали на натуральную величину с чертежа на металл называют разметкой. При этом пользуются инструментом: рулеткой, линейкой, угольником и чертилкой. Проще и быстрее разметка выполняется шаблоном, изготовляемый из тонкого металлического листа. При разметке заготовок учитывается укорачивания их в процессе сварки конструкции. Поэтому предусматривается припуск из расчета 1мм на каждый поперечный стык и 0,1-0,2мм на 1мм продольного шва. При подготовке детали к сварке применяют преимущественно термическую резку. Механическую резку целесообразно выполнять при заготовке однотипных деталей, главным образом с прямоугольным сечением. Часто кислородную резку применяют, особенно машинную, сочетают со снятием угла скоса кромок. Сборка и техника сварки. Сборка деталей под сварку - это трудоемкость составляющая около 30% от общей трудоемкости изготовления изделия. Она зависит от ряда условий (серийность производства, типа изделия и. т.д.). Для уменьшения времени сборки, а так же для повышения ее точности, применяют различные приспособления. Приспособления могут быть предназначены только для сборки деталей под сварку, или только для сварки уже собранного изделия (например, для выполнения швов в изделии только в нижнем положении) или используются комбинированные сборочно-сварочные приспособления. Изделия чаще собирают на сварочных прихватках. Сварочные прихватки представляют собой неполноценные короткие швы с поперечным сечением до 1/3 сечения полного шва. Длина прихватки от 20 до 100 мм в зависимости от толщины свариваемых листов и длины шва, расстояние между прихватками в зависимости от условий иногда достигает 1 метр. Прихватки придают изделию жесткость и препятствуют перемещению деталей, что может привести к трещинам в прихватках при их охлаждении. Чем больше толщина свариваемых листов, тем больше, растягивается усадочная сила в прихватках и больше возможность образования трещин. Поэтому сборку на сварочных прихватках применяют для конструкций из листов небольшой толщины (до 6-8 мм) и труб. При значительной толщине листов необходимо обеспечить податливость деталей, и сборку изделия выполняют на механических приспособлениях. Техника сварки. Зажигание дуги. Зажигание дуги между покрытым электродом и свариваемым изделием выполняют в два приема: коротким замыканием конца электрода с изделием и отрывом электрода от поверхности изделия на расстояние, равно примерно диаметру покрытого электрода. Короткое замыкание электрода с изделием необходимо для нагревание металла до соответствующей температуры в катодном пятне, что обеспечивает выход первичных электронов и, следовательно, дуги. Существует два способа зажигания дуги покрытыми электродами - впритык и скольжением, чирканьем. По первому способу зажигания дуги, металл нагревается в точке короткого замыкания, по второму в нескольких точках, в результате скольжения торца электрода по поверхности свариваемого изделия. Используют оба способа зажигания дуги, причем первый чаще применяется при сварке в узких и неудобных местах. Длина дуги. Немедленно после зажигания дуги начинается плавление основного и электродного металлов. На изделии образуется ванна расплавленного металла. Сварщик должен поддерживать горение дуги так, что бы ее длина была постоянной. От правильно выбранной длины дуги зависят производительность сварки и качество сварного шва. Сварщик должен подавать электрод в дугу со скоростью плавления электрода. Умение поддерживать дугу постоянной длины характеризует квалификацию сварщика. Нормальной считают длину дуги, равную 0,5-1,1 диаметра стержня электрода, в зависимости от типа и марки электрода и положения сварки в пространстве. Увеличение длины дуги снижает ее устойчивое горение, глубину проплавления основного металла, повышает потери на угар и разбрызгивание электрода, вызывает образование шва с неровной поверхностью и усиливает вредное воздействие окружающей среды и атмосферы на расплавленный металл. Положение электрода. Наклон электрода при сварке зависит от положения сварки в пространстве, толщины и состава свариваемого металла, диаметра электрода, вида и толщины покрытия. Направление сварки может быть слева на право, справа на лево, от себя, на себя. Независимо от направления сварки электрод должен быть наклонен к оси шва, так, что бы металл свариваемого изделия проплавлялся на наибольшую глубину и правильно бы формировался металл шва. Для получения плотного и ровного шва для сварки в нижнем положении на горизонтальной плоскости угол наклона электрода должен быть 15-30° от вертикали в сторону ведения шва - углом назад. Обычно дуга сохраняет направление оси электрода: указанным наклоном электрода сварщик добивается не только максимального проплавления металла и лучшего формирования шва, но и так же уменьшается скорость охлаждения металла сварочной ванны, что предотвращает образование горячих трещин в шве. Колебательные движения электрода. Для получения валика нужной ширины производят поперечные колебательные движения электрода. Если перемещать электрод только вдоль оси шва без поперечных колебательных движений, то ширина валика определяется лишь сварочным током и скоростью сварки и составляет от 0,8 до 1,5 диаметра электрода. Такие узкие (ниточные) валики применяют при сварке тонких листов, при наложении первого (корневого) слоя многослойного шва, При сварке по способу опирания и в других случаях. Чаще всего, применяют швы шириной от 1,5 до 4 диаметров электрода, получаемые с помощью поперечных колебательных движений электродов. Движение треугольником применяют при выполнении угловых швов с катетами шва более 6мм и стыковых со скосом кромок в любом пространственном положении. В этом случае достигается хороший провар корня и удовлетворительное формирование шва.
Способы заполнения шва по длине и сечению. Швы по длине и сечению выполняют на проход и обратно ступенчатым способом. Сущность способа сварки на проход заключается в том, что шов выполняется до конца в одном направлении. Обратно - ступенчатый способ состоит в том, что длинный предполагаемый к исполнению шов делят на сравнительно короткие ступени. По способу заполнения швов по сечению различают однопроходные, однослойные швы, многопроходные и многослойные. Если число слоев равно числу проходов дугой, то такой шов называют многослойным. Многослойные швы чаще применяют в стыковых соединениях, многопроходные - в угловых и тавровых. Для более равномерного нагрева металла шва по всей его длине выполняют двойным слоем, секциями, каскадом и блоками, причем в основу всех этих способов положен принцип обратноступенчатой сварки. Окончание шва. В конце шва нельзя сразу обрывать дугу и оставлять на поверхности металла шва кратер. Кратер может вызвать появлений трещины в шве в следствии содержания в нем примесей, прежде всего, серы и фосфора. При сварке низкоуглеродистой стали кратер заполняют электродным металлом или выводят его в сторону на основной металл. При сварке стали, склонной к образованию закалочных микроструктур, вывод кратер в сторону недопустим ввиду возможности образования трещин. Не рекомендуется заваривать кратер за несколько обрывов и зажиганий дуги ввиду образований оксидных загрязнений металла. Лучшим способом окончания шва будет заполнения кратера металлом в следствии прекращения поступательного движения электродов в дугу и медленного удлинения дуги до ее обрыва. Предупреждение деформации. Деформацией называется изменение формы и размеров изделия под действием внутренних и внешних сил. Деформации могут быть упругими и пластическими. Они подразделяются на деформации растяжения, сжатия, кручения, изгиба, среза. Деформации при сварке возникают при неравномерном нагреве и охлаждении металла. Уменьшение деформаций производят конструктивным и технологическим способом. Конструктивным - уменьшение количества сварных швов и их сечений, что снижает количество вводимой теплоты. Между количеством теплоты и деформации существует прямая зависимость. Технологический способ - применение силовой обработки металла сварочного изделия в процессе его сварки. Виды применяемых сил: Внешняя статическая или пульсирующая сила, приложенная к собранному под сварку изделию Местная проковка и обкатывание металла шва, околошовного металла. Деформации выражаются в изменении формы и размеров детали по сравнению с намеченными до резки. Способы борьбы с деформациями при кислородной резке: Рациональная технология резки, применение жесткого закрепления концов реза, предварительный подогрев вырезаемой детали, применения искусственного охлаждения и др. В рациональную технологию резки входят, правильный выбор начала резки, установление правильной последовательности резки, выбор наилучшего режима резки. Защемлением концов реза можно снизить деформацию по кромкам. Уменьшать деформацию можно предварительным подогревом места вырезки детали, что приводит к более равномерному охлаждению металла. Уменьшение деформаций достигается также непрерывным охлаждением струей воды по зоне термического влияния у разрезаемой части. Чтобы не образовалось деформаций вне плоскости листа, нельзя допускать провисания его под действием нагрева при резке. Поэтому резку надо выполнять на стеллажах с большим числом опор. Прогрессивные методы сборки и сварки узла. Чтобы повысить производительность труда и облегчить труд сварщика применяют различные высокопроизводительные способы сварки. Сварка пучком (гребенкой) электродов. Принцип этого способа состоит в том, что два или несколько электродов соединяет пучок, которым с помощью обычного электрода-держателя ведут сварку. При сварке пучком электродов дуга возникает между свариваемым изделием и одним из его стержней по мере оплавления последнего, переходит на соседний, то есть дуга горит попеременно между каждым из электродов пучка и изделия. В результате этого нагрев стержней электродов внутренней теплотой будет меньше, чем при сварке одним электродом при той же величине тока. Поэтому при сварке пучком можно устанавливать большую величину тока, чем при сварке одинарным электродом того же диаметра, а это в свою очередь позволяет увеличить производительность труда. Сварка с глубоким проплавлением Составы некоторых покрытий, нанесенные на стержень электрода более толстым слоем, чем обычно, позволяет сконцентрировать теплоту сварочной дуги, повысить ее проплавляющие действия: увеличить глубину проплавления основного металла. Сварка в таких случаях ведется короткой дугой, горение которой поддерживается за счет опирания козырьком покрышки на основной металл. При сварке наклонным электродом оплавляющийся конец электрода опирается о свариваемые кромки, а сам электрод перемещается вдоль линии соединения по мере заполнения разделки кромок. Контроль качества сварки. В производстве сварных изделий различают дефекты: наружные, внутренние и сквозные, исправимые и неисправимые, внутрицеховые и внешние. а) наружные дефекты: трещины, микротрещины, осадочные раковины, утяжины, вогнутости корня, несквозные свищи, пары, брызги металла и. т.д. б) внутренние дефекты: непровар, внутренняя пора и. т.д. в) сквозные дефекты: свищи, прожоги, трещины, сплошные непровары. Исправимые дефекты - дефекты, устранение которых технически возможны и экономически целесообразно. Основные виды контроля классифицируются по форме воздействия на производство, активный и пассивный. По охвату продукции на сплошной и выборочный. По месту проведения на стационарный и подвижной. Различают следующие виды контроля за качеством сварки: Внешний осмотр - служит для определения наружных дефектов в сварных швах и производится невооруженным глазом или с помощью лупы, увеличивающий в 5-10 раз. Испытание керосином - применяется для определения плотности сварных швов. Доступную для осмотра сторону шва покрывают водной суспензией мела или каолина и подсушивают.д.ругую сторону смазывают керосином. Появление жирного пятна на меле выявляет место дефекта. Испытание обдувом воздуха - состоит в том, что одна сторона обдувается сжатым воздухом, а другая покрывается водным раствором с мылом. Появление пузырей показывает место дефекта шва. Испытание вакуумом- определенный участок шва покрывают мыльным раствором и устанавливают вакуумную камеру, появление пузырей или пены показывает место дефекта шва. Испытание водой - под давлением одну сторону шва обливают водой, если с другой стороны появляются течи, капли, это значит, что шов с дефектом. Также проводятся испытания воздушным давлением, гидравлическим давлением, просвечиванием сварных соединений, ультразвуком, магнитографическим методом, технологические, химические и механические испытания. 4. Экономический вопросНормы расходов электродов. Расход материалов. 1) общая длина L = 470мм 2) F шва - площадь поперечного сечения шва Fшва = 5мм 3) Удельный объем наплавленного металла γ =7,8 г / см² а) Определить Vн металла: V = F·L·γ V = 5·470·7,8 = 1880 г б) Определить массу наплавленного металла Gн = V·К К - коэффициент наплавленного металла для электродов ВСП-1 К =10 Gн = 188·10 = 1880 г = 1,880 кг/м² Раздел 21. Безопасные приёмы трудаОсновные положения техники безопасности при электрической сварке При электросварочных работах возможны следующие виды производственного травматизма: поражение электрическим током, поражение глаз и открытой поверхности кожи излучением электрической дуги, ожоги от капель металла и шлака, отравление вредными газами, пылью и испарениями, выделяющимися при сварке, ушибы и ранения от взрывов баллонов сжатого газа и при сварке сосудов из-под горючих веществ. Защита от поражения электрическим током. При исправном состоянии оборудования и правильном выполнении сварочных работ возможность поражения током исключается. Однако в практике возможны поражения электрическим током вследствие неисправности сварочного оборудования или сети заземления, неправильного подключения сварочного оборудования к сети, неисправности электропроводки и неправильного ведения сварочных работ. Поражение от электрического тока происходит при прикосновении к токонесущим частям электропроводки и сварочной аппаратуры. Напряжение холостого хода источников питания дуги достигает 90 В, а при плазмеунодуговой резке-200 В. Учитывая, что сопротивление человеческого организма в зависимости от его состояния (утомленность, состояние здоровья, влажность кожи) может изменяться в широких пределах (от 1000до 20000 Ом), указанные выше напряжения являются очень опасными для жизни. Токи более 0,05 А могут вызвать тяжелые последствия и даже смерть. Опасность поражения сварщика и подсобных рабочих током особенно велика при сварке крупногабаритных резервуаров, во время, работы внутри емкостей лежа или полулёжа на металлических частях свариваемого изделия или при выполнении, наружных работ в сырую погоду, в сырых помещениях, котлованах, колодцах и др. Во избежание поражения электрическим током необходимо соблюдать следующие условия: Корпуса источников питания дуги, сварочного вспомогательного оборудования и свариваемые изделия должны быть надежно заземлены. Заземление. осуществляют медным проводом, один конец которого закрепляют к корпусу источника питания дуги к специальному болту с надписью "Земля", а второй конец присоединяют либо к общей заземляющей шине, либо к металлическому штырю, вбитому в землю. Заземление передвижных источников питания производят до включения их в силовую сеть, а снятие заземления - только после отключения от силовой сети. Для подключения источников сварочного тока к сети должны использоваться настенные ящики с рубильниками, предохранителями и зажимами. Длина проводов сетевого питания не должна быть более 10 м. При необходимости нарастить провод применяют соединительную муфту с прочной изоляционной массой или провод с электроизоляционной оболочкой. Провод подвешивают на высоте 2,5...3,5 м. Спуски заключают в заземленные металлические трубы. Вводы и выводы должны иметь втулки иди воронки, предохраняющие провода от перегибов, а изоляцию - от порчи. При наружных работах сварочное оборудование должно находиться под навесом для защиты от дождя и снега. Без соблюдения этих условий сварочные работы не допускаются, а сварочную аппаратуру укрывают от воздействия влаги. Присоединять и отсоединять от сети электросварочное оборудование, а также наблюдать за их исправным состоянием в процессе эксплуатации обязаны электрики. Сварщикам запрещается выполнять эти работы. Все сварочные провода должны иметь исправную изоляцию и соответствовать применяемым токам. Применение проводов с ветхой и растрепанной изоляцией категорически запрещается. При сварке внутренних швов резервуаров, котлов, труб и других закрытых и сложных конструкций необходимо пользоваться резиновым ковриком, резиновым шлемом, и галошами. Для освещения следует пользоваться переносной лампой напряжением 12 В. Все электросварочное оборудование должно быть оснащено устройствами (АСТ-500. АСН-1. АСН-30) автоматического отключения напряжения холостого хода или его ограничения до безопасного значения. При работах внутри резервуара или при сварке сложной металлической конструкции, а также при сварке емкостей из-под горючих и легковоспламеняющихся жидкостей к сварщику назначается дежурный наблюдатель, который обязан обеспечить безопасность работ и при необходимости оказать первую помощь. При поражении электрическим током необходимо пострадавшему оказать помощь: освободить его от электропроводов, обеспечить доступ свежего воздуха и, если пострадавший потерял сознание, немедленно вызвать скорую медицинскую помощь. При необходимости, до прибытия врача, ипроизводить искусственное дыхание. Защита глаз и открытой поверхности кожи от излучения электрической дуги. Горение сварочной дуги сопровождается излучением видимых световых лучей и невидимых ультрафиолетовых и инфракрасных. Яркость световых лучей значительно превышает норму, допускаемую для человеческого глаза, и поэтому, если смотреть на дугу невооруженным глазом, то она производит ослепляющее действие. Ультрафиолетовые лучи при действии даже в течение нескольких секунд вызывают заболевание глаз, называемое электрофтальмией. Оно сопровождается острой болью, резью в глазах, слезотечением, спазмами век. Более продолжительное облучение ультрафиолетовыми лучами вызывает ожоги кожи. Инфракрасные лучи при длительном воздействии вызывают помутнение хрусталиков глаза (катаракту), а также ожоги кожи лица. Для защиты глаз и кожи лица от световых и невидимых лучей дуги сварщики и их подручные должны закрывать лицо щитком, маской или шлемом. Для защиты окружающих лиц от излучения дуги в цехах устанавливают закрытые сварочные кабины, а при строительных и монтажных работах применяют переносные щиты или ширмы. Меры безопасности при работе на машинах контактной сварки. 1. К работе на контактных машинах допускаются только после изучения их конструкции и технологии сварки, а также сдачи экзамена по правилам техники безопасности при электросварочных работах. 2. Корпуса контактных машин должны быть надежно заземлены подключением к общей сети заземления. Следует иметь в виду, что машины подключаются к сети с напряжением 220, 380 и 500 В, опасным для жизни. Сварочная цепь всегда соединена с корпусом машины и поэтому при отсутствии заземления и нарушении изоляции в первичной цепи сварочного трансформатора возникает опасность поражения током. 3. Подводящие провода должны быть хорошо защищены от повреждений. Для этого проводку ведут в металлических трубах или используют бронированный кабель. Трубы и броневая защита кабеля подлежат надежному заземлению. 4. Шланги и арматура, подводящие воду или охлаждающую жидкость, должны быть исправны. 5. При каждом переключении ступеней трансформатора нужно обязательно Отключать сварочную машину от сети. 6. Работающие на контактной машине должны надевать очки с простыми стеклами и головной убор. При работе на стыковой машине необходима брезентовая спецодежда. 7. Рабочее место должно быть оборудовано отсасывающей вентиляцией, особенно при сварке цветных металлов (оцинкованные, освинцованные листы, луженая жесть и др.). Техника безопасности при газовой сварке и кислородной резке. Техника безопасности при обращении с газосварочным оборудованием заключается в выполнении следующих требований: 1. Запрещается устанавливать оборудование и производить сварочные работы вблизи огнеопасных материалов. Подвижные ацетиленовые генераторы должны устанавливаться не ближе 10 м от очагов огня. Во время работы запрещается оставлять генератор без надзора. 2. Сварка внутри резервуаров, котлов, цистерн должна производиться с перерывами при непрерывной вентиляции и низковольтном освещении в присутствии наблюдающего. Перед производством работ необходимо убедиться в отсутствии в указанных емкостях взрывоопасных смесей. 3. Карбид кальция необходимо хранить только в герметически закрытых барабанах в сухих и хорошо проветриваемых помещениях. Вскрывать барабаны разрешается только специальным ножом, при этом крышку на участке резания покрывают маслом (можно просверлить отверстие, а затем сделать вырез ножницами). Запрещается пользоваться стальным зубилом и молотком. Эти меры предупреждают образование искр, опасных для ацетилено-воздушных смесей. Опасно применять также медные инструменты, так как при наличии влаги ацетилен образует с медью ацетиленовую медь, которая легко взрывается от незначительных ударов. 4. Ацетиленовые генераторы должны быть установлены строго вертикально и заправлены водой до установленного уровня. Разрешается применять карбид кальция только той грануляции, которая установлена паспортом генератора. После загрузки карбида следует произвести продувку генератора от остатков воздуха. При работе на открытом воздухе и при низких температурах следует пользоваться ватным чехлом. Во избежание замерзания генератора после прекращения работ воду необходимо слить. Отогревать замерзший генератор открытым пламенем категорически запрещается. Отогревать его можно только паром или ветошью, смоченной горячей водой. Ил следует выгружать только после полного разложения данной порции карбида и только в иловые ямы с надписью о запрещении курения и взрывоопасности. Важным условием безопасности работы генератора являются наличие, исправность и заправленность водяного затвора. При температуре воздуха ниже 0°С затворы заправляются незамерзающей смесью. Перед началом работы необходимо обязательно проверить уровень воды или низкозамерзающей смеси в затворе через его контрольный кран. 5. Баллоны допускаются к эксплуатации только исправные, прошедшие освидетельствование. Их хранят закрепленными в вертикальном положении в помещениях или на открытом воздухе, но обязательно закрытыми от воздействия солнечных лучей. Перевозка баллонов допускается при навернутых предохранительных колпаках на подрессоренном транспорте или на специальных носилках. Для укладки баллонов пользуются деревянными подкладками с гнездами, обитыми войлоком или другим мягким материалом. Совместная транспортировка ацетиленовых и кислородных баллонов запрещена. При эксплуатации баллон закрепляют хомутиком в вертикальном положении на расстоянии не менее 5 м от рабочего места. Перед началом работы необходимо продуть выходное отверстие баллона. Расходовать газ следует до остаточного давления кислорода не менее 0,05 МПа, а ацетилена 0,05...0,1 МПа. После окончания работ необходимо плотно закрыть вентиль баллона, выпустить газ из редуктора и шлангов, снять редуктор, надеть заглушку на штуцер и навернуть на вентиль колпак. Необходимо своевременно проводить освидетельствование баллонов в установленные сроки (для баллонов - 5 лет, а для пористой массы ацетиленовых баллонов - 1 год). 6. Редукторы применяются только с исправными манометрами. Кислородные редукторы должны предохраняться от попадания масел и жиров. Установка редуктора на баллон производится с осторожностью, чтобы не повредить резьбу; крепление должно быть плотным. Подача кислорода в редуктор производится при полностью ослабленной регулировочной пружине редуктора. Вентиль открывают медленно и следят, чтобы не было утечки газа. При обнаружении неисправности следует вентиль баллона закрыть и устранить неисправности редуктора или соединений. 7. Газоподводящие шланги крепят на ниппелях стяжными хомутиками; крепление должно быть надежным и герметичным. Исправность газопроводов и шлангов подлежит постоянному контролю. Техника безопасности при контрольных испытаниях сварных швов. Из применяемых средств контроля особую опасность представляют рентгеновские и гамма-лучи. Рентгеновские и гамма-лучи опасны для человека при продолжительном облучении и большой дозе. Предельно допустимая доза, которая не вызывает необратимых изменений в организме даже при продолжительном воздействии, равна 0,44-10 Меры безопасности, снижающие дозу облучения на рабочем месте: введение промежуточной защитной среды между препаратом и обслуживающим персоналом, сокращение продолжительности работы и дистанционное управление. Радиоактивные источники устанавливают в специальные контейнеры, а рентгеновские трубки помещают в защитные кожухи. Материалом для защитной среды служит свинец. Применяются также баритобетон, бетон, свинцовое стекло и др. Лаборатории, использующие рентгено- и гамма-дефектоскопы для контроля сварных соединений, должны иметь приборы, измеряющие интенсивность рентгеновских и гамма-лучей. Для общего контроля применяют дозиметр с ионизационной камерой ДКЗ, для индивидуального контроля - карманные дозиметры. Кроме контроля облучения обслуживающий персонал лаборатории периодически проходит медицинское обследование. Площадь рентгеновской лаборатории должна быть не менее 20 м при высоте помещения не менее 3 м. Лаборатория по просвечиванию гамма-лучами должна иметь площадь не менее 24 м2 при минимально допустимой высоте 3,5 м. Стены, потолок и пол лаборатории должны быть покрыты материалом, поглощающим излучение. Толщина слоя выбирается в зависимости от материала: для свинца - более 5 мм, для баритобетона - 345 мм, для кирпича - 435 мм. Помещение должно быть сухим и светлым. Приточно-вытяжная вентиляция должна обеспечивать десятикратный обмен воздуха. 2. Техника безопасности на строительно-монтажной площадкеВыполнение сварочных работ на строительно-монтажной площадке требует особо четкого выполнения всех правил безопасности производства работ. Сварочные работы на высоте с лесов, подмостей и люлек разрешается производить только после проверки этих устройств руководителем работ. Леса и подмости должны быть сплошными шириной не менее 1 м с прочными ограждениями. Допускаются кратковременные работы с приставных лестниц при условии, если их верхние концы надежно закреплены к неподвижным конструкциям и исключена возможность смещения опор или случайного сдвига лестницы. При производстве работ одновременно в нескольких ярусах необходимо предусмотреть сплошные настилы или навесы для защиты работающих внизу от искр и капель расплавленного металла и шлака. При этом сварщик должен иметь сумку для электродов, куда обязан укладывать огарки. При работе на высоте он обязан работать в фибролитовой каске и брезентовых наплечниках, пользоваться исправным предохранительным поясом и прикрепляться им к прочным и неподвижным конструкциям. К выполнению работ по сварке и резке на высоте допускаются только рабочие, прошедшие дополнительный медицинский осмотр и специальное обучение методам верхолазных работ. При гололедице или ветре более 6 баллов выполнять сварку и резку на высоте не разрешается. В зимнее время при температуре ниже - 30°С работы по сварке и резке не разрешаются. При температуре ниже - 20°С обеспечиваются условия для обогрева рабочих в непосредственной близости от места работы в течение 10 мин через каждый час работы. Рабочие должны быть одеты в ватные костюмы и валенки. Для защиты от контакта с влажной холодной землей и снегом, а также с холодным металлом конструкций сварщики должны обеспечиваться резиновыми ковриками, подстилками, матами, наколенниками и подлокотниками. Необходимо предусмотреть навесы, защищающие рабочее место от осадков. Особого внимания требует закрепление прокладываемых сварочных проводов и шлангов, подающих газ к рабочим местам, и защита их от повреждений и случайных смещений. Соприкосновение проводов с водой, маслом, стальными канатами и горячими трубопроводами недопустимо. В качестве дополнительных мер защиты применяется обмотка проводов брезентовой лентой. Противопожарные мероприятия. При выполнении сварочных работ необходимо строго соблюдать правила пожарной безопасности.3а обеспечение противопожарных мероприятий ответственность несет начальник цеха, участка. Рабочее место сварщика должно быть оборудовано огнетушителем, бочками или ведрами с водой, ящиком с песком и лопатой и другим противопожарным инвентарем. К выполнению сварочных работ допускаются рабочие, прошедшие инструктаж по пожарной безопасности и умеющие пользоваться средствами пожаротушения. Опасность пожара особенно следует учитывать на строительно-монтажной площадке. Если сварочные работы проводятся на высоте, то необходимо находящиеся внизу аппаратуру и - воспламеняющиеся материалы защитить от искр и капель расплавленного металла и шлака. Необходима особая осторожность при выполнении сварочных работ вблизи деревянных лесов, стружки, "опилок и других горючих материалов. Места проведения сварочных работ должны быть тщательно очищены от легковоспламеняющихся и взрывоопасных материалов на расстояние 30 м. Если сварочные работы намечаются к выполнению на огнеопасных участках, следует обязательно предусмотреть противопожарные посты. Деревянные полы, настилы при необходимости защищают от искр и капель расплавленного металла и шлака листами асбеста или железа. Категорически запрещается перемещаться с зажженной горелкой вне пределов рабочего места и особенно по трапам, лесам. После окончания работ сварщик обязан тщательно осмотреть рабочее место и устранить причины, могущие привести к возникновению пожара. Наличие и исправность противопожарного оборудования подлежат постоянному контролю. 3. Рациональная организация рабочего места
4. Требования НОТ к производственным условиям
Бережная эксплуатация оборудования. Планировка рабочего места газосварщика зависит от типа производства, массы, габаритов и конфигурации ремонтируемых деталей, применяемой технологии и организации обслуживания рабочего места. Типовая планировка рабочего места газосварщика, разработанная Производственно-техническим Центром НОТ и управления производством, показана на рис.12.
Рис.12. Планировка рабочего места газосварщика На рабочем месте установлен стол сварщика 4. Вместо этого стола может быть установлен круглый поворотный стол. Для удобства в работе сварщика на полу установлена подставка под ноги 8. Зажигают пламя газовой горелки или резака от электрической зажигалки 7, работающей от батареек. Рядом со столом 4 расположен стол приемный передвижной /, предназначенный для размещения тары 2 с мелкими деталями. Для хранения инструмента, приспособлений, технической документации и предметов ухода на рабочем месте установлена инструментальная тумбочка 3. Техническую документацию хранят в верхнем ящике тумбочки, вспомогательные инструменты (молоток, зубила, шаберы и т.д.) - во втором сверху ящике; горелку, резак, комплект наконечников, защитные очки - в третьем; капроновую щетку, обтирочный материал, веник и совок-в нижнем. Поддон 12 предназначен для хранения и транспортировки крупногабаритных деталей и тары, ящик с песком 10- для хранения чугунных деталей при медленном их охлаждении. Во время работы сварщик сидит на подъемно-поворотном стуле 9. Перемещают детали и тару массой более 20 кг с помощью консольно-поворотного крана 11. Связь сварщика со службами ремонтного предприятия осуществляется с помощью установки связи 6. Для сбора мусора на рабочем месте предусмотрена урна 5. Перечень технологической оснастки на рабочем месте газосварщика зависит от специализации рабочего места. Перечень инструмента, материалов и приспособлений типового рабочего места газосварщика приведен в табл. Таблица. Перечень инструментов, материалов и приспособлений на рабочем месте газосварщика
На рабочем месте газосварщика должны находиться следующие вспомогательные инструменты: молоток слесарный, три слесарных зубила, плоскогубцы комбинированные, отвертка, три напильника, два плоских прямых шабера, шесть гаечных ключей, два слесарных крейцмейселя, комплект скобообразных струбцин, щетка металлическая. Для проведения измерений рабочее место оснащают металлической линейкой, кронциркулем, штангенциркулем и комплектом шаблонов. Уход за рабочим местом газосварщик осуществляет с помощью капроновой щетки, ветоши, веника, ведра, скребка и совка. На рабочем месте газосварщика находится следующая техническая документация: правила техники безопасности, рабочие чертежи деталей, технологические карты, карта организации труда газосварщика, тетрадь для личных записей и регистрации работ. Для обеспечения благоприятных условий труда при температуре наружного воздуха ниже +10° С температура воздуха на рабочем месте газосварщика должна быть 16-18° С, относительная влажность 40-60% и скорость движения воздуха не более 0,3 м/с, а при температуре наружного воздуха выше +10° С соответственно 20-23° С, 40-60%, не более 0,3 м/с. Искусственная освещенность на рабочем месте должна быть не ниже 150 лк при люминесцентном освещении и 50 лк при освещении лампами накаливания. Снижению утомляемости работающих способствует благоприятная цветовая отделка рабочего места. Цвета окраски помещения выбирают в зависимости от климатической зоны, ориентации помещения относительно частей света, его размеров, размещения в устройства оконных проемов и осветительных приборов, типа и планировки оборудования. Концентрация ядовитых газов, паров и пыли в воздухе помещения сварочно-термического отделения не должна превышать определенной величины. Так, концентрация (мг/м3 ) производственной пыли не должна быть более 10, фтористого водорода-0,1, окиси углерода-2, ацетилена-90, озона-0,1, окиси азота-5, окиси марганца-0,3, паров и окиси свинца-0,01, окиси железа с примесью фтористых или марганцевых соединений - 4, дихлорэтана - 10, двуокиси кремния - 4, окиси цинка - 5, углекислого газа-0,04%. Техника безопасности при выполнении газосварочных работ. Повышенная опасность при выполнении газосварочных работ связана с применением горючих и сжатых под высоким давлением газов, наличием открытого пламени, высокой температуры и выделением вредных газов. Основными источниками опасности являются взрывы ацетиленовых генераторов, взрывы баллонов со сжиженными горючими газами и кислородом, возгорания от открытого пламени горелки или резака, ожоги глаз, отравления скопившимися вредными газами. Ацетиленовые генераторы следует устанавливать в отдельном помещении - газогенераторной, расположенной напротив сварочного отделения на расстоянии 12-15 м. Помещение газогенераторной должно иметь огнестойкие стены и легкое перекрытие. Площадь помещения зависит от производительности генератора. Так, при производительности до 5 м Электрические устройства, необходимые для освещения помещения газогенераторной, следует устанавливать вне помещения. Освещение осуществляют электрическими лампами, установленными вне помещения, через кососветы. При невозможности устройства кососветов допускается использование осветительной арматуры во взрывобезопасном исполнении, которую устанавливают внутри помещения. Чтобы не замерзала вода в генераторах, зимой температура в газогенераторной должна быть не ниже +5° С. Для выполнения временных сварочных работ допускается устанавливать генератор в одном помещении со сварочными работами, но при этом помещение должно быть объемом не менее 300 м3 и хорошо проветриваться. Генератор устанавливают на расстоянии не менее 10 м от места сварки и не менее 5 м от кислородного баллона. Расстояние от генератора до отопительных приборов должно быть не менее 1 м. Неправильное хранение карбида кальция может привести к взрыву. Поэтому барабаны с карбидом кальция следует хранить в сухих помещениях из огнестойких материалов с легким перекрытием. В помещении не должны проходить трубопроводы водоснабжения и отопления, так как в случае их повреждения возникает угроза затопления. В помещении не допускается установка каких-либо электроустройств, в нем необходимо иметь средства пожаротушения: углекислотные огнетушители и ящики с песком. Барабаны с глухой крышкой вскрывают ножом консервного типа. При этом место разреза следует предварительно смазать солидолом. Открывать барабаны можно только вдали от открытого огня, курить в процессе выполнения этой операции запрещается. Дробление кусков карбида осуществляют бронзовой кувалдой. Ацетиленовые генераторы взрывоопасны, поэтому обращаться с ними следует с особой осторожностью. Во избежание взрыва нельзя загружать генератор кусочками карбида менее 2-3 мм или карбидной пылью, так как они интенсивно взаимодействуют с водой со значительным выделением теплоты и повышением давления. Ящики реторт следует заполнять не более чем наполовину, так как образующийся при разложении карбида карбидный ил имеет удельный объем вдвое больше удельного объема карбида кальция. Ил может заполнить всю реторту и забить отверстия трубок, отводящих газ и подводящих активную воду. В результате этого может произойти перегрев ацетилена, находящегося в реторте, и взрыв. Ацетиленовый генератор не реже двух раз в месяц необходимо тщательно промывать от известкового ила. Загрузку карбида кальция в генератор необходимо осуществлять в резиновых перчатках и защитных очках. Выгружать остатки карбида из генератора можно только после полного разложения загруженной порции карбида кальция, иначе в процессе извлечения ящика из реторты может образоваться ацетилено-воздушная смесь, которая от соприкосновения с горячим карбидом может взорваться. Выгружать не полностью разложившийся карбид из реторты можно только в том случае, если генератор охлажден до температуры окружающего воздуха. В процессе перезарядки генератора внутрь аппарата может попасть воздух, который в смеси с ацетиленом образует взрывчатую смесь. Поэтому после перезарядки генератора первые порции ацетилена следует выпускать в воздух и таким образом продувать аппарат ацетиленом. Если этого не сделать, то при обратном ударе пламени и неисправном водяном затворе может произойти взрыв ацетилено-воздушной смеси, находящейся в аппарате. В процессе сварочных работ уровень воды в водяном затворе не должен опускаться ниже 100 мм, иначе при обратном ударе пламени может произойти взрыв. Обратный удар возникает от воспламенения ацетилено-кислородной смеси внутри горелки при ее перегреве или закупорке наконечника горелки расплавленным металлом. Кроме того, при наличии требуемого уровня воды в водяном затворе исключается проникновение в генератор кислорода, который с ацетиленом образует взрывчатую смесь. В холодное время года нельзя допускать замерзания воды в генераторе. Во время перерывов в работе генератор нужно полностью разряжать и сливать воду из генератора и водяного затвора. В процессе работы в генератор следует добавлять горячую воду. Отогревать замерзший генератор следует только горячей водой или паром, отогревать открытым пламенем запрещается. Нельзя подходить к генератору с горелкой, резаком, паяльной лампой, горящей папиросой и т.п. Ацетиленовые генераторы работают безопасно при правильной подготовке их к работе и надлежащем контроле в процессе работы. Лица, обслуживающие генератор, обязаны хорошо знать его конструкцию, назначение и взаимодействие отдельных его частей, уметь определять и устранять неисправности генератора, строго выполнять правила по обращению и уходу за ним согласно инструкции по эксплуатации данного генератора. Безопасность газосварочных работ в значительной мере зависит и от содержания и обслуживания кислородных и ацетиленовых баллонов. Кислородные и ацетиленовые баллоны в наполненном состоянии хранят раздельно на складе в вертикальном положении. Склады для хранения баллонов должны быть с огнестойкими стенами, перекрытиями легкого типа, окнами и дверями, открывающимися наружу. Оконные стекла обычно окрашивают белой краской, полы изготовляют нескользкими из материалов, исключающих искрообразование. Склады для хранения до 50 баллонов располагают на расстоянии не менее 25 м от зданий, а более крупные - на расстоянии не менее 50 м от промышленных зданий и 100 м от жилых домов. Вблизи складов для хранения баллонов не разрешается хранить какие-либо горючие материалы. При хранении и использовании баллонов с газами нужно постоянно следить за тем, чтобы не было утечки газов, которая может послужить причиной несчастного случая. Кислородные и ацетиленовые баллоны следует предохранять от ударов. Запрещается переносить баллоны на плечах. Транспортируют баллоны на специальных тележках или носилках. При транспортировании баллонов на автомобилях применяют приспособления, исключающие перекатывание и удары баллонов. Чтобы баллоны не нагревались от солнца, их закрывают брезентом. Следует тщательно защищать кислородные баллоны от соприкосновения с 1 маслами и жирами, их нельзя перевозить на одной машине с ацетиленовыми баллонами и горючими веществами. Не разрешается перевозить баллоны с газом на самосвалах. На сварочном посту должен находиться только один. баллон, который устанавливают в вертикальном положении и надежно закрепляют от падения. Расстояние от баллона до сварочной горелки должно быть не менее 5 м, до отопительных приборов - не менее 1 м. Перед открытием кислородного вентиля сварщик должен убедиться в отсутствие на баллоне и вентиле следов масла и жиров, в исправности резьбы на штуцере и гайке, а также что срок испытания баллона не просрочен. При обнаружении следов масла и жиров загрязненные места следует промыть растворителем. Перед присоединением редуктора вентиль продувают, для чего его открывают специальным ключом до 1/4 оборота на 1-2 с. Открывать вентиль с помощью ударов запрещается. В зимнее время могут замерзать вентили. Отогревают их тряпками, смоченными в горячей воде. Запрещается отогревать вентили/открытым пламенем. Перед началом работ газосварщик должен убедиться в исправности вентиляционных устройств рабочего места, наличии бачка для охлаждения горелки и средств пожаротушения. Кроме того, необходимо отрегулировать сиденье по высоте. При неисправной вентиляции работать запрещается. Газосварщик должен убедиться в исправности ацетиленового генератора, водяного затвора, баллонов с газами, вентилей, редукторов, манометров, горелок, резаков, шлангов и других частей сварочной аппаратуры, проверить уровень воды в водяном затворе. После продувки генератора, водяного затвора и ацетиленового шланга ацетиленом, а кислородного шланга и горелки кислородом газосварщик зажигает горелку. Для этого он вначале открывает кислородный, а затем ацетиленовый вентили. Тушат горелку, закрывая вначале ацетиленовый, а затем кислородный вентили. Перед установкой новых кислородных шлангов их следует продуть кислородом для удаления талька. Продувать шланги сжатым воздухом от компрессора запрещается, так как в них вместе с воздухом может попасть масло. Плотность подсоединения шлангов следует проверять мыльной водой. Проверять утечки газов открытым пламенем запрещается. При выполнении газовой сварки и резки сварщик и резчик должны защищать глаза защитными очками марки 033-2 и 033-3. Эти очки состоят из правой и левой коробок, соединенных регулируемой переносицей, светофильтров и наголовной резиновой тесьмы. В оправы очков вставляют светофильтры марки Г, СС-14 или ТС-3. Светофильтры марки Г имеют три класса плотности. В зависимости от мощности сварочного пламени используют светофильтры различных классов. При использовании горелки с рас ходом ацетилена до 750 л/ч устанавливают светофильтры класса Г-1, с расходом ацетилена до 2500 л/ч-светофильтры Г-2 и с расходом выше 2500 л/ч - светофильтры Г-3. Эти светофильтры надежно защищают глаза от яркого света, ультрафиолетовых и инфракрасных лучей. Кроме светофильтров Г, СС-14, ТС-3 в очках марки 033-2 и 033-3 можно использовать стекла с нанесенным на их поверхность тонким зеркальным прозрачным слоем хрома или алюминия. Этот слой пропускает частично видимый свет и почти полностью поглощает инфракрасные и ультрафиолетовые лучи. Пламя газовой горелки или резака нельзя направлять в сторону работающих рядом людей, на сгораемые конструкции и материалы, на баллоны, шланги и другие предметы. Если в процессе сварки горелку необходимо временно отложить, то ее нужно погасить и положить на специальную подставку. Шланги необходимо оберегать от попадания на них искр, капель расплавленного металла, не допускать их перегибов и скручивания. Во избежание сильного перегрева горелку и резак необходимо периодически охлаждать в воде. Температура ацетилена в шлангах не должна быть выше 25° С. Эту температуру определяют на ощупь. Температура ацетилена в газообразователе не должна превышать 50° С. Перегрев ацетилена в газообразователе определяют по бурому цвету карбидного ила. По окончании работы газосварщик должен погасить горелку, закрыв ацетиленовый и кислородный вентили, выпустить ацетилен из генератора, удалить ил и промыть отдельные части генератора водой, надеть на баллоны предохранительные колпаки, убрать сварочную аппаратуру, оборудование, баллоны и инструмент. В качестве заменителей ацетилена не рекомендуется применять бензин. Применение этилированного бензина запрещено. В крайнем случае можно использовать бензин А-66 с соответствующей аппаратурой для его использования. К выполнению работ с использованием жидких горючих допускают только рабочих, имеющих специальное удостоверение. Использование жидких горючих при проведении сварочных работ в замкнутых помещениях запрещается. В процессе выполнения работ с использованием жидких горючих необходимо использовать бензомаслостойкие шланги с внутренним диаметром 6 мм и длиной не менее 5 м. Нельзя выполнять работы с использованием пропан-бутановых смесей в подвальных помещениях, колодцах, сосудах, так как эти смеси тяжелее воздуха и могут скапливаться в различных углублениях, что создает опасность взрыва. Литература1. В.Г. Геворкян “Основы сварочного дела”. М., ”Высшая школа" 1985 год. 2. В.В. Курчаткин “Учебная книга кузнеца-сварщика”.М., ”Высшая школа" 1985 год 3. М.С. Баранов ”Технология производства сварных конструкций”. М., ”Машиностроение" 1966 год. 4. Р.А. Равлусевич, А.З. Глебов, И.С. Кольдерцев “Инструмент и средства защиты электросварщика”. М., ”Машиностроение" 1966 год. |
|||||||||||||||||||||||||||||||||||||||||||||||||||||||||||||||||||||||||||||||||||||||||||||||||||||||||||||||||||||||||||














