Курсовая работа: Електропостачання сільського виробництва
|
Название: Електропостачання сільського виробництва Раздел: Рефераты по ботанике и сельскому хозяйству Тип: курсовая работа | |||||||||||||||||||||||||||||||||||||||||||||||||||||||||||||||||||||||||||||||||||||||||||||||||||||||||||||||||||||||||||||||||||||||||||||||||||||||||||||||||||||||||||||||||||||||||||||||||||||||||||||||||||||||||||||||||||||||||||||||||||||||||||||||||||||||||||||||||||||||||||||||||||||||||||||||||||||||||||||||||||||||||||||||||||||||||||||||||||||||||||||||||||||||||||||||||||||||||||||||||||||||||||||||||||||||||||||||||||||||||||||||||||||||||||||||||||||||||||||||||||||||||||||||||||||||||||||||||||||||||||||||||||||||||||||||||||||||||||||||||||||||||||||||||||||||||||||||||||||||||||||||||||||||||||||||||||||||||||||||||||||||||||||||||||||||||||||||||||||||||||||||||||||||||||||||||||||||||||||||||||||||||||||||||||||||||||||||||||||||||||||||||||||||||||||||||||||||||||||||||||||||||||||||||||||||||||||||||||||||||||||||||||||||||||||||||||||||||||||||||||||||||||||||||||||||||||||||||||||||||||||||||||||||||||||||||||||||||||||||||||||||||||||||||||||||||||||||||||||||
Таврійський державний агротехнічний університет Шифр 04-468Кафедра «ЕСГ» ДОПУСТИТИ ДО ЗАХИСТУ Ведучій викладач _________ _________ Дата КУРСОВИЙ ПРОЕКТ з дісципліни «Електропостачання сільського виробництва» Розрахунково-пояснювальна записка
Студент: Анискевич В.А. група: 44 Керівник: Галкина Г.М. Службові примітки Проект захищено з оцінкою _________ _________________________ Підпис викладача _________________________ _____________________ _________________________ _____________________ _________________________ Мелітополь, 2008
ЗМІСТ ВСТУП 4 1 РОЗРАХУНОК НАВАНТАЖЕНЬ НА ВВОДАХ ДО СПОЖИВАЧІВ ……..5 2 ВИЗНАЧЕННЯ МІСЦЯ РОЗМІЩЕННЯ СПОЖИВЧИХ ТРАНСФОРМАТОРНИХ ПІДСТАНЦІЙ ……………………………………....6 3 РОЗРАХУНОК НАВАНТАЖЕНЬ ПОВІТРЯНИХ ЛІНІЙ 0,38 кВ …………9 4 ВИЗНАЧЕННЯ ПОТУЖНОСТІ ТА КІЛЬКОСТІ СИЛОВИХ ……………..11 ТРАНСФОРМАТОРІВ 4.1 Визначення розрахункової потужності трансформаторів ……………….11 4.2 Вибір кількості та потужності силових трансформаторів ………………11 5 РОЗРАХУНОК НАВАНТАЖЕНЬ ПОВІТРЯНИХ ЛІНІЙ 10 кВ ….………13 6 ВИЗНАЧЕННЯ ДОПУСТИМОЇ ВТРАТИ НАПРУГИ …………….……….15 7 ВИБІР ПЕРЕРІЗІВ ПРОВОДІВ ………………………………………………17 8 ПЕРЕВІРКА ПОВІТРЯНОЇ ЛІНІЇ 10 І 0,38 кВ НА КОЛИВАННЯ НАПРУГИ ПІД ЧАС ПУСКУ ЕЛЕКТРОДВИГУНА ………………………...19 9 РОЗРАХУНОК СТРУМІВ КОРОТКОГО ЗАМИКАННЯ ………………….20 9.1 Розрахунок струмів короткого замикання в мережі 10 кВ ……………..22 9.2 Розрахунок струмів короткого замикання в мережі 0,38 кВ ……………23 10 ВИБІР АПАРАТУРИ 10 І 0,38 Кв …………………………………………27 10.1 Вибір апаратури 10 кВ ……………………………………………………29 10.2 Вибір апаратури 0,38 кВ ………………………………………………….30 11 РОЗРАХУНОК РЕЛЕЙНОГО ЗАХИСТУ ПОВІТРЯНОЇ ЛІНІЇ 10 кВ ….31 11.1 Розрахунок максимального струмового захисту лінії 10 кВ ………….32 11.2 Розрахунок струмової відсічки ………………………………………….34 12 ОБЛАДНАНЯ МЕРЕЖ 10 ТА 0,4 кВ, ЩО ПРОЕКТУЮТЬСЯ …………35 ВИСНОВОК …………………………………………………………………….38 СПИСОК ЛІТЕРАТУРИ ………………………………………………………39 ВСТУП Електрифікація, тобто виробництво, розподіл і застосування електроенергі в усіх галузях народного господарства і побуту населення - це один : найважливіших факторів технічного прогресу. Підвищення рівня розвитку сільсько' електрифікації стає одним з визначальних факторів інтенсифікації сільського господарства і може серйозно вплинути на умови життя. Для забезпечення подачі електроенергії в необхідній кількості і відповідної якості від енергосистем промисловим і сільськогосподарським об'єктам, установкам, пристроям і механізмам служать системи електропостачання, що складаються з мереж напругою до 1000В и вище, трансформаторних, перетворюючих і розподільних підстанцій. Споживачі електроенергії мають свої специфічні особливості, чим обумовлені певні вимоги до їх електропостачання - надійність живлення, якість електроенергії, резервування і захист окремих елементів і т.ін. При проектуванні, спорудженні й експлуатації систем електропостачання промислових підприємств необхідно правильно в техніко-економічному аспекті здійснювати вибір напруг, визначати електричні навантаження, вибирати типаж, число і потужність трансформаторних підстанцій, види їхнього захисту. 1 РОЗРАХУНОК НАВАНТАЖЕНЬ НА ВВОДАХ ДО СПОЖИВАЧІВ 1.1 Розрахунок навантажень для групи житлових будинків Для групи житлових будинків навантаження вечірнього максимуму дорівнює:
де n – кількість будинків у групі (визначається із завдання), шт.; ko – коефіцієнт одночасності (для будинків однієї групи); Ро – розрахункове навантаження на вводі в житловий будинок , Вт.
Навантаження денного максимуму групи житлових будинків дорівнює:
1.2 Розрахунок потужності зовнішнього освітлення населеного пункту Потужність зовнішнього освітлення населеного пункту визначається з виразу:
де L – загальна довжина вулиць у населеному пункті, м; N – кількість виробничих приміщень, шт.; Ро вул., Ро nрим. – нормативне навантаження зовнішнього освітлення, відповідно на один погонний метр вулиці та на одне виробниче приміщення, кВт.
2 ВИЗНАЧЕННЯ МІСЦЯ РОЗМІЩЕННЯ СПОЖИВЧИХ ТРАНСФОРМАТОРНИХ ПІДСТАНЦІЙ 2.1 Розрахунок координат центра навантаження Кількість споживчих трансформаторних підстанцій (ТП) у сільському населеному пункті залежить від реального розміщення окремих споживачів у населеному пункті, наявності споживачів першої категорії, сумарної потужності навантаження. Координати центру навантажень визначаємо як:
де Рi – розрахункова потужність на вводі і-го споживача, кВт; xi, yi – відстань до і-го споживача за координатними осями. Розрахунок доцільно зводимо в таблицю. Таблиця 1 – Розрахунок координат центру навантажень
Для електропостачання сільськогосподарських споживачів використовують комплектні трансформаторні підстанції (КТП) 10/0,4 кВ. Вибір типу КТП залежить від числа та розрахункової потужності трансформаторів, кількості споживачів та кількості ліній 0,4 кВ, що відходять від КТП. 2.2 Трасування повітряних ліній 0,38 кВ Для електропостачання населеного пункту потрібно прийняти, як правило, не більше 3-х ліній 0,38 кВ, що відходять від однієї ТП, а для потужних трансформаторних підстанцій (250 кВА і вище) – не більше 5. Для кожної лінії складаю розрахункову схему, на якій показую споживачів, навантаження денного та вечірнього максимумів (РД і РВ), нумерацію розрахункових ділянок, їх довжину. 3 РОЗРАХУНОК НАВАНТАЖЕНЬ ПОВІТРЯНИХ ЛІНІЙ 0,38 кВ Розрахунок навантажень на окремих ділянках лінії 0,38 кВ залежить від характеру навантажень. Якщо навантаження не однорідні або не сумірні – розрахунок ведеться методом надбавок. Розрахунок починають з кінця лінії:
де Рб – більше з навантажень, кВт; DРм – надбавка від меншого навантаження, кВт. Розрахунок навантажень інших ліній представимо у формі таблиці. Таблиця 2 – Розрахунок навантажень ПЛ – 0,38 кВ
Середньозважений коефіцієнт потужності на ділянках лінії з різнорідними навантаженнями визначаємо за формулою:
де Pi – розрахункове навантаження (денне або вечірнє) i-го споживача, кВт; cos ji – коефіцієнт потужності i-го споживача. Значення повних потужностей на ділянках лінії визначаємо із виразів:
4 ВИЗНАЧЕННЯ ПОТУЖНОСТІ ТА КІЛЬКОСТІ СИЛОВИХ ТРАНСФОРМАТОРІВ 4.1 Визначення розрахункової потужності силових трансформаторів Визначення розрахункової потужності силових трансформаторів одно, або двотрансформаторних підстанцій виконується методом надбавок шляхом підсумовування розрахункових активних потужностей на головних ділянках ліній 0,38 кВ, що відходять від підстанції (окремо денних та вечірніх). Потужність зовнішнього освітлення своїм повним розміром додається до сумарного вечірнього максимуму.
де РРД лін. Б , РРВ лін. Б – більше з розрахункових, відповідно денних та вечірніх, навантажень ліній, що відходять від підстанції, кВт;
Повна розрахункова потужність трансформатора (денна або вечірня) визначається через відповідний коефіцієнт потужності за формулою (8). За розрахункову приймається більша з двох (денна або вечірня) потужність трансформатора. 4.2 Вибір кількості та потужності силових трансформаторів Вибір встановленої потужності трансформаторів одно та двотрансформаторних підстанцій виконуєтмо із умови їхньої роботи в нормальному режимі за економічними інтервалами навантажень
де SPпід. – розрахункове навантаження підстанції, кВА; n – кількість трансформаторів, шт.;
Приймаю SН тр = 100 кВА Прийняті номінальні потужності трансформаторів перевіряю із умови їх роботи у нормальному режимі експлуатації за допустимими систематичними навантаженнями. Для забезпечення нормального режиму експлуатації підстанції вибрані номінальні потужності трансформаторів перевіряю за співвідношенням:
де SР, SН – відповідно, розрахункова і номінальна потужність трансформатора, кВА; n – кількість трансформаторів, шт.; kс – коефіцієнт допустимого систематичного перевантаження трансформатора.
де kcm – табличне значення коефіцієнта допустимого систематичного навантаження, яке відповідає табличній середньодобовій температурі (Додаток Е); a – розрахунковий температурний градіент (Додаток Е), 1/0С; tn – середньодобова температура повітря (із завдання), 0С; tnm – середньодобова таблична температура повітря (Додаток Е), 0С.
Розрахункові навантаження на ділянках ліній 10 кВ визначаються шляхом підсумовування навантажень (денних і вечірніх окремо) на вводах до споживчих ТП з урахуванням коефіцієнта одночасності:
де kо – коефіцієнт одночасності [1 с.42; 5 с.145; 9 с. 120]; РД i і РВ i – навантаження денного і вечірнього максимумів i-ї підстанції, кВт. Результати розрахунку заношу в таблицю 3 Ділянка 7-9:
Аналогічним шляхом розраховую й інші ділянки Таблиця 3 – Розрахунок навантажень ПЛ–10 кВ
6 ВИЗНАЧЕННЯ ДОПУСТИМОЇ ВТРАТИ НАПРУГИ Допустима втрата напруги в лініях 0,38 і 10 кВ визначається за відхиленням напруги у споживачів, яка повинна бути в межах ± 5 % від номінальної. Загальна допустима втрата напруги під час 100 % навантаження дорівнює:
де
Одержану загальну допустиму втрату напруги необхідно розділити приблизно порівну між лініями мережі 10 і 0,38 кВ. Відхилення напруги у найближчого до джерела живлення споживача при 25% навантаженні віддаленої ТП перевіряємо за виразом:
де
Умова виконується Для розрахунку допустимої втрати напруги складається таблиця відхилень напруги (Таблиця 4).
Рисунок 5 – Розрахункова схема мережі. Таблиця 4 – Відхилення та втрати напруги на елементах системи
Відхилення напруги в режимі мінімальних навантажень :
Вибір перерізів проводів в мережах 0,38 к і 10 кВ проводиться за найменшими приведеними річними затратами з наступною їх перевіркою на допустиму втрату напруги. Розрахунок ведеться для домінуючого (вечірнього або денного) максимуму навантаження на головних ділянках ліній. Проводи вибирають за еквівалентною потужністю:
де kд – коефіцієнт динаміки зростання навантаження, для ліній що будуються SР – розрахункове навантаження ділянки лінії, кВА. Втрата напруги на розрахункових ділянках ліній визначається за формулою:
де
Результати розрахунків зводимо у таблицю 5, для ПЛ–10 кВ та ПЛ– 0,38 кВ. Таблиця 5 – Вибір проводів ПЛ–10 кВ (0,38 кВ)
8 ПЕРЕВІРКА ПОВІТРЯНОЇ ЛІНІЇ 0,38 кВ НА КОЛИВАННЯ НАПРУГИ ПІД ЧАС ПУСКУ ПОТУЖНОГО ЕЛЕКТРОДВИГУНА Для того, щоб коливання напруги в мережі 0,38 кВ під час пуску асинхронного електродвигуна знаходилося у заданих межах, необхідно щоб виконувалася умова
де
де Zм – повний опір електричної мережі, Ом; Zеп – повний опір короткого замикання асинхронного двигуна, Ом.
де Zл – повний опір лінії від трансформатора до двигуна, Ом, Zт – повний опір трансформатора, Ом.
де roi, xoi – питомі опори проводів i–тої ділянки лінії [1 с.458; 9 с. 93], Ом/км; li – довжина i–ї ділянки лінії, км.
де Uк% – напруга короткого замикання трансформатора [1 с.473], %; Uн – номінальна напруга трансформатора зі сторони низької напруги, кВ; Sнт – номінальна потужність трансформатора (проектованої ТП 10/0,4 кВ), кВА.
де Uн – номінальна напруга мережі, В; ki – кратність пускового струму електродвигуна; Iнд. – номінальний струм електродвигуна (каталожні дані), А. Розрахунки: Дан двигун АИР160S4У3: Рн = 15 кВт; n=1455 об/хв.; Ін = 28,5А; η=90%; cosφ=0,89; Іn/Ін.=7,0; m=100кг.
Zм=0,07+0,0000645=0,07 Ом
Т. як Обраний двигун розміщуємо у кормоцехі. ЕД підключаємо проводом А 4*50 . 9 РОЗРАХУНОК СТРУМІВ КОРОТКОГО ЗАМИКАННЯ Розрахунок струмів короткого замикання (к.з.) виконується з метою вибору і перевірки обладнання, струмоведучих частин на термічну та динамічну стійкість в режимах коротких замикань, проектування релейного захисту, грозозахисту, пристроїв заземлення. 9.1 Розрахунок струмів короткого замикання в мережі 10 кВ
Рисунок 3 – Схема заміщення електричної мережі. Всі опори схеми приводяться до однієї базисної напруги Uб. За базисну напругу приймається середня напруга тієї ступені, де визначається струм к.з.
Точка К1:
Опори елементів схеми обчислюються за такими формулами: – Опір системи:
де Sкс– потужність к.з. системи, ВА. – Опір трансформатора :
де
Повний результуючий опір до точки к.з. визначається:
Активний опір враховується тільки в тому випадку, якщо åRi³ 1/3åXi .
Струм трифазного короткого замикання визначається за формулою [1с.188;3; 9]:
Потужність триполюсного к.з.:
Ударний струм триполюсного к.з.:
де ку – ударний коефіцієнт, значення якого визначається в залежності від місця к.з.
Струм двополюсного к.з. :
Точка К2: Zрез =12,9 Ом Ік(3) = 450 кА Sк(3) = 8,18 МВА iу(3) = 636 кА
Точка К3: Zрез = 6,9 Ом Ік(3) = 878 кА Sк(3) = 16 МВА iу(3) = 1241 кА
9.2 Розрахунок струмів короткого замикання в мережі 0,38 кВ
Rл3 Хл2 К3 Рисунок 7 – а) Розрахункова схема мережі 0,38 кВ; б) Схема заміщення мережі 0,38 кВ. Триполюсний струм к.з. на шинах 0,38 кВ ТП 10/0,4 кВ визначається:
Струм однополюсного к.з. визначається в найбільш віддаленій точці кожної лінії 0,38 кВ за формулою:
де Zт – повний опір силового трансформатора струму к.з. на корпус, Ом; Zn – повний опір петлі фазний – нульовий провід до точки к.з., Ом.
де roфi, roнi – питомий активний опір, відповідно фазного і нульового проводів на і-йділянці лінії, Ом/км ; хфн – питомий індуктивний опір петлі «фаза–нуль» (для проводів із кольорового металу приймається хфн =0,6 Ом/км). Точка К1:
Точка К2:
Точка К3:
Точка К4:
Точка К4: Триполюсний струм к.з. на шинах 0,38 кВ ТП 10/0,4 кВ:
10 ВИБІР АПАРАТУРИ 10 і 0,38 кВ Згідно із ПУЕ всі електричні апарати вибирають за родом установлення, номінальним струмом і напругою, а також перевіряють їх на термічну і динамічну стійкість. Апарати захисту перевіряють на чутливість і селективність дії. Розрахунок максимальних робочих струмів (тривалого режиму) виконується за формулою:
де Sроз – максимальна розрахункова потужність відповідної ділянки лінії, кВА; Uн – номінальна напруга мережі, кВ.
Рисунок 8 – Однолінійна схема лінії 10 кВ
Для керування відхідною лінією 10 кВ на РТП 35/10 кВ встановлюються роз'єднувачі (шинні і лінійні), високовольтний вимикач (масляний або вакуумний), трансформатори струму для живлення кіл обліку і релейного захисту. З боку високої напруги проектованої ТП 10/0,4 встановлюється роз'єднувач, розрядники і запобіжники. На відхідних лініях 0,4 кВ, як правило, встановлюються автоматичні вимикачі, на вводі 0,38кВ – рубильник або автоматичний вимикач. 10.1 Вибір апаратури 10 кВ Вибір і перевірку електричних апаратів 10 кВ зручно проводити табличним способом (Таблиця 6). Таблиця 6.1 – Вибір високовольтного роз’єднувача
Таблиця 6.2 – Вибір високовольтного вимикача
Таблиця 6.4 – Вибір трансформатору струму
10.2 Вибір апаратури 0,38 кВ Вибір апаратів 0,38 кВ виконуємо табличним способом, дані про вбрані апарати та розрахункові дані мережі заносимо в таблицю 7. Таблиця 7.1 – Вибір роз’єднувача 0,38 кВ
Таблиця –7.2 – Вибір і перевірка автоматичних вимикачів 0,38 кВ
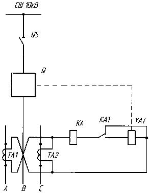
1 1 РОЗРАХУНОК РЕЛЕЙНОГО ЗАХИСТУ ПОВІТРЯНОЇ ЛІНІЇ 10 кВ Релейний захист – це автоматичний пристрій, який складається із декількох приладів – реле, які реагують на зміну режиму на будь-якій ділянці мережі та подають імпульс на відключення даної ділянки комутаційними апаратами, або на сигналізацію. Для правильного та своєчасного виконання своїх функцій релейний захист повинен забезпечувати необхідну швидкість дії, чутливість, селективність та надійність. Для ПЛ –10 кВ в якості основного захисту від міжфазних коротких замикань, як правило, застосовується максимальний струмовий захист (МСЗ), в якості додаткового – струмова відсічка (СВ) [1 с.300; 9 с. 263]. 1 1.1 Розрахунок максимального струмового захисту лінії 10 кВ Розрахунок МСЗ необхідно починати з найпростішої однорелейної схеми на різницю струмів двох фаз.
Рисунок 9 – Однорелейна схема МСЗ Струм спрацювання МСЗ повинен відстроюватися від робочого струму лінії з урахуванням можливих кидків струму самозапуску двигунів:
де kн – коефіцієнт надійності, приймається для реле типу РТ–85, РТ–40 kн = 1,2; для реле РТВ – kн = 1,3; kс.зап– коефіцієнт самозапуску, для лінії сільськогосподарського призначення може бути прийнятий 1,2…1,3; kп – коефіцієнт повернення реле, kп = 0,8…0,85. Селективна дія МСЗ лінії 10 кВ і запобіжників ТП 10/0,4 кВ забезпечуються, якщо виконується умова
де Іпл.(5) – струм, при якому плавка вставка запобіжника (найбільш потужної ТП 10/0,4 кВ) згорає за 5 секунд, А.
Струм спрацювання реле визначається за формулою:
де Іс.з.. – найбільший, з отриманих за виразами (46) та (47), струм спрацювання захисту, А;
За умовою надійного спрацювання електромагніту вимикання зі струмом спрацювання 5А:
Найбільше із значень, округляється до струму уставки (ІУ) обраного типу реле, за умови, що Іу ³ Іс.р. Іу = 7А>6,5А Чутливість захисту визначається за формулою:
де І к.min– струм двополюсного к.з. у кінці ділянки, що захищається, А; kcx.min – мінімальна величина коефіцієнта схеми з'єднання трансформаторів струму.
11. 2 Розрахунок струмової відсічки Струм спрацьовування відсічки ПЛ –10 кВ вибирається за такими умовами: – Струм спрацьовування відсічки повинен бути більшим ніж максимальний струм к.з. у кінці ділянки, що захищається:
де Іс.в. – струм спрацювання відсічки, А; Ік,мах – максимальний струм к.з. (трифазного) у точці підключення найближчого трансформатора 10/0,4 кВ, А; kн – коефіцієнт надійності (для реле РТ– 40 kн = 1,2…1,3; для реле РТ– 80 і РТМ kн = 1,5…1,6). – Струмова відсічка не повинна спрацьовувати під час кидків струму намагнічування трансформаторів 10/0,4 кВ:
де Sн.тр – сумарна потужність усіх ТП 10/0,4 кВ, що живляться від цієї лінії, кВА. Струм спрацювання реле відсічки визначається за формулою:
де І с.в. – найбільше із значень, отримане за виразами.
Чутливість відсічки:
де
Згідно із ПУЕ для додаткових захистів повітряних ліній kЧ ≥ 1,2.
12 ОБЛАДНАННЯ МЕРЕЖ 10 та 0,4 кВ , ЩО ПРОЕКТУЮТЬСЯ Опори повітряних ліній підтримують проводу на необхідній відстані від поверхні землі, проводів інших ліній, дахів будинків і т.п. По призначенню опори повітряних ліній розділяють на проміжні, анкерні, кутові, кінцеві і спеціальні. Проміжні опори призначені тільки для підтримки проводів, їх не розраховують на однобічне тяжіння. У випадку обриву проводу з однієї сторони опори при кріпленні його на штирьових ізоляторах він прослизає у в'язанні й однобічне тяжіння знижується. При підвісних ізоляторах гірлянда відхиляється і тяжіння також знижується. На анкерних опорах проводу закріплюють жорстко, тому такі опори розраховують на обрив частини проводів. До штирьових ізоляторів на анкерних опорах провід кріплять особливо міцно, збільшуючи при необхідності кількість ізоляторів до двох чи трьох. Кінцеві опори - це різновид анкерних. Для них однобічне тяжіння проводів - не аварійний стан, а основний режим роботи. Кутові опори встановлюють у місцях зміни напрямку повітряної лінії. При нормальному режимі кутові опори сприймають однобічне тяжіння. На лініях напругою 0,4 кВ відстань між проводами приймаємо 600 мм, на лініях 10 кВ - 1000 мм. Кріплення траверс до опори виконується за допомогою різного роду металевих деталей (хомутів, скоб, болтів і т.п.). Під голівки і гайки болтів підкладаються шайби. Усі гайки ретельно затягуються. Для захисту від корозії всі металеві деталі повинні бути оцинковані або покриті іншими антикорозійними складами. Варіанти виконання траверс зображені на рисунку 15 . Для ізоляції проводів ПЛ 0,4кв використовуються штирьові порцелянові типу ТФ, ШН, ШЛН і скляні типу ТСМ, ТСБ ізолятори. При необхідності закріплення на одному ізоляторі декількох проводів ( наприклад, на анкерних, перехресних чи відгалужувальних опорах) застосовуються також порцелянові многошійкові ізолятори типу ШО. Ізолятори закріплюються на опорах за допомогою гаків чи штирів різних типів модифікацій. Для установки на траверсах різного роду чи кронштейнах застосовуються штирі типу ШТ чи ШН (рисунок 17). У тих випадках, коли механічні навантаження на вузли кріплення проводів значні і не дозволяють застосувати стандартні конструкції гаків чи штирів (наприклад, у сильно вітрових районах, при наявності значних зусиль від тяжіння проводів на опорах анкерно-кутового типу і т.п.), для закріплення ізоляторів використовуються спеціальні гаки чи штирі, що виготовляються зі сталі більшого діаметра відповідно типу КН, ШТ чи ШН. Для лінії напругою 10кВ використовують штирьові ізолятори ШФ10. а) ізолятор порцеляновий ізолятор типу ТФ-20; б) ізолятор скляний типу ТСМ-2 Рисунок 16 - Ізолятори на напругу до 1000В.
а) спеціальний гак типу КН; б) штир ШТ.-2С; в) штир ШН-18 Рисунок 17 - Гаки і штирі. Закріплення проводів на опорах анкерного типу у всіх випадках здійснюється до шийки ізолятора за допомогою дротового в'язання і плашечних болтових затискачів. Тип кріплення проводів (подвійне чи одинарне) визначається умовами траси (населена чи ненаселена місцевість) і розрахунковим тяжінням п< проводах. Закріплення проводів на проміжних опорах виконують тільки за допомогок дротового в'язання. При цьому застосовується як головне, так і бічне (до шийки ізолятора) кріплення проводів . На опорах, розташованих на прямих ділянках траси застосовується тільки головне кріплення. Таке кріплення забезпечує найбільший ступінь надійності, оскільки усі вітрові і вагові навантаження на провід сприймаються стінкою канавки ізолятора, а в'язання практично не випробує механічних навантажень. На опорах, установлюваних на кутах повороту траси застосовується бічне кріплення проводів. У цьому випадку провід обов'язкове розташовується на ізоляторі з зовнішньої сторони кута повороту траси. Довжин) в'язального дроту для кожного ізолятора приймають не менш 30-40 см. В'язання виконують таким чином, щоб лінійний провід не мав вигинів під впливом натягу в'язального дроту.
а) кінцеві опори та вводи у будівлі; б) анкерні опори; в) кутові анкерні опори; г) кутові проміжні опори; д) проміжні опори Рисунок 18 - Способи кріплення проводів на опорах висновок В даному курсовому проекті проведено розрахунок навантажень споживачів, визначено кількість та потужність силових трансформаторів яка склала 160 кВА. Визначили оптимальне місце їх розташування. Були обрані перерізи проводів ліній 10 і 0,38кВ та розраховані втрати напруги. Для вибору апаратури захисту ліній розраховані струми короткого замикання. Проведен розрахунок релейного захисту повітряної лінії 10кВ. Також обране обладнання мереж 10 та 0,38кВ. СПИСОК ЛІТЕРАТУРИ 1. Будзко И. Ф., Зуль Н. М. Электроснабжение сельского хозяйства. – М.: Агропромиздат, 1990. – 496 с. 2. Руководящие материалы по проектированию электроснабжения с/х. – М.: Сельэнергопроект № 8, 1981. 3. Практикум по электроснабжению сельского хозяйства /под ред. И.А. Будзко. – М.: Колос, 1982. – 319с. 4. Правила устройства электроустановок. –М.: Энергопромиздат, 1985. 5. Коганов И. Л. Курсовое и дипломное проектирование. –М.: Агропромиздат, 1990. – 351с. 6. Крючков И.П., Кувшинский Н.Н. Электрическая часть электростанций и подстанций (справочные материалы) – М.:Энергия, 1979. 7. Какуевицкий Л. И., Смирнова Т. В. Справочник по реле защиты и автоматики. – М.: Энергия, 1972. 8. Харкута К.С., Яницкий С.В., Ляш Э.В. Практикум по электроснабжению сельского хозяйства. – М.: Агропромиздат, 1992. – 223с. 9. Притака І.П. Електропостачання сільського господарства. – 2-е вид. перероб. та доп. – К.: Вища школа. Головне вид-во, 1983.– 343с. 10. ГОСТ 2.105-95 ЕСКД. Общие требования к текстовым документам. 11. ДСТУ 3008-95 Документація. Звіти у сфері науки і техніки. |
|||||||||||||||||||||||||||||||||||||||||||||||||||||||||||||||||||||||||||||||||||||||||||||||||||||||||||||||||||||||||||||||||||||||||||||||||||||||||||||||||||||||||||||||||||||||||||||||||||||||||||||||||||||||||||||||||||||||||||||||||||||||||||||||||||||||||||||||||||||||||||||||||||||||||||||||||||||||||||||||||||||||||||||||||||||||||||||||||||||||||||||||||||||||||||||||||||||||||||||||||||||||||||||||||||||||||||||||||||||||||||||||||||||||||||||||||||||||||||||||||||||||||||||||||||||||||||||||||||||||||||||||||||||||||||||||||||||||||||||||||||||||||||||||||||||||||||||||||||||||||||||||||||||||||||||||||||||||||||||||||||||||||||||||||||||||||||||||||||||||||||||||||||||||||||||||||||||||||||||||||||||||||||||||||||||||||||||||||||||||||||||||||||||||||||||||||||||||||||||||||||||||||||||||||||||||||||||||||||||||||||||||||||||||||||||||||||||||||||||||||||||||||||||||||||||||||||||||||||||||||||||||||||||||||||||||||||||||||||||||||||||||||||||||||||||||||||||||||||||||
(4)
, (5)
, (7)
;
. (8)
(11)
, (12)
,
, (14)
(20)
, (23)
, (24)
Ом

, (26)
Ом
, (27)
. (29)
кА
(33)
, (34)
А
А
, (36)

(37)
(39)
А
(41)
- умова чутливості виконується.
, (43)
(44)
А
(46)
>1,2-умова чутливості виконується.
