Курсовая работа: Разработка технологического процесса сборки Штампа
|
Название: Разработка технологического процесса сборки Штампа Раздел: Промышленность, производство Тип: курсовая работа | |||||||||||||||||||||||||||||||||||||||||||||||||||||||||||||||||||||||||||||||||||||||||||||||||||||||||||||||||||||
Расчетно-пояснительная записка к курсовому проекту по технологии Дисциплина: «Технология сборки машин » Тема Курсового проекта Разработка технологического процесса сборки «Штамп» Содержание: Введение 1. Описание конструкции изделия и условий работы, технические характеристики; необходимые методы технологических испытаний 2. Анализ технологичности изделия 3. Описание схемы сборки, обоснование технологического маршрута 4. Подбор оборудования, оснастки 5. Расчет технологических параметров сборки 6. Расчет размерных цепей 7. Нормирование операций 8. Описание сборочного приспособления 9. Описание схемы установки Список использованной литературы Введение Выполнение курсового проекта по курсам «Технология сборки ВРД», «Технология сборки машин», является одним из основных этапов практической подготовки инженеров. Практические навыки, приобретенные студентами в период самостоятельной работы над проектом, способствуют закреплению теоретических знаний, полученных в лекционных курсах. В данном курсовом проекте разрабатывается технологический процесс сборки штампа, предназначенного для серийного производства деталей. Выполняется расчет технологических параметров сборки: · Расчет усилий запрессовки · Расчет усилий затяжки резьбовых соединений · Выявление и расчет сборочных размерных цепей Так же производится подбор оборудования и оснастки, нормирование сборочных операций. Для контроля работоспособности редуктора разрабатывается структурная схема испытательного стенда. Приводится описание приспособления для запрессовки – оправки. Курсовой проект выполнен в современных программных пакетах, таких как «AutoCAD», «Unigraphics». Приводится методика расчета сборочных размерных цепей в системе «Unigraphics». Параллельно приводится расчет размерных цепей аналитическим методом. Спроектирована объемная модель редуктора, с последующей визуализацией процесса сборки. 1. Описание конструкции изделия и условий работы, технические характеристики Штамп предназначен для пробивки отверстий и обрубки по контуру заготовок.
Штамп состоит из двух плит, плита верхняя и плита нижняя, которые собираются отдельнои позиционируются относительно друг другана одной из последней операции. Все детали штампа кроме пуансонов, изготавливаются из стали 45 ГОСТ1050-88. Штамп крепится на станине автоматической линии специальными уголками с помощью винтов. В направляющей и нижней плитах выполнен сквозной паз для точной фиксации листа. В верхнюю плиту ввинчена специальный хвостовик, служащая для подъема верхней плиты вверх, после того как произошла обрубка. Отходы падают в низ, в тару. Пунсоны встают в пуансоно-держатель по посадке с зазором, а направление их происходит с помощью направляющей плиты. Технические характеристики: 1. Масса штампа m= 46,8 кг. 2. Габаритные размеры, мм 246×220×185 3.Усилие пробивки, т 9,5 2. Анализ технологичности штампа Под технологичностью конструкции изделия понимают совокупность свойств конструкции, позволяющих вести технологическую подготовку производства, изготавливать, эксплуатировать и ремонтировать изделие при наименьших затратах труда, средств, времени и материалов по сравнению с однотипными конструкциями изделий того же назначения при обеспечении установленных показателей качества (ГОСТ 18831-73). Технологичность конструкции сборочной единицы, являющейся составной частью изделия, должна иметь те же свойства и обеспечивать технологичность изделия, в состав которого она входит. По области проявления технологичности различают производственную технологичность конструкции и эксплуатационную. Производственная технологичность проявляется в сокращении затрат средств и времени на конструкторскую подготовку производства (КПП), технологическую подготовку производства (ТПП), процессы изготовления деталей, сборку и испытание; эксплуатационная — в сокращении затрат средств и времени на техническое обслуживание и ремонт изделия. Технологичность конструкции оценивается качественно и количественно. 3. Описание схемы сборки, обоснование технологического маршрута Для данного штампа предлагается следующая схема сборки. 1. Общая схема сборки:
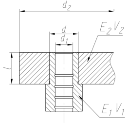
4. Подбор оборудования, оснастки При сборке данного штампа используется следующий инструмент: Операция 010. Слесарно-сборочная. Направляющая втулка запрессовывается в верхнюю плиту по посадке H8/u8 с усилием запрессовки Fз
= Направляющие колонки запрессовываются нижнюю плиту по посадке H8/u8 с усилием запрессовки Fз
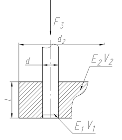
= Матрица устанавливается по посадке H7/m6 так как посадка переходная выбран молоток 7850-0117 ГОСТ 2310-77. Болты затягиваются Ключ торцовый 10-80 ГОСТ 1068-54 5. Расчет технологических параметров сборки Расчет натягов втулки. 1) Направляющая втулка в плиту верхнюю. Ø33 H 8 ES =0,039 IS =0 Ø33 u 8: es =+0,099 is =+0,06 Nmin = is - ES =0,06- 0,039=0,021 Nmax=es-IS=0,099-0=0,099 TΔ=Nmax-Nmin=0,099-0,021=0,078 2) Направляющая колонка в плиту нижнюю. Ø 20 H8 ES=0,03 3 IS=0 Ø33u8: es=+0,081 is=+0,048 Nmin=is-ES=0,048-0,033=0,015 Nmax=es-IS=0,081-0=0,081 TΔ=Nmax-Nmin=0,081-0,0 15 =0,0 66 3) Матрица в плиту нижнюю посадка 138 H7/m6. Ø138H7 ES=0,04 IS=0 Ø138m6: es=+0,04 is=+0,015 Smax= ES- is=0,04-0.015=0,025 Nmax=es-IS=0,04-0=0,04 TΔ=Nmax+ Smax =0,04-0,025=0,065 Расчет усилия запрессовки. Посадка осуществляется с натягами Fz.
Усилие запрессовки рассчитывается по формуле:
где N max – максимальная величина натяга в посадке, конструктивно заданная, [м]; f max – максимальный коэффициент трения в посадке, определяемый материалами деталей соединения, шероховатостями поверхностей, наличием смазки; λ1,λ2 - коэффициенты радиальной податливости вала и втулки соответственно; l – длина посадочного размера [м]. Коэффициенты радиальной податливости определяют по формуле:
где: d –диаметр посадки [м]; Е1 , Е1 – Модули упругости материалов вала и втулки [Н/м²]; ν 1 , ν 2 - Коэффициенты Пуассона материалов вала и втулки соответственно; λ 1 . Результаты расчетов представлены в таблицах 1,2.
Табл.1
Аналогично считаем усилие запрессовки колонки
Аналогично считаем усилие запрессовки матрицы
6. Расчет сборочных размерных цепей Расчет размерных цепей производим в программе «Unigraphics NX 3 ». Перечислим последовательность действий расчета размерных цепей. ●Нормируем составляющие элементы размерной цепи. Для этого заходим в модуль «Моделирование» →Инструменты→Ассоциативные модели→Геометрические допуски. Далее производится нормирование элементов. ●В новом файле создают сборку из элементов входящих в состав размерной цепи. ●Заходим в модуль «Анализ размерных цепей»: «Анализ» → «Анализ размерных цепей». ● Импортируем допуски составляющих элементов размерной цепи в сборку. ● Проверяем наличие сопряжений между элементами сборки. В месте, где необходимо произвести измерение, удаляем сопряжение. ● Производим измерение, и рассчитываем расстояние между двумя элементами сборки. ● Если собираемость конструкции не может быть достигнута по схеме полной взаимозаменяемости, то либо назначаются более жесткие допуски на размеры составляющих звеньев, либо вводится компенсирующее регулировочное звено. Расчет размерной цепи Размерная цепь представляет собой сложную пространственную цепь, которую не представляется возможность просчитать вручную. Поэтому проводим расчет размерной цепи программе UG3. Нормируем элементы, входящие в состав размерной цепи. Создаем сборку, и по вышеприведенной методике рассчитываем искомый зазор между гранью окна пуансона держателя и соответствующей гранью матрицы.
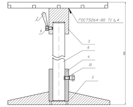
Measurement 4 0.0500 -0.0116 0.1073 0.1189 High 930 Measurement: Measurement 4Units: mm Direction: XC 1.0000, YC 0.0000, ZC 0.0000 Nominal: 0.0500 Minimum: -0.0116 Maximum: 0.1073 Variation: 0.1189 Contributor 1: 46% 352-71-03:Feature 19:DIM +0.0 -0.054 Contributor 2: 43% 352-51-04:Feature 1:DIM -0.0 -0.1 Contributor 3: 5% Vtulka napr:Feature 2:CON|DIA0.010|A Contributor 4: 4% Vtulka napr:Feature 2:CON|DIA0.010|A Contributor 5: 2% 352-71-02:Feature 3:PRL|0.010|A |A 7. Нормирование операций Технологический процесс сборки штампа включает следующие переходы: Выполняемые переходы при запрессовки колонок: 1. Взять и установить корпус на стол пресса. 2. Взять колонку. 3. Установить конец колонки в отверстие корпуса. 4. Включить пресс и запрессовать колонку в отверстие корпуса. 5. Выключить пресс. 6. Снять и отложить корпус. При запрессовки колонки поз.3 , τ =1,12 мин. Выполняемые переходы при запрессовки направляющих втулок: 1. Взять и установить корпус на стол пресса. 2. Взять колонку. 3. Установить конец колонки в отверстие корпуса. 4. Включить пресс и запрессовать колонку в отверстие корпуса. 5. Выключить пресс. 6. Снять и отложить корпус. При запрессовки втулки поз.3 , τ =1,07 мин. Выполняемые переходы при установки штифтов: 1. Установить и закрепить сверло в сверлильном станке 2. Включить станок 3. Сверлить отверстие 4. Вывести сверло из отверстия и выключить станок. 5. Очистить сверло и деталь от стружки. При сверление под штифт поз.25: τ=1,6 мин. При сверление под штифт поз.26: τ=1,11 мин 1. Взять развертку и окунуть в масло 2. Установить развертку в отверстие 3. Взять вороток и одеть на развертку. 4. Развернуть отверстие. 5. Вынуть развертку из отверстия. 6. Снять вороток с развертки и отложить 7. Очистить развертку и деталь от стружки При развертывание под штифт поз.25: τ=1,4 мин. При развертывание под штифт поз.26: τ=0,88 мин Выполняемые переходы при вворачивание винтов 1. Взять винт и ввернуть на 2…3 нитки. 2. Взять инструмент 3. Ввернуть винт окончательно. 4. Отложить инструмент. При ввертывание винтов поз.22: τ=0,43 мин. При ввертывание винтов поз.23: τ=0,52мин. При ввертывание винтов поз.24: τ=0,60 мин. Другие выполняемые переходы: Время транспортирования щтампа на склад составляет τ=1,88 мин. Операция 005. Слесарно-сборочная. – τ=10,72 мин. Операция 040. Транспортная. – τ=1,5 мин.ё Операция 045. Испытания механические. – τ=10,42 мин. Операция 015. Транспортная. – τ=1,88 мин. 8. Описание сборочного приспособления Поворотный стол сделан для удобства сборки штампа. Стол выполнен в виде решётки, что бы была возможность поставить винты с низу. Конструкция сварная. На поворотной втулке поз.3 поставлена рукоятка поз2, что бы рабочий мог быстро зафиксировать стол от поворота. Внутренняя поверхность этой втулки должна быть смазана ЦИАТИМ-210 ГОСТ 6267-74.
На основании поз.5 просверлены 2 отверстия для того чтобы можно было демонтировать втулку поз.4. Приспособление является универсальным. Так что на нем можно собирать и другие узлы, масса которых не превышает 200кг. 9. Описание схемы установки Порядок установки: Постановка штампа на линию2 осуществляется в ручную 1. Поставить штамп на станину поз,1 так что бы хвостовик поз,5 штампа зашел в специальную проточку, выполненную в плите поз, 4 2. Поставить винты поз,2 в отверстия и завинтить их в специальный уголок поз,3, 3. Контролировать размеры штампованной детали относительно эталона, 4. Осмотреть пуансоны, задиры, сколы не допустимы. 5 Направляющие втулки должны перемещаться по колонкам без заеданий
Список литературы 1. «Проектирование технологических процессов сборки машин», Учебник /Под общей ред.проф. А.А. Жолобова. Мн.: Новое знание, 2005. – 410 с. 2. А.Н. Никитин «Технология сборки двигателей летательных аппаратов» Учебник. Москва: Машиностроение. 1982. – 269 с. 3. Ю.Н. Соломенцев. “Проектирование технологий” Москва. Машиностроение. 1990. – 416 с. 4. Иванов М.Н и Иванов В.Н. «Детали машин. Курсовое проектирование» Учеб. Пособие для машиностроит. вузов. М.: Высшая школа, 1975. – 551 с. 5. «Расчёты деталей машин» /И.М. Чернин, А.В. Кузьмин, Г. М. Ицкович. 2-е изд., перераб. и доп. М.: Высшая школа, 1978. – 472 с. 6. «Курсовое проектирование деталей машин» Учеб. Пособие для техникумов /С.А. Чернавский, Г.М. Ицкович, К.Н. Боков и др. М.: Машиностроение, 1980. – 351 с. |
|||||||||||||||||||||||||||||||||||||||||||||||||||||||||||||||||||||||||||||||||||||||||||||||||||||||||||||||||||||






;
.




