Курсовая работа: Деформация и разрушение металлов
|
Название: Деформация и разрушение металлов Раздел: Промышленность, производство Тип: курсовая работа | ||
Министерство образования и науки Украины Донецкий национальный университет экономики и торговли имени Михаила Туган-Барановского Кафедра товароведения и экспертизы непродовольственных товаров Курсовая работа на тему «Деформация и разрушение металлов» Выполнила: студентка гр.ТКДН 08а Войченко Анна Проверил: зав. кафедрой, проф. Лойко Д.П. г. Донецк – 2010г. Содержание Вступление 1 Деформация материалов 1.1 Понятие про деформацию материалов и ее показатели 1.2 Классификация и виды деформаций 1.3 Механизм проявления деформации 2 Разрушение материалов 2.1 Современныепредставления про теориюразрушения материалов 2.2 Факторы, которыевлияют на деформацию материалов 2.3 Взаимосвязь деформаций с крепостью материалов 3 Особенности деформаций и разрушенияметаллов 3.1 Упругопластические деформации металлов 3.2 Особенности разрушения металлов 3.3 Деформация металлов и ихизнос Выводы Литература Вступление Материаловедением называют науку, изучающую взаимосвязь между составом, строением и свойствами материалов, закономерности их изменения под воздействием внешних факторов: тепловых, химических, механических, электромагнитных и радиоактивных. Металл (название происходит от лат. metallum — шахта) — группа элементов, обладающая характерными металлическими свойствами, такими как высокая тепло- и электропроводность, положительный температурный коэффициент сопротивления, высокая пластичность и др. Еще с давних лет ученые занимались поиском ответов на вопросы про металлы и их разрушение, они проводили различные эксперементы, устанавливали связь между материалами или металлами с внешними факторами, со строением. В курсовой работе я рассматриваю деформацию и разрушение материалов и металлов, сопротивление металлов деформации и разрушению и пластичность, т.е. способность металла к остаточной деформации без разрушения. Изучаю виды деформации, ее показатели, факторы, влияющие на разрушение. 1 Деформация материалов 1.1 Понятие про деформацию и ее показатели Материалы и готовые изделия при действии нагрузок деформируются. Деформация - это изменение формы материала или изделия под действием нагрузок. Этот процесс зависит от величины и вида нагрузки, внутреннего строения, формы и характера расположения частиц. Деформация происходит за счет изменений в строении и расположении молекул, их сближения и удаления, что сопровождается изменением сил притяжения и отталкивания. При действии на материал нагрузок им противодействуют внутренние силы, называемые силами упругости. От соотношения внешних сил и сил упругости зависит величина и характер деформации материала. Деформацию различают: -обратимая; -необратимая; Обратимая деформация – деформация, при которой тело после снятия нагрузки полностью восстанавливается. Если тело после снятия нагрузки не возвращается в свое первоначальное положение, то эта деформация называется необратимой (пластическая). Общая деформация тела равна сумме 2-х деформаций: Dобщ = Dобр + Dпласт Обратимая деформация может быть упругой и эластической. Упругая деформация – когда размеры и форма тела после снятия нагрузки восстанавливается мгновенно, со скоростью звука, т.е. она проявляется за короткий промежуток времени. Она характеризуется упругими изменениями кристаллической решетки. Эластическая деформация – когда размеры и формы тела после снятия нагрузки восстанавливаются в течение длительного периода. Понятие эластической деформации применимо в основномк высокомолекулярным органическим соединениям, входящим в состав кожи, каучука, состоящим из данных молекул с большим числом звеньев.Она сопровождается обычно тепловыми явлениями, поглощением или выделением тепла, что связано с явлениями трения между молекулами и их комплексом. Эластическая деформация больше упругой. Эластические деформации имеют значение при использовании одежды, особенно спортивной, с этим связано сминание и распрямление тканей. Ткани, проявляющие эластическую деформацию, характеризуются повышенной носкостью. Необратимая деформация сопровождается новым расположением элементарных частиц за счет сдвигов или скольжений, смещения одних частиц. Замер каждого вида деформации производится через определенное время после снятия нагрузки, например, упругую замеряют через 2 мин., эластическую через 20 мин. и т. д. Эти значения будут соответствовать условно упругой, условно эластической и условно пластической деформациям. Показатели деформации. Основными показателями деформации являются: абсолютное и относительное удлинение и сужение, предел пропорциональности, предел текучести, модуль упругости, разрывная длина, релаксация. -абсолютное и относительное удлинение:
где Δl – абсолютное удлинение (м); l и l0 – конечная и начальная длина тела (м). -предел пропорциональности: характеризует прочность материала в пределах упругости; -предел текучести: свойство материала деформироваться при постоянной нагрузке называется текучестью. Предел текучести – это когда текучесть материала не явно выражена, т.е. когда он получает остаточное удлинение 0,2%. -релаксация – снижение напряжения в деформируемом теле, связанное с самопроизвольным переходом частиц в равновесное состояние. -разрывная длина – минимальная длина, при которой материал разрушается под действием своего собственного веса. 1.2 Классификация и виды деформации Изменения формы и размеров изделия под влиянием внешних сил представляют собой сумму простых видов деформаций, основными из которых являются деформации при растяжении, сжатии, изгибе, сдвиге и кручении. Чаще наблюдается комплекс этих видов деформаций, и называются они сложными. Наибольшее значение в товароведной практике имеют деформации, наблюдаемые при растяжении. При испытании на растяжение, помимо предела прочности, выявляются еще и такие показатели, как абсолютное и относительное удлинение и сужение, предел пропорциональности, предел текучести, модуль упругости и др., величины которые для ряда атнриалов регламентируются ГОСТами. Эта деформация проявляется при использовании тканей, одежды, обуви, строительных материалов. Если брус длиной L0 и поперечным сечением bодним концом закрепить неподвижно, а к другому концу приложить усилие, направленное по длине бруса, то брус деформируется. Деформация бруса сопровождается одновременно приращением длины ∆l и уменьшением поперечных размеров b1. Приращение длины ∆lназывается абсолютным удлинением, которое определяется как разность между длиной бруса после растяжения 1Х и первоначальной длиной l0. Отношение абсолютного удлинения к первоначальной длине называется относительным удлинением е и вычисляется в процентах по формуле: E=∆l/l0 * 100. Для упругопластических материалов полное удлинение при растяжении условно делят на две части: условно-упругое и условно-пластическое (остаточное). Брус после снятия нагрузки за счет сил упругости имеет длину большую, чем первоначальная, но она меньше конце растяжения. Величина ∆l у= lp-lу характеризует упругое удлинение, ∆ l ост=lу – lо характеризует остаточное удлинение или пластичность. Сумма остаточного и упругого удлинений также, как и относительное значение их, всегда равна полному удлинению: ∆l0=∆ly+∆l ост или Еобщ.= Еу+Еост.
Упруго-пластическая деформация при растяжении Деформация сжатия. Она проявляется в несущих конструкциях и деталях, они важны преимущественно для хрупких материалов. Их можно рассматривать так же, как деформация растяжения, но с обратным знаком. В отличии о растяжения наблюдается увеличение поперечных (ширина) размеров и уменьшение длины образца. Эти деформации определяются на специальных прессах. Образцы в зависимости от материала берут в виде цилиндра диаметром 2-5 см, при соответствующем отношении высоты к диаметру ( это больше 1 и меньше 3) куба с размером грани 3; 5; 7,07; 10 и 20 см. Удлиненные цилиндры и призмы, у которых высота меньше стороны, дают повышенный результат, так как сжатие сопровождается поперечным расширением образца. Основным показателям при деформации сжатия является предел прочности, который вычисляется по такой же формуле, что и при растяжении. Некоторые строительные материалы (кирпич, цемент и др.) по этому показателю делятся на марки. Хрупкие материалы разрушаются внезапно без остаточных деформаций. Пластические материалы разрушаются постепенно, после больших остаточных деформаций. Деформация при изгибе. Деформации при изгибе имеют значение при оценке качества одежды, обуви, строительных материалов, металлических, древесных, полимерных и др. При изгибе бруса,лежащего на двух опорах, сосредоточенной нагрузкой посередине в точке, наблюдаются деформации растяжения в выпуклой части и деформации сжатия в вогнутой. Деформация при изгибе будет характеризоваться стрелой прогиба. При этом напряжения сжатия в вогнутой части бруса будут постепенно уменьшаться до нейтрального слоя с линией пт, в котором не наблюдается ни напряжений сжатия, ни напряжений растяжения. Длина отрезка нейтральной линии пт не изменяется. Ниже нейтральной линии наблюдается повышение напряжений растяжения. Отрезок АС получает наибольшее удлинение, а отрезок BD— наибольшее укорочение. Под влиянием нагрузки в поперечных сечениях бруса возникают напряжения растяжения и сжатия, величина которых зависит от величины изгибающего момента, модуля упругости материала, места расположения и удаления от нейтральной линии, а также от радиуса кривизны. Деформация в любом слое, отстоящем от нейтрального на расстоянии (L), прямо пропорциональна этому расстоянию и обратно пропорциональна радиусу кривизны нейтрального слоя: ±Е= L/r; где Е – растяжение в выпуклой части и сжатие вогнутой; L – расстояние от нейтральной линии; r – радиус кривизны; При достаточно большой толщине слоя L и малом радиусе кривизны r напряжения могут быть выше предела прочности и материал разрушится. Согласно закону Гука можно записать ± ав = E*L/r/. Напряжения, возникающие и материале, выражаются отношением момента изгиба к моменту сопротивления W: аизг= Мизг/Wизг. Важно установить, насколько полно материал восстанавливает свое первоначальное положение после воздействия нагрузки, не превышающей предела текучести.
Д еформация при изгибе Деформация сдвига. Проявляются в местах заклепочных и других соединений деталей, когда две равные силы действуют в противоположном направлении и лежат в двух близких поперечных сечениях.Деформация сдвига определяется величиной угла т. Если сдвиг частиц тела происходит в одной плоскости, то такая деформация относится к срезу и является частным случаем деформации сдвига. Деформация сдвига связана частично с деформациями кручения и изгиба и, как правило, предшествует срезу. Величина, на которую одно сечение сместилось относительно соседнего, называется абсолютным сдвигом.
Деформация сдвиг а Деформация при кручении. Они возможны, например, при ввинчивании винта. Если к стержню, один конец которого закреплен неподвижно, приложить силу, перпендикулярной с оси стержня, то стержень будет испытывать деформацию при кручении. По мере удаления точки от центра напряжения возрастают. [1]. 1.3 Механизм проявления деформаций Деформации могут проявляться по-разному, это зависит как от самого материала так и от конструкции. Можно рассмотреть несколько примеров проявления деформации материалов. Например, для горных пород это: -набухание и увеличение объема горных пород, как результат упругих деформаций; -вытекание, как результат ползучести и вязкопластических деформаций; -образование и распространение глубоких пространственных трещин. Например, если это какая-то конструкция, то тут присущи такие деформации как: усадка; изменение относительной влажности воздуха; химические взаимодействия, происходящие в бетоне конструкций; колебания температуры окружающей среды; явление ползучести. Большинство строительных материалов, в том числе и бетон, имеют сильно развитую и достаточно открытую капиллярно-пористую структуру, благодаря чему могут поглощать влагу из окружающей среды (гигроскопическое увлажнение) либо впитывать (сорбировать) воду при непосредственном соприкосновении с ней.Изменение содержания воды в материале приводит к изменению объема, т.е. к объемным деформациям: при высыхании элемента происходит испарение воды и уменьшение объема, при увлажнении - наоборот. Под ползучестью конструкций понимают ее способность деформироваться во времени при длительном действии постоянной нагрузки, в том числе и от собственного веса. Физическая природа явления ползучести недостаточно изучена, но считают , что пластические деформации ползучести обуславливаются пластическими свойствами камня . Деформации ползучести наиболее заметно развиваются в начальный период после приложения нагрузки и постепенно затухают. Например, у бетонов наблюдаются в возрасте 5-6 и более лет. Полная деформация ползучести может значительно превосходить деформации, получаемые бетоном в момент нагружения, иногда превышая их вдвое [2]. 2 Разрушение материалов 2.1 Современные представления про теорию разрушения материалов Для различных классов материалов характерны те или иные типы структурных образований, определяющие особенности их деформирования и разрушения. Наряду с физическим исследованием микроструктуры и микроразрушения материалов проводят анализ явления разрушения на основе некоторых моделей, отражающих наиболее существенные стороны этого явления. В настоящее время еще рано говорить о возможностях построения какой-то общей теории разрушения, более известным представляется развитие частных теорий, более или менее хорошо описывающих поведение некоторых классов материалов в определенных условиях. Разрушение твердого тела почти всегда происходит вследствие развития в нем некоторых поверхностей разрыва смещений. При этом, если реализуется разрыв нормального к поверхности смещения, то говорят о трещине нормального разрыва (отрыва) или просто трещине; если же реализуется разрыв касательного к поверхности смещения, то говорят о трещине сдвига или дислокации. Для роста трещин характерно преимущественное развитие одной наиболее опасной трещины (однако есть исключения, например рост трещин в условиях сжатия, близкого к всестороннему), способность ее к быстрому неустойчивому росту, обычно вызывающему разделение тела на части. Впрочем, разрушения микронеоднородных тел, прочность не зависит от величины начальной трещины и определяется характерными параметрами структуры тела, например величиной зерна (на это обстоятельство обратил в 1939 г. внимание Г. Нейбер; позже Г. П. Черепанов, 1967). Исторически теория дислокаций и теория трещин сложились отдельно; различие этих теорий объясняется тем обстоятельством, что в теории дислокаций рассматривают разрывы смещений, а в теории трещин на поверхности разрыва обычно задают силовые условия. Для решения вопроса о развитии трещины это так же важно, как, например, выбор правильного критерия разрушения для гладкого образца. Наиболее просто формулируется условие локального разрушения в теории так называемых квазихрупких трещин, когда наибольший размер области пластических деформаций в рассматриваемой точке контура трещины мал по сравнению с расстоянием этой точки до ближайшей границы тела. Простейший вариант этого условия на основе физических идей А. А. Гриффита и Г. Ней-бера был предложен в 1957 г. Он заключается в том, что коэффициент при особенности напряжений в рассматриваемой точке в момент локального разрушения (и продвижения трещины в этой точке) считается равным некоторой постоянной материала; при этом напряжения вычисляются в идеальной упругости тела. Были предложены различные модели детального механизма разрушения в конце квазихрупкой трещины. Модель Леонова — Панасюка (1959), предложенная независимо от зарубежных авторов, наиболее проста и универсальна. Согласно этой модели принимается, что на продолжении трещины имеется область ослабленных связей; толщина этой области в рамках теории малых деформаций считается равной нулю. Кроме того, предполагается, что противоположные берега этой области притягиваются один к другому некоторым напряжением, представляющим собой константу материала, а в начале этой области, совпадающей с концом трещины, скачок нормального смещения в момент разрушения становится равным некоторой другой константе материала. Этот критерий может быть применен также к трещинам в упруго-пластических телах. Подход к описанию развития трещин в произвольных сплошных средах был предложен Г. П. Черепановым (1967). Он основан на энергетической концепции и на представлении о сверхтонкой структуре конца трещины, размер которой мал сравнительно с размером пластической области вблизи вершины трещины.Теория предельного равновесия и теория хрупких трещин составляют основу современной механики разрушения. На основе этих теорий было решено много конкретных проблем большого практического значения. Эти теории дают идеализированное описание свойств пластичности и хрупкости, которые присущи в разной мере всем твердым телам. 2.2 Факторы, которые влияют на разрушение материалов Существуют такие факторы разрушения материалов: химическое или электрохимическое взаимодействие материалов с коррозионной средой, атмосферная коррозия, подводная коррозия, подземная и промышленная коррозии; трение; старение; трещины; нагрузки. Разрушение материалов вследствие химического или электрохимического взаимодействия их с коррозионной средой. В системе международной стандартизации это понятие несколько шире: физико-химическое взаимодействие между металлом и средой, в результате которого изменяются свойства металла или материала, и часто происходит ухудшение функциональных характеристик материала, среды. В результате коррозии образуются новые вещества, включающие окислы и соли коррозирующего материала, это – продукты коррозии. Видимые продукты атмосферной коррозии, состоящие в основном из оксидов железа, называют ржавчиной, продукты газовой коррозии при высоких температурах – окалиной. К химической коррозии относятся процессы, протекающие при химическом взаимодействии между материалом и агрессивной средой, не сопровождающиеся возникновением электрического тока. Характерной особенностью процесса химической коррозии является образование продуктов коррозии в месте взаимодействия материала с агрессивной средой. По условиям протекания здесь можно выделить: газовую коррозию (коррозия металлов, вызываемая действием паров и газов при высоких температурах) и коррозию в неэлектролитах (коррозия металлов в жидкостях, непроводящих электрический ток). К электрохимической коррозии, относятся коррозионные процессы, протекающие в водных растворах электролитов, влажных газах, расплавленных солях и щелочах. При электрохимической коррозии процесс растворения металлов сопровождается появлением электрического тока, как в материале, так и в агрессивной среде. При этом электрический ток возникает вследствие процессов коррозии. При электрохимической коррозии одновременно происходит два процесса: окислительный (растворение металла на одном участке) и восстановительный (например, восстановление кислорода). Эти два участка называют анодом и катодом и соответственно различают анодный и катодный процесс. В зависимости от условий протекания процессов и характера разрушения металла различают следующие виды коррозии: - атмосферная коррозия – коррозия в условиях влажной воздушной среды. Это наиболее распространенный вид коррозии. -подземная коррозия – разрушение металла под действием почвы или грунта. -подводная коррозия – коррозия под действием пресной, морской, минеральной и другой воды. -промышленная коррозия – коррозия материалов при получении, переработке промышленно важных сред. Напряжения могут вызывать усиленное коррозионное разрушение обычно местного характера. Не менее опасные разрушения могут иметь место при одновременном воздействии агрессивной среды и знакопеременных нагрузок. Кроме того, выделяют коррозию при трении – разрушение материала при одновременном воздействии агрессивной среды и трения. Серьезные поражения металлов и материалов наблюдаются при коррозионной кавитации – разрушении при ударном воздействии коррозионной среды. Старение – совокупность физических и химических процессов, протекающих в материале, приводящих к изменению его состава и структуры под действием влияющих факторов. Снижение химической стойкости и физико-механических показателей полимерных материалов в результате старения заключается в деструкции вещества. Под деструкцией понимают процессы, приводящие к уменьшению длины цепей или размеров макромолекул. Процессы деструкции протекают под воздействием тепла, света, излучений, кислорода, озона, механических напряжений. За меру химической стойкости неметаллических материалов, применяемых в качестве защитных покрытий, часто принимают величину их набухания в рабочей среде. Трещины . Первые работы в сфере теории разрушения появились в 1921 году, разработал английский инженер Гриффитс. По Гриффитсу, страгивание трещины происходит тогда, когда приращение энергии деформации при прорастании трещины достигает энергии, идущей на образование новой свободной поверхности. Переменность нагрузки. Действие многократно изменяющейся во времени нагрузки может привести к внезапному разрушению материала, носящему хрупкий характер (усталостное разрушение). Окончательному разрушению предшествует образование трещины усталости. Излом имеет две зоны: гладкую (зона развития трещин) и грубозернистую (зона окончательного излома).В ряде случаев на материалы действуют нагрузки, сравнительно медленно изменяющиеся во времени. Если эти нагрузки повторяются многократно, то возможно разрушение конструкции, носящее усталостный характер. Подобные нагрузки называются повторно статическими. Способность материала сопротивляться разрушению при повторно статических нагрузках называется статической выносливостью. Исследования показывают, что при повторно статических нагрузках разрушение наступает при существенно меньшем числе циклов, чем при переменных нагрузках, повторяющихся с большой частотой. [4] 2.3 Взаимосвязь деформации с крепостью материалов Крепость – это физическая способность материала оказывать сопротивление его повреждению при действии сил, ведущих к деформации и внутренние напряжения материала. Под действием этих известных сил материал просто напросто может подвергаться кручению, растяжению, изгибу, сжатию, срезу. Крепость крепкого вещества в принципе обусловлена свойственными ему силами атомного взаимодействия. Подобные силы, свойственные для молекул и атомов, имеют все шансы достигать очень больших значений. Но, в XX годах академик А. Ф. Иоффе показал нам наличие даже небольших неплотностей, трещин и других дефектов вещества, неизбежных в настоящих твердых материалах, в несколько раз уменьшает их прочность по сравнению с теорией. Таким образом, дефекты макроструктуры материала отрицательно отражаются на его твердости. Твердость материала – это его способность сопротивляться пластической деформации или разрушению при местном силовом воздействии; одно из основных механических свойств материалов. Зависит от структуры материала и других его механических характеристик, от вида обработки поверхности, температуры, модуля упругости при деформации и предела прочности при разрушении. Твердость измеряется вдавливанием в поверхность материала или перемещением по ней под нагрузкой специальных наконечников — инденторов, имеющих сферическую, коническую или другую форму. В испытуемую поверхность материала вдавливают закаленный шарик диаметром в 2,5, 5 или 10 мм (это метод по Бринеллю).Число твердости по Бринеллю – НВ - отношение нагрузки к площади поверхности отпечатка. Для получения сопоставимых данных относительно твердые материалы (НВ > 1300) испытывают при отношении P/d2 = 30, материалы средней твердости (НВ 300-1300)-при P/d2 = 10, мягкие (НВ < 300)-при P/d2 = 2,5. Испытания проводят на стационарных или переносных твердомерах при плавном приложении нагрузки и постоянстве выдержки ее в течение определенного времени (обычно 30 с). При определении твердости по Виккерсу в поверхность материала вдавливают алмазный индентор в виде наконечника, имеющего форму правильной четырехгранной пирамиды с двугранным углом при вершине в 136°. Для приблизительного определения твердости горных пород и других хрупких материалов используют метод Мооса, заключающийся в царапании исследуемого материала эталонным минералом. В этом случае твердость измеряется в условных единицах, соответствующих номеру минерала в десятибалльной шкале: тальк— 1, гипс — 2, кальцит — 3, флюорит — 4, апатит — 5, ортоклаз – 6, кварц – 7, топаз – 8, корунд — 9, алмаз — 10. Можно сказать, что связь между деформацией и крепостью материалов самая прямая, ведь это единственное и главное свойство материала сопротивляться деформации или разрушению при силовом ударе.[4] 3 Особенности деформаций и разрушения металлов 3.1 Упругие и пластические деформации металлов Упругая деформация металлов – деформация, влияние которой на форму, структуру и свойства тела полностью устраняется после прекращения действия внешних сил, когда размеры и форма тела после снятия нагрузки восстанавливается мгновенно, со скоростью звука, т.е. она проявляется за короткий промежуток времени. Она характеризуется упругими изменениями кристаллической решетки. Упругая деформация не вызывает заметных остаточных изменений в структуре и свойствах металла; под действием приложенной нагрузки происходит только незначительное смещение атомов или поворот блоков кристалла. При растяжении монокристалла возрастают расстояния между атомами, а при сжатии — сближаются. При таком смещении атомов из положения равновесия нарушается баланс сил притяжения и электростатического отталкивания, поэтому после снятия нагрузки смещенные атомы вследствие действия сил притяжения или отталкивания возвращаются в исходное равновесное состояние, и кристаллы приобретают свою первоначальную форму и размеры. Пластическая деформация металлов - приводит к остаточным изменениям формы и размеров тела.Пластическая деформация может осуществляться скольжением и двойникованием. Скольжение (смещение) отдельных частей кристалла относительно друг друга происходит под действием касательных напряжений, когда эти напряжения в плоскости и в направлении скольжения достигают определенной критической величины. Смещение происходит по системам скольжения, причем с изменением температуры деформации системы скольжения могут изменяться. Чем больше в металле возможных плоскостей и направлений скольжения, тем выше его способность к пластической деформации. Металлы, имеющие кубическую кристаллическую решетку, обладают высокой пластичностью, так как скольжение в них происходит во многих направлениях. Металлы с плотноупакованной структурой менее пластичны и поэтому труднее, чем металлы с кубической структурой, поддаются прокатке, штамповке и другим способам деформации. Процесс скольжения не следует представлять как одновременное передвижение одной части кристалла относительно другой. Такой жесткий, или синхронный, сдвиг потребовал бы напряжений, в сотни или даже тысячи раз превышающие те, при которых в действительности протекает процесс деформации.
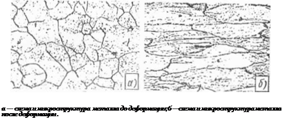
Двойникование. Пластическая деформация некоторых металлов, помимо скольжения может осуществляться двойникованием, которое сводится к переориентировке части кристалла в положение, симметричное по отношению к первой части относительно плоскости, называемой плоскостью двойникования. Изменение структуры поликристаллического металла при пластической деформации.Пластическая деформация поликристаллического металла протекает аналогично деформации монокристалла - путем сдвига (скольжения) пли двойникования. Формоизменение металла при обработке давленном происходит в результате пластической деформации каждого зерна. При этом следует иметь в виду, что зерна ориентированы не одинаково, п полому пластическая деформация по может протекать одновременно н одинаково во всем объеме поликристалла. Первоначально под микроскопом на предварительно полированных и деформированных образцах можно наблюдать следы скольжения в виде прямых линий, эти линии одинаково ориентированы в пределах отдельных зерен. При большой деформации в результате процессов скольжения зерна (кристаллиты) меняют свою форму. До деформации зерно имело округлую форму, после деформации в результате смещения по плоскостям скольжения зерна вытягиваются в направлении действующих сил,образуя волокнистую или слоистую структуру. Одновременно с изменением формы зерна внутри нею происходит дробление блоков.[5], [6]
3.2 Особенности разрушения металлов Процесс деформации при достижении достаточно высоких напряжений заканчивается разрушением. Процесс разрушения состоит из двух стадий — зарождения трещины и ее распространения через все сечение образца (детали). Разрушение есть многостадийный процесс, в течение которого меняется форма, размеры и микроскопические механизмы роста трещины. На микроскопическом уровне различают: а) разрушение, когда развивающийся процесс скольжения формирует плоскость будущего излома; последующий процесс отрыва идет по поверхности раздела ( границ зерен) или по плоскостям спайности; б) смешанные — плоскости излома проходят и через зерна и между ними. На практике разрушение подразделяют на хрупкое, вязкое и усталостное. Хрупкое разрушение происходит без макроскопической де формации или с очень малой деформацией, и начинаемся обычно на внешних рисках, подрезах или на уже имеющихся трещинах. Хрупкому разрушению способствуют следующие факторы: —конструктивная форма: насечки, резьба, риски, резкое изменение сечения; —технологические: дефекты сварки, закалки, шлифования, высокие напряжения; —условия нагружения: низкие температуры, ударные нагрузки, многоосное напряженное состояние; —структура материала: крупные зерна, фазы выделения на границах зерен, старение, неблагоприятные примеси и включения; —внешние условия: коррозионная среда — коррозионное растрескивание. Вязкое разрушение сопровождается значительной пластической деформацией и является результатом медленного разрастания достаточно длинных трещин. Разрушение происходит путем образования пор и путем медленного роста ступенчатой трещины при образовании полостей и ямок перед се вершиной. Вязкое разрушение обусловлено малой скоростью распространения трещины. Скорость распространения хрупкой трещины весьма велика — она близка к скорости звука, поэтому нередко хрупкое разрушение называют «внезапным» или «катастрофическим» разрушением. С точки зрения микроструктуры существуют два вида разрушения — транскристаллитное и интеркристаллитное. При транскристаллитном разрушении трещина распространяется по телу зерна, а при интеркристаллитном она проходит по границам зерна. По внешнему виду излома (визуальное наблюдение) можно судить о характере разрушения. Волокнистый (матовый) излом свидетельствует о вязком разрушении, кристаллический (светлый) излом является результатом хрупкого разрушения. Изучение тонкой структуры излома с помощью электронного микроскопа (микрофракгография) позволяет более уверенно судить о вязком или хрупком характере разрушения. Вязкое разрушение характеризуется «чашечным» микростроением излома. При этом виде разрушения происходит образование внутренних микрообластей («чашек») с последующим удлинением этих локальных очагов разрушения и разрывом перемычек, разделяющих их. Хрупкое разрушение характеризуется «ручьистым» поверхности излома. Хрупкая трещина распространяется по нескольким параллельным плоскостям. Ступени при разрушении сливаются, образуя ручьистый узор. Вязкий чашечный и хрупкий ручьистый изломы относятся к транскристаллитному разрушению. Многие металлы ( Fe, W, Zn и др), в зависимости от температуры могут разрушаться как вязко, так и хрупко. Понижение температуры обусловливает переход от вязкого к хрупкому разрушению. Это явление получило название хладноломкость.
1-«чашечный» излом, 2- «ручьистая» поверхность излома Усталостные разрушения возникают при циклическом нагружении, приводящем к необратимому накоплению повреждений, являющихся очагами будущего разрушения. Накопление повреждений происходит в три стадии: 1) упрочнение (возникновение, движение и скопление дислокаций), 2) образование трещин (при незначительном движении дислокаций на поверхности возникают экструзии — маленькие и интрузии — маленькие впадины (канавки), приводящие к образованию зародышевых трещин); 3) рост зародышевых трещин.[5] 3.3 Деформация металлов и их износ В процессе эксплуатации все элементы изнашиваются, повреждаются и постепенно теряют свои прочностные характеристики. Износ — изменение размеров, формы, массы или состояния поверхности изделия или инструмента вследствие разрушения (изнашивания) поверхностного слоя металла при трении. Износ приводит к снижению функциональных качеств и к потере их потребительской ценности. Различают три группы изнашивания: - механическое, - молекулярно-механическое - коррозионно-механическое. Механическое изнашивание возникает в результате воздействия твердых частиц на трущиеся поверхности. Молекулярно-механическое изнашивание получается в результате одновременного механического воздействия и воздействия молекулярных или атомных сил (схватывание с последующим разрушением металла в местах схватывания). Коррозионно-механическое изнашивание есть изнашивание при трении металла, вступившего в химическое взаимодействие со средой. Характеризуется образованием пленок окислов, химических соединений и последующим разрушением этих образований, т. е. происходит в результате окислительного изнашивания. Трение – является основной причиной изнашивания. Принято различать трение покоя двух тел при предварительном смещении, трение движения двух тел, находящихся в относительном движении, трение скольжения, качения. Трение скольжения обусловлено тем, что скорости соприкасающихся металлов в точках касания различны. При трении скольжения одна и та же зона одного металла соприкасается с различными зонами другого. Трение качения характеризуется условиями, когда скорости соприкасающихся деталей металла в точках касания одинаковы по величине и направлению. Для трения скольжения характерно истирание деталей металла, а для трения качения — смятие и выкрашивание. Изнашивание деталей, образующих неподвижные сопряжения, зависит от значения силы трения покоя. Для подвижных сопряжений изнашивание деталей металла будет зависеть от характера относительного перемещения трущихся поверхностей и от характера их смазывания. Изнашивание зависит от металла и качества трущихся поверхностей, от характера и скорости их взаимного перемещения, от характера контакта, вида и значения нагрузки, вида трения и многих других факторов.Увеличению износостойкости изделий способствуют применение материалов или металлов с высокой износостойкостью.[7] Выводы Рассмотрев деформацию и разрушение материалов и металлов, хочу сказать, что эта тема является очень актуальной на сегодняшний день. Все сооружения, конструкции сделаны из различных по свойству, по качеству материалов. Нужно постоянно изучать их, делать выводы, устранять какие-то ошибки, качественней проводить эксперименты для того, чтоб эти сооружения, предметы могли соответствующе функционировать и даже улучшать их качество, чтоб они меньше подвергались деформации. Ведь нельзя представить хоть что-то без металлов. Ученые постоянно следят за металлами, открывают новые. Металлы и материалы – очень важны в нашей жизни. Я б хотела, чтоб производители каких-либо материалов заботились не только про свою прибыль, но и про качество и производили такие материалы, которые б имели улучшенные прочностные характеристики, для того, чтоб материал не так сильно подвергался деформации, а тем более разрушению. Но, к сожалению, многие производители не заботятся о качестве, поэтому при неправильном изготовлении и использовании материалов проявляются небольшие деформации, которые после превращаются в разрушение. Литература 1. Н.С.Алексеев, В.Г. Зайцев, С.С. Палладов – Введение в товароведение промышленных товаров. М.: «Экономика», 1967г – 152 с. 2.www. Wikipedia.ru 3.www.MYsopromat.ru 4. www.mehanica.ru 5. Ю.М. Лахтин, В.П. Леонтьева – Материаловедение: М.:Машиностроение.1980. – 493 с. 6. В.Д. Дурнев, С.В. Сапунов, В.К. Федюкин – Товароведение промышленных материалов. М.: Информационно-издательский дом «Филинъ», 2002. – 536 с. 7.www.aswn.ru |



