Курсовая работа: Разработка системы автоматизации процесса стабилизации температуры охлажденного продукта
|
Название: Разработка системы автоматизации процесса стабилизации температуры охлажденного продукта Раздел: Промышленность, производство Тип: курсовая работа | |||||||||||||||||||||||||||||||||||||||||||||||||||||||||||||||||||||||||||||||||||||||||||||||||||||||||||||||||||||||||||||||||||||||||||||||||||||||||||||||||||||||||||||||||||||||||||||||||||||||||||||||||||||||||||||||||||||||||||||||||||||||||||||||||||||||||||||||||||||||||||||||||||||||||||||||||||||||||||||||||||||||||||||||||||||||||||||||||||||||||||||||||||||||||||||||||||||||||||||||||||||||||||||||||||||||||||||||||||||||||||||||||||||||||||||||||||||||||||||||||||||||||||||||||||||||||||||||||||||||||||||||||||||||||||||||||||||||||||||||||||||||||||||||||||||||||||||||||||||||||||||||||||||||||||||||||||||||||||||||||||||||||||||||||||||||||||||||||||||||||||||||||||||||||||||||||||||||||||||||||||||||||||||||||||||||||||||||||||||||||||||||||||||||||||||||||||||||||||||||||||||||||||||||||||||||||||||||||||||||||||||||||||||||||||||||||||||||||||||||||||||||||||||||||||||||||||||||||||||||||||||||||||||||||||||||||||||||||||||||||||||||||||||||||||||||||||||||||||||||
| Федеральное агентство по образованию Государственное образовательное учреждение высшего профессионального образования «Кузбасский государственный технический университет» Кафедра электропривода и автоматизации КУРСОВОЙ ПРОЕКТ АВТОМАТИЗАЦИЯ ПРОИЗВОДСТВЕННЫХ ПРОЦЕССОВ Тема проекта: «Разработка системы автоматизации процесса стабилизации температуры охлажденного продукта » Автор проекта: студент гр. ЭА-061 Фурман Д.Н. Руководитель проекта: Медведев А.Е. Кемерово 2010 Введение В данной курсовом проекте необходимо по техническому заданию, с учетом требований к проектируемой системе автоматизации стабилизации температуры охлажденного продукта, разработать: функциональную схему автоматизации, принципиальную электрическую схему, схему соединений элементов проектируемой СА, произвести расчет надежности проектируемой СА, выбрать технические средства системы автоматизации, для реализации поставленных задач, произвести расчет параметров настройки регулятора для автоматического регулирования технологических параметров, а так же представить алгоритмическое и программное обеспечение проектируемой системы автоматизации. 1. ТЕХНИЧЕСКОЕ ЗАДАНИЕ НА ПРОЕКТИРОВАНИЕ 1.1 Технологическая схема и задачи автоматизации объекта 1. Цель управления - поддержание температуры охлаждаемого продукта на заданном уровне путем изменения расхода хладоагента включением-отключением компрессора. 2. Задачи системы автоматизации: 2.1. Регулирование параметров: - стабилизация температуры охлажденного продукта; 2.2. Контроль параметров: - расход продукта; - температура охлажденного продукта; - уровень конденсата в испарителе; 2.3. Сигнализация. 2.3.1. Предупредительная сигнализация о: - уровне заполнения конденсатом испарителя; 2.3. 2. Аварийная сигнализация о: - уровне заполнения конденсатом испарителя (для предотвращения «влажного» хода компрессора, при компрессор отключается, загорается сигнальная лампа и включается сирена); 2.4. Защита от чрезмерного снижения давления хладоагента и превышения уровня конденсата в испарителе путем отключения электродвигателя компрессора; 2.5. Дистанционное управление электродвигателем насоса 1.2 Технические требования к проектируемой системе автоматизации Требования к CА представлены в таблицах 1.1–1.4. Таблица 1.1 - Требования к САР
tp - допустимое время регулирования;
Таблица 1.2 - Требования к САК
Таблица 1.3 - Требования к САС
Таблица 1.4 - Требования к САЗ
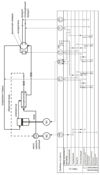
2. РАЗРАБОТКА ФУНКЦИОНАЛЬНОЙ СХЕМЫ АВТОМАТИЗАЦИИ 2.1 Функциональная схема автоматизации объекта Обеспечить для схемы автоматизации процесса стабилизации температуры охлажденного продукта, приведенной на рис. 1.1, решение следующих задач автоматизации: 1. Индикация и регистрация расхода продукта. 2. Автоматическое регулирование температуры охлажденного продукта. 3. Автоматическая защита оборудования от чрезмерного снижения давление хладоагента и превышения уровня конденсата в испарителе, путем отключения электродвигателя компрессора. 4. Предупредительная и аварийная сигнализация по уровню заполнения конденсатом испарителя, соответственно, L=Lпр и L=Lав. 5. Сигнализация состояния электродвигателя циркуляционного насоса «Включен», «Выключен». 6. Дистанционное управление электродвигателем насоса М2 , с пульта управления оператора. ФСА объекта показана на рис.2.1. На схеме (см. рис.2.1) вертикальными непрерывными линиями показаны связи между элементами системы, а пунктирными горизонтальными линиями – обработка сигналов в соответствии с алгоритмами контроля, регулирования и управления, реализуемыми программным обеспечением системы автоматизации (программами работы ПЛК и компьютера). ПЛК выполняет функции локального управляющего устройства. Основное назначение компьютера создание с помощью SCADA системы интерфейса «человек – машина», обеспечивающего: а) отображение на экране монитора (на мнемосхеме технологического процесса) значений параметров цифровыми и световыми сигналами; б) задания уставок регулирования, защиты и сигнализации; в) подачу команд дистанционного управления (“Включить”/“Выключить”) и сигнализация состояния электродвигателя; г) регистрация (архивирование) расхода и температуры маточного раствора и суспензии. На рис. 2.2 представлена мнемосхема автоматизации процесса поддержания температуры охлаждаемого продукта.
Рис. 2.1
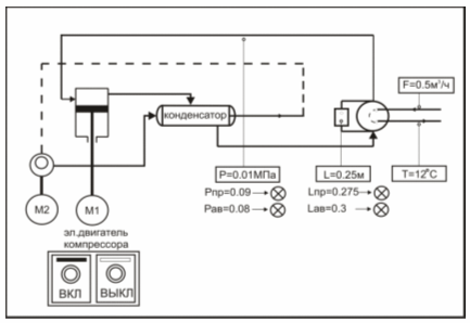
Рис. 2.2 - Мнемосхема технологического участка на экране монитора 2.2 Выбор технических средств автоматизации (ТСА) Выбор ТСА проводиться на основании анализа: - технических требований к системе автоматизации; - разработанной ФСА; - характеристик технологической среды, где будут находиться первичные преобразователи (датчики) и исполнительные устройства (механизмы), и помещений, где будут расположены остальные средства автоматизации (регуляторы, контролеры, компьютеры и др.); - планируемого уровня капитальных затрат на создание системы автоматизации - требования к метрологическим характеристикам системы (точность измерения контролируемых величин, надежность СА); - результатов анализа технических и стоимостных характеристик отечественных и зарубежных ТСА и других показателей. Исходные данные для выбора ТСА, представлены в табл. 2.1. Таблица 2.1 - Исходные данные для выбора ТСА
Перечень ТСА с краткими техническими характеристиками представлен в табл. 2.2. Таблица 2.2 - Перечень технических средств автоматизации объекта
На основании исходных данных для выбора ТСА из перечня, представленного в табл. 2.2, составляем спецификацию технических средств системы автоматизации. Данная спецификация представлена в табл. 2.3. Таблица 2.3 - Спецификация технических средств системы автоматизации
3. АВТОМАТИЧЕСКОЕ РЕГУЛИРОВАНИЕ ТЕХНОЛОГИЧЕСКИХ ПАРАМЕТРОВ ОБЪЕКТАНа рис. 3.1. представлена структурная схема технологического объекта управления.
Рис. 3.1 - Структурная схема технологического объекта управления На структурной схеме обозначены: U –управляющее воздействие, – регулируемая переменная, Pк - возмущающее воздействие (давление конденсата). Исходные данные для расчёта САР: 1) Передаточная функция управляющего канала объекта:
где Ku =0.9; T0 =35c; τ0 =5c. 2) Диапазон изменения возмущающего воздействия: WF (0.06-0.14) МПа; 3) Коэффициент передачи возмущающего канала объекта: Kр =0.2; 4) Допустимые значения прямых показателей качества:
где 5) Заданное значение регулируемой величины Топ =(7.2 – 16.8)°С; Произведём расчёт параметров настройки регулятора с помощью программы IPC-CAD: Опыты проводим для трех процессов: апериодический, с умеренным затуханием и колебательный. Выбираем регулятор П, ПИ или ПИД, при этом качество переходных процессов должно соответствовать заданию. Необходимо произвести перерасчет значений регулируемой переменной, из относительных единиц (процент шкалы) в абсолютные единицы (°C). Это делается путем умножения регулируемой переменной, выраженной в процентах шкалы, на коэффициент перевода, который определяется из следующего выражения. Графики, полученные в процессе настройки отображены на рис. 3.2, 3.3. Данные моделирования представлены в таблице 3.1.
Рис. 3.2 - График переходных процессов в САР при нанесении возмущения «По нагрузке» в режимах «Настройка» (1) и «Проверка на грубость» (2) апериодического процесса
Рис. 3.3 - График переходных процессов в САР при нанесении возмущения «По нагрузке» в режимах «Настройка» (1) и «Проверка на грубость» (2) колебательного процесса Таблица 3.1 - Результаты расчета и моделирования в одноконтурной САР
В соответствии с табл. 3.1, предпочтение отдаем параметрам настройки ПИ-регулятора, которые получены для типового переходного процесса «с умеренным затуханием». Анализ качества регулирования Степень затухания в обоих случаях выше 0.75, следственно система устойчива и робастна. Статическая ошибка равна нулю, т.к. достигается установившееся значение переменной. Время регулирования в нормальном режиме и при проверке на грубость: 60 мин и 54 мин соответственно, при допустимом 100 мин. Как видно из графика, при проверке на грубость величина перерегулирования недопустима по заданию. Поэтому проведём оптимизацию параметров ПИ-регулятора в соответствии с одним из законов. Получим следующие параметры регулятора: Кр=1.987; Tи=17.5; Результаты моделирования с новыми значениями параметров ПИ-регулятора представлены на рис. 3.4.
Рис. 3.4 - Графики переходных процессов в САР при нанесении возмущения «По заданию» в режимах «Настройка» (1) и «Проверка на грубость» (2) Как видно из графика, колебательность переходного процесса существенно уменьшилась, перерегулирование при проверке на грубость составляет 20%, что соответствует техническому заданию. В результате моделирования переходного процесса «С умеренным затуханием», при возмущении «По заданию», получены показатели качества регулирования, представленные в табл. 3.2. Таблица 3.2 - Показатели качества регулирования при нанесении возмущения «По заданию»
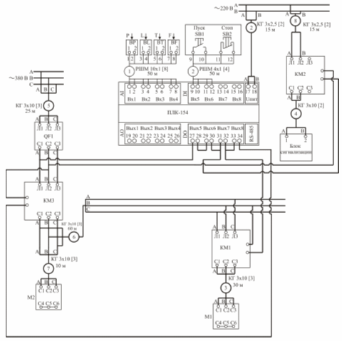
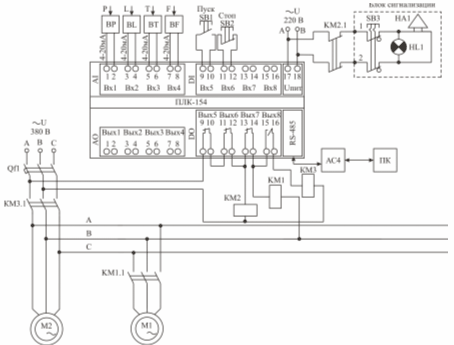
Сравниваем полученные показатели качества регулирования с допустимыми, можно сделать вывод о том, что полученные при расчете САР прямые показатели качества регулирования удовлетворяют требованиям технологического регламента. 4. РАЗРАБОТКА ЭЛЕКТРИЧЕСКИХ СХЕМ СИСТЕМЫ АВТОМАТИЗАЦИИ 4.1 Принципиальная электрическая схема Принципиальная электрическая схема (ПЭС) определяет полный состав приборов, аппаратов и устройств (а также связь между ними), действие которых обеспечивает решение задач управления, регулирования, защиты, измерения и сигнализации. На рис. 4.1. представлена ПЭС процесса автоматизации стабилизации температуры. При включении автоматического выключателя QF1 на силовые установки подаётся напряжение. Запуск двигателя циркуляционного насоса возможен с компьютера оператора, либо нажатием кнопки SB1 «Пуск», в щитке по месту, в следствии чего замкнется выход 8 ПЛК-154, реле КМ3 сработает, замкнет свои контакты и подаст напряжение на двигатель М2, и силовую цепь. Отключить двигатель насоса можно с компьютера оператора или нажатием кнопки SB2 «Стоп». Если в процессе работы возникнет внештатная ситуация, то сработает защита. Например, уровень конденсата в испарителе стал выше критической отметки Lав , тогда разомкнется выход 6 контроллера ПЛК-154, тем самым отключатся реле КМ1, КМ2 и КМ3. Отключение реле КМ3 приведет к отключению двигателя М2 и всей силовой цепи. Отключение реле КМ2 включит сигнализацию, т.к. контакты его замкнутся при отсутствии питания на управляющей обмотке. Таким же образом работает защита по давлению хладоагента. В системе были приняты дополнительные узлы защиты: электромагнитные реле КМ1, КМ2 и КМ3, автоматический выключатель QF, обеспечивающий защиту всей цепи от токов короткого замыкания.
Рис. 4.1 - Принципиальная электрическая схема процесса стабилизации температуры охлажденного продукта На схеме были приняты следующие обозначения: BP, BL, BT, BF – датчики давления, уровня, температуры и расхода; AI, AO, DI, DO – аналоговые и дискретные входы и выходы контроллера; ПЛК-154 – многофункциональный контроллер фирмы «ОВЕН»; SB1, SB2, SB3 – кнопки пуск, стоп двигателя компрессора и отключения сигнализации; HA1, HL1 – сирена и лампа сигнальные; QF1 – автоматический выключатель; КМ1, КМ2,КМ3 – электромагнитные реле; М1, М2 – асинхронные двигатели с короткозамкнутым ротором; 4.2 Схема соединения элементов Для монтажа системы автоматизации необходимы схема соединений (СС) ее элементов. Она показывает проводные связи между элементами, маркировку соединительных проводов и мест подключений (клемм). Схема соединений процесса автоматизации стабилизации температуры приведена на рис. 4.2.
Рис. 4.2 - Схема соединений процесса автоматизации стабилизации температуры На схеме были приняты следующие обозначения: BP, BL, BT, BF – датчики давления, уровня, температуры и расхода; AI, AO, DI, DO – аналоговые и дискретные входы и выходы контроллера; ПЛК-154 – многофункциональный контроллер фирмы «ОВЕН»; SB1, SB2 – кнопки пуск и стоп двигателя компрессора; QF1 – автоматический выключатель; КМ1, КМ2, КМ3 – электромагнитные реле; М1, М2 – асинхронные двигатели с короткозамкнутым ротором; РШМ – гибкий кабель с резиновой изоляцией [число жил]x[площадь сечения жил] [количество используемых жил]; КГ – кабель гибкий [число жил]x[площадь сечения жил] [количество используемых жил]. 5. РАСЧЕТ НАДЕЖНОСТИ СИСТЕМЫ АВТОМАТИЗАЦИИ Предварительный расчет надежности САР температуры охлажденного продукта. В комплект технических средств входят: датчик температуры –Метран – 201, пускатель магнитный ПМ-12.01, промышленный компьютер PPC-153, программируемый логический контроллер ПЛК154, соединительные провода (СП) и кабели. Надежность САР оценивается по среднему времени безотказной работы( На рис. 6.1 приведена функциональная структура САУ с выделением отдельных элементов.
Рис. 5.1 - Функциональная структура САР: ТОУ – технологический объект управления, ДТ – датчик температуры - Метран – 201, БК – блок контроллера ПЛК154, ПК – промышленный компьютер PPC-153, П – пускатель магнитный ПМ-12.01, АД – асинхронный двигатель Внезапные отказы для всех элементов, показанных на рис. 6.1, заключаются в невозможности элемента выполнять свои функции ввиду обрыва проводов, короткого замыкания и т. д. Отказ системы в целом будет заключаться в потере системой устойчивости, выходе управляемой (регулируемой) переменной за предельные значения показателей качества управления. При отказе любого элемента функциональной схемы САР, приводит к отказу всей системы. Исходя из этого логическая схема расчета надежности, изображенная на рис. 6.2, представлена в виде последовательного соединения всех элементов.
Рис. 5.2 - Логическая схема расчета надежности Вероятность безотказной работы САР при условии независимости отказов элементов будет определяться по следующему выражению:
где Показатели надежности элементов приведены в табл. 5.1. Таблица 5.1 - Интенсивности отказов элементов
где
Среднее время безотказной работы САУ:
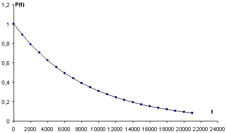
График изменения вероятности безотказной работы САУ изображен на рис. 5.3.
Рис. 5.3 - График изменения вероятности безотказной работы Так как полученное время безотказной работы САУ больше указанного в требованиях, то нет необходимости в резервировании элементов. Данный состав и структура САУ отвечают требованиям к надежности системы. 6. АЛГОРИТМИЧЕСКОЕ И ПРОГРАМНОЕ ОБЕСПЕЧЕНИЕ СИСТЕМЫ 6.1 Алгоритм и программа автоматической защиты и сигнализации на языке SFC Блок – схема алгоритма автоматической защиты и сигнализации представлена на рис. 6.1.
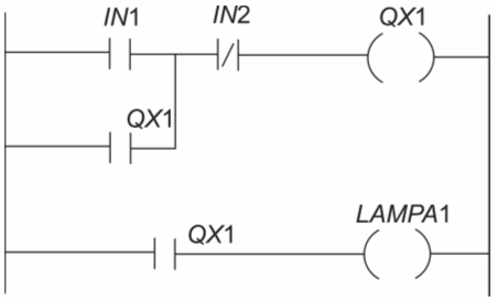
Рис. 6.1 - Блок – схема алгоритма автоматической защиты и сигнализации по уровню конденсата и давлению хладоагента в системе регулирования На схеме обозначено: Lпр, Lав – заданные значения уровня конденсата в испарителе и давления хладоагента, для включения предупредительной и аварийной сигнализаций и защиты соответственно. 6.2 Программа работы контроллера для реализации функции дистанционного управления Программа работы контроллера, для реализации функции дистанционного управления электродвигателем циркуляционного насоса, составленная на языке LD (лестничных диаграмм), представлена на рис. 6.2.
Рис. 6.2 - Программа дистанционного управления электродвигателем насоса IN1, IN2 – входные битовые переменные, поступающие с ПК при подаче оператором команд вкл/выкл; QX1 – выходная битовая переменная, управляющая включением / выключением пускателя; LAMPA1– выходная битовая переменная, управляющая световым сигналом на экране ПК «Пускатель включен» 6.3 Программа работы контроллера для реализации функции автоматического регулирования температуры охлажденного продукта Программа для автоматического регулирования контроллером технологического параметра (см. ФСА проектируемой системы) составляется на языке FBD с использованием в качестве основного функционального блока функции ПИД - регулирования (рис. 6.3) из библиотеки ОВЕН функциональных блоков управления и регулирования. Параметры настройки ПИД - регулятора устанавливаются в соответствии с данными, полученными при расчете соответствующей САР.
Рис. 6.3 - Функциональный блок ПИД - регулирования без автонастройки регулятора ВХОДНЫЕ ПАРАМЕТРЫ PV : REAL ; – значение регулируемой величины (сигнал обратной связи, приходящий с датчика); PV TIME : WORD ; – время получения значений регулируемой величины (циклическое время), используется для вычисления интегральной и дифференциальной составляющих. Отсчитывается в сотых долях секунды и берется из модуля UNIVERSAL Sensor , переменной Circular time (т. е. указывается для входной переменной адрес соответствующего модуля конфигурации контроллера в разделе PLC Configuration ) или получается по сети от приборов ОВЕН. Если функциональный блок используется не с измерителем ОВЕН, то необходимо завести переменную, в которую прибавлять время, равное периодичности вызова блока (периоду вызова POU ). Единица времени в этой переменной должна равняться 1/100 сек, при переполнении значение должно обнуляться и накопление значения времени должно продолжаться; SP : REAL ; – уставка регулятора; PB : REAL ; – полоса пропорциональности (в единицах регулируемой величины). Показывает насколько сильно действует обратная связь – чем шире полоса пропорциональности, тем меньше величина выходного сигнала OUT при одном и том же отклонении (рассогласовании); TI : DINT ; – постоянная интегрирования (4-байтовое целое число со знаком, в секундах). Задает инерционность объекта регулирования; TD : REAL ; – постоянная дифференцирования. Рекомендованное соотношение TD /TI для большинства объектов лежит в диапазоне от 0,15 до 0,3; IMIN : REAL ; – минимальное ограничение накопления интегральной составляющей в диапазоне от -100 до 100; IMAX : REAL ; – максимальное ограничение накопления интегральной составляющей в диапазоне от -100 до 100. Выход блока: OUT : REAL ; – выходной сигнал регулятора, от минус 100 до +100 % относительной мощности. Пояснения по фрагментам программы: 0001 – на входе SP ПИД - регулятора в [°С] указывается значение необходимой температуры охлажденного продукта. На вход P V подается измеренное значение температуры. Параметры на входах TI , TD , IMIN , IMAX выбираются экспертным методом. Блок MAX в выходном сигнале убирает отрицательные значения; 0002 – сигнал out_val с ПИД-регулятора поступает на блок MUL для умножения на 655,35 с целью линейного преобразования выходной мощности регулятора (от 0 до 100) к мощности, подаваемой на ШИМ (0…65535). Дальше значение передает его на блок REAL TO WORD для преобразования типа данных из REAL в WORD . С выхода переменная PWR подается на модуль соответствующего выхода контроллера в канал широтно-импульсной модуляции. Заключение В данном курсовом проекте было разработано: функциональная схема автоматизации, принципиальная электрическая схема, схема соединений элементов СА, был произведен расчет надежности проектируемой СА, выбраны технические средства СА, произведен расчет параметров настройки регулятора для автоматического регулирования температуры охлажденного продукта, а так же разработано алгоритмическое и программное обеспечение для данной системы автоматизации. Список используемой литературы 1. Медведев А.Е. Правила выполнения схем автоматизации технологических процессов и оборудования. – Кемерово: КузГТУ, 2006. – 56 с. 2. Чупин А.В. Расчет систем автоматизации технологических процессов и оборудования. – Кемерово: КузГТУ, 2004. – 63 с. 3. Медведев А.Е. Программа и методические указания по курсовому проектированию для студентов специальности 140604 (180400) «Электропривод и автоматика промышленных установок и технологических комплексов» – Кемерово: КузГТУ, 2004. – 42 с. 4. Техника чтения схем автоматического управления и технологического контроля / Под ред. А.С. Клюева. – М.: Энергоатомиздат, 1991. – 432 с. 5. Конюх В.Л. Компьютерная автоматизация производства. Учебное пособие, часть 1. – Кемерово: 2003. – 118 с. 6. Медведев А.Е. Система автоматизации компрессорной установки. Методические указания к выполнению лабораторной работы по курсу АПП. – Кемерово: КузГТУ, 2007. – 31 с. 7. Компьютерная база данных КузГТУ по техническим средствам систем автоматизации, разработанная проф. кафедры ЭПА Захаровой А.Г. |
|||||||||||||||||||||||||||||||||||||||||||||||||||||||||||||||||||||||||||||||||||||||||||||||||||||||||||||||||||||||||||||||||||||||||||||||||||||||||||||||||||||||||||||||||||||||||||||||||||||||||||||||||||||||||||||||||||||||||||||||||||||||||||||||||||||||||||||||||||||||||||||||||||||||||||||||||||||||||||||||||||||||||||||||||||||||||||||||||||||||||||||||||||||||||||||||||||||||||||||||||||||||||||||||||||||||||||||||||||||||||||||||||||||||||||||||||||||||||||||||||||||||||||||||||||||||||||||||||||||||||||||||||||||||||||||||||||||||||||||||||||||||||||||||||||||||||||||||||||||||||||||||||||||||||||||||||||||||||||||||||||||||||||||||||||||||||||||||||||||||||||||||||||||||||||||||||||||||||||||||||||||||||||||||||||||||||||||||||||||||||||||||||||||||||||||||||||||||||||||||||||||||||||||||||||||||||||||||||||||||||||||||||||||||||||||||||||||||||||||||||||||||||||||||||||||||||||||||||||||||||||||||||||||||||||||||||||||||||||||||||||||||||||||||||||||||||||||||||||||||








,




