Курсовая работа: Расчет точностных параметров и методов их контроля
|
Название: Расчет точностных параметров и методов их контроля Раздел: Промышленность, производство Тип: курсовая работа | |||||||||||||||||||||||||||||||||||||||||||||||||||||||||||||||||||||||||||||||||||||||||||||||||||||||||||||||||||||||||||||||||||||||||||||||||||||||||||||||||||||||||||||||||||||||||||||||||||||||||||||||
| Министерство образования Российской Федерации Южно-Уральский государственный университет Кафедра «Технология машиностроения» Пояснительная записка к семестровому заданию по дисциплине Взаимозаменяемость, стандартизация и технические измерения «Расчет точностных параметров и методов их контроля» Аннотация В пояснительной записке приведен расчет и выбор посадок для сопрягаемых поверхностей, представлены схемы полей допусков для этих посадок. Содержание Введение 1. Расчет и выбор посадки с натягом 2. Расчет комбинированной посадки 3. Расчет и выбор переходной посадки 4. Расчет и выбор посадок подшипников качения 5. Расчёт калибров 6. Резьбовое соединение 7. Подбор параметров зубчатого колеса 8. Расчет размерной цепи 9. Разработка схем контроля Заключение Литература Приложение Введение Повышение уровня качества продукции является важнейшей задачей машиностроения, в успешном решении которой большая роль принадлежит квалифицированным кадрам. Ежегодно на машиностроительные предприятия приходят молодые специалисты, которые должны выпускать высококачественную продукцию в строгом соответствии с требованиями технической документации. Она содержит требования по точности размеров, формы и расположения поверхностей и т.п. Технической документацией должен руководствоваться каждый работник машиностроительной специальности, работник ОТК. Специалисты в повседневной работе сталкиваются с необходимостью чтения чертежей, на которых содержаться условные обозначения предельных отклонений и допусков, а также параметров шероховатости. Поэтому задачей современного образования в области машиностроения является обучение студентов правильности чтения чертежей и умению составления технической документации. 1. Расчет и выбор посадки с натягом Составим таблицу исходных данных для расчета посадки. Таблица 1 – Исходные данные
Минимальный функциональный натяг определяем из условия обеспечения прочности соединения: 2 * Мкр CD Cd Nminф = -------------------- * ----- + ----- , (1.1) * dH * l * f ED Ed где Мкр -крутящий момент; dH -номинальный диаметр соединения; l -длина соединения; f -коэффициент трения при запрессовке; Еd, ED- модули упругости материалов; Сd, CD- коэффициенты жесткости конструкции; 1 + ( dH / d2 )2 1 + ( d1 / dH )2 СD = -------------------- + mD , Cd = ------------------ - md , (1.2 ) 1 – ( dH / d2 )2 1 + ( d1 / dH )2 d2 - наружный диаметр шестерни; d1 - диаметр отверстия втулки; mD md- коэффициенты Пуассона для шестерни и втулки; 1 + ( dH / d2 )2 1 + ( d1 / dH )2 СD = -------------------- + mD , Cd = ------------------ - md , (1.2 ) 1 – ( dH / d2 )2 1 + ( d1 / dH )2
Nminф = --------------------------------- * ----------- + ------------- = 4.2 мкм 3.14 * 0.03 * 0.08 * 0.16 0.9 * 1011 1 * 1011 Максимальный функциональный натяг определяем из условия обеспечения прочности сопрягаемых деталей: СD Cd Nmaxф = Рдоп * dН * ----- + ----- , (1.3) гдеРдоп - наибольшее допускаемое давление по контактной поверхности, при котором отсутствуют пластические деформации; РдопD £ 0.58 * dTD * [1 – (dH / d2)2], Рдопd £ 0.58 * dTd * [1 – (d1 / dH)2] (1.4) dTD dTd – пределы текучести материалов деталей при растяжении; РдопD £ 0.58 * 20 * 107 * [1 – (80 / 100)2] = 4.176 * 107 Па, Рдопd £ 0.58 * 20 * 107 * [1 – (20 / 80)2] = 6.525 * 107 Па, Максимальный функциональный натяг определяется по наименьшему давлению: 4.886 0.8833 Nmaxф = 4.176 * 107 * 0.08 ------------- + ---------- = 210.9 мкм 0.9 * 1011 1 * 1011 Исходя из функционального допуска посадки определим конструкторский допуск посадки, по которому установим допуски отверстия и вала: ТNФ = TNK + TЭ,(1.5) где ТNФ - функциональный допуск посадки; TNK -конструкторский допуск посадки; ТЭ - эксплуатационный допуск посадки; ТNФ = Nmaxф - Nminф = 210.9 – 4.2 = 205.8 мкм ТNK = ITD + ITd (1.6) ITD -табличный допуск отверстия; ITd -табличный допуск вала; ТЭ = DЭ + DСБ, (1.7) DЭ - допуск на эксплуатацию; DСБ - допуск на сборку; Конструкторский допуск посадки определяется из экономически приемлимой точности изготовления деталей соединения и рекомендаций по точности посадок с натягом (не точнее IT6 и не грубее IT8). Эксплуатационный допуск посадки должен быть не менее 20% от функциональ-ного допуска посадки. Определим квалитеты отверстия и вала: для dH = 80 мм IT6 = 19 мкм, IT7 = 30 мкм, IT8 = 46 мкм Возможно несколько вариантов значений TNK и ТЭ: при ТNK = ITD + ITd = IT7 + IT6 =30 + 19 =49 мкм ТЭ = TNФ – TNK =205.8 – 49 = 156.8 мкм, это 76% ТNФ при ТNK =IT7 + IT7 =30 + 30 =60 мкм ТЭ = TNФ – TNK =205.8 – 60 =145.8 мкм, это 71% ТNФ при ТNK =IT8 +IT7 =46 +30 =76 мкм ТЭ = TNФ – TNK =205.8 – 76 =129.8 мкм, это 63% ТNФ при ТNK =IT8 +IT8=46 +46 =92 мкм ТЭ = TNФ – TNK =205.8 – 92 =113.8 мкм, это 55% ТNФ Все варианта удовлетворяют условиям учитывая ГОСТ 25347-82 примем для отверстия шестерни IT8, для втулки IT8 или IT7. Для учета конкретных условий эксплуатации в расчетные предельные натяги необходимо внести поправки: 1 Поправка, учитывающая смятие неровностей контактных поверхностей соединяемых деталей: U = 5 * (RaD + Rad), (1.8) где RaD Rad – среднеарифметические отклонения профиля соответственно от верстия и вала RaD =0.05 * IT8 =0.05* 46 = 2.5 мкм Rad = 0.05 * IT8 = 0.05* 46 = 2.5 мкм U = 5 * (2.5 + 2.5) = 25 мкм. 2 Поправка Ut, учитывающая различие рабочей температуры и температуры сборки равна 0, т.к. температуры примерно равны; 3 Поправка Uц, учитывающая деформацию деталей от действия центробежных сил, равна 0, т.к. скорость сопрягаемых деталей невелика. Определяем функциональные натяги с учетом поправок: Nmin расч = Nminф + U = 4.2 + 25 = 29.2 мкм(1.9) Nmax расч = Nmaxф + U = 210.9 + 25 = 235.9 мкм(1.10) Для получившихся условий подберем наиболее подходящую посадку. Чтобы этого достичь необходимо выполнение трех условий: Nmax табл £ Nmax расч; Nmax расч - Nmax табл = DСБ (1.11) Nmin табл ³ Nmin расч; Nmin табл - Nmin расч = DЭ (1.12) DЭ >DСБ Проверим посадки с натягом из числа рекомендуемых ГОСТом 25347-82 в системе отверстия: Таблица 2 – Анализ посадок
Рисунок 1 – Схема полей допусков посадки с натягом, рекомендуемой ГОСТ 25347 - 82 3. Расчет переходной посадки Для соединения 4-5 применена переходная посадка, для этого соединения необходимо получить легкость сборки и не очень высокую точность центрирования. Точность центрирования определяется величиной Smax, которая в процессе эксплуатации увеличивается: Smax рас. = Fr / kТ = 25 / 3 = 8.33 мкм, где Fr – радиальное биение,определяемое по ГОСТ 2443 – 81 kТ – коеффициент запаса точности (kТ = 2 – 5) В системе основного отверстия из рекомендуемых стандартных полей допус-ков составляем посадки, определяем SMAX табл, по которому подбираем оптималь-ную посадку. Такими посадками по ГОСТ 25347 – 82 будут:
Æ 15 --------------------------- SMAX табл = 0.0235 js6 ( ±0.0055 )
H7 ( )
k6 ( )
m6 ( )
H7 ( ) Æ 50 ----------------- SMAX табл = 0.006
Средний размер отверстия: DС = 0.5 * (DMAX + DMIN) = 0,5 * (15.018 + 15) =15.009(2.1) dС = 0.5 * (dMAX + dMIN) = 0.5 * (15.018 + 15.007) = 15.013(2.2) Легкость сборки определяется вероятностью получения натягов в посадке. Принимаем, что рассеивание размеров отверстия и вала, а также зазора и натяга подчиняется закону нормального распределения и допуск равен по величине полю рассеивания, (рис.3) T = ω = 6s Тогда: sD = TD / 6 = 18 / 6 =3(2.4) sd = Td / 6 = 25/6=4.16 (2.5)
Для средних отклонений вала и отверстия получается: SC = DC – dC = -4 мкм (2.7) Определяем вероятность зазоров в пределах от 0 до 4 мкм, т.е. Х = 4 Z = X / sN, S = 4 / 5.13 = 0.779(2.8) Ф (Z) = 0.2823 (1, приложение 6) H7 Кривая вероятностей натягов и зазоров посадки Æ15 ----- (рис. 3) Диапазон рассеивания зазоров и натягов: m6 w = 6 * sN, S = 6 * 5.13 = 30.78 (2.9) Вероятность получения зазора в соединении: 0.5 + 0.2823 =0.7823 или 78% Вероятность получения натяга в соединении: 1 - 0.7823 = 0.2177 или 22% Предельные значения натягов и зазоров: SMAX в = 3 * sN, S + 4 = 3 * 5.13 + 4 = 19.39 мкм(2.10) NMAX в = 3 * sN, S – 4 = 3 * 5.13 –4 = 11.39 мкм
Рисунок 3 – Кривая вероятности натягов и зазоров посадки Æ15 Н7 / m6
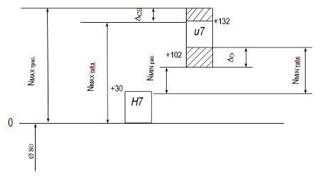
4. Выбор и расчет посадки подшипников качения По условию работы узла внутреннее кольцо подшипника нагружено циркуляци-онно, а наружное местно. Класс точности подшипника принимаем «0» и особо лег-кую серию в = 40 мм, в = 17 мм, r0 = 1 мм, В =12 мм [2,т.2, с.117 ]. Для циркуляционно нагруженного кольца подшипника посадку выбирают по интенсивности радиальной нагрузки на посадочной поверхности: R РR = ----- * Kn * F * FA, (3.1) b гдеR -радиальная реакция опоры на подшипника R = 500 H; М
Мкр = 40 Н/м, тогда F = 40 / 0.04 = 1000 H МА = RB * 0.062 – 1000 * 0.031 RA = RB = 1000 * 0.031 / 0.062 = 500 H Kn -динамический коэффициент посадки, зависящий от характера нагрузки, Kn = 1 [ 1, с. 56 ]; F -коэффициент, учитывающий степень ослабления посадочного натяга при полом вале или тонкостенном корпусе, F = 1 [ 1, стр 56 ]; FA -коэффициент неравномерности распределения радиальной нагрузки, FA = 1, [ 1, стр 56 ]; B -рабочая ширина посадочной поверхности подшипника за вычетом фасок: b = B – 2r = 12 – 2 * 1 = 10 мм(3.2) 500 PR = -------- * 1.0 * 1.0 * 1.0 = 50 Н / мм 10 По величине PR и в найдем рекомендуемое основное отклонение js [ 1, табл 14 ], При посадке на вал номер квалитета зависит от класса точности подшипника, для «0», квалитет равен 6, тогда посадка Æ 17 L 0 / js6 (рис 4, 5, 6) Для местно нагруженного кольца основное отклонение H, а для «0» класса квалитет равен 7,тогда посадка Æ 40 H7/ l 0 (рис 4)
![]()
R = 500Н Рисунок 4 – Схема полей допусков подшипников Резьбового соединения 7H Посадка М6 - ------------- 8g Определяем основные параметры резьбы [ 3 ] Шаг резьбы 1(так как в обозначении не указан, соединение имеет крупный шаг) Наружный диаметр в = 6мм – гайки; в =6 мм – болта; Средний диаметр D2 = 5.350мм – гайки; d2 = 5.350мм – болта; Внутренний диаметр D1 = 4.917мм – гайки; d1 = 4.917мм – болта. Определяем предельные отклонения по ГОСТ 16093 – 81 «Резьба метрическая допуски посадки с зазором»: Для наружного диаметра болта es = -26 мкмei = - 306 мкм гайки EI = 0 Для среднего диаметраболта es = -26 мкмei = - 206 мкм гайки EI = 0 ES = +190 мкм Для внутреннего диаметраболта es = -26 мкм гайки EI = 0ES = + 300 мкм
Рисунок 5. Схема расположения полей допусков резьбового соединения М6– 7H/8g 6. Расчет исполнительных размеров ПР и НЕ резьбовых калибро-колец для наружной резьбы (болта) М6 - 8g Для ПР резьбового калибра – кольца наименьший предельный наружный диаметр: D max ПР =d + esd + H/12 + TR = 6 – 0.026 + 0.072 + 0.018 = 6.064 мм; где в – номинальный наружный диаметр наружной резьбы; esd – верхнее отклонение наружного диаметра наружной резьбы; H – высота исходного треугольника(теоретическая высота профиля резьбы); TR – допуск внутреннего и среднего диаметров резьбового ПР и НЕ калибров – колец; Наименьший предельный средний диаметр D2minПР =d2 + esd2 – ZR – TR/2 = 5.35 – 0.026 – 0.008 – 0.009 = 5.307 мм где d2 – номинальный средний диаметр наружной резьбы; esd2 – верхнее отклонение среднего диаметра наружной резьбы; Наименьший предельный внутренний диаметр D1 minПР = d1 + esd1 - TR/2 = 4.917 – 0.026 – 0.009 = 4.882 мм где d1 – номинальный внутренний диаметр наружной резьбы; esd1 – верхнее отклонение внутреннего диаметра наружной резьбы; Допуск среднего диаметра ПР резьбового калибра – кольца T D2ПР = TR = 0.018 Допуск внутреннего диаметра ПР резьбового калибра – кольца T D1ПР = TR = 0.018 Исполнительные размеры ПР резьбового калибра – кольца: наружный диаметр 6.064 min по канавке или радиусу средний диаметр 5.307 +0.018 внутренний диаметр 4.882 +0.018 Размер изношенного ПР резьбового калибра – кольца по среднему диаметру: D2ПРизм = d2 + esd2 – ZR + WGO = 5.35 – 0.026 – 0.008 + 0.021 = 5.295 мм где WGO – величина среднедопустимого износа резьбовых проходных калибров – колец; Для НЕ резьбового калибра – кольца: наименьший предельный наружный диаметр D minНЕ = в + esd + H/12 + TR = 6 – 0.026 + 0.072 + 0.018 = 6.064 мм наименьший предельный средний диаметр D2minНЕ =d2 +eid2 – TR = 5.35 - 0.206 – 0.018 = 5.126 мм наименьший предельный внутренний диаметр D1 minПР = d2 +eid2 – 2F1 – TR/2 – TR = 5.35 + 0.206 – 0.2 – 0.009 – 0.018 = 5.329мм где F1 – расстояние между линией среднего диаметра и вершиной укороченного профиля резьбы; eid2 – нижнее отклонение среднего диаметра наружной резьбы; Допуск среднего диаметра НЕ резьбового калибра – кольца T D2НЕ = TR = 0.018 Допуск внутреннего диаметра НЕ резьбового калибра – кольца T D1НЕ =2 TR = 0.036 Исполнительные размеры НЕ резьбового калибра – кольца: наружный диаметр 6.064 min по канавке или радиусу средний диаметр 5.126 +0.018 внутренний диаметр 5.329 +0.036 Размер изношенного резьбового калибра – кольца по среднему диаметру D2НЕизм = d2 + eid2 – TR/2 + WNG = 5.35 – 0.206 – 0.09 + 0.015 = 5.069 мм где WNG – величина среднедопускаемого износа резьбовых непроходных калибров – колец; Расчет параметров зубчатого колеса При выборе параметров контроля необходимо использовать показатели ГОСТ 1643 – 81, характеризующие точность кинематики, плавность работы, контакт зубъев и боковой зазор. Для данного зубчатого колеса назначим степень точности 8-7-7- В. Для норм кинематической точности по 8-й степени определяем: допуск на колебание измерительного межосевого расстояния за оборот зубчатого колеса Fi’’ = 63 мкм [4, с.432]; допуск на колебание длины общей нормали Fuw = 28 мкм [4, с.432]; Показатель плавности работы колеса определяем по 7–й степени точности: допуск на колебание измерительного межосевого расстояния на одном зубе fi’’=20 мкм [4, с.440]; Показатель норм контакта зубъев в передаче: суммарное пятно контакта по длине зуба не менее 60%, по высоте зуба не менее 45% [4, с.445]; Сопряжение вида В гарантирует минимальную величину бокового зазора, при котором исключается возможность заклинивания стальной передачи при нагреве. Показателем, обеспечивающим гарантированный боковой зазор, является среднее значение длины общей нормали с предельными отклонениями. Номинальный размер длины общей нормали определяется по формуле: Wm = [ 1.476 * (2 * n – 1) + z * 0.01387 ] * m,(5.1) где п – число зубъев, захватываемых губками нормоконтролера: п = 0.11 * z + 0.5 = 0.11 * 20 + 0.5 » 2.7(5.2) Wm = [ 1.476 * (2.7 * 2 – 1) + 20 * 0.01387 ] * 4 = 27.09 мм По ГОСТ 1643 – 81 наименьшее отклонение средней длины общей нормали (слагаемое I) EWms = 100 мкм[4,c.457]. Наименьшее отклонение средней длины общей нормали (слагаемое II) EWms = 11 мкм [4,c.461], так как для этого зубчатого колеса радиальное биение Fr =50 мкм[4, c.431] EWms = 100 + 11 = 111 мкм(5.3) Допуск на среднюю длину общей нормали TWm = 70 мкм [4, c.462]. Наибольшее отклонение средней длины общей нормали: EWms + TWm = 111 + 70 = 181 мкм(5.4) Величина допустимого торцевого биения базового торца заготовки должна быть установлена на основе допусков на отклонение направления зуба Fb: FT = 0.5 * Fb * в / b, (5.6) где b = 20мм d = 80 мм Fb = 0.011,[4, c.448]; FT = 0.5 * 0.011 * 80 / 20 = 0.022 мм. Расчет размерных цепей Размерная цепь A Исходные данные для расчета размерной цепи A, вариант 1
Исходя из условий видим, что задача прямая. Определим увеличивающие и уменьшающие звенья: уменьшающие A1, A2, A3, A4 увеличивающие A5, A6, A7, A8 TAD =D max – в min =4 – 2=2 мм АD = A5 + A6 + A7 + A8 – (A1 + A2 + A3 + A4)=10+12+3+59-5-0.5-72-0.5=6 D вAD = ADmax – АD = 4 – 6 =-2 D нAD = ADmin – АD = 2 – 6 =-4 АD=6 – 2 Рассчитаем задачу способом назначения одного квалитета. Средний допуск составляющих звеньев: Отклонения и допуски формы поверхностей
Отклонения и допуски расположения поверхностей
Суммарные допуски формы и расположения
Торцевое биение Межосемер
Нормалемер
Заключение В данном семестровом задании были назначены посадки для всех сопряжений и обозначены на выданном узле в соответствии с условиями сборки и критериями работоспособности данного узла. Также были произведены расчеты посадки с натягом, переходной посадки и выбраны из удовлетворяющих условиям работоспособности узла. Были рассчитаны и назначены посадки подшипника качения, построены поля допусков всех посадок и выполнены чертежи необходимых деталей. Литература Взаимозаменяемость, стандартизация и технические измерения: Учебное пособие для выполнения курсовой работы./ Ф.И. Бойлов, Н.Л. Борблик. Справочник конструктора машиностроителя. В 3-х томах/ Анурьев В.И. – М.: Машиностроение,1981. Резьбы, крепежные резьбовые изделия, разъемные и неразъемные соединения деталей, зубчатые передачи: Учебное пособие./Н.П. Сенигов, В.А. Пилатова, А.Л. Решетов, В.И. Михайлов – 4. Допуски и посадки. Белкин И.М. – М.:Машиностроение,1992. |
|||||||||||||||||||||||||||||||||||||||||||||||||||||||||||||||||||||||||||||||||||||||||||||||||||||||||||||||||||||||||||||||||||||||||||||||||||||||||||||||||||||||||||||||||||||||||||||||||||||||||||||||



















