Курсовая работа: Проектирование электропривода пассажирского лифта
|
Название: Проектирование электропривода пассажирского лифта Раздел: Промышленность, производство Тип: курсовая работа | |||||||||||||||||||||||||||||||||||||||||||||||||||||||||||||||||||||||||||||||||||||||||||||||||||||||||
| Федеральное агентство по образованию ГОУ ВПО Воронежский государственный технический университет Факультет автоматики и электромеханикиКафедра автоматики и информатики в технических системах КУРСОВОЙ ПРОЕКТ По дисциплине: “Электрический привод”Тема: “Проектирование электропривода пассажирского лифта” Расчетно-пояснительная записка Воронеж 2008 г. Содержание 1.1 Описание конструкции рабочей машины и технологического процесса ее работы. 1.2 Кинематическая схема механизма 1.3 Краткое описание работы пассажирского лифта 1.5 Расчет канатоведущего шкива. 1.6 Выбор мощности двигателя лифта 1.7 Производительность пассажирских лифтов 2. Определение передаточного числа редуктора 3. Расчет нагрузочной диаграммы. 4. Выбор схемы включения электродвигателя 5. Расчет статических механических и электромеханических характеристик 6. Расчет кинематической схемы механической части ЭП 7. Расчет динамики механической части ЭП 8. Расчет переходных процессов 10. Расчет энергетических показателей ЭП Широкое внедрение электрического привода во все отрасли промышленности и все возрастающие требования к статическим и динамическим характеристикам электропривода предъявляют повышение требования к профессиональной подготовке студентов, специализирующихся в области электропривода. Несомненно, важное место в этой подготовке занимает курсовое проектирование, где студент закрепляет полученные теоретические знания и приобретает практические навыки разработки автоматизированных электроприводов. Цель курсового проектирования: углубление теоретических знаний по курсу “Электрический привод”; закрепление практических навыков расчета электроприводов и выбора технических средств их реализации. В курсовом проекте предусматривается на основе анализа режимов работы промышленной установки спроектировать автоматизированный электропривод для обеспечения ее работы с учетом особенностей конструкции установки и требований технологического режима. 1. Техническое заданиеСпроектировать привод движения пассажирского лифта согласно технологическому процессу, описанному в разделе «Описание конструкции, назначения рабочей машины и технологического процесса работы». Исходные данные на проектирование Вариант №3
Приведение исходных данных на проектирование к международной системе единиц. Вес кабны Диаметр шкива Погрешность остановки 1.1 Описание конструкции рабочей машины и технологического процесса ее работыЛифт – это подъемник прерывистого действия с вертикальным движением кабины по жестким направляющим, установленными в огражденной со всех сторон шахте. Пассажирские лифты подразделяют на три группы в зависимости от скорости движения кабины: тихоходные – до 0.5 м/с быстроходные – до 1 м/с скоростные – свыше 1 м/с. 1.2 Кинематическая схема механизма
Рис.1. Кинематическая схема лифта. В кинематической схеме (рис.1) обозначены: 1 – двигатель 2 – тормозная муфта 3 – редуктор 4 – соединительная муфта 5 – канатоведущий шкив 6 – канаты 7 – кабина 8 – противовес В современных лифтах преимущественно применяют кинематические схемы с верхним расположением ЭП (рис.1). При таком размещении уменьшается число перегибов канатов, что увеличивает их долговечность, повышается КПД, уменьшается нагрузка на опорные конструкции, снижается стоимость. Проектируемый мною лифт относится именно к этой схеме. Кинематическая схема с верхним расположением ЭП работает следующим образом: движение от двигателя (1) передается на канатоведущий шкив (5) через тормозную муфту (2), редуктор (3) и соединительную муфту (4), который с помощью канатов(6) приводит в движение кабину(7) и противовес(8). Рассмотрим назначение некоторых элементов кинематической схемы. Редуктор необходим для уменьшения частоты вращения ротора двигателя и увеличения крутящего момента двигателя. Противовес необходим для полного уравновешивания кабины, частичного уравновешивания груза и уменьшения статического момента сопротивления, создаваемого кабиной и грузом. Привод лифта должен обеспечить остановку кабины с отклонением уровней пола и кабины , которая зависит от величины начальной скорости при различных предельных ускорениях. Для этого подход к этажу производится на более низкой скорости с последующим включением тормозной муфты, с помощью которой осуществляется полная остановка кабины. 1.3 Краткое описание работы пассажирского лифтаК основным параметрам работы лифта относятся: скорость движения кабины Для быстроходных лифтов величина предельного ускорения и замедления составляет 1.5 м/c2 , для скоростных лифтов – 2.5 м/с2 . При этом рывок скорости не должен превышать 3…10 м/с3 . Кабины лифтов имеют предохранительные устройства, обеспечивающие остановку кабины при обрыве или ослаблении несущих канатов и при превышении скорости движения на 20-40% от номинальной. В этом случае ловители заклинивают кабину между направляющими. Одним из основных требований, предъявляемых к электроприводу пассажирских лифтов, является плавность движения, которая определяется величиной ускорения в начале движения и торможения при остановке. Производительность лифта определяется его средней скоростью, для увеличения которой необходимо сократить время разгона и торможения кабины. Однако большие ускорения оказывают нежелательные воздействия на людей, поэтому для пассажирских лифтов ускорение а≤2м/с2 . При таком ускорении величина рывка скорости не должна превышать 20 м/с3 . Оптимальная диаграмма работы лифта представлена на рис.2.
рис.2. Тахограмма работы лифта. По характеру изменения скорости она может быть разбита на пять участков: А – разгон кабины; Б – движение с номинальной скоростью; В – снижение скорости до посадочной; Г – подход на пониженной скорости к этажу; Д – торможение до полной остановки кабины. 1.4 Расчет подъемных канатов.Определяем максимальное расчетное статическое натяжение ветви каната
где:
Вычислим разрывное усилие каната где
Теперь по таблице 4.2 выберем диаметр каната, соблюдая условие Выбираем канат типа 10.5-ГЛ-В-Н диаметром 1.5 Расчет канатоведущего шкиваПо рассчитанному диаметру каната определим ширину канатоведущего шкива:
Масса шкива:
где
Момент инерции шкива:
где
Определим массу противовеса:
где
1.6 Выбор мощности двигателя лифтаОпределим время, затрачиваемое на круговой рейс (Т).
V – скорость движения кабины; V=0.71 м/с;
где
Рассчитаем необходимые значения:
Определим время Т:
Время работы двигателя:
Продолжительность включения двигателя:
Расчет мощности двигателя лифта сводится к предварительному выбору мощности по статическим нагрузкам, построению полной нагрузочной диаграммы с учетом переходных процессов и к дальнейшей проверке по методу эквивалентного тока или момента. Мощность двигателя механизма подъема в установившемся режиме:
где:
Произведем перерасчет мощности с учетом ближайшего стандартного значения:
По полученным данным выберем двигатель асинхронный двухскоростной для привода лифтов АНП1805А6/24. Асинхронные двигатели для привода лифтов удовлетворяют требованиям стандартов, за исключением требований к пусковым характеристикам (МЭК 34-12). Эти двигатели изготавливают в малошумном исполнении. Для них регламентирован уровень шума не только в стационарном режиме работы, но и в переходных режимах – при пуске двигателя и при переключении частоты вращения с высшей на низшую. Паспортные данные выбранного двигателя запишем в таблицу:
1.7 Производительность пассажирских лифтовПроизводительность пассажирских лифтов определяется количеством человек, перевозимых лифтом за один час:
2. Определение передаточного числа редуктораПредварительно выбранный двигатель имеет синхронную частоту вращения Номинальная скорость равна:
где Определим передаточное число редуктора:
где Выберем стандартное значение передаточного числа редуктора Статический момент механизма на его валу
Момент инерции механизма
где
Теперь мы можем рассчитать момент инерции механизма:
Момент инерции механизма, приведённый к валу двигателя:
Суммарный момент инерции:
Определим фактическую скорость движения кабины:
Отклонение от заданной скорости:
где V – заданная скорость. 3. Расчет нагрузочной диаграммыРассчитаем время стоянки при подъеме и спуске:
Время пуска и торможения при заданном ускорении:
Путь, проходимый с установившейся скоростью:
Время движения с установившейся скоростью:
При торможении двигатель отключается от сети и накладывается механический тормоз, следовательно, время работы двигателя при подъеме и спуске:
Время работы при подъеме и спуске:
Рассчитаем статические моменты при подъеме и спуске кабины: Статический момент механизма при прямом направлении энергии, приведённый к валу двигателя:
Статический момент механизма при обратном направлении энергии, приведённый к валу двигателя:
Рассчитаем динамический момент при подъеме и спуске кабины:
где
Суммарный момент равен:
Статическая мощность механизма при прямом направлении энергии (подъем кабины) рассчитаем по формуле:
Статическая мощность механизма при обратном направлении энергии (спуск кабины) рассчитаем по формуле:
Эквивалентная мощность:
Рис. 4.3. Зависимость погрешности остановки лифта от величины начальной скорости при ускорении Теперь, пользуясь графиками (рис.4.3), по указанным Время движения кабины на каждом этаже кругового рейса можно рассчитать по формуле:
где
где скорости на посадочную скорость.
где
где
Следовательно, путь, проходимый кабиной при разгоне и торможении будет равен
Рассчитаем время движения для отдельных этапов цикла работы. При
Рисунок 3.2. Схема цикла работы лифта. Такой цикл работы лифта выбран из условия максимально допустимой нагрузки на двигателе при посадочном этаже Нагрузочная диаграмма рабочей машины приведена на рисунке 3.3.
Рисунок 3.2. Нагрузочная диаграмма рабочей машины.
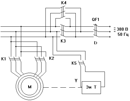
4. Выбор схемы включения электродвигателяВ соответствии с требованиями технологического режима принципиальная электрическая схема включения электродвигателя, приведенная на рисунке 4.1, обеспечивает: 1 Пуск электродвигателя (контактор К1). 2 Изменение направления движения (вращения ротора) (контактор К3 – прямое включение, контактор К4 - обратное). 3 Рекуперативное торможение с высокой скорости вращения на низкую обеспечивается контактором К2 и отключением К1. 4 Торможение с помощью Электромагнитного тормоза (контактор К5). 5 Защиту двигателя от перегрева (тепловое реле в цепи статора низкоскоростной и высокоскоростной обмоток двигателя). 6 Защиту от токов короткого замыкания (автоматический выключатель QF1).
Рисунок 4.1 – Схема включения электродвигателя 5. Расчет статических механических и электромеханических характеристикРасчет статических механических характеристикДля высокой скорости:
Из соотношения Найдём критическое скольжение:
Найдём частоту вращения при критическом моменте по формуле:
Дли низкой скорости
Из соотношения Найдём критическое скольжение:
Найдём частоту вращения при критическом моменте по формуле:
Найдём критический момент для низкой скорости в генераторном режиме по формуле:
Для расчета механических характеристик (МХ) будем использовать уточненную формулу Клосса, т.к. выбранный двигатель меньше 100 кВт.
Неизвестные параметры отдельно для высокоскоростной и низкоскоростной обмоток
Теперь подставим полученное выражение в формулу критического момента
Выразим
Из уравнения критического скольжения выразим значение
Для низкоскоростной обмотки расчет проводится аналогичным образом. После расчета мы получили, что: Из справочной литературы определим критические моменты:
С учётом значений критических моментов и скольжения по формуле Клосса методом последовательных приближений определим коэффициент
Из уравнения для критического скольжения определим подкоренное выражение
Подставим подкоренное выражение в формулу критического момента, откуда определим сопротивление
Приведённое сопротивление ротора
Реактивное сопротивление
По формуле Клосса строим ЕМХ для обеих обмоток (рисунок 5.1). Механическая характеристика
Рисунок 5.1. ЕМХ на низкоскоростной (2р=24) и высокоскоростной (2р=6) обмотках. Расчет статических электромеханических характеристик Электромеханические характеристики (ЭМХ) также рассчитываем для высокоскоростной и низкоскоростной обмоток. Для построения ЭМХ будем пользоваться формулой для тока ротора I2 `:
Рассмотрим случаи, когда
1)
2)
3)
Аналогичные расчеты делаем для низкоскоростной обмотки:
По полученным формулам построим графики ЭМХ двухскоростного двигателя для высокоскоростной и низкоскоростной обмоток (рисунок 5.2). Электромеханическая характеристика
Рисунок 5.2 – графики ЭМХ двухскоростного двигателя 6. Расчет кинематической схемы механической части ЭПОтталкиваясь от кинематической схемы механизма можно перейти к расчётной схеме. Для этого приводят скорости, моменты инерции, массы и силы к валу двигателя. В основе приведения лежит закон сохранения энергии. Согласно кинематической схеме механизма (рисунок 2.1) производим дальнейший переход к расчетной схеме. Из кинематической схемы (рисунок 2.1) механизма видно, что она является разветвленной, но если допустить, что между шкивом и противовесом связи абсолютно жесткие, когда кабина находится в крайнем нижнем положении, то можно считать схему последовательной. Приведем параметры механической части электропривода к валу двигателя. Радиус приведения поступательно движущихся масс определим по формуле:
Приведённый момент инерции канатоведущего шкива вычислим по формуле:
Приведённый момент инерции противовеса: где
Приведённый момент инерции кабины: где Приведённый момент инерции груза: Жесткость одного каната ориентировочно можно определить по формуле:
где ЕК =107 – модуль упругости каната, Н/см2 ; SK – площадь сечения каната, см2 ; lK – длина каната (высота подъема), м. Площадь SK , м 2 определится по формуле:
Тогда:
При числе канатов, равном двум, суммарная жёсткость равна:
Жёсткость каната, приведённая к валу двигателя:
Примем величину жёсткости муфты
Момент инерции редуктора и тормозной муфты J1 , кг∙м2 примем равным:
Расчетная схема исходной многомассовой механической части электропривода (МЧ ЭП) представлена на рисунке 6.1:
Перейдем к трёхмассовой расчётной схеме с помощью формул:
Согласно формулам (3.14), (3.15), (3.16) имеем:
Получим трехмассовую расчетную схему следующего вида:
Рисунок 6.2 - Трехмассовая расчетная схема механической части электропривода Приведём трехмассовую схему к двухмассовой:
Получим:
Получим двухмассовую расчетную схему следующего вида: Определим суммарный момент инерции:
Рисунок 6.3 - Двухмассовая расчетная схема механической части электропривода Соотношение масс: 7. Расчет динамики механической части ЭПУравнения движения для двухмассовой механической системы с учётом оператора p имеют вид:
(7.1) где Структурная схема двухмассовой механической части строится на основании системы уравнений (7.1) , описывающих динамику системы и представлена на рисунке 7.1:
Рисунок 7.1 - Структурная схема двухмассовой механической части В приведенной схеме учтены силы внутреннего вязкого трения коэффициентом
Момент сопротивления, приложенный к первой массе, составляет (1-5)% от
Частоту свободных колебаний механической части рассчитаем по формуле:
Из структурной схемы (рисунок 7.1) найдём передаточную функцию
Для нахождения коэффициента внутреннего вязкого трения
где Определим
где Тогда по формуле (7.6) имеем:
Отсюда по формуле (7.5) получим:
Коэффициент резонансного усиления:
Уравнения движения для двухмассовой механической системы с учётом оператора p и ранее посчитанных величин имеют вид:
Осуществив переход в частотную область путем замены р на j
Рисунок 7.2 - Графики АЧХ и ФЧХ для w2 (t) по М(р) Из рисунка видно влияние коэффициента
т.о. ЭП с линейной механической характеристикой вследствие электромагнитной инерции представляет собой при жестких механических связях колебательное звено, показатели колебательности которого Покажем влияние величины логарифмического декремента затухания λ при его изменении в пределах (0,1; 0,15; 0,3) на величину резонансного пика:
Рисунок 7.3 – График влияния величины логарифмического декремента затухания λ, на величину резонансного пика. Из рисунка видно, что резонансный пик изменяется не значительно. Покажем влияние на величину резонансного пика моментов инерции масс двухмассовой системы (для всех случаев логарифмический декремент затухания λ=0.2):
Сплошной линией показана ЛАЧХ системы при значении ранее рассчитанных моментов инерции масс системы Штриховой линией показана ЛАЧХ системы при увеличении момента инерции первой массы на 50% Пунктирной линией показана ЛАЧХ системы при увеличении момента инерции второй массы на 50% Для общей оценки устойчивости системы и определения запасов устойчивости определим положение корней характеристического уравнения передаточной функции W(p) по управляющему воздействию:
Рисунок 7.5 – Положение корней характеристического уравнения. Один из полюсов лежит в начале координат на комплексной плоскости, значит система является колебательной. Характер движения ЭП w1 (t), w2 (t) и изменение момента упругой деформации во времени М12 (t) при наличии диссипативных сил /1/:
где Тогда по формуле (7.10) имеем:
Среднее ускорение
где Перепишем формулу (7.12) в виде:
Тогда имеем:
Тогда по формулам (7.7), (7.8), (7.9) запишем:
Динамический коэффициент
Рисунок 7.7 – График переходного процесса момента упругой деформации. Сплошной линией показаны колебания момента при ранее выбранном значении логарифмического декремента затухания λ=0.2; пунктирной линией показаны колебания момента при увеличении логарифмического декремента затухания до λ=0.3. По графику определим М12 max =82.05 Нм Фактическое отношение Динамический коэффициент который характеризует условия работы механического оборудования и является одним из основных показателей динамических качеств электропривода.
Помимо прямых критериев оценки демпфирующих способностей электропривода существуют косвенные критерии, в частности критерий, основанный на оценке отвода энергии колебаний за один цикл в электрическую часть системы, где энергия поглощается имеющимися диссипативными элементами (активными сопротивлениями). Наличие недемпфированного резонанса на частоте Коэффициент электромеханической связи:
Постоянную времени ТМ1 определим из следующего соотношения:
где
Для расчета механических характеристик (МХ) будем использовать формулу Клосса,
где Номинальная скорость равна:
номинальное скольжение
критическое скольжение
С учётом рассчитанных значений:
М(84)=294 Нм; М(47)=106.5 Нм; Жёсткость механической характеристики:
Определим постоянную времени ТМ1 :
Электромагнитную постоянную времени ТЭ определим по формуле:
Частота электромеханического резонанса:
Коэффициент электромеханической связи:
Структурная схема двухмассовой системы, в которой входным воздействием является момент нагрузки МС2 :
Передаточная функция по возмущающему воздействию:
Частотные характеристики системы:
Рисунок 7.8 – Частотные характеристики. Определим положение нулей и полюсов передаточной функции на комплексной плоскости:
Рисунок 7.9 – Положение нулей и полюсов передаточной функции. Нахождение одного из корней характеристического равнения, являющегося полюсом, в начале координат на комплексной плоскости говорит о колебательном характере системы. 8. Расчет переходных процессовМетодика построения пусковой диаграммы зависит от мощности двигателя. Т.к. выбранный двигатель малой мощности, то мы будем пользоваться уточненной методикой. В нашем случае механические характеристики нелинейные, следовательно, применим графоаналитические методы (в частности метод последовательных интервалов). Алгоритм построения переходного процесса: – рисуем оси угловой частоты, момента, момента инерции и времени; при этом масштабы первых трёх осей выбираются произвольно, а масштаб оси времени рассчитывается по формуле:
– в левом квадранте изображаем механическую характеристику; – с учётом статического момента перерисовываем механическую характеристику; – разбиваем область механической характеристики на произвольное количество участков; разбиение проводим параллельно оси моментов; – заменяем участки ограниченные механической характеристикой равными по площадям прямоугольниками (преобразуем нелинейную характеристику в ступенчатую); – из каждого эквивалентного прямоугольника опускаемся перпендикуляры на ось моментов; – из начала координат циркулем сносим получившиеся точки на ось угловой скорости (для пуска на положительную область, а для генератора на отрицательную); – из точки суммарного приведённого момента инерции проводим лучи, соединяющие полученные точки на оси угловой скорости; – параллельным переносом для каждого значения угловой скорости сносим в правый квадрант построенные лучи. – Построим электромеханическую характеристику двигателя во втором квадранте и найдем точки ее пересечения с границами участков, на которые разбиваем кривую динамического момента. – из каждой точки пересечения опускаемся перпендикуляры на ось моментов; – из начала координат циркулем сносим получившиеся точки на ось угловой скорости; – из точки суммарного приведённого момента инерции проводим лучи, соединяющие полученные точки на оси угловой скорости; Для каждого значения Все рисунки представлены в приложении 2. При пуске Графики переходных процессов при спуске лифта отличаются величиной статического момента, что скажется на длительности динамических режимов, сохранив их характер. 9. Проверка двигателяПроверку двигателя по нагреву осуществляют сравнивая ток статора с номинальным током двигателя. Величину току статора определим по формуле:
где I1н , Mн , sн – соответственно номинальные значения тока статора, момента и скольжения; M, s – текущие значения момента и скольжения двигателя в установившемся режиме работы. I0 – ток холостого хода, А. Ток в одной из фаз обмотки статора определим по формуле:
Подставим значения в уравнение (9.1):
Номинальный ток при составляет I н = 8.9 А. Выбранный двигатель имеет номинальный ток
Выбранный нами двигатель подходит по нагреву. Опираясь на нагрузочную диаграмму, рассчитаем эквивалентный момент:
Выбранный двигатель имеет номинальный момент Определим реальную продолжительность включения из нагрузочной диаграммы:
10. Расчет энергетических показателей ЭППотери энергетической мощности имеют место в установившихся и переходных процессах /6/, /5/. В установившемся режиме потери:
где Определим значения сопротивлений R1, R2’ , xk из формул :
Приняв R1= R2’, получим:
Определим номинальные токи ротора 1) для высокоскоростной обмотки:
2) для низкоскоростной обмотки:
Определим токи ротора 1) для высокоскоростной обмотки:
2) для низкоскоростной обмотки:
Определим токи ротора 1) для высокоскоростной обмотки:
2) для низкоскоростной обмотки:
где Определим переменные потери в номинальном режиме работы для высокоскоростной обмотки.
Определим переменные потери в номинальном режиме работы для низкоскоростной обмотки.
Определим потери мощности для высокоскоростной обмотки: 1) при подъеме:
2) при спуске:
Определим потери мощности для низкоскоростной обмотки: 1) при подъеме:
2) при спуске:
Умножив потери мощности на соответствующие временные промежутки установившегося режима, получим потери энергии в установившемся режиме:
где tП1 , tC 2 – соответственно время установившегося режима при подъеме и спуске на высокоскоростной обмотке; tП3 , tC 4 – соответственно время установившегося режима при подъеме и спуске на низкоскоростной обмотке, с.
Определим потери энергии в переходных режимах. Потери при пуске на холостом ходу:
Для пуска под нагрузкой:
где
Определим потери энергии для пуска под нагрузкой отдельно при пуске вверх dA1 и пуске вниз dA2 кабины:
При рекуперативном торможении происходит преобразование запасенной кинетической энергии вращающегося ротора в электроэнергию, за вычетом потерь отдается в сеть. В первом приближении выделяющаяся энергия в режиме рекуперации без учета потерь на электромеханическое преобразование составят
где ω01 и ω02 – соответственно синхронные скорости высокоскоростной и низкоскоростной обмоток, 1/с.
Потери энергии при рекуперативном торможении:
где
Энергия отдаваемая в сеть
Общие потери энергии за круговой рейс определяются как сумма потерь энергии в переходных и установившихся режимах работы электропривода. Для выбранного кругового рейса получим:
КПД двигателя за круговой рейс
где РЭ.КР – эквивалентная мощность на валу двигателя за круговой рейс, Вт; tР.СУМ – суммарное время работы электродвигателя за круговой рейс, с.
Среднецикловой коэффициент мощности в асинхронных приводах рассчитывают по формуле где Ра – активная мощность двигателя, кВт; Qa – реактивная мощность, кВАР.
где Мэкв – эквивалентный момент за цикл работы, Н∙м;
где I0 – ток холостого хода двигателя, А; Xμ – реактивное сопротивление контура намагничивания.
11. Точность остановки кабины
где
Для расчета S будем использовать формулу:
где
Масса
Найдем
Теперь мы можем рассчитать момент инерции механизма:
Момент инерции механизма, приведённый к валу двигателя:
Суммарный момент инерции при отсутствии груза:
Точность остановки составляет ЗаключениеВ данной курсовой работе был спроектирован электропривод пассажирского лифта. Проектирование можно разбить на несколько этапов. На первом этапе производится выбор рода тока и типа электропривода. Выбираем электропривод на переменном токе и применяем двухскоростной асинхронный двигатель с короткозамкнутым ротором. Далее, согласно заданным параметрам, производится предварительный расчет мощности двигателя. По полученным данным выбирается двухскоростной асинхронный двигатель. В условиях проекта, мной выбран двигатель АНП 1805А6/24. На следующем этапе строится нагрузочная диаграмма, из которой определяется момент прикладываемый к валу двигателя. В расчете я получил, что момент прикладываемый к валу равен приблизительно 23.72 Нм. Выбранный двигатель способен развить момент 30.5 Нм. Следовательно, двигатель подходит по перегрузке. Проверка по нагреву осуществляется сравнением эквивалентного тока за цикл с номинальным током двигателя. Целесообразно выполнить проверку только для высокоскоростной обмотки, поскольку низкоскоростная обмотка имеет малое время работы и потому не оказывает существенного влияния на вычисляемый эквивалентный ток. Полученное значение тока равно 8.87А. Выбранный двигатель имеет номинальный ток 8.9А., больший по сравнению с эквивалентным. Значит, выбранный двигатель подходит по перегреву, а так же выбранный нами двигатель устраивает по перегрузке. Однако выбранный двигатель обеспечивает фактическую скорость движения кабины равную 0.7 м/c. Но это не является существенным, так как отклонение от заданной условием задания скорости составляет 1.4%. Произведена оценка энергетических показателей ЭП. В результате высоких динамических нагрузок двигатель выбран завышенной мощности, что вызвало снижение энергетических показателей ЭП. КПД составляет 74%, коэффициент мощности cosφ = 0.61. Реальная загрузка лифта не является постоянной величиной, поэтому следующим этапом проектирования является проверка точности остановки кабины на уровне этажа. В данном проекте точность остановки составляет 12 мм, что удовлетворяет заданным параметрам курсового проекта. 1 Ключев В.И., Терехов В.М. Электропривод и автоматизация общепромышленных механизмов. Учебник для вузов, М.: Энергия, 1980.-360 с. 2 Автоматизированный электропривод /Под общ. ред. Н.Ф.Ильчинко, М.Г.Юнькова. – М.: Энергоатомиздат, 1990. – 544 с. 3 Ключев В.И. Теория электропривода. Учебник для вузов, М.: Энергоиздат, 1985. – 568 с. |
|||||||||||||||||||||||||||||||||||||||||||||||||||||||||||||||||||||||||||||||||||||||||||||||||||||||||








;
, где:
;
;
кВт.
Вт.



, Н×м.
(5.1)
, учитывая, что
,
, отсюда
;
.
;
Ом.
Ом.
Ом.
(5.2)
А.
А.
А,
А,
Рисунок 6.1 



, с-1
(7.3)
(7.4)

Рисунок 7.4 – График влияния моментов инерции на величину резонансного пика.
, с-1
(7.7)
, с-1
(7.8)

(7.14)


, H∙м, (7.15)


(9.1)
;

, А.
, А.
, А.
, А.
, А.
, А
, Дж,
, Дж.
- момент инерции кабины без груза, приведенный к валу шкива, кг×м2
.