Курсовая работа: Расчет оснований и фундаментов 7-ми этажного жилого дома
|
Название: Расчет оснований и фундаментов 7-ми этажного жилого дома Раздел: Рефераты по строительству Тип: курсовая работа | ||||||||||||||||||||||||||||||||||||||||||||||||||||||||||||||||||||||||||||||||||||||||||||||||||||||||||||||||||||||||||||||||||||||||||||||||||||||||||||||||||||||||||||||||||||||||||||||||||||||||||||||||||||||||||||||||||||||||||||||||||||||||||||||||||||||||||||||||||||||||||||||||||||||||||||||||||||||||||||||||||||||||||||||||||||||||||||||||||||||||||||||||||||||||||||||||||||||||||||||||||||||||||||||||||||||||||||||||||||||||||||||||||||||||||||||||||||||||||||||||||||||||||||||||||||||||||||||||||||||||||||||||||||||||||||||||||||||||||||||||||||||||||||||||||||||||||||||||||||||||||||||||||||||||||||||||||||||||||||||||||||||||||||||||||||||||||||||||||||||||||||||||||||||||||||||||||||||||||||||||||||
| МИНИСТЕРСТВО ОБРАЗОВАНИЯ РФ КУБАНСКИЙ ГОСУДАРСТВЕННЫЙ ТЕХНОЛОГИЧЕСКИЙ УНИВЕРСИТЕТ
КАФЕДРА СТРОИТЕЛЬНЫХ КОНСТРУКЦИЙ И ГИДРОСООРУЖЕНИЙ
«Основания и фундаменты» Тема: " Расчет оснований и фундаментов 7-ми этажного жилого дома"
Краснодар 2007 г. Введение Проектирование фундаментов является одним из сложных вопросов проектирования конструкций зданий и сооружений. При проектировании конструкций инженер сам решает вопрос о выборе материала, из которого он далее предусматривает требуемую конструкцию. При проектировании же фундаментов инженер в большинстве случаев должен считаться с имеющимися грунтами на площадке строительства, с тем, чтобы принять наиболее рациональное решение. Чаще всего проектирование фундаментов производят под уже выбранный тип сооружения. Задача инженера, проектирующего фундаменты, в таком случае ограничивается, а получаемое решение далеко не всегда будет рациональным. Таким образом, для получения наиболее экономичного решения при проектировании фундаментов, задачу необходимо рассматривать комплексно, одновременно оценивая следующие вопросы: 1. Выбор несущих конструкций сооружений, удовлетворительно работающих при данных грунтовых условиях. 2. Возможные деформации грунтов основания сооружения. 3. Способ производства земляных работ и по возведению фундаментов, обеспечивающий необходимое сохранение естественной структуры грунтов. 1. Анализ инженерно-геологических условий Для оценки прочности и сжимаемости грунтов необходимо установить полное наименование грунтов, представленных в геологическом разрезе, глубину заложения подземных вод. Для этого необходимо рассчитывать ряд вспомогательных характеристик грунта. 1.1 Песок желтый (выше уровня УПВ)
Степень влажности грунта
где
Определяем тип песка по гранулометрическому составу, в зависимости от процентного содержания частиц по крупности по первому удовлетворяющему условию по таблице 2,4 (1) песок пылеватый. Определим плотность сложения песка по таблице 2,5. Вид песка пылеватый Определим степень влажности песка по таблице 2,6 (1), песок маловлажный, т. к. Определим расчётное сопротивление грунта по таблице 2,9 (1) Находим по таблице 2,9 (1) значение удельного сцепления Так как Проинтерполировав: Т.к. Результаты заносим в таблицу 1. 1.2 Песок желтый (ниже уровня УПВ)
где
Степень влажности грунта
Определяем тип песка по гранулометрическому составу, в зависимости от процентного содержания частиц по крупности по первому удовлетворяющему условию по таблице 2,4 (1) песок пылеватый. Определим плотность сложения песка по таблице 2,5. Вид песка пылеватый Определим степень влажности песка по таблице 2,6 (1), песок насыщен водой, т. к. Определим расчётное сопротивление грунта по таблице 2,9 (1) Находим по таблице 2,9 (1) значение удельного сцепления Так как Проинтерполировав: Т.к. Результаты заносим в таблицу 1. 1.3 Супесь желтая
Степень влажности грунта
Показатель текучести
По показателям текучести уточняю наименование глинистого грунта по таблице 2.1 (1) Так как Коэффициент пористости по влажности на границе текучести
По таблице 2.7 (1) находим расчётное сопротивление Проинтегрировав значения таблицы 2.7 получим
Находим нормативное значение модуля деформации глинистых грунтов Результаты заносим в таблицу 1. 1.4 Глина коричневая
Степень влажности грунта
Показатель текучести
По показателям текучести уточняю наименование глинистого грунта по таблице 2.1 (1) Так как Коэффициент пористости по влажности на границе текучести
По таблице 2.7 (1) находим расчётное сопротивление Проинтегрировав значения таблицы 2.7 получим
Находим нормативное значение модуля деформации глинистых грунтов Результаты заносим в таблицу 1. Таблица 1. Характеристики грунтов
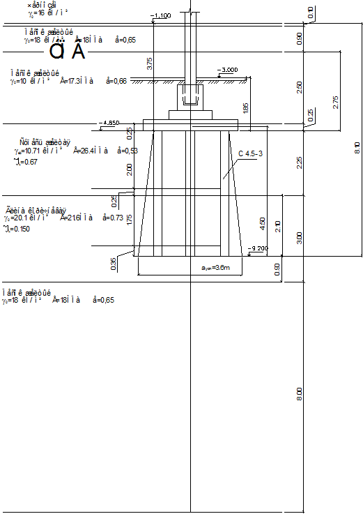
Ниже УПВ в грунтах с Скважина №0 Инженерно-геологический разрез
Общая оценка строительной площадки: Судя по геологическому профилю, площадка имеет спокойный рельеф. Грунты имеют слоистое напластование с выдержанным залеганием пластов. Все они могут служить естественным основанием. Подземные воды не будут влиять на возведение неглубоких фундаментов и эксплуатацию здания. В дальнейшем считаем, что все рассматриваемые сечения фундаментов расположены ближе к скважине №0.
2. Выбор типа оснований и конструкции фундамента
Заключительным этапом изучения строительной площадки является оценка инженерно-геологических условий, принятия рационального конструктивного решения фундаментов, проектируемого здания, глубины заложения их, а так же выбора способа производства работ. В рассматриваемых грунтовых условиях можно запроектировать несколько вариантов устройства фундаментов. На основе вариантного способа проектирования принимается то инженерное решение, которое позволяет с меньшими затратами труда, в более короткий срок, без ухудшения эксплуатационных качеств здания, меньшей сметной стоимости выполнить устройство фундаментов для проектируемого здания. При выборе рациональных конструкций фундаментов должны учитываться следующие факторы: 1. Инженерно-геологические условия площадки строительства (физико-механические свойства грунтов, характеристика их напластования, наличие слоёв, склонных к скольжению, карстовых полостей и пр.) 2. Конструктивные особенности проектируемого здания, нагрузки и их воздействие на фундамент. 3. Уровень подземных вод и их химический состав. 4. Глубина заложения фундаментов примыкающих зданий, а так же глубина прокладки инженерных коммуникаций. 5. Существующий и проектируемый рельеф строительной площадки. 6. Гидрологические условия строительной площадки, а так же возможность их изменения в процессе выполнения работ по устройству фундаментов и эксплуатации здания. В случае, когда на строительной площадке залегают слабые грунты, в целях уменьшения затрат труда, прибегают к методам укрепления оснований, повышающих их несущую способность. К таким методам можно отнести поверхностное и глубинное уплотнение, укрепление грунтов известью, цементом, добавкой солей, синтетическими смолами, устройством песчаных свай и подушек. Вариантность инженерных решений – важнейший принцип проектирования фундаментов сооружений. В курсовом проекте расчёту и сравнению по стоимости подлежат два варианта: на естественном основании и свайный вариант. Сравнение вариантов фундаментов следует проводить на самом загруженном фундаменте.
3. Проектирование фундамента на естественном основании
Глубина заложения подошвы фундамента определяется в соответствии с требованиями. Глубина заложения подошвы фундамента должна быть не менее 0.5 метра от поверхности рельефа. Кроме того на выбор глубины заложения подошвы фундамента оказывают влияние следующие факторы: - конструктивные особенности проектируемого сооружения (наличие или отсутствие подвала). - глубина заложения фундаментов примыкающих сооружений. - Инженерно-геологические условия площадки. Следует учесть, что подошвы фундамента должна располагаться выше или ниже границы грунтов на 0.3–0.5 метра. Подошва фундамента должна располагаться ниже расчётной глубины промерзания для грунтов, обладающих пучинистыми свойствами (к непучинистым грунтам относят крупнообломачные, пески гравистые, крупные и средней крупности). Расчётная глубина сезонного промерзания грунта определяется по формуле:
– для здания с подвалом – по утепленному цокольному перекрытию
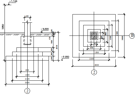
3.1 Подбор размеров подошвы фундамента для сечения 2–2
По предварительному расчёту, принимаем площадь подошвы фундамента 3x3 метра. Расчётные характеристики грунта основания суглинка тугопластичного: Осреднённое расчётное значение удельного веса грунта, залегающего выше подошвы: Интенсивность горизонтального давления грунта от нагрузки g на поверхности земли Нагрузка от массы фундамента: Нагрузка от массы колоны подвала: Нагрузка от массы грунта: Суммарная вертикальная нагрузка: Среднее давление под подошвой фундамента:
Расчётное сопротивление грунта основания определяется по формуле:
Проверка выполняется. Размеры фундамента достаточны для восприятия нагрузок от вышележащих конструкций здания. Определение конечной осадки ленточного фундамента мелкого заложения методом послойного суммирования. Ширина подошвы фундамента В уровне подошвы фундамента (точка 0) Ниже УПВ в грунтах с Нижняя граница сжатой толщи основания применяется на глубине, где выполняется условие Данные расчёта осадки сечения 2–2.
Осадка фундамента:S=0,8
3.2 Проектирование свайного фундамента
Предварительное назначение размеров свай производится исходя из геологического строения площадки. Остриё сваи следует располагать в прочных малосжимаемых грунтах. Заглубление сваи в опорный слой несущий должно быть не менее 0,5–1 метра, причём меньшие значения при прочных грунтах. Рекомендуется заводить сваю в несущий слой на 2–3 метра. Остриё сваи не должно совпадать с границей слоёв, а быть выше её на 1 метр или ниже на 0,5 метра. Назначив ориентировочно положение нижнего конца сваи, округляют её до ближайшей стандартной сваи и уточняют положение нижнего конца сваи. Принимают поперечное сечение сваи. Длинна забивных свай измеряется от головы сваи до начала острия. Минимальная длина сваи при центральной нагрузке не менее 2,5 метра при внецентренной – 4 метра. Ростверки выполняют из монолитного или сборного железобетона. Высота ростверка назначается согласно расчёту на продавливание, обычно по конструктивным соображениям Ростверк, как правило, располагается ниже подвала. В пучинистых грунтах ростверк закладывается ниже расчётной глубины промерзания. Ростверки бесподвальных зданий могут закладываться у поверхности земли на 0,1–0,15 метра ниже планировочных отметок. Расчёт свайных фундаментов должен проводиться по двум группам предельных состояний: - по первой группе расчётом несущей способности грунта оснований свайных фундаментов - по второй группе расчётом осадок оснований свайных фундаментов. Одиночную сваю по несущей способности грунтов основания следует рассчитывать исходя из условия:
N – расчётная нагрузка передаваемая на сваю с учётом коэффициента надёжности по нагрузке Несущая способность висячей сваи по грунту, работающей на сжимающую нагрузку, определяется по формуле:
R – расчётное сопротивление грунта под нижним концом сваи, кПа R=5783 кПа
Определяем количество свай в свайном фундаменте. Для установленного свайного фундамента количество свай определяется по формуле:
Нагрузка от массы фундамента: Нагрузка от массы колоны подвала: Нагрузка от массы грунта: Принимаем Проверка свайного фундамента по первой группе предельных состояний Законструировав ростверк, выполняется проверка свайного фундамента по несущей способности по условию: Расчётная характеристика на сваю: При проверке условия
Расчёт свайного фундамента по второй группе предельных состояний Расчёт фундамента по деформациям как условного массивного фундамента на естественном основании. Границы условного фундамента определяется следующим образом: сверху поверхностью планировки, с боков вертикальными плоскостями АВ и БГ, снизу плоскостью в уровне нижних концов свай в границах условной площади подошвы фундамента. Средневзвешенное значение угла внутреннего трения грунтов, залегающих в пределах длинны сваи при сплошном их напластовании определяется:
Ширина условного фундамента: Площадь подошвы условного фундамента: Среднее давление под подошвой условного фундамента:
Nсв11 =4,5х0,23х10х9=93,15кН – Нагрузка от массы сваи Усреднённый удельный вес грунта выше подошвы условного фундамента: Вес грунта в объёме условного фундамента:
получим: Проверим условие Расчётное сопротивление грунта основания определяется по формуле:
Определение конечной осадки свайного фундамента методом послойного суммирования Ширина подошвы свайного фундамента Нижняя граница сжатой толщи основания применяется на глубине, где выполняется условие
Данные расчёта осадки сечения 2–2
Осадка фундамента S=0,8
3.3 Технико-экономическое сравнение вариантов фундаментов
Фундамент мелкого заложения дешевле Проверка прочности слабого подстилающего слоя Ниже несущего слоя грунта залегает грунт с меньшими прочностными характеристиками (ориентировочно оцененными по R0 ), поэтому проверим прочность подстилающего слоя. Должно выполняться условие:
Rz -расчетное сопротивление грунта пониженной прочности на глубине Z, определяемое по формуле
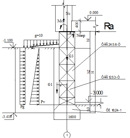
3.4 Подбор размеров подошвы фундамента для сечения 1–1
Выбираем: ФБС 24.5.6‑Т, ФБС 12.5.3‑Т ФЛ 16.24–1 Толщина стены 51 см
Расчётные характеристики грунта основания песка пылеватого: Расчётные характеристики грунта засыпки Определим интенсивность давления грунта: Интенсивность горизонтального давления грунта от нагрузки g на поверхности земли: Интенсивность горизонтального активного давления грунта от собственной массы: на поверхности земли
Дополнительные параметры Коэффициенты:
Нагрузка от массы фундаментной плиты: Нагрузка от массы грунта и временная нагрузка над левой частью фундамента:
Нагрузка от массы стены подвала: Суммарная вертикальная нагрузка: Опорная реакция в уровне низа плиты перекрытия надподвального этажа:
Момент в уровне подошвы фундамента:
Расчётное сопротивление грунта основания определяется по формуле:
Среднее давление под подошвой фундамента:
Максимальное и минимальное давление под подошвой:
Проверка выполняется. Размеры фундамента достаточны для восприятия нагрузок от вышележащих конструкций здания. Определение конечной осадки ленточного фундамента мелкого заложения методом послойного суммирования Ширина подошвы ленточного фундамента В уровне подошвы фундамента (точка 0) Ниже УПВ в грунтах с Нижняя граница сжатой толщи основания применяется на глубине, где выполняется условие Данные расчёта осадки сечения 1–1
Осадка фундамента
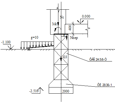
3.5 Подбор размеров подошвы фундамента для сечения 3–3
Выбираем: ФБС 24.5.6‑Т, ФЛ 20.30–1 Толщина стены 51 см
Расчётные характеристики грунта основания песка пылеватого: Расчётные характеристики грунта засыпки Определим интенсивность давления грунта: Нагрузка от массы фундаментной плиты: Временная нагрузка над левой частью фундамента и нагрузка от грунта:
Нагрузка от массы стены подвала: Суммарная вертикальная нагрузка: Момент в уровне подошвы фундамента: Расчётное сопротивление грунта основания определяется по формуле:
Среднее давление под подошвой фундамента:
Максимальное и минимальное давление под подошвой:
Проверка выполняется. Размеры фундамента достаточны для восприятия нагрузок от вышележащих конструкций здания. Определение конечной осадки ленточного фундамента мелкого заложения методом послойного суммирования Ширина подошвы ленточного фундамента В уровне подошвы фундамента (точка 0) Нижняя граница сжатой толщи основания применяется на глубине, где выполняется условие
Данные расчёта осадки сечения 3–3
Осадка фундамента:
4. Расчёт осадки фундамента во времени Для расчёта затухания осадок затухания фундаментов во времени можно воспользоваться методом эквивалентного слоя профессора Н.А. Цытовича. В этом случае осадка сложного основания определяется приближённо из выражения
В расчётной схеме сжимаемую толщу грунта, которая оказывает влияние на осадку фундамента, принимают равной двум мощностям эквивалентного слоя
n – число слоёв грунта в пределах активной зоны
По фильтрационной теории консолидации осадка полностью водонасыщенных грунтов за время t определяется по формуле: U – степень уплотнения (степень консолидации) S – величина конечной (стабилизирующей) осадки, см. Коэффициент консолидации:
При сплошном направлении грунтов ниже подошвы фундамента производят замену сплошного напластования условным однородным грунтом, обладающего средними характеристиками. Средний коэффициент фильтрации грунта: Н – мощность активной зоны грунта, м.
Определить затухание осадки фундамента под колону шириной b=3 м. дополнительное давление в уровне подошвы фундамента В основании фундамента преобладают пески и суглинки, поэтому по таблице3.1 (3) при Мощность эквивалентного слоя Высота сжимаемой толщи, влияющей на осадку фундамента, для слоистого основания составит: Найдём значение коэффициента относительной сжимаемости грунта
1‑й слой супесь
2‑й слой глина
3‑й слой песок
Средний коэффициент относительной сжимаемости:
Полная осадка фундамента составит:
Средний коэффициент фильтрации:
Определим коэффициент консолидации: Для того чтобы показатель времени Т имел наименьшее значение, чтобы упростить вычисления, размерность
Показатель времени Т:
Вычисления затухания во времени
График затухания осадок во времени:
Литература
1. Методические указания «Проектирование оснований и фундаментов» Дизенко С.И. 2. Методические указания «Расчёт нагрузок на фундаменты зданий» Дизенко С.И. 3. Методические указания «Расчёт осадки фундамента с использованием ЭВМ» Дизенко С.И. 4. СНиП 2.02.01–83. «Основания зданий и сооружений» Стройиздат. 1985 г. 5. СНиП 2.01.07–87. «Нагрузки и воздействия» Стройиздат. 1987 г. 6. СНиП 2.02.03–85. «Свайные фундаменты» Стройиздат. 1985 г. 7. Берлинов М.В. Ягупов Б.А. Примеры расчёта оснований и фундаментов. Стройиздат. 1986 г. |
||||||||||||||||||||||||||||||||||||||||||||||||||||||||||||||||||||||||||||||||||||||||||||||||||||||||||||||||||||||||||||||||||||||||||||||||||||||||||||||||||||||||||||||||||||||||||||||||||||||||||||||||||||||||||||||||||||||||||||||||||||||||||||||||||||||||||||||||||||||||||||||||||||||||||||||||||||||||||||||||||||||||||||||||||||||||||||||||||||||||||||||||||||||||||||||||||||||||||||||||||||||||||||||||||||||||||||||||||||||||||||||||||||||||||||||||||||||||||||||||||||||||||||||||||||||||||||||||||||||||||||||||||||||||||||||||||||||||||||||||||||||||||||||||||||||||||||||||||||||||||||||||||||||||||||||||||||||||||||||||||||||||||||||||||||||||||||||||||||||||||||||||||||||||||||||||||||||||||||||||||||

- коэффициенты, принимаемые по таблице 5,3 (1) для 



, где
- коэффициенты, принимаемые по таблице 5,3 (1) для 

- коэффициенты, принимаемые по таблице 5,3 (1) для






- коэффициенты, принимаемые по таблице 5,3 (1) для 


- коэффициенты, принимаемые по таблице 5,3 (1) для 

, где

