Курсовая работа: Расчет аппарата воздушного охлаждения Последовательность расчета
|
Название: Расчет аппарата воздушного охлаждения Последовательность расчета Раздел: Промышленность, производство Тип: курсовая работа | |||||||||||||||||||||||||
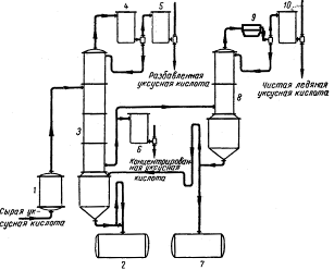
| Аннотация В курсовой работе рассчитывается аппарат воздушного охлаждения, работающий в составе установки для ректификации уксусной кислоты. В проект вошли следующие пункты: - рассмотрение области применения аппарата; - описание схемы производства; - устройство аппарата; - технологический расчет; - расчетно-конструкторский расчет. Курсовой проект включает: - рисунков – 7; - таблиц – 1; - литературных источников – 8. Графическая часть проекта: - чертеж общего вида АВГ; - сборочный чертеж секции АВГ; - чертеж крышки; - чертеж лопасти вентилятора; - чертеж муфты; - чертеж трубной решетки; - чертеж двутавра. Введение Аппараты воздушного охлаждения в силу своей универсальности и экономичности имеют достаточно широкую область применения. Они работают в установках синтеза аммиака, крекинга и реформинга углеводородов, в производстве метанола, хлорорганических продуктов, в производстве метанола и многих других. В данном случае рассматривается аппарат, используемый в качестве дефлегматора в схеме ректификации уксусной кислоты. Целью данного курсового проекта является определение необходимой поверхности теплопередачи, выборе типа аппарата и нормализованного варианта конструкции, а также прочностной расчет элементов аппарата и выбор привода. При выборе теплообменника необходимо учитывать: - тепловую нагрузку аппарата; - температуру и давление, при которых должен осуществляться процесс; - агрегатное состояние и физико-химические свойства теплоносителей; - условия теплоотдачи; - возможность загрязнения рабочих поверхностей; - простота и компактность конструкции; - расход металла на единицу теплообменной поверхности; - стоимость изготовления и эксплуатационные расходы. Грамотный выбор типа и размера каждого теплообменного аппарата, правильная его установка и рациональная эксплуатация существенным образом влияет на величину первоначальных затрат при сооружении установок и последующих эксплуатационных расходов. Также особое внимание следует уделить вопросу условий и способов регулирования температуры технологических потоков. 1. Машинно-аппаратурная схема установки Машинно-аппаратурная схема изображена на рисунке 1.
Рисунок 1 Данная установка включает в себя две ректификационные колонны непрерывного действия. Сырая уксусная кислота поступает в испаритель 1, откуда ее пары попадают в ректификационную колонну 3 на тарелку, расположенную несколько выше середины. Пары разбавленной уксусной кислоты проходят в дефлегматор 4 и далее в холодильник 5; пары концентрированной уксусной кислоты и высококипящих примесей отбирают из нижней части колонны и направляют в малую колонну 8, где происходит очистка. В колонне 8 пары уксусной кислоты освобождаются от гомологов и прочих высококипящих примесей и конденсируются в дефлегматоре 9 и в холодильнике 10. Если не требуется ледяная кислота большой чистоты, пары из нижней части колонны 3 можно частично или полностью конденсировать в холодильнике 6. этот же холодильник служит для взятия проб. Кубовые остатки из колонн 3 и 8 периодически спускают в приемники 2 и 7. Рассматриваемый аппарат занимает позицию 9. 2. Конструкция аппарата воздушного охлаждения 2.1 Устройство и принцип работы аппарата воздушного охлаждения Аппарат воздушного охлаждения, изображенный на рисунке 2, состоит из следующих основных узлов: - теплообменных секций; - осевого вентилятора с приводом; - устройств для регулирования расхода охлаждающего воздуха; - опорных и оградительных конструкций.
Рисунок 2 1 – привод вентилятора; 2 – коллектор; 3 – колесо вентилятора; 4 – узел увлажнения воздуха; 5 – диффузор; 6 – металлоконструкция; 7 – секция; 8 – штуцера подвода и отвода охлаждаемой жидкости; 9 – жалюзи; 10 – устройство управления жалюзи Основным элементом аппаратов охлаждения являются теплообменные секции, теплообменную поверхность которых компонуют из оребренных труб, закрепленных в трубных решетках в четыре, шесть либо восемь рядов. Трубы обычно располагают по вершинам равностороннего треугольника, так как коридорное расположение обеспечивает намного более низкую теплоотдачу. К трубным решеткам присоединены крышки, внутренняя полость которых служит для распределения охлаждаемого потока жидкости по трубам. По сторонам секций установлены боковые рамы, которые удерживают трубы, трубные решетки и крышки в определенном положении. Секции располагают горизонтально, вертикально или наклонно, что определяет тип АВО. Охлаждение различных жидких теплоносителей осуществляется за счет теплообмена с воздухом. Процесс достаточно интенсивный, так как используются оребренные трубы, оснащенные турбулизаторами воздушного потока (рисунок 3), площадь наружной поверхности которых в 10 - 25 раз больше площади их внутренней поверхности.
Рисунок 3 а – трубы с накатанным оребрением; б – с завальцованным оребрением; в – L-обертка; г – двойная ступенчатая L-обертка; д – трубы с накатанным оребрением с разрезными ребрами; е – с накатанным оребрением с разрезными ребрами формы «полуинтеграл»; ж – с накатанным оребрением с разрезными ребрами зигзагообразной формы; з – с накатанным оребрением с разрезными ребрами формы «интеграл». Трубы для стандартизованных отечественных аппаратов воздушного охлаждения имеют наружное оребрение двух типов исполнения. Это: - биметаллическая труба, состоящая из внутренней гладкой (стальной или латунной) и наружной (алюминиевой) с накатанным винтовым ребром исполнение Б; - монометаллическая (алюминиевая) труба с накатанным винтовым (спиральным) ребром исполнение М. Вторым необходимым элементом любого типа АВО является вентилятор, который, вращаясь в полости коллектора, нагнетает воздух через межтрубное пространство секций. Значительные расходы воздуха в аппаратах воздушного охлаждения при сравнительно небольших статических напора (100 - 400 Па) обеспечиваются осевыми вентиляторами с числом лопастей 4, 8 и диаметром 0,8 - 6,0 м. Лопасти вентилятора закрыты цилиндрическим коллектором, служащим для лучшей организации движения воздушного потока. Коллектор соединяется с теплообменными секциями посредством диффузора, форма которого способствует выравниванию потока воздуха по сечению теплообменной секции. Диффузор и коллектор вентилятора крепятся к раме, на которой установлены теплообменные секции. Осевой вентилятор с приводом смонтирован на отдельной раме. Опорные конструкции, на которых монтируются элементы аппарата, выполняются металлическими или железобетонными. Они включают продольные и поперечные опорные балки, выполняемые, как правило, из стандартных двутавров, стойки (обычно отрезки стандартных труб на опорных пластинах), косынки и ребра жесткости. Стойки смонтированы на фундаменте и закреплены на нем анкерными болтами. В связи с переменным характером нагрузки аппарата, зависящей от технологического режима, температуры и влажности воздуха, вентиляторы должны иметь возможность регулирования расхода воздуха в широком диапазоне. Система регулирования должна обеспечивать требования технологии независимо от изменения режима работы вентилятора. Регулирование расхода воздуха производится несколькими способами: 1) изменением расхода охлаждающего воздуха, подаваемого в теплообменные секции; 2) подогревом воздуха (в зимний период) на входе в АВО; З) перепуском части технологического потока по байпасным линиям через регулирующие клапаны; 4) увлажнением охлаждающего воздуха и поверхности теплообмена, позволяющим снизить температуру охлаждающего воздуха при высокой его темпеpатypе в летний период. Наиболее распространенным способом регулирования является изменение расхода охлаждающего воздуха, которое осуществляется: - путем использования двухскоростных электродвигателей, что позволяет иметь две локальные величины расхода воздуха и третью - минимальную величину при остановленном вентиляторе (в зимний период при низкой температуре окружающего воздуха аппарат может работать с отключенным вентилятором, при этом охлаждение продукта происходит за счет естественной конвекции). Данный способ является наиболее практичным и экономичным; - путем плавного регулирования скорости вращения вентилятора применением электродвигателя с переменным числом оборотов, гидропривода, гидромуфт, вариатора, коробки скоростей и т.д.; - путем регулирования угла поворота лопасти вентилятора. Изменение угла производится вручную при остановленном вентиляторе переустановкой каждой лопасти отдельно или автоматически при использовании пневматического или электромеханического привода. Ступенчатое изменение угла поворота лопастей с остановкой вентилятора предусматривают для сезонного регулирования. Автоматическое регулирование позволяет поддерживать выходную температуру охлаждаемого продукта с точностью до ± 1о С; - установкой специальных жалюзийных устройств, располагаемых как до вентилятора, так и после теплообменных секций. Жалюзийные устройства могут снабжаться ручным или пневматическим приводом. При повороте жалюзийных элементов уменьшается расход воздуха и увеличивается диапазон рабочих режимов, но при этом такое регулирование сопровождается снижением КПД вентилятора. 2.2 Выбор конструкционных материалов С учетом высокой коррозионной активности насыщенных паров уксусной кислоты, величины рабочего давления и рабочей температуры для аппарата воздушного охлаждения принимается исполнение Б4. Материалы элементов для данного исполнения: - внутренние трубы – сталь 10Х17Н13М3Т ГОСТ 9941-81; - наружные трубы – сплав АД1 ГОСТ 18475-82; - трубные решетки– сталь 10Х17Н13М3Т ГОСТ 9941-81; - крышки – сталь 10Х18Н9ТЛ ГОСТ 977-88, - прокладки – паронит; - шпильки – сталь 35Х ГОСТ 1050-88. 3. Технологический расчет аппарата воздушного охлаждения 3.1 Исходные данные Мощность установки G = 24 т/сут; рабочая среда – уксусная кислота; давление (абсолютное) насыщенных паров рабочей среды Р = 0,22 МПа; температура конденсации - tн = 144о С [1, с. 565]; место расположения аппарата – г. Уфа; коэффициент оребрения Кор = 14,6; конечная температура конденсата уксусной кислоты tк = 60о С. 3.2 Тепловой и материальный баланс Массовый расход уксусной кислоты в кг/с: G = 24000/3600 = 6,67 кг/с. Трубное пространство аппарата разделяем на две зоны: зону конденсации и зону охлаждения. По всей зоне конденсации температура постоянна и равна tн = 144о С, при данной температуре конденсат имеет следующие теплофизические свойства: плотность ρ144 = 904 кг/м3 [3, c. 556]; теплопроводность λ144 = 0,149 Вт/м. К [2, c.95]; динамический коэффициент вязкости μ144 = 0,00028 Па. с [2, c.54]; удельная теплоемкость с144 = 2514 Дж/кг. К [1, c.544]; удельная теплота конденсации r144 = 372643 Дж/кг [2, c.215]. Теплофизические свойства конденсата в зоне охлаждения определяем по средней температуре: tср = (tн + tк )/2; (1) tср = (144 + 60)/2 = 102о С: плотность ρ102 = 958 кг/м3 [3, c. 556]; теплопроводность λ102 = 0,156 Вт/м. К [2, c.95]; динамический коэффициент вязкости μ102 = 0,00044 Па. с [2, c.54]; удельная теплоемкость с102 = 2346,4 Дж/кг. К [1, c.544]. Тепловая нагрузка аппарата: - для зоны конденсации: Q1 = G. r; (2) Q1 = 6,67. 372643 = 2485500 Вт = 2485,5 кВт; - для зоны охлаждения: Q2 = G. (с144 . tн - с102 . tк ); (3) Q2 = 6,67. (2514. 144 – 2346,4. 60) = 1475600 Вт = 1475,6 кВт. За начальную температуру воздуха принимаем температуру на 2-3о С выше средней июльской температуры tн в = 22о С [4, с. 74]. Выбираем значение теплонапряженностей: - для зоны конденсации при разности tн - tн в = 144 – 22 = 122 К q1 ≈ 3000Вт/м2 [4, с. 94]; - для зоны охлаждения при разности tк - tн в = 60 – 22 = 38 К q1 ≈ 860 Вт/м2 [4, с. 94]. Ориентировочная поверхность холодильника-конденсатора: Fор = Q/q; (4) - для зоны конденсации: Fор1 = 2485500/3000 = 828,5 м2 ; - для зоны охлаждения: Fор2 = 1475600/860 = 1716 м2 . Общая ориентировочная поверхность теплообмена: Fор = Fор1 + Fор2 ; (5) Fор = 828,5 + 1716 = 2544,5 м2 . Согласно [4, с. 129] выбираем аппарат АВГ с площадью теплообмена 2500 м2 . 3.3 Уточненный расчет аппарата воздушного охлаждения Параметры выбранного АВГ [1, с. 129]: поверхность теплообмена F = 2500 м2 ; площадь сечения одного хода секции Fс = 0,0142 м2 ; число ходов по трубам nx = 2; длина труб L = 8 м; количество рядов труб z = 4; общее количество труб в секции Nс = 82; количество секций nс = 3; коэффициент увеличения поверхности ψ = 19,6 [4, с. 14]; площадь свободного сечения перед секциями аппарата Fсв = 30 м2 [4, с. 79]. Данный аппарат снабжен двумя вентиляторами с пропеллером диаметром в = 2800 мм, число лопастей 8, угол установки лопастей γ = 10…30о , частота вращения колеса 213 об/мин. Рабочая точка А находится на пересечении линии сопротивления АВГ для четырехрядных секций и кривой аэродинамического напора вентилятора при γ = 30о [4, с. 39]. данной точке соответствуют следующие рабочие параметры, отнесенные к нормальным условиям: - подача Vном = 178000 м3 /ч; - напор принимаем на 50% больше (по анализу аэродинамической характеристики вентилятора и секций АВЗ), так как коэффициент оребрения Кор = 14,6: Рном = 110 + 0,5. 110 = 165 Па; - КПД η = 0,7. Фактические параметры вентилятора при условиях tн в = 22о С, ратм = 101,6 кПа: - подача:
где ρо = 1,293 кг/м3 плотность воздуха в нормальных условиях, ρв – фактическая плотность воздуха:
где ро = 101,3 кПа нормальное атмосферное давление,
- напор:
Массовая подача воздуха вентилятором: Gв = 2Vв ρв , (9) Gв = 2. 192275,7. 1,197 = 460308 кг/ч. Конечная температура воздуха:
где св = 1005 Дж/(кг. К) средняя теплоемкость воздуха,
Условие tк в < tк выполняется. Принимаем следующую схему распределения температур между теплоносителями в зонах конденсации и охлаждения: Зона конденсации Зона охлаждения tн = 144о С ↔ tконд =144о С tконд =144о С → tк = 60о С tк в = 52,8о С ← tн в = 22о С tк в = 52,8о С ← tн в = 22о С ΔtМ1 = 91,2 о С ΔtБ1 = 122 о С ΔtБ2 = 91,2 о С ΔtМ2 = 38 о С Так как ΔtБ1 /ΔtМ1 <2, движущая сила в зоне конденсации находится по формуле (11): Δtср1
= Δtср1
= В зоне охлаждения ΔtБ2 /ΔtМ2 >2, следовательно: Δtср2
= Δt’ср2
= В зоне охлаждения в действительности будет смешанное движение, для которого определяем поправочный коэффициент ε. В данном случае при числе ходов nх = 2:
где
По [4, с. 73]
В этом случае в зоне охлаждения средняя движущая сила Δtср2 = Δt’ср2 . ε, (16) Δtср2 = 60,8. 0,955 = 58,1. Средняя температура воздуха в пределах аппарата: tср
в
= Среднее давление воздуха: рср в = ратм + 0,5. Рв , (18) рср в = 101,6 + 0,5. 152,75 = 101675 Па. Средняя плотность воздуха:
Средний объемный расход воздуха: Vср
в
= Vср
в
= Скорость воздуха в самом узком сечении межтрубного пространства: wуз
= где ηс = 0,38 при Кор = 14,6 [4, с. 79], wуз
= Приведенный коэффициент теплоотдачи со стороны холодного потока (воздуха) для аппарата исполнения Б4 [4, с. 81]: αв = 52,2. lg wуз – 0,035tср в – 3,84, (22) αв = 52,2. lg 9,826 – 0,035. 37,4 – 3,84 = 46,65Вт/(м2. К). Коэффициент теплопередачи для зоны конденсации со стороны конденсирующегося потока:
где KL = 0,6 для труб длиной L = 8 м [4, с.78], сТ = 0,72 – для горизонтальных труб, dвн = 0,021 м – внутренний диаметр биметаллической трубы [4, с. 13], g = 9,81 м/с2 – ускорение свободного падения,
Тепловой поток от стенки к охлаждаемому воздуху: q1 = Kр1 Δtср1 , (24) где Kр1 – коэффициент теплопередачи: Kр1 где 1/rТ = 0,0002 м2. К/Вт тепловое сопротивление загрязнений со стороны уксусной кислоты, 1/ rст = 0,000186 м2. К/Вт тепловое сопротивление материала стенки, Kр1 q1
= Уточненное значение температуры стенки: tст
= В результате подстановки значений получаем систему уравнений:
Полученную систему решаем методом последовательных итераций. Для этого предварительно задаемся значением tст = 143о С. Тогда
q1
= tст
= Результаты последующих приближений сведены в таблицу 1. Таблица 1
Принимаем α1 = 25376,87 Вт/(м2. К), тогда по формуле (26) Kр1 Площадь теплопередачи зоны конденсации:
Далее определяем коэффициент теплоотдачи для зоны охлаждения. Средний объемный расход потока:
Средняя скорость теплоносителя в трубах двухходового теплообменника:
Критерий Рейнольдса:
Критерий Прандтля:
Режим течения уксусной кислоты турбулентный (Re > 10000), тогда критерий Нуссельта [4, с. 77]:
Откуда коэффициент теплоотдачи:
Коэффициент теплопередачи по формуле (35): Kр1 Площадь теплопередачи зоны охлаждения по формуле (26):
Общая площадь теплообмена: Fр = 693,6 + 1327,5 = 2021,1 м2 . Запас поверхности: ΔF = ΔF = Запас поверхности значительный, его корректировку можно осуществить несколькими способами: изменением подачи воздуха за счет регулирования угла γ установки лопастей вентилятора или с помощью жалюзийного устройства. Большая величина запаса поверхности увеличивает диапазон температур, при которых может работать аппарат, поэтому необходимость применения увлажнения воздуха отсутствует. 3.4 Расчет сопротивлений 3.4.1 Аэродинамическое сопротивление пучка труб Число Рейнольдса для воздушного потока: ReB = wуз . dуз /ν, (37) где dуз = 0,2 м – ширина узкого сечения, ν = 0,000014 м2 /с – кинематическая вязкость воздуха, ReB = 9,826. 0,2 /0,000014 = 67857. Число Эйлера: Eu = 4,75 zReв -0,285 , (38) Eu = 4,75. 4. (67857)-0,285 = 0,8. Eu = ΔрА /(ρwуз 2 ). (39) Аэродинамическое сопротивление аппарата из формулы (39): ΔрА = Eu. (ρwуз 2 ), (40) ΔрА = 0,8. (1,293. 9,8262 ) = 100 Па. 3.4.2 Гидравлическое сопротивление аппарата Гидравлическое сопротивление аппарата:
где λг – гидравлический коэффициент сопротивления трения, для турбулентного режима: λг = 0,3164/Re0,25 , λг = 0,3164/149380,25 = 3,5. ξг – коэффициент местного сопротивления при движении охлаждаемого продукта в трубном пространстве: ξг = 1,5 для входной и выходной камеры (для одной секции), ξг = 2,5 на повороте между ходами и секциями (два хода внутри секции, два промежутка между секциями), ξг = 1 на входе потока в трубы и на выходе из них (для одной секции). С учетом коэффициентов получаем:
4. Прочностной расчет Устанавливаем основные размеры узлов заданного аппарата: - количество рядов труб z = 4; - число ходов по трубам nх = 2; - длина труб L = 8 м; - шаг размещения т руб – t1 = 59 мм, t2 = 51 мм - наружный диаметр труб - dH = 28 мм;- наружный диаметр основной трубы - в = 25 мм;- внутренний диаметр биметаллических труб - dBH = 21 мм;- толщина стенки основной трубы - δт = 2 мм;- диаметр отверстий в решетке do = 25,4 мм;- наружный размер прокладки в продольном направлении Lпр = 1282 мм;- наружный размер прокладки в поперечном направлении Впр = 246 мм;- ширина прокладки - bпр = 12 мм;- ширина перфорированной части трубной решетки – В1 = 224 мм;- расстояние между осями болтов в поперечном направлении - ВБ = 296 мм;- диаметр болтов (шпилек) - dБ = 16 мм (М16);- количество болтов - nБ = 46;- размер фланца крышки в поперечном направлении - Вф = 346 мм;- внутренний размер камеры в поперечном направлении - Во = 194 мм;- внутренний размер камеры в продольном направлении Lo = 1228 мм.Для данного аппарата примем камеру разъемной конструкции. Основные размеры камеры изображены на рисунке 4.
Рисунок 4 1 – крышка; 2 – прокладка; 3 – трубная решетка 4.1 Проверка на прочность шпилек Определяем основные расчетные размеры трубной решетки и прокладки. Расчетная ширина прокладки bпрR
= min {bпр
, 3,87 bпрR
= min {12, 3,87 Принимаем прокладочный коэффициент mпр = 2,5 для прокладки из паронита. Расчетный размер трубной решетки в продольном направлении: Lp = Lпр – ЬпрR ; (38) Lp = 1282 - 12 = 1270 мм. Расчетный размер трубной решетки в поперечном направлении: Вр = Впр – bпрR ; (39) Вр = 246 - 12 = 234 мм. Расчетная ширина перфорированной части трубной решетки: Вт = min {z. t2 , Вр }; (40) Вт = min{4· 51 = 204; 234} = 204 мм. Характерный размер отверстий решетки (для решеток с трубами, закрепленными в части толщины решетки): dE = do - δт ; (41) dE = 25,4 – 2= 23,4 мм. Коэффициент ослабления решетки отверстиями: φр = 1 - dE /t1 ; (42) φр = 1 – 23,4 / 52 = 0,55. Принимаем для дальнейших расчетов прибавку на коррозию материала С = 1,5 мм. Определяем расчетное усилие в шпильках в условиях эксплуатации: FБ = Pp [Lp Bp + 2bпрR . mпр . (Lр + Вр )], (43) где Рр – расчетное давление, Рр = Р - Ратм , (44) Рр = 0,22 – 0,1 = 0,12 МПа; FБ = 0,12· [1270. 234 + 2. 12. 2,5·(1270 + 234)] = 46490,4 Н. Давление испытания при использовании литых крышек: Рисп = 1,5Pp [σ]20 /[σ]t , (45) где [σ]t = 121,2 МПа, [σ]20 = 140 МПа – допускаемые напряжения для стали 10Х18Н9ТЛ – материала для изготовления крышки (для исполнения Б4) при рабочей температуре tр = 144о С и при нормальных условиях соответственно [4, с. 147]; Рисп = 1,5. 0,12·121,2/140 = 0,156 МПа, Коэффициент податливости фланцевого соединения крышки и решетки ηр = 2 [4, с. 84]. Расчетное усилие в шпильках в условиях испытания или монтажа:
Окончательно принимаем Fo = 106797,6 Н. Поперечное сечение шпильки М16 (в ослабленном резьбой сечении) SБ = 157 мм2 [4, с. 118]. Допускаемые напряжения для шпилек из стали 35Х: [σ]20 Б = 230 МПа; [σ]t Б = 228,24 МПa. Условие прочности шпилек: FБ /(SБ пБ ) = 46490,4/(157·46) = 6,44 < [σ]t Б =228,24, Fo /(SБ пБ ) = 106797,6/(157·46) = 14,8 < [σ]20 Б = 230. Условие прочности выполняется. 4.2 Определение толщины трубной решетки Предварительно рассчитываем необходимые коэффициенты и параметры: - безразмерная характеристика нагружения решетки болтовым изгибающим моментом: Λр
= Λр
= - относительная ширина беструбного края: λр = (Вр - Вт )/ Вт , (48) λр = (234 - 204)/204 = 0,147; - безразмерная характеристика нагружения решетки давлением, действующим на беструбную зону: ψр = λр (λр + 2) (49) ψр = 0,147·(0,147 + 2) = 0,316; - вспомогательные коэффициенты:
- допускаемая нагрузка на единицу площадки трубного пучка из условия прочности труб, с учетом того, что для материала труб - стали 10Х17Н13М3Т при рабочей температуре t = 144о С допускаемое напряжение [σ]т =146,7 МПа [4, с. 147], модуль продольной упругости Ет = 2,06 ·105 МПа [4, с. 147]:
- коэффициент уменьшения допускаемого напряжения труб при продольном изгибе
- коэффициент несущей способности трубного пучка Ω при Pp η1 > φТ [q]T (Рр η1 = 0,12·0,885 = 0,1062 МПа; φТ [q]T = 0,006·1,73 = 0,0104 МПа):
Так как Ω < 1, толщину труб увеличивать не следует. - расчетное усилие в зоне уплотнения: F1 = [Fo /(Lp + Вр )]. (Рр / Рисп ), (55) F1 = [106797,6/ (1270 + 234)] (0,12/0,156) = 54,62 МН/мм; - плечи изгибающих моментов, действующих на фланцевое соединение решетки с крышкой: l1 = 0,5(ВБ - Вр ), (56) l1 = 0,5 (296 - 234) = 31 мм, l2 = 0,5 (ВБ - Впр ), (57) Принимаем для основного материала трубной решетки - стали 10Х17Н13М2Т допускаемое напряжение [σ]р = 146,72 МПа [4, с.147]. Тогда толщина трубной решетки в пределах зоны перфорации
где принимаем С = 0,5;
Принимаем s1 = 20 мм. Толщина трубной решетки в месте уплотнения
Принимаем толщину основного слоя s2 = 6 мм Толщина трубной решетки вне зоны уплотнения
4.3 Проверка условия прочности крепления труб в трубной решетке Определим параметр трубного основания:
По [4, с. 87] найдем значения коэффициентов ZF , ZM : ZF = 1,1, ZM = 0,2. Учитывая, что трубки крепятся в решетке способом развальцовки с канавками на глубину l0 = 19 мм, определяем допускаемую нагрузку на единицу площади трубного пучка из условия прочности крепления труб в решетке: [q]TP
= где μРВ = 0,5 – для развальцовки с канавками, [q]TP
= Проверяем условие прочности крепления труб: PP [ZF -η1 + ZM (Λр + ψp )] = 0,12·[1,1- 0,885+0,2·(5,55 + 0,316)]= 0,167, (63) 0,167 < [q]TP = 1,45. Условие выполняется. 4.4 Определение размеров стенок крышки Предварительно вычисляем необходимые коэффициенты: - безразмерная характеристика нагружения крышки болтовым изгибающим моментом:
- безразмерная характеристика нагружения крышки давлением, действующим на ее фланцевую часть:
где Нк – высота крышки, принимаем Нк = 100 мм [4, с.120]
- поправочный коэффициент для свободно опертой плиты:
- поправочный коэффициент для защемленной плиты f2 = 0,5 f1 , (67) f2 = 0,5. 0,845 = 0,423; - коэффициент сопротивления фланцевой части крышки
где предварительно принимаем, что S4 = 17 мм, S5 = 17 мм, S6 = 23 мм;
- поправочный коэффициент:
Принимаем - коэффициент сопротивления фланцевой части крышки
- допускаемое напряжение для материала крышки при расчетной температуре [σ]к = 146,72 МПа; - коэффициент прочности сварного шва φсв = 0,95. Толщина донышка крышки:
Толщина стенки крышки в месте присоединения к фланцу
Толщина фланца крышки
Толщина боковой стенки крышки s7 ≥ s5 . Принимаем окончательно, что s4 = 5 мм, s5 = 5 мм, s6 = 18 мм, s7 = 15 мм. 4.5 Подбор сортамента опорных балок металлоконструкции Масса трубной секции аппарата исполнения Б4 на давление 0,6 МПа с трубами длиной 8 м и числом рядов труб 4, согласно [4, с.143], составляет Мсек = 3050 кг, соответственно масса трех секций – 3. 3050 = 9150 кг. Масса жидкости в трубном пространстве аппарата АВГ при φ = 14,6 с внутренним диаметром труб 21 мм составляет Мж = 800 кг [4, с.145]. Масса диффузора, коллектора вентилятора и предохранительной сетки Муз ≈ 800 кг [4, с. 122]. Масса всего аппарата составляет Мап = 15205 кг [4, с.130]. Значение распределенной нагрузки от веса трех, заполненных средой секций, приходящееся на три поперечные опорные балки: qP = (3 Мсек + Мж ) g / (nс Lз ), (74) qP = (3·3050 + 800)·9,81/(3 ·4,15) = 7840,12 Н/м. Максимальный изгибающий момент от этой нагрузки: М = qP L3 2 /12 (75) М = 7840,12. 4,152 /12 = 11252,21 Н,м = 11,3 кН,м. Допускаемое напряжение материала опорных балок (Сталь ВСт3) [σ] = 140 МПа [4, с.147]. Ориентировочный момент сопротивления сечения балки:
По [4. c.148] принимаем балку двутавровую №18 с моментом сопротивления сечения балки Wсеч = 109 смЗ ; статическим моментом площади сечения балки Мсеч = 62,3 см3 ; шириной полки профиля балки bСЕЧ = 8,1 см; главным линейным моментом инерции сечения балки относительно горизонтальной оси Iсеч = 873 см4 . Тогда: - нормальное напряжение
- касательное напряжение [4, с. 123]
- эквивалентное напряжение
Условие прочности балки выполняется. 4.6 Выбор опоры-стойки металлоконструкции Определяем: - суммарный вес секций и жидкости в них: (3. Мсек + Мж ) g = (3. 3050 + 800). 9,81 = 97609,5 Н; (80) - вес диффузора, коллектора и предохранительной сетки: Муз g = 2. 800·9,81 = 15696 Н; (81) Реакционный момент в узле крепления балки: qp L3 2 /12 = 7840,12·4,152 /12 = 11252,2 Н,м. (82) Момент, вызываемый внецентренным приложением веса коллектора: Муз
g Напряжение сжатия:
Для изготовления стоек предварительно выбираем трубный прокат с наружным диаметром трубы dH C = 127 мм, толщиной стенки 5 мм, dBH C = 117мм, площадь сечения Sсеч = 19,2 см2 , момент сопротивления:
Тогда
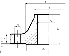
Условие прочности выполняется. 4.7 Расчет фланцевого соединения В аппаратах для разъемного соединения труб и арматуры применяются фланцевые соединения, преимущественно круглой формы. Конструкцию фланцевого соединения применяют в зависимости от рабочих параметров аппарата. Для труб и арматуры при
Рисунок 5 Основные параметры фланцевого соединения [5, с.215]: Внутренний диаметр фланца Dу = 100 мм; Наружный диаметр фланца Dф = 205 мм; Диаметр болтовой окружности Dб = 170 мм. Геометрические размеры уплотнительной поверхности [5, с.214]: D1 = 148 мм, D2 =138 мм, D3 = 137 мм. Толщина фланца h = 11 мм. Диаметр отверстий под болты в = 18 мм. Число отверстий z = 4. Диаметр болтов dБ - М16; Основные параметры прокладки [5, с.246]: Наружный диаметр Dп = 151 мм; Внутренний диаметр dп = 106 мм; Ширина прокладки bп = 22,5 мм. Толщина прокладки Sп = 2 мм. Нагрузка, действующая на фланцевое соединение от избыточного внутреннего давления:
где в п.ср - средний диаметр прокладки;
Эффективная ширина прокладки для плоских прокладок:
Реакция прокладки в рабочих условиях:
где m = 2,5 - коэффициент, принимаем по [5, с.265];
Шаг болтов[5, с.266]:
Число болтов:
Линейная податливость прокладки:
где К = 0,9 – коэффициент сжатия прокладки [6, с.34]; Еп = 2000 МПа - модуль предельной упругости материала прокладки [5, с.265];
Линейная податливость болтов:
где lБ - расчетная длина болта:
где lБ0 - длина болта между опорными поверхностями головки болта и гайки;
Угловая податливость фланца:
где w – безразмерный параметр:
где
где k для приварных фланцев:
где β – отношение большей толщины втулки к меньшей, принимаем β = 2; l = 17,5 мм – длина конической части втулки.
Усилие, возникающее от температурных деформаций. Для приварных фланцев из одного материала:
где
Болтовая нагрузка в условиях монтажа при
где
для плоских приварных фланцев:
Болтовая нагрузка в рабочих условиях:
Приведенные изгибающие моменты в диаметральном направлении сечения фланца:
Условия прочности болтов:
Условия прочности болтов выполняются. Условие прочности прокладки: q =
Условие прочности прокладки выполняется. Максимальное напряжение в сечении s1 = βsо фланца:
Максимальное напряжение в сечении s0 фланца:
где
Напряжение в кольце фланца от действия момента М0 :
Напряжения во втулке фланца от внутреннего давления: - тангенциальное:
- меридиональное:
Условие прочности фланца: - в сечении sо
при
φ – коэффициент прочности сварного шва, принимаем φ = 1;
- в сечении s1
Условия прочности фланца выполняется. Угол поворота фланца:
для плоских фланцев
Условие герметичности фланцевого соединения выполняется. 5. Энергетический расчет Требуемая мощность двигателя:
где ηп = 0,95 – КПД привода; ηдв = 0,95 – КПД двигателя:
Принимается двигатель для аппаратов, работающих в невзрывоопасных зонах АО 93-12. Характеристика двигателя: - число полюсов – 12; - номинальная мощность – 18 кВт; - скорость вращения – 480 об/мин. Суммарная мощность, потребляемая двумя электродвигателями аппарата: Nобщ = 2Nдв (130) Nобщ = 2. 13 = 26 кВт 6 Кинематический расчет
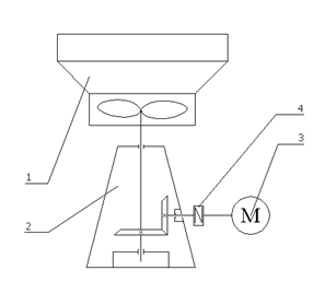
Разработанная кинематическая схема приведена на рисунке 6.
Рисунок 6 1 – аппарат воздушного охлаждения; 2 – конический редуктор-опора; 3 – электродвигатель; 4 – муфта Для привода АВГ выбираем стандартный редуктор-опору [4, с. 45], основные размеры которого приведены на рисунке 7. Передаточное отношение для аппарата АВГ составляет 2,27 [4, с. 44], скорость вращения входного вала n1 = 480 с-1 , тогда скорость вращения выходного вала и вентилятора: n2 = n1 / i, (131) где i = 2,27 – передаточное отношение, n2 = 480/ 2,27=211,45 с-1
Рисунок 7 1 – вал; 2 – шарикоподшипник; 3 – корпус; 4 – шестерня коническая ведущая; 5 – колесо коническое ведомое; 6 – радиально-упорный роликоподшипник
Заключение По результатам расчета выбираем аппарат воздушного охлаждения
аппарат воздушного охлаждения с горизонтальным расположением секций, коэффициент оребрения – 14,6, аппарат имеет жалюзи, условное давление 0,6 МПа, материальное исполнение Б4 – биметаллические трубы, исполнение электродвигателя - невзрывозащищенное, индекс электродвигателя по мощности – 1, климатическое исполнение – для умеренного климата с температурным диапазоном от – 20 до +45, количество рядов труб – 4, число ходов по трубам – 2, длина трубы – 8 м. Данный аппарат отличаются относительной простотой конструкции, следовательно, достаточно прост при монтаже и эксплуатации. Установка не приводит к загрязнению окружающей среды и занимает небольшую площадь, по сравнению с общей площадью занимаемой обычным теплообменником и сооружениями водного хозяйства. У аппаратов типа АВГ наименьшее аэродинамическое сопротивление теплообменных секций, следовательно требуется меньшая мощность вентилятора. В зимнее время при уменьшении угла поворота лопастей потребление электроэнергии значительно снижается, также при низких температурах возможно отключение одного вентилятора, что также уменьшает затраты на электроэнергию. Общий вид аппарата воздушного охлаждения изображен на чертеже КП.ДПИ–260601(06МАПП)–АВО-5–00.00.000 В0. Список литературы1. Павлов К.Ф., Романков П.Г., Носков А.А. Примеры и задачи по курс процессов и аппаратов.Л.:Химия,1987, 576 с. 2. Ульянов В.М. Физико-химические характеристики веществ. Справочник проектировщика химического оборудования: учебное справочное пособие /В.М Ульянов. – Н.Новгород: НГТУ, 2009. – 309 с. 3. Справочник химика/ Б.П. Никольский, О.Н. Григоров, М.Е. Позин и др. – Л.: Химия, 1966. – 1072 с. 4. Сидягин А.А., Расчет и проектирование аппаратов воздушного охлаждения: учеб. пособие/ А.А. Сидягин, В.М. Косырев. – Н.Новгород: НГТУ, 2009. – 150 с. 5. Лащинский А.А. Конструирование сварных химических аппаратов: справочник/ А.А. Лащинский, 1981. – 382с. 6. РД 26-15-88. Сосуды и аппараты. Нормы и методы расчета на прочность и герметичность фланцевых соединений. 7. ГОСТ 25822-83. Сосуды и аппараты. Аппараты воздушного охлаждения. Нормы и методы расчета на прочность. 8. ГОСТ Р 51364-99. Аппараты воздушного охлаждения. Общие технические условия. |



, (6)
, (7)
кг/м3
,
, (12)
о
С.
, (19)
, (23)
. (20)
, (25)
, (26)
. (27)
(29)
Вт/м2
,
Вт/(м2.
К).
Вт/(м2.
К).
(46)
, (52)
, (53)
.
, (54)
, (65)
;
, (68)
;
, (69)
,
, (70)
. (84)
[5, с.259];
[5, с.14];
