Реферат: Расчет винтового домкрата
|
Название: Расчет винтового домкрата Раздел: Промышленность, производство Тип: реферат | ||||||||||||||||||||||||||||||||||||||||||||||||||||||||||||||||||||||||||||||||||||||||||||||||||||||||||||||||||||||||||||||||||||||||||||||||||||||||||||||||||||||||||||||||||||||||||||||||||||||||||||||||||||||||||||||||||||||||||||||||||||||||||||||||||||||||||||||||||||||||||||||||||||||||||||||||||||
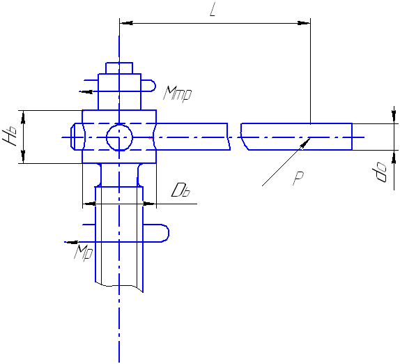
Введение Расчет винтового домкрата является одной из первых расчетно-конструкторской работой студента. Расчет винтового домкрата в принципе предельно прост, и в процессе расчета студенту необходимо, только контролировать получаемые значения и сопоставлять их. Очень важно в ходе выполнения расчета делать эскизы: на эскизах выполненных в масштабе видны расчетные ошибки. В расчете обязательно должны быть все рисунки с расчетными схемами, они позволяют получить полное представление о расчетных схемах. Чертежи домкрата вычерчиваются после утверждения преподавателем расчета. Все чертежи вычерчиваются на стандартных форматах в масштабе 1:1 или 1:2 на одном листе формата А1 или двух формата А2. Очень удобно выбирать один масштаб для всех чертежей, но делать это не обязательно. С начала надо выполнять чертеж общего вида, а затем всех деталей, кроме стандартных. Расчет домкрата Задание № 10. Тип А; Грузоподъемность, тон – 3,5; Тип резьбы – трап; Материал винта – Сталь 5; Высота подъема, мм – 140. 1. Расчет винта на прочность Материал винта Сталь 5, предел текучести Рассчитываем винт на сжатие а для грубого учета кручения принимаем расчетную нагрузку равной 1,25 Напряжения Откуда Коэффициент запаса Допускаемое напряжение сжатия Внутренний диаметр резьбы 2. Расчет винта на устойчивость Принимаем коэффициент запаса устойчивости Тогда критическая сила По формуле Эйлера Коэффициент приведения Расчетная длина винта Момент инерции сечения винта (без учета резьбы) Получаем из формулы Эйлера 3. Назначение размеров винта Принимаем резьбу упорную УП 28х5 по ГОСТ 10177-62 Параметры резьбы: Наружный диаметр винта, мм Внутренний диаметр винта, мм Внутренний диаметр гайки, мм Средний диаметр рабочей поверхности, мм Шаг, мм Угол При таком угле подъема самоторможение обеспечено. Диаметр головки винта и хвостовика Приняты диаметры Фаска на головке 4. Определение вращающих моментов Момент резьбы (винтовой пары) Принимаем коэффициент трения и угол трения (при латунной гайке) Тогда Момент трения под коронкой Принимаем коэффициент трения между головкой винта и коронкой Тогда Вращающий момент на рукоятке 5. Проверка винта на совместное действия сжатия и кручения Напряжение сжатия Напряжения кручения Приведенное напряжение Найденное напряжение 6. Расчет рукоятки Вращающий момент на рукоятки где Примем Необходимое плечо что практически осуществимо. Рукоятку можно рассматривать как консоль, защемленную в головке винта. Изгибающий момент в плоскости зацепления. Напряжение изгиба Отсюда необходимый диаметр рукоятки Пологая, что в качестве рукоятки может быть применен прут из сравнительно мягкой стали, принимаем предел прочности Что соответствует Стали 2 при коэффициенте запаса прочности 1,1, которого здесь достаточно, допускаемое напряжение Диаметр рукоятки В соответствии с чем можно принять диаметр отверстия в головки винта 7. Проверка головки Проверим основное сечение головки на сжатие Удельное давление под коронкой 8. Расчет стенки и бурта гайки Материал гайки латунь ЛМЦС 58-2-2. Толщина стенки гайки определяется наружным диаметром. Напряжение растяжения в стенке гайки Откуда Принимаем допускаемое напряжение растяжения Тогда Принимаем согласно ГОСТ 6636-69 Диаметр бурта Откуда Принимаем размер фаски Допускаемое напряжение смятия Диаметр бурта Принято Высоту бурта Напряжения среза в бурте Принимаем допускаемое напряжение среза И найдем Напряжения изгиба в бурте можно найти приближенно, рассматривая развернутый бурт как консоль. Расстояние от середины опорной поверхности бурта до наружной поверхности гайки Момент, изгибающий бурт в плоскости зацепления Напряжения изгиба Приняв допускаемые напряжения изгиба Получаем Принято 9. Проверочный расчет резьбы гайки Высоту гайки Принимаем Округляем до Число витков резьбы Проверяем удельное давление на рабочей поверхности резьбы Где ширина рабочей поверхности витка Получаем Для стали по бронзе или латуни считается желательным удельное давление до 8 мПа, допускается до 13 мПа, так что найденное значение не слишком велико. Проверяем напряжения среза в резьбе гайки. где Напряжения среза что вполне допустимо. Проверяем напряжения среза в резьбе гайки что так же вполне допустимо. 10. Размер домкрата по высоте Длина нарезки винта Высота корпуса где Принимаем Тогда Принято Таблица 1. Нормальные линейные размеры по ГОСТ 6636-69
*) Дополнительные размеры (Д.р.), приведенные в таблице, допускается применять в отдельных технически обоснованных случаях. Таблица 2. Резьба трапециидальная по ГОСТ 9484-60
При выборе диаметров резьбы, следует предпочитать первый ряд второму, второй ряд третьему. Расчет домкрата Тип 1; Грузоподъемность, тон – 3,2; Тип резьбы – кв; Материал винта – Сталь 4; Высота подъема, мм – 140. Рис.1-Общий вид домкрата. 1. Расчет винта на прочность Материал винта Сталь 4, предел текучести Рассчитываем винт на сжатие а для грубого учета кручения принимаем расчетную нагрузку равной 1,25 Напряжения Откуда Коэффициент запаса Допускаемое напряжение сжатия Внутренний диаметр резьбы 2. Расчет винта на устойчивость Принимаем коэффициент запаса устойчивости Тогда критическая сила По формуле Эйлера Коэффициент приведения Расчетная длина винта Момент инерции сечения винта (без учета резьбы) Получаем из формулы Эйлера . 3 Рис.2-Резьба квадратная. Параметры резьбы: Премем: мм. Наружный диаметр винта, мм Внутренний диаметр винта, мм Внутренний диаметр гайки, мм Средний диаметр рабочей поверхности, мм Шаг, мм Угол При таком угле подъема самоторможение обеспечено. Диаметр головки винта и хвостовика Приняты диаметры Фаска на головке 4. Определение вращающих моментов Р Момент резьбы (винтовой пары) Принимаем коэффициент трения и угол трения (при латунной гайке) Тогда Момент трения под коронкой Принимаем коэффициент трения между головкой винта и коронкой Тогда Вращающий момент на рукоятке Момент сил трения в шарикодшипнике 5. Проверка винта на совместное действия сжатия и кручения Напряжение сжатия Напряжения кручения Приведенное напряжение Найденное напряжение 6. Расчет рукоятки Вращающий момент на рукоятки где Примем Необходимое плечо что практически осуществимо. Рукоятку можно рассматривать как консоль, защемленную в головке винта. Изгибающий момент в плоскости зацепления. Напряжение изгиба Отсюда необходимый диаметр рукоятки Пологая, что в качестве рукоятки может быть применен прут из сравнительно мягкой стали, принимаем предел прочности Что соответствует Стали 2 при коэффициенте запаса прочности 1,1, которого здесь достаточно, допускаемое напряжение Диаметр рукоятки В соответствии с чем можно принять диаметр отверстия в головки винта 7. Проверка головки Рис.4-Срез головки винта. Проверим основное сечение головки на сжатие Удельное давление под коронкой 8. Расчет стенки и бурта гайки Рис.5-Срезы стенки и бурта гайки. Материал гайки латунь ЛМЦС 58-2-2. Толщина стенки гайки определяется наружным диаметром. Напряжение растяжения в стенке гайки Откуда Принимаем допускаемое напряжение растяжения Тогда Принимаем согласно ГОСТ 6636-69 Диаметр бурта Откуда Принимаем размер фаски Допускаемое напряжение смятия Диаметр бурта Принято Высоту бурта Напряжения среза в бурте Принимаем допускаемое напряжение среза И найдем Напряжения изгиба в бурте можно найти приближенно, рассматривая развернутый бурт как консоль. Расстояние от середины опорной поверхности бурта до наружной поверхности гайки Момент, изгибающий бурт в плоскости зацепления Напряжения изгиба Приняв допускаемые напряжения изгиба Получаем Принято 9. Проверочный расчет резьбы гайки Рис.6-Изображение напряжения среза в основании витка гайки. Высоту гайки Принимаем Округляем до Число витков резьбы Округляем до Нагрузка на один виток Проверяем удельное давление на рабочей поверхности резьбы Получаем Для стали по бронзе или латуни считается желательным удельное давление до 12 мПа, допускается до 15 мПа, так что найденное значение не слишком велико. Проверяем напряжения среза в резьбе гайки. где Напряжения среза что вполне допустимо. Проверяем напряжения среза в резьбе гайки что так же вполне допустимо. 10. Размер домкрата по высоте Длина нарезки винта Высота корпуса где Принимаем Тогда Принято Высота головки винта 11.Подбор шарикоподшипника В соотвейтвием с заданой грузоподемностью 32000 Н принят шарикоподшипник упорный 8107 d=35 мм , D=52мм, H =12мм, допускаемая статическая нагрузка 37200 Н. 12 |
||||||||||||||||||||||||||||||||||||||||||||||||||||||||||||||||||||||||||||||||||||||||||||||||||||||||||||||||||||||||||||||||||||||||||||||||||||||||||||||||||||||||||||||||||||||||||||||||||||||||||||||||||||||||||||||||||||||||||||||||||||||||||||||||||||||||||||||||||||||||||||||||||||||||||||||||||||
.
м.
мПа.
мПа.
.
мПа.
мПа.
.
.
.
м.
мм.
мПа,

.
.


МПа.
.
МПа.
МПа.
.
.
.
mm.
МПа.
МПа,