Курсовая работа: Синтез цифрового управляющего устройства
|
Название: Синтез цифрового управляющего устройства Раздел: Рефераты по физике Тип: курсовая работа | |||||||||||||||||||||||||||||||||||||||||||||||||||||||||||||||||||||||||||||||||||||||||||||||||||||||||||||||||||||||||||||||||||||||||||||||||||||||||||||||||||||||||||||||||||||||||||||||||||||||||||||||||||||||||||||||||||||||||||||||||||||||||||||||||||||||||||||||||||||||||||||||||||||||||||||||||||||||||||||||||||||||||||||||||||||||||||||||||||||||||||||||||||||||||||||||||||||||||||||||||||||||||||||||||||||||||||||||||||||||||||||||||||||||||||||||||||||||||||||||||||||||||||||||||||||||||||||||||||||||||||||||||||||||||||||||||||||||||||||||||||||||||||||||||||||||||||||||||||||||||||||||||||||||||||||||||||||||||||||||||||||||||||||||||||||||||||||||||||||||||||||||||||||||||||||||||||||||||||||||||||||||||||||||||||||||||||||||||||||||||||||||||||||||||||||||||||||||||||||||||||||||||||||||||||||||||||||||||||||||||||||||||||||||||||||||||||||||||||||||||||||||||||||||||||||||||||||||||||||||||||||||||||||||||||||||||||||||||||||||
| Тольяттинский государственный университет Кафедра «Промышленная электроника» Синтез цифрового управляющего устройства. пояснительная записка по курсовому проекту по дисциплине «Электронные промышленные устройства» Студент: Макоткин М.С. Группа: Э405 Вариант: 13 Преподаватель: Шевцов А.А. Тольятти 2005 Содержание 1.Техническое задание 2.Описание функциональной схемы 3.Разработка принципиальной схемы цифрового управляющего устройства 4.Разработка конструкции цифрового управляющего устройства Вывод Литература 1.ТЕХНИЧЕСКОЕ ЗАДАНИЕ Спроектировать устройство, управляющее полупроводниковыми ключами и содержащий в своём составе цифровой автомат. Необходимо разработать цифровой автомат, выбрать тип электронного ключа и рассчитать его в зависимости от параметров коммутируемого сигнала, а также рассчитать его в зависимости от параметров коммутируемого сигнала и обеспечить гальваническую развязку между ключом и управляющими цепями. Данные для расчёта цифрового управляющего устройства приведены в таблице 1.1. Таблица 1.1. Входные и выходные сигналы управляющего устройства.
Длительность квазистационарных состояний цифрового управляющего устройства 30 мс. Элементы, определяющие внутренние состояния цифрового автомата - D-триггеры. Коммутируемая цепь является цепью переменного тока напряжением U=600В и силой тока I=15А. 2.ОПИСАНИЕ ФУНКЦИОНАЛЬНОЙ СХЕМЫ На основании технического задания разработали функциональную схему цифрового управляющего устройства (рис.2.1). Она состоит из входных цепей, цифрового автомата Мили, задающего генератора, определяющего длительность квазиустойчивых состояний автомата, выходных цепей. В свою очередь цифровой автомат состоит из последовательностной и комбинационных частей. Граф цифрового автомата приведён на рис.2.2. 3.РАЗРАБОТКА ПРИНЦИПИАЛЬНОЙ СХЕМЫ ЦИФРОВОГО УПРАВЛЯЮЩЕГО УСТРОЙСТВА
3.1 Разработка цифрового автомата.
3.1.1 Выбор типа логических элементов С целью уменьшения стоимости цифрового управляющего устройства и увеличении его скорости переключения из одного состояния в другое, а так же повышения его надёжности в качестве логических элементов выбрали транзисторно-транзисторную логику на элементах с переходом Шоттки серии КР1533 и КМ555 (ТТЛШ-логика). Параметры выбранной серии микросхем приведены в таблице 3.1. Таблица 3.1. Основные электрические параметры микросхем серии КР1533 и КМ555[1]
3.1.2 Расчёт гальванической развязки на входах и выходах цифрового автомата С целью защиты входа цифрового автомата от статического потенциала произвели гальваническую развязку входов и выходов его от внешних цепей. В качестве неё выбрали схему, построенную на транзисторной оптопаре (рис.3.1). Выходной транзистор оптоэлектронного прибора работает в качестве параллельного ключа, поэтому при высоком уровне напряжения на входе фототранзистор находит в насыщении, напряжение на выходе оптопары имеет низкий уровень, то есть происходит инверсия сигнала. Структурная схема цифрового управляющего устройства
Рис.2.1. Граф цифрового автомата. Рис.2.2. Схема гальванической развязки
Падение напряжения насыщенного фототранзистора мало, следовательно, при логической единице на входе источник питания, подсоединённый к выходу, будет закорочен. Для ограничения тока, протекающего через насыщенный фототранзистор, поставили резистор R2. Резистор R1 выполняет роль ограничителя тока на входе оптоэлектронного прибора.
3.1.2.1 Выбрали оптопару гальванической развязки В качестве оптопары выбрали из [2] прибор АОТ-101БС. Параметры выбранного прибора приведены в таблице 3.2. Таблица 3.2. Параметры выбранного оптоэлектронного прибора.
Входная и передаточная характеристики оптопары приведена на рис.3.1 и 3.2 соответственно. 3.1.2.2 Рассчитали сопротивление резисторов R1 и R2 1) задались падением напряжения на светодиоде в открытом состоянии: Uвх =1.25 В 2) по вольтамперным характеристикам (рис.3.2) для температуры 250 С определили величину входного тока оптопары: Iвх =5 мА 3) рассчитали сопротивление резистора R1 :
где U1 H =5 – напряжение высокого уровня ТТЛШ-логики, В; Uвх =1.25 – выбранное напряжение на входе оптопары, В; Iвх =5∙10-3 – ток на входе оптопары, мА. 4) из условия насыщения биполярного транзистора (ток коллектора должен быть в 3-5 раз больше, чем отношение тока на входе оптопары к коэффициенту передачи тока) рассчитали ток коллектора:
где КI =0.5 – коэффициент передачи тока оптопары при входном токе Iвх =5мА. 5) сопротивление резистора R2:
где Uсс =5 – напряжение питания, В; Iк =7.5∙10-3 – выбранный ток на выходе оптопары (ток проходящий через резистор), мА; Uнас =0.4 – напряжение насыщения фототранзистора [2], В. 3.1.2.3.Из [3] выбрали номинальные сопротивления резисторов R1 и R2: R1 =750 Ом, R2 =620 Ом. 3.1.2.4.Рассчитали мощности, рассеиваемые на резисторах R1 и R2 Мощность, рассеиваемая на резисторе R1: Входные вольтамперные характеристики АОТ-101БС
1 - Т=700 С 2 - Т=250 С 3 - Т=-100 С Рис.3.2. Зависимость коэффициента передачи тока от входного тока транзисторной оптопары АОТ-101БС
Рис.3.3.
где R1 =750 – номинальное сопротивление резистора R1, Ом. Аналогично по (3.4) рассчитали мощность, рассеиваемую на резисторе, в результате получили PR 2 =39мВт. 3.1.2.5 Из [3] по номинальным сопротивлениям руководствуясь правилом, что расчетная мощность, рассеиваемая на сопротивлении должна быть равна либо меньше номинальной мощности выбираемого резистора, выбрали резисторы R1 и R2. Параметры выбранных приборов приведены в таблице 3.3. Таблица 3.3. Параметры выбранных резисторов.
3.1.3 Синтез последовательностной части цифрового автомата.
3.1.3.1 Расчёт количества элементарных триггеров, определяющих внутренние состояния автомата: n=log2 K=log2 14≈4 (3.4) где K=14 – количество внутренних состояний цифрового автомата. 3.1.3.2 Кодирование внутренних состояний автомата Кодирование внутренних состояний автомата осуществляли с помощью кода Грея с целью исключения логических гонок. Для этого составили расширенную таблицу состояний автоматов, где номер каждого состояния закодирован с помощью кода Грея (таблица 3.4). В качестве разрядов кода приняли состояния триггеров Qt . В таблице 3.4 помимо входов и выходов автомата указываются предыдущие и последующие состояния триггеров Qt . Таблица 3.4. Расширенная таблица состояний автомата.
3.1.3.3 Выбор микросхемы триггера В качестве триггеров выбрали микросхему КР1533ТМ7. Параметры выбранной микросхемы приведены в таблице 3.5. Таблица 3.5. Электрические параметры выбранной микросхемы.
В корпусе данной микросхемы содержится четыре синхронных D-триггера с общим входом сброса. 3.1.3.4 Составление таблицы переходов автомата Для этого составили карту Карно для каждого входа триггера, ячейки которой заполнили нулями и единицами согласно их координатам (за координаты принимали внутренние состояния цифрового автомата в начальный момент времени Таблица 3.6. Карта Карно переходов D-триггера, определяющего состояние Q1 .
Таблица 3.7. Карта Карно переходов D-триггера, определяющего состояние Q2 .
Таблица 3.8. Карта Карно переходов D-триггера, определяющего состояние Q3 .
Таблица 3.9. Карта Карно переходов D-триггера, определяющего состояние Q4 .
При составлении таблиц 3.6-3.9 получилось что состояния триггеров при наборах (1,0,0,0) и (1,0,0,1) неопределенны, и мы их обозначили знаком «*». 3.1.3.5 Определение состояния входов D-триггеров Используя таблицы переходов D-триггеров [4] заменили переходы триггеров на состояния входа D, соответствующие данным переходам, Например для триггера, определяющего состояние Q1 переход из нуля в единицу будет соответствовать D1 =1. Аналогичные операции замена произвели для других переходов. Результаты сведены в таблицы 3.10-3.13 Таблица 3.10. Карта Карно для входа D1 .
Таблица 3.11. Карта Карно для входа D2 .
Таблица 3.12. Карта Карно для входа D3 .
Таблица 3.13. Карта Карно для входа D4 .
3.1.3.6 Минимизация зависимости входа триггера от состояния триггеров С этой целью представили таблицы Карно в виде совокупности ячеек, координаты которых определяют инверсные и прямые состояния триггеров (рис.3.3-3.6). Инверсное состояние соответствует логическому нулю на выходе триггера, прямое - логической единице. Логические функции представленные с помощью карт Карно являются неполными, поскольку значения в ячейках (1,0,0,0) и (1,0,0,1) неопределенны. С целью получения большего числа единиц мы считаем, что при данном наборе переключательная функция принимает значение логической единицы. Объединив единицы в соседних клетках, мы составили логические зависимости состояния входов триггеров от их состояний. В результате получили:
3.1.3.7 Составление принципиальной схемы цифрового автомата Для реализации выражений, из которых состоит логические функции (3.5)-(3.8) выбрали элементную базу. Параметры логических элементов приведены в таблице 3.14. Таблица 3.14. Электрические параметры выбранных микросхем.
Используя выбранную элементную базу, составили принципиальную схему цифрового автомата (рис.3.7). Карта Карно, описывающая зависимость состояния входа D1 от состояний триггеров.
Рис.3.3. Карта Карно, описывающая зависимость состояния входа D2 от состояний триггеров.
Рис.3.4. Карта Карно, описывающая зависимость состояния входа D3 от состояний триггеров.
Рис.3.5. Карта Карно, описывающая зависимость состояния входа D4 от состояний триггеров.
Рис.3.6. Схема последовательностной части цифрового управляющего устройства
Рис.3.7. 3.1.4 Синтез комбинационной части цифрового управляющего устройства 3.1.4.1Определение зависимости выходных сигналов цифрового управляющего устройства от входных сигналов и внутренних параметров цифрового автомата 1) Согласно таблицы 3.4 и правил составления комбинационных схем из [4] получили следующие выражения:
где
Q4 - состояние четвёртого триггера; Q3 - состояние третьего триггера; Q2 - состояние второго триггера на микросхеме DD4; Q1 - состояние первого триггера на микросхеме DD4;
х2 - состояние входа х2 ; х1 - состояние входа х1 ;
2) Введём функции f’, зависящую от внутренних состояний цифрового автомата:
3) Введём функцию F, зависящую от состояний входов цифрового управляющего устройства.
4) с учётом формул (3.13)-(3.30) функции (3.9)-(3.12) принимают вид: y1
=F1
∙ y2
=F1
∙ y3
=F1
∙ y4
=F1
∙ 3.1.4.2 Реализация выходных функций 1) Для реализации функций f’1 -f’14 с помощью элементов логики по уравнениям (3.13)-(3.30) необходимо минимум 7 микросхем (исходя из условия, что в каждом корпусе будет 2 элемента 4-И), но существует возможность реализации этих функций в одном корпусе. Для этого необходимо использовать двоичный дешифратор 4 на 16. Чтобы его использовать, необходимо представить каждую функцию в виде числа, закодированного в натуральном двоичном коде. В этом случае за разряды этого числа принимаем внутренние состояния цифрового автомата Q1 , Q2 , Q3 , Q4 . Результат перевода этого числа в десятичную систему вычисляли по формуле (3.35):
где Q4 =1-состояние четвёртого триггера для функции f11 (младший значащий разряд); Q3 =1 - состояние третьего триггера для функции f11 ; Q2 =1 - состояние второго триггера для функции f11 ; Q1 =1 - состояние первого триггера для функции f11 (старший значащий разряд); Аналогичным образом произвели расчёты для других функций, полученные значения занесли в таблицу 3.15. Таблица 3.15. Таблица перевода числа, закодированного в натуральном двоичном коде в десятичное.
2) Аналогичный расчёт произвели для входных функции Fi , приняв х1 за старший значащий разряд, а х2 за младший. В результате получили результаты, сведённые в таблицу 3.16. Таблица 3.16. Таблица перевода числа, закодированного в натуральном двоичном коде в десятичное.
3) В качестве дешифратора 4 на 16 выбираем из [1] микросхему КР1533ИД3, а в качестве дешифратора 2 на 4 взяли микросхему КР555ИД6. Параметры этих микросхем приведены в таблице 3.17. Таблица 3.17. Параметры выбранных дешифраторов.
Схема подключения микросхемы КР1533ИД3 показана на рис.3.8, а К555ИД6 на рис.3.9. 4) Поскольку выхода дешифраторов инвертированы, то есть при реализации функций Fj
и С этой целью ввели функцию fj
, равную единицы лишь при одном наборе Fi
и
По закону Де-Моргана в формуле (3.36) заменим произведение инвертированных функций на инверсную сумму:
Из выражения (3.37) видно, что fj
будет равна единице только при Fi
=0 и y1
=f5
+f7
+f8
+f10
+f11
+f12
+f14
= + y2
=f4
+f5
+f7
+f9
+f10
+f11
= + y3
=f3
+f4
+f5
+f6
+f8
+f10
+f14
= + y4
=f2
+f3
+f4
+f5
+f6
+f9
+f10
= + Ввели переменные P: P1 =f4 +f5 (3.42) P2 =f3 +f4 +f5 +f6 (3.43) P3 =f7 +f10 +f11 (3.44) P4 =f7 +f9 +f10 +f11 (3.45) P5 =f8 +f14 (3.46) P6 =f5 +f8 +f12 +f14 (3.47) P7 =f8 +f10 +f14 =P5 +f10 (3.48) P8 =f2 +f8 +f10 (3.49) В результате выражения (3.38)-(3.41) приобрели вид: y1 =f5 +f7 +f8 +f10 +f11 +f12 +f14 =P3 +P6 (3.50) y2 =f4 +f5 +f7 +f9 +f10 +f11 =P1 +P4 (3.51) y3 =f3 +f4 +f5 +f6 +f8 +f10 +f14 =P2 +P7 (3.52) y4 =f2 +f3 +f4 +f5 +f6 +f9 +f10 =P2 +P8 (3.53) Схема подключения дешифратора 4 на 16 КР1533ИД3 для получения функций f'i
Рис3.8. Схема подключения микросхемы К555ИД6 для получения функций Fi
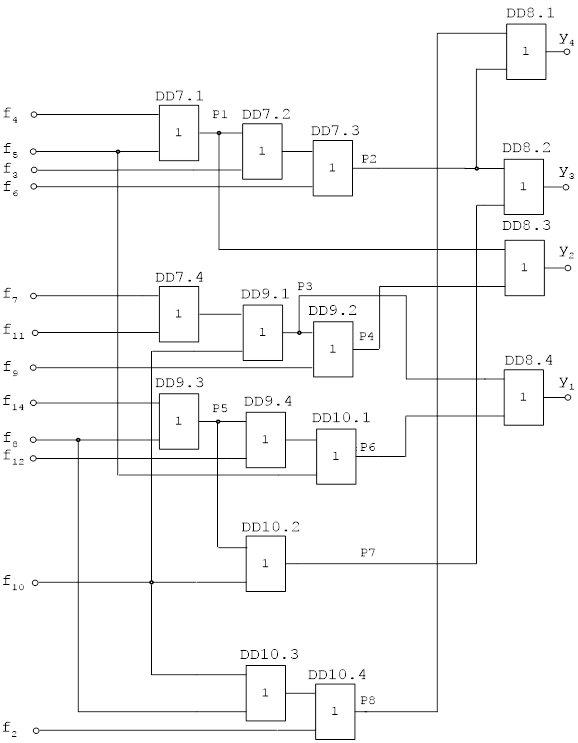
Рис.3.9. Для реализации выходных функций у1 , у2 , у3 , у4 использовали логические функции 2 ИЛИ-НЕ и 2 ИЛИ. Из [1] с целью получения этих функций выбрали микросхемы КР1533ЛЕ3 и КР1533ЛЛ1. Параметры этих микросхемы приведены в таблице 3.18. Таблица 3.18. Электрические параметры выбранных микросхем.
5) С целью получения по четырех слагаемых, то есть для реализации логической функции 4 ИЛИ применяли схемы, где выход логической схемы 2 ИЛИ подсоединяли к входу другого элемента 2 ИЛИ, причём на второй вход другого элемента подаётся сигнал xi (рис.3.10). 6) В результате проделанных преобразований получили схему комбинационной части цифрового автомата, изображённую на рис.3.11-12. 3.2 Разработка силовой части цифрового управляющего устройства
3.2.1 Разработка принципиальной схемы Принципиальная схема силовой части цифрового управляющего устройства приведена на рис.3.13. В качестве гальванической развязки между силой частью и цифровым блоком поставили транзисторную оптопару, по схеме, изображённой на рис.3.1. Поскольку нам необходимо коммутировать переменный ток, то в качестве силовых ключевых элементов выбрали симметричные тиристоры. Постоянный ток управления тиристоров может достигать нескольких сотен миллиампер, а ток коллектора транзистора выбранного типа оптопары не должен превышать 10мА (таблица 3.2), поэтому с целью защиты фототранзистора поставили транзисторный по схеме параллельного ключа. При высоком уровне напряжения на входе оптопары фототранзистор входит в режим насыщения, поэтому напряжение на входе транзисторного ключа будет мало, при этом коммутирующий транзистор будет в режиме отсечки, так как выходное напряжение оптопары равно входному транзисторного ключа. В этом случае потенциал на управляющий электрод тиристора будет передаваться через резистор R3. При низком уровне напряжения на входе гальванической развязки фототранзистор будет в режиме отсечки, на входе транзисторного ключа будет подаваться напряжение, равное напряжению питания, коммутирующий транзистор будет находиться в режиме насыщения, поэтому между управляющим электродом и катодом тиристора будет прикладываться напряжение, равное напряжению насыщения транзистора VT, и силовой ключ будет закрыт. Резистор R2 необходим для задания тока базы транзистора и предотвращения короткого замыкания источника питания при насыщенном фототранзисторе оптопары. Реализация логической функции 4 ИЛИ на логических функциях 2 ИЛИ.
Рис.3.10. Принципиальная схема комбинационной части цифрового управляющего устройства
Рис.3.11. Принципиальная схема комбинационной части цифрового управляющего устройства
Рис.3.12 Схема силовой части цифрового управляющего устройства.
Рис.3.13. Поскольку параметры коммутируемой цепи одинаковы для всех выходов цифрового управляющего устройства, то схему, изображённую на рис.3.13 можно перенести и а другие выхода цифрового автомата. 3.2.2 Выбор силовых ключей При выборе силовых ключей руководствовались правилом: максимальный прямой ток тиристора должен быть больше максимального тока коммутируемой цепи и максимальное обратное напряжение, выдерживаемое тиристорами, должно быть больше максимального коммутируемого напряжения коммутируемой цепи. Исходя из этого выбрали прибор из [5]. Параметры выбранного прибора приведены в таблице 3.19. Таблица 3.19. Параметры выбранного полупроводникового прибора.
Продолжение таблицы 3.19.
3.2.3 Рассчёт мощности, выделяемой на p- n переходе 1) Составили электрическую схему замещения тиристора (рис.3.15). 2)Рассчитали мощность, выделяющуюся на р-n переходе тиристора: 2.1)Используя схему замещения, изображённую на рис.3.15, рассчитали падение напряжения на тиристоре:
где UT 0 =1.1 – пороговое напряжение тиристора, В; Id =15 – действующее значение прямого тока, проходящего через тиристор, А; rT =27∙10-3 – динамическое сопротивление тиристора, Ом. 2.2)Рассчитали мощность, выделяемую на p-n переходе:
где UT =1.505 – действующее значение падения напряжения на тиристоре, В; 3.2.4 Расчёт транзисторного ключа (рис.3.14) 1).Выбор транзистора. При выборе транзистора руководствовались правилом: максимальный ток коллектора тиристора должен быть больше максимального тока коммутируемой цепи (постоянного тока управления тиристора) Схема параллельного транзисторного ключа.
Рис.3.14. Электрическая схема замещения тиристора.
Рис.3.15. и максимальное обратное напряжение между коллектором и эмиттером, должно быть больше максимального напряжения коммутируемой цепи (напряжения управления тиристорами). Исходя из этого, выбрали прибор из [6]. Параметры выбранного прибора приведены в таблице 3.20. Таблица 3.20. Параметры выбранного полупроводникового прибора.
2). Поскольку в пункте 3.1.2 мы уже рассчитали параметры резисторов R1 и R2 (таблица 3.3), то проведём проверку на предмет достаточности тока, заданного резистором R2 от источника питания. Для этого воспользовались условием насыщения биполярного транзистора (ток коллектора должен быть более чем 3-5 раз меньше произведения тока базы на коэффициент передачи тока в схеме с общим эмиттером): Для этого пренебрегая падением напряжения на базовом переходе транзистора в режиме насыщения определили ток базы:
где Iк = 0.010 – ток коллектора проходящий через транзистор в режиме насыщения, А
Iб =0.008 – ток базы транзистора, заданный резистором R2 , А. Из выражения (3.56) видно, что условие насыщение биполярного транзистора выполняется. 3). Расчёт параметров резистора Rк . Поскольку в режиме отсечки транзистора через этот резистор проходит ток, равный постоянному току управления тиристора, то сопротивление резистора рассчитывается по формуле:
где IGT =0.15- постоянный ток управления тиристора, мА; Выбрали номинальное сопротивление резистора из [3]: Rк =33Ом. По (3.3), подставляя значения тока IGT и номинального сопротивления Rк рассчитали мощность, выделяемую на резисторе Rк , в результате получили: РRк =0.74Вт 4).Выбрали резистор Rк из [3]. Параметры выбранного прибора приведены в таблице 3.21. Таблица 3.21. Параметры выбранных резисторов.
3.3 Расчёт задающего генератора
3.3.1 Выбор схемы генератора Согласно техническому заданию длительность квазистационарного состояния 30 мс. Частота соответствующая такой длительности вычисляется по формуле (3.58):
где Т=0.03 – длительность квазистационарного состояния цифрового управляющего устройства, с. Чтобы обеспечить стабильную частоту задающего генератора необходимо использовать схему с кварцевой стабилизацией частоты. Из [7] выбрали схему генератора (рис.3.16). 3.3.2 Выбор кварцевого резонатора Выбрали из [8] кварцевый резонатор ZQ1 с частотой резонанса 32768Гц. 3.3.3Расчёт параметров резистора R1 Рассчитали сопротивление резистора R1 из условия, что ток, проходящий через него должен равняться току на выходе ТТЛШ-логики при логической единицы. Так как при логическом нуле на входе инвертора DD1, на выходе DD3 логическая единица, а при логической единице на входе DD1 на выходе DD3 будет логический ноль, можно сказать, что напряжение приложенное к R1 не зависит от напряжения на выходе схемы (напряжения на кварцевом резонаторе) и равняется: U=U1 H -U0 L =5-0.4=4.6 В (3.59) Сопротивление резистора рассчитывается по (3.60):
где U=4.6 – напряжение, прикладываемое к резистору, В. Выбрали номинальное сопротивление резистора из [3]. С целью получения прецизионного прибора воспользовались стандартным рядом Е192, в котором допуск составляет 0.01%. В результате получили: R=11500 Ом. Вычислили мощность, рассеиваемую на резисторе:
По величине номинального сопротивления и мощности рассеиваемой на приборе выбрали из [3] резистор, параметры которого приведены в таблице 3.22. Таблица 3.22. Параметры выбранного резистора.
В качестве инверторов DD1-DD3 взяли микросхему КР1533ЛН1, параметры которой приведены в таблице 3.14. 3.3.4 Расчёт делителя частоты (рис.3.17)
Рис.3.16. Из [9] выбрали микросхему К561ИЕ15А, параметры которой приведены в таблице 3.23. Это программируемы вычитающий счетчик-делитель, которым можно задать коэффициент деления частоты от 3 до 15999. Выходной сигнал является импульсом с шириной равной периоду тактовой частоты, который повторяется с частотой в "N" раз меньше входной. Счетчик предустанавливается 16-ю входными сигналами. Таблица 3.23. Параметры микросхемы К561ИЕ15А
Требуемый коэффициент деления частоты рассчитали по формуле (3.62):
где fZQ =32768 – частота резонанса кварцевого резонатора, Гц; f=33.3 – рассчитанная частота задающего генератора, Гц. В программируемом счетчике-делителе коэффициент деления задаётся состояниями входов Pi . Эти входы задают разряды коэффициента деления: P1 =0 – тысячи, P2 =9- сотни, P3 =8 – десятки, P4 =4 – единицы. Входы М и Р5 подключаем согласно справочным данным на микросхему [9]: М=2=«111» На схеме соответственно соединили выводы разрядовых регистров («0» к общему выводу всей схемы, «1» к источнику питания 1). С целью унификации задающего генератора и удобства его настройки на входа делителя частоты поставили механические ключи типа «Swich», при этом при включенном состоянии ключа на соответствующий вход подана логическая единица, а при отключенном – логический ноль. Из [8] выбрали ключи, их параметры приведены в таблице 3.24. Таблица 3.24. Параметры выбранных механических коммутирующих приборов.
4.РАЗОРАБОТКА КОНСТРУКЦИИ ЦИФРОВОГО УПРАВЛЯЮЩЕГО УТРОЙСТВА
4.1 Выбор охладителя на силовые ключи Считая, что тепло, выделяемое на p-n переходе полупроводникового прибора, отдаётся только через контакт полупроводникового прибора и радиатора, выбрали из [5] величине выделяемой мощности (Pj =22.6) охладитель: О231. 4.2 Выбор основания для монтажа микросхем Из [8] в качестве основания для монтажа элементов схемы фольгированный стеклотекстолит СФ-2-50-1.5. Параметры выбранного основания приведены в таблице 3.24. Таблица 3.24. Параметры выбранного основания для монтажа элементов.
4.3 Выбор конструктивного исполнения цифрового управляющего устройства Поскольку силовые ключи напитываются напряжением, равным 600В, то и при коротком замыкании коммутируемой цепи может выйти из строя как силовая часть, так и цифровой автомат, поэтому с целью уменьшения стоимости ремонта цифрового управляющего устройства монтаж силовой части и цифрового автомата с входными цепями производим на разных монтажных платах. 4.4 Расчёт минимальной ширины дорожки проводящего рисунка печатной платы
1)Рассчитали максимальный ток дорожек, обеспечивающих подвод питания к цифровой и аналоговой части цифрового управляющего прибора. 1.1) По данным, приведённым в пункте 3, нашли максимальный потребляемый ток схемой цифрового автомата: I=k∙(q∙Inot +w∙Ior/not +r∙Iand +t∙Ilr +u∙Idc1 +p∙Idc2 +v∙Ior + +b∙IT )=1,4∙(2∙3.8+3∙4+4+4∙3+35+13+4∙5+10)= (3.63) =147.6 мА где q=2 – количество микросхем КР1533ЛН1 w=3 - количество микросхем КР1533ЛЕ1; r=1 - количество микросхем КР1533ЛИ1; t=4 - количество микросхем КР555ЛР13; u=1 - количество микросхем КР1533ИД3; p=1 - количество микросхем КР555ИД6; v=4 - количество микросхем КР555ЛЛ1; b=1 - количество микросхем КР1533ТМ7; k=1.4 – добавочный коэффициент; Inot =3.8 –максимальный ток, потребляемый микросхемой КР1533ЛН1, мА; Ior / not =3 -максимальный ток, потребляемый микросхемой КР1533ЛЕ1, мА; Iand = 4 -максимальный ток, потребляемый микросхемой КР1533ЛИ1, мА; Ilr =3 -максимальный ток, потребляемый микросхемой КР1533ЛИ1Ю, мА; Idc 1 =35 -максимальный ток, потребляемый микросхемой КР1533ИД3, мА; Idc 2 =13 -максимальный ток, потребляемый микросхемой КР555ИД6, мА; Ior =5 -максимальный ток, потребляемый микросхемой КР555ЛЛ1, мА; IT =10 -максимальный ток, потребляемый микросхемой КР1533ТМ7; 2.1) Записали выражение для расчёта ширины дорожки проводящего рисунка: L>I/(B∙J)= 159∙10-3 /(50∙10-6 ∙4∙106 )=0.0008 м (3.64) где I=159∙10-3 -максимальный ток, проходящий через сечение медной фольги, А; B=50∙10-6 -толщина фольги, м. Примем ширину дорожки, равную 1 мм. 3)Аналогичный расчёт провели для получения ширины дорожек, соединяющих микросхемы, управляющий электрод тиристора и системой управления. В результате получили: L=0.00012мм – для дорожек, соединяющих микросхемы, и L=0.0008 – для дорожек, соединяющих управляющий электрод тиристора с системой управления. Приняли ширину дорожки, соединяющей микросхемы, равной 0.2 мм, дрожки, подходящей к управляющему электроду, 1 мм. 4.5 Разработка рисунка печатных плат Согласно габаритным размерам приборов [2, 5, 6] и микросхем [1], а так же данным, рассчитанным в пункте 4.4 составили рисунок печатной платы цифрового автомата с входными цепями (рис.4.1-4.2) и силовой части цифрового управляющего устройства (рис.4.2-4.3). Литература 1.Полупроводниковые оптоэлектронные приборы: Справочник/В.И.Иванов, А.И.Аксенов, А.М.Юшин – 2-е изд., перераб. и доп.-М.: Энергоатомиздат.-1988.-448с.: ил. 2. Резисторы: (Справочник)/Ю.Н.Андреев, А.И.Антонян, Д.М.Иванов и др.; Под.ред. И.И.Четверткова.-М.: Энергоиздат, 1981.-352с., ил. 3. Транзисторы/Чернышев А. А., Иванов В. И., Галахов В. Д. и др.; Под общ. ред. А. А. Чернышева. — 2-е изд., перераб. и доп. — М.: Энергия, 1980.— 144 с., ил.— (Массовая радиобиблиотека; Вып. 1002). 4.Краткий справочник конструктора радиоэлектронной аппратуры. Под. ред. Р.Г.Варламова.-М.: Сов.радио, 1972. |
|||||||||||||||||||||||||||||||||||||||||||||||||||||||||||||||||||||||||||||||||||||||||||||||||||||||||||||||||||||||||||||||||||||||||||||||||||||||||||||||||||||||||||||||||||||||||||||||||||||||||||||||||||||||||||||||||||||||||||||||||||||||||||||||||||||||||||||||||||||||||||||||||||||||||||||||||||||||||||||||||||||||||||||||||||||||||||||||||||||||||||||||||||||||||||||||||||||||||||||||||||||||||||||||||||||||||||||||||||||||||||||||||||||||||||||||||||||||||||||||||||||||||||||||||||||||||||||||||||||||||||||||||||||||||||||||||||||||||||||||||||||||||||||||||||||||||||||||||||||||||||||||||||||||||||||||||||||||||||||||||||||||||||||||||||||||||||||||||||||||||||||||||||||||||||||||||||||||||||||||||||||||||||||||||||||||||||||||||||||||||||||||||||||||||||||||||||||||||||||||||||||||||||||||||||||||||||||||||||||||||||||||||||||||||||||||||||||||||||||||||||||||||||||||||||||||||||||||||||||||||||||||||||||||||||||||||||||||||||||||









(3.9)
(3.10)
(3.11)
(3.12)
(3.35)





(3.54)

(3.56)