Контрольная работа: Проектирование устройства выполняющего заданные функции преобразования цифровой информации
|
Название: Проектирование устройства выполняющего заданные функции преобразования цифровой информации Раздел: Рефераты по коммуникации и связи Тип: контрольная работа | ||||||||||||||||||||||||||||||||||||||||||||||||||||||||||||||||||||||||||||||||||||||||||||||||||||||||||||||||||||||||||||||||||||||||||||||||||||||||||||||||||||||||||||||||||||||||||||||||||||||||||||||||||||||||||||||||||||||||||||||||||||||||||||||||||||||||||||||||||||||||||||||||||||||||||||||||||||||||||||||||||||||||||||||||||||||||||||||||||||||||||
| Содержание 1 Цель курсового проектирования 2 Задачи курсового проектирования 3 Расчетная часть курсового проектирования 1 Цель курсового проектирования Целью курсового проекта является решение комплексной задачи, охватывающей основные разделы дисциплины «Цифровая электроника» и заключающейся в выполнении схемотехнического проектирования устройства, выполняющего заданные функции преобразования цифровой информации. Объектом курсового проектирования являются синхронные пересчетные схемы. 2 Задачи курсового проектирования В процессе работы над курсовым проектом должны быть рассмотрены и решены следующие задачи: 1) синтез структуры проектируемого устройства; 2) анализ сложности проектируемого устройства и выбор типа триггера, использование которого для реализации устройства позволяет минимизировать его сложность; 3) синтез триггерного устройства выбранного типа. 3 Расчетная часть курсового проектирования Задача проектирования: спроектировать устройство, выполняющее функцию восьмиразрядного синхронного реверсивного сдвигающего регистра и синхронной реверсивной пересчетной схемы. Таблица 1: Условные обозначения типов переходов переменной
Таблица 2: Описание реверсивного сдвигающего регистра
Карта Карно:
Таблица 3: Словарное описание триггеров D и JK – типов
Карты Карно
После склеивания получаются следующие выражения:
Если доказать, что
Преобразование в базис И-НЕ:
Далее проводится оценка сложности комбинационной схемы управления (КСУ): 1- если в схеме используется прямой вход 2- если в схеме используется инверсный вход S S Так как S Для построения схемы сдвигающего регистра, требуется определить выражения, отражающие логику формирования входных сигналов каждого разряда, учитывая кольцевую структуру регистра. Чтобы получить искомые выражения необходимо вместо индексов у переменных в формуле (*) подставить значения, соответствующие номерам разрядов от 1 до 8, при этом, если результат вычислений значения индекса окажется меньше или равен 0, то к результату следует прибавить число, указывающее количество разрядов в проектируемом кольцевом сдвигающем регистре; если результат окажется больше 8, то из него следует вычесть это число. Используя указанное правило, получим следующие выражения, описывающие логику формирования сигналов на входе JK-триггера каждого из 8-ми разрядов регистра:
Проектирование триггерного устройства. Исходными данными для проектирования являются функция внешних переходов триггера и условия переключения его выходного сигнала по отношению к синхросигналу С. Таблица 4: Таблица внешних переходов D триггера
Описание работы триггера можно представить в виде таблицы внутренних состояний и переходов триггерного устройства. Таблица 5: Таблица внутренних состояний и переходов триггерного устройства
Количество внутренних состояний можно сократить, объединяя строки таблицы. В данном случае наиболее целесообразным является объединение строк (1, 2, 4), (3), (5, 6, 7), (8). Минимизированная таблица внутренних состояний и переходов в триггера имеет следующий вид: Таблица 6
Преобразуем таблицу 6 в соответствии с количеством новых состояний триггера в таблицу 7. Так как число внутренних состояний уменьшилось до S = 4, то для кодирования этих состояний достаточно k = log (S) = 2 внутренних переменных. Обозначим их как Эту операцию необходимо выполнить таким образом, чтобы в триггере не возникали критические состязания между сигналами обратных связей (состязания, приводящие к несанкционированным переходам тирггера из состояния в состояние). Эти состязания будут устранены, если коды соседних состояний будут отличаться значениями не более, чем в одном из разрядов, т. е. переходы между соседними внутренними состояниями будут реализованы изменением только одной внутренней переменной. Составим граф переходов, отвечающий этому требованию, где 00, 01, 11, 10 – коды внутренних состояний 1, 2, 3, 4 соответственно. Эти коды определяются значениями переменных Граф переходов для 2-х переменных имеет следующий вид:
Минимизированная таблица 7 имеет следующий вид: Таблица 7
Так как число внутренних состояний уменьшилось до S = 4, то для кодирования этих состояний достаточно k = log (4) = 2 внутренних переменных. Обозначим их как В соответствии с выбранным вариантом кодирования состояний триггера, минимизированная таблица в – триггера будет представлять собой совокупность 2-х таблиц, каждая из которых определяет одну из функций Таблица 8
Кодированная таблица переходов (таблица 8) представляет собой совокупность двух таблиц, каждая из которых определяет одну из функций для
После проведения склеивания в картах Карно, необходимо определить выражения для
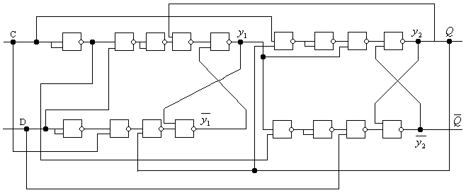
Полученные уравнения позволяют построить схему проектируемого триггера. Перед построением схемы необходимо преобразовать уравнения в требуемый базис, предварительно вынеся за скобки
Схема проектируемого в триггера, построенного по полученным выражениям с использованием логических элементов 2И-НЕ имеет следующий вид:
|
||||||||||||||||||||||||||||||||||||||||||||||||||||||||||||||||||||||||||||||||||||||||||||||||||||||||||||||||||||||||||||||||||||||||||||||||||||||||||||||||||||||||||||||||||||||||||||||||||||||||||||||||||||||||||||||||||||||||||||||||||||||||||||||||||||||||||||||||||||||||||||||||||||||||||||||||||||||||||||||||||||||||||||||||||||||||||||||||||||||||||



для