Курсовая работа: Разработка конструкции системы видеонаблюдения Циклоп
|
Название: Разработка конструкции системы видеонаблюдения Циклоп Раздел: Промышленность, производство Тип: курсовая работа | |||||||||||||||||||||||||||||||||||||||||||||||||||||||||||||||||||||||||||||||||||||||||||||||||||||||||||||||||||||||||||||||||||||||||||||||||||||||||||||||||||||||||||||||||||||||||||||||||||||||||||||||||||||||||||||||||||||||||||||||||||||||||||||||||||||||||||||||||||||||||||||||||||||||||||||||||||||||||||||||||||||||||||||||||||||||||||||||||||||||||||||||||||||||||||||||||||||||||||||||||||||||||||||||||||||||||||||||||||||||||||||||||||||||||||||||||
| ВВЕДЕНИЕ В настоящее время широко используются разнообразные охранные системы, системы видеонаблюдения и сигнализации, как на предприятиях, так и в быту. Практически в каждом подъезде установлены домофоны, во многих квартирах установлена сигнализация. На предприятиях охранные системы более сложные и надежные. Но в обоих случаях охранная система должна иметь высокое быстродействие, по возможности, обеспечивать возможность фиксации незаконного проникновения на охраняемую территорию злоумышленника на видеопленку либо на цифровой носитель информации, быть экономичной при потреблении ресурсов и дешевой. Автоматическая система видеонаблюдения «Циклоп» отвечает вышеперечисленным требованиям. При этом требование экономичности выполняется не только с точки зрения экономии электроэнергии. Данная система способна экономично использовать носитель информации, на который будет производиться запись, а так же она предусматривает полное отсутствие оператора. Обычные универсальные запоминающие пульты для радиоаппаратуры малопригодны, так как требуется определенная последовательность действий, которая зависит от внешнего управляющего сигнала. «Циклоп» - устройство, предназначенное для дистанционного управления теле- и видеоаппаратурой в составе систем наблюдения. С помощью этого устройства можно автоматически включать видеоаппаратуру по заданной пользователем программе. На рисунке 1 представлена система видеонаблюдения, в состав которой входит устройство «Циклоп».
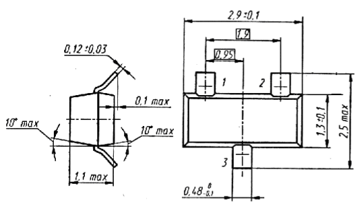
Рисунок 1 - Автоматическая система видеонаблюдения «Циклоп»: а) - устройство «Циклоп»; б) – управляющий орган (датчик); в) – видеокамера; г) – видеомагнитофон; д) – телевизор На рисунке показан один из способов включения «Циклопа» в систему видеонаблюдения. Данная система может быть упрощена или наоборот, содержать большее количество элементов. Управляющим органом может быть датчик движения или присутствия, квартирный звонок и т. д. Данная система может применяться как в жилых домах, так и в охранных системах на предприятиях. 1 АНАЛИЗ ТЕХНИЧЕСКОГО ЗАДАНИЯ И СХЕМЫ ЭЛЕКТРИЧЕСКОЙ ПРИНЦИПИАЛЬНОЙ, ВЫБОР ЭЛЕМЕНТНОЙ БАЗЫ «ЦИКЛОП» представляет собой небольшой прибор с цифровым табло, тремя кнопками управления, имеющий окно ИК приемника и выносной ИК излучатель. Прибор можно разместить в любом удобном для пользователя месте, а ИК излучатель крепят к стене или мебели напротив управляемого объекта. Существует несколько способов кодирования информации для передачи по ИК каналу. Первый — высокочастотная модуляция. Сравнительно низкочастотной информационной посылкой модулируют несущую частоту, близкую к 43,5 кГц. Это позволяет отвязаться от постоянной составляющей инфракрасного фона помещения. Второй способ — команду представляют в виде кода "МАНЧЕСТЕР", который не имеет продолжительных нулевых или единичных состояний и поэтому хорошо защищен от помехи. Некоторые производители для более экономного расходования ресурса батареи питания пульта ДУ применяют способ однократной передачи кода. При нажатии на клавишу пульта сначала передается посылка с кодом команды, а затем следуют относительно короткие посылки с кодом удержания нажатой клавиши. Задача устройства — принять и декодировать команды, записать их в энергонезависимую память, а затем, получив сигнал извне, транслировать эти команды в определенной последовательности. Качество работы во многом зависит от точности приема команд. С выхода модуля BL1 очищенная от постоянной составляющей инвертированная цифровая последовательность поступает на вход Р3.2 микроконтроллера DD2. Обработанная информация о принятых командах в специальной форме поступает на хранение в ПЗУ DS1. Сформированная кодовая последовательность с выхода Р1.0 контроллера DD2 поступает на вход элемента DD1.4, который в паре с DD1.3 образует генератор импульсов с периодом повторения 27,2 мкс. Этот параметр необходимо выдерживать как можно точнее, поскольку большинство однокристальных фотоприемников, бытовой аппаратуры для приема команд с пультов ДУ унифицированы и имеют одинаковые параметры несущей частоты. С выхода элемента DD1.4 кодовая последовательность поступает на усилитель тока — транзистор VT2. Нагрузкой транзистора служат два ИК диода - излучателя VD2 и VD3. Они и управляют самой видеоаппаратурой. Устройство «ЦИКЛОП» имеет два универсальных входа. Вход 1 — с гальванической развязкой на оптроне U1 — рассчитан на входное постоянное напряжение 12 В, но если его подключить через гасящий конденсатор, то можно работать и от сети ~220 В (например, подключить квартирный звонок). Вход 2 — это вход триггера Шмитта, собранного на транзисторе VT1 и элементе DD1.2. На этот вход можно подавать и 12 В, и какой-либо аналоговый сигнал с микрофонного усилителя или аудиодомофона. Сигналы с обоих входов проходят через цифровой фильтр, коэффициент передачи которого устанавливают программно. Оба входа способны срабатывать от любого фронта импульса, что позволяет использовать устройство с различными датчиками. Устройство собирается на печатной плате из двухсторонне фольгированного стеклотекстолита толщиной 1,5 мм. Программа написана с учетом того, что частота задающего генератора — 24 МГц. Можно использовать кварцевый резонатор на другую частоту — от 10 МГц и более. Микроконтроллер DD2 (фирмы ATMEL) установлен в припаянную к плате панель. При программировании устройства соединительные проводники должны быть возможно короче, чтобы уменьшить влияние наводок. Пульт дистанционного управления следует разместить на расстоянии 10...60 см от устройства. В память устройства заносят команды с пульта управления телевизора или магнитофона. По команде с внешнего датчика устройство выполнит заданную программу. На панели управления расположены три кнопки и дисплей. Кнопками пользователь может выбирать разные варианты работы. Память устройства разбита на 16 разделов (программ), каждая из которых может состоять из 16-ти шагов (команд управления аппаратурой). Для нормальной и эффективной работы устройства в системе видеонаблюдения необходимо правильно ввести программу в память. В устройстве предусмотрено пять режимов работы. РЕЖИМ "PROGRAM" - ПРОГРАММИРОВАНИЕ. Режим "PROGRAM" включают нажатием на кнопку SB1 "Mode". Дисплей высветит '00 (точка, стоящая впереди, указывает на включение программирования). Если программы уже были введены и какую-то из них надо откорректировать, ее выбирают кнопками SB2 "<<" или SB3 ">>". Символ в первом знакоместе табло — номер набираемой программы в шестнадцатиричном коде (0 — первая, F — шестнадцатая), а во втором — порядковый номер шага (команды) в программе, также в шестнадцатиричном коде. Обращаем внимание на тип используемого пульта управления. Дело в том, что в системах ДУ используют несколько видов команд. Отличий в работе с телевизором или видеомагнитофоном может быть совершенно не видно, однако в устройство «ЦИКЛОП» эти команды вводятся по-разному. Для простых команд (без энергосбережения) все просто: одно нажатие — одна команда. При вводе команд другого вида нужно будет сделать три нажатия на одну и ту же кнопку пульта, чтобы «ЦИКЛОП» понял переданную команду. Разницу будет видно сразу по работе устройства. Пока команда достоверно не определена, перехода на следующий шаг не будет! Определив команду, устройство переходит на следующий шаг программирования — номер на дисплее увеличится на единицу. Сейчас можно ввести в программу время паузы между командами или следующую команду. Время паузы набирают кнопками "<<" или ">>", его можно изменять от 1 до 256 с. Каждое нажатие добавляет задержку на 1 с, общее время в секундах дисплей показывает в шестнадцатиричном коде. После каждого нажатия на эти кнопки дисплей в течение приблизительно одной секунды индицирует длительность задержки, которая будет выполнена после только что заданной команды. По умолчанию она имеет минимально возможное значение — 1с. После задания всех шагов программы нажатием на кнопку SB1 "Mode" можно прервать программирование и кнопками SB2 и SB3 выбрать для ввода следующую программу. Повторное нажатие на кнопку "Mode" вызовет переход устройства в режим "WORK" (об этом будет сказано ниже). Если при программировании вводится команда, уже введенная ранее, ей не отводится отдельное место в памяти, а в программу помещается лишь ее номер. Различить первичное и повторное введение какой-либо команды можно следующим образом: при первичном вводе, когда устройство не идентифицирует ее ни с одной из команд, уже имеющихся в памяти, на индикаторе появляется точка во втором знакоместе дисплея ('0'0) и остается до отпускания кнопки пульта; в том же случае, если вводимую команду устройство находит среди уже сохраненных в памяти, точка во втором знакоместе не появляется. Эту особенность удобно использовать для определения достоверности захвата кода устройством. Если вы многократно вводите одну и ту же команду и все попытки или некоторые из них, кроме первой, сопровождаются появлением точки во втором знакоместе, значит, код определяется неуверенно. Следует подобрать расстояние между устройством и пультом либо избавиться от излишнего инфракрасного фона (задернуть шторы, если на дворе ярко светит солнце). РЕЖИМ "TEST". Режим "TEST" предназначен для отладки и проверки программы. Он состоит из двух разделов: проверки команд и программ. Войти в эти режимы можно из режима программирования. При нажатии одновременно на кнопки SB2 и SB1 дисплей покажет L0. Символ L означает проверку команды, а цифра 0 указывает ее номер — первый. Выбрать проверяемую команду можно кнопками SB2 и SB3. При нажатии на кнопку SB1 устройство воспроизведет выбранную команду. При нажатии одновременно на кнопки SB3 и SB1 дисплей покажет НО. В этом режиме можно проверить целую программу. Выбрать проверяемую программу можно кнопками SB2 и SB3. При нажатии на кнопку SB1 устройство воспроизведет выбранную программу. Таким образом можно проверить работу каждой отдельной команды и программы в целом. В случае неработоспособности хотя бы одной команды необходимо более внимательно перепрограммировать устройство. При нахождении ошибки в выполнении программы можно будет вернуться в режим "PROGRAM" и перепрограммировать только ее. Выйти из режима "TEST" можно, если снова нажать на те же кнопки, которые были нажаты при входе. РЕЖИМ "WORK". Режим "WORK" является основным. Пользователь может сам выбрать номер программы, записанной в память, по которой устройство будет работать. Примеры показаний дисплея в режиме "WORK": мигающие символы 10 или 3- или 04. Это — режим ожидания импульса от любого входа. Первая цифра показывает номер программы, которая будет запускаться от входа 1, а вторая цифра — номер программы, которая будет запускаться от входа 2. Если вместо цифры дисплей высвечивает прочерк, это значит, что соответствующий вход отключен и устройство не будет реагировать на импульс. Когда на дисплее мигают два прочерка — отключены оба входа и «ЦИКЛОП» не будет выполнять ни одну программу. Выбрать программу для каждого входа можно кнопками SB2 и SB3. Если в течение определенного времени импульс на вход не поступает, дисплей выключается, а устройство продолжает работать в режиме "WORK" без индикации. Эта функция нужна для того, чтобы дисплей не привлекал излишнего внимания. Включение дисплея можно вызвать нажатием на кнопку SB2 или SB3. Временной интервал до выключения дисплея устанавливается в параметрах устройства. РЕЖИМ "ACTIVE". Если устройство находится в режиме "WORK" и на любой из его входов, для которого определена программа, поступает импульс, оно переходит в режим "ACTIVE". Длительность импульса должна превышать некоторое значение (параметр Р0 или Р1 в разделе параметров). Это нужно для предотвращения ложных срабатываний устройства от коротких импульсов, которые могут появиться в результате проникновения помех. Сразу после перехода в режим "ACTIVE" ЦИКЛОП начинает выполнять программу, определенную для данного входа. Дисплей высвечивает специальный символ в виде трех горизонтальных линий и номер команды, которая передается. В это время устройство не способно воспринимать нажатия на кнопки или повторные импульсы на вход. Закончив выполнять программу, устройство вернется в режим "WORK". РЕЖИМ "PARAMETER". Этот режим необходим только в процессе программирования устройства. Войти в него можно из режима программирования, нажав одновременно на кнопки SB2 и SB3. Перечислим параметры, которые можно устанавливать в этом режиме: Р0 — защитный интервал 1 -го канала (0 — FF) (1/100 с). Р1 — защитный интервал 2-го канала (0 —FF) (1/100 с). Р2 — число посылок в пачке (2—32). РЗ — интервал между посылками (40—95 %). Р4 — частота кварцевого резонатора, МГц. Р5 — <зарезервировано>. Р6 — номер программы 1-го входа. Р7 — номер программы 2-го входа. Р8 — время до гашения индикаторов, с. Lx — каждая команда. Нх — каждая программа. Параметры РО и Р1 задаются в сотых долях секунды и, соответственно, могут принимать значения от 0,01 до 2,56 с. Задание параметров РО или Р1 равными нулю обеспечивает срабатывание устройства по первому изменению уровня сигнала. Активным уровнем для входов является уровень, противоположный тому, который имелся на входе в момент перехода устройства в режим "WORK". Если необходимо на вход 2 подать переменное напряжение частотой 50 Гц, тогда параметр Р1 необходимо выставить равным нулю, так как при этом на входе будет пульсирующее напряжение частотой 50 Гц и длительностью менее 0,01 с. Параметр Р2 задает число посылок кода команды при выполнении устройством каждого шага программы. Этот параметр нужен в ситуациях, когда управляемый объект неуверенно воспринимает посылаемые команды. Обычно бывает достаточно значения, равного 2—3. Смысл параметра РЗ — интервал между посылками команд в пачке, выраженный в процентах от длины команды (ее продолжительности во времени). Введен он на всякий случай, так как "фирменный" интервал между командами с пульта не измеряется и не фиксируется в памяти. Параметр Р4 изменяют в случае использования кварцевого резонатора с частотой, отличающейся от указанной на схеме. Используется этот параметр исключительно для корректной генерации временных интервалов между командами и защитных интервалов. Не нужно забывать, что чем ниже тактовая частота, тем хуже точность записи и воспроизведения команд. По умолчанию задана частота кварцевого резонатора 24 МГц. Параметры Р6 и Р7 — справочные, они отражают номера программ, привязанных ко входам 1 и 2 соответственно. В режиме "PARAMETER" они не могут быть изменены. Параметр Р8 определяет время в секундах между последним нажатием на кнопки и выключением дисплея. В процессе программирования "ЦИКЛОП" может индицировать ошибки. Почти все ошибки сбрасываются автоматически. Вот их описание: Е1 — ошибка приема кода. Е2 — слишком длинный код. ЕЗ — слишком короткий код. Е5 — переполнение памяти. Е6 — неисправность памяти. В случае переполнения памяти устройства необходимо произвести операцию стирания. Для этого нужно войти в режим "PROGRAM" и нажать сразу все три кнопки. На дисплее появятся мигающие символы в виде трех горизонтальных линий. Не отпуская кнопок, нужно дождаться появления прочерков, при этом вся информация в памяти команд и программ будет стерта. Параметры устройства остаются без изменения [1]. Выбор элементной базы В современных устройствах необходимо стараться применять элементную базу, характеризующуюся высокими функциональными возможностями, гибкостью использования, высокой надежностью и массогабаритными показателями. По возможности следует использовать технологию поверхностного монтажа, так как она способствует уменьшению габаритов печатных плат, а также упрощает технологию производства. Инфракрасные диоды выбраны различных типов (АЛ156А и АЛ145А), так как длинна волны излучения пультов дистанционного управления различной радиоаппаратуры может различаться. Их основные характеристики: длинна волны излучения – от 820 до 900 нм у диода АЛ156А и от 900 до 1050 нм у диода АЛ145А; максимальный прямой ток - 100 мА; максимальный ток при работе в импульсном режиме – 1500 мА; прямое напряжение – 1,8 В; обратное напряжение – 1В; диапазон рабочих температур – от минус 60 до плюс 70°С. На рисунке 1.1 изображены диоды.
Рисунок 1.1 – Внешний вид диодов: а) АЛ145А; б) АЛ156А
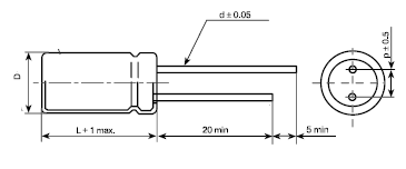
Рисунок 1.2 – Посадочные места диодов: а) АЛ156А; б) АЛ145А Модуль BL1 – стандартный однокристальный фотоприемник. Фотоприемник выбран типа SBX1483-52 фирмы SONY, устанавливается на корпус прибора.
Рисунок 1.3 – Посадочное место модуля SBX1483-52 Конденсаторы С1, С2, С5, С8, С9 и С11 керамические ЧИП конденсаторы фирмы «muRata», предназначены для поверхностного монтажа на печатные платы с последующей пайкой оплавлением, горячим воздухом или в инфракрасных печах. Используются в электрических цепях постоянного, переменного токов и в импульсных режимах. Данный выбор обоснован стремлением уменьшения массогабаритных размеров конструкции. Конденсаторы C2, С8 и С11 - GRM188R71H104K имеют типоразмер 0603; тип ТКЕ – X7R – стабильный диэлектрик с предсказуемой температурной, частотной и временной зависимостью; номинальное рабочее напряжение – 50 В; емкость – 0,1 мкФ; точность Конденсаторы С1, С4 и С5 - GRM1885C1H330J имеют типоразмер 0603; тип ТКЕ – NPO – используются в прецизионных цепях, в рабочем диапазоне емкость практически не зависит от температуры, времени, напряжения и частоты; рабочее напряжение – 50 В; емкость - 33 пФ; точность - Конденсатор С9 - GRM1885C1H221J имеет те же характеристики что и конденсаторы типа GRM1885C1H330J (емкость – 220 пФ) [2].
Рисунок 1.4 – Конденсаторы типоразмера 0603
Рисунок 1.5 – Посадочное место конденсаторов типоразмера 0603 Конденсаторы С3, С6, С10 – электролитические конденсаторы фирмы «BC components». Данный тип конденсаторов отличается меньшими габаритными размерами. Приведем основные технические характеристики данных конденсаторов: точность - Конденсатор С7 – электролитический конденсатор фирмы «Chang», его технические характеристики аналогичны характеристикам конденсаторов фирмы «BC components» [2]. На рис. 1.6 показан внешний вид конденсаторов С3, С6, С7, С10, а в таблице 1.1 приведены их размеры.
Рисунок 1.6 – Внешний вид конденсаторов С3, С6, С7, С10
Рисунок 1.7 – Посадочное место конденсаторов С3, С6, С7, С10 Таблица 1.1 – Размеры конденсаторов С3, С6, С7, С10
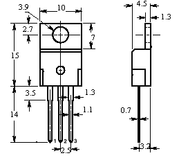
Стабилизатор напряжения MC7805CT приведен на рисунке 1.8. Его основные технические характеристики: выходное напряжение – 5 В; выходной ток – 1,5 А; входное напряжение – 12 В [2].
Рисунок 1.8 – Размеры стабилизатора напряжения MC7805CT
Рисунок 1.9 – Посадочное место стабилизатора напряжения MC7805CT Микросхема DD1 – К561ЛЕ5 – стандартная отечественная логика. Она содержит четыре элемента «2ИЛИ-НЕ», выполнена в корпусе DIP14. Рабочая температура окружающей среды – от минус 10 до плюс 70°С.
Рисунок 1.10 – Корпус микросхемы К561ЛЕ5 Рисунок 1.11 – Посадочное место микросхемы К561ЛЕ5 DD2 – микроконтроллер АТ89С52 фирмы «ATMEL». Выполнен в корпусе DIP40, тактовая частота – 24 МГц, рабочая температура окружающей среды – от минус 40 до плюс 85°С [2].
Рисунок 1.12 – Корпус микроконтроллера АТ89С52
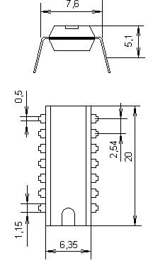
Рисунок 1.13 – Посадочное место микроконтроллера АТ89С52 DS1 – микросхема памяти – 24СО8. Объем памяти 8 Кб, напряжение питания – 5В, интерфейс – I2C. Выполнена в корпусе SO-8, с шагом выводов 2,54 мм [2].
Рисунок 1.14 – Корпус микросхемы 24СО8
Рисунок 1.15 –Посадочное место микросхемы 24СО8 HG1 – цифровой сегментный индикатор DA56-11EWA фирмы «Kingbright» (рис. 1.16). Высота знака – 14,2 мм; подключение – общий анод; количество разрядов – 2; яркость свечения – 8 мКд; цвет свечения – красный; диапазон рабочих температур - от минус 40 до плюс 85°С [2].
Рисунок 1.16 – Цифровой сегментный индикатор DA56-11EWA
Рисунок 1.17 – Посадочное место индикатора DA56-11EWA Индуктивность L1 – ЧИП дроссель CM322522-101KL фирмы «BOURNS» - проволочный, намотка на ферритовом сердечнике, изолированные. Типоразмер – 1206; габариты 3,2Ч2,5Ч2,2; диапазон рабочих температур - от минус 40 до плюс 100°С [2].
Рисунок 1.18 – Посадочное место дросселя CM322522-101KL В качестве резисторов выбираем толстопленочные чип резисторы типа РН1 - 12, (производство фирмы «muRata») которые предназначены для работы в цепях постоянного, переменного и импульсного тока в качестве элементов для поверхностного монтажа. Приведем их основные технические характеристики: номинальная мощность – 0,125 Вт; типоразмер – 1206; точность -
Рисунок 1.19 – Внешний вид резистора РН1 – 12
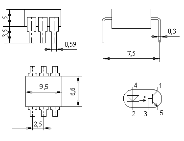
Рисунок 1.20 – Посадочное место резистора РН1 – 12 U1 – оптопара отечественного производства – АОТ128А (рис. 1.21). Число каналов – 1; напряжение пробоя изоляции – 1500 В; сопротивление изоляции – 100 ГОм; диапазон рабочих температур - от минус 45 до плюс 85°С [2].
Рисунок 1.21 – Оптопара АОТ128А
Рисунок 1.22 – Посадочное место оптопары АОТ128А VD1 – стабилитрон BZX84C8V2 фирмы «General Semiconductor» (рис. 1.23). Напряжение стабилизации – 8,2 В; мощность рассеивания – 300 мВт; тип корпуса SOT – 23; диапазон рабочих температур - от минус 55 до плюс 125°С. Катодом является вывод 2, а анодом – 3 [2].
Рисунок 1.23 – Стабилитрон BZX84C8V2
Рисунок 1.24 – Посадочное место стабилитрона BZX84C8V2 Транзисторы VT1 и VT2 – КТ315Б и КТ972А соответственно, изображены на рисунке 1.12.
Рисунок 1.25 – Транзисторы: а) КТ315Б, б) КТ972А
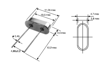
Рисунок 1.26 – Посадочные места транзисторов: а) КТ972А, б) КТ315Б Кварцевый резонатор ZQ1 - HC-49S (рис. 1.27) рассчитан на рабочую частоту 24 МГц; диапазон рабочих температур - от минус 10 до плюс 70°С. [2].
Рисунок 1.27 – Кварцевый резонатор HC-49S
Рисунок 1.28 – Посадочное место кварцевого резонатора HC-49S В качестве разъема питания используется разъем DJK-02А гнездо 2,0 мм фирмы TYCO Electronics. Его основные технические характеристики: сопротивление контактов от 10 до 20 мОм; сопротивление изоляции – 50 Мом; рабочий диапазон температур от минус 55 до плюс 105°С [2].
Рисунок 1.29 – Разъем DJK-02А
Рисунок 1.30 – Посадочное место под разъем DJK-02А Разъемы для коммутации датчиков и выносных светодиодов MDN-4FR фирмы TYCO Electronics (MiniDIN-4 розетка) и MND-4M (MiniDIN-4 вилка), количество контактов 4. Технические характеристики разъема: максимальный ток 1А; максимальное напряжение 30 В; сопротивление изоляции 500 Мом; диапазон рабочих температур от минус 55 до плюс 105°С [2].
Рисунок 1.31 – Разъем: MDN-4FR (розетка)
Рисунок 1.32 – Посадочное место под разъем MDN-4FR Таблица 1.2 – Сводная таблица элементов
2 РАСШИРЕНОЕ ТЕХНИЧЕСКОЕ ЗАДАНИЕ НА ПРИБОР«ЦИКЛОП» 1. Наименование изделия: блок управления «Циклоп». 2. Предназначен для автоматического управления системы видеонаблюдения. 3. Прибор относится к группе наземной переносной РЭА. Габаритные размеры: не более 200´150´100 мм. Масса не более 1 кг. Конструкция прибора должна предусматривать возможность программирования с пульта дистанционного управления, а также возможность подключения излучателей для управления РЭА. 4. Категория размещения – 4 (для эксплуатации в помещениях с искусственно регулируемыми климатическими условиями, отсутствие прямого солнечного излучения, атмосферных осадков, ветра песка и пыли, отсутствие конденсации влаги). 5. Вариант исполнения – ТМ (для макроклиматического района с тропическим морским климатом). 6. Температура внешней среды может изменяться от 00 С до 450 С. Относительная влажность воздзуха до 90% при температуре окружающей среды +350 С. 7. Программа выпуска – 1000 штук/год. 8. Среднее время наработки на отказ – не менее 30 тыс. ч. ЗИП не предусматриваются. 9. Материал корпуса – силумин АЛ34 (ВАЛ5), ГОСТ 2685 – 75 [4]. 10. Гарантийный срок эксплуатации – 1 год. 3 РАЗРАБОТКА КОНСТРУКЦИИ ИЗДЕЛИЯ Корпус прибора должен обеспечивать жесткое закрепление печатной платы и элементов объемного монтажа, защиту платы и ЭРЭ от внешних климатических и механических воздействий. Кроме того, корпус должен быть технологичен, экономически выгоден, обеспечивать требования ремонтопригодности и удобства в эксплуатации. Прибор предполагает использование в условиях тропического морского климата, это говорит о том, что возможно воздействие влаги и вредных коррозионных веществ на элементы конструкции. Материал корпуса – cплав АЛ34, ГОСТ 2685 – 75, предназначен для литья крупных корпусных деталей, сложных по конфигурации. Сплав АЛ34 является сплавом на основе Al-Si (силумин) отличается высокими литейными свойствами и герметичностью изготовленных отливок. У силуминов удовлетворительная коррозионная стойкость. Обрабатываемость резанием, в термически обработанном состоянии — удовлетворительная. Все элементы корпуса изготавливаются литьем под давлением. После литья поверхности, требующие дополнительной обработки, обрабатывают шлифованием. На основании корпуса создается ступенька, с которой будет контактировать медный островок на плате – теплоотвод для стабилизатора напряжения [4]. Для обеспечения герметичности корпуса между его основанием и крышкой предусмотрена уплотнительная прокладка из резины СКБ ГОСТ 2915-75 [5] (синтетический каучук бутадиеновый). Данный вид герметизации выбран т. к. необходимо создать разборную конструкцию, а герметизация пайкой и сваркой не обеспечивает данного требования. Перед установкой платы в корпус необходимо одеть на разъемы, фотоприемник и индикатор прокладки (их чертежи приведены в приложении Д). Для улучшения коррозионной стойкости и придания корпусу удовлетворительных декоративных свойств на него необходимо нанести покрытия. Для этих целей используется покрытие из 2-х слоев: - грунтовка ЗП-09Т ТУ 6-10-1155-76 цвет желтый. Матовое, твердое, механически прочное, эластичное покрытие. Назначение - самостоятельное покрытие для защиты от коррозии металлических деталей при временном хранении и при транспортировке. Температурный диапазон применения - от минус 60 до плюс 150°С. Толщина слоя – от 15 до 20 мкм. - краска П-ЗП-219 ТУ 6-10-1597-76 цвет белый. Ровное, однородное покрытие, обладает защитно-декоративными свойствами. Назначение: изделия из стали, магния, алюминия и его сплавов, электробытовые машины и приборы. Температурный диапазон применения – от минус 60 до плюс 100°С. Толщина слоя – от 50 до 80 мкм. Выбираем коробчатый тип корпуса. Корпус состоит из двух частей: несущей конструкции (основания) и верхней крышки. На основании корпуса создается прижимная ступенька для контакта с островком меди – теплоотводом. Кнопки SB1 – SB2 монтируются в отверстия в корпусе, диаметр отверстий определяется исходя из крепежных параметров кнопки. После сверления отверстий необходимо произвести удаление заусенцев. Надписи на лицевой панели маркировать как указано на рисунке 3.1 краской БМ черной, ТУ029-02-859-78. Шрифт 5 по ГОСТ 2.304-81, тип А без наклона.
Рисунок 3.1 – Лицевая панель Надписи на задней стенке маркировать как показано на рисунке 3.2 таким же образом, как и лицевую панель.
Рисунок 3.2 – Задняя стенка Размеры корпуса – 105х150х30 мм. Размер 105 мм обусловлен габаритами платы, т.к. на краях установлены разъемы и фотоприемник которые должны быть доступны для коммутации. Размер 150 мм получен путем сложения размера платы (100 мм) и посадочного места для кнопок. Расположение корпуса – вертикальное (данное расположение улучшает устойчивость корпуса), обусловлено расположением платы. Плата устанавливается вертикально, табло индикатора должно быть направлено вверх. Корпус изготавливается без перфорационных отверстий, т.к. мощность, потребляемая устройством мала. К тому же, дополнительные отверстия способствуют лучшему проникновению в корпус агрессивных веществ, пыли и влаги, что в условиях тропического морского климата будет недопустимо. Способ охлаждения в корпусе — естественный воздушный. В применении устройств амортизации нет необходимости, так как не предполагается, что разрабатываемое устройство будет подвергаться значительным механическим нагрузкам во время эксплуатации. Плата крепится к основанию на стойки винтами М3-6gЧ10 ГОСТ1476-84 [4]. Затем в основание корпуса вставляются резиновые вставки, ложится резиновая прокладка, а затем устанавливается крышка. Перед установкой крышки на корпус необходимо установить на ее кнопки, а затем произвести распайку соединительных проводников. В качестве соединительных проводников используется провод МГШВ 0,12 ГОСТ 10349 – 79 [6]. Материл, из которого изготавливается печатная плата – стеклотекстолит, марка СФ-2-20Г-1,5 ГОСТ 103160 – 78 [6]. Метод изготовления печатной платы - комбинированный позитивный, так как необходимы металлизированные отверстия. Использование этого метода дает возможность выполнить печатный монтаж с высокой разрешающей способностью. Рисунок формируется путем фотолитографии. Использование ЧИП элементов для поверхностного монтажа снижает площадь печатной платы. Пайка установленных на плате поверхностно-монтируемых элементов ведется методом оплавления в печи, остальных (компоненты, монтируемые в отверстия) – индивидуальной пайкой паяльником. Сегментный индикатор и фотоприемник устанавливаются на плату с одной стороны, а все остальные компоненты с другой. Выводы фотоприемника формуются таким образом, что бы его корпус лежал на плате, а лицевая сторона не выступала за пределы платы. Травление платы осуществляется согласно чертежам ПП, островок меди, создаваемый в области стабилизатора напряжения является теплоотводом. После травления платы необходимо провести ее лужение припоем ПОС 61 ГОСТ 21931 – 76 [6]. При установке стабилизатора его необходимо приклеить к островку меди клеем 88Н ТУ 38-105-1061-76. Затем производится покрытие платы лаком УР – 231 ТУ 6-10-863-76 (бесцветный) для улучшения коррозионной стойкости элементов монтажа. Необходимо учесть то, что попадание лака на медный теплоотвод недопустимо, т. к. это ухудшит его теплопроводящие свойства. Для соединения прибора с датчиком используется кабель типа STP2S – экранированная витая пара. Количество пар – 2. Это дает возможность не меняя кабель, при выходе из строя рабочей витой пары, заменить ее на резервную. Экранированная витая пара имеет защиту от электромагнитных помех и обеспечивает высокое качество передачи данных. Этот же кабель используется и для связи прибора со светодиодами. Надписи, поясняющие назначения разъемов и кнопок выполнены краской ЧМ, черной ТУ 029-02-859-78. Надписи наносятся непосредственно над элементами управления или под элементами коммутации. 4 КОНСТРУКТОРСКИЕ РАСЧЕТЫ 4.1 Расчет объемно-компоновочных характеристик устройства Исходные данные для расчета: К - коэффициент заполнения, К = 2…3, принимаем К = 3; Суммарная площадь занимаемая радиоэлементами на плате (таблица 1.2), SΣ = 3500 мм2 ;
Находим общую площадь платы:
Согласно ГОСТ 10317-79 принимаем размеры платы 100x100 мм. Коэффициент заполнения устройства по объему: где Объемная плотность устройства: 4.2 Расчёт элементов печатного монтажа Выбирается двусторонняя печатная плата с металлизацией сквозных отверстий из СФ-2-20Г-1,5 ГОСТ 10316-78 толщиной 1,5 мм (толщина фольги – 0,020 мм). ДПП с металлизацией переходных отверстий отличается высокой трассировочной способностью, обеспечивает высокую плотность монтажа элементов и хорошую механическую прочность их крепления, она допускает монтаж элементов на поверхности и является наиболее распространенной в производстве радиоэлектронных устройств. Точность изготовления печатных плат зависит от комплекса технологических характеристик и с практической точки зрения определяет основные параметры элементов печатной платы. В первую очередь это относится к минимальной ширине проводников, минимальному зазору между элементами проводящего рисунка и к ряду других параметров. По ГОСТ 23.751-86 предусматривается пять классов точности печатных плат, которые обусловлены уровнем технологического оснащения производства. Выбираем 3-ий класс точности ОСТ 4.010.022— 85. Метод изготовления печатной платы – комбинированный [7]. Диаметры выводов для ZQ1, монтажа проводов для кнопок и для переходных отверстий равны 0,4 мм – 1-я группа; для элементов BL1, DD1, DD2, HG1, U1, C3, C6, C7, C10 и VD2 равны 0,6 мм – 2-я группа; для элементов DA1, VD3, VT1, VT2, SX1-SX3 – 1,1 мм – 3-я группа; для элемента SX4 – 2,6 мм – 4-я группа. Произведем расчет печатного монтажа с учетом созданных групп. Расчет печатного монтажа состоит из трех этапов: расчет по постоянному и переменному току и конструктивно-технологический. Исходные данные для расчёта: 1. Imax — максимальный постоянный ток, протекающий в проводниках (определяется из анализа электрической схемы), Imax = 0,25 A; 2. Толщина фольги, t = 20 мкм; 3. Напряжение источника питания, Uип = 12 В; 4. Длина проводника, l = 0,04 м; 5. Допустимая плотность тока, jдоп = 75 А/мм2 ; 6. Удельное объемное сопротивление ρ = 0,0175 Ом·мм2 /м; 7. Способ изготовления печатного проводника: комбинированный позитивный; Определяем минимальную ширину, мм, печатного проводника по постоянному току для цепей питания и заземления: где bmin 1 - минимальная ширина печатного проводника, мм; jдоп - допустимая плотность тока, А/мм2 ; t – толщина проводника, мм; Определяем минимальную ширину проводника, мм, исходя из допустимого падения напряжения на нем: где ρ — удельное объемное сопротивление [7], Ом·мм2 /м; l — длина проводника, м; Uдоп — допустимое падение напряжения, определяется из анализа электрической схемы. Допустимое падение напряжения на проводниках не должно превышать 5% от питающего напряжения для микросхем и не более запаса помехоустойчивости микросхем.
Определяем номинальное значение диаметров монтажных отверстий d: где dэ — максимальный диаметр вывода устанавливаемого ЭРЭ, мм; Δdн.о — нижнее предельное отклонение от номинального диаметра монтажного отверстия, Δdн.о = 0,1 мм; r — разница между минимальным диаметром отверстия и максимальным диаметром вывода ЭРЭ, ее выбирают в пределах от 0,1 до 0,4 мм. Примем r = 0,1 мм. d1 = 0,4+0,1+0,1 = 0,6 мм; d2 = 0,6+0,1+0,1 = 0,8 мм; d3 = 1,1+0,1+0,1 = 1,3 мм; d4 = 2,6+0,1+0,1 = 2,8 мм; Рассчитанные значения в сводят к предпочтительному ряду отверстий: 0,6; 0,7; 0,8; 0,9; 1,1; 1,3; 1,5 мм. Принимаем для выводов 1-й группы d1 = 0,6 мм; для второй - d2 = 0,8 мм; для третей d3 = 1,3 мм; для четвертой d4=2,8мм. Рассчитываем минимальный диаметр контактных площадок для ДПП, мм: где t — толщина фольги, мм; D 1 min — минимальный эффективный диаметр площадки, мм:
где b м — расстояние от края просверленного отверстия до края контактной площадки, мм, [7], b м =0,035мм; δ d и δр — допуски на расположение отверстий и контактных площадок, мм, [7], δ d =0,08мм и δр =0,20мм; d max — максимальный диаметр просверленного отверстия, мм: где Δd — допуск на отверстие, мм, [7], Δd =0.05мм Для 1-й группы:
Для 2-й группы:
Для 3-й группы:
Для 4-й группы:
Максимальный диаметр контактной площадки Dmax , мм: Для 1-й группы:
Для 2-й группы:
Для 3-й группы:
Для 4-й группы:
Определяем ширину bmin 3 , проводников при изготовлении комбинированным позитивным методом, мм:
где b 1 min — минимальная эффективная ширина проводника b1 min =0,18 мм для плат 3-го класса точности.
Принимаем bmin = max{bmin 1 , bmin 2 , bmin 3 } = 0,25 мм Максимальная ширина проводников, мм:
Определяем минимальное расстояние между элементами проводящего рисунка. Минимальное расстояние между проводником и контактной площадкой, мм:
где L0 — расстояние между центрами рассматриваемых элементов, мм, L0 = 4 мм;
Минимальное расстояние между двумя контактными площадками, мм:
Минимальное расстояние между двумя проводниками, мм:
Контактные площадки для поверхностно монтируемых элементов выбираются исходя из их установочных размеров. Для резисторов размеры контактных площадок 0,8Ч2 мм; для элемента DS1- 1,6Ч3 мм; для VD1 - 0,9Ч0,9 мм; для конденсаторов С1, С2, С4, С5, С8, С9 - 1,2Ч0,8 мм; для дросселя 1Ч3 мм. Таким образом, параметры печатного монтажа отвечают требованиям, предъявляемым к платам 3-го класса точности. Имеем диаметр отверстия/диаметр контактной площадки (мм) для элементов 1-й группы 0,6/1,5; для элементов 2-й группы – 0,8/1,7; для элементов 3-й группы – 1,3/2,2; для элементов 4-й группы – 2,8/3,6. Принимаем ширину печатного проводника равной 0,3 мм, минимальные расстояния между: проводником и контактной площадкой – 0,75 мм; двумя контактными площадками - 0,2 мм; двумя проводниками - 0,35мм. 4.3 Расчет теплового режима Исходные данные. Длина блока L1,м - 0,105; Ширина блока L2, м – 0,15,; Высота блока L3,м - 0,3; Коэффициент заполнения Kз - 0,054; Мощность расеиваемая в блоке Pз, Вт – 5; Давление среды H1i=H2i, мм.рт.ст - 770; Мощность рассеевания элементов Pэл., Вт - 3,5; Максимально допустимая температура тепловыделяющего элемента (DA1) Тэ.эл1., К – 358; Максимально допустимая температура элемента (ZQ1) Тэ.эл2., К – 343; Максимально допустимая температура для материала корпуса Тк1 , К - 473; Температура среды Тв., К – 323. — Рассчитывается поверхность корпуса блока: — Определяется условная поверхность нагретой зоны: где
— Определяется удельная мощность корпуса блока: где Р - мощность, рассеиваемая в блоке, Вт.
— Определяется удельная мощность нагретой зоны:
— Находится коэффициент
— Находится коэффициент
— Находится коэффициент
где
— Находится коэффициент где
— Определяется перегрев корпуса блока:
— Рассчитывается перегрев нагретой зоны:
— Определяется средний перегрев воздуха в блоке:
— Определяется удельная мощность элемента: где
— Рассчитывается перегрев поверхности элемента: — Рассчитывается перегрев среды, окружающей элемент:
— Определяется температура корпуса блока: где
— Определяется температура нагретой зоны:
— Находится температура поверхности элемента: — Находится средняя температура воздуха в блоке: — Находится температура среды, окружающей тепловыделяющий элемент:
При сравнении расчётных данных с необходимыми условиями: Тэ.эл 1> Тэ.эл 2 > Т в (343>358 > 331,7 K), Тэ.эл 1> Тэ.эл 2 > Т эс (343>358 > 330,7 K), Тэ.эл 1> Тэ.эл 2 > Т з (343>358 > 338,5 K), Тк1 > Tк (473>326,9 К). Подтверждается, что тепловой режим блока соблюдается. 4.4 Расчет надежности Исходными данными для данного расчета является схема электрическая принципиальная устройства «Циклоп» ПАЛ.437291.002.Э3, а также перечень элементов. Время наработки на отказ tз = 30000 ч. Коэффициенты электрической нагрузки элементов РЭУ: Активные: 0,6 Резисторы: 0,7 Конденсаторы: 0,8 Другие: 0,8 В данном расчете учитываются электрический режим и условия эксплуатации элементов, кроме того, принимаются во внимание конструктивные элементы устройства. 1. Используя справочные данные [8], определяем поправочные коэффициенты (учитывающие влияние температуры и коэффициента нагрузки-α1,2 ; влияние механических воздействий- α3 ; влияние относительной влажности- α4 ; влияние атмосферного давления- α5 ; вносим их в таблицу. Подсчитываем суммарный поправочный коэффициент: αΣ = α1,2 ∙ α3 ∙ α4 ∙ α5 , (4.35) Результаты расчета занесены в таблицу 4.1. Таблица 4.1 – Суммарный поправочный коэффициент
2. Определяем суммарную интенсивность отказов элементов с учетом коэффициентов электрической нагрузки и условий их работы в составе устройства [8]: где λ0 j – справочное значение интенсивности отказов элементов j-й группы, j = 1,…, k. где λj (ν) – интенсивность отказов элементов j-й группы с учетом электрического режима и условий эксплуатации; nj – количество элементов в j-й группе; j=1,…, k; k – число сформированных групп однотипных элементов; Результаты расчета занесены в таблицу 4.2. λΣ (v)= 2,4·10-5 1/ч. 3. Рассчитываем значение времени наработки на отказ:
4. Вычисляем вероятность безотказной работы устройства P(tз) в течении заданного времени tз = 30000 ч:
Т.е. с вероятностью 0,5 данный блок РЭС будет функционировать безотказно в течение 30000 часов. 5. Среднее время безотказной работы устройства (средняя наработка на отказ): Тср = Т0 = 41660 ч. 6. Вычисляем гамма-процентную наработку до отказа при
Рисунок 4.1 – Зависимость вероятности безотказной работы от времени 4.5 Расчет на механические воздействия В данном расчёте были использованы следующие величины: - возмущающая частота f, 10…30 Гц; - толщина платы h, 0,0015 м; - модуль упругости Е, 3,2·1010 Па; - коэффициент Пуассона ν, 0,28; - декремент затухания Λ, 500; - виброускорение а0 (f), 19,6 м/с2 1. Найдем частоту собственных колебаний равномерно нагруженной пластины (печатной платы), закрепленной в четырех точках. [7] Цилиндрическая жесткость пластины, Н·м:
Общий коэффициент, зависящий от способа закрепления сторон пластины:
где k , a , b , g - коэффициенты, учитывающие способ закрепления сторон пластины (для пластины, закрепленной в четырех точках k =9.87, a =1, b =2, g =1 [7]); a , b – длинна и ширина пластины соответственно (0,1Ч0,1), м;
Частота собственных колебаний пластины, Гц:
где Μ — масса пластины с элементами, кг (около 0,49 кг.);
2. Коэффициент расстройки:
где f — частота возбуждения, Гц;
3. Показатель затухания:
где Λ - декремент затухания;
4. Коэффициент передачи по ускорению является функцией координат и может быть определен по формуле:
где Κ 1 ( x ) , Κ 1 ( y ) - коэффициенты для различных условий закрепления краев пластины (для пластины с обоими опертыми краями Κ1 (x),=Κ1 (y)=1,3 в точке максимального прогиба - по центру пластины);
5. Амплитуда виброперемещения основания, м:
6. Амплитуда виброперемещения, м:
7. Амплитуда виброускорения, м/с2 :
8. Максимальный прогиб пластины относительно ее краев. Для кинематического возбуждения, м:
9. Проверяем выполнение условия вибропрочности. Оценка вибропрочности производится по следующим критериям: для ИС, транзисторов, резисторов и других ЭРЭ амплитуда виброускорения должна быть меньше допустимых ускорений для данной элементной базы [7] т.е.:
Для ПП с радиоэлементами должно выполняться условие:
где b — размер стороны ПП, параллельно которой установлены элементы, м;
Таким образом, условия вибропрочности соблюдены. В данной конструкции не требуется применение дополнительных средств защиты от вибрации, усложняющих и удорожающих устройство. 4.6 Расчёт показателей качества Расчёт произведён в соответствии со следующими формулами [7]: 1. Коэффициент применяемости деталей: Кп.д =1-Дт.ор /Дт, (4.53) где Дт.ор - количество типоразмеров оригинальных деталей в изделии, Дт – общее количество типоразмеров оригинальных деталей без учёта нормализованного крепежа. Кп.д =1-8/8=0. 2. Коэффициент применяемости ЭРЭ: Кп.эрэ =1- Нт.ор.эрэ /Нт.эрэ , (4.55) где Нт.ор.эрэ – количество типоразмеров оригинальных ЭРЭ в устройстве, Нт.эрэ – общее количество типоразмеров ЭРЭ в изделии. Т.к. количество типоразмеров оригинальных ЭРЭ в устройстве равно 0, то Кп.эрэ =1. 3.Коэффициент применяемости узлов: Кп.с =1 – Ет.ор / Eт , (4.56) где Ет.ор – количество типоразмеров оригинальных узлов в устройстве, Eт – общее количество типоразмеров узлов в устройстве, Кп.с =1 – 1/2 =0,5 , 4.Коэффициент повторяемости деталей и узлов: Кп.д.с =1- (Дт +Ет )/(Д+Е), (4.57) - общее количество деталей без нормализованного крепежа, Е- общее количество узлов крепежа в штуках, Кп.д.с =1- (8+2)/(10+8)=0,45, 5.Коэффициент повторяемости ЭРЭ: Кпов . эрэ =1-Нт . эрэ /Нэрэ , (4.58) где Нт.эрэ - общее количество типоразмеров ЭРЭ в устройстве, Нэрэ - общее количество ЭРЭ в устройстве в штуках, Кпов.эрэ =1- 17/64=0,74, 6.Коэффициент установочных размеров ЭРЭ: Ку.р =1-Ну.р /Нэрэ , (4.59) где Ну.р - количество видов установочных размеров ЭРЭ, Ку.р =1- 17/64=0,74, 7.Коэффициент освоенности деталей : Косв = 1- Дор /Д, (4.60) где Дор –общее количество оригинальных деталей в изделии в штуках, Косв = 1- 10/10=0, 8.Коэффициент сложности сборки: Кс.сб =1 – Ет.сл / Eт , (4.61) где Ет.сл - количество типоразмеров узлов, входящих в изделие требующих регулировки в составе изделия с применением специальных устройств, либо пригонки или совместной обработки с последующей разборкой и повторной сборкой. Кс.сб =1 – 0/ 2=0, 9.Коэффициент сборности изделия : Кс.б =Е/(Е+Д), (4.62) Кс.б =8/(8+10)=0,44, 10.Коэффициент точности обработки: Кт.ч = 1- Дт.ч /Дт , (4.63) где Дт.ч – количество деталей , имеющих размеры с допусками по 3 классу и выше, Кт.ч = 1- 0/8=1, 11.Коэффициент унификации : К=(åqh +åq3 +åqn ) / åq, (4.64) где åqh – количество нормализованных деталей изделия, åq3 - количество заимствованных деталей, åqn - количество покупных деталей, åq- общее количество деталей в изделии, К=8/18=0,44, 12.Коэффициент повторяемости: Кповт = åqош / ån , (4.65) где åqош –общее количество деталей в изделии в штуках, ån – общее число наименований деталей, Кповт =18/10=1,8, 13. Коэффициент повторяемости микросхем: Кпов мс = 1- (Нт мс YYYyyНрпаекнго/ Hмс ) , (4.66) где - Нт мс – количество типоразмеров корпусов микросхем; Hмс – общее количество микросхем. Кпов мс = 1- (5YYYyyНрпаекнго/ 5) = 0. 14.Коэффициент применяемости : К=(åНh +åН3 +åНn ) / åН (4.67) где åНh – количество наименований нормализованных деталей изделия, åН3 - количество наименований заимствованных деталей, åНn - количество наименований покупных деталей, åН- общее количество наименований деталей в изделии, К=2/10=0,2, 15. Комплексный показатель технологичности: где Ki – величина показателя по таблице состава базовых показателей; Фi – функция, нормирующая весовую значимость показателя i – порядковый номер показателя в ранжированной последовательности; s – общее число относительных частных показателей.
16. Нормативный комплексный показатель: где
17. Расчет коэффициентов где j –индекс при коэффициентах(j =ТУ., ОП., ОТ., ПР. ); Зн j , Зaj – значения соответствующих показателей технического уровня, уровня организации производства, организации труда и серийности для нового изделия и для изделия-аналога; При отсутствии информации по отдельным характеристикам соответствующие поправочные коэффициенты принимаются за 1.
18. При известном нормативном комплексном показателе оценка технологичности выражается отношением:
Таким образом, условие технологичности конструкции выполнено. ЗАКЛЮЧЕНИЕ В ходе курсового проектирования была разработана конструкция блока управления системы видеонаблюдения “ЦИКЛОП”, позволяющего управлять видео- и аудио- аппаратурой систем видеонаблюдения без участия оператора. Были проведены конструкторские расчеты электрических соединений, объемо-компоновочных характеристик, расчет тепловых режимов, расчет надежности устройства, расчет на механические воздействия и расчет показателей качества изделия, доказывающие целесообразность разработки и изготовления данного устройства. Итогом работы по проектированию устройства “ ЦИКЛОП” явился комплект конструкторской документации, представленный в приложении, содержащий электрическую принципиальную схему, чертеж печатной платы, сборочный чертеж печатного узла, сборочный чертеж устройства и чертежи деталей (выполнены с применением САПР P-CAD 2001, Solid Works). ЛИТЕРАТУРА 1. Журнал «Радио» №1. – М.: Роспечать, 2003. – 75 с.: ил. 2. Каталог «ПЛАТАН». – М.: Платан Компонентс, 2005. – 320 с.: ил. 3. Справочник по полупроводниковым приборам «ЛАЗЕР АРТ». 4. Анурьев В. И. Справочник конструктора-машиностроителя: В 3 т. Т1. – 8-е изд. перераб. и доп. – М.: Машиностроение, 2001. – 920 с.: ил. 5. Лахтин Ю. М. Материаловедение: Учебник для высших технических учебных заведений. – М.: Машиностроение, 1990. – 528 с.: ил. 6. Анурьев В. И. Справочник конструктора-машиностроителя: В 3 т. Т3. – 8-е изд. перераб. и доп. – М.: Машиностроение, 2001. – 864 с.: ил. 7. Парфенов А.А. Конструирование РЭА: Учебник для радиотехнических специальностей ВУЗов. – М.: Высшая школа, 1989. – 422 с.: ил. 8. Боровиков С.М. Теоретические основы конструирования, технологии и надежности. - Мн. : Дизайн ПРО, 1998. 335 с. |
|||||||||||||||||||||||||||||||||||||||||||||||||||||||||||||||||||||||||||||||||||||||||||||||||||||||||||||||||||||||||||||||||||||||||||||||||||||||||||||||||||||||||||||||||||||||||||||||||||||||||||||||||||||||||||||||||||||||||||||||||||||||||||||||||||||||||||||||||||||||||||||||||||||||||||||||||||||||||||||||||||||||||||||||||||||||||||||||||||||||||||||||||||||||||||||||||||||||||||||||||||||||||||||||||||||||||||||||||||||||||||||||||||||||||||||||||


































, (4.2)
, (4.3)
(г/мм3
).
мм.
, (4.38)
, (4.39)
, (4.40)
;
, (4.43)
, Гц;
(4.46)
;
, (4.68)